工程质量管理检查评分办法(2016试行版)
- 格式:pdf
- 大小:424.38 KB
- 文档页数:6
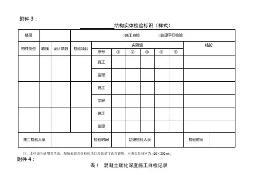
附件3:注:本样表为通用参考表,现场根据具体检验项目及数量可适当调整。
本表实际规格为400×300㎜。
附件4:- 1 -表1 混凝土碳化深度施工自检记录工程名称:江宁区汽车综合性能检测站东善分站3#综合厂房、地下室编号:注:1.施工单位宜在混凝土浇筑28天后及时进行碳化深度检验,并将检验结果及时报监理单位。
2.各测区碳化深度检验读数应精确至0.25mm,测区碳化深度值d i及平均碳化深度值d m应精确至0.5mm。
- 2 -表2 混凝土强度、碳化深度监理平行检验记录注:1.监理人员应在相关混凝土同条件养护试件达到等效养护龄期后,按照《回弹法检测混凝土抗压强度技术规程》JGJ/T23-2011要求及时进行混凝土强度和碳化深度的平行检验。
2.如采用具备自动分析处理功能的回弹仪,应将仪器数据分析的打印件粘贴于本记录表反面,测点回弹值R i和测区平均回弹值R m可不在表中填写。
- 3 -表3 受力钢筋保护层厚度检验记录注:1.保护层厚度设计值一列填自受力钢筋外边缘起算的保护层厚度,当受力钢筋外侧有箍筋或构造分布筋时,其值应为设计要求的保护层厚度加外侧钢筋直径。
2、保护层厚度检验栏中,阴影格为测点检验数填写处,每根钢筋应测三处,取三处检验值的平均值作为该钢筋保护层厚度的检验值,填于阴影格下方的空白格中。
2.本表施工单位和监理单位应分开填写,检验结论中最后两条施工单位不勾选。
- 4 -表4 混凝土构件尺寸检验记录注:1.设计值一列中,h w为梁腹板高度,即梁高减去板厚的值。
板厚检验栏中,阴影格为测点检验读数填写处,每个板厚测点应检验三次,取三次检验读数平均值作为该测点的检验值,填于阴影格下方的空白格中。
2.本表施工单位和监理单位应分开填写,检验结论中最后两条施工单位不勾选。
表5 层高(净高)、轴线(轴距)检验记录工程名称:江宁区汽车综合性能检测站东善分站3#综合厂房、地下室注:1.设计值一列,净高检验时填结构层高减去结构板厚的值,轴距检验时分别填两个方向的轴线间距离减去构件边与轴线偏差的值。
现行制度梳理指引类:1、《铝合金模板施工工艺推广应用工作指引》2、《实测实量指引(2016试行版)》3、《实测实量可视化管理操作指引(2016试行版)》4、《控制线指引(2016试行版)》5、《砂浆后台管理工作指引(2016试行版)》6、《外墙淋水试验工作指引(2016试行版)》7、《现浇混凝土缺陷定义(2016试行版)》8、《成品保护原则及保护做法(2016试行版)》9、《图纸会审指引》管理类:1、《工程质量管理检查评分办法(2016试行版)》及《“十条红线”检查表(2016试行版)》2、《展示区品质验收评分办法(2016试行版)》3、《碧桂园干挂石材工程质量管理检查评分办法(2016版)》及《碧桂园干挂石材工程质量红线管控实施方案(2016版)》4、《工程质量月度强制排名奖罚制度》5、《集团工程质量排名季度奖罚制度》6、关于修订《集团工程质量排名季度奖罚制度》的通知7、《工程质量风险预警及管控制度》8、《项目总质量底线管理制度》9、《碧桂园集团创优100标杆计划》10、《与施工合作方的沟通机制》11、《土建总包与专业公司施工场地交接验收制度》12、《装修工程质量管控要求(试行)》13、《住宅装修施工管理流程》14、关于实行《施工重点工序专项验收制度(试行)》的通知15、关于推行“装修交楼标准样板间”制度的通知16、《碧桂园工程质量问题处罚准则(试行)》17、《碧桂园集团工程维修管控制度》技术标准类:1、《防渗漏、防开裂重点控制(2015修订版)》2、《住宅装修工程施工工艺和质量标准(试行)》3、碧桂园集团施工现场安全与文明施工标准(2016版)4、工法样板设置标准和内容要求5、《反应粘防水卷材施工工艺和质量标准》(2015修订版)6、装修工程施工工艺和质量标准7、住宅装修工程施工管理标准8、装修四大类标准件工程质量标准和安装流程9、住宅交楼标准10、房屋渗漏维修施工工艺参考11、真石漆施工工艺和质量标准12、干挂石材工程质量管理标准13、外墙刮砂施工工艺和质量标准14、外墙文化石施工工艺和质量标准15、外墙涂料施工工艺和质量标准16、外墙纸皮砖施工工艺和质量标准17、工程成品保护制度和保护要求18、地基、桩基施工工艺和质量标准19、常用建筑材料体验标准、检验批及取样数量。
工程质量现场检查评分标准
1、检查评分说明
1. 1现场检查根据每项标准分进行检查评分,受检工程不适用的项目可不统计得分,扣分不超过每项的标准分,最终以项目总体得分为依据评价工程项目质量水平。
工程质量现场检查涉及工程质量管理、质量保证资料管理、工程实体质量三个分项,其在项目总分中所占权重分别为20%、30%、50%。
1.2本检查标准检查表未列项目,检查中具备检查条件的按照国家和行业标准进行抽查,并予以评价。
2、检查评定等级
分项得分在90以上的为优秀,表明该分项工作全面符合《工程质量管理制度》的规定,且有所创新;分项得分在80分至90分的为良好,表明该分项工作全面符合《工程质量管理制度》的规定;分项得分在70分至80分的为合格,表明该分项的工作基本符合《工程质量管理制度》的规定;分项得分在在70分以下的为不合格,表明该分项的工作没有达到《工程质量管理制度》的基本要求,必须限期整改合格。
质量检查结果将纳入项目质量管理考核中。
附表:XXXX质量检查评分表。
工程质量评分制度首先来理解什么是工程质量评分制度。
它是指通过设定一系列的质量标准和评价指标,对工程项目从设计、施工到竣工验收的每个阶段进行量化评估的一种管理机制。
该制度通常包含评价方法、评价内容、评分标准以及评分结果的处理等几个方面。
接下来我们展开具体的制度范本内容。
一、评价方法评价方法应当注重实际操作性和科学性,常见的评价方法包括自评、互评、专家评审等。
自评是指施工单位自行对工程的质量进行评价;互评则是不同施工单位之间相互进行评价;专家评审是由行业内的专家组成评审团队,对工程质量进行独立的评价。
二、评价内容评价内容需涵盖工程项目的所有关键环节,包括但不限于工程设计质量、材料质量、施工质量、安全生产、环境保护等方面。
每一环节都应该有明确的评价指标和标准。
三、评分标准评分标准是评分制度的核心部分,需要根据国家及行业的相关标准制定。
例如,施工质量可以根据平整度、垂直度、结构尺寸等具体参数来打分;安全生产可以根据事故率、安全教育培训次数等数据来评价。
四、评分结果的处理评分结果应该与奖惩措施直接挂钩。
对于评分高的工程项目,可以给予表彰和奖励;对于评分低的项目,则需要采取整改措施,并对相关责任方进行处罚。
这样可以激励所有参与者持续关注并提升工程质量。
任何一份工程质量评分制度都需要不断地实践检验和优化更新。
随着技术的发展和行业标准的提升,评分制度也需要与时俱进,反映最新的工程质量管理要求。
一个合理有效的工程质量评分制度对于保障工程项目质量具有重要意义。
通过上述范本的介绍,希望能够帮助各工程参与方建立和完善自身的质量评分体系,从而推动整个建筑行业的健康发展。
工程质量评分方法工程质量评分方法施工单位应对各分项工程按本标准所列基本要求、实测项目和外观鉴定进行自查,按附录J中“分项工程质量检验评定表,,提交真实、完整的自查资料,对工程质量进行自我评分。
监理工程师应按规定要求对工程质量进行检查,对施工自查资料进行签认和评分。
质量监督部门根据抽查资料和确认的施工自查资料以及监理工程师的质量管理资料对工程质量逐级进行评定,作为交工、竣工验收评定质量等级的依据。
公路工程质量检验评分以分项工程为评定单元,采用100分制评分方法进行评分。
在分项工程评分的基础上,逐级计算各相应分部工程、单位工程评分值、建设项目的单位工程优良率和评分值。
1、分项工程评分方法分项工程质量检验内容包括基本要求、实测项目、外观鉴定和质量保证资料四个部分,只有在其使用的材料、半成品、成品及施工工艺符合基本要求的规定且无严重外观缺陷和质量保证资料真实并基本齐全时,才能对分项工程质量进行检验评定。
分项工程的实测项目分值之和为100分,外观缺陷或资料不全时,须予扣分。
分项工程评分;实测项目中各检查项目得分之和。
(外观缺陷扣分,资料不全扣分)(1)基本要求检查各分项工程所列基本要求,包括了有关规范的主要点,对施工质量优劣具有关键作用,应按基本要求对工程进行认真检查,经检查不符合基本要求规定时,不得进行工程质量的检验和评定。
(2)实测项目对规定检查项目采用现场抽样方法,按照规定频率和下列计分方法对分项工程的施工质量直接进行检测评分。
检查项目除按数理统计方法评定的项目以外,均应按单点(组)测定值是否符合标准要求进行评定,并按合格率计分。
检查合格的点(组)数检查项目合格率(%)= ————————————————×100该检查项目的全部检察点(组)数检查项目评定分数= 检查项目规定分数×合格率对于路基路面压实度、弯沉值、路面结构层厚度、水泥混凝上抗压和抗弯拉强度、半刚性材料强度等检查项目,则分别采用所列方法进行评定计分。
工程质量管理办法(完整版)工程质量管理办法(试行)第一章总则为了加强工程现场质量管理,规范建设各方的行为,明确各方职责,依据国家有关法律、法规,并结合本工程管理的实际,制定了本办法。
当此办法与法律、法规相抵触时,以法律法规为准。
本办法适用于XXX电力建设工程项目。
工程项目必须按照国家有关项目法人责任制的规定,严格遵守国家有关质量的法律、法规、政策、标准。
工程建设必须坚决贯彻“百年大计,质量第一”的方针,当质量与工期、质量与成本、质量与效益发生矛盾时,必须把质量放在首位。
第二章质量目标工程质量管理的总目标是:1.不发生重大及以上质量事故;2.有效控制质量通病,观感质量及施工工艺达到国内先进水平;3.机组达标投产;4.整体工程质量达到优良标准。
第三章建设各方的职责监理单位应当依照法律、法规以及有关技术标准、设计文件和建设工程承包合同,代表业主对工程施工质量实施全过程监理,并对所监理工程施工质量承担监理责任。
监理单位应认真履行以下质量管理职责:1.建立、健全有效的监理质量管理体系;2.选派具备相应资格的XXX和监理工程师进驻施工现场;3.审批施工单位的施工组织设计、施工技术措施;4.组织设计交底和图纸会审;5.签发经业主批准的设计变更;6.组织检查进场的材料和设备;7.签发质量签证;8.负责按规定监督与控制施工质量,定期编写质量报告;9.协助业主进行施工单位资格审查;10.按本办法及有关规定组织或参加工程质量检查、工程质量事故调查和处理、工程验收工作,支持和配合工程安全鉴定和质量巡视工作;11.建立、健全工程监理档案。
施工单位对所承包项目的施工质量负责。
施工单位应认真履行以下质量管理职责:1.建立、健全施工质量管理体系;2.在施工组织设计中,制定保证质量的技术措施;3.建立、健全教育培训制度,加强对职工(含临时工)的教育培训;未经教育培训或考核不合格的人员不得上岗作业。
特殊技术工种应按有关规定持证上岗,并报监理单位备案;4.对分包单位及使用的临时工进行管理和监督,并对其承担工程的施工质量负责;第五条规定了施工过程中必须按照工程设计图纸和施工技术标准施工,不得擅自修改工程设计,不得偷工减料。
No.:000000000000046745工程质量评分办法(试行)编制时间:2014年5月12日目录N O TABLE OF CONTENTS ENTRIES FOUND.N O TABLE OF CONTENTS ENTRIES FOUND.N O TABLE OF CONTENTS ENTRIES FOUND.工程质量评分办法(试行)为提高公司房产品质,体现XX地产的社会责任感,加大集团、区域公司、项目部对施工单位的工程质量管控力度,激励各施工单位加强质量管理,特制定本工程质量评分办法。
一、适用范围1.1对施工单位工程质量的评分、排名及奖惩依据;1.2对区域公司、项目部工程质量的“季度质量考核排名”、“年度绩效考核排名”的评定及奖惩依据。
二、现场质量检查办法2.1现场质量检查时,项目负责人、监理公司总监或总监代表及施工单位现场负责人应全程陪同并确认检查结果;2.2施工单位应提前准备好检查工具、图纸,现场标注好施工轴线、平水线等;2.3各标段正式开工后,工程管理中心即开始现场巡检,在现场具备做检验批条件后开始评分,至工程竣工为止(标志为:①取得竣工备案表;②现场室内装修工程完成);2.4工程竣工后,工程管理中心将继续对该标段进行巡检和督办,但不评分,直至向业主交楼。
三、抽检办法3.1工程管理中心将按不同施工单位、不同施工节点、不同在建面积、不同产品类型,分批、按比例随机抽取楼栋(楼层)检查,抽检遵循公平性、随机性、完整性和真实性原则。
对于检查的标段,在相关工序开始后应对全部工序进行检查,不能有遗漏。
整改,情节严重的将对施工单位进行处罚。
3.2工程管理中心将不定期随机对已完成的检验批进行实测,实测结果暂不做为评分依据,仅为施工质量提供参考,在相关条件成熟后再纳入评分系统。
四、评分计算办法4.1检查项及总分数质量检查采用评分制,总分100分,分四个评分表,各评分表权重分为:4.2“结构、安全隐患”、“防渗漏、防开裂”、“感观质量”评分按相对应的“检查评分表”进行评分,“检验批”按“检验批表格”进行实测实量检查,详见附表一、二、三、四。
工程质量评估管理办法页码:第 1 页共 10 页工程质量评估管理办法(V1。
5)编制万东友李志刚日期2013.8.13审核日期批准日期修订记录日期修订状态修改内容修改人审核人批准人2014.7。
7 V1。
1 3。
2。
7增加数据统计分析刘国成杜明权吴建强朱荣梅3.3。
5增加工程技术部参加各区域交叉质量检查3.3.6工程技术部经理组织、质量监察部经理参加倒数前2名工程师面谈3.6。
1增加审计部进行选点4.1.4增加选点原则4.2.5增加第三方监督、检查4。
3.5.(5)优化工程师排名4。
5。
1。
1~4.5.1。
3优化工程师排名应用优化附件中实测实量选点规则及检查内容2014。
12。
10 V1。
24.3。
2.混凝土结构工程评估部位增加地下室刘国成杜明权朱荣梅4。
5.2.2。
施工单位质量监控标准最低合格率由75%修订为80%刘国成杜明权朱荣梅2015.5.15 V1.3 5。
2~5.4附件2、3、4增加观感质量选点规则及检查内容;5.5~5.6修改安装部分实测实量检查内容及增加观感项目;4。
3。
1土建调整实测实量分值,其中实测实量分值占80%,观感质量分值占20%;附件2:净高偏差调整(-10、15)mm;张文超杜明权吴建强朱荣梅2016.2.14 V1.4 1、修订附件2、3、4检查项目及检查标准,增加否定项指标;2、完善评估周期4。
1.2条;3、增加工程质量评估进度统计表附件8;4、调整4。
3。
5条得分计算公式;5、修订附件7各专业不同施工阶段实测权重;6、增加附件9精装修工程质量实测实量原始记录表张文超杨宣勇杜明权吴建强朱荣梅2016.8。
18 V1。
5 1、主要修订4。
1。
5、4。
3.1、4.3。
5、4.5。
1、4。
5.3条内容;2、重点内容如下:工程质量评估包括质量实测实量、质量风险及观感质量和安全文明三部分内容,实测实量、质量风险及观感、安全文明(详见安全文明施工评估管理办法)。
张文超王江华吴建强、刘明英汪浩杰朱荣梅2.1安装专业抽检测区由工程管理部及质量监察部安装工程师共同确定,测区覆盖本标段所具备检查的所有项;2.2质量风险及观感质量检查范围:实测抽取的工程师所负责楼栋选取30%且不少于1栋楼,从屋面(或工作面)至地下室、地库,必须包含所有正在施工分项工程工作面及已完工程,采取对存在问题拍照扣分原则,无照片不允许扣分;2。
工程质量检查处罚细则(试行)成都天府新区三怡新农村投资有限公司2016年5月目录第一节总则 (1)第一节基本规定 (1)第二节防水工程 (3)第三节钢筋工程 (5)第四节模板工程 (6)第五节混凝土工程 (8)第六节砌体工程 (9)第七节抹灰工程 (11)第一节总则第一条为贯彻公司的质量理念,根据公司下达的《质量管理手册》,严格执行国家、行业、地方标准、规范、操作规程。
响应开展成都市住宅工程质量常见问题专项治理活动的要求,特制定本标准。
第二条为确保公司在建工程的施工质量能顺利达到预期的质量目标,规范工程施工质量控制程序,落实质量检查处罚依据,对于质量管理不到位以及不按图纸、方案或规范施工造成质量问题或质量事故的各施工单位和监理单位进行与本制度相对应条款的处罚。
第三条在各类各项施工质量检查过程中将参照此标准进行处罚,本标准未列检查项目的,按检查人员根据现场实际情况酌情给予处罚。
第四条公司工程部各现场管理工程师是本《细则》的执行主体,工程部全体人员有权对违法本《细则》的施工单位或个人予以处理或提出处理意见。
第五条本处罚标准未有详尽之处望各单位及时提出建议以便进行修改。
第一节基本规定第六条严格按图施工,严禁擅自更改图纸,违者一切责任自负,并承担经济损失。
并每发现一处按1000元/ 处的进行处罚。
第七条所有钢材、水泥、砂、砌块、防水卷材等施工材料到现场均要有产品合格证检验报告,并及时的做复试报告,若不符合设计、规范要求的材料,坚决不准使用,谁使用谁负责;进场一切材料须经监理单位和甲方现场管理工程师同意签字生效后方可使用,否则承担经济损失,并将按500元/次进行处罚。
第八条现场分项工程施工前,需按甲方要求制作实体样板(详见《工程样板引路制度》),样板经过验收合格确认后方可大面积施工,如没有样板或样板验收不合格的擅自施工者,给予500元/次的处罚。
第九条各分项或分部工程施工前提前上报施工专项方案,未报专项方案或方案审批未能通过的,私自开始施工或未经允许开始施工的,经给予500元/次的处罚;第十条各分部分项工程经过验收合格后必须做好成品保护,任何人不得故意损坏,否则给予200元/次/处的罚款并负责赔偿和恢复。
2012最新公路工程质量检验评定标准4路基土石方工程4.1 一般规定4.1.1 土方路基和石方路基的实测项目技术指标的规定值或允许偏差按高速公路、一级公路和其他公路(指二级及以下公路)两档设定,其中土方路基压实度按高速公路和一级公路、二级公路、三四级公路三档设定。
4.1.2 本章规定的实测项目的检查频率,如果检查路段以延米计时,则为双车道公路每一检查段内的最低检查频率:多车道公路必须按车道数与双车道之比,相应增加检查数量。
4.1.3 路基压实度须分层检测,并符合附录B规定。
路基其他检查项目均在路基项面进行检查测定。
4.1.4 路肩工程可作为路面工程的一个分项工程进行检查评定。
4.1.5 服务区停车场、收费广场的土方工程压实标准可按土方路基要求进行监控。
4.2 土方路基4.2.1 基本要求1) 在路基用地和取土坑范围内,应清除地表植被、杂物、积水、淤泥和表土,处理坑塘,并按规范和设计要求对基底进行压实。
2) 路基填料应符合规范和设计的规定,经认真调查、试验后合理选用。
3) 填方路基须分层填筑压实,每层表面平整,路拱合适,排水良好。
4) 施工临时排水系统应与设计排水系统结合,避免冲刷边坡,勿使路基附近积水。
5) 在设定取土区内合理取土,不得滥开滥挖。
完工后应按要求对取土坑和弃土场进行修整,保持合理的几何外形。
4.2.2 实测项目见表4.2.2。
表4.2.2 土方路基实测项目注:①表列压实度以重型击实试验法为准,评定路段内的压实度平均值下置信界限不得小于规定标准,单个测定值不得小于极值(表列规定值减5个百分点)。
小于表列规定值2个百分点的测点,按其数量占总检查点的百分率计算减分值。
②采用核子仪检验压实度时应进行标定试验,确认其可靠性。
③特殊干旱、特殊潮湿地区或过湿土路基,可按交通部颁发的路基设计、施工规范所规定的压实度标准进行评定。
④三级公路修筑沥青混凝土或水泥混凝土路面时,其路基压实度应采用二级公路标准。
项目技术质量管理量化考核标准(试行)考核单位:
说明:1.考核标准采用百分制,标准总分为100分(不含加分),有加分时,最高得分为110分。
2.考核采用总公司、公司、项目部三级考核,占比分别为50%、30%、20%。
总公司考核每年不少于1次,公司考核每月1次,项目部自评每月2次;每级考核多次考核的取历次平均分;公司、项目部考核缺失的按0分计。
项目阶段考核低于80分时,总公司将约谈公司及项目部相关领导。
3.每次施工生产讲评会时进行阶段考核,对考核前5名进行奖励,后5名通报批评。
工程质量管理检查评分办法(2016试行版)
时间:2015年12月
目录
一、适用范围 (2)
二、检查考核办法 (2)
三、评分计算办法 (5)
四、配合检查要求 (7)
五、抽检办法 (8)
六、解释 (9)
七、附件 (9)
工程质量管理检查评分办法
(2016试行版)
为更好地落实“三级管控”原则,建立全员质量责任意识和全周期质量管理意识,进一步规范各区域、项目、施工单位工程实体质量及管理行为落实检查工作,促进各施工单位加强质量管理,特制定本检查评分办法。
一、适用范围
1.1本评分办法适用集团国内所有在建项目,国外项目参照本评分办法另行制定。
1.2区域工程技术部对区域内各施工标段工程实体质量的评分、排名及奖惩依据。
1.3区域工程技术部对区域内各项目工程实体质量及管理行为的评分、排名及奖惩依据,以及各项目组织绩效考核中工程质量的考核依据。
1.4集团对各区域的“区域工程质量季度考核”、“年度区域绩效考核”的评定依据。
1.5对参与“创标杆”施工单位的工程质量评估依据。
二、检查考核办法
2.1对施工单位的考核办法
2.1.1对施工单位的考核由区域工程技术部每月执行全检,检查内容为标段实体工程质量及基本项,实体工程质量采用评分制,基本项检查采用扣分制,在标段实体分的基础上扣除基本项扣分(每个标段基本项扣分上限为30分),得出施工标段工程质量管理评分作为对施工单位的综合评价。
各区域月度排名第一与排名倒数第一的标段将纳入集团工程管理中心检查评比范围。
2.1.2区域、集团对施工单位检查考核时,原则上按施工合同划分标段,当施工合同标段面积过大(大于20万㎡)时,应适当拆分标段评分考核。
2.2对项目部的考核办法
2.2.1对项目部的检查评分由区域工程技术部每月执行全检,检查内容为标段工程质量管理。
2.2.2 检查结果作为区域对项目考核的依据之一,具体考核方法由各自区域制定细则。
2.3对区域的考核办法
2.3.1集团工程管理中心每月根据区域对内部标段检查情况,检查各自区域上月排名第一与排名倒数第一的标段。
2.3.2每月的评估成绩将作为集团对区域考核的依据之一。
三、评分计算办法
则该楼栋的装修面积为0.2M;土建面积为0.8M。
3.2 建筑工程质量得分计算方法
建筑工程质量得分通过将“建筑工程实测实量评分”(详见附表二-1)及“建筑工程观感效果评分”(详见附表二-2)按50:50计算得出。
3.2.1建筑工程实测实量得分率计算
建筑工程实测实量得分率=检测合格点总数/参检计算点总数
备注:如分项无法抽检,则该分项计算点为0。
例如:某标段建筑实测实量中砌筑工程无法抽检,检查的分项实测实量计算点共645个,其中此次检查合格点数共530个,则此次检查该标段建筑工程实测实量得分率
=530/645*100%=82.17%。
3.2.2建筑工程观感效果得分率计算
建筑工程观感效果得分率=检查分项实得分/参检分项可评分
备注:如分项无法抽检,则该分项作缺项处理
例如:某标段建筑工程观感中砌体工程无法抽查,检查的分项可评分共85分,实得分70分,则该标段建筑工程观感效果得分率=70/85*100%=82.35%。
3.3 装修工程质量得分计算方法
装修工程质量得分通过将“装修工程实测实量评分”(详见附表三-1)与“装修工程观感效果评分”(详见附表三-2)按40:60计算得出。
装修工程实测实量得分率及装修工程观感效果得分率计算方法参照3.2节中建筑工
程实测实量得分率及观感效果得分率。
四、配合检查要求
4.1工程实体质量检查时,项目总经理/副总经理、监理公司总监或总监代表及施工单位现场负责人应全程陪同并确认检查结果。
4.2项目应提前准备好检查工具(包括卷尺、靠尺、50cm角尺、塞尺、测距仪、红外水平仪、塔尺、0.5mm钢塞片等)、图纸等。
4.3各标段正式开工后即开始现场巡检,在现场具备做实测实量条件达2000㎡后开始评分,至该标段联合验收完成为止;若该标段内装修工程在建面积超过装修工程观感评分抽检户数的3倍或达到总体货量的20%则对该标段进行装修工程检查。
4.4标段联合验收完成以后,区域应继续对该标段进行巡检和督办,但不评分,直至该标段整体交楼率达到80%以上且无群体投诉事件为止。
五、抽检办法
5.1 抽检原则及抽检办法
检查时将按不同施工单位、不同标段、不同施工节点、不同产品类型,分批随机抽取栋
号(楼层)检查,抽检遵循公平性、随机性、完整性和真实性原则。
对于检查的标段,在相关工序开始后应对全部工序进行检查,不能有遗漏。
抽检的单元应在现场检查前在图纸上随机抽取。
按照检查应覆盖尽量多的施工工序、不同施工班组的原则,如进入现场后发现有新增的施工工序,巡检组有权修改检查的单元。
5.2 抽检单元数量
7.1附表一:工程质量综合得分表(2016试行版)
7.2附表二:建筑工程质量检查表(2016试行版)
7.3附表三:装修工程质量检查表(2016试行版)
7.4附表四:基本项检查表(2016试行版)。