10kv以下架空配电线路安装工程量
- 格式:ppt
- 大小:487.00 KB
- 文档页数:17
10千伏及以下架空配电线路施工及验收规范第一章总则第1.0.1条为保证35kV及以下架空电力线路的施工质量,促进工程施工技术水平的提高,确保电力线路安全运行,制定本规范。
第1.0.2条本规范适用于35千伏及以下架空电力线路新建工程的施工及验收。
配电线路的工程应按已批准的设计进行施工。
35kV及以下架空电力线路的大档距及铁塔安装工程的施工及验收,应按现行国家标准《110~500kV架空电力线路施工及验收规范》的有关规定执行。
有特殊要求的35kV及以下架空电力线路安装工程,尚应符合有关专业规范的规定。
第1.0.3条架空电力线路的安装应按已批准的设计进行施工。
第1.0.4条采用的设备、器材及材料应符合国家或部颁的现行技术标准,并有合格证明。
设备应有铭牌。
当采用无正式标准的新型原材料及器材时,安装前应经技术鉴定或试验,证明质量合格后方可使用。
第1.0.5条采用新工艺、新技术,应制订不低于规范水平的质量标准或工艺要求。
第1.0.6条架空电力线路的施工及验收,除按本规范执行外,尚应符合国家现行的有关标准规范的规定。
第二章原材料及器材检查第2.0.1条架空电力线路所采用的器材、设备或原材料具有下列情况之一者,应重作试验:一、超过规定保管期限;二、因保管、运输不良等原因而有变质损坏可能;三、对原试验结果有怀疑或试样代表性不够者。
第2.0.2条架空电力线路使用的线材,施工前应进行外观检查,且应符合下列规定:一、不应有松股、交叉、拆叠、断裂及破损等缺陷;二、不应有严重腐蚀现象;三、钢绞线、镀锌铁线表面镀锌良好,无锈蚀;四、绝缘线表面应平整、光滑、色泽均匀,绝缘层厚度应符合规定。
绝缘线的绝缘层应挤包紧密,且易剥离,绝缘线湍部应有密封措施。
第2.0.3条为特殊目的使用的线材,除满足第2.0.2条规定外,还应符合设计的特殊要求。
第2.0.4条由用黑色金属制造的和紧固件,除地脚螺栓外应采用热浸镀锌制品。
第2.0.5条各种联结螺栓应有防松装置,防松装置弹力应适宜、厚度符合规定。
10kV及以下配网建设(电气安装工程)施工方案项目名称:xxxx迁改10KV配网线路工程编号:施工地点:xxxx二期施工单位:编写:审核:2010年11月28日一、 工程概况1.1工程概述此工程名称为:xxxx 迁改10KV 配网线路工程,工程编号为:2101100016,施工的具体地点:xxxx 二期,总施工工期约20天(不含工程验收时间)。
1.2工程特点本工程为线路迁移工程,位于xxxx 二期.工程电缆管部分与电信线路平行,两处需进行顶管工程.未保证工程的顺利进行,需要进行多方面的配合.施工临时用水用电可从已有的管网连接,场地堆放材料可从项目场地借用,办公、住宿安排在公司项目部,根据该工程的特点,我们必须制定该项目的现场施工具体方案。
1.3施工组织机构图1.4主要工程量1、拆除10KVxx 线-xx 支线#16杆至#20杆架空导线及#17至#19电杆等;2、在#16杆装设相应横担,采用耐张线夹固定振兴支架空线;3、在#16杆拉线一组,杆上装设备:避雷器1组(3个);隔离开关1组;4、沿围墙边埋地敷设Φ167电力保护管(有2处进行顶管),穿YJV22-3*70mm2高压缆;项目经理:现场技术负责人:机工:电工:质安员:施工技术人员:材料运输:资料员:5、制作电缆井;6、接地装置安装(含接地母线及接地极).二、编制依据为确保安全、优质的完成施工任务,依据《国家电网公司县城电网建设与改造技术导则》、《10KV及以下配网设计手册》、《电器安装工程手册》、《低压电网整改技术导则》及实地考察,并参照《电网建设安全健康与环境管理办法实施细则》、施工安全流程管理规定》、电网工程建设标识和安全文明施工规范手册》、《广东省城乡电网建设与改造工程竣工验收实施细则》等规范(程)及《广电集团配网工程典型施工作业指导书》的有关要求,特制订本施工方案。
本方案未尽事宜,应按照相关规程的要求执行.三.施工准备3。
1技术准备施工技术资料的准备工作由项目经理负责组织安排,分则施工技术资料的编制,本工程在开工前需要把施工组织设计、安全管理实施细则、工程质量保证大纲,达标投产实施办法等技术资粮编制完毕.在个单项工程开工前需将本工序的施工技术措施及施工技术资料编制完毕.个部分工程需要编制的技术资料有:电力电缆施工技术要求、环网柜及分接箱安装技术要求和其他特殊施工方案等。
第十二节10KV以下架空线路一、本章定额适用于10KV以下的配电线路安装工程,是按平原条件编制,如在其他地形条件施工时,其人工和机械定额按下表乘以地形系数。
表8 地形系数表项目丘陵一般山地、泥沼地地形系数 1.15-1.2 1.6二、地形划分1、平原地带:指地形比较平坦,地面比较干燥的地带。
2、丘陵地带:指地形起伏的矮岗,土丘等(在1公里以内地形起伏相对高差在30-50m范围以内的地带)3、一般山地:指一般山岭、沟谷(在250m以内地形起伏相对高差在30-50m范围内的地带)。
4、泥沼地带:指有水的庄稼田地或泥水淤积的地带。
三、线路一次施工工程量是按5根以上电杆考虑的。
如在5根以内者,其人工和机械乘以1.2的系数。
架空线路的地形系数与主杆5根以内的人工、机械增加系数为连乘的关系。
四、10KV架空线路的电杆定位执行第三册“送电线路工程”中的土石方工程施工定额的相应子目。
五、挖土(石)方套用第三册“送电线路工程”中的“电杆、拉线塔、拉线坑挖填”定额的相应子目。
1、土石方工程量的计算公式:V=(a+2c+KH)×(b+2c+KH)+(1/3)K2H2式中:V——地坑体积a——坑底净长b——坑底净宽K——放坡系数取0.33H——坑的深度c——工作面取0.1米B C C BV=B/H B=KH如设计无规定时,可按表9计算方量表9 杆坑土方量参考表放坡系数杆高(m) 7 8 9 10 11 12 13 15埋深(m) 1.2 1.4 1.5 1.7 1.8 2.0 2.2 2.5底盘规格(mm) 600×600 800×800 1000×10000.25 带底盘土方量(M3) 1.36 1.78 2.02 3.39 3.76 4.6 6.87 8.76 不带底盘土方量(M3) 0.82 1.07 1.21 2.03 2.26 2.76 4.12 5.26 注:①土方量计算公式亦用于拉线坑。
10kV及以下城市配电网建设标准前言为了明确电网建设工作的思路,做到建设思想统一,建设目标统一,建设标准统一,制定了10kV及以下配电网建设标准。
为了加快电网建设,适应当前项目建设管理,在制定本标准时,尽量减少设备、材料的品种,进一步明确和细化南网标设的应用,在“快”和“准”上把握好大的原则和方向。
本建设标准适用于柳州网区城市(包括县城、工业园区)配电网的建设。
一、10kV网架结构1、10kV电网应实行分区分片供电,城区(包括市区、县城)配网应构成“手拉手”环网结构实现“N—1”,可通过架空、电缆或混合线路实现。
2、电缆线路主环采用开关站构成。
通常由4座开关站构成“手拉手”双电源开环运行方式。
当环内负荷增长后可在适当位置插入第三电源扩充成“3—1”网络结构。
3、配电变压器应按“小容量、多布点”的原则进行配置。
城区公用配电变压器单台选用315 kVA、500kVA、630kVA、800kVA。
4、低压配电网低压配电线路实行分区供电,要明确供电范围,避免配变之间交叉供电。
低压配电系统采用TN—C系统接线方式,中性线应与相线等截面,并按设计规范要求进行多点重复接地。
低压主干线:一般采用以配电变压器为中心向两侧以树干式放射供电方式。
城区负荷密度大的供电半径控制在200—250m以内,其它负荷密度较小的供电区域可适当增加供电半径。
低压主干线尽可能与10kV线路共杆架设,低压配电线路主干线按台变500kVA、箱变800kVA 一次建成。
对接户线、进户线的线径选择要有一定的裕度,便于今后的发展。
二、配电站(一)室内配电站1、大型商业写字楼、会展中心、大型小区等采用室内配电站;小型小区和城中村改造、郊区采用箱式变电站。
2、主变压器,按2台设计,630kVA及以下选用油变,800kVA选用干变。
变压器型号选非晶合金变压器或S13型以上变压器。
配电变压器的无功补偿方式采用动态无功补偿装置,补偿容量按变压器容量的30%补偿。
10KV及以下架空配电线路安装施工工艺一、电杆基坑及基础埋设1、基坑施工前的定位符合下列规定:、直线杆顺线方向位移,10KV及以下架空电力线路不应超过设计档距的3%,直线杆横线路方向位移不超过50mm。
、转角杆、分支的横线路、顺线路方向的位移均不应超过50mm。
2、电杆基础坑深应符合设计规定。
电杆基础坑深度允许偏差应为+100mm、-50mm。
同基基础坑在允许偏差范围内按最深一坑操平。
3、双杆基坑应符合下列规定:、根开的中心偏差不应超过?30mm。
、两杆坑深宜一致。
4、基坑回填土应符合下列规定:、土块应打碎。
、10KV及以下架空电力线路基坑每回填30mm应历夯一次。
?、松软土值的基坑,回填土时应增加夯实次数或采取加固措施。
?、回填土后的电杆基础宜设防沉土层。
土层上部面积不宜小于坑口面积;培地高度应超出地面300mm。
二、电杆组与绝缘子安装1、单电杆立好后应正直,位置偏差应符合下列规定: ?、直线杆的横向位移不应大于50mm。
、10KV及以下架空电力线路杆梢的位移不应大于杆梢直径的1/2。
?、转角杆的横向位移不应大于50mm。
、转角杆应向外角预偏紧线后不应向内角倾斜,向外角的倾斜,其杆梢位移不应大于杆梢直径。
2、终端杆立好后,应向拉线侧预偏。
期预偏值不应大于杆梢直径。
紧线后不应向受力倾斜。
3、以螺栓连接的构件应符合下列规定:、螺栓应与构件面垂直,螺头平面预构件间不应有间隙。
?、螺栓紧好后,螺杆丝扣露处的长度,单螺母不应少于两个螺距;双螺母可预螺母相平。
、当必须加垫圈时,每端垫圈不应超过2个。
4、螺栓的穿入方向应符合下列规定:、对立体结构:水平方向由内向外垂直方向由下向上。
?、对平面结构:顺线路方向,双面构件内由向外,单面克件由送电侧穿入或按统一方向,横线路方向,两侧由内向外,中间由左向右(面向受电侧)或按统一方向;垂直方向,由下向上。
5、线路单横担的安装,直线杆应装于受电侧;分支杆90?转角杆(下)及终端杆应装于拉线侧。
谈10kV及以下架空配电线路的导线架设安装工程摘要:近年来,随着我国居民用电量的逐渐增加,对于国家电网及配电线路的要求也随之提高。
其中,10kV及以下的架空配电线路覆盖面积也随着城市化进行的加快而扩大,并且应用架空式的配电线路进行输电的方法也在逐渐普及。
因而对于10kV及以下架空配电线路的导线假设安装工程也提出了更高的施工要求,下面,本文就10kV及以下架空配电线路的导线假设安装工程进行讨论。
关键词:10kV及以下配电网;架空配电线路;导线;架设安装引言:现阶段,我国在10kV及以下配电线路方面的建设不断健全,然而在工程建设的过程中,也存在许多影响配电线路输电效率的问题,这不仅需要根据配电线路的架设环境做出相应地调整,同时还要避免对输电工作的二次影响。
1.施工准备本文首先从10kV及以下架空配电线路的导线架设安装工程的施工准备阶段开始讨论,该工程项目与普通的土木建筑工程、给排水工程不同,该工程项目对于施工材料以及施工器具要求极高,因而下面将对施工材料要求和施工器具两方面进行分析:1.1施工材料要求对于施工材料来说,首先要确保施工材料符合国家相关标准规定,并且施工材料的生产厂家都具备高水平的生产技术。
在选择施工材料时,先要对所选材料的质量进行检测,其次可以根据材料的用途进行模拟实验,确保材料能够按照规定正常使用。
对于架空配电线路的导线假设安装工程来说,所要应用到的施工材料主要有导线、悬式绝缘子、绑线、耐张线夹、螺栓等。
其中对于导线的要求是不能有折叠、断裂或者破损等缺陷,并且更不出现导线腐蚀的情况,再者导线的绝缘层层数一定要符合施工规定,且每一层绝缘层的厚度也不得有误差;悬式绝缘子的要求是铁件镀锌的紧密性,且不得有气泡、烧痕、刮痕等缺陷;绑线的主要作用是固定导线的作用,因此对于绑线的要求较少但也尤为重要,就是裸导线的绑线要与导线的金属相同,且绑线为单股线,防止构成配电线路短路的情况;对于耐张线夹的要求首先是线夹表面没有气泡、刮痕等缺陷,其次耐张线夹的灵活性要求较高;最后是配电线路中所用到的螺栓,对于螺栓的要求是内外螺纹需要紧密配合,不得有分析,防止在固定配电线路时发生松动影响输电[1]。
10kV及以下架空线路的导线架设施工方案(转贴)架空线路的导线架设1 范围本工艺标准适用于10kV及以下架空配电线路的导线架设安装工程。
2 施工准备2.1 材料要求:2。
1。
1 所采用的器材、材料应符合同家现行技术标准的规定,并应有产品合格证。
2.1.2 导线:2.1.2.1 导线不应有松股、交叉、折叠、断裂及破损等缺陷,裸铝绞线不应有严重腐蚀现象.2.1。
2。
2 不应有严重腐蚀现象。
2.1.2.3 绝缘导线表而应平整,光滑、色泽均匀,绝缘层厚度应符合规定。
绝缘层应挤包紧密,且易剥离、绝缘线端部应有密封措施。
2。
1.2.4 导线最小截面应符合表3—76所示数值。
导线最小截面(mm2)表3—7610kV居民区非居民区铝绞线钢芯铝绞线铜绞线35 25 16 25 16~25 16 16~25 16~25 直径3。
2~4。
0mm2。
1.3 悬式绝缘子、蝶式绝缘子2。
1.3。
1 瓷件与铁件组合无歪斜现象、且结合紧密、铁件镀锌良好。
2.1.3.2 瓷釉光滑,无裂纹、缺釉、斑点、烧痕、气泡或瓷釉烧坏等缺陷.2。
1。
3.3 弹簧销、垫的弹力适宜。
2。
1.3.4 高压绝缘子的交流耐压试验结果必须符合施工规范的规定。
2。
1。
4 绑线:裸导线的绑线应选用与导线同金属的单股线,直径不应小于2.0mm,绝缘导线应选用绝缘绑线。
2.1.5 耐张线夹、并沟线夹、钳压管、铝带2。
1。
5.1 表面应光洁、无裂纹、毛刺、飞边、砂眼、气泡等缺陷.2.1.5.2 线夹转动灵活,与导线接触面符合要求.2.1.5。
3 碗头挂板、平行挂板、直角挂板、U型挂环、球失挂环、拉板、连扳、曲型垫等。
2。
1。
5。
4 表面应光洁、无裂纹、毛刺、飞边、砂眼、气泡等缺陷。
2.1。
5.5 应热镀锌,镀锌良好,镀锌层无剥落,锈蚀现象。
2。
1.6 螺栓:2。
1.6。
1 螺栓表面不应有裂纹、砂眼、锌皮剥落及锈蚀现象。
2.1.6.2 螺杆与螺母的配合应良好,加大尺寸的内螺纹与有镀层的外螺纹配合,其公差应符合现行国家标准《普通螺纹直径1~300mm公差》的粗牙三级标准。
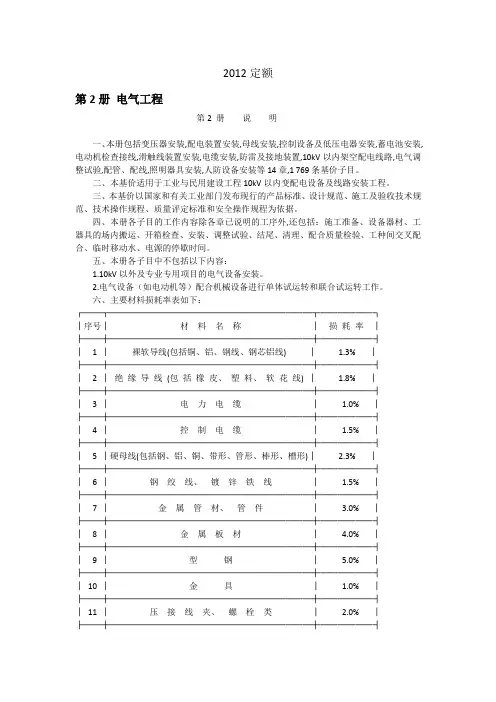
2012定额第2册电气工程第2 册说明一、本册包括变压器安装,配电装置安装,母线安装,控制设备及低压电器安装,蓄电池安装,电动机检查接线,滑触线装置安装,电缆安装,防雷及接地装置,10kV以内架空配电线路,电气调整试验,配管、配线,照明器具安装,人防设备安装等14章,1 769条基价子目。
二、本基价适用于工业与民用建设工程10kV以内变配电设备及线路安装工程。
三、本基价以国家和有关工业部门发布现行的产品标准、设计规范、施工及验收技术规范、技术操作规程、质量评定标准和安全操作规程为依据。
四、本册各子目的工作内容除各章已说明的工序外,还包括:施工准备、设备器材、工器具的场内搬运、开箱检查、安装、调整试验、结尾、清理、配合质量检验、工种间交叉配合、临时移动水、电源的停歇时间。
五、本册各子目中不包括以下内容:1.10kV以外及专业专用项目的电气设备安装。
2.电气设备(如电动机等)配合机械设备进行单体试运转和联合试运转工作。
六、主要材料损耗率表如下:┌──┬───────────────────────┬──────┐│序号│材料名称│损耗率│├──┼───────────────────────┼──────┤│ 1 │裸软导线(包括铜、铝、钢线、钢芯铝线) │ 1.3% │├──┼───────────────────────┼──────┤│ 2 │绝缘导线(包括橡皮、塑料、软花线) │ 1.8% │├──┼───────────────────────┼──────┤│ 3 │电力电缆│ 1.0% │├──┼───────────────────────┼──────┤│ 4 │控制电缆│ 1.5% │├──┼───────────────────────┼──────┤│ 5 │硬母线(包括钢、铝、铜、带形、管形、棒形、槽形)│ 2.3% │├──┼───────────────────────┼──────┤│ 6 │钢绞线、镀锌铁线│ 1.5% │├──┼───────────────────────┼──────┤│7 │金属管材、管件│ 3.0% │├──┼───────────────────────┼──────┤│8 │金属板材│ 4.0% │├──┼───────────────────────┼──────┤│9 │型钢│ 5.0% │├──┼───────────────────────┼──────┤│10 │金具│ 1.0% │├──┼───────────────────────┼──────┤│11 │压接线夹、螺栓类│ 2.0% │├──┼───────────────────────┼──────┤│12 │木螺钉、圆钉│ 4.0% │├──┼───────────────────────┼──────┤│13 │绝缘子类│ 2.0% │├──┼───────────────────────┼──────┤│14 │低压瓷横担│ 3.0% │├──┼───────────────────────┼──────┤│15 │瓷夹等小瓷件│ 3.0% │├──┼───────────────────────┼──────┤│16 │一般灯具及附件│ 1.0% │├──┼───────────────────────┼──────┤│17 │荧光灯、水银灯灯泡│ 1.5% │├──┼───────────────────────┼──────┤│18 │灯泡(白炽) │ 3.0% │├──┼───────────────────────┼──────┤│19 │玻璃灯罩│ 5.0% │├──┼───────────────────────┼──────┤│20 │灯头、开关、插座│ 2.0% │├──┼───────────────────────┼──────┤│21 │刀开关、铁壳开关、保险器│ 1.0% │├──┼───────────────────────┼──────┤│22 │塑料制品(槽、板、管) │ 5.0% │├──┼───────────────────────┼──────┤│23 │木槽板、圆木台│ 5.0% │├──┼───────────────────────┼──────┤│24 │木杆类(包括木杆、木横担、横木、桩木等) │ 1.0% │├──┼───────────────────────┼──────┤│25 │混凝土电杆及制品类│0.5% │├──┼───────────────────────┼──────┤│26 │石棉水泥板及制品│8.0% │├──┼───────────────────────┼──────┤│27 │砖、水泥│ 4.0% │├──┼───────────────────────┼──────┤│28 │砂、石│8.0% │├──┼───────────────────────┼──────┤│29 │油类│ 1.8% │├──┼───────────────────────┼──────┤│30 │电缆桥架、钢横担│0.5% │└──┴───────────────────────┴──────┘注:1.绝缘导线、电缆、硬母线和用于母线的裸软导线,其损耗率中不包括为连接电气设备、器具而预留的长度,也不包括因各种弯曲(包括弧度)而增加的长度。
10。
1 工地运输工作内容:线路器材外观检查、绑扎及抬运、卸至指定地点、返回、装车、支垫、绑扎,运至指定地点、人力卸车、返回。
计量单位:表中所示10.2 土石方工程工作内容:复测、分坑、挖方、修整、操平、排水、装拆挡土板、岩石打眼、爆破、回填。
计量单位:10m3工作内容:同前。
计量单位:10m310。
3 底盘、拉盘、卡盘安装及电杆防腐工作内容:基坑整理、移运、盘安装、操平、找正、卡盘螺栓紧固、工器具转移、木杆根部浇焦涂。
计量单位:表中所示注:主要材料:混凝土底盘、拉盘、卡盘、拉棒、抱箍、连接螺栓及金具。
10。
4 电杆组立10.4。
1 单杆10.4.1。
1 木杆工作内容:立杆、找正、绑地横木、根部刷油、工器具转移。
计量单位:根注:主要材料:电杆、地横木。
10。
4.1。
2 混凝土杆工作内容:同前。
计量单位:根10。
4。
2 接腿杆工作内容:木杆加工、接腿、立杆、找正、绑地横木、根部刷油、工器具转移。
计量单位:根注:主要材料:木电杆、水泥接腿杆、地横木、圆木、连接铁件及螺栓。
工作内容:同前。
计量单位:根注:同前.10.4.3 撑杆及钢圈焊接工作内容:木杆加工、根部刷油、立杆、装包箍、焊缝间隙轻微调整、挖焊接操作坑、焊接及焊口清理、钢圈防腐防锈处理、工器具转移。
计量单位:根注:主要材料:撑杆、圆木、连接铁件及螺栓。
工作内容:同前.计量单位:表中所示10。
5 横担组装10。
5。
1 10kV以下横担工作内容:量尺寸、定位、上抱箍、装横担、支撑及杆顶支座、安装绝缘子。
计量单位:组注:1.双杆横担安装,基价乘以系数2。
0。
2.主要材料:横担、绝缘子、连接铁件及螺栓。
10.5。
2 1kV以下横担工作内容:定位、上抱箍、装支架、横担、支撑及杆顶支座、装瓷瓶。
计量单位:组注:主要材料:横担、绝缘子、连接件及螺栓.工作内容:同前.计量单位:组10。
5。
3 进户线横担工作内容:测位、划线、打眼、钻孔、横担安装、装瓷瓶及防水弯头。
10kV及以下架空配电线路总体说明一.概述:编制10kV及以下配电线路典型设计,其目的是:全省规范设计、统一标准、择优集成、提高质量、提高工作效率、降低建设和运行成本、方便运行维护,实现总体效益最大化。
本典型设计部分引用了2006版《国家电网公司输变电工程典型设计10kV和380/220V配电线路分册》中的内容,并根据本省的特点对设计进行细化。
其内容主要包含:气象条件选定、导线型号选择、杆塔型使用说明、杆塔头部设计、杆塔身部设计、配电线路杆上设备、铁件制造、低压接户线、典型工程的设计说明。
本典型设计图集仅供相应资质设计单位设计人员根据工程实际情况区别使用。
二.主要设计方案说明:本部分典型设计按六卷进行分类:第一卷10kV及以下配电线路杆塔头部说明及组装图第二卷10kV及以下配电线路电杆杆身部分说明及组装图第三卷10kV及以下配电线路杆上设备说明及安装图第四卷10kV及以下配电线路铁件制造图及接地装置第五卷低压接户线第六卷典型工程设计实例本册内容中有较多的杆塔型和使用条件表及铁件制造等图,设计时融合了国家电网公司10kV及以下配电线路典型设计中的设计思路,设计人员应充分理解内容并结合工程实际情况,从中选择适合的内容应用。
三.使用范围:3.1本图集配电设计适用于福建省内10kV及以下配电线路及业扩工程。
3.2在具体工程套用本图集时,仍需要委托有相应资质的设计单位承担工程设计。
四.设计依据:4.1设计依据性文件、图集:《福建电网城市中低压配电网建设改造技术导则》《福建省电力公司分变.分线线损管理工作实施方案(讨论槁)》《低压动力电能计量箱技术规范(试行)》《居民照明集中装表电能计量箱技术规范(试行)》2006版《国家电网公司输变电工程典型设计10kV和380/220V配电线路分册》《福建省电力系统污区分布图使用导则》《福建电网10kV及以下配电网现场规范化建设标准》《福建省电力有限公司城市配网建设与改造工程概(预)算编制规定》《福建省电力有限公司绝缘子全过程管理规定》《福建电网城市中低压配电网建设改造技术导则(修订)》4.2 主要设计标准、规程规范GB/T 1179-1999 圆线同心绞架空导线GB 50061-1997 66kV及以下架空电力线路设计规范GB 396-1994 环形钢筋混凝土电杆GB 4623-1994 环形预应力凝泥土电杆GB 1200-1988 镀锌钢绞线DL/T 499-2001 农村低压电力技术规程DL/T 601-1996 架空绝缘配电线路设计技术规程DL/T 5130-2001 架空送电线路钢管杆设计技术规程DL/T 5154-2002 架空送电线路杆塔结构设计技术规程DL/T 5220-2005 10kV及以下架空配电线路设计技术规范五.技术原则:5.1气象条件:本典设根据福建省气象复杂情况,经过广泛调研基础上选取A、B、C三种气象。
电气装置安装工程10千伏及以下架空配电线路施工及验收规范电气装置安装工程10千伏及以下架空配电线路施工及验收规范第1.0.1条为保证35kV及以下架空电力线路的施工质量,促进工程施工技术水平的提高,确保电力线路安全运行,制定本规范.第1。
0.2条本规范适用于35千伏及以下架空电力线路新建工程的施工及验收。
配电线路的工程应按已批准的设计进行施工。
35kV及以下架空电力线路的大档距及铁塔安装工程的施工及验收,应按现行国家标准《110,500kV架空电力线路施工及验收规范》的有关规定执行。
有特殊要求的35kV及以下架空电力线路安装工程,尚应符合有关专业规范的规定. 第1。
0。
3条架空电力线路的安装应按已批准的设计进行施工。
第1.0.4条采用的设备、器材及材料应符合国家或部颁的现行技术标准,并有合格证明。
设备应有铭牌。
当采用无正式标准的新型原材料及器材时,安装前应经技术鉴定或试验,证明质量合格后方可使用。
第1.0。
5条采用新工艺、新技术,应制订不低于规范水平的质量标准或工艺要求。
第1.0。
6条架空电力线路的施工及验收,除按本规范执行外,尚应符合国家现行的有关标准规范的规定. 第2。
0.1条架空电力线路所采用的器材、设备或原材料具有下列情况之一者,应重作试验:一、超过规定保管期限;二、因保管、运输不良等原因而有变质损坏可能;三、对原试验结果有怀疑或试样代表性不够者。
第2.0.2条架空电力线路使用的线材,施工前应进行外观检查,且应符合下列规定: 一、不应有松股、交叉、拆叠、断裂及破损等缺陷;二、不应有严重腐蚀现象;三、钢绞线、镀锌铁线表面镀锌良好,无锈蚀;四、绝缘线表面应平整、光滑、色泽均匀,绝缘层厚度应符合规定。
绝缘线的绝缘层应挤包紧密,且易剥离,绝缘线湍部应有密封措施.第2.0.3条为特殊目的使用的线材,除满足第2。
0。
2条规定外,还应符合设计的特殊要求。
1第2.0。
4条由用黑色金属制造的和紧固件,除地脚螺栓外应采用热浸镀锌制品。
目次前言1范围2规范性引用文件3术语和符号4总则5路径6气象条件7导线8绝缘子、金具9导线排列10电杆、拉线和基础11变压器台和开关设备12防雷和接地13对地距离及交叉跨越14接户线附录A(规范性附录)典型气象区附录B(规范性附录)架空配电线路污秽分级标准附录C(规范性附录)弱电线路等级附录D(规范性附录)公路等级条文说明前言本标准是根据原国家经贸委《关于下达2000年度电力行业标准制、修订计划项目的通知》(国经贸电力[2000]70号)的安排,对原水利电力部1987年1月颁发的SDJ 206—1987《架空配电线路设计技术规程》进行的修订。
本标准较修订前的规程有以下重要技术内容的改变:(1)本标准将范围明确为10kV及以下架空电力线路设计,以满足城市和农村供电的要求。
(2)为满足城市电网供电的可靠性及电能质量日益提高的要求,1990年以后在我国大中城市配电线路建设中逐步采用架空绝缘导线。
故本次修订增加了10kV及以下绝缘导线设计的有关内容。
(3)对交叉跨越提出了补充,补充了典型气象区。
(4)原规程中某些不适合当前生产要求的章节条款,已予删除或修改。
本标准实施后代替SDJ 206—1987。
本标准的附录A、附录B、附录C、附录D均为规范性附录。
本标准由中国电力企业联合会提出。
本标准由电力行业电力规划设计标准化技术委员会归口并负责解释。
本标准主要起草单位:天津电力设计院。
本标准参加起草单位:北京供电设计院、武汉供电设计院、南京电力设计研究院。
本标准主要起草人:李世森、程景春、许宝颐、刘寅初、王秀岩、刘纲、王学仑。
1范围1.0.1本标准规定了10kV及以下交流架空配电线路(以下简称配电线路)的设计原则。
1.0.2本标准适用于10kV及以下交流架空配电线路的设计。
2规范性引用文件下列文件中的条款通过本标准的引用而成为本标准的条款。
凡是注日期的引用文件,其随后所有的修改单(不包括勘误的内容)或修订版均不适用于本标准,然而,鼓励根据本标准达成协议的各方研究是否可使用这些文件的最新版本。