水库工程项目划分
- 格式:xls
- 大小:84.00 KB
- 文档页数:3
xxxx渠道工程项目划分一、工程概述xxxx位于xx市zz县yy河中游,坝址的地理坐标东经163°30′05″,北纬47°12′57″,行政区划属于xx市zz县yy乡,水库距yy乡3km,距zz县城7km。
yy河是牛栏江右岸的一级支流,属金沙江水系,水库径流面积101km²,多年平均径流量2811万㎡。
xxxx是一座以农村人、畜生活用水设计供水人口3.75万人、大畜生1.69万头,设计年供水180万m3。
农业灌溉面积3.29万亩,其中yy乡1.25万亩、龙头山镇1.59万亩、火德乡0.45万亩,设计年供水1511.6万m3。
砼面板堆石坝设计高71.8m,总库容2327.2m3。
xxxx是zz县规划新建的第一座中型水利骨干工程,成库和建设条件较好,工程建成后可解决yy、龙头山、火德红3个乡(镇)干热河谷的人、畜饮水和农业灌溉,对于改善灌区人民群众的生产生活条件,促进当地经济持续发展意义十分重大。
xxxx渠道总长61.26km,其中沙坝干渠长30.06km(本标段从里程0+000~6+700m),龙头山干渠31.2km。
渠道沿yy河两岸前行,渠道建筑物主要有:隧洞1座总长620m;渡槽3座(本标段2座)总长134.0m;倒虹吸3座总长556.4m。
二、项目划分依据本工程项目划分依据以下标准和规范:1、《zz县xxxx渠道工程(一期)龙头山干渠一标段招标文件(合同编号:LDX-YLWQD-SG-01)》;2、《水利工程质量管理规定》(1997年12月21日水利部令第7号);3、《水利水电建设工程验收规程》SL223—2008;4、《水利水电工程施工质量检验与评定规程》SL176--2007;5、《水利水电工程施工测量规范》SL52-93;6、《渠道工程防渗技术规范》SL18-91;7、《砌体工程施工及验收规范》GB50203—98;三、项目划分原则xxxx渠道工程项目划分,按工程结构特点、设计及施工部署要求,并有利于施工质量管理为原则。
太平湾水库项目划分(非正式)项目背景太平湾水库项目是一项重要的水利工程,位于湖南省南部的娄底市城区东北外的太平山农场一带。
该项目主要涉及水库的建设、水库库区的开发、流域水资源的整合利用等多个方面。
为了确保项目的顺利实施,需要对项目进行划分和规划。
项目划分一、水库建设水库建设主要包括以下内容:1.水库水文勘测和水利地质勘探:水文勘测是对水库所在的水文环境进行的一系列勘测和分析。
水利地质勘探是对工程所在区域的地质情况进行的勘探和分析。
2.水库设计:包括大坝工程、泄洪设施、水利枢纽、排洪设施等的设计。
3.水库施工:包括水库主体结构建设、辅助设施建设、大坝施工、坝体填筑、泄洪塔挖掘等。
二、库区开发库区开发主要涉及到以下内容:1.水库基础设施建设:包括库区道路、固定引水设施、码头、堤防等基础设施建设。
2.水利设施建设:包括灌溉、排水、蓄水、输水等水利设施的建设。
3.流域生态环境保护和治理:包括水土保持、森林防火、生态修复等方面的治理和保护。
三、流域整合利用流域整合利用主要涉及以下内容:1.流域水资源管理:制定水资源管理规划,合理调配水资源。
2.综合治理流域水环境:包括水污染治理、水生态恢复等方面的治理。
3.水利建设与技术推广:加强水利建设的技术研发和推广,提高水利设施的科学性和先进性。
项目问题在太平湾水库项目的实施过程中,可能会出现以下问题:1.资金问题:水库建设和库区开发需要相当大的投入,缺乏资金会影响项目的顺利实施。
2.生态问题:库区开发和流域整合利用可能会对生态环境产生影响,需要进行相应的生态保护和修复,以避免生态破坏。
3.水土流失问题:水库建设和库区开发可能会加剧水土流失的问题,需要进行相应治理。
结论太平湾水库项目的划分和规划涉及到多个方面,需要综合考虑各方面的利益和风险,适时采取措施,以确保项目能够顺利实施并且达到预期目标。
在项目实施过程中,需要密切配合各方面的工作,加强项目管理和监督,及时发现问题并及时解决,提高项目的整体效率和效益。
水利工程项目划分水利工程项目划分是指将水利工程按照不同的标准和要求进行划分,以便更好地管理和实施工程项目。
水利工程项目划分的目的是为了明确工程项目的范围、任务和目标,提高工程项目的管理效率和实施质量。
下面将从不同的角度分析水利工程项目划分的内容。
一、按工程规模划分1.1 小型水利工程项目:主要指规模较小、投资较低的水利工程项目,如小型灌溉工程、小型水库等。
1.2 中型水利工程项目:规模适中、投资适中的水利工程项目,如中型水库、中型引水工程等。
1.3 大型水利工程项目:规模庞大、投资巨大的水利工程项目,如大型水库、大型水利枢纽工程等。
二、按功能划分2.1 灌溉工程项目:主要用于农田灌溉和农作物生长的水利工程项目。
2.2 防洪工程项目:主要用于防止河流、湖泊等水体泛滥,保护人民生命和财产安全的水利工程项目。
2.3 发电工程项目:主要利用水力发电原理,将水能转化为电能的水利工程项目。
三、按地理位置划分3.1 山区水利工程项目:主要用于解决山区地区的水资源利用和管理问题的水利工程项目。
3.2 平原水利工程项目:主要用于解决平原地区的灌溉、防洪等水利问题的水利工程项目。
3.3 滨海水利工程项目:主要用于解决滨海地区的海水入侵、海岸侵蚀等问题的水利工程项目。
四、按技术特点划分4.1 传统水利工程项目:主要指采用传统技术和方法建设的水利工程项目,如土石坝、引水渠等。
4.2 现代水利工程项目:主要指采用先进技术和设备建设的水利工程项目,如混凝土坝、水电站等。
4.3 生态水利工程项目:主要指在水利工程建设中注重生态环境保护和生态效益的水利工程项目。
五、按管理体制划分5.1 国家级水利工程项目:由国家政府直接管理和实施的水利工程项目。
5.2 地方级水利工程项目:由地方政府或地方水利部门管理和实施的水利工程项目。
5.3 民间水利工程项目:由民间组织或个人自发组织和实施的水利工程项目。
总结:水利工程项目划分是为了更好地管理和实施水利工程项目,通过按工程规模、功能、地理位置、技术特点和管理体制等不同角度进行划分,可以更清晰地了解和把握各类水利工程项目的特点和要求,有利于提高水利工程项目的管理和实施效率。
农田水利工程项目划分的方法一、单位工程的划分单位工程是指具有独立发挥作用或独立施工条件的建筑物。
单位工程通常可以是一项独立的工程,也可以是独立工程中的一部分,一般按设计、施工部署和便于质量管理等原则来划分单位工程。
1.水电站及水库工程。
一般以每座独立的建筑物划分为一个单位工程。
当规模大时,可将一个建筑物中具有独立施工条件的一部分划分为一个单位工程。
如泄洪冲砂闸、进水闸、引水渠、隧洞、调压井、压力管道、主厂房、副厂房、大坝填筑、溢洪道等。
2.堤防工程。
按招标标段或工程结构划分单位工程,规模较大的交叉联结建筑物及管理设施,以每座独立的建筑物为一个单位工程。
3.灌区节水改造(隧洞)工程。
(1)按渠道级别,干渠、大、中型隧洞按招标标段(或洞径)划分单位工程。
支渠、斗渠及小型隧洞工程以年度批复的建设项目,每一条划分为一个单位工程。
(2)田问配套工程,将同年同一灌区的田间配套工程划分为一个单位工程。
(3)高效节水工程,将同年同一灌区、同一类型的高效节水工程划分为一个单位工程。
(4)机井工程,将同年同一灌区所有机井划分为一个单位工程。
4.农村饮水安全工程。
按单项批复的工程项目中,具有独立作用和独立施工条件的部分划分为若干个单位工程。
二、分部工程的划分分部工程是指在一个建筑物内能组合发挥一种功能的建筑安装工程,是组成单位工程的各个部分。
在分部工程中,将其对单位工程的安全、功能或效益起主要控制作用的分部工程称为主要分部工程。
分部工程划分时应注意:同一单位工程中,同类型(如同是混凝土分部工程)的)各个分部工程的工程量不宜相差太大,一般不超过50%;不同建设类型(如混凝土分部工程、砌石分部工程)的各分部工程的投资不宜相差太大,一般不超过50%;每个单位工程中的分部工程的数目一般不宜少于5个。
1.水电站及水库工程。
土建部分按设计的主要组成部分划分。
金属结构及启闭机安装工程和机电设备安装工程组成功能划分。
2.堤防工程。
按长度(一般不大于200米)或功能划分,且一般不少于五个分部工程。
水利工程工程部分项目划分的组成内容1、第一部分建筑工程(1)枢纽工程枢纽工程是指水利枢纽建筑物(含引水工程中的水源工程)和其他大型独立建筑物。
包括挡水工程、泄洪工程、引水工程、发电厂工程、升压变电站工程、航运工程、鱼道工程、交通工程、房屋建筑工程和其他建筑工程。
其中,挡水工程等前七项称为主体建筑工程.1)挡水工程.包括挡水的各类坝(闸)工程。
2)泄洪工程。
包括溢洪道、泄洪洞、冲砂洞(孔)、放空洞等工程。
3)引水工程。
包括发电引水明渠、进(取)水口、引水隧洞、调压井、高压管道等工程。
4)发电厂工程。
包括地面、地下各类发电厂工程。
5)升压变电站工程。
包括升压变电站、开关站等工程。
6)航运工程。
包括上下游引航道、船闸、升船机等工程.7)鱼道工程。
根据枢纽建筑物布置情况,可独立列项,与拦河坝相结合的,也可作为拦河坝工程的组成部分。
8)交通工程.包括上坝、进厂、对外等场内外永久公路、桥梁、铁路、码头等交通工程。
9)房屋建筑工程。
包括为生产运行服务的永久性辅助生产厂房、仓库、办公、生活及文化福利等房屋建筑和室外工程。
10)其他建筑工程.包括内外部观测工程,动力线路(厂坝区),照明线路,通信线路,厂坝区及生活区供水、供热、排水等公用设施工程,厂坝区环境建筑工程,水情自动测报系统工程及其他。
(2)引水工程及河道工程引水工程及河道工程是指供水、灌溉、河湖整治、堤防修建与加固工程。
包括供水、灌溉渠(管)道、河湖整治与堤防工程,建筑物工程(水源工程除外),交通工程,房屋建筑工程,供电设施工程和其他建筑工程.1)供水、灌溉渠(管)道、河湖整治与堤防工程。
包括渠(管)道工程、清淤疏浚工程、堤防修建与加固工程等。
2)建筑物工程。
包括泵站、水闸、隧洞、渡槽、倒虹吸、跌水、小水电站、排水沟(涵)、调蓄水库等工程.3)交通工程。
指永久性公路、铁路、桥梁、码头等工程。
4)房屋建筑工程。
包括为生产运行服务的永久性辅助生产厂房、仓库、办公、生活及文化福利等房屋建筑和室外工程。
水利工程工程局部工程划分的组成内容1、第一局部建筑工程〔1〕要津工程要津工程是指水利要津建筑物〔含引水工程中的水源工程〕和其他大型独立建筑物。
包含挡水工程、泄洪工程、引水工程、发电厂工程、升压变电站工程、航运工程、鱼道工程、交通工程、房屋建筑工程和其他建筑工程。
其中,挡水工程等前七项称为主体建筑工程。
1〕挡水工程。
包含挡水的各类坝〔闸〕工程。
2〕泄洪工程。
包含溢洪道、泄洪洞、冲砂洞〔孔〕、放空洞等工程。
3〕引水工程。
包含发电引水明渠、进〔取〕水口、引水隧洞、调压井、高压管道等工程。
4〕发电厂工程。
包含地面、地下各类发电厂工程。
5〕升压变电站工程。
包含升压变电站、开关站等工程。
6〕航运工程。
包含上下游引航道、船闸、升船机等工程。
7〕鱼道工程。
依据要津建筑物安排情况,可独立列项,与拦河坝相结合的,也可作为拦河坝工程的组成局部。
8〕交通工程。
包含上坝、进厂、对外等场内外永久公路、桥梁、铁路、码头等交通工程。
9〕房屋建筑工程。
包含为生产运行效劳的永久性辅助生产厂房、仓库、办公、生活及文化福利等房屋建筑和室外工程。
10〕其他建筑工程。
包含内外部观测工程,动力线路〔厂坝区〕,照明线路,通信线路,厂坝区及生活区供水、供热、排水等公用设施工程,厂坝区环境建筑工程,水情自动测报系统工程及其他。
〔2〕引水工程及河道工程引水工程及河道工程是指供水、灌溉、河湖整治、堤防修建与加固工程。
包含供水、灌溉渠〔管〕道、河湖整治与堤防工程,建筑物工程〔水源工程除外〕,交通工程,房屋建筑工程,供电设施工程和其他建筑工程。
1〕供水、灌溉渠〔管〕道、河湖整治与堤防工程。
包含渠〔管〕道工程、清淤疏浚工程、堤防修建与加固工程等。
2〕建筑物工程。
包含泵站、水闸、隧洞、渡槽、倒虹吸、跌水、小水电站、排水沟〔涵〕、调蓄水库等工程。
3〕交通工程。
指永久性公路、铁路、桥梁、码头等工程。
4〕房屋建筑工程。
包含为生产运行效劳的永久性辅助生产厂房、仓库、办公、生活及文化福利等房屋建筑和室外工程。
水利工程项目划分水利工程项目划分是指对水利工程项目进行细分和划分,以便更好地管理和实施项目。
下面将详细介绍水利工程项目划分的标准格式文本。
一、项目背景水利工程项目划分是在水利工程建设过程中的重要环节,旨在对项目进行合理划分和细分,以便更好地管理和实施项目。
本文将介绍水利工程项目划分的具体内容和标准。
二、项目划分内容1. 项目划分目的水利工程项目划分的目的在于明确项目的具体范围、任务和目标,为工程实施提供指导和依据。
2. 项目划分原则(1)可行性原则:项目划分应基于可行性研究和技术评估结果,确保项目的可行性和可实施性。
(2)科学性原则:项目划分应基于科学的技术标准和规范,确保项目的质量和安全。
(3)可管理性原则:项目划分应考虑项目管理的需要,确保项目的可管理性和可控性。
(4)经济性原则:项目划分应基于经济效益评估,确保项目的经济可行性和效益最大化。
3. 项目划分内容(1)项目范围划分:确定项目的边界和范围,包括项目的地理范围、工程范围和功能范围等。
(2)工程任务划分:将项目按照不同的工程任务进行划分,如水库建设、渠道建设、泵站建设等。
(3)工程量划分:将项目按照不同的工程量进行划分,如土方工程、混凝土工程、钢结构工程等。
(4)工期划分:将项目按照不同的工期进行划分,如前期准备工期、主体工程工期和收尾工程工期等。
(5)投资划分:将项目按照不同的投资项目进行划分,如设备投资、材料投资和劳动力投资等。
三、项目划分标准1. 项目划分标准的制定项目划分标准应根据具体项目的特点和需求进行制定,同时参考相关的行业标准和规范。
2. 项目划分标准的内容(1)项目划分标准应包括项目划分的目的、原则和内容等。
(2)项目划分标准应明确各个划分项的具体划分方法和依据。
(3)项目划分标准应规定划分结果的表达方式和形式,如表格、图纸等。
3. 项目划分标准的应用项目划分标准应在项目实施的各个阶段中得到应用,包括项目立项、设计、施工和验收等。
南水北调东线第一期工程鲁北段大屯水库工程项目划分说明1、单位工程划分原则:按建筑物结构特点、施工标段、工程量等划分为9个单位工程,即“围坝工程”(按标段划分为3个单位工程)、“六五河改道工程”、“德州供水洞工程”、入库泵站工程”、“武城供水洞工程”、“水土保持工程”“管理设施工程”。
其中,主要单位工程3个。
2、分部工程划分原则:依据结构、施工部署划分,共划分61个分部工程(不包括管理设施和水土保持工程)。
其中,主要分部工程20个。
3、单元工程划分原则:混凝土工程每个仓号为一个单元工程坝基处理按照设计或施工检查验收的区段划分,每一区段约200米为一个单元工程;围坝填筑按设计或施工检查验收区、段、层划分,以每一段约200米每层为一个单元工程;反滤层工程按施工区段划分,以每段约100米为一个单元工程;护坡工程按施工区段划分,以每段约100米为一个单元工程;库底铺膜按施工区片划分,以每区片约4000至5000平米为一个单元工程;观测设施以不同观测功能、每个断面为一个单元工程;金属结构及启闭机工程以每台(套)为一个单元工程;坝基清理、大坝观测设施、库底铺膜及坝坡铺膜、建筑物与土坝结合部位为重要隐蔽单元工程;关键部位单元工程:水泥搅拌桩、闸底板及泵站底板混凝土为关键部位单元工程。
4、项目划分编码:单位工程编码为:大屯水库第一个汉语拼音大写字母“DTSK”,后跟阿拉伯数字1-9表示排序,如第一个单位工程编码为:DTSK1。
分部工程编码为所在单位工程编码加“-”,后加阿拉伯数字表示排序,如第一个单位工程的第一个分部工程编码为:DTSK1-01。
单元工程编码为所在分部工程编码加“-”,后加阿拉伯数字表示排序,如第一个单位工程,第一个分部工程的第一个单元工程编码为:DTSK1-01-001。
5、水土保持单位工程和管理设施单位工程因设计文件和具体实施计划没落实,本次暂不进行分部工程划分,待具备划分条件后,补充划分并及时上报审批。
水利工程项目划分引言概述:水利工程项目划分是指将水利工程按照一定的标准和要求进行分类和划分,以便更好地进行管理和实施。
水利工程项目划分的目的是为了提高工程管理的效率和水资源利用的效益,确保水利工程建设的顺利进行。
本文将从水利工程项目划分的角度出发,分析水利工程项目划分的重要性和具体内容。
一、按照工程规模划分1.1 小型水利工程小型水利工程一般指规模较小、投资较少的水利工程项目,主要用于解决当地农田灌溉、农村供水等基本水利问题。
小型水利工程通常由当地政府或农村集体投资建设,具有较强的地方性和实用性。
1.2 中型水利工程中型水利工程规模较大,投资较多,通常由中央或地方政府出资建设。
中型水利工程主要用于大面积农田灌溉、城市供水等大型水利工程项目,具有较强的综合效益和社会效益。
1.3 大型水利工程大型水利工程是指规模巨大、投资巨额的水利工程项目,通常由中央政府或国际组织出资建设。
大型水利工程主要用于国家重点水利工程建设,如大型水库、引河工程等,具有重要的经济和社会效益。
二、按照工程用途划分2.1 农田灌溉工程农田灌溉工程是指为农田提供灌溉水源的水利工程项目,主要用于提高农田灌溉水利用效率,增加农田产量,改善农民生活条件。
农田灌溉工程包括渠道灌溉、滴灌、喷灌等多种形式。
2.2 城市供水工程城市供水工程是指为城市居民提供饮用水的水利工程项目,主要用于解决城市居民的生活用水问题,保障城市供水安全。
城市供水工程包括水源工程、输水管道、水处理设施等。
2.3 水电工程水电工程是指利用水力能源发电的水利工程项目,主要用于解决能源问题,提高能源利用效率。
水电工程包括水库、水电站、水轮机等设施。
三、按照工程建设阶段划分3.1 前期工程前期工程是指水利工程项目建设前的准备工作,包括项目可行性研究、规划设计、环境评估等。
前期工程的目的是为了确保水利工程项目的顺利进行,减少建设过程中的风险。
3.2 建设工程建设工程是指水利工程项目的实际建设阶段,包括土建施工、设备安装、调试运行等。
水利项目相关等级划分文稿归稿存档编号:[KKUY-KKIO69-OTM243-OLUI129-G00I-FDQS58-水库等级划分大、中、小型水库的等级是按照库容大小来划分的。
大(一)型水库库容大于10亿立方米;大(二)型水库库容大于1亿立方米而小于10亿立方米;中型水库库容大于或等于0.1亿立方米而小于1亿立方米;小(一)型水库库容大于或等于100万立方米而小于1000万立方米;小(二)型水库库容大于或等于10万立方米而小于100万立方米。
河流等级划分大、中、小型河流的等级是按照保护面积大小来划分的。
大型河流保护面积大于30万亩;中型河流保护面积在1—30万亩之间;小型河流保护面积小于1万亩。
有众多支流汇入的是上游水量稳定且较高的是中游水量有所减少或转如地势低平地区的是下游上中游分界线一般是最后一条大支流的汇入地点中下游分界线一般是地势低平地区的边缘堤防工程等级依据堤防工程的防洪标准确定,依据堤防工程设计规范(GB50286-1998),堤防工程分为5级。
防洪标准〔重现期(年)〕≥100年<100,且≥50 <50,且≥30 <30, 且≥20 <20, 且≥10 1 2 3 4 5堤防分类堤防按其所在位置及建筑材料进行分类。
按所在位置,堤防可分为河(江)堤、海堤、湖堤、水库堤及渠(沟)堤等五种。
堤防分类表(按所在位置分)按建筑材料,堤防可分为土堤、砂堤、石堤、混凝土堤等四种。
(1)土堤:由粘土、壤土筑成,主要建在平原地区江河沿岸、海岸、湖泊四周、排灌沟渠沿岸及水库周边。
(2)砂堤:由沙土或砂砾石筑成,主要建在山区、丘陵区江河沿岸,水库周边、海岸。
(3)石堤:由块石或条石筑成,主要建在海岸、取土困难的江河沿岸及城区河段沿岸。
(4)混凝土堤:由混凝土或钢筋混凝土筑成,主要用于城区河段沿岸。
拦河闸等级划分拦河闸等级按照过闸流量大小划分的。
大型拦河闸过闸流量大于1000立方米/秒;中型拦河闸过闸流量大于100立方米/秒而小于或等于1000立方米/秒;小型拦河闸过闸流量大于或等于10立方米/秒而小于100立方米/秒;流域河流等级一个流域内的水系汇入主流的各级水流。
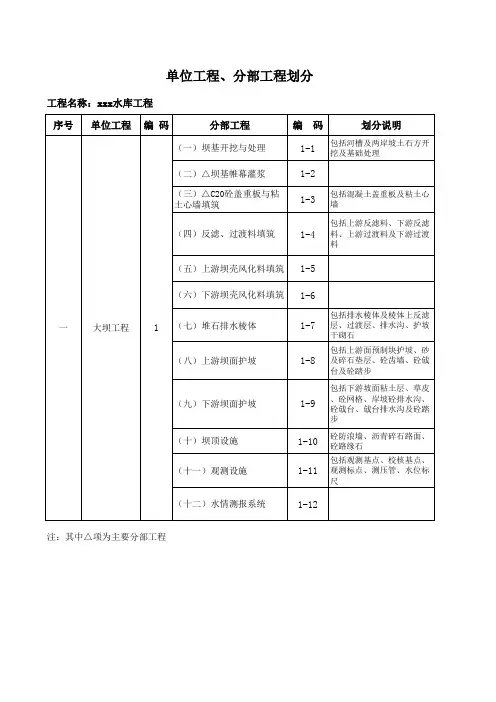
水利工程项目划分表范本
水利工程项目划分表范本通常包括以下内容:
一、单位工程
1. 拦河坝工程
2. 引水隧洞工程
3. 调蓄水库工程
4. 提水泵站工程
5. 输水管道工程
6. 渠系建筑物工程
7. 田间灌溉工程
8. 排水工程
9. 水土保持工程
10. 环境保护工程
二、分部工程
以引水隧洞工程为例,可包括以下几个分部工程:
1. 进口段工程
2. 洞身段工程
3. 出口段工程
4. 灌浆工程
5. 衬砌工程
6. 机电设备及安装工程
7. 金属结构设备及安装工程
8. 施工临时工程
三、单元工程
以进口段工程为例,可包括以下几个单元工程:
1. 进口明渠开挖单元工程
2. 进口渐变段开挖单元工程
3. 进水塔基础开挖单元工程
4. 进水塔混凝土浇筑单元工程
5. 闸门井开挖单元工程
6. 闸门井衬砌单元工程
7. 启闭机房建筑单元工程等。
注意,具体的项目划分应根据实际情况进行。
这只是一个示例,并不完全适用于所有水利工程项目。
在划分时,应遵循便于组织施工、管理和质量控制的原则。