施工招标评分表
- 格式:xls
- 大小:19.50 KB
- 文档页数:1
一、项目概况(20分)1. 项目规模及类型(5分)1.1 项目规模:大型(4分)、中型(3分)、小型(2分)1.2 项目类型:住宅(3分)、商业(2分)、工业(1分)2. 项目地点及环境(5分)2.1 项目地点:交通便利、环境优美(4分)、交通便利、环境一般(3分)、交通不便、环境较差(2分)2.2 项目周边配套设施:完善(4分)、基本完善(3分)、不完善(2分)3. 项目工期(5分)3.1 工期合理(4分)3.2 工期较长,但可接受(3分)3.3 工期过长,难以接受(2分)4. 项目投资规模(5分)4.1 投资规模较大(4分)4.2 投资规模一般(3分)4.3 投资规模较小(2分)二、投标人资质及业绩(30分)1. 企业资质(10分)1.1 具有相应的施工总承包资质(8分)1.2 具有相应的专业承包资质(6分)1.3 具有相应的施工劳务资质(4分)2. 业绩情况(10分)2.1 近三年内完成过类似项目(8分)2.2 近三年内未完成过类似项目(6分)3. 优秀工程业绩(10分)3.1 获得过国家级奖项(8分) 3.2 获得过省级奖项(6分)3.3 获得过市级奖项(4分)三、投标文件及报价(20分)1. 投标文件质量(5分)1.1 文件完整、规范(4分)1.2 文件不完整、不规范(1分)2. 报价合理性(10分)2.1 报价低于市场价(8分)2.2 报价接近市场价(6分)2.3 报价高于市场价(4分)3. 付款方式(5分)3.1 付款方式合理(4分)3.2 付款方式一般(3分)四、企业信誉及社会形象(20分)1. 企业信誉(10分)1.1 企业信用良好(8分)1.2 企业信用一般(6分)1.3 企业信用较差(4分)2. 社会形象(10分)2.1 社会形象良好(8分)2.2 社会形象一般(6分)2.3 社会形象较差(4分)五、其他因素(10分)1. 投标人响应招标文件情况(5分)1.1 完全响应(4分)1.2 部分响应(3分)2. 投标人合作意愿(5分)2.1 合作意愿强烈(4分)2.2 合作意愿一般(3分)总分:100分备注:评分标准仅供参考,具体评分由评标委员会根据实际情况进行调整。
工程施工项目开标评分表项目名称:XX工程评定标准:根据招标文件的要求和技术规范。
评分标准主要包括施工方案、施工组织设计、技术能力、施工经验、质量保证体系、安全生产管理体系等。
评定方式:按照每个评分项分别设定相应的评分标准和权重,通过专家评审和现场考察等方式进行综合评定。
最终确定中标人选。
评定内容:1. 施工方案(权重 20%)1.1 施工方案的合理性和可行性(10%)1.2 施工组织设计和工期计划(10%)2. 技术能力(权重 20%)2.1 主要技术人员的资质和经验(10%)2.2 施工所需的技术装备和施工机械的配置(10%)3. 施工经验(权重 20%)3.1 类似项目的施工经验和业绩(10%)3.2 建立的质量保证体系和安全管理体系(10%)4. 经济投标(权重 40%)4.1 施工报价的合理性和透明度(20%)4.2 施工中预计的变更和索赔处理方案(10%)4.3 施工中可能的风险处理预案(10%)评审标准:总分满分为100分,各评审项根据其权重比例进行评分,满分情况如下:1. 施工方案:20分2. 技术能力:20分3. 施工经验:20分4. 经济投标:40分评审步骤:1. 初步筛选:根据投标文件和资质条件进行初步筛选,确定符合条件的投标人。
2. 评审专家评分:由评审专家组成评审委员会,对符合条件的投标人的各项投标文件进行评审打分。
3. 现场考察:对评审得分较高的投标人进行现场考察,以了解其实际施工情况和能力。
4. 综合评定:根据评审得分和现场考察情况,综合评定出中标人选。
评审标准具体要求:1. 施工方案:要求投标人提出合理且可行的施工方案,其施工组织设计和工期计划要合理且明确。
2. 技术能力:要求投标人具备相应领域的技术资质和经验,并配备相应的技术装备和施工机械。
3. 施工经验:要求投标人必须具备相关项目的施工经验和相应的业绩,并要求建立健全的质量保证体系和安全管理体系。
4. 经济投标:要求投标人的施工报价要合理透明,并提出相应的变更和索赔处理方案以及风险处理预案。
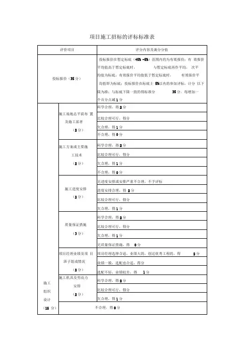
项目施工招标的评标标准表
达不到要求,不予评标
工期(10分)投标工期超过150天,不予评标
达到招标文件要求的,得基本分,得7分
工期在145〜150天的,每少1天加1分,最多加3分工期少于145天的,不再加分
投标人考评(5分)投标人报名后,招标人对投标人业绩、能力、资金状况、社会
信誉进行综合考评,考评结果好,得5分;考评结果一般,得3 分;考评结果差,得1分
评底评价因秦
质保及安全
”主产管磁
塚证措施
环保*文明
A施工保证尺
保证1昔鉅
圉1工程顷目评标嘶指标休聚
.不均衡报价评
定主娶施工机械豳。
施工竞标评分表
评标要求
本评分表旨在评估施工竞标方案的质量和可行性,以确定最优
秀的竞标方案。
评分表包括以下几个方面的评估标准:
1. 技术方案(30分):评估施工方案的技术可行性、创新性和适用性。
2. 施工周期(20分):评估施工方案的合理性、紧凑性和效率。
3. 资源管理(20分):评估施工方案的资源分配、物料采购和施工人员管理。
4. 质量控制(15分):评估施工方案的质量保证措施和可靠性。
5. 安全管理(10分):评估施工方案的安全计划和风险预防措施。
6. 成本控制(5分):评估施工方案的预算合理性和成本控制
能力。
评分方法
每个评估标准根据具体情况分配相应的分数,总分为100分。
评委们将独立评估每个竞标方案,并在评分表中给出相应的分数。
最后,根据各个竞标方案的得分进行排名,得分最高的方案将被选定为优胜方案。
参考评分表
注意事项
1. 评委们应严格按照评估标准进行评分,公正、客观地对竞标方案进行评估。
2. 评委们在评分过程中应尽量避免主观偏见,以确保评分结果的准确性。
3. 所有评分表和评分细节应妥善保存,并在评选结束后进行归档。
以上是施工竞标评分表的基本内容,评委们可根据具体情况进行适当调整和细化。
通过评分表的使用,将能够选择到最优秀的施工竞标方案,确保施工项目的质量和效率。
请注意,以上内容仅供参考,实际评分表的设计和使用应根据具体需求进行调整和完善。
本页为作品封面,下载后可以自由编辑删除,欢迎下载!!!精品文档【精品word文档、可以自由编辑!】楼工程施工招标评标办法(工程招标编号:MSGZ2011-2)评标事宜一、评标委员会组成人员(一)依据七部委联合发布的12号令《评标委员会和评标办法暂行规定》,招标人依法组建评标委员会。
(二)评标委员会由5人以上的单数组成,其中建设单位评标成员为三分之一人,建设行政主管部门专家库中技术经济等方面的专家不得少于成员总数的三分之二,评标委员会设主任委员,由评标委员会全体成员选举产生。
(三)技术经济专家由招标人从专家库随机抽取.(四)评标委员会名单在开标、评标、中标人确定之前保密。
二、评标原则(一)依据招标文件投标人须知对投标人的投标书进行认真的审查和评议。
(二)评标过程和内容保密,不得向与评标过程无关的人员泄漏评标过程和任何情况。
(三)投标人直接或间接向评标委员会每一位参加评标的评委、工作人员施加影响,将导致取消该投标人的评标资格和中标资格。
(四)评标委员会每位委员在评标过程中遵循公平、公正诚实的原则独立评标,记名打分,并在自己的评价结论上签名,对自己的评价结论负责。
(五)投标文件的详细评价采用数值表示评价意见,全体评委所打分值去掉一个总分最高分,去掉一个总分最低分后的算术平均值即为评标委员会的结论。
(六)凡是用定性描述评价意见的,由评委会统一讨论另行制定办法。
(七)根据评标结论,评标委员会向业主提供评标报告,评委通过后办理签字手续。
(八)招标人授权评标委员会,根据评标结果按得分高低排序,推荐中标候选人。
三、评标程序(一)按招标文件投标人须知执行。
(二)评标委员会交回所有资料,评标委员会解散。
四、投标文件的符合性审查(一)投标文件的编排、装订、份数、签署是否符合招标文件须知的要求,以及审查投标书是否与招标文件提供的文本完全一致。
(二)招标文件要求必须明确承诺的所有实质性条件,如投标报价、工期、质量等是否承诺或承诺是否符合招标文件的要求。