又一例比较完整的交通信号灯控制程序,值得收藏!
- 格式:doc
- 大小:131.00 KB
- 文档页数:5
交通信号灯控制详细操作说明一、操作面板示意图:三、修改多时段程序的步骤:在基本步骤6中按下“功能1”,根据你的需要重复“修改程序的基本步骤”2-5;设定时钟的应从早上到晚上,共有十个时段可以设定。
四、修改程序中的特定数字:1、设定左转时间[ 0 2·0 2 ]是转入二相位的特定数字2、设定直行时间[ 0 3·0 3 ]是转入黄闪的特定数字;3、设定时钟时间[ 2·3 5 9 ]是退出修改的特定数字;五、手动:在正常工作状态下按“功能2”键即进入手动工作状态,按相应键即对干线左转、支线左转、干线直行、支线直行的手动控制,再按“功能2”键返回正常工作状态。
六、恢复出厂设置及24小时连续工作设置:如遇到不明原因的控制器故障请恢复出厂设置复位,按住“功能2”键再开电源,听毕“啼”音后即恢复出厂设置。
自动1(自动2)设置如下:详细产品功能及参数JD-400LED交通信号灯一.技术参数:1.外壳防护等级IP44,显示器的光学、色度和安全性能指标均达到GB14887的要求。
2.亮度:≥350cd,可视距离:≥400M,可视角:≥60°。
3.色度:红色 630nm,黄色590nm,绿色505nm。
4.控制方式:与控制器同步,工作方式:连续。
输入电压:交流220V±10%,消耗功率峰值:<15W。
二. 产品特点:1.使用寿命长达5万小时,维修工作量小。
2.本产品发光亮度高,是普通灯泡亮度的4倍以上,可视距离在400以外。
3.节约能源,灯盘使用低压安全电源DJS-3通用型双色真绿倒计时显示器一.技术参数:1、外壳防护等级IP44,外形尺寸:830×630×230mm。
2、显示器的光学、色度和安全性能指标均达到GB14887的要求3、可视距离:≥400m,视角:>30°,亮度:≥250cd最大显示数字:99。
4、色度:红色 630nm,绿色505nm。
目录1。
项目要求 (1)1。
1十字路口红绿灯PLC控制系统的构成 (1)1。
2控制功能分析 (1)2.总体方案设计 (2)3.硬件电路图 (3)4.PLC的I/O控制点分配 (4)5.软件编制 (5)5.1PLC控制程序流程图如下: (5)5.2 PLC软件编制 (5)5.3组态王界面设计 (6)7软件调试 (7)7。
1PLC及组态王的调试 (7)7.2组态实时监控 (7)7。
3测试结果分析 (9)8。
心得体会 (9)附录 PLC控制程序 (10)十字路口红绿灯PLC控制1.项目要求1.1 十字路口红绿灯PLC控制系统的构成十字路口交通信号灯通常设置红、绿和黄三种颜色,但是有的路口仅设置红、绿两种,如果采用PLC控制则可少用两个控制点.现有一个十字路口,东西和南北方向每个路口都设有红色和绿色指挥信号灯,其示意图如下:图1—1十字路口交通信号灯示意图1。
2控制功能分析1.2.1 工作过程(1)接通启动开关后,信号灯系统开始工作,且以南北方向红灯先亮、东西方向绿灯才亮作为初始状态。
当断开启动开关时,全部信号灯熄灭。
(2)南北绿灯东西绿灯不能同时亮,否则系统自动熄灭信号灯并报警。
(3) 南北红灯持续25s ,与此同时东西绿灯亮维持20s ,然后闪烁3s 后熄灭。
接着东西黄灯亮2s ,然后南北绿灯亮。
(4) 东西红灯持续亮30s ,同时南北绿灯亮25s ,然后闪亮3s 后熄灭。
接着南北黄灯又亮2s ,然后东西绿灯亮。
南北和东西的信号灯,就这样按控制要求周而复始的进行工作. 1。
2。
2 控制要求要求采用PLC 作为控制中心,采用触摸屏或上位机(组态软件编程)监控。
(1). 控制系统应有电路联锁和保护功能。
(2)。
操作界面要求有动作效果,可以显示操作的进度。
(3)。
检测、控制信号要准确,安全、可靠。
1.2.3 硬件设计根据控制要求,主控设备选用PLC ,信号灯采用红、黄、绿灯泡(各4个),启动采用单刀开关实现。
交通信号灯的PLC控制1 设计任务和要求1.1用PLC控制交通灯信号,示意图如下:1.2交通灯流程如下:1、南北红灯亮并保持15秒,同时东西绿灯亮,但保持10秒,到10秒时东西绿灯闪亮3次(每周期1秒)后熄灭;继而东西黄灯亮,并保持2秒,到2秒后,东西黄灯熄灭,东西红灯亮,同时南北红灯熄灭和南北绿灯亮。
2、东西红灯亮并保持10秒。
同时南北绿灯亮,但保持5秒,到5秒时南北绿灯闪亮3次(每周期1秒)后熄灭;继而南北黄灯亮,并保持2秒,到2秒后,南北黄灯熄灭,南北红灯亮,同时东西红灯熄灭和东西绿灯亮,循环执行。
3、有白天/夜间操作开关、运行/停止开关、紧急操作开关1号和2号,其功能如下:1)白天/夜间操作转换开关在“白天”位置时,按上述时序正常运行,在“夜间”位置时两边均只有黄灯闪烁。
运行开关在接通电源时,方可切换白天/黑夜开关。
2)开关在“运行”位置,系统启动,在“停止”位置,系统关闭。
3)当有特殊情况(如事故)需要某一方向绿灯一直亮时,则应用紧急操作开关实现此功能,例如:1号开关=“1”时,南北方向绿灯一直亮,东西方向红灯一直亮;2号开关=“1”时,东西方向绿灯一直亮,南北方向红灯一直亮;若关闭紧急开关,则恢复正常工作。
2 硬件设计2.1 PLC 选型FX1N系列是功能很强大的微型PLC,并且能增加特殊功能模块或扩展板,通信和数据链接功能选项使得FX1N在体积、通信和特殊功能模块和能源控制等重要的应用方面非常完美,主机点数14/24/40/60,分为晶体管输出/继电器输出,交流电源/直流电源,可扩展到128点,8000步存储容量,并且可以连接多种扩展模块,特殊功能模块,最大可扩展到多达128I/O点,定位和脉冲输出功能:一个PLC单元中每相能同时输出2点100KHz脉冲,PLC配备有7条特殊的定位指令,包括零返回、绝对或相对地址表达方式及特殊脉冲输出控制,通过扩展板连接显示模块或模拟量,扩展输入输出点数,可以使用扩展板增加模拟电位器,输入输出点数增加,并且能安装显示模块FX1N-5DM,能监控和编辑定时器、计数器和数据寄存器,还能通过FX1N-2AD-BD,FX1N-1DA-BD实现模拟量输入,输出,通过连接扩展板或特殊适配器能实现多种通信和数据链接,通过FX2N-16CCL及FX2N-32CCL,可充当CC-LINK主站或从站。
python仿真控制交通信号灯的编程程序在现代城市交通中,交通信号灯起着至关重要的作用,它们通过控制车辆流量和行人通行,维持道路交通的有序进行。
而为了合理优化交通信号灯的控制,提升交通效率,减少拥堵现象的发生,人们开始采用编程仿真的方式来控制交通信号灯。
本文将介绍使用Python编程语言实现的仿真控制交通信号灯的程序。
一、仿真环境搭建在开始编写交通信号灯控制程序之前,我们首先需要搭建一个合适的仿真环境。
在Python中,我们可以使用第三方库SimPy来创建一个简单而强大的仿真环境。
1. 确保已安装SimPy库SimPy是一个基于事件驱动的仿真框架,可以用来构建离散事件仿真模型。
我们可以通过在命令行中输入以下命令来安装SimPy库:```pip install simpy```2. 创建仿真环境接下来,我们可以使用以下代码来创建一个基本的仿真环境,并设置仿真时间:```pythonimport simpy# 创建仿真环境env = simpy.Environment()# 设置仿真时间SIMULATION_TIME = 100env.run(until=SIMULATION_TIME)```二、车辆和交通信号灯的建模在搭建好仿真环境之后,我们需要对车辆和交通信号灯进行建模。
在这个简化的模型中,我们假设只有一条单向道路,并且车辆和信号灯的到达时间和行为都是随机的。
1. 车辆的建模我们可以使用SimPy的`Process`类来表示车辆。
每个车辆都是一个独立的进程,并在仿真环境中按照特定的规则运行。
以下是一个简化的车辆建模示例:```pythonclass Car(simpy.Process):def __init__(self, env):super().__init__(env)self.env = envdef run(self):while True:# 车辆行驶的时间travel_time = random.randint(5, 20)yield self.env.timeout(travel_time)# 车辆到达信号灯print(f"Car arrives at traffic light at time {self.env.now}")# 等待信号灯绿灯yield self.env.process(self.wait_for_green_light())# 车辆通过信号灯print(f"Car passes through traffic light at time {self.env.now}") def wait_for_green_light(self):# 信号灯状态检查while True:if GREEN_LIGHT:breakyield self.env.timeout(1)```在上面的代码中,我们通过`yield`语句来模拟车辆的行驶时间和等待信号灯的过程。
常见的PLC程序实例详解(附图),看得多才能会的多!十字路口的交通指挥信号灯布置:一、控制要求(1)信号灯系统由一个启动开关控制,当启动开关接通时,该信号灯系统开始工作,当启动开关关断时,所有信号灯都熄灭。
(2)南北绿灯和东西绿灯不能同时亮。
如果同时亮应关闭信号灯系统,并立刻报警。
(3)南北红灯亮维持25s。
在南北红灯亮的同时东西绿灯也亮,并维持20s。
到20s 时,东西绿灯闪亮,闪亮3s 后熄灭,此时,东西黄灯亮,并维持2s。
到2s 时,东西黄灯熄灭,东西红灯亮。
同时,南北红灯熄灭,南北绿灯亮。
(4)东西红灯亮维持30s。
南北绿灯亮维持25s,然后闪亮3s 后熄灭。
同时南北黄灯亮,维持2s 后熄灭,这时南北红灯亮,东西绿灯亮。
(5)以上南北、东西信号灯周而复始地交替工作状态,指挥着十字路口的交通,其时序如下所示。
二、PLC 接线三、定义符号地址四、梯形图程序三层楼电梯控制电梯的上升、下降由一台电动机控制;正转时电梯上升、反转时电梯下降。
各层设一个呼叫开关(SB1、SB2、SB3)、一个呼叫指示灯(H1、H2、H3)、一个到位行程开关(ST1、ST2、ST3)。
一、控制要求:(1)各层的呼叫开关为按钮式开关,SB1、SB2 及SB3 均为瞬间接通有效(即瞬间接通的即放开仍有效)。
(2)电梯箱体上升途中只响应上升呼叫,下降途中只响应下降呼叫,任何反方向呼叫均无效,简称为不可逆响应。
具体动作要求,如下表。
(3)各楼层间有效运行时间应小于10S,否则认为有故障、自动令电动机停转。
多种液体自动混合装置的PLC 控制如图所示为三种液体混合装置,SQ1、SQ2、SQ3 和SQ4 为液面传感器,液面淹没时接通,液体A、B、C 与混合液阀由电磁阀YV1、YV2、YV3、YV4 控制,M 为搅匀电动机,其控制要求如下:1.初始状态装置投入运行时,液体A、B、C 阀门关闭,混合液阀门打开20s 将容器放空后关闭。
2.起动操作按下启动按钮SB1,装置开始按下列给定规律运转:①液体 A 阀门打开,液体 A 流入容器。
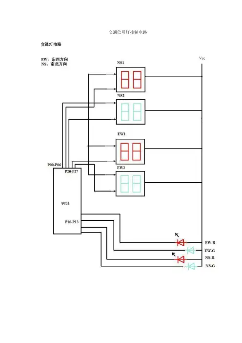
交通信号灯控制电路
工作原理:
白天工作状态要求:东西方向绿灯亮40s,然后黄灯闪三下(1下/秒,共5秒),然后红灯亮20s,而南北方向为红灯亮40s,然后绿灯亮20s,然后黄灯也闪三下;如此周期循环下去。
由软件设置交通灯的初始时间,南北方向通行40秒,东西方向通行20秒,倒计时数码管采用动态显示,P0口送字形码,P2口送字位选通信号,通过单片机的P1口控制各种信号灯的燃亮与熄灭。
采用中
断方式实现按键的功能。
主控芯片采用A T89S52单片机,因为系统要求南北和东西方向的信号灯
时间不一样,所以就利用单片机的P0口(P00-P06)送出数据的段码,位选信号用P2口(P20-P23、27)送出,用动态扫描的方法显示东西、南北的倒计时间(如图4所示)。
数码管使用共阴数码管,需要接上470欧上拉电阻以提供足够大的电流来驱动数码管,数码管的每段的电流是约10毫安。
本设计利用单片机的P1口(P10-P13)来驱动和控制各种信号灯的燃亮和燃亮时间。
交通信号灯控制系统摘要:十字路口的红绿灯指挥着行人和各种车辆安全通行,实现红绿灯的自动指挥是城市交通管理自动化的重要课题。
因为交通信号灯控制系统是要根据计时的情况实现对交通信号灯的控制和对数字显示器的控制,所以用微控制器MCU(Microcontroller Unit,又称单片机)实现交通信号控制系统的设计。
又因为微控制器MCU应用系统抗干扰性差,故一般应该综合采用软、硬件抗干扰措施,才能获得好的抗干扰效果,以便交通信号的控制系统更好的实现。
关键词:单片机芯片AT89C52;驱动器芯片74LS245;显示模块;RTX51Tiny内核十字路口的红绿灯指挥着行人和各种车辆安全通行,实现红绿灯的自动指挥是城市交通管理自动化的重要课题。
一般说来,十字路口处的两条相互交叉的道路是由主次之分的,其中一条道路平时车流量较大,称为主干道;而另一条道路平时车流量较小,称为次干道。
十字路口交通信号灯控制系统应考虑十字路口主、次干道车流量不同的特点,并且能根据车流量发生变化的实际情况,可以很方便地更改主、次干道的通车时间。
1 方案的比较论证1.1 以CPLD为核心的实现方案运用EDA技术实现电子系统的设计特别是数字电子系统的设计,是现代电子技术发展的趋势。
CPLD芯片内部的电路功能可以通过标准硬件描述语言进行设计,而且整个设计过程都是在通过计算机的帮助下完成的,从而使得以CPLD为核心的方案容易实现、容易修改、容易保存。
因此,无论是在系统的工作可靠性方面,还是在系统的成本、系统的运行速度、系统结构的简易程度等方面,以CPLD为核心的实现方案具有一定的技术先进性,而且最后能得到让人比较满意的设计结果。
....1.2 以MCU为核心的实现方案用微控制器MCU实现交通信号控制系统的设计,相对而言是最容易的,因为交通信号灯控制系统就是要根据计时的情况实现对交通信号灯的控制和对数字显示器的控制。
而微控制器MCU最适宜于对物理对象的控制,通过微控制器软件编程,很容易实现对交通信号灯的控制和对LED数码管的显示控制。
六个典型PLC程序实例详解(附图),自控项目轻松入门!(1)十字路口的交通指挥信号灯布置一、控制要求(1)信号灯系统由一个启动开关控制,当启动开关接通时,该信号灯系统开始工作,当启动开关关断时,所有信号灯都熄灭。
(2)南北绿灯和东西绿灯不能同时亮。
如果同时亮应关闭信号灯系统,并立刻报警。
(3)南北红灯亮维持25s。
在南北红灯亮的同时东西绿灯也亮,并维持 20s。
到 20s 时,东西绿灯闪亮,闪亮 3s 后熄灭,此时,东西黄灯亮,并维持 2s。
到 2s 时,东西黄灯熄灭,东西红灯亮。
同时,南北红灯熄灭,南北绿灯亮。
(4)东西红灯亮维持30s。
南北绿灯亮维持25s,然后闪亮3s 后熄灭。
同时南北黄灯亮,维持 2s 后熄灭,这时南北红灯亮,东西绿灯亮。
(5)以上南北、东西信号灯周而复始地交替工作状态,指挥着十字路口的交通,其时序如下所示。
二、PLC 接线三、定义符号地址四、梯形图程序(2)电梯控制电梯的上升、下降由一台电动机控制;正转时电梯上升、反转时电梯下降。
各层设一个呼叫开关(SB1、SB2、SB3)、一个呼叫指示灯(H1、H2、H3)、一个到位行程开关(ST1、ST2、ST3)。
一、控制要求:1、各层的呼叫开关为按钮式开关,SB1、SB2 及 SB3 均为瞬间接通有效(即瞬间接通的即放开仍有效)。
2、电梯箱体上升途中只响应上升呼叫,下降途中只响应下降呼叫,任何反方向呼叫均无效,简称为不可逆响应。
具体动作要求,如下表。
3、各楼层间有效运行时间应小于10S,否则认为有故障、自动令电动机停转。
如图所示为三种液体混合装置,SQ1、SQ2、SQ3 和 SQ4 为液面传感器,液面淹没时接通,液体 A、B、C 与混合液阀由电磁阀 YV1、YV2、YV3、 YV4 控制,M 为搅匀电动机,其控制要求如下:1.初始状态装置投入运行时,液体A、B、C 阀门关闭,混合液阀门打开20s 将容器放空后关闭。
2.起动操作按下启动按钮 SB1,装置开始按下列给定规律运转:①液体 A 阀门打开,液体 A 流入容器。
十字路口交通信号指挥灯的PLC控制(一)控制要求:当工作人员合上开关SA1,南北方向红灯亮30s期间,东西方向绿灯亮25s 后,闪烁3s灭,黄灯亮2s;然后切换成东西方向红灯亮30s,南北方向绿灯亮25s后,闪烁3s灭,最后是黄灯亮2s,如此循环。
当工作人员合上夜间开关SA2后,东西南北两方向的黄灯同时闪烁,提醒夜间过往人员和车辆在通过十字路口时减速慢行。
十字路口交通信号指挥灯的PLC控制(二)控制要求:①正常情况下,信号灯系统开始工作时,先南北方向红灯HL R1亮30s,东西方向绿灯HL G2常亮25s、闪亮3s(1s内通0.5s,断0.5s),然后东西方向黄灯HL Y2亮2s,30s后东西方向亮红灯HL R2,南北方向亮绿灯HL G1和黄灯H LY1,即周期时间为60s,南北和东西采取对称接法(有些路口根据流量的不同采取非对称接法,即同一方向的通行时间和停止时间不对称)。
②南北方向出现紧急情况时,南北方向绿灯常亮,而东西方向红灯常亮。
③东西方向出现紧急情况时,东西方向绿灯常亮,而南北方向红灯常亮。
④夜间情况下,东西与南北方向均只有黄灯闪亮(1s内通0.5s、断0.5s)。
十字路口交通信号指挥灯的PLC控制(三)控制要求:①接通启动按钮后,信号灯开始工作,南北向红灯、东西向绿灯同时亮。
②东西向绿灯亮25s,闪烁3次(1s/次),接着东西向黄灯亮,2s后东西向红灯亮,30s 后东西向绿灯又亮……如此不断循环,直至停止工作。
③南北向红灯亮30s,南北向绿灯亮,25s后南备向绿灯闪烁3次(1s/次),接着南北向黄灯亮,2s后南北向红灯又亮……如此不断循环,直至停止工作。
人行横道交通信号灯的PLC控制(四)控制要求:图1为人行道和马路的交通灯控制的示意图和时序图。
当行人过马路时,可按下分别安装在马路两侧的按钮SB1(I0.0)或SB2(I0.l),则交通灯(红灯、黄灯、绿灯3种类型)系统按图(b)所示的形式工作。
城市交通信号灯操作规程一、交通信号灯的种类及意义城市交通信号灯是指用于指示道路交通情况和规范车辆、行人通行的交通设施。
交通信号灯种类主要包括红灯、绿灯、黄灯和箭头灯等。
红灯表示禁止通行,绿灯表示允许通行,黄灯表示警告,箭头灯用于指示行车方向。
红灯停、绿灯行是交通信号灯最基本的操作规则。
当红灯亮起时,车辆和行人应立即停止行进,等待绿灯的出现;绿灯亮起时,车辆和行人可以顺利通过交叉口。
黄灯亮起时,表示绿灯即将变为红灯,车辆和行人应减速停车,安全通过。
二、车辆在道路上的操作规则1. 停车线的作用停车线是指交通信号灯前的白色实线,一般位于交叉口前、停车场或公交车站等地。
车辆在等待信号灯时,应排成一条直线停在停车线后方,不得越线停车或阻碍其他车辆通行。
2. 红灯时的行为当红灯亮起时,车辆应立即停止行驶。
停下后,应尽量靠近停车线的前端停车,以保证交叉口通行的视线畅通。
并且,不得占用人行道或非机动车道,请注意礼让行人和非机动车的通行权。
3. 绿灯时的行为当绿灯亮起时,车辆可以继续行驶。
但在通过交叉口时,需要注意以下事项:首先,要保持适当的车速,不得违反交通规则;其次,要观察交通情况,确保安全通过,注意避让行人和非机动车;最后,要控制车辆行驶的间距,避免发生追尾事故。
4. 黄灯时的行为当黄灯亮起时,车辆应根据实际情况做出判断。
如果距离交叉口较远,可以继续行驶;如果距离交叉口较近,为了安全起见,应减速停车等待。
此外,黄灯闪烁时,表示交叉口处存在故障,车辆应谨慎通过或改变行驶路线。
三、行人在道路上的操作规则1. 信号灯的意义行人同样需要遵守交通信号灯的指示。
红灯亮起时,行人不得擅自通过交叉口,而应静候绿灯的出现;绿灯亮起时,可以安全过马路。
为了安全起见,行人应在人行横道上过马路,不得随意穿越马路或在车道上行走。
2. 斑马线的作用斑马线是指人行横道上的黑白相间的道路标线,用于提醒行人和车辆注意保护行人通行的权益。
行人在过马路时,应选择合适的地点,尽量使用人行横道,行进方向要保持直线,不得在人行横道上耽误时间或停留,以免影响交通流畅。
交通信号灯控制一、任务目标1.用PLC构成交通信号灯控制系统。
2.掌握PLC的编程技巧和程序调试方法。
3.掌握步进指令的应用。
二、任务分析城市交通道路十字路口是靠交通指挥信号来维持交通秩序的。
在每个方向都有红、黄、绿三种指挥灯,信号灯的动作受开关总体控制,当按下启动按钮,信号灯系统开始工作,并周而复始地循环动作;按下停止按钮开关,系统停止工作。
图4—16是某城市一交通信号灯示意图。
图4-16 交通信号灯示意图在系统工作时,控制要求如表4-8所示:表4-8十字路口交通信号灯控制要求南北信号红灯亮绿灯亮绿灯闪亮黄灯亮时间30 25 3 2东西信号绿灯亮绿灯闪亮黄灯亮红灯亮时间25 3 2 30具体控制要求如下:1.南北方向绿灯和东西方向绿灯不能同时亮,如果同时亮则应用自动立即关闭信号灯系统,并立即发出报警信号。
2.南北红灯亮维持30s,在此同时东西绿灯也亮,并维持25s时间,到25s时,东西绿灯闪亮,闪亮3s后熄火,在东西绿灯熄灭时,东西黄灯亮并维持2s。
到2s时,东西黄灯熄灭,东西红灯亮,同时南北红灯熄灭,南北绿灯亮。
3.东西红灯亮维持30s,在此同时南北绿灯亮维持25s,然后闪亮3s熄灭,接着南北黄灯亮维持2s后熄灭.同时南北红灯亮,东西绿灯亮。
4.两个方向的信号灯,按上面的要求周而复始地进行工作。
三、相关知识步进指令STL/RET及编程方法1.FX2的状态元件状态元件是构成状态转移图的基本元素,是可编程控制器的软元件之一。
FX2共有1000个状态元件,如表4-9所示。
表4-9 FX2的状态元件2.步进指令、状态转换图及步进梯形图步进指令是利用状态转换图来设计梯形图的一种指令,状态转换图可以直观地表达工艺流程。
状态转换图中的每个状态表示顺序工作的一个操作,因此步进指令常用于控制时间和位移等顺序的操作过程。
采用步进指令设计的梯形图不仅简单直观,而且使顺序控制变得比较容易.大大地缩短程序的设计时间。
十字路口的交通指挥信号灯的控制要求如下:
1.控制开关
信号灯受个启动开关控制。
当启动开关接通时,信号灯系统自行开始工作,且先南北红灯亮,东西绿灯亮;当启动开关断开时,所有信号灯都熄灭。
2.具体控制要求
(1)南北绿灯和东西绿灯不能同时亮。
如果同时亮应关闭信号灯系统,并立即报警。
(2)南北红灯亮维持25s。
在南北红灯亮的同时东西绿灯也亮,并维持20s 。
20s时,东西绿灯闪亮,闪亮3s后熄灭。
在东西绿灯熄灭时,东西黄灯亮,并维持2s。
到2s时,东西黄灯熄灭,东西红灯亮。
同时,南北红灯熄灭,南北绿灯亮。
(3)东西红灯亮维持30s。
南北绿灯亮维持25s,然后闪亮3s,再熄灭。
同时南北黄灯亮,维持2s后熄灭,这时南北红灯亮,东西绿灯亮。
(4)此控制过程周而复始,循环往复。
根据控制要求可知,这是一个时序逻辑控制系统。
设计时序图见图1所示。
图1
3.输入输出地址分配
交通信号灯控制采用的PLC为S7-200CPU214。
图2是可编程控制器控制交通信号灯输入输出地址分配。
图2
4.程序设计
根据控制要求和I/O地址分配编制的交通灯控制梯形图如图3所示。