盐酸的理化性质及危险特性
- 格式:doc
- 大小:32.00 KB
- 文档页数:2
盐酸理化性质危险有害特性及应急防护措施盐酸理化性质、危险有害特性及应急防护措施中文名:盐酸;氢氯酸英文名:hrdrochloric acid;chlorohydric acid 标分子式:HCI 分子量:36.46 CAS号:7647,01,0 识危险化学品顺序号:2507 性状: 无色或微黄色发烟液体、有刺鼻的酸味。
理溶解性:与水混溶,溶于碱液。
化熔点(?):,114.8(纯) 沸点(?):108.6(20,) 相对密度(水,1):1.20 性临界温度(?): 临界压力(MPa): 相对密度(空气,1):1.26 质燃烧热(KJ/mol):无意义最小点火能(mJ): 饱和蒸汽压(KPa):30.66(21?)燃烧性:不燃燃烧分解产物:氯化氢。
闪点(?):无意义聚合危害:不聚合燃爆炸下限(,):无意义稳定性:稳定烧爆炸上限(,):无意义最大爆炸压力(MPa):无意义爆炸引燃温度(?):无意义禁忌物:碱类、胺类、碱金属、易燃或可燃物。
危危险特性:能与一些活性金属粉末发生反应,放出氢气。
遇氰化物能产生剧毒的氰化氢气体。
险与碱发生中合反应,并放出大量的热。
具有较强的腐蚀性。
性灭火方法:消防人员必须佩戴氧气呼吸器、穿全身防护服。
用碱性物质如碳酸氢钠、碳酸钠、消石灰等中和。
也可用大量水扑救。
33毒接触限值: 中国MAC(mg/m) 15 前苏联 MAC(mg/m) 未制定标准 3性美国TVL,TWA OSHA 5ppm,7.5〔上限值〕美国TLV,STEL ACGIH 5ppm,7.5 mg/m侵入途径: 吸入、食入。
对健康危害:接触其蒸气或烟雾,可引起急性中毒,出现眼结膜炎,鼻及口腔粘膜有烧灼感,人体鼻衄,齿龈出血,气管炎等。
误服可引起消化道灼伤、溃疡形成,有可能引起胃穿孔、腹膜危炎等。
眼和皮肤接触可致灼伤。
慢性影响:长期接触,引起慢性鼻炎、慢性支气管炎、牙齿害酸蚀症及皮肤损害。
皮肤接触:立即脱出被污染的衣着。
盐酸理化性质及危险特性第一部分标识中文名:盐酸;氢氯酸英文名:Hydrochloric acid;chlorohydric acid危险性类别:酸性腐蚀品化学类别:无机酸分子式:HCL相对分子质量:36.46CAS号:7647-01-0第二部分主要组成与性状主要成分: HCL含量:工业级≥36%外观与性状:无色或微黄色发烟液体,有刺鼻的酸味。
主要用途:重要的无机化学品,广泛用于染料、医药、食品、印染、皮革、冶金等行业。
第三部分健康危害侵入途径:吸入、食入。
健康危害:接触其蒸气或烟雾,可引起急性中毒,出现眼结膜炎,鼻及口腔粘膜有烧灼感,鼻衄,齿龈出血,气管炎等。
误服可引起消化道的灼伤、溃疡形成,有可能引起胃穿孔、腹膜炎等。
眼和皮肤接触可致灼伤。
急性中毒:慢性影响:长期接触,引起慢性鼻炎、慢性支气管炎、牙齿酸蚀症及皮肤损害。
第四部分急救措施皮肤接触:立即脱去被污染的衣着,用大量流动清水冲洗,至少15分钟。
就医。
眼睛接触:立即提起眼睑,用大量流动清水或生理盐水彻底冲洗至少15分钟。
就医。
吸入:迅速脱离现场至空气新鲜处。
保持呼吸道通畅。
如呼吸困难,给输氧。
如呼吸停止,立即进行人工呼吸。
就医。
食入:误服者用水漱口,给饮牛奶或蛋清。
就医。
第五部分燃爆特性与消防燃烧性:不燃闪点(℃):无意义爆炸下限(%):无意义爆炸上限(%):无意义引燃温度(℃):无意义最小点火能(mJ):无意义最大爆炸压力(Mpa):无意义危险特性:能与一些活性金属粉末发生反应,放出氢气。
遇氰化物能产生剧毒的氰化氢气体。
与碱发生中合反应,并放出大量的热。
具有较强的腐蚀性。
灭火方法:消防人员必须佩戴氧气呼吸器、穿全身防护服。
用碱性物质如碳酸氢钠、碳酸钠、消石灰等中和。
也可用大量水扑救。
第六部分泄漏应急处理迅速撤离泄漏污染区人员至安全区,并进行隔离,严格限制出入。
建议应急处理人员戴自给正压式呼吸器,穿防酸碱工作服。
不要直接接触泄漏物。
尽可能切断泄漏源,防止进入下水道、排洪沟等限制性空间。
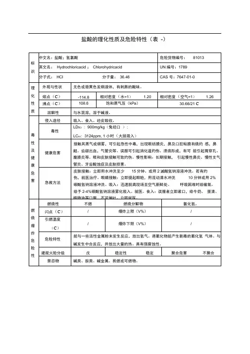
盐酸的理化性质及危险特性(表-)标识中文名:盐酸;氢氯酸危险货物编号:81013 英文名:Hydrochloricacid;Chlorohydricacid UN编号:1789分子式:HCl 分子量:36.46 CAS号:7647-01-0理化性质外观与性状无色或微黄色发烟液体,有刺鼻的酸味。
熔点(℃)-114.8 相对密度(水=1) 1.20 相对密度(空气=1) 1.26 沸点(℃)108.6 饱和蒸气压(kPa)30.66/21℃溶解性与水混溶,溶于碱液。
毒性及健康危害侵入途径吸入、食入、经皮吸收。
毒性LD50:900mg/kg(兔经口);LC50:3124ppm,1小时(大鼠吸入)健康危害接触其蒸气或烟雾,可引起急性中毒,出现眼结膜炎,鼻及口腔粘膜有烧灼感,鼻衄、齿龈出血,气管炎等。
误服可引起消化道灼伤、溃疡形成,有可能引起胃穿孔、腹膜炎等。
眼和皮肤接触可致灼伤。
慢性影响:长期接触,引起慢性鼻炎、慢性支气管炎、牙齿酸蚀症及皮肤损害。
急救方法皮肤接触:立即用水冲洗至少15分钟。
或用2%碳酸氢钠溶液冲洗。
若有灼伤,就医治疗。
眼睛接触:立即提起眼睑,用流动清水冲洗10分钟或用2%碳酸氢钠溶液冲洗。
吸入:迅速脱离现场至空气新鲜处。
呼吸困难时给输氧。
给予2-4%碳酸氢钠溶液雾化吸入。
就医。
食入:误服者立即漱口,给牛奶、蛋清、植物油等口服,不可催吐。
立即就医。
燃烧爆炸危险性燃烧性不燃燃烧分解物氯化氢。
闪点(℃) / 爆炸上限(v%)/引燃温度(℃) / 爆炸下限(v%)/危险特性能与一些活性金属粉末发生反应,放出氢气。
遇氰化物能产生剧毒的氰化氢气体。
与碱发生中合反应,并放出大量的热。
具有强腐蚀性。
建规火险分级戊稳定性稳定聚合危害不聚合禁忌物碱类、胺类、碱金属、易燃或可燃物。
储运条件与泄漏处理储运条件:储存于阴凉、干燥、通风处。
应与易燃、可燃物,碱类、金属粉末等分开存放。
不可混储混运。
搬运时要轻装轻卸,防止包装及容器损坏。
盐酸理化性质及危险特性中文名:盐酸;氢氯酸英文名:Hydrochloric acid;chlorohydric acid危险性类别:酸性腐蚀品化学类别:无机酸分子式:HCL相对分子质量:36.46CAS号:7647-01-0主要成分: HCL含量:工业级?36%外观与性状:无色或微黄色发烟液体,有刺鼻的酸味。
主要用途:重要的无机化学品,广泛用于染料、医药、食品、印染、皮革、冶金等行业。
侵入途径:吸入、食入。
健康危害:接触其蒸气或烟雾,可引起急性中毒,出现眼结膜炎,鼻及口腔粘膜有烧灼感,鼻衄,齿龈出血,气管炎等。
误服可引起消化道的灼伤、溃疡形成,有可能引起胃穿孔、腹膜炎等。
眼和皮肤接触可致灼伤。
急性中毒:慢性影响:长期接触,引起慢性鼻炎、慢性支气管炎、牙齿酸蚀症及皮肤损害。
皮肤接触:立即脱去被污染的衣着,用大量流动清水冲洗,至少15分钟。
就医。
眼睛接触:立即提起眼睑,用大量流动清水或生理盐水彻底冲洗至少15分钟。
就医。
吸入:迅速脱离现场至空气新鲜处。
保持呼吸道通畅。
如呼吸困难,给输氧。
如呼吸停止,立即进行人工呼吸。
就医。
食入:误服者用水漱口,给饮牛奶或蛋清。
就医。
燃烧性:不燃闪点(?):无意义爆炸下限(%):无意义爆炸上限(%):无意义引燃温度(?):无意义最小点火能(mJ):无意义最大爆炸压力(Mpa):无意义危险特性:能与一些活性金属粉末发生反应,放出氢气。
遇氰化物能产生剧毒的氰化氢气体。
与碱发生中合反应,并放出大量的热。
具有较强的腐蚀性。
灭火方法:消防人员必须佩戴氧气呼吸器、穿全身防护服。
用碱性物质如碳酸氢钠、碳酸钠、消石灰等中和。
也可用大量水扑救。
迅速撤离泄漏污染区人员至安全区,并进行隔离,严格限制出入。
建议应急处理人员戴自给正压式呼吸器,穿防酸碱工作服。
不要直接接触泄漏物。
尽可能切断泄漏源,防止进入下水道、排洪沟等限制性空间。
小量泄漏:用砂土、干燥石灰或苏打灰混合。
也可以用大量水冲洗,洗水稀释后放入废水系统。
盐酸的理化性质及危险特征(表- )中文名:盐酸;氢氯酸危险货物编号: 81013 标; Chlorohydricacid UN 编号: 1789 英文名: Hydrochloricacid识分子式:HCl 理外观与性状化熔点(℃)性沸点(℃)质溶解性侵入门路毒性毒性及健康危害健康危害抢救方法分子量: 36.46 CAS号: 7647-01-0无色或微黄色发烟液体,有刺鼻的酸味。
-114.8 相对密度 ( 水 =1) 1.20 相对密度 ( 空气 =1)1.26108.6 饱和蒸气压(kPa )30.66/21 ℃与水混溶,溶于碱液。
吸入、食入、经皮汲取。
LD50: 900mg/kg( 兔经口 ) ;LC50: 3124ppm, 1 小时 ( 大鼠吸入 )接触其蒸气或烟雾,可惹起急性中毒,出现眼结膜炎,鼻及口腔粘膜有炙烤感,鼻衄、齿龈出血,气管炎等。
误服可惹起消化道灼伤、溃疡形成,有可能惹起胃穿孔、腹膜炎等。
眼和皮肤接触可致灼伤。
慢性影响:长久接触,惹起慢性鼻炎、慢性支气管炎、牙齿酸蚀症及皮肤伤害。
皮肤接触:立刻用水冲刷起码15 分钟。
或用2%碳酸氢钠溶液冲刷。
如有灼伤,就医治疗。
眼睛接触:立刻提起眼睑,用流动清水冲刷10 分钟或用2% 碳酸氢钠溶液冲刷。
吸入:快速离开现场至空气新鲜处。
呼吸困难时给输氧。
赐予 2-4%碳酸氢钠溶液雾化吸入。
就医。
食入:误服者立刻漱口,给牛奶、蛋清、植物油等口服,不行催吐。
立刻就医。
焚烧性不燃焚烧分解物氯化氢。
燃闪点( ℃)/ 爆炸上限(v%)/烧引燃温度爆/ 爆炸下限(v%)/ ( ℃)炸能与一些活性金属粉末发生反响,放出氢气。
遇氰化物能产生剧毒的氰化氢危危险特征气体。
与碱发生中合反响,并放出大批的热。
拥有强腐化性。
险建规火险分级戊稳固性稳固聚合危害不聚合性禁忌物碱类、胺类、碱金属、易燃或可燃物。
储运条件与泄露办理储运条件:储藏于阴凉、干燥、通风处。
应与易燃、可燃物,碱类、金属粉末平分开寄存。