分光光度法分析 氰化物 原始记录表
- 格式:docx
- 大小:28.60 KB
- 文档页数:3
UV1901PC紫外可见分光光度计测水中氰化物的方法UV1901PC紫外可见分光光度计适用范围:UV1901PC紫外可见分光光度计可适用于地表水、生活污水和工业废水中氰化物的测定。
本方法检出限为0.004mg/l,测定下限为0.016mg/l,测定上限为0.25mg/l。
方法原理:在中性条件下,样品中的氰化物与氯胺T反应生成氯化氰,再与异烟酸作用,经水解后生成戊烯二醛,最后与吡唑啉酮缩合生成蓝色燃料,在一定浓度范围内,其色度与氰化物质量浓度成正比。
试剂和材料氢氧化钠溶液:1g/L1.称取1g氢氧化钠溶于水中,稀释至1000ml,摇匀,贮于聚乙烯塑料容器中。
1g氢氧化钠溶液:10g/L称取10g氢氧化钠溶于水中,稀释至1000ml,摇匀,贮于聚乙烯塑料容器中。
3.氢氧化钠溶液:20g/L称取20g氢氧化钠溶于水中,稀释至1000ml,摇匀,贮于聚乙烯塑料容器中。
4.磷酸盐缓冲溶液(PH=7)称取34g无水磷酸二氢钾和35.5g无水磷酸氢二钾溶于水,稀释定容至1000g,摇匀。
5.氯胺T溶液10g/L称取1g氯胺T溶于水,稀释定容至100ml,摇匀,贮于棕色瓶中,用时现配。
注意事项:氯胺T发生结块不易溶解,可致显色无法进行,必要时需用碘量法测定有效氯浓度。
氯胺T固体试剂应注意保管条件以免迅速分解失效,务受潮,最好冷藏。
6.①异烟酸-吡唑啉酮溶液称取1.5g异烟酸溶于25ML氢氧化钠溶液,加水稀释定容至100ML。
②吡唑啉酮溶液称取0.25g吡唑啉酮溶于20ML二甲基酰胺[HCON(CH3)2]③异烟酸-吡唑啉酮溶液将吡唑啉酮溶液和异烟酸溶液按1:5混合,用时现配。
注意事项:异烟酸配成溶液后如呈现明显淡黄色,使空白值增高,可过滤。
为降低试剂空白值,实验中以选用无色的二甲基甲酰胺为宜。
7.硝酸银标准溶液0.01mol/l称取1.699g硝酸银溶于水中,稀释定容至1000ML,摇匀,贮于棕色试剂瓶中,待标定后使用。
检 验 原 始 记 录样品编号( )字第 号 共 页 第 页 样品名称: 被检单位:采/送样单位: 收样日期: 年 月 日 检验日期 年 月 日 检测地点:水质理化室环境条件: 室温 ℃ 相对湿度 %检测项目: 氰化物 检测依据: GB ∕T 5750.5--2006(4.1) 检测仪器: 752型紫外光栅分光光度计 仪器编号:测定方法及最低检测质量浓度:异烟酸-吡唑酮分光光度法,若取250mL 水样测定,最低检测质量浓度为0.002mg ∕L 步骤:吸取水样(V)250.0mL 于500mL 全玻璃蒸馏器中,加入数滴甲基橙指示剂(0.5g/L),再加5mL 乙酸锌溶液(100g/L),加入1g-2g 固体酒石酸。
此时溶液颜色由橙黄变成橙红,迅速蒸馏,蒸馏速度控制在每分钟2 mL -3mL 。
收集馏出液于50mL 比色管中[管中预先放置5mL 氢氧化钠溶液(20 g/L)为吸收液],冷凝管下端应插入吸收液中。
收集馏出液(V 1)至50mL ,混匀。
取(V 2)10.0mL 馏出液置25mL 比色管中。
另取比色管分别加入氰化钾标准使用液制成标准系列。
向水样及标准管中各加5.0mL 磷酸盐缓冲溶液(pH7.0)。
置于37℃恒温水浴中,加入0.25mL 氯胺T 溶液(10g/L)。
加塞混匀,放置5min ,加入5.0mL 异烟酸-吡唑酮溶液,加水至25mL ,混匀.于25℃-40℃放置40min 于638nm 波长,3cm 比色皿,以纯水作参比,测量吸光度,绘制标准曲线,从曲线上查出氰化物的质量(m)。
计算公式:检测人: 审核人: 报告日期: 年 月 日ρ(CN -)=m ×V 1 V ×V 2。
北京理工大学珠海学院分析监测中心原始记录表(ZHBIT/JB0039Ⅱ)编号:
校准曲线绘制原始记录
曲线名称:(总)氰化物标准曲线标准溶液来源:中国环境标准样品研究所
适用项目:(总)氰化物方法依据:HJ 484-2009 异烟酸-吡唑啉酮分光光度法
仪器型号:仪器编号:
测定波长:638nm 参比溶液:蒸馏水比色皿厚度:10mm 绘制日期:年月日
分析:校核:审核:
第页共页
广东省环境保护职业技术学校分析测试中心原始记录表(GDHX/JB0039Ⅰ)编号:
(总)氰化物分析原始记录表
样品名称:□标准样品□地表水□废水收样日期:年月日分析日期:年月日
仪器型号:仪器编号:
方法依据:HJ 484-2009 异烟酸-吡唑啉酮分光光度法方法检出限:0.004 mg/L
测定波长: 638 nm 比色皿厚度:10mm 参比溶液:蒸馏水计算公式:C=[(A-A0-a)/b] *V1/(V2*V)
校准曲线编号:绘制日期:年月日回归方程:a = b = r =
校准曲线检验(中等浓度标准溶液吸光值-空白值):原方程吸光度:现测吸光度:相对偏差(%):
分析:校核:审核:
第页共页。
水质氰化物的测定-1(蒸馏前处理)氰化物分类:①总氰化物:简单氰化物+绝大多数络合氰化物(铁氰络合物等);②易释放氰化物:简单氰化物+少部分络合氰化物(如锌氰络合物)。
蒸馏前处理的意义:去除干扰离子影响;解离氰络合物,富集提纯氰化物。
一、蒸馏原理1.总氰化物:向水样中加入磷酸和EDTA二钠,在pH<2条件下,加热蒸馏,利用金属离子与EDTA络合能力比与氰离子络合能力强的特点,使络合氰化物离解出氰离子,并以氰化氢形式被蒸馏出,用氢氧化钠溶液吸收。
(不含钴氰络合物,难以解离)2.易释放氰化物:向水样中加入酒石酸和硝酸锌,在pH=4条件下,加热蒸馏,简单氰化物和部分络合氰化物(如锌氰络合物)以氰化氢形式被蒸馏出,用氢氧化钠溶液吸收。
二、实验流程三、注意事项1、水样水样采集和贮存①采集:水样放于聚乙烯塑料瓶或硬质玻璃瓶中,加氢氧化钠至pH>12固定。
②贮存:采样后及时分析。
若不能及时分析,样品应于4℃冷藏,24h内测定。
③固定前硫离子处理:若水样中有大量硫化物,先加碳酸铅粉末除去硫化物,再加氢氧化钠固定(碱性条件下,氰离子与硫离子会形成硫氰酸离子)。
可用乙酸铅试纸检测。
2、水样预蒸馏前离子干扰处理①活性氯等氧化剂:在蒸馏时,氰化物会被分解,使结果偏低。
去除方法:碘化钾-淀粉试纸检验,亚硫酸钠溶液除去。
②亚硝酸离子:亚硝酸盐与EDTA在蒸馏加热条件下,会生成氰化物。
去除方法:加入氨基磺酸溶液,分解亚硝酸盐。
③油类:中性或酸性油类(>40mg/L),可能使蒸馏液变浑浊。
去除方法:可用水样体积20%量的正己烷,中性萃取,水相用于蒸馏。
④醛类:蒸馏加热条件下,醛类和氰化物形成氰醇类(甲醛>0.5mg/L)。
去除方法:加硝酸盐和EDTA。
3、蒸馏①总氰化物:使用EDTA是为了络合金属离子,促进氰络合物分解离。
②易释放氰化物:使用酒石酸(弱酸)调节pH,加入硝酸锌可以抑制铁氰络合物等的解离,但无法抑制锌氰络合物的解离。
氰化物异烟酸-吡唑啉酮分光光度法(A)xx xxx xxxx 1 适用范围1.1用于固定污染源油组织排放和无组织排放的氰化氢测定。
1.2 在氰化氢无组织排放的空气样品分析中,当采集体积为30L时,方法的加你出现为2×10-3mg/m3,定量测定的浓度范围为0.0050~0.17 mg/m3,在有组织排气样品分析中,当采样体积为5L时,方法的检出限为0.09 mg/m3,定量测定浓度范围为0.29~8.80.09 mg/m3。
1.3硫化氢和氧化剂(如Cl2)存在对测定有干扰。
2 规范性引用文件GB 16297—1996 大气污染物综合排放标准GB 16157—1996 固定污染源气中颗粒物测定和气态污染源采样方法。
3 方法原理用稀氢氧化钠溶液吸收空气中的氰化氢(HCN),在中性条件下与氯胺T作用,生产氯化氢,后者与异烟酸反应经水解生产戊烯二醛,再与吡唑啉酮进行缩聚反应,生产蓝色化合物。
根据颜色深浅用欧冠分光光度法测定。
当采气体积为30L时,氰化氢的最低检出浓度为0.0015mg/m3,测定浓度范围为0.0015~0.017mg/m3。
在本方法规定的显色条件下,当采气体积为30L时,氯化氢(HCl)浓度高于0.33mg/m3、硫化氢(H2S)浓度高于0.1mg/m3时,对氰化氢的测定产生干扰。
4 试剂除非另有说明,分析室均使用符合国家标准的分析纯试剂和按4.1制备的纯水。
4.1不含有机物的蒸馏水:于2L蒸馏水中加入1mol/L高锰酸钾溶液5ml,再行蒸馏,在蒸馏的全过程中式中保持紫红色,否则应随时补加高锰酸钾。
4.2 2%(m/V)氢氧化钠溶液:取2g氢氧化钠溶解于适量水中,转移至100ml容量瓶中,用水稀释至标线;4.3 0.1%(m/V)氢氧化钠溶液:取0.1g氢氧化钠溶解于适量水中,转移至100ml容量瓶中,用水稀释至标线;4.4 0.2%(m/V)氢氧化钠吸收液(A)C NaOH=0.05mol/L:取2g氢氧化钠溶解于适量水中,转移至1000ml容量瓶中,用水稀释至标线;4.5 0.4%(m/V)氢氧化钠吸收液(B)C NaOH=0.1mol/L:取4g氢氧化钠溶解于适量水中,转移至1000ml容量瓶中,用水稀释至标线;4.6 0.6%(m/V)乙酸溶液:移取冰乙酸3.0ml于500ml容量瓶中,用水稀释至标线。
分发号: 受控状态: 持有人:实施日期:异烟酸-批唑啉酮分光光度法测定氰化物1. 适用范围:本方法适用于地表水、生活污水和工业废水中氰化物的测定。
本方法检出限为0.004mg/L ,检测下限为0.016mg/L ,检测上限问为0.25mg/L 。
2. 方法原理在中性条件下,样品中的氰化物与氯胺T 反应生成氯化氢,再与异烟酸作用,经水解后生成戊熄二醛,最后与吡唑啉酮缩合生成蓝色染料,在一定浓度范围内,其色度与氰化物质量浓度成正比。
3. 试剂和材料本标准所用试剂除非另有说明,分析时均使用符合国家标准的分析纯化学试剂,实验用水为新制备的不含氰化物的活性氯的蒸馏水或去离子水。
3.1 氢氧化钠溶液:ρ(NaOH )=1 g/L称取1g 氢氧化钠溶于水中,稀释至1000ml ,摇匀,贮于聚乙烯塑料容器中。
3.2 氢氧化钠溶液:ρ(NaOH )=10 g/L 3.3 氢氧化钠溶液:ρ(NaOH )=20 g/L 3.4 磷酸盐缓冲溶液(PH=7)称取34.0g 无水磷酸二氢钾(KH 2PO 4)和35.5g 无水磷酸氢二钠(Na 2HPO 4)溶于水中,稀释定容至1000ml ,摇匀。
3.5 氯胺T 溶液:ρ(C 7H 7C1NNaO 2S ·3H 2O)=10g/L称取1.0g 氯胺T 溶于水中,稀释定容至100ml ,摇匀,贮于棕色瓶中,用时现配。
3.6 异烟酸-批唑啉酮溶液3.6.1 异烟酸溶液称取1.5g 异烟酸(C 6h 6NO 2,iso-nicotinic acid )溶于25ml氢氧化钠溶液,加水稀释定容至100ml 。
3.6.2 吡唑啉酮溶液称取0.25吡唑啉酮(3-甲基-1-苯基-5-)吡唑啉酮,C 10H 10ON 2,3-methy-1-phenyl-5-pyrazolone)溶于20mlN ,N-二甲基甲酰胺[HCON(CH 3)2,N ,N-dimethyl formamide]。
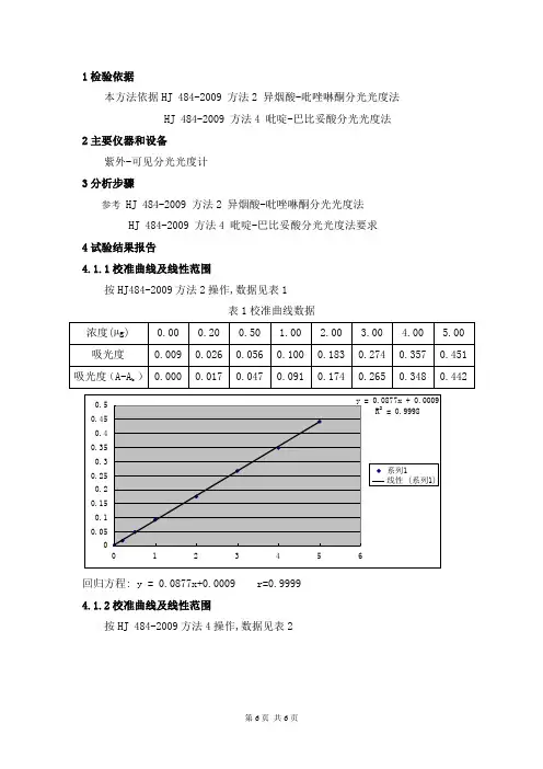
1检验依据本方法依据HJ 484-2009 方法2 异烟酸-吡唑啉酮分光光度法 HJ 484-2009 方法4 吡啶-巴比妥酸分光光度法2主要仪器和设备紫外-可见分光光度计3分析步骤参考 HJ 484-2009 方法2 异烟酸-吡唑啉酮分光光度法 HJ 484-2009 方法4 吡啶-巴比妥酸分光光度法要求4试验结果报告4.1.1校准曲线及线性范围按HJ484-2009方法2操作,数据见表1表1校准曲线数据回归方程: y = 0.0877x+0.0009 r=0.99994.1.2校准曲线及线性范围按HJ 484-2009方法4操作,数据见表2表2校准曲线数据回归方程: y = 0.1734x-0.0005 r=0.9999 4.2.1 方法2检出限和测定下限实验在10个空白样品中分别加入5倍检出限浓度的标准物质(即0.020mg/l ),进行测定、按HJ 168-2010 规定MDL=s i n t ⨯-)99.0,(,进行计算,结果如下:表3方法检出限测定结果(N=10)4.2.2 方法4检出限和测定下限实验在10个空白样品中分别加入5倍检出限浓度的标准物质(即0.010mg/l ),进行测定、按HJ 168-2010 规定MDL=s i n t ⨯-)99.0,(,进行计算,结果如下:表4方法检出限测定结果(N=10)4.3精密度取两份样品,按照方法2步骤3,分别做6次平行实验,计算出氰化物的浓度、平均值并求出相对标准偏差,结果见表5表5精密度实验结果取两份样品,按照方法4步骤3,分别做6次平行实验,计算出氰化物的浓度、平均值并求出相对标准偏差,结果见表6表6精密度实验结果4.4准确度取编号为202255和202256的有证标准物质,标准值分别为(0.0551±0.0053)mg/L 和(0.307±0.030)mg/L ,按照方法2步骤3,平行测定6份样品,计算平均值,相对误差.表7 有证标准物质测试数据取2份实际水样,两人按照方法4步骤3分别做2次平行测定,计算出样品值、平均值,相对偏差,结果见表2:表8:准确度测试数据5 结论5.1方法2实验检出限为0.004 mg/L,该方法检出限为0.004mg/L,方法4实验检出限为0.002 mg/L,该方法检出限为0.002mg/L,符合要求;5.2 方法2测定两个浓度的样品,相对标准偏差分别为3.89%、1.01%,符合要求;方法4测定两个浓度的样品,相对标准偏差分别为2.32%、1.02%。
方法验证报告项目名称:土壤氰化物和总氰化物的测定方法名称:《土壤氰化物和总氰化物的测定分光光度法》报告编写人:参加人员:审核人员:报告日期:1 实验室基本情况1.1 人员情况实验室检测人员已通过标准《土壤氰化物和总氰化物的测定分光光度法》HJ 745-2015的培训,熟知标准内容、检测方法及样品数据采集和处理等,考核合格,得到技术负责人授权上岗。
表1参加验证人员情况登记表1.2 检测仪器/设备情况表2主要仪器基本情况1.3 检测用试剂情况表3主要试剂及溶剂基本情况1.4 环境设施和条件情况实验室具有校准合格的温湿度计,环境可以控制在标准要求范围内,满足检测环境条件。
另外实验室配备了洗眼器、喷淋设施、护目镜、灭火器等的安全防护措施,符合实验室安全内务的要求。
2 方法简介2.1方法原理异烟酸-巴比妥酸分光光度法,试样中的氰离子在弱酸性条件下与氯胺T反应生成氯化氰,然后与异烟酸反应,经水解后生成戊烯二醛,最后与巴比妥酸反应生成紫蓝色化合物,该化合物在600nm波长处有最大吸收。
2.2样品采集与保存采样点位的布设和采样方法按照HJ/T166执行,采集后用可密封的聚乙烯瓶在4℃冷藏保存,样品充满容器,采集后48h完成分析。
2.3样品的制备2.3.1氰化物试样的制备2.3.1.1称取约10g干重的样品于称量纸上,略微裹紧后移入蒸馏瓶。
另称取样品测定样品干物质。
连接蒸馏装置,打开冷凝管,在接收瓶中加入10ml氢氧化钠溶液(10g/L)作为吸收液。
在加入试样后的蒸馏瓶中依次加入200ml水、3ml氢氧化钠溶液(100g/L)和10ml硝酸锌溶液(100g/L),摇匀,迅速加入5.0ml酒石酸溶液(150g/L),立即盖塞。
打开电炉,由低档逐渐升高,溜出液以2ml/min-4ml/min速度进行蒸馏。
接收瓶内试样接近100ml时,停止蒸馏,用少量水冲洗溜出液导管后取出接收瓶,用水定容至100ml。
2.3.1.2氰化物空白试样制备:蒸馏瓶中只加200ml水和3.0ml氢氧化钠(100g/L),其它和样品操作相同。
第 28 卷第 5 期 1999 年 9 月辽 宁 化 工Vol . 28 ,No . 5Sep t ember ,1999Liao n ing Chemical Indust r yΞ苦味酸钠分光光度法测定微量氰化物张 一 心( 四川省天然气化工研究院 成都 610212)摘 要 在氢氧化钠介质中 ,氰根与苦味酸钠反应生成红色的异型紫酸钠 ,其吸光度与加入的氰根量成正比 。
由此可用分光光度法测定微量氰化物 。
测定波长λ= 490nm ,CN - 在 0~25μg/ 25mL 范围内 符合比耳定律 。
其表观摩尔吸光系数ε= 1 . 92 ×104 ,用于黄血盐钾中微量氰化物测定 ,结果满意 。
关键词 氰化物 分光光度法 苦味酸钠Sp ectrophotom etric Determina tion of T race of Cyan i de w ith S odium Picra t eZhan g Y i x i n( S ichuan Chemical Academy of Nat u ral G as , Chengdu 610212)Abstract : In t h e med ium of so d ium hydro x ide , f r ee cyanide react ed wit h so dium picrat e to for m a red salt , who se sp ect r a abso rp t ivit y is p r opo rtio n al to t h e am o unt of CN - , so t h e t r ace of CN - can be det ermined usin g sp ect r op h oto m et r ic met h o d. The w o r k ing wavelengt h 490nm is det ermined , and acco rded wit h Beer ’sL a w wit h in t h e range of CN - in 0 ~ 25μg/ 25mL . The app arent molar abso rp t ivit y is 1 . 92 ×104. This met h o d has been applied to t h e det er minatio n of t r ace of cyanide in pot assium f errocyanide wit h satisf acto ry re 2 su lt s .K ey w ords : Cyanide , S p ect r op h oto m et r y , S o d ium picrat e前 言钠溶液调节 p H 值为 10 . 0 ,按常规方法配制 。