一体化太阳能路灯使用说明书
- 格式:doc
- 大小:50.50 KB
- 文档页数:5
太阳能太阳能路灯控制器功能说明书路灯控制器功能说明书一,概述太阳能路灯控制器适用于太阳能控制供电系统,尤其适用于独立太阳能路灯系统.控制器能够把太阳能最大限度的提取并存储.包含以下控制功能 :特点如下:1. 提供太阳能输入最大功率跟踪通道 (独立控制)。
. 1路2. 提供光控输出通道 (分时复用端口)。
1路3. 提供时控输出通道 (分时复用端口)。
1路4. 太阳能输入通道反接,反充保护。
5. 输出通道限流,短路保护(包含光控输出,时控输出)。
6. 电池输入反接保护(持续反接不损坏)。
7. 支持24V ,12V 太阳能输入路灯系统,内部自动识别,自动控制。
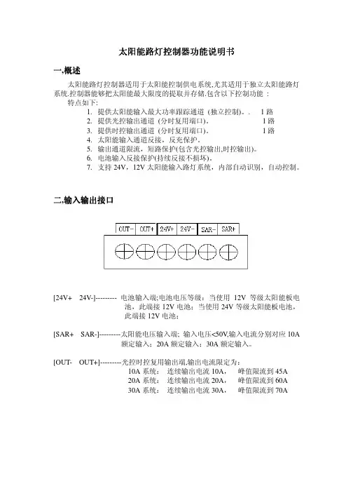
二,输入输出输入输出接口接口[24V+ 24V-]--------- 电池输入端;电池电压等级:当使用12V 等级太阳能板电池,此端接12V 电池;当使用24V 等级太阳能板电池,此端接12V 电池;[SAR+ SAR-]---------太阳能电压输入端; 输入电压<50V ,输入电流分别对应10A额定输入;20A 额定输入;30A 额定输入。
[OUT- OUT+]---------光控时控复用输出端,输出电流限定为:10A 系统: 连续输出电流10A , 峰值限流到45A 20A 系统: 连续输出电流20A , 峰值限流到60A 30A 系统: 连续输出电流30A , 峰值限流到70ASTATUS ---------状态灯:黄灯灭--------电池电压正常黄灯亮--------电池电压过压黄灯闪亮--------电池电压欠压OUT --------------输出指示灯红灯亮--------光控或时控输出端有输出红灯灭--------输出端关闭ENERGY---------太阳能输入充电指示绿灯闪亮---正在对电池充电绿灯---------电池不充电TIME--------------时控输出定时调整端子有4个拨码开关端子,从左到右对应时间为 8小时,4小时,2小时,1小时; 若多组同时拨到ON 状态,得到的时间是他们对应时间的相加.所以最长定时为15小时,最短1小时注意 :当此拨码开关全OFF 时,表示进入表示进入初始初始初始输出时间输出时间输出时间调试模式调试模式,配合2个指示灯状态来校准状态来校准初始输出初始输出初始输出时间。
太阳能LED路灯说明书目录一、产品介绍 (1)二、工作原理 (1)三、产品构造 (2)四、储存及工作环境 (3)五、LED灯具简介 (3)1、LED路灯技术参数 (3)2、LED路灯产品特点 (3)六、安装说明 (4)1、安装前须知事项 (4)2、安装前准备 (4)3、安装操作流程 (5)4、安装顺序 (8)5、安装要点 (9)6、注意事项 (10)七、故障处理 (11)一、产品介绍随着人们生活水平的提高和社会的不断发展,为使赐给大地光明的太阳在夜晚也能为人类照明,太阳能路灯应运而生,它采用优质高效太阳能硅片及钢化玻璃生产的太阳能电池供电,安全、可靠、寿命长。
优化低能耗控制电路、过充、过放保护、自动光度控制,性能可靠,蓄电池容量大,可在连续5~7个阴天正常工作。
高强度、耐高温、耐腐蚀的工程塑料灯罩透光率强,不锈钢结构,美观、坚实,安装、维修方便。
太阳能LED路灯白天利用太阳能电池板将太阳能转换成电能给蓄电池充电,晚上蓄电池放电使LED灯发光工作,属于当今社会大力提倡利用的绿色能源产品。
广泛应用于城市道路、小区道路、工业园区、景观亮化、旅游风景区、公园、庭院绿化带、广场、步行街、健身休闲广场等场所。
二、工作原理系统工作原理,利用光生伏特效应原理制成的太阳能电池板白天电池板接收太阳辐射能并转化为电能输出,经过充放电控制器储存在蓄电池中,当夜幕降临时或灯具周围的光照程度较低时,蓄电池提供电力给LED路灯负载。
太阳能路灯主要由LED光源(含驱动)、太阳能电池板、蓄电池(包括蓄电池埋地箱)、太阳能路灯控制器(包括控制箱)、路灯灯杆(含基础)及辅料线材等几部分构成。
太阳能路灯在晴天利用太阳光照发电,产生电能。
控制器对蓄电池的过充、过放进行保护,并对光源的开启和亮灯时间进行控制。
三、产品构造四、储存及工作环境1、储存要求(1)空气流通,灰尘少;(2)环境温度:-30℃~+60℃;(3)相对湿度低于90%,不易结冰霜;(4)远离腐蚀性物质;(5)如长期闲置,需每月充放电一次。
一体化太阳能LED庭院灯使用说明书一、产品主要特点1、一体化设计,无需拉线,安装极其方便,提供多种安装方式,灯柱就地取材,可以铁柱,木头,竹子,塑料等,成本低;2、采用太阳能供电,LED照明,二者完美结合,节约电能,保护地球资源;3、采用高容量长寿命磷酸铁锂电池,高温特性好,使用寿命长,确保整个产品的使用寿命;4、防雨结构,安全可靠;5、采用合金材料作为结构主体,具有良好的防锈、防腐蚀功能;6、产品带有红外线人体感应探头,当有人走近时,灯会全亮60秒,当人走远后,灯会自动减为1/3亮度, 有效节能电。
二、产品主要参数型号□ css-208□ css-212□ css-215说明光源8W LED12W LED15W LED太阳能板15W (单晶)18W(单晶)25W(单晶)电池6000mAh6000mAh10000mAh 人体感应是是是尺寸515*320*52mm515*320*52mm700*420*140mm净重 5.5KG 6.5KG9KG灯效流明全功率880lm1320lm1650lm流明半功率440lm400lm500lm120°120°视角120□ 3000k-3500k□ 3000k-3500k□ 3000k-3500k 色温□ 6000k-6500k□ 6000k-6500k□ 6000k-6500k工作时间全功率羽2Hr》2Hr绍2Hr节能模式淳4Hr224Hr垄4Hr环境温度工作温度充电:0 °C〜+60° C放电:-20°C〜+60° C 存温:0°C〜+45° C安装安装高度3〜5m安装间距10 〜20m三、安装和使用方法1、安装方法,保持当地的安装时,尽量使得太阳板正面朝正南安装;同时,调节灯头与水平面的角度(参照下图)纬度一致最好,也要结合灯头照在地面的情况。
安装固定方式有二种,如下图:2、使用方法本产品使用简单,采用一键式,只要把开关打开就行,产品就能正常工作,不需要进行调节。
太阳能LED灯具使用说明书一、概述太阳能LED灯具由控制柜、太阳能电池、LED球泡灯组成,如下图所示,太阳能电池将光能转化电能对控制器内部蓄电池充电。
太阳能LED灯具工作在两种状态:①充电状态;②开灯状态。
二、电参数太阳能电池最大输入电压:DC 17V;输出电压:DC 12V;工作环境温度:-25~60℃。
三、功能说明太阳能电池平稳放于日照处,用于充分吸收外界光能。
充电状态:太阳能电池与控制柜连接好后按下AN1开关,外界光照足够强时,此时太阳能电源指示灯亮,蓄电池充电指示灯HL1慢闪烁,此时蓄电池正在充电。
开灯状态:闭合S1开关,1路输出LED球泡灯亮同时HL2输出指示灯也亮。
闭合S2开关,2路输出LED球泡灯亮同时HL2输出指示灯也亮。
四、控制柜结构尺寸五、产品包装1.检验合格的产品用塑料袋封装后放入箱内,并衬以防震材料,防止运输过程中发生窜动或碰撞。
2.产品包装能满足防潮、防尘的要求。
包装箱外表面标有产品名称、型号规格、生产批号、数量、净重、制造厂家等,还标有防潮、防震、小心轻放、切勿倒置等字样或图案标志。
六、设备附件七、产品维护敬告:在进行产品维护时,请确保断电操作,以免发生意外触电,请参照以下要求和方法进行日常维护和定期检修,对于已损坏设备请及时寄回我公司进行维修。
1. 日常维护定期检查系统控制器各紧固件,确保不会脱落影响设备正常运行。
保持清洁,注意防潮。
如发现故障,请作好记录以待维修。
2. 故障分析及维修说明:因系统单元较简单,一般性故障可在现场检修处理,如有个别疑难故障无法排除,可联系相关人员进行帮助检修,排除故障。
(1)无法进充电或点亮如因特殊原因,系统不能正常启动或无法进充电或点亮,请先确认外线路是否正常,如太阳能板连接线是否有短路等;在确认外线路正常后,打开系统控制器检查内部各接插件是否有脱落松动或接触不良等现象。
如确认连接正常还无法排除故障,可联系我公司相关人员进行更换。
八、售后服务在用户正确安装、操作及符合本手册要求使用条件下,在质保期内,如出现因产品质量不良而发生故障时,此故障仅限于功能性故障,如完全无法点亮或充电等,我公司将为用户提供维修或更换服务。
太阳能路灯说明书 HEN system office room 【HEN16H-HENS2AHENS8Q8-HENH1688】太阳能路灯说明书TYN-012目录产品说明产品介绍 (3)工作原理 (3)产品质保 (3)免责条款 (3)产品构造主要部件 (4)产品清单 (6)储存及工作环境 (7)主要部件简介 (7)安装说明安装前须知事项 (8)安装前准备 (9)安装操作流程 (11)安装注意 (12)注意项目 (12)安装顺序 (12)安装手册选址 (12)地基 (12)路灯安装太阳能板的安装 (13)LED 灯的安装 (13)控制器的安装 (13)蓄电池的安装 (13)各部件接线 (14)路灯吊装 (14)注意事项 (14)故障处理 (15)太阳能路灯介绍产品介绍LED太阳能路灯是以太阳能作为电能供给用来提供夜间道路照明,采用高光效LED光源设计,具有亮度高、绿色环保、安装简便、工作稳定可靠、不敷设电缆、不消耗常规能源,使用寿命长等优点,特别是本品控制器采用多重节能线路设计,拥有过充、过放、反接,自动光控装置,全面提升LED发光效率,极大节约电能。
本产品白天利用太阳能电池板太阳能转换成电能给蓄电池充电,晚上蓄电池放电使LED灯发光工作,属于当今社会大力提倡利用的绿色能源产品。
主要应用于城市道路、小区道路、工业园区、景观亮化、旅游风景区、公园、庭院绿化带、广场、步行街、健身休闲广场等场所。
工作原理系统工作原理,利用光生伏特效应原理制成的太阳能电池白天太阳能电池板接收太阳辐射能并转化为电能转化为电能输出,经过充放电控制器储存在蓄电池中,夜晚当照度逐渐降低至10lux左右、太阳能电池板开路电压5V左右,充放电控制器侦测到这一电压值后动作,蓄电池对灯头放电。
太阳能路灯主要由太阳能电池组件、、太阳能控制器、免维护蓄电池、LED路灯、灯杆和结构件等组成。
太阳能路灯在晴天利用太阳光照发电,产生电能。
控制器对蓄电池的过充、过放进行保护,并对光源的开启和亮灯时间进行控制产品质保产品保修非自然灾害及人为过失引起的产品质量问题,公司对整套太阳能路灯各主要部件保修如下:蓄电池:3 年LED 路灯:3 年太阳能板:3 年控制器:3年免责条款a.公司对因地震、洪水、雷电等自然灾害,不是因为公司的责任而发生的火灾,第三方操作、失盗、损坏、意外事故或因在不正常情况下使用(如不正确的操作,误操作或其它问题)引起的损失不承担任何责任。
太阳能智能充电控制器使用说明书一、主要特点1.使用微处理器和专用控制算法,实现了智能控制。
2.两种负载工作模式:纯光控、常开模式,负载亮灭时间可调。
3.具有放电率修正控制,不同放电率具有不同的终止电压,符合蓄电池固有特性。
4.科学的蓄电池管理方式,当出现过放时,对蓄电池进行提升电压充电,进行一次补偿维护,正常使用时,使用直充充电和浮充结合的充电方式,增强了蓄电池的使用寿命;同时具有高精度温度补偿,使充电控制更加精确。
5.参数设置具有掉电保存功能,即系统模式和控制参数等重要数据均保存在芯片内部,掉电后不丢失,使调节更加方便,系统工作更可靠。
6.充电回路采用双MOS串联式控制回路,使回路电压损失较使用二极管的电路降低近一半,充电采用PWM模糊控制,使充电效率大幅提高,用电时间大大增加。
7.LED直观显示太阳能电池、蓄电池和负载的状态,数码管显示调节参数,让用户实时了解系统运行状况,并且具有丰富的参数设置,用户可以根据不同使用环境设置相应的工作模式。
8.具有过充、过放、过载保护以及独特电子短路保护与防反接保护,所有保护均不损害任何部件,不烧保险;具有TVS防雷保护,无跳线设计,可提高系统的可靠性、耐用性。
9.所有控制全部采用工业级芯片和精密元器件,能在寒冷、高温、潮湿环境正常运行。
同时使用晶振定时控制,使定时控制更加精确。
10.使用了数字LED显示及设置,一键式操作即可完成所有设置,使用方便直观。
二、系统说明:本控制器专为太阳能直流供电系统、太阳能直流路灯系统、小型太阳能电站系统设计,使用专用电脑芯片实现了智能化控制,所有芯片均采用工业级别,可以在恶劣的环境下使用。
对于具有12V/24V自动识别功能的型号,当控制器初次上电时,系统会进行电压识别,当数。
码管显示“0”时,表示12V 系统,若显示“1”则表示24V 系统。
同时系统具有短路、过载、和独特的防反接保护,充满、过放自动关断、恢复等全功能保护措施,详细的充电指示、蓄电池状态、负载及各种故障指示。
太阳能路灯说明书 HEN system office room 【HEN16H-HENS2AHENS8Q8-HENH1688】太阳能路灯说明书TYN-012目录产品说明产品介绍 (3)工作原理 (3)产品质保 (3)免责条款 (3)产品构造主要部件 (4)产品清单 (6)储存及工作环境 (7)主要部件简介 (7)安装说明安装前须知事项 (8)安装前准备 (9)安装操作流程 (11)安装注意 (12)注意项目 (12)安装顺序 (12)安装手册选址 (12)地基 (12)路灯安装太阳能板的安装 (13)LED 灯的安装 (13)控制器的安装 (13)蓄电池的安装 (13)各部件接线 (14)路灯吊装 (14)注意事项 (14)故障处理 (15)太阳能路灯介绍产品介绍LED太阳能路灯是以太阳能作为电能供给用来提供夜间道路照明,采用高光效LED光源设计,具有亮度高、绿色环保、安装简便、工作稳定可靠、不敷设电缆、不消耗常规能源,使用寿命长等优点,特别是本品控制器采用多重节能线路设计,拥有过充、过放、反接,自动光控装置,全面提升LED发光效率,极大节约电能。
本产品白天利用太阳能电池板太阳能转换成电能给蓄电池充电,晚上蓄电池放电使LED灯发光工作,属于当今社会大力提倡利用的绿色能源产品。
主要应用于城市道路、小区道路、工业园区、景观亮化、旅游风景区、公园、庭院绿化带、广场、步行街、健身休闲广场等场所。
工作原理系统工作原理,利用光生伏特效应原理制成的太阳能电池白天太阳能电池板接收太阳辐射能并转化为电能转化为电能输出,经过充放电控制器储存在蓄电池中,夜晚当照度逐渐降低至10lux左右、太阳能电池板开路电压5V左右,充放电控制器侦测到这一电压值后动作,蓄电池对灯头放电。
太阳能路灯主要由太阳能电池组件、、太阳能控制器、免维护蓄电池、LED路灯、灯杆和结构件等组成。
太阳能路灯在晴天利用太阳光照发电,产生电能。
控制器对蓄电池的过充、过放进行保护,并对光源的开启和亮灯时间进行控制产品质保产品保修非自然灾害及人为过失引起的产品质量问题,公司对整套太阳能路灯各主要部件保修如下:蓄电池:3 年LED 路灯:3 年太阳能板:3 年控制器:3年免责条款a.公司对因地震、洪水、雷电等自然灾害,不是因为公司的责任而发生的火灾,第三方操作、失盗、损坏、意外事故或因在不正常情况下使用(如不正确的操作,误操作或其它问题)引起的损失不承担任何责任。
太阳能路灯技术指导文件目录一、产品推荐二、工作原理三、产品构造四、储存及工作环境五、灯具简介、路灯技术参数、路灯产品特点六、安装说明、安装前须知事项、安装前准备、安装制作进程安排、安装顺序、安装要点、注意事项七、故障处理一、产品推荐随着人们生活水平的提高和社会的不断发展,为使赐给大地光明的太阳在夜晚也能为人类照明,太阳能路灯应运而生,它采用优质高效太阳能硅片及钢化玻璃生产的太阳能电池供电,安全、可靠、寿命长。
优化低能耗控制电路、过充、过放保护、自动光度控制,性能可靠,蓄电池容量大,可在连续~个阴天正常工作。
高强度、耐高温、耐腐蚀的工程塑料灯罩透光率强,不锈钢结构,美观、坚实,安装、维修方便。
太阳能路灯白天利用太阳能电池板将太阳能转换成电能给蓄电池充电,晚上蓄电池放电使灯发光工作,属于当今社会大力提倡利用的绿色能源产品。
广泛应用于城市道路、小区道路、工业园区、景观亮化、旅游风景区、公园、庭院绿化带、广场、步行街、健身休闲广场等场所。
二、工作原理系统工作原理,利用光生伏特效应原理制成的太阳能电池板白天电池板接收太阳辐射能并转化为电能输出,经过充放电控制器储存在蓄电池中,当夜幕降临时或灯具周围的光照程度较低时,蓄电池提供电力给路灯负载。
太阳能路灯主要由光源(含驱动)、太阳能电池板、蓄电池(包括蓄电池埋地箱)、太阳能路灯控制器(包括控制箱)、路灯灯杆(含基础)及辅料线材等几部分构成。
太阳能路灯在晴天利用太阳光照发电,产生电能。
控制器对蓄电池的过充、过放进行保护,并对光源的开启和亮灯进度进行控制。
三、产品构造、储存要求()空气流通,灰尘少。
()环境温度:℃~℃。
()相对湿度低于,不易结冰霜。
()远离腐蚀性物质。
()如长期闲置,需每月充放电一次。
、工作环境()工作温度:℃~℃,在比较寒冷的环境下,应适当加大蓄电池容量。
(2)相对湿度:~。
五、灯具简介、路灯技术参数功率标称功率允许误差功率因数>灯珠(光源)、、等进口光源整灯光效>相关色温()~显色指数>配光曲线蝙蝠翼型寿命>整灯防护等级、路灯产品特点采用进口芯片,无紫外线和红外线,光效更高、更稳定;采用高导热系数的铝合金散热器,确保光源产生的热量更快散发。
太阳能一体灯使用说明书(□20W□25W□30W□40W)产品简介◆太阳能一体灯是一体化的太阳能产品,简约的造型融合了当今最佳的绿色的能源组合(太阳能,半导体LED光源,磷酸铁锂电池)。
配有人体智能感应系统,实现了低功耗,长时间,高亮度,长寿命免维护。
同时运输和安装十分方便。
用途:安装在各种交通道路、辅道、小区道路、庭院、矿区及不易拉电的场所、公园照明、停车场等为夜晚提供道路照明,太阳板给蓄电池充电以满足照明。
构成:由一体灯(内置:高效光伏组件、大容量锂电池、微电脑MPPT智能控制器、高亮度LED光源)、灯杆两部份组成。
原理:白天在阳光下太阳能电池板产生电源,通过控制功能,太阳能电池板给蓄电池充电,晚间自动点亮LED灯,(人体感应模式,降低功耗)通过LED灯发光照亮道路。
使用须知:●.“一体灯”工作是不能离开阳光。
请根据安装地的日照强度或太阳能的年辐射总量来选择合适的产品型号。
●.“一体灯”选择长寿命的锂电池作为储能元件。
白天充电温度0°C~+60°C,低于0°C 时,控制系统将自动停止充电以保护电池,在温度回升到零度以上时,则自动进行充电(控制系统温控是选配).在夜晚放电的放电条件为-20°C~+60°C,超出此范围时将破坏电池的性能。
选择“一体灯”时请确认的极端气温不会超过上述条件。
●.“一体灯”的电池在充满电后最长可存储1-2个月。
如经过长时间的运输或存储,需要及时进行检查,定期充电并记录。
否则,将损坏电池。
●.如果是在北半球,安装“一体灯”时,尽可能使太阳能电池板面朝南方,以获取最大能量,如果安装在南半球,安装时太阳能电池板朝向北方。
同时需要避开房屋,树木等障碍物的阴影,这会降低太阳能板的发电效率,导致“一体灯”工作效率降低.●.“一体灯”太阳能板表面的清洁程度也会影响太阳能电池板的发电效率。
所以其表面(如灰尘,树叶,油污等)是需要被清洁的,建议定期用普通的清洁剂刷洗即可。
太阳能LED路灯说明书目录一、产品介绍 (1)二、工作原理 (1)三、产品构造 (2)四、储存及工作环境 (3)五、LED灯具简介 (3)1、LED路灯技术参数 (3)2、LED路灯产品特点 (3)六、安装说明 (4)1、安装前须知事项 (4)2、安装前准备 (4)3、安装操作流程 (5)4、安装顺序 (8)5、安装要点 (9)6、注意事项 (10)七、故障处理 (11)一、产品介绍随着人们生活水平的提高和社会的不断发展,为使赐给大地光明的太阳在夜晚也能为人类照明,太阳能路灯应运而生,它采用优质高效太阳能硅片及钢化玻璃生产的太阳能电池供电,安全、可靠、寿命长。
优化低能耗控制电路、过充、过放保护、自动光度控制,性能可靠,蓄电池容量大,可在连续5~7个阴天正常工作。
高强度、耐高温、耐腐蚀的工程塑料灯罩透光率强,不锈钢结构,美观、坚实,安装、维修方便。
太阳能LED路灯白天利用太阳能电池板将太阳能转换成电能给蓄电池充电,晚上蓄电池放电使LED灯发光工作,属于当今社会大力提倡利用的绿色能源产品。
广泛应用于城市道路、小区道路、工业园区、景观亮化、旅游风景区、公园、庭院绿化带、广场、步行街、健身休闲广场等场所。
二、工作原理系统工作原理,利用光生伏特效应原理制成的太阳能电池板白天电池板接收太阳辐射能并转化为电能输出,经过充放电控制器储存在蓄电池中,当夜幕降临时或灯具周围的光照程度较低时,蓄电池提供电力给LED路灯负载。
太阳能路灯主要由LED光源(含驱动)、太阳能电池板、蓄电池(包括蓄电池埋地箱)、太阳能路灯控制器(包括控制箱)、路灯灯杆(含基础)及辅料线材等几部分构成。
太阳能路灯在晴天利用太阳光照发电,产生电能。
控制器对蓄电池的过充、过放进行保护,并对光源的开启和亮灯时间进行控制。
三、产品构造四、储存及工作环境1、储存要求(1)空气流通,灰尘少;(2)环境温度:-30℃~+60℃;(3)相对湿度低于90%,不易结冰霜;(4)远离腐蚀性物质;(5)如长期闲置,需每月充放电一次。
太阳能路灯/庭院灯安装使用说明书承蒙选购本公司的产品,为了您和他人的安全及灯具的使用寿命,请在使用前仔细阅读本说明书并妥善保管!严格按照说明书要求安装使用。
否则系统无法正常工作或缩短使用寿命。
因用户使用不当造成太阳能灯简图大弭能电池鞭光源灯具灯杆控制培.电池的损坏,公司概不负责。
【郑重声明:太阳能灯完全依靠太阳光发电,任何情况下灯必须安装在全天能够接受阳光的地方。
否则因接受不到阳光而引起的质量问题公司概不负责。
】安装、使用注意事项:太阳能组件:安装时太阳能电池板必须朝正午太阳方向。
安装组件时尽量轻拿轻放,严禁碰撞、敲击,以免损坏;存放时间长的,应清理灰尘后安装。
太阳能电池板前不能有高大建筑物或树木等遮蔽阳光;选者无遮蔽阳光的地方安装。
所有螺钉接线柱等均应按标准拧紧,不能有松动晃动现象。
应定期检查螺丝情况。
太阳能电池板应定期清理灰尘。
雪天生成积雪的必须及时清理积雪。
电池:电池安装必须认清正负及,严禁反接。
安装前应做接线柱放腐蚀处理,连接点焊接或螺丝必须按规定紧固。
蓄电池仓周围要用做保温处理,冬季应尽量保证蓄电池有一个良好的工作温度;地下蓄电池仓要密封好以防进水,通风管(出线管)应畅通无阻,保持蓄电池仓内通风、干燥。
夏季如果浸水,一定打开检查,清理接线装置,每半年定期检查电池是否有极柱腐蚀现象,有的清理。
有条件的可以进行电池维护。
维修打开检修门时严禁在门口吸烟或点火,因蓄电池使用时排出少量氢气,如见明火可能会发生危险。
光源安装光源时一定分清标识。
太阳能灯使用的光源一般为直流12V或24V电压,安装时必须分清电压与功率,必须使用匹配好的光源。
因光源功率不同,照明时间不同,接线时必须严格按照相应的接线示意图接线;维修或更换光源时,型号、功率必须与原厂配置相同,严禁更换与出厂配置不同功率、型号的光源,或随意调整照明时间;因每一个照明系统都是一个独立的工作单元,开关灯时间稍有差异属正常现象。
双路控制的要分清光源功率,不要混接,否则蓄电池长期过放电而造成损坏;更换光源时一定注意光源的大小,不能更换功率型号不同的产品。
太阳能路灯说明书完整版本说明书介绍了TYN-012型号的太阳能路灯。
该路灯采用太阳能作为能源,具有环保、节能、安全等优点,适用于各种路灯场景。
工作原理太阳能路灯通过太阳能板将太阳能转化为电能,再通过控制器将电能储存到蓄电池中,最后通过LED灯实现照明。
在白天,太阳能板会自动充电,晚上路灯会自动亮起,早晨则会自动关闭。
产品质保本产品提供一年的质保服务,质保期内如有质量问题,本公司将负责免费修理或更换。
免责条款本公司不对因不当使用或安装本产品所造成的人身伤害、财产损失等任何直接或间接损失负责。
产品构造主要部件本产品主要由太阳能板、控制器、蓄电池和LED灯组成。
其中太阳能板负责将太阳能转化为电能,控制器负责控制电能的储存和释放,蓄电池负责储存电能,LED灯负责照明。
产品清单本产品包括太阳能路灯主体、太阳能板、控制器、蓄电池、LED灯、吊装工具等配件。
储存及工作环境主要部件简介太阳能板:采用单晶硅或多晶硅材料,具有高效转化太阳能的能力。
控制器:采用智能控制芯片,能够自动控制电能储存和释放。
蓄电池:采用铅酸蓄电池,具有高容量、长寿命的特点。
LED灯:采用高亮度LED灯珠,具有高效节能、寿命长等优点。
安装说明安装前须知事项在安装前,应仔细阅读本说明书,了解产品的构造和工作原理,确保安装过程中的安全性和正确性。
安装前准备在安装前,应根据实际情况选择合适的安装位置,并确保太阳能板能够充分接收阳光。
同时,还需要准备好相应的安装工具和材料。
安装操作流程安装太阳能板、LED灯、控制器和蓄电池,按照说明书中的安装顺序进行操作。
安装注意在安装过程中,应注意安全,确保各部件的连接牢固可靠。
同时,还应注意防水和防雷等问题。
故障处理如遇到故障,应及时检查各部件的连接情况,排除故障原因。
如无法解决,可联系本公司的售后服务部门进行处理。
The 24V 120W LED street light comes with a length of 1 meter and includes the following components: 1 support frame。
太阳能路灯控制器使用说明书太阳能路灯控制器使用说明书1:产品简介1.1 产品概述太阳能路灯控制器是一种专为太阳能路灯设计的控制装置,具备光控和时间控制功能,能够智能控制路灯的亮灭。
本产品采用优质材料和高效能电路设计,具有高性能和高可靠性。
1.2 产品特点1)支持太阳能发电和蓄电池供电;2)具备光控功能,可根据环境光照自动调节亮度;3)具备时间控制功能,可根据设定的时间段自动开关路灯;4)具备过载保护和短路保护功能,保证产品安全可靠;5)操作简单,设置灵活,使用方便。
2:产品安装2.1 确定安装位置需选择适合的位置安装太阳能路灯控制器,避免阳光直射或被建筑物遮挡,同时应保证有足够的空间容纳控制器。
2.2 安装固定支架选择合适的支架和螺丝固定太阳能路灯控制器,并确保其稳固。
2.3 连接太阳能电池板和蓄电池使用连接线将太阳能电池板和蓄电池连接到控制器的对应接口上,确保连接牢固可靠。
2.4 完成电源接线将控制器的电源线连接至电源供应,并确保电线接线牢固,电源电压稳定。
3:产品使用3.1 开机与关机将电源接通,控制器将自动启动,并显示启动状态。
关闭电源时,控制器将自动关闭。
3.2 光控功能设置在控制器设置菜单中,可设置光控功能,根据环境光照的变化自动调节路灯亮度。
根据实际需求进行灵活设置。
3.3 时间控制功能设置在控制器设置菜单中,可设置时间控制功能,根据设定的时间段自动开启或关闭路灯。
根据实际需求进行灵活设置。
3.4 故障检测与维修若发现路灯控制器有异常或无法正常工作,应先检查电源是否连接正常,电池是否正常充电等。
如问题无法解决,请联系售后服务。
4:附件本文档附带以下附件:1)太阳能路灯控制器安装图纸2)太阳能路灯控制器使用常见问题解答5:法律名词及注释- 光控:光敏电阻控制,根据光照强度控制灯光亮度。
- 时间控制:根据事先设定的时间段自动控制灯光开关。
- 过载保护:过载保护功能指在电路超负荷工作时,自动切断电源以保护设备。
一体化太阳能路灯使用说明书一.一体化太阳能路灯介绍◆一体化设计,集成光源,新式高容量锂电池,太阳能电池组及自动控制器一体化。
◆安装保护便利,无需安装电缆,无需装备专用灯杆,功能组件模块化设计,安装,保护,改换方便快捷。
◆采纳太阳能发电系统,纯绿色能源,取之不尽,用之不断,环保最正确能源。
◆采纳高容量锂离子电池,高能量,使用寿命长,重量轻,绿色环保,不产生任何有害物质。
◆采纳 LED照明光源,无漫反射成效,拥有极高的光照效率,加上独到的二次光学设计,可照耀到更广的地区,再次提升光照效率已达到节能目的。
且LED光源拥有使用寿命长,发光效率高,光色平均等长处,也是蓝色环保最正确产品。
◆外壳采纳全铝材质,拥有质量轻,抗腐化,耐磨等特色,保证产品适应湿润、盐酸环境。
◆控制系统采纳工业级元器件制造,适应各样恶劣环境,并保证路灯每日亮。
◆产品图片(长600×宽 350×高 65) MM。
二、性能参数产品型号YX-YT9YX-YT15YX-YT24备注光源9W15W24W太阳能组件20W30W60W 高容量锂电池内置内置内置市电输入无无无可选配感觉装置有有有过载保护有有有全亮模式810lm1350lm2160lm 光通量省电模式270lm450lm720lm全亮模式≥8小时≥8 小时≥8 小时工作时间省电模式≥ 48小时≥48 小时≥48 小时可视角度120°120°120°色温6000-7000K6000-7000K6000-7000K光感阀值30lx30lx30lx感觉角度120°120°120°储存温度0-55 ℃工作湿度95RH%充电温度0-60 ℃工作温度放电温度-20 ℃ -60 ℃防水等级IP65整机重量9KG11KG15KG600(L)x350(W)x65700(L)x430(W)x65850(L)x530(W)x65尺寸(T)mm(T)mm(T)mm建议安装高度3-4m3-5m4-6m建议布灯间距8-10m10-15m15-20m三、使用说明1. 太阳能一体化路灯工作不可以走开阳光,请依据安装地的日照强度或太阳能的年辐射总量来选择适合的产品型号。
太阳能LED路灯产品说明书一、产品概述太阳能 LED 路灯是一种以太阳能为能源,采用 LED 作为光源的新型路灯。
它具有节能、环保、安装方便、维护成本低等优点,广泛应用于城市道路、乡村道路、工业园区、广场等场所。
二、产品特点1、节能环保太阳能LED 路灯利用太阳能转化为电能进行照明,无需外接电源,不消耗传统能源,无污染,无排放。
LED 光源具有高效节能的特点,相比传统路灯可节能 50%以上。
2、长寿命LED 光源的使用寿命可达 50000 小时以上,大大降低了路灯的维护成本和更换频率。
太阳能电池板的使用寿命也可达 25 年以上。
3、亮度高采用高品质的 LED 芯片,发光效率高,亮度均匀,能够提供良好的照明效果,保障行人和车辆的安全通行。
4、智能控制配备智能控制器,可以根据环境光线自动调节亮度,实现节能和延长灯具使用寿命的目的。
还具有过充、过放保护功能,确保电池的使用寿命和安全性。
5、安装简便无需铺设电缆,安装时只需将路灯基础固定在地面上,连接好太阳能电池板和灯具即可,节省了安装成本和时间。
6、抗风抗压灯杆采用优质钢材制作,经过热镀锌和喷塑处理,具有良好的抗风抗压能力,能够适应各种恶劣的天气条件。
三、技术参数1、太阳能电池板类型:单晶硅/多晶硅功率:_____W转换效率:_____%使用寿命:_____年2、蓄电池类型:铅酸蓄电池/锂电池容量:_____Ah放电深度:_____%使用寿命:_____年3、 LED 灯具功率:_____W光通量:_____lm色温:_____K显色指数:_____4、控制器类型:智能控制器功能:过充保护、过放保护、光控+时控5、灯杆高度:_____m材质:Q235 钢材表面处理:热镀锌+喷塑四、工作原理白天,太阳能电池板将太阳能转化为电能,并通过控制器存储在蓄电池中。
晚上,控制器自动检测环境光线,当光线变暗时,控制器控制蓄电池向 LED 灯具供电,实现照明功能。
当蓄电池电量不足时,控制器会自动关闭灯具,以保护蓄电池。
一体化太阳能路灯
使用说明书
一.一体化太阳能路灯介绍
◆一体化设计,集成光源,新型高容量锂电池,太阳能电池组及自动控制器一体化。
◆安装维护便捷,无需安装电缆,无需配备专用灯杆,功能组件模块化设计,安装,维护,更换方便快捷。
◆采用太阳能发电系统,纯绿色能源,取之不尽,用之不竭,环保最佳能源。
◆采用高容量锂离子电池,高能量,使用寿命长,重量轻,绿色环保,不产生任何有害物质。
◆采用LED照明光源,无漫反射效果,具有极高的光照效率,加上独特的二次光学设计,可照射到更广的区域,再次提高光照效率已达到节能目的。
且LED光源具有使用寿命长,发光效率高,光色均匀等优点,也是蓝色环保最佳产品。
◆外壳采用全铝材质,具有质量轻,抗腐蚀,耐磨等特点,保证产品适应潮湿、盐酸环境。
◆控制系统采用工业级元器件制造,适应各种恶劣环境,并保证路灯天天亮。
◆产品图片(长600×宽350×高65)MM。
二、性能参数
页脚内容1
页脚内容2
页脚内容3
三、使用说明
1.太阳能一体化路灯工作不能离开阳光,请根据安装地的日照强度或太阳能的年辐射总量来选择合适的产品型号。
在日照不足或连续阴雨天过长的地区,太阳能灯具的工作时间会缩短或不亮,此情况下建议选用带市电补偿,具有市电/太阳能双供电功能的太阳能一体化路灯。
2.太阳能一体化路灯采用长寿命锂离子电池作为储能器件,白天的充电条件为0~60℃,低于0℃时充电效率将会大大的降低,当温度回升后会恢复正常。
在夜晚放电条件为-20~60℃,超出此范围将破坏电池性能,会大大缩短放电时间。
使用本太阳能一体化路灯时请确认当地的极端气温不会超过上述条件。
3.太阳能一体化路灯在充满电后最长的存储期为六个月,如经过长时间的运输或存储,需要及时的进行检查,定期充电并记录,否则将会损坏电池。
4.如果在北半球安装本产品时,尽可能使太阳能板朝向南方,以获取最大的光照能量;如果是在南半球,安装时太阳板朝向北方。
同时需要避开房屋、树木等障碍物的阴影,这会降低太阳能板的发电效率,导致其工作时间被缩短。
5.太阳能一体化路灯太阳能板表面的清洁程度也会影响太阳能板的发电效率,所以其表面(如灰尘、树叶、油污等)是需要被清洁的,建议定期用普通的清洁剂刷洗即可。
四、安装说明
1.选择采光最佳的位置布好灯杆,灯杆宜使用3-6m,直径50-90mm,壁厚大于
2.0mm的铁杆或钢杆。
页脚内容4
2.打开包装前请先清点部件是否齐全。
3.安装带市电型的产品时,灯杆中需预先布好电缆,并在灯杆顶端装灯的一侧打孔引入电缆。
在确认电源断开的情况下,将电缆与灯具输入线相连接,注意电源输入线的标识。
然后用防水电工胶布仔细包扎妥当(此步骤只限带市电补偿产品)。
4.把钥匙插入电子锁孔,按顺时针方向旋转到绿色点,拔出钥匙即可。
5.将灯具套入灯杆,使用专用工具紧固好防盗螺丝,确保灯具稳固即可。
五.保修及售后
本品自出厂之日起,非人为性损坏保修一年;终身负责维修,保修期后的产品仅收取元件费。
* 广东宇翔新能源科技有限公司保留对产品性能、结构和外观进行改进而无需任何通知的权利。
如描述同实物不一致的情形,请以实物为准。
页脚内容5。