HACCP计划验证记录表
- 格式:doc
- 大小:34.50 KB
- 文档页数:2
haccp计划定期确认记录英文回答:HACCP verification and record keeping are essential components of a comprehensive food safety management system. Regular verification and record keeping provide evidencethat the HACCP plan is being effectively implemented andthat the food safety hazards are being adequately controlled.Verification is the process of assessing whether a HACCP plan is working as intended. This involves checking that the critical control points (CCPs) are being monitored and controlled effectively, that the corrective actions are being taken when necessary, and that the HACCP plan isbeing reviewed and updated regularly.Record keeping is the process of documenting the verification activities and the results of the monitoring. This documentation provides evidence of the effectivenessof the HACCP plan and helps to identify any areas where improvements can be made.The specific requirements for HACCP verification and record keeping will vary depending on the size and complexity of the food operation. However, some general requirements include:The HACCP plan must be reviewed and updated at least annually.The CCPs must be monitored and recorded at least as frequently as specified in the HACCP plan.The corrective actions must be documented and reviewed to ensure that they are effective.The HACCP records must be retained for at least one year.中文回答:HACCP 计划定期确认记录。
haccp计划表模板
HACCP(危害分析和关键控制点)计划表是在食品生产和加工过程中用于确保产品安全的一种系统性方法。
以下是一个简单的HACCP计划表模板,你可以根据具体情况进行修改和定制:HACCP计划表
产品信息:
•产品名称:[产品名称]
•生产日期:[生产日期]
•批次号:[批次号]
•负责人:[负责人姓名]
危害分析:
1.危害识别:[列出可能的生产过程中的危害,如微生物、化学物
质、物理物质等]
2.危害评估:[对每种危害的可能性和严重性进行评估]
关键控制点(CCP):
1.生产过程步骤:[列出生产过程的各个步骤]
•潜在危害:[在每个步骤可能出现的潜在危害]
•控制措施:[列出用于控制危害的措施]
•监控方法:[用于监控每个CCP的方法]
•纠正措施:[在监控结果不符合标准时采取的纠正措施]
2.......(继续添加其他CCP)
监控记录:
•监控日期:[监控日期]
•监控人:[监控人姓名]
•CCP监控结果:[记录监控结果,包括是否符合标准]
验证:
•验证日期:[验证日期]
•验证人:[验证人姓名]
•验证结果:[验证每个CCP是否有效,是否需要调整控制措施] 纠正措施记录:
•纠正日期:[纠正日期]
•纠正措施:[采取的纠正措施]
•负责人:[负责人姓名]
记录保留:
•记录保留期限:[规定记录保留的时间]
•存档位置:[存放记录的具体位置]
这个模板提供了一个基本框架,你可以根据你的食品生产和加工过程的具体情况进行调整和修改。
在实施HACCP计划时,请确保所有相关的步骤和控制措施得到适当的监控和验证。
XXXX 食品有限公司HACCP 计划验证记录表HACCP计划名称:蒸汽杀菌HACCP企业名称: XXXXX食品有限公司验证类型:□定期验证□修改后验证□其他:验证人员: XXXXXXXX 验证日期:验证项目单项验证结论备注1. 评价产品和加工过程终产品和原辅料的产品描述是否与实际相符? 相符产品预期用途的描述是否与实际相符? 相符流程图是否与实际相符? 相符实际操作是否与工艺描述相符? 相符增加设备,生产出来加工设备有否改变 ?对食品安全有无影响 ? 的食品比之前更加安全工作人员有否变化 ? 对食品安全有无影响? 无改变,无影响产量是否改变 ? 对食品安全有无影响? 无改变,无影响2. 评价产品安全历史是否存在过多的 CCP偏离 ? 不存在同类产品是否存在不止一次采取产品召回行动? 不存在是否存在新的或突发危害 ? 不存在是否存在涉及产品安全的消费投诉? 不存在3. 评价 HACCP计划的实施情况检查关键控制点是否按HACCP计划的要求被监控?CCP是否控制了是,按计划进行了监危害 ? 控;并控制了危害检查加工过程中是否按确定的关键限值操作? CCP 的关键限值是是,按确定的限值操否恰当 ? 作;关键限值恰当检查记录是否准确并按要求的时间来完成? 准确,按要求的时间完成监控是否按 HACCP计划规定的地点予以完成? 是,按计划规定的地点完成监控活动的频率是否符合HACCP计划的规定 ?监控方法和监控频是,按规定的计划;率是否能够识别偏离? 能够识别偏离当监控表明发生了关键限值的偏离时,是否采取了纠偏行动 ?纠偏尚无发生过偏离措施应纠正偏离的原因,确保无不安全食品出售。
监控设备是否按 HACCP计划规定的频率已予校准? 监控设备按计划规定频率校准合格是否对 CCP进行了验证( CCP监视设备的校准、校准记录的审查、对 CCP进行了验证,针对性的取样检验、CCP记录的审查) ? 验证结果有效是否有对最终产品进行了微生物检测? 是,微生物检测结果符合产品内控要求HACCP计划记录表单( CCP点的监控记录、纠偏记录、验证记录、是,相关记录表格保设备校准记录、HACCP体系确认记录、支持性文件相关记录)是存良好否得到很好保存?总结论:□HACCP计划的实施达到了预期效果。
淀粉车间HACCP(淀粉与蛋白粉)验证记录1.验证目的:验证淀粉生产HACCP计划是否有效运行。
2.验证时间:年月日。
3.验证人员:HACCP小组成员:4.验证内容:●检查产品描述与HACCP计划的生产流程图是否相符。
●检查CCP1—CCP3是否按HACCP计划的要求被有效的监控。
●检查生产过程CCP点是否在关键值内。
●检查CCP点监控是否按HACCP计划要求频率进行监控。
●检查当CCP点发生偏差时,是否按HACCP计划要求进行偏差,偏差效果是否符合要求。
●CCP点监控设备是否按规定进行核准。
5.验证结论:HACCP小组经过严格检查淀粉生产的生产流程、CCP点监控情况、监控频率、CCP点操作限值、纠偏情况及监控设备的校准情况的检查。
●淀粉生产的生产流程与淀粉HACCP计划的生产流程图是相符合的。
●CCP1—CCP3按淀粉HACCP计划的要求进行有效的监控。
●经检查CCP1—CCP3的操作均在CL限值内操作。
●CCP1—CCP3的监控均按淀粉HACCP计划的要求进行监控。
●经检查当CCP点发生偏差时均按淀粉HACCP要求进行纠偏。
●CCP监控设备均按国家规定的频率进行监控。
●经抽样检验,产品达到产品标准要求。
HACCP小组认为:淀粉车间HACCP计划严格按HACCP计划的要求进行操作,HACCP体系是运行有效的。
HACCP小组年月日1.验证目的:验证果糖生产HACCP计划是否有效运行。
2.验证时间:年月日。
3.验证人员:HACCP小组成员:4.验证内容:●检查产品描述与HACCP计划的生产流程图是否相符。
●检查CCP1是否按HACCP计划的要求被有效的监控。
●检查生产过程CCP点是否在关键值内。
●检查CCP点监控是否按HACCP计划要求频率进行监控。
●检查当CCP点发生偏差时,是否按HACCP计划要求进行偏差,偏差效果是否符合要求。
●CCP点监控设备是否按规定进行核准。
5.验证结论:HACCP小组经过严格检查果糖生产的生产流程、CCP点监控情况、监控频率、CCP点操作限值、纠偏情况及监控设备的校准情况的检查。
HACCP计划表(可以直接使用,可编辑实用优秀文档,欢迎下载)本科生课程论文论文题目:焙烤食品曲奇的HACCP计划表学院经济管理学院课程食品安全管理体系实施与认证班级2021级工程管理(产品质量工程)学生姓名李贤锦学号202112081035指导老师唐海芹提交日期:2021年11月17日中国·重庆2021年11月目录一、产品描述8二、与加工过程相关的危害9三、焙烤食品加工工艺流程图10四、焙烤食品加工工艺操作规程11五、危害分析工作单13六、HACCP计划表15七、纠偏程序16八、验证程序17一、产品曲奇的描述二、与加工过程相关的危害2.1生物的21.1车间内环境中的致病菌引起的危害;加工时间、温度控制不当引起的致病菌危害;与产品接触的工器具、容器、手部带有的致病菌对产品的危害;加工用水控制不当引起致病菌污染。
2.2化学的清洁剂、消毒剂、润滑剂等的残留对产品造成的危害。
2.3物理的原料、加工机械设备管理不当可能有金属杂质的混入。
三、焙烤食品曲奇的加工工艺流程图四、焙烤食品曲奇的加工工艺操作规程4.1范围本标准规定了本公司曲奇的原辅料和内外包装材料的采购、贮存条件要求,生产过程的配料、预合搅拌、和面搅拌、成型、发酵、烘烤、冷却、内包装、金属检测、外包装及成品等质量要求。
4.2规范性引用文件GB20980-2007饼干GB7718预包装食品标签通则4.3原辅料和内外包装材料的采购4.4.3.1原辅料采购要按照相应国家标准或企业标准对其进行验收,同时要求供应商提供三证和官方的检验合格证明,合格的产品接收并贮存,不合格的退货;必要的情况下,公司对采购的原材料送当地检疫部门进行检验。
4.3.2内外包装材料的采购要按照相应国家标准或企业标准对其进行感官验收,同时要求供应商提供三证和官方的检验合格证明,合格的接收并贮存,不合格的退货。
4.4原辅料和内外包装材料的贮存4.4.1原辅料的贮存4.4.1.1不同原辅料按品种分区管理:面粉、白砂糖等需用卡板装载,要求在常温恒温,干燥洁净的条件下保存(即温度20℃,湿度不高于60%);食品添加剂等用货架管理,同样要求在常温恒温,干燥洁净的条件下保存;鸡蛋、无水黄奶油等均用卡板装,要求低温冷藏(温度为7℃);所有原材料均离墙20CM。
HACCP计划验证记录表OPRP验证记录表PRP验证记录表2.1.15是否有充足的自然采光或人工照明,并且光照不改变加工物品的本色2.1.16位于工作台、食品和原料上方的照明设备是否加防护罩2.1.17建筑物及各项设施是否根据生产工艺卫生要求和原材料储存等特点,相应设置有效的防鼠、防蚊蝇、防尘、防飞鸟、防昆虫的侵入、隐藏和滋生的设施,防止受其危害和污染2.1.18需要时,是否有控制车间内温度和湿度的设施2.1.19预冷库有排酸要求时,是否具备温度和湿度控制设施2.1.20原料接受有温度要求时,是否具备温度控制设施的原料库?2.2设备、工具、管道2.2.1凡接触食品物料的设备、工具、管道,是否用无毒、无味、抗腐蚀、不吸水、不、变形的材料制作2.2.2设备、工具、管道,是否清洁,边角圆滑,无死角,不易积垢,不漏隙,便于拆卸、清洗和消毒2.2.3龙头设置是否根据工艺要求,布局合理。
上、下工序衔接要紧凑2.2.4冷水管是否不在生产线和设备包装台上方通过,防止冷凝水滴入食品2.2.5安装是否符合工艺卫生要求,与屋顶(天花板)、墙壁等有足够的距离2.2.6设备是否用脚架固定,与地面应有一定的距离?2.2.7各类料液输送管道是否避免死角或盲端,设排污阀或排污口,便于清洗、消毒,防止堵塞2.3洗手设施2.3.1洗手设施是否分别设置在车间进口处和车间内适当的地点2.3.2是否配备冷热水混合器,并且开关采用非手动式2.3.3龙头设置是否保证人数在200人以内者,按每个10人1个,200人以上者每增加20人增设1个2.3.4洗手设施是否包括干手设备(如热风、消毒干毛巾、消毒纸巾等)2.3.5是否根据生产需要,有的车间、部门还应配备消毒手套和统一大服装清洗和消毒场所2.3.6入口检查处是否配备洗涤剂、消毒液等符合2.5卫生管理2.5.1是否建立相应的卫生管理机构,对本单位的食品卫生工作进行全面管理2.5.2管理机构配备的专职或兼职的食品卫生管理人员是否专业培训2.5.3车间入口处是否有每日卫生检查人员2.5.11设置的污染物收集设施,是否为密闭式或带盖,是否要定期清洗、消毒,保证污染物不外溢,并于24h之内运出厂区处理。
CSA SR-P02.21出口食品生产企业HACCP体系验证评审记录(2007年)备案注册编号(已取得备案注册资格的企业):3500/企业名称:待验证产品:产品类别:评审组长:(签名)评审组成员:(签名)评审日期:评审依据:1.□《出口食品生产企业卫生要求》2.□《出口水产品生产企业注册卫生规范》(国家认监委)3.□《危害分析与关键控制点(HACCP)体系及其应用准则(CAC/RCP 1-1969)》(食品法典委员会)4.□《美国联邦GMP法规(21CFR Part 110)》;《美国联邦水产品HACCP 法规(21CFR Part 123, 21CFR Part 1240)》5.□评审记录填写要求一、请用黑色或蓝黑色墨水填写,书写文字需工整、清楚;也可用电子版本打印填写,但必须同时打印出纸质文本,并签署评审人员姓名。
二、对已通过认证机构实施的第三方HACCP体系认证审核,并具有有效的认证证书的出口食品企业,评审时可省略“C. HACCP体系验证记录”中第C1、C2部分的相关条目。
但如果发现工厂实施的HACCP计划有问题,必须重新对省略的相关条目进行评审。
三、本评审记录存直属出入境检验检疫局备案注册管理部门。
四、本记录中各核查记录表可根据评审组分工,由评审员分别审核、填写完成。
五、由于被评审产品或评审依据的特殊要求,本记录不足以满足记录需要时,应另外附上附加核查记录表。
六、本记录作为备案注册评审过程的原始凭证,评审人员不得随意漏项、漏填。
评审或监督检查活动通用签到表A.文件资料审核B.见面会主要内容记录C.H A C C P体系验证记录D.现场评审总结出口食品生产企业评审及监督检查不符合项及跟踪评审报告③被评审企业如对评审组报告的不符合项有疑义,可在评审总结会结束前当场向评审组提出,还可保留意见向福建出入境检验检疫局认证监管处提出。
福建检验检疫局备案注册和质量许可工作廉政声明/反馈单。
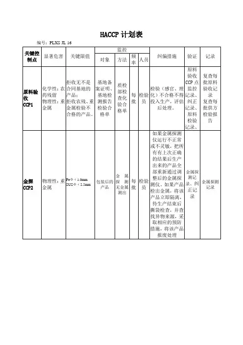
表1危害分析工作单序号加工工序潜在危害潜危害是否显著?对第4栏的判定依据显著危害的预防措施该步骤是关键控制点吗?1 原料奶的验收生物的是主要是病原菌,特别是病原性芽抱菌。
收奶后及时冷却并进行巴氏杀菌,避免微生物生长繁殖否化学的是饲料农药残留物,农药残留物工厂抽查,发现指标超标,限期改进,再次发生停收该牧场的牛奶是物理的:否2 杀菌生物的是杀菌温度控制不彻底采用自动控制技术是化学的是设备清洗带入残留清洗液生产采用CIP清洗技术物理的否3 原料奶的净化生物的是由原料乳带入的生物危害依然存在高温杀菌解决否化学的是在清洗设备时可能带入残留清洗液的危害。
高温杀菌解决否物理的否4 贮存生物的是冷却不及时在贮存期间微生物会增值加快速度,及时贮存是化学的是贮存罐清洗时可能带入残留清洗液的危害高温杀菌解决否物理的否5 配料生物的是由原料乳带入的生物危害依然存在高温杀菌解决否化学的是设备清洗时也可能带入残留清洗液的危害高温杀菌解决否物理的是外来添加物带来的仔细检查是表2 HACCP的计划表关键控制点显著危害关键限值监控纠偏措施验证记录对象方法频率人员原料奶的验收CCP1化学危害(饲料农药残留物,农药残留物)《食品卫生标准》(GB/2751-1981)中规定控制有效证明查看食品有效证明每批质控员、采购员进行黄曲霉毒素、抗菌素检验;原辅料验收记录每月质控部都定期核查记录入模CCP2模具碎片消除残破损模具和有异物的瓶子残破模具和异物视觉观察每个检验员剔除缺陷模具验瓶记录每月质控部都定期核查记录灭菌CCP3病原微生物灭菌温度、灭菌时间温度、时间时钟每批操作者重新杀菌灭菌记录定期校准计量器具包装CCP4细菌、金属、毛发杀菌检查视觉检查每个操作者包装袋使用前的杀菌时间;紫外线照射2小时以上;异物不得检出。
杀菌记录定期核查。
HACCP计划书验证表1. 引言本文档旨在验证和评估食品安全管理体系的HACCP计划书的有效性。
HACCP (危害分析和关键控制点)是一种针对食品生产过程中的食品安全进行管理的系统。
验证HACCP计划书的有效性可以确保食品生产过程中的食品安全控制措施得到正确地实施和维护。
HACCP计划书验证是一个重要的过程,它能够检查和评估食品安全管理体系的合规性,提供信息和数据以确定HACCP计划书是否能够达到预期的结果。
验证的目的是确保HACCP计划书的正确性和可行性,并及时纠正可能存在的问题。
2. 验证步骤2.1 验证计划验证计划是验证HACCP计划书的第一步。
验证计划应包括明确的目标和计划的时间表。
该计划应确保验证过程能够全面、准确地评估HACCP计划书的有效性。
2.2 数据收集在进行HACCP计划书的验证之前,需要进行数据收集。
数据收集的目的是收集足够的信息和数据以评估食品生产过程中的食品安全管理控制措施的有效性。
数据收集可以通过以下方式进行:•检查和分析文件和记录,包括监测记录、记录的异常情况和食品安全事件的记录。
•进行设备和设施的检查,确保其符合安全标准。
•进行食品样品的检测和分析,以评估食品的安全性。
2.3 验证结果分析收集到足够的数据后,需要对数据进行分析以评估HACCP计划书的有效性。
在进行验证结果分析时,应考虑以下几个方面:•分析HACCP计划书中定义的关键控制点是否能够有效地控制食品安全风险。
•评估食品生产过程中的食品安全控制措施是否符合预期的效果。
•检查HACCP计划书中的监测和纠正措施是否能够及时发现和纠正异常情况。
•检查HACCP计划书中的文件和记录是否完整、准确并及时更新。
2.4 验证报告根据验证结果分析,编写验证报告以总结验证过程中的发现和评估结果。
验证报告应包括以下内容:•执行验证计划的概述。
•数据收集的方法和结果。
•分析验证结果的方法和结果。
•针对验证结果的建议和改进措施。