大总结L298N的详细资料驱动直流电机和步进电机
- 格式:doc
- 大小:1.36 MB
- 文档页数:21
电机驱动l298n原理
L298N是一种常见的电机驱动器,可用于控制直流电机或步
进电机。
它使用了H桥电路的原理。
H桥电路是由四个开关(晶体管或MOSFET)组成的,它们
按特定的方式连接在一起,形成了一个桥形结构。
这种结构可以控制电流的流向和电机的旋转方向。
L298N中的H桥电路分为两个部分,分别用于控制电机的两
个端口。
每个部分都由一个上半H桥和一个下半H桥组成。
当上半H桥的两个开关关闭时,与电机连接的两个端口之间
的电流会开始流动,电机会顺时针旋转。
当下半H桥的两个
开关关闭时,电流改变方向,电机会逆时针旋转。
L298N通过控制这些开关的状态来实现电机的速度和方向控制。
它具有使能信号(ENA, ENB)和方向信号(IN1, IN2,
IN3, IN4)的输入引脚,通过改变这些输入信号的状态,可以
控制电机的转速和转向。
例如,当ENA引脚为高电平,IN1为高电平,IN2为低电平时,上半H桥的两个开关会关闭,电流会从ENA引脚流入
IN1引脚,然后流入电机的一个端口,然后返回到IN2引脚,
最后回到GND。
这样,电机会以某个速度顺时针旋转。
通过改变ENA、IN1和IN2的电平状态,可以控制电机的转
速和方向。
类似地,通过控制ENB、IN3和IN4的电平状态,
可以控制电机的另一个端口。
总之,L298N电机驱动器采用H桥电路的原理,通过控制开关的状态来控制电流的流向和电机的转速和方向。
1.产品说明产品说明::本L298N 驱动模块,采用ST 公司原装全新的L298N 芯片,采用SMT 工艺稳定性高,采用高质量铝电解电容,使电路稳定工作。
可以直接驱动两路3-16V 直流电机,并提供了5V 输出接口(输入最低只要6V),可以给5V 单片机电路系统供电(低纹波系数),支持3.3V MCU ARM 控制,可以方便的控制直流电机速度和方向,也可以控制2相步进电机,5线4相步进电机。
是智能小车必备利器。
:产品参数:.产品参数1.驱动芯片:L298N双H桥直流电机驱动芯片2.驱动部分端子供电范围Vs:+5V~+12V ; 如需要板内取电,则供电范围Vs:+6V~+12V3.驱动部分峰值电流Io:2A4.逻辑部分端子供电范围Vss:+5V~+7V(可板内取电+5V)5.逻辑部分工作电流范围:0~36mA6.控制信号输入电压范围(IN1 IN2 IN3 IN4):低电平:-0.3V≤Vin≤1.5V高电平:2.3V≤Vin≤Vss7.使能信号输入电压范围(ENA ENB):低电平:-0.3≤Vin≤1.5V(控制信号无效)高电平:2.3V≤Vin≤Vss(控制信号有效)8.最大功耗:20W(温度T=75℃时)9.存储温度:-25℃~+130℃10.驱动板尺寸:55mm*45mm*33mm(带固定铜柱和散热片高度)12.其他扩展:控制方向指示灯、逻辑部分板内取电接口。
3.接口说明接口说明::图中蓝色端子为电机驱动输出端与驱动电源输入端,排针处为电机控制逻辑输入端与5V 电源输出端OUT4 OUT3 OUT2 OUT1 控制电机输出端 VDD GND 为驱动电源输入端输入电压+6-12V连接实例:OUT1 OUT2 连接左电机OUT3 OUT4 连接右电机VDD GND 连接电池或是外部供电(注意电池,正负一定不能接反,一接反会烧掉模块,即VDD 接电池正极,GND 接电池的负极)接下来测试模块:拿二条杜邦线+5-----------------------IN1相连GND------------------- IN2 相连连接OUT1 OUT2电机就会转动GND------------------- IN1相连+5 ------------------- IN2 相连连接OUT1 OUT2电机就会反向转动同理测试另一路+5-----------------------IN3相连GND------------------- IN4 相连连接OUT3 OUT4电机就会转动GND------------------- IN3相连+5 ------------------- IN4 相连连接OUT3 OUT4电机就会反向转动接下来测试与单片机连接:注意:模块的内带稳压芯片可以输出5V,可以给单片机供电但供给驱动模块的外部电压或电池电压要高于6V。
L298N中文资料步进电机驱动芯片L298中文资料双全桥步进电机专用驱动芯片( Dual Full-Bridge Driver )L298中文资料L298N 为SGS-THOMSON Microelectronics 所出产的双全桥步进电机专用驱动芯片( Dual Full-Bridge Driver ) ,内部包含4信道逻辑驱动电路,是一种二相和四相步进电机的专用驱动器,可同时驱动2个二相或1个四相步进电机,内含二个H-Bridge 的高电压、大电流双全桥式驱动器,接收标准TTL逻辑准位信号,可驱动46V、2A以下的步进电机,且可以直接透过电源来调节输出电压;此芯片可直接由单片机的IO端口来提供模拟时序信号,但在本驱动电路中用L297 来提供时序信号,节省了单片机IO 端口的使用。
L298N 之接脚如图9 所示,Pin1 和Pin15 可与电流侦测用电阻连接来控制负载的电路; OUTl、OUT2 和OUT3、OUT4 之间分别接2 个步进电机;input1~input4 输入控制电位来控制电机的正反转;Enable 则控制电机停转。
图9 L298引脚图图10 L298 内部逻辑图L298 ABSOLUTE MAXIMUM RATINGS 绝对最大额定值: Symbol符号Parameter 参数Value数值单位VSPower Supply 电源50VSSLogic Supply Voltage 电源电压7VVI,VenInput and Enable Voltage 输入电压和启用–0.3 to 7VIO峰值输出电流(每通道)非重复性(t= 100ms)3重复(80% on –20% off; ton = 10ms) 2.5直流运行2VsensSensing Voltage 感应电压–1 to 2.3VPtotTotal Power Dissipation (Tcase=75℃)总功率耗散(Tcase=75 ℃)25WTopJunction Operating Temperature 结工作温度–25 to 130℃Tstg,TjStorage and Junction Temperature 储存温度–40 to 150℃L298 PIN FUNCTIONS (refer to the block diagram) 引脚功能(请参阅框图):PowerSONameFunction 功能说明1;152;19Sense A; Sense B 引脚电流监测端,1、15和PowerSO的2、19用法一样,SEN1、SEN2分别为两个H桥的电流反馈脚,不用时可以直接接地2;34;5Out 1; Out 21Y1、1Y2输出端46VS功率电源电压,此引脚与地必须连接100nF电容器 5;77;9Input 1; Input 21A1、1A2输入端,TTL电平兼容6;118;14Enable A; Enable BTTL电平兼容输入 1EN、2EN使能端,低电平禁止输出 81,10,11,20GNDGND地912VSS逻辑电源电压。
大总结L298N的详细资料驱动直流电机和步进电机电机驱动电路;电机转速控制电路(PWM信号)主要采用L298N,通过单片机的I/O输入改变芯片控制端的电平,即可以对电机进行正反转,停止的操作,输入引脚与输出引脚的逻辑关系图为驱动原理图--------------------------------------------------------L298N电机驱动模块图•••1.1 实物图••1.2 原理图•••1.3 各种电机实物接线图•••1.4 各种电机原理图•••1.5 模块接口说明•••L298N电机驱动模块图1.1 实物图正面背面1.2 原理图1.3 各种电机实物接线图直流电机实物接线图4相步进电机实物接线图3相步进电机实物接线图1.4各种电机原理图直流电机原理图步进电机原理图1.5 模块接口说明+5V:芯片电压5V。
VCC:电机电压,最大可接50V。
GND:共地接法。
A-~D-:输出端,接电机。
A~D+ :为步进电机公共端,模块上接了VCC。
EN1、EN2:高电平有效,EN1、EN2分别为 IN1和IN2、IN3和IN4的使能端。
IN1~ IN4:输入端,输入端电平和输出端电平是对应的。
我正在用L298N驱动我的小车的两个直流减速电机,其实它很好用,1和15和8引脚直接接地,4管脚VS接2.5到46的电压,它是用来驱动电机的,9引脚是用来接4.5到7V的电压的,它是用来驱动L298芯片的,记住,L298需要从外部接两个电压,一个是给电机的,另一个给L298芯片的6和11引脚是它的使能端,一个使能端控制一个电机,至于那个控制那个你自己焊接,你可以把它理解为总开关,只有当它们都是高电平的时候两个电机才有可能工作,5,7,10,12是298的信号输入端和单片机的IO口相连,2,3,13,14是输出端,输入5和7控制输出2和3, 输入的10,12控制输出的13,14L298N型驱动器的原理及应用L298N是SGS公司的产品,内部包含4通道逻辑驱动电路。
L298N电机驱动器使用说明书之五兆芳芳创作注意:本说明书中添加超链接的按CTRL并点击连接,便可看到内容.L298N是ST公司生产的一种高电压、大电流电机驱动芯片.该芯片采取15脚封装.主要特点是:任务电压高,最高任务电压可达46V;输出电流大,瞬间峰值电流可达3A,持续任务电流为2A;额外功率25W.内含两个H桥的高电压大电流全桥式驱动器,可以用来驱动直流电动机和步进电动机、继电器线圈等理性负载;采取尺度逻辑电平信号控制;具有两个使能控制端,在不受输入信号影响的情况下允许或禁止器件任务有一个逻辑电源输入端,使内部逻辑电路部分在低电压下任务;可以外接检测电阻,将变更量反响给控制电路.使用L298N芯片驱动电机,该芯片可以驱动一台两相步进电机或四相步进电机,也可以驱动两台直流电机.扼要说明:一、尺寸:80mmX45mm二、主要芯片:L298N、光电耦合器三、任务电压:控制信号直流5V;电电机压直流3V~46V(建议使用36伏以下)四、五、额外功率:25W特点:1、具有信号指示.2、转速可调3、抗搅扰能力强4、具有过电压和过电流庇护5、可单独控制两台直流电机6、可单独控制一台步进电机7、PWM脉宽平滑调速8、可实现正反转9、采取光电隔离六、有详细使用说明书七、提供相关软件八、提供例程及其学习资料驱动器结构详解3.直流电机调速PWM脉宽信号输入端.(控制步进电机或控制直流电机无需调速时,保持此状态)5.光电隔离(抗搅扰)6.焦点芯片(L298N)实例一:步进电机的控制实例步进电机是数字控制电机,它将脉冲信号转酿成角位移,即给一个脉冲信号,步进电机就转动一个角度,因此很是适合于单片机控制.步进电机可分为反响式步进电机(简称VR)、永磁式步进电机(简称PM)和混杂式步进电机(简称HB).一、步进电机最大特点是:1、它是通过输入脉冲信号来进行控制的.三、基来源根底理作用如下:两相四拍任务模式时序图:(1)控制换相顺序1、通电换相这一进程称为脉冲分派.例如:1、两相四线步进电机的四拍任务方法,其各相通电顺序为(ABA’-B’)依次循环.《例一、步进电机正转两相四拍程序》(通电控制脉冲必须严格依照这一顺序辨别控制A,B相的通断.)2、两相四线步进电机的四拍任务方法,其各相通电顺序为: (A-AB-B-BA’-A’-A’B’B’-B’A)例二、步进电机正转两相八拍程序》依次循环.(出于对力矩、平稳、噪音及削减角度等方面考虑.往往采取八拍任务方法)参考下例:《例四、步进电机反转两相八拍程序》(3)控制步进电机的速度如果给步进电机发一个控制脉冲,它就转一步,再发一个脉冲,它会再转一步.两个脉冲的距离越短,步进电机就转得越快.调整单片机收回的脉冲频率,就可以对步进电机进行调速.(注意:如果脉冲频率的速度大于了电机的反响速度,那么步进电机将会出现失步现象).参考下例:《例五、步进电机两相四拍调速程序》《例六、步进电机两相八拍调速程序》(4)四相电机的控制程序如图:按CTRL并点击(驱动器控制四相步进电机接线图)如图:按CTRL并点击(驱动器控制四相步进电机接线图)《例八、四相步进电机正转八拍程序》《例九、四相步进电机反转四拍程序》《例十、四相步进电机反转八拍程序》《例十一、四相步进电机四拍调速程序》《例十二、四相步进电机八拍调速程序》《例十二、四相步进电机八拍调速程序》《例十三、四相步进电机八拍调速程序办法二》以下为参考程序:《例十三、四相步进电机八拍调速程序办法二》以下为参考程序:《例十四、步进电机分档控制》《例十四、步进电机分档控制》《例十五、步进电机每按一下转1.8度》《例十六、步进电机每按一下转3.6度》实例二:直流电机的控制实例使用直流/步进两用驱动器可以驱动两台直流电机.辨别为M1和M2.引脚A,B可用于输入PWM脉宽调制信号对电机进行调速控制.(如果无须调速可将两引脚接5V,使电机任务在最高速状态,既将短接帽短接)实现电机正反转就更容易了,输入信号端IN1接高电平输入端IN2接低电平,电机M1正转.(如果信号端IN1接低电平,IN2接高电平,电机M1反转.)控制另一台电机是同样的方法,输入信号端IN3接高电平,输入端IN4接低电平,电机M2正转.(反之则反转),PWM信号端A控制M1调速,PWM 信号端B控制M2调速.可参考下图表:。
不提供技术支持购买前请注意
系统原理图如下:
产品参数:
1.驱动芯片:L298N双H桥直流电机驱动芯片
2.驱动部分端子供电范围Vs:+5V~+35V ;如需要板内取电,则供电范围Vs:+7V~+35V
3.驱动部分峰值电流Io:2A
4.逻辑部分端子供电范围Vss:+5V~+7V(可板内取电+5V)
5.逻辑部分工作电流范围:0~36mA
6.控制信号输入电压范围:
低电平:-0.3V≤Vin≤1.5V
高电平:2.3V≤Vin≤Vss
7.使能信号输入电压范围:
低电平:-0.3≤Vin≤1.5V(控制信号无效)
高电平:2.3V≤Vin≤Vss(控制信号有效)
8.最大功耗:20W(温度T=75℃时)
9.存储温度:-25℃~+130℃
10.驱动板尺寸:55mm*49mm*33mm(带固定铜柱和散热片高度)
11.驱动板重量:33g
12.其他扩展:控制方向指示灯、逻辑部分板内取电接口。
使用说明:
步进电机的驱动:板上的ENA与ENB为高电平时有效,这里的电平指的是TTL电平。
ENA为A1和A2的使能端,ENB为B1和IB2的使能端。
BJ接步进电机公共端。
步进电机控制逻辑如下所示,其中A、B、C、D为步进电机的四个线圈,为1表示有电流通过,为0表示没有电流流过。
线圈连线图如下图所示(以四相步进电机为例)。
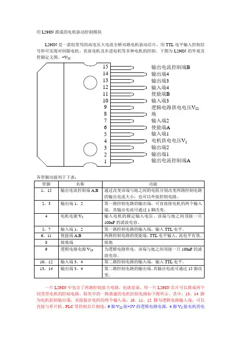
用L298N搭成的电机驱动控制模块L298N是一款较常用的高电压大电流全桥双路电机驱动芯片,用TTL电平输入控制信号即可实现对伺服电机、直流电机及步进电机等多种电机的控制。
下图为L298N的外观及管脚定义图。
+V SS输出电流控制端B输出端4输出端3输入端4使能端B输入端3逻辑电路供电电压V SS地输入端2使能端A输入端1电机供电电压V S输出端2输出端1输出电流控制端A各管脚功能列于下表:一片L298N中包含了两路控制放大电路,也就是说,用一片L298N芯片可以搭成两个同类型电机的控制电路。
取其中的一路搭建的电机控制电路如下图所示。
其中,13、14脚为电机控制输出端,直接接在电机的两个输入端;10、11、12脚为逻辑电路输入端,可以直接与单片机、PLC等控制芯片相连;9脚V SS接+5V的逻辑电路电源,4脚V S接电机的电源,电压大小即电机额定输入电压;8脚接地。
这里V SS 及V S 两端与地之间须要接一个100nF 的电容,电容的位置要尽量靠近接地点。
如果这两端与地之间在距离接地点较远的位置已经接有较大容量的电容的话,那么在靠近接地点的地方还是需要通过一个小一些的电容接地。
电机+V SS +V S en电路的控制逻辑如下表所示:反转及停止。
当向C 、D 两端输入同样电平时,可实现电机的快速停止。
另外使使能端V en 置零也可以使电机停止,但是这里不推荐这种方法。
如果控制电路中有电源开关的话,要确定L298N 上电以后再将V en 置高,而掉电之前要将V en 置零。
L298N 的电机电源V S 最大可以接46V 的电压,输出电流最大可达到3A ,而在快速停止时不可超过2A 。
如果需要输出更大的电流的话,可以将两路甚至多路控制放大电路并联,即将几路的V en 、V S 、地端、输入端及输出端分别相连。
电机驱动模块连接图L298的逻辑功能•IN1IN2ENA 电机状态11停止011逆时针101顺时针X X 0停止000停止。
L298N步进电机驱动器使用说明L298N步进电机驱动器是一款广泛应用于步进电机控制的驱动器模块。
它采用双向电机驱动桥芯片L298N,可以提供高电流和高电压的驱动能力,适用于同步马达和双向直流电动机的控制。
以下是L298N步进电机驱动器的使用说明。
一、硬件连接1. 将L298N模块与Arduino主控板连接。
将L298N模块的5V和GND引脚分别连接到Arduino的5V和GND引脚。
2.将步进电机的4根线分别连接到L298N模块的输出端子A、A-、B和B-。
相应的线连接方式为:步进电机的A相线连接到L298N模块的A端子,A-相线连接到A-端子,B相线连接到B端子,B-相线连接到B-端子。
二、编码下面是一个简单的Arduino代码示例,用于控制步进电机的运动。
代码将使步进电机按指定的方向和速度旋转。
```cpp#include <Stepper.h>//设定步进电机的步数和引脚const int stepsPerRevolution = 200;Stepper myStepper(stepsPerRevolution, 8, 9, 10, 11);void setu//设置步进电机的速度myStepper.setSpeed(60);void loo//顺时针旋转一圈myStepper.step(stepsPerRevolution);delay(1000);//逆时针旋转一圈myStepper.step(-stepsPerRevolution);delay(1000);```三、常见问题解答1.如何改变步进电机的转向?需要根据具体的控制电路和驱动器设计,通过修改引脚的输出顺序或改变控制信号的频率来改变步进电机的转向。
2.怎样确定步进电机的旋转速度?可以使用`myStepper.setSpeed(speed)`函数设置步进电机的转速,其中speed的单位是步/分钟。
具体的速度可以通过试验和调节来确定。
L298NL298N 是一种双 H-桥电机驱动芯片,可用于控制直流电机或步进电机。
它广泛应用于机器人、小车、无人机和其他需要精确控制电机的项目中。
本文将详细介绍L298N 的工作原理、连接方式以及一些常见问题的解决方法。
工作原理L298N 由两个 H-桥组成,每个 H-桥由四个开关管组成。
这些开关管由输入信号控制,以控制电机的转向和速度。
当两个开关管打开时,电机就会沿着一个方向旋转;当两个开关管关闭时,电机会沿着另一个方向旋转。
通过改变开关管的开闭状态和输入信号的时序,可以实现电机的精确控制。
连接方式L298N 的引脚功能如下所示:•EN1:使能电机1,用于控制电机1的转速。
•IN1、IN2:控制电机1的方向。
•EN2:使能电机2,用于控制电机2的转速。
•IN3、IN4:控制电机2的方向。
•VM:电机供电电源(4.8-35V)。
•GND:地。
•OUT1、OUT2:电机1输出。
•OUT3、OUT4:电机2输出。
以下是连接 L298N 的步骤:1.将VM连接到电机的正极,将地线连接到电机的负极。
2.将电机1的正极连接到OUT1,负极连接到OUT2。
3.将电机2的正极连接到OUT3,负极连接到OUT4。
4.使用导线将EN1连接到微控制器的输出引脚,以控制电机1的转速。
5.使用导线将IN1和IN2连接到微控制器的输出引脚,以控制电机1的转向。
6.使用导线将EN2连接到微控制器的输出引脚,以控制电机2的转速。
7.使用导线将IN3和IN4连接到微控制器的输出引脚,以控制电机2的转向。
常见问题与解决方法1. 电机运转不稳定这可能是由于电源供电不稳定或驱动芯片过热导致的。
解决方法包括:•使用稳定的电源供电。
确保电源电压在规定范围内。
•添加散热器以降低驱动芯片的温度。
•降低电机的负载,避免过度功率消耗。
2. 电机转向错误这可能是由于输入信号控制错误或引脚连接错误导致的。
解决方法包括:•检查输入信号的时序和引脚连接是否正确。
l298n工作原理
L298N是一种双H桥驱动芯片,常用于驱动直流电机或步进
电机。
它具有以下工作原理:
1. 在正向旋转时,使IN1和IN2两个输入端分别提供不同的
控制信号,如IN1为高电平,IN2为低电平。
这将使输出的OUT1和OUT2两个端口分别提供正向电流给电机的两个线圈,从而使电机顺时针旋转。
2. 在反向旋转时,需要改变控制信号。
这时,使IN1输入为
低电平,IN2输入为高电平。
这将使输出的OUT1和OUT2两
个端口分别提供反向电流给电机的两个线圈,从而使电机逆时针旋转。
3. 如果需要制动电机停止旋转,可以将IN1和IN2都设置为
低电平。
此时,电机的两个线圈将被短路,产生制动效果,电机停止旋转。
4. L298N还提供了使得电机速度可以进行调节的PWM控制功能。
使用PWM信号可以控制电机的平均电压大小,从而控制
电机的转速。
通过调节PWM信号的占空比,可以使电机以不
同的速度旋转。
总的来说,L298N的工作原理是根据输入的控制信号,控制
输出的电流方向和大小,从而驱动电机按照预定的方式旋转。
l298n电机驱动原理
L298N电机驱动原理:L298N是一款常用的双路直流电机驱动芯片,能够控制2个直流电机或一个步进电机。
其工作原理是通过控制输入信号来控制电机的旋转方向和速度。
L298N内部包含了两个H桥电路,每个H桥电路都由4个开关管组成,可以实现电机的正反转和PWM调速。
L298N的控制信号需要通过外部控制器(如单片机)来控制,控制信号经过L298N的输入端口,经过内部解码和放大后输出到H桥电路的控制端口,从而控制电机的方向和速度。
具体控制方式如下:
1. 控制电机方向:通过控制IN1和IN2两个输入端口的信号,可以控制电机的正反转,其中IN1和IN2分别控制电机的两个端口,当IN1为高电平、IN2为低电平时,电机正转;当IN1为低电平、IN2为高电平时,电机反转。
2. 控制电机速度:使用PWM信号控制电机速度,PWM信号的占空比越大,电机转速越快。
总之,L298N电机驱动芯片具有方便、灵活、高效等优点,在机器人、小车、智能家居等领域得到广泛应用。
- 1 -。
电机驱动芯片L298N简介(中文资料) 编辑:D z3w.C o m文章来源:网络我们无意侵犯您的权益,如有侵犯请[联系我们]L298N简介(中文资料)LN298引脚图L298N是S G S公司的产品,内部包含4通道逻辑驱动电路。
是一种二相和四相电机的专用驱动器,即内含二个H桥的高电压大电流双全桥式驱动器,接收标准T T L逻辑电平信号,可驱动46V、2A以下的电机。
其引脚排列如图1中U4所示,1脚和15脚可单独引出连接电流采样电阻器,形成电流传感信号。
L298可驱动2个电机,O U T l、O U T2和O U T3、O U T4之间分别接2个电动机。
5、7、10、12脚接输入控制电平,控制电机的正反转,E N A,E N B接控制使能端,控制电机的停转。
1298的逻辑功能如表1所列。
表1L298N的逻辑功能E N A(B)I N l(I N3)I N2(I N4)电机运行情况H H L正转H L H反转H同同IN l(I N3)快速停止图9L298引脚图图10L298内部逻辑图L298A B S O L U T E M A X I M U M R AT I N G S绝对最大额定值:S y m b o l 符号P a r a m e t e r参数Va l u e数值单位V S P o w e r S u p p l y50VH压(引脚6,11)SI e n= L L o w Vo l t a g e E n a b l e C u r r e n t(p i n s6,11)低电平启动电流Ve n=L–1μAI e n= H H i g h Vo l t a g e E n a b l e C u r r e n t(p i n s6,11)高电平启动电流Ve n=H≤V S S–0.6V3010μAV C E s at(H)S o u r c e S a t u r a t i o n Vo l t a g eI L =1A0.951.351.7VI L =2A2 2.7V C E s at(L)S i n k S a t u r a t i o n Vo l t a g eI L =1A (5)0.851.2 1.6VI L =2A (5) 1.7 2.3V C E s at To t a l D r o pI L =1A (5)1.83.2VI L =2A (5) 4.9V s e n s S e n s i n g Vo l t a g e电流监测电压(引脚1,15)–1(1)2V。
大总结L298N的详细资料驱动直流电机和步进电机电机驱动电路;电机转速控制电路(PWM信号)主要采用L298N,通过单片机的I/O输入改变芯片控制端的电平,即可以对电机进行正反转,停止的操作,输入引脚与输出引脚的逻辑关系图为驱动原理图--------------------------------------------------------L298N电机驱动模块图••1.1 实物图••1.2 原理图•••1.3 各种电机实物接线图•••1.4 各种电机原理图•••1.5 模块接口说明•••L298N电机驱动模块图1.1 实物图正面背面1.2 原理图1.3 各种电机实物接线图直流电机实物接线图4相步进电机实物接线图3相步进电机实物接线图1.4各种电机原理图直流电机原理图步进电机原理图1.5 模块接口说明+5V:芯片电压5V。
VCC:电机电压,最大可接50V。
GND:共地接法。
A-~D-:输出端,接电机。
A~D+ :为步进电机公共端,模块上接了VCC。
EN1、EN2:高电平有效,EN1、EN2分别为IN1和IN2、IN3和IN4的使能端。
IN1~ IN4:输入端,输入端电平和输出端电平是对应的。
我正在用L298N驱动我的小车的两个直流减速电机,其实它很好用,1和15和8引脚直接接地,4管脚VS接2.5到46的电压,它是用来驱动电机的,9引脚是用来接4.5到7V的电压的,它是用来驱动L298芯片的,记住,L298需要从外部接两个电压,一个是给电机的,另一个给L298芯片的6和11引脚是它的使能端,一个使能端控制一个电机,至于那个控制那个你自己焊接,你可以把它理解为总开关,只有当它们都是高电平的时候两个电机才有可能工作,5,7,10,12是298的信号输入端和单片机的IO口相连,2,3,13,14是输出端,输入5和7控制输出2和3, 输入的10,12控制输出的13,14L298N型驱动器的原理及应用L298N是SGS公司的产品,内部包含4通道逻辑驱动电路。
L298 n 全部资料免费放送L298N 为SGS-THOMSON Microelectronics 所出产的双全桥步进电机专用驱动芯片( Dual Full-Bridge Driver ) ,内部包含4信道逻辑驱动电路,是一种二相和四相步进电机的专用驱动器,可同时驱动2个二相或1个四相步进电机,内含二个H-Bridge 的高电压、大电流双全桥式驱动器,接收标准 TTL逻辑准位信号,可驱动46V、2A以下的步进电机,且可以直接透过电源来调节输出电压;此芯片可直接由单片机的IO端口来提供模拟时序信号,但在本驱动电路中用L297 来提供时序信号,节省了单片机IO 端口的使用。
L298N 之接脚如图9 所示,Pin1 和Pin15 可与电流侦测用电阻连接来控制负载的电路;OUTl、OUT2 和OUT3、OUT4 之间分别接2 个步进电机;input1~input4 输入控制电位来控制电机的正反转;Enable 则控制电机停转。
L298 ELECTRICAL CHARACTERISTICS(VS=42V;VSS=5V,Tj=25℃; unless otherwiseIiH High Voltage Input Current 高电平输入电流(引脚5,7,10,12)Vi = H ≤VSS –0.6V 30 100μAVen = L Enable Low Voltage 使能端高电平电压(引脚6,11)–0.3 1.5 VVen = H Enable High Voltage 使能端低电平电压(引脚6,11)2.3 VSS VIen = L Low Voltage Enable Current(pins 6, 11) 低电平启动电流Ven = L –10μAIen = H High Voltage Enable Current(pins 6, 11) 高电平启动电流Ven =H ≤VSS –0.6V 30 100μAVCEsat(H) Source Saturation Voltage IL =1A 0.95 1.35 1.7V IL =2A 2 2.7VCEsat(L) Sink Saturation Voltage IL = 1A (5) 0.85 1.2 1.6V IL = 2A (5) 1.7 2.3VCEsat Total Drop IL = 1A (5) 1.80 3.2V IL = 2A (5) 4.9Vsens Sensing Voltage电流监测电压(引脚1,15)–1(1) 2 V图11 L298 外形图。
不进电机驱动L298N均采用ST原装芯片,性能非常稳定!
一、特点
L298N是ST公司生产的一款电机驱动芯片,L298N芯片内含两个全桥式驱动器,可以同时驱动两个直流电机或者一个两相四线步进电机。
逻辑输入部分加入光电隔离模块,从而更好的保护控制器;模块最大输入电压为40V,单路峰值电流为3A,持续2A,最大功率不得超过25W;逻辑端输入端采用标准TTL电平控制,并设有两个使能端ENA\ENB,用来允许、禁止器件工作,默认接到VCC。
IN1-IN4:逻辑输入端,其中IN1、IN2控制电机M1;IN3、IN4控制电机M2。
例如IN1输入高电平1,IN2输入低电平0,对应电机M1正转;IN1输入低电平0,IN2输入高电平1,对应电机M1反转,调速就是改变高电平的占空比。
ENA、ENB:L298N使能端(高电平有效,默认用短接到VCC),可通过这两个端口实现PWM 调速(使用PWM调速时取下跳线帽),具体参考L298N芯片手册。
VCC/GND:逻辑控制部分供电,可以用控制器的5V/3.3V来供电。
VIN/GND:电机供电电源接口,VIN、GND分别接电源正、负极
M1、M2:电机接口,没有正负之分,如果发现电机转向不对将电机两线调换即可
例子
四、电机控制:
例如逻辑输入部分接单片机P0口的P0.0-P0.3,那么想让电机正转只要给1010,反转给0101即可:
Void main()
{
While(1)
{
P0=0xaa;//IN1-4输入1010,电机正转
Delay(1000);//延时1秒
P0=0x55;//IN1-4输入0101,电机反转
Delay(1000);//延时1秒
}
}。
大总结L298N的详细资料驱动直流电机和步进电机电机驱动电路;电机转速控制电路(PWM信号)主要采用L298N,通过单片机的I/O输入改变芯片控制端的电平,即可以对电机进行正反转,停止的操作,输入引脚与输出引脚的逻辑关系图为驱动原理图--------------------------------------------------------L298N电机驱动模块图•••1.1 实物图••1.2 原理图•••1.3 各种电机实物接线图•••1.4 各种电机原理图•••1.5 模块接口说明•••L298N电机驱动模块图1.1 实物图正面背面1.2 原理图1.3 各种电机实物接线图直流电机实物接线图4相步进电机实物接线图3相步进电机实物接线图1.4各种电机原理图直流电机原理图步进电机原理图1.5 模块接口说明+5V:芯片电压5V。
VCC:电机电压,最大可接50V。
GND:共地接法。
A-~D-:输出端,接电机。
A~D+ :为步进电机公共端,模块上接了VCC。
EN1、EN2:高电平有效,EN1、EN2分别为IN1和IN2、IN3和IN4的使能端。
IN1~ IN4:输入端,输入端电平和输出端电平是对应的。
我正在用L298N驱动我的小车的两个直流减速电机,其实它很好用,1和15和8引脚直接接地,4管脚VS接2.5到46的电压,它是用来驱动电机的,9引脚是用来接4.5到7V的电压的,它是用来驱动L298芯片的,记住,L298需要从外部接两个电压,一个是给电机的,另一个给L298芯片的6和11引脚是它的使能端,一个使能端控制一个电机,至于那个控制那个你自己焊接,你可以把它理解为总开关,只有当它们都是高电平的时候两个电机才有可能工作,5,7,10,12是298的信号输入端和单片机的IO口相连,2,3,13,14是输出端,输入5和7控制输出2和3, 输入的10,12控制输出的13,14L298N型驱动器的原理及应用L298N是SGS公司的产品,内部包含4通道逻辑驱动电路。
是一种二相和四相电机的专用驱动器,即内含二个H桥的高电压大电流双全桥式驱动器,接收标准TTL逻辑电平信号,可驱动46V、2A以下的电机。
其引脚排列如图1中U4所示,1脚和15脚可单独引出连接电流采样电阻器,形成电流传感信L298N的恒压恒流桥式2A驱动芯片L298N说明及应用L298是SGS公司的产品,比较常见的是15脚Multiwatt封装的L298N,内部同样包含4通道逻辑驱动电路。
可以方便的驱动两个直流电机,或一个两相步进电机。
L298N芯片可以驱动两个二相电机,也可以驱动一个四相电机,输出电压最高可达50V,可以直接通过电源来调节输出电压;可以直接用单片机的IO口提供信号;而且电路简单,使用比较方便。
L298N 可接受标准TTL逻辑电平信号V SS,V SS可接4.5~7 V电压。
4脚VS接电源电压,VS电压范围VIH为+2.5~46 V。
输出电流可达2.5 A,可驱动电感性负载。
1脚和15脚下管的发射极分别单独引出以便接入电流采样电阻,形成电流传感信号。
L298可驱动2个电动机,OUT1,OUT2和OUT3,OUT4之间可分别接电动机,本实验装置我们选用驱动一台电动机。
5,7,10,12脚接输入控制电平,控制电机的正反转。
EnA,EnB接控制使能端,控制电机的停转。
表1是L298N功能逻辑图。
In3,In4的逻辑图与表1相同。
由表1可知EnA为低电平时,输入电平对电机控制起作用,当EnA为高电平,输入电平为一高一低,电机正或反转。
同为低电平电机停止,同为高电平电机刹停。
L298N控制器原理如下:图3是控制器原理图,由3个虚线框图组成。
下面是3个虚线框图功能:(1)虚线框图1控制电机正反转,U1A,U2A是比较器,VI来自炉体压强传感器的电压。
当VI>VRBF1时,U1A输出高电平,U2A输出高电平经反相器变为低电平,电机正转。
同理VI <VRBF1时,电机反转。
电机正反转可控制抽气机抽出气体的流量,从而改变炉体压强。
(2)虚线框图2中,U3A,U4A两个比较器组成双限比较器,当VB<VI<VA时输出低电平,当VI>VA,VI<VB时输出高电平。
VA,VB是由炉体压强转感器转换电压的上下限,即反应炉体压强控制范围。
根据工艺要求,我们可自行规定VA,VB的值,只要炉体压强在VA,VB 所确定范围之间电机停转(注意VB<VRBF1<VA,如果不在这个范围内,系统不稳定)。
(3)虚线框图3是一个长延时电路。
U5A是一个比较器,Rs1是采样电阻,VRBF2是电机过流电压。
Rs1上电压大于VREF2,电机过流,U5A输出低电平。
由上面可知,框图1控制电机正反转,框图2控制炉体压强的纹波大小。
当炉体压强太小或太大时,电动机转到两端固定位置停止,根据直流电机稳态运行方程[3]:U=CeФN+RaIa其中:Ф为电机每极磁通量;Ce为电动势常数; N为电机转数;Ia为电枢电流;Ra电枢回路电阻。
电机转数N为0,电机的电流急剧增加,时间过长将会使电机烧坏。
但电机起动时,电机中线圈中的电流也急剧变大,因此我们必须把这两种状态分开。
长延时电路可把这两种状态区分出来。
长延时电路工作原理:当Rs1过流U5A产生一个负脉冲经过微分后,脉冲触发555的2脚,电路置位,3脚输出高电平,由于放电端7脚开路,C1,R5及U6A组成积分器开始积分,电容C1上的充电电压线性上升,延时运放积分常数为100R5C1。
当C1上充电电压,即6脚电压超过2/3 VCC,555电路复位,输出低电平。
电机启动时间一般小于0.8 s,C1充电时间一般为0.8~1 s。
U5A输出电平与555的3脚输出电平经U7相或,如果U5A 输出低电平大于C1充电时间,U7在C1充电后输出低电平由与门U8输入到L298N的6脚ENA 端使电机停止。
如果U5A的输出电平小于C1充电时间,6脚不动作电机的正常启动。
长延时电路吸收电机启动过流电压波形,从而使电机正常启动。
下图是其引脚图:1、15脚是输出电流反馈引脚,其它与L293相同。
在通常使用中这两个引脚也可以直接接地。
上图是其与51单片机连接的电路图。
--------------------------------------------------------------------L298应用实例实例一:用L298驱动两台直流减速电机的电路。
引脚6,9可用于PWM控制。
如果机器人项目只要求直行前进,则可将5,10和7,12两对引脚分别接高电平和低电平,仅用单片机的两个端口给出PWM信号控制6,11即可实现直行、转弯、加减速等动作。
实例二:用L298实现二相步进电机控制。
步进电机原理及其使用说明一、前言步进电机是将电脉冲信号转变为角位移或线位移的开环控制元件。
在非超载的情况下,电机的转速、停止的位置只取决于脉冲信号的频率和脉冲数,而不受负载变化的影响,即给电机加一个脉冲信号,电机则转过一个步距角。
这一线性关系的存在,加上步进电机只有周期性的误差而无累积误差等特点。
使得在速度、位置等控制领域用步进电机来控制变的非常的简单。
虽然步进电机已被广泛地应用,但步进电机并不能象普通的直流电机,交流电机在常规下使用。
它必须由双环形脉冲信号、功率驱动电路等组成控制系统方可使用。
因此用好步进电机却非易事,它涉及到机械、电机、电子及计算机等许多专业知识。
目前,生产步进电机的厂家的确不少,但具有专业技术人员,能够自行开发,研制的厂家却非常少,大部分的厂家只一、二十人,连最基本的设备都没有。
仅仅处于一种盲目的仿制阶段。
这就给用户在产品选型、使用中造成许多麻烦。
签于上述情况,我们决定以广泛的感应子式步进电机为例。
叙述其基本工作原理。
望能对广大用户在选型、使用、及整机改进时有所帮助。
二、感应子式步进电机工作原理(一)反应式步进电机原理由于反应式步进电机工作原理比较简单。
下面先叙述三相反应式步进电机原理。
1、结构:电机转子均匀分布着很多小齿,定子齿有三个励磁绕阻,其几何轴线依次分别与转子齿轴线错开。
0、1/3て、2/3て,(相邻两转子齿轴线间的距离为齿距以て表示),即A与齿1相对齐,B与齿2向右错开1/3て,C与齿3向右错开2/3て,A'与齿5相对齐,(A'就是A,齿5就是齿1)下面是定转子的展开图:2、旋转:如A相通电,B,C相不通电时,由于磁场作用,齿1与A对齐,(转子不受任何力以下均同)。
如B相通电,A,C相不通电时,齿2应与B对齐,此时转子向右移过1/3て,此时齿3与C偏移为1/3て,齿4与A偏移(て-1/3て)=2/3て。
如C相通电,A,B相不通电,齿3应与C对齐,此时转子又向右移过1/3て,此时齿4与A偏移为1/3て对齐。
如A相通电,B,C相不通电,齿4与A对齐,转子又向右移过1/3て。
这样经过A、B、C、A分别通电状态,齿4(即齿1前一齿)移到A相,电机转子向右转过一个齿距,如果不断地按A,B,C,A……通电,电机就每步(每脉冲)1/3て,向右旋转。
如按A,C,B,A……通电,电机就反转。
由此可见:电机的位置和速度由导电次数(脉冲数)和频率成一一对应关系。
而方向由导电顺序决定。
不过,出于对力矩、平稳、噪音及减少角度等方面考虑。
往往采用A-AB-B-BC-C-CA-A 这种导电状态,这样将原来每步1/3て改变为1/6て。
甚至于通过二相电流不同的组合,使其1/3て变为1/12て,1/24て,这就是电机细分驱动的基本理论依据。
不难推出:电机定子上有m相励磁绕阻,其轴线分别与转子齿轴线偏移1/m,2/m……(m-1)/m,1。
并且导电按一定的相序电机就能正反转被控制——这是步进电机旋转的物理条件。
只要符合这一条件我们理论上可以制造任何相的步进电机,出于成本等多方面考虑,市场上一般以二、三、四、五相为多。
3、力矩:电机一旦通电,在定转子间将产生磁场(磁通量Ф)当转子与定子错开一定角度产生力F与(dФ/dθ)成正比其磁通量Ф=Br*S ;Br为磁密;S为导磁面积; F与L*D*Br成正比;L为铁芯有效长度;D为转子直径;Br=N·I/RN·I为励磁绕阻安匝数(电流乘匝数)R为磁阻。
力矩=力*半径力矩与电机有效体积*安匝数*磁密成正比(只考虑线性状态)因此,电机有效体积越大,励磁安匝数越大,定转子间气隙越小,电机力矩越大,反之亦然。
(二)感应子式步进电机1、特点:感应子式步进电机与传统的反应式步进电机相比,结构上转子加有永磁体,以提供软磁材料的工作点,而定子激磁只需提供变化的磁场而不必提供磁材料工作点的耗能,因此该电机效率高,电流小,发热低。
因永磁体的存在,该电机具有较强的反电势,其自身阻尼作用比较好,使其在运转过程中比较平稳、噪音低、低频振动小。