数字逻辑实验指导书
- 格式:doc
- 大小:2.13 MB
- 文档页数:30
实验一集成电路的逻辑功能测试一、实验目的1、掌握Multisim软件的使用方法。
2、掌握集成逻辑门的逻辑功能。
3、掌握集成与非门的测试方法。
二、实验原理TTL集成电路的输入端和输出端均为三极管结构,所以称作三极管、三极管逻辑电路(Transistor -Transistor Logic 简称TTL电路。
54 系列的TTL电路和74 系列的TTL电路具有完全相同的电路结构和电气性能参数。
所不同的是54 系列比74 系列的工作温度范围更宽,电源允许的范围也更大。
74 系列的工作环境温度规定为0—700C,电源电压工作范围为5V±5%V,而54 系列工作环境温度规定为-55—±1250C,电源电压工作范围为5V±10%V。
54H 与74H,54S 与74S 以及54LS 与74LS 系列的区别也仅在于工作环境温度与电源电压工作范围不同,就像54 系列和74 系列的区别那样。
在不同系列的TTL 器件中,只要器件型号的后几位数码一样,则它们的逻辑功能、外形尺寸、引脚排列就完全相同。
TTL 集成电路由于工作速度高、输出幅度较大、种类多、不易损坏而使用较广,特别对我们进行实验论证,选用TTL 电路比较合适。
因此,本实训教材大多采用74LS(或74系列TTL 集成电路,它的电源电压工作范围为5V±5%V,逻辑高电平为“1”时≥2.4V,低电平为“0”时≤0.4V。
它们的逻辑表达式分别为:图1.1 分别是本次实验所用基本逻辑门电路的逻辑符号图。
图1.1 TTL 基本逻辑门电路与门的逻辑功能为“有0 则0,全1 则1”;或门的逻辑功能为“有1则1,全0 则0”;非门的逻辑功能为输出与输入相反;与非门的逻辑功能为“有0 则1,全1 则0”;或非门的逻辑功能为“有1 则0,全0 则1”;异或门的逻辑功能为“不同则1,相同则0”。
三、实验设备1、硬件:计算机2、软件:Multisim四、实验内容及实验步骤1、基本集成门逻辑电路测试 (1测试与门逻辑功能74LS08是四个2输入端与门集成电路(见附录1,请按下图搭建电路,再检测与门的逻辑功能,结果填入下表中。
《数字逻辑》实验指导书四、实验提示1.74LS73引脚11是GND,引脚4是VCC。
2.D触发器74LS74是上升沿触发,JK触发器74LS73是下降沿触发;3.在测试D触发器和J-K触发器时,注意CLK在按下之前和按下之后对输出Q/Q的影响。
五、实验报告要求1.根据实验内容1~4的结果作出各触发器的功能表;2.根据实验内容5的实验结果画出电路的数字波形图,并分析电路的工作原理。
5实验五计数器一、实验目的1.掌握异步计数器和同步计数器的工作原理;2.掌握集成同步十进制计数器74LSl62的功能和使用方法。
二、实验器件和设备1.双J-K触发器74LS73 2.同步4位BCD计数器74LS162 3.四2输人正与门74LS08 4.TDS-2数字电路实验系统三、实验内容1.图5-1为J-K触发器构成的3位异步二进制计数器。
输出Q2、Q1、Q0分别接LED指示灯,使用单脉冲做为计数时钟,测试计数器的功能,观测计数状态,并记录。
2片 1片 1片 1台图5-1 3位异步二进制计数器2.图5-2为J-K触发器构成的3位同步二进制计数器。
输出Q2、Q1、Q0分别接LED指示灯,使用单脉冲做为计数时钟,测试计数器的功能,观测计数状态,并记录。
图5-2 3位同步二进制计数器3.图5-3为集成4位同步十进制计数器74LSl62的应用图例,RCO、QD、QC、QB、QA分别LED指示灯,使用单脉冲做为计数时钟,测试计数器的功能,观测计数状态,并记录。
四、实验报告要求1.作出实验内容1和2的功能表,并画出在连续计数脉冲下Q2、Q1、Q0的波形图;2.根据实验3的结果画出在连续计数脉冲下RCO、Q2、Q1、Q0的波形图。
图5-3 4位同步十进制计数器6实验六集成计数器的应用一、实验目的1.掌握计数器74LSl62的功能和级连方法; 2.掌握任意模计数器的构成方法。
二、实验说明1.计数器器件是应用较广的器件之一。
它有很多型号,各自完成不同的功能,供不同的需要选用。
《数字逻辑实验指导书》实验一组合逻辑电路分析与设计一、实验目的:1、掌握PLD实验箱的结构和使用;2、学习QuartusⅡ软件的基本操作;3、掌握数字电路逻辑功能测试方法;4、掌握实验的基本过程和实验报告的编写。
二、原理说明:组合电路的特点是任何时刻的输出信号仅取决于该时刻的输入信号,而与信号作用前电路的状态无关。
(一)组合电路的分析步骤:(二)组合逻辑电路的设计步骤首先根据给定的实际问题进行逻辑抽象,确定输入、输出变量,并进行状态赋值,再根据给定的因果关系,列出逻辑真值表。
然后用公式法或卡诺图法化简逻辑函数式,以得到最简表达式。
最后根据给定的器件画出逻辑图。
三、实验内容(一)组合逻辑电路分析:1.写出函数式,画出真值表;2.在QuartusⅡ环境下用原理图输入方式画出原理图,并完成波形仿真;3.将电路设计下载到实验箱并进行功能验证,说明其逻辑功能。
(必做)(二)1. 设计一个路灯的控制电路,要求在四个不同的路口都能独立地控制路灯的亮灭。
(用异或门实现)画出真值表,写出函数式,画出实验逻辑电路图。
在Quartus Ⅱ环境下实现设计,完成对波形的仿真,并将设计下载到实验箱并进行功能验证。
(必做)要求:用四个按键开关作为四个输入变量;用一个LED 彩灯(发光二极管)来显示输出的状态,“灯亮”表示输出为“高电平”,“灯灭”表示输出为“低电平”。
2. 设计一个保密锁电路,保密锁上有三个键钮A 、B 、C 。
要求当三个键钮同时按下时,或A 、B 两个同时按下时,或按下A 、B 中的任一键钮时,锁就能被打开;而当不符合上列组合状态时,将使电铃发出报警响声。
试设计此电路,列出真值表,写出函数式,画出最简的实验电路。
(用最少的与非门实现)。
在Quartus Ⅱ环境下实现设计,完成对波形的仿真,并将设计下载到实验箱并进行功能验证。
(选做)(注:取A 、B 、C 三个键钮状态为输入变量,开锁信号和报警信号为输出变量,分别用F 1用F 2表示。
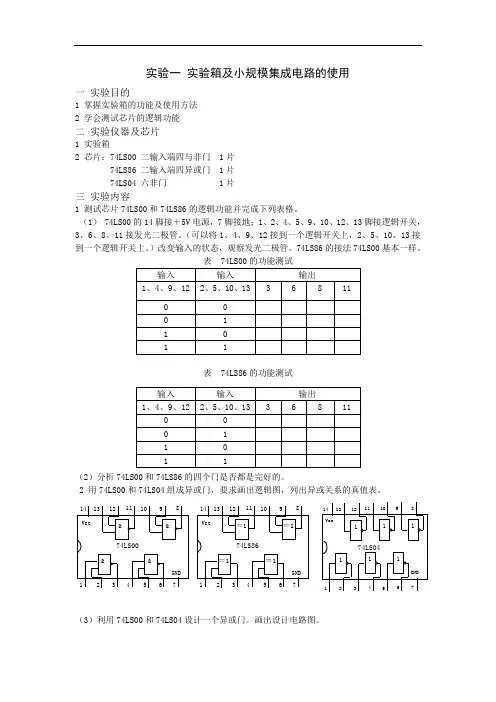
实验一 实验箱及小规模集成电路的使用一 实验目的1 掌握实验箱的功能及使用方法2 学会测试芯片的逻辑功能二 实验仪器及芯片1 实验箱2 芯片:74LS00 二输入端四与非门 1片74LS86 二输入端四异或门 1片 74LS04 六非门 1片三 实验内容1 测试芯片74LS00和74LS86的逻辑功能并完成下列表格。
(1) 74LS00的14脚接+5V 电源,7脚接地;1、2、4、5、9、10、12、13脚接逻辑开关,3、6、8、11接发光二极管。
(可以将1、4、9、12接到一个逻辑开关上,2、5、10、13接到一个逻辑开关上。
)改变输入的状态,观察发光二极管。
74LS86的接法74LS00基本一样。
表 74LS00的功能测试表 74LS86的功能测试(2)分析74LS00和74LS86的四个门是否都是完好的。
2 用74LS00和74LS04组成异或门,要求画出逻辑图,列出异或关系的真值表。
(3)利用74LS00和74LS04设计一个异或门。
画出设计电路图。
实验二译码器和数据选择器一实验目的1继续熟悉实验箱的功能及使用方法2掌握译码器和数据选择器的逻辑功能二实验仪器及芯片1 实验箱2 芯片:74LS138 3线-8线译码器 1片74LS151 八选一数据选择器 1片74LS20 四输入与非门 1片三实验内容1 译码器功能测试(74LS138)芯片管脚图如图所示,按照表连接电路,并完成表格。
其中16脚接+5V,8脚接地,1~6脚都接逻辑开关,7、9、10、11、12、13、14、15接发光二极管。
表2 数据选择器的测试(74LS151)按照表连接电路,并完成表格。
其中16脚接+5V,8脚接地;9、10、11,为地址输入端,接逻辑开关;4、3、2、1、12、13、14、15为8个数据输入端,接逻辑开关;G为选通输入端,Y为输出端,接发光二极管。
表选通端地址输入端 数据输入端 输出 GA 2 A 1 A 0 D 0 D 1 D 2 D 3 D 4 D 5 D 6 D 7 Y 1 × × × × × × × × × × × 0 0 0 0 0 0 0 1 1 1 1 1 0 0 0 1 1 1 1 0 0 0 0 0 0 0 1 0 1 1 1 1 0 0 0 0 0 0 1 1 1 0 1 0 1 1 1 1 0 1 0 0 0 1 0 1 0 0 0 0 0 1 0 1 1 1 0 0 1 1 0 0 0 1 1 0 1 1 0 0 1 1 1 0 0 11111113 分别用74LS138(配合74LS20)和74LS151实现逻辑函数),,,(7421m m m m F ∑=,要求画出逻辑图。
《数字逻辑》实验指导书计算机科学系硬件教研室二○一三年九月实验一基本逻辑门和逻辑电路一、实验目的1.掌握TTL与非门、或非门和异或门的输入与输出之间的逻辑关系;2.掌握组合逻辑电路的基本分析方法;3.熟悉TTL小规模数字集成电路的外型、引脚和使用方法;4.初步掌握“TDS-4数字系统综合实验平台”和常规实验仪器的使用方法。
二、实验器件和设备1.四2输入与非门74LS00 1片2.四2输入或非门74LS28 1片3.四2输入异或门74LS86 1片4.三态输出的四总线缓冲器74LS125 1片5.TDS-4数字系统综合实验平台1台6.万用表1个三、实验内容1.按图1.1测试与非门、或非门和异或门的输入和输出的逻辑关系;图1.1 基本逻辑门2.测试并分析下图1.2逻辑电路的功能。
图1.2 组合逻辑电路四、实验提示1.将被测器件插入实验台上的14芯插座中,器件的引脚7与实验台的“地(GND)”连接,引脚14与实验台的+5V连接;2.用实验台的电平开关输出作为被测器件的输入,拨动开关,则改变器件的输入电平;3.将被测器件的输出引脚与实验台上的电平指示灯连接,指示灯亮表示输出电平为1,指示灯灭表示输出电平为0;4.用万用表的电压档测量被测器件的输入引脚和输出引脚的电压值。
五、实验报告要求1.分别用真值表和电压值表的形式表示实验内容1的结果;2.用真值表的形式表示实验内容2的结果,写出电路的逻辑函数并分析其功能。
实验二译码器、编码器和数据选择器一、实验目的1.掌握译码器、编码器、数据选择器的逻辑功能和使用方法;2.掌握TTL中规模集成电路的应用方法。
二、实验器件和设备1.3-8线译码器74LSl38 1片2.8-3线优先编码器74LS148 1片3.双4选1数据选择器74LSl53 1片4.TDS-2数字电路实验系统1台5.万用表或逻辑笔1个三、实验内容1.测试3-8线译码器74LSl38的逻辑功能。
使能输入端G1、G2A、G2B和编码输入端C0、C1、C2分别接电平开关,译码输出端Y0~Y7分别接LED指示灯。
实验一集成电路的逻辑功能测试一、实验目的1、掌握Multisim软件的使用方法。
2、掌握集成逻辑门的逻辑功能。
3、掌握集成与非门的测试方法。
二、实验原理TTL集成电路的输入端和输出端均为三极管结构,所以称作三极管、三极管逻辑电路(Transistor -Transistor Logic )简称TTL电路。
54 系列的TTL电路和74 系列的TTL电路具有完全相同的电路结构和电气性能参数。
所不同的是54 系列比74 系列的工作温度范围更宽,电源允许的范围也更大。
74 系列的工作环境温度规定为0—700C,电源电压工作范围为5V±5%V,而54 系列工作环境温度规定为-55—±1250C,电源电压工作范围为5V±10%V。
54H 与74H,54S 与74S 以及54LS 与74LS 系列的区别也仅在于工作环境温度与电源电压工作范围不同,就像54 系列和74 系列的区别那样。
在不同系列的TTL 器件中,只要器件型号的后几位数码一样,则它们的逻辑功能、外形尺寸、引脚排列就完全相同。
TTL 集成电路由于工作速度高、输出幅度较大、种类多、不易损坏而使用较广,特别对我们进行实验论证,选用TTL 电路比较合适。
因此,本实训教材大多采用74LS(或74)系列TTL 集成电路,它的电源电压工作范围为5V±5%V,逻辑高电平为“1”时≥2.4V,低电平为“0”时≤0.4V。
它们的逻辑表达式分别为:图1.1 分别是本次实验所用基本逻辑门电路的逻辑符号图。
图1.1 TTL 基本逻辑门电路与门的逻辑功能为“有0 则0,全1 则1”;或门的逻辑功能为“有1则1,全0 则0”;非门的逻辑功能为输出与输入相反;与非门的逻辑功能为“有0 则1,全1 则0”;或非门的逻辑功能为“有1 则0,全0 则1”;异或门的逻辑功能为“不同则1,相同则0”。
三、实验设备1、硬件:计算机2、软件:Multisim四、实验内容及实验步骤1、基本集成门逻辑电路测试 (1)测试与门逻辑功能74LS08是四个2输入端与门集成电路(见附录1),请按下图搭建电路,再检测与门的逻辑功能,结果填入下表中。
实验八 基于Quartus Ⅱ的原理图设计一、实验目的1、掌握Quartus II 集成开发环境软件原理图输入的设计流程;2、掌握74390的工作原理,学会通过Quartus II 建立原理图设计小型数字电路;3、掌握对设计进行编译、仿真的方法。
二、实验原理运用Quartus Ⅱ的原理图设计方法设计如图1-1 所示的两位十进制计数器,并对1-1 所示的十进制计数器进行功能仿真,最后生成一个独立元件。
图 1-1 两位十进制计数器原理图74390 是一个两位双计数器,其真值表见表 1-1 。
图 1-1 中的 74390 连接成两个独立的十进制计数器,计数脉冲 CLK 和使能信号 ENB 通过与门进入 74390 计数器“1”端的时钟输入 1CLK ,当 ENB 为“1”时允许计数,当 ENB 为“0”时禁止计数。
计数器 1 的 4 位输出 q[3]、q[2]、q[1]和 q[0]并行总线表示方式即 q[3..0],由 q[1]和 q[2]通过反相器取反后与 q[0]和 q[3]通过四输入的与门构成进位信号,即当计数到 9(1001)时输出进位信号 COUNT0; COUNT0 信号进入第二个计数器的 2CLKA 端进行计数,第二个计数器的 4 位输出信号q[7]、 q[6]、 q[5]和 q[4] 并行总线表示方式即 q[7..4],由 q[5]和 q[6]通过反相器取反后与 q[4]和 q[7] 连同 COUNT0 通过 6 输入的与门构成总的进位信号COUNT1,即当计数到99(10011001)时输出进位信号 COUNT1 。
0 0 1 0 1 50 0 1 1 0 60 0 1 1 1 70 1 0 0 0 80 1 0 0 1 9注 A:对于 BCD(十进)计数,输出 QA 连到输入 B 计数;注 B:对于 5—2 进制计数,输出 QD 连到输入 A 计数。
三、实验设备1、硬件:计算机2、软件:Quartus Ⅱ软件四、实验内容及实验步骤1.工程项目的建立(1)新建一个文件夹作为工程项目的目录一般要求不同的设计项目最好放在不同的文件夹,而同一工程的所有文件都必须放在同以文件夹中,所有文件夹和工程文件的名称都是英文字母,不要用中文,比如E:\EDA\Sample。
LAB BROCHUREDigital Logic Design Lab DEPARTMENT OF ELECTRICAL ENGINEERINGCONTENTS...................................................................................................................... Lab Venue 3............................................................................................. Lab Objectives & Courses 3 Lab Description & Experiments 4....................................................................................................................................................................................... Hardware Experiments 5 ....................................................................................................... Verilog Experiments 6 Lab Resources 7...............................................................................................................DLD Lab Venue: Computer Interfacing Lab First Floor, Electrical DepartmentLab VenueThe Digital Logic Design Lab (DLD Lab) is one of the most important and well equipped lab of the Department of Electrical Engineering at University of Engineering and Technology, Lahore. This lab is conducted at the Computer Interfacing Lab situated at the first floor of the Electrical Engineering Department.Scope of the LabThe DLD Lab is for undergraduate coursework related to the course EE131. It is one of the core modules of B. Sc. Electrical Engineering therefore the lab has a significant importance in the department.Related CoursesThis lab is designed such that thestudents get a hands on familiaritywith the concepts they come acrossin the course EE131 that is the DigitalSystems course. This is anundergraduate course which dealswith the basics of digital systemsdesign and is a core module of theB. Sc. Electrical Engineeringcoursework as it provides theprerequisites for advance courses indigital electronics. Because of thesignificance of this course the DLDLab has been carefully designed tomeet the course requirement.Brief Overview of the LabThe Lab is well equipped withboth hardware and software facilitiesrequired by the students to performthe necessary experiments designedfor this lab. Details of the labequipment has been discussed in aproceeding section.Experiments are designed insuch a way that the students becomewell aware of the concepts they learnin the theory sessions. A list ofexperiments that are conducted inthis lab has also been mentioned in aproceeding section.Experiments are related to bothdigital hardware and VerilogProgramming.Objectives & CoursesLab Description & ExperimentsLab DescriptionThe Experiments in the Lab have been divided into two major portions:•Hardware Labs•Hardware Description Language (Verilog) LabsHardware Labs have been designed to familiarize students with the Combinational Digital Logic Design and Sequential Digital Logic Design through the implementation of Digital Logic Circuits using ICs of basic logic gates and some simple digital logic circuits.HDL (Verilog) Labs havebeen designed tofamiliarize students with theHDL based Digital DesignFlow. These labs introducestudents with differentlevels of coding available inVerilog i.e. Gate level,Dataflow level andBehavioral level. Xilinx ISE7.1 tools have been used inthese labs. Finally, theskills learnt in the HDLlabs are employed toimplement some digitallogic circuits on Spartan-3FPGA, using Xilinx StarterKit Development Board.Expected OutcomesWith the help of the twothreads of the labmentioned above, studentswill have clearunderstanding of all thethree paradigms ofimplementation of digitallogic circuits:•Implementation usingICs for basic logic gatesand simple circuits•Implementationthrough the Developmentof Dedicated IC(ASIC)•Implementationthrough ReconfigurableLogic (i.e. FPGA)This makes studentsadept in basic conceptsinvolved in digital logicdesign. The lab contributesa lot to the basic learning ofdigital systems.This shows theindispensability of theDLD Lab.List of ExperimentsList of experiments isgiven on page 5 and 6. Asmentioned before the labhas two major portionstherefore there are two listsof experiments one relatedto the hardware labs andthe other related to thehardware descriptionlanguage (verilog) labs. Allthese experiments aremandatory and each lab isfollowed by speciallydesigned assignments.A Lab DemonstrationA Digital Chip (inside view)TITLE TOPICS1To Verify the Behavior of Logic Gates using Truth Table and Familiarization with Digital Integrated Circuits Basic Logic Gates, Truth Table, Integrated Circuits2Implementation of Boolean Function using Logic Gates and Introduction to Hierarchical Design of Digital Logic Circuits Boolean Functions,Boolean Algebra,Hierarchical Design of Digital Logic Circuits3Familiarization with the Different Portions of the Datasheet fora Digital IC and Using the Datasheet to Gather RelevantInformation to Utilize the IC as a Component in another DigitalLogic Circuit Datasheet of a Digital Logic IC, Hierarchical Design of Digital Logic Circuits4Implementation of 8 bit Binary Comparator using 4 bit Binary Comparators Binary Comparator,Hierarchical Design of Digital Logic Circuits5Implementation of 4bit into 3bit Binary Multiplier using 4bit Binary Adders Binary Multiplication,Hierarchical Design of Digital Logic Circuits6Implementation of BCD Adder using 4bit Binary Adders, 4 to 7 Segment Decoder and 2Digit 7 Segment Display BCD addition,Hierarchical Design of Digital Logic Circuits7Implementing a Full Adder using(a) Decoder(b) Multiplexer Implementation of Boolean function using Decoder,Implementation of Boolean function using Multiplexer8Flip Flops Different Types of Flip Flops9To study the fundamentals of basic counters and to construct various types of counters CountersHardware ExperimentsTITLE TOPICS1Introduction to HDL based Digital Design Methodology HDL based Digital Design Flow usingVerilog,Introduction to Outsourcing Business Model2Introduction to Basic Syntax of Verilog and Gate level Modelingthrough implementation of half adder at gate level and itssimulation using Xilinx ISE tools Basic Concepts of Verilog, Modules and Ports, Gatelevel coding in Verilog,3Introduction to the concepts of Instantiation and HierarchicalDesign in Verilog through the implementation of full adderusing the previously designed half adder modulesHierarchical Design in Verilog4Introduction to the Concept of Vectors and Introduction to Dataflow modeling through implementation of half adder andfull adder at dataflow level Vectors in Verilog,Dataflow level coding in Verilog5Consolidation of the concepts of Dataflow level modeling and Introduction to the concept of Synthesis by the CAD tool Dataflow level coding in Verilog, Logic Synthesis6Introduction to Behavioral modeling through implementation ofhalf adder and full adder at behavioral level.Behavioral level coding in Verilog7Introduction to if else statement and case statement inBehavioral modeling through implementation of Multiplexerif else and case statements in Verilog8Introduction to the Concepts of Sequential Circuit anda TestBench module (Stimulus Block)Sequential circuits in Verilog, Concept of Testbench module in Verilog9Behavioral Level Coding of Basic Sequential Circuits andConsolidation of the concepts of TestBench module (StimulusBlock)Sequential circuits in Verilog10Introduction to Field Programmable Gate Array(FPGA) and Steps involved in its Programming Need for Reconfigurable Logic, Xilinx ISE Tools for Programming the Xilinx FPGAsVerilog ExperimentsLab ResourcesHardware ResourcesThe lab is fully equipped with all the hardware required to conduct the above mentioned experiments. The hardware resources of the lab are:•Pentium-IV PCs (with MS WinXp OS)•Hardware trainers for logic circuit design and analysis•Electronic Chips of all digital gates•Spartan-III FPGA board kits•Power SuppliesThese resources allowthe students to have ahands on experience ofbasic digital logic designconcepts. This activitygreatly leverages what thestudents learn in the theorysessions.Software ResourcesThe lab also consists ofthe software resourcesrequired by the studentsnamely:•Veriwell•ModelSim•Xilinx IDE•MatlabSoftware resources areequally important ashardware resources are.These software resourcesare sufficient for thestudents to performexperiments. Thesesoftwares provide thestudents with thenecessary platform to workon HDL that is the Verilog.These softwares are alsorequired to work with thesophisticated hardwareslike Spartan-III FPGAboards.The lab has all theresources whether relatedto hardware or software sothat the students becomeadept in the basic field ofdigital electronics.Students areencouraged to use the labresources to performactivities andexperiments which helpthem strengthen theirconcepts.Lab StaffLike other labs of thedepartment there is atrained and able staffconsisting of skilled labtechnicians that take careof the lab equipment.They also guidestudents about handlingthe lab equipment and theprecautionary measuresrequired for the studentswhile working in the lab.A Digital Circuit BoardA SimulationDIGITAL LOGIC DESIGN LAB1st Floor, Department of Electrical Engineering UNIVERSITY OF ENGINEERING & TECHNOLOGY, LAHORE-54890, PAKISTAN..pkurl:Ph: + 92 42 9029229, Fax: + 92 42 9250224Computer Interfacing Lab。
目录实验1: 基本逻辑门电路 (2)EDA设计实验的基本步骤和注意事项 (4)实验2: 译码器及其应用 (10)实验3 触发器、移位寄存器的设计和应用 (15)实验4: 计数器 (18)实验5: 数字系统的设计 (19)实验报告格式和内容 (20)实验1: 基本逻辑门电路一、实验目的1: 掌握各种门电路的逻辑功能及测试方法。
2: 学习用与非门组成其它逻辑门电路。
二、实验用的仪器、仪表TEC —5实验箱 74LS00二输入四与非门 三态门74LS125三、实验原理与非门的逻辑功能是: 当输入端中有一个或一个以上低电平时, 输出端为高电平。
只有当输入端全为高电平时, 输出端才为低电平(即有“0”得“1”, 全“1”出“0”)。
三态输出门是一种特殊的门电路。
它与普通的逻辑门电路不同, 它的输出状态除了高、低电平两种状态(均为低阻状态)外, 还有第三种状态,即高阻态。
处于高阻态时, 电路与负载之间相当于开路。
三态门主要用途之一是实现总线传输。
三态输出门符号与功能表如下(此例以低有效的使能器件为例)。
四、实验内容 1: 测试二输入与非门的逻辑功能与非门的输入端接逻辑开关电平, 输出端接发光二极管。
按表1-2所示测试与非门, 并将测试结果填入表中。
B A F •= 表1-1AB2: 学习用二输入与非门构成其他逻辑电路的方法, 并测试。
与门逻辑功能实现:根据布尔代数的理论, ,所以用2个与非门即可实现与门逻辑功能。
输入A 、B 接逻辑开关, 输出端接发光二极管。
参考表1-1, 设计表格, 并将测试结果填入表中。
或门逻辑功能实现:根据布尔代数的理论, ,所以用3个与非门即可实现或门逻辑功能。
输入A 、B 接逻辑开关, 输出端接发光二极管。
参考表1-1, 设计表格, 并将测试结果填入表中。
异或门逻辑功能实现:根据布尔代数的理论, ,根跟据此异或逻辑表达式经过变换, 逻辑图如下, 请自行验证此逻辑图的正确性, 同时思考如果直接据逻辑表达式画逻辑图, 效果如何, 近而体会变换的作用。
数字逻辑设计实训指导书数字逻辑设计实训指导书一、教学目标(一)课程性质实训(二)课程目的训练学生综合运用学过的数字电路的基本知识以及独立设计比较复杂的数字电路的能力。
二、教学内容及基本要求(一)实训题目题目见附录1,要求2~3人一组,每组一题。
(二)设计内容及要求1)课题方案及电路设计按课题的要求确定电路的组成方案,根据题目要求的逻辑功能进行电路设计,电路各个组成部分必须有设计说明,手工设计要用Protel软件画出电路原理图和PCB图。
2)电路仿真①基于PROTEUS(或Multisim)的电路仿真。
用电路仿真软件PROTEUS(或Multisim)对手工设计好的电路进行仿真,根据仿真结果对设计的电路进行修改和完善。
②基于电子设计平台QuartusII以及大规模可编程逻辑器件FPGA/CPLD的自动化设计及硬件电路仿真。
利用电子开发设计平台QuartusII,采用原理图输入或VHDL文本输入的方法进行逻辑电路的自动化设计并进行仿真,满足设计要求后在EDA实验箱(PK-3)进行下载和硬件仿真。
3)硬件电路制作(选做)用中小规模数字集成电路实现设计的电路。
三、主要教学环节(一)设计时间安排1)本实训的时间为3周。
2)设计前一周布置设计题目,学生进行相关资料及知识的准备。
3)第一周:电路的手工设计及软件仿真4)第二周:基于QuartusII的自动化设计及仿真5)第三周:硬件电路制作与调试(二)设计的评价设计全部完成后,须经指导老师验收。
老师根据学生演示及回答问题情况对学生设计结果进行评价。
课程设计成绩的评定按下表进行:注:加权求和时:E取30分;D为65分;C为75分;B为85分;A为95分。
四、实训报告的内容和要求(一)实训报告的内容按广西工学院课程设计报告模板进行编写,用A4纸打印,左侧装订。
(二)实训报告编写的基本要求(1)按规定格式书写,所有内容一律打印;(2)报告内容包括设计任务、设计过程、软件仿真的结果及分析、硬件仿真(或电路制作调试)的结果及分析;(3)要有整体电路原理图和各模块电路的原理图;(4)各人独立完成各自设计报告,同组亦不能相互抄袭。
数字逻辑实验讲义实验一 基本逻辑门电路测试一.实验目的:1. 掌握TTL 与非门主要外部特性参数的测试方法。
2. 掌握TTL 与非门逻辑功能测试方法。
2. 熟悉数字电路实验箱、数字万用表的使用。
二.实验仪器及器件:1.数字电路实验箱 1台2.数字万用表 1块3.器件: 74LS00 四2输入与非门 1片 电阻:200Ω 1个三.实验预习:复习TTL 与非门的逻辑功能、主要参数及其测量方法和电压传输特性。
四.实验原理:TTL 与非门电路是目前较为普遍的一种集成门电路。
本实验采用四2输入与非门74LS00,即在一块集成块内含有四个互相独立的与非门,每个与非门有2个输入端。
其电路图、逻辑符号及引脚排列如图1(a)、(b)、(c)所示。
图1出0。
与非门的逻辑函数式:Y=AB 对于使用集成电路者来说,所关心的是集成门电路从导通到截止所需要的转Y A B (b)+ V (+5V) (c) 74LS00换条件其所表现出来的转换特性,诸如开门电平、输出高电平、输出低电平等这样一些静态参数,以及诸如平均传输延迟时间一类动态参数的测量,下图所示为与非门电路的转换特性(电压传输特性)曲线,它表示输入由低电平变到高电平时输出电平的相应变化,所有这些都是选择和设计电路所必须了解的。
五.实验内容:1.测试TTL 与非门的静态参数:(1)输入短路电流I IS 和输入漏电流I IH : I IS (或I IL ):指被测输入端接地,其余输入端和输出端悬空时,由被测输入端流出的电流。
也称低电平输入电流。
在由多级门构成的电路中,I IS 相当干前级门输出低电平时,后级向前级门灌入的电流。
因此,I IS 关系到前级门的灌电流负载能力,I IS 越小,前级门带负载的个数就越多。
测试电路如图2(a )所示。
I IH :指被测输入端接高电平,其余输入端接地,输出端悬空时,流入被测输入端的电流。
也称高电平输入电流。
在由多级门构成的电路中,它相当于前级门输出高电平时,前级门的拉电流负载。
实验要求及考核方式1、实验预习预备知识+熟悉实验内容2、必备工具实验指导书+笔+预习实验报告+理论教材3、操作要求实验前认真学习注意事项+实验后仪器及工作台整理4、实验完毕上交完整实验报告5、考核方式(考试卷面成绩50%+平时成绩50%(包括操作成绩+实验报告)实验一熟悉数字逻辑实验箱及万用表的使用一、实验目的1、熟悉数字逻辑实验箱各大模块的组成掌握其使用方法。
2、熟悉数字万用表的使用方法。
二、实验设备及器件1、数字逻辑实验箱1台2、数字万用表1台三、实验预备知识1、数字万用表常用功能及使用方法?2、基本门电路的运算逻辑?3、集成芯片的常用封装形式有哪些?4、常用的电子显示器件有哪些?四、实验内容与步骤1、学会用数字万用表测电压、电阻等的使用方法;①测出实验箱电源电压;②测出连接导线电阻;2、电源及开关模块(1)熟悉电源及地的引出点?(2)熟悉用开关输出高低逻辑电平?3、基本逻辑门模块及逻辑功能测试测试二输入与门、或门、与非的逻辑功能。
按表1-1要求用开关改变输入端A,B的状态,借助指示灯和万用表,把测试结果填入表1-1中。
表1-14、熟悉DIP封装的集成模块的引脚分布及与插座安装方法(1)DIP封装?英文全称?(2)学会如何分辨集成芯片的引脚排列?(3)集成芯片如何安插到芯片座?5、熟悉显示模块及功能测试(1)如何用发光二极管显示一组(如4位)逻辑状态?(2)数码管的显示原理及使用?6、了解实验箱其他功能模块及用途(1)实验箱其他功能模块有?(2)使用注意事项?五、实验要求1、掌握数字万用表常用使用方法。
2、分析基本门电路的逻辑功能,将实验结果填入各相应表中。
3、回答思考题实验箱上的发光二极管是共阳极还是共阴极?如何分辨?4、独立完成实验,交出完整的报告。
实验二TTL门电路功能测试一、实验目的1、熟悉TTL各种门电路的逻辑功能及测试方法。
2、熟悉数字万用表的常用功能及使用方法。
3、掌握门电路相互转换方法。
数字逻辑实验指导书2012-3目录实验一TTL集成逻辑门的参数测试(基本)...............................2学时实验二组合逻辑电路的设计(设计)..... .....................................2学时实验三BCD七段显示译码器(应用).. ............... ............... .......2学时实验四触发器的功能测试(基本)...............................................2学时实验五数据选择器的功能分析与设计(综合)...........................2学时实验六移位寄存器及其应用(应用)............. ....... .....................2学时实验七555定时器的应用(综合)...............................................2学时实验一 TTL集成逻辑门的参数测试实验学时:2实验类型:基本实验要求:必做一、实验目的1、了解TTL与非门各参数的意义。
2、掌握TTL集成门电路的逻辑功能和参数测试方法。
3、熟悉TPE-D3数字电路实验箱的基本功能和使用方法。
二、实验原理、方法和手段TTL集成与非门是数字电路中广泛使用的一种逻辑门,使用时,必须对它的逻辑功能、主要参数和特性曲线进行测试,以确定其性能好坏。
本实验主要是对TTL集成与非门74LS20进行测试,该芯片外形为DIP双列直插式结构。
原理电路、逻辑符号和管脚排列如图1-1(a)、(b)、(c)所示。
图1-1 74LS20芯片原理电路、逻辑符号和封装引脚图1. 与非门的逻辑功能与非门的逻辑功能是:当输入端有一个或一个以上的低电平时,输出端为高电平;只有输入端全部为高电平时,输出端才是低电平。
(即有“0”得“1”,全“1”得“0”。
《数字逻辑实验指导书》实验一组合逻辑电路分析与设计一、实验目的:1、掌握PLD实验箱的结构和使用;2、学习QuartusⅡ软件的基本操作;3、掌握数字电路逻辑功能测试方法;4、掌握实验的基本过程和实验报告的编写。
二、原理说明:组合电路的特点是任何时刻的输出信号仅取决于该时刻的输入信号,而与信号作用前电路的状态无关。
(一)组合电路的分析步骤:(二)组合逻辑电路的设计步骤首先根据给定的实际问题进行逻辑抽象,确定输入、输出变量,并进行状态赋值,再根据给定的因果关系,列出逻辑真值表。
然后用公式法或卡诺图法化简逻辑函数式,以得到最简表达式。
最后根据给定的器件画出逻辑图。
三、实验内容(一)组合逻辑电路分析:1.写出函数式,画出真值表;2.在QuartusⅡ环境下用原理图输入方式画出原理图,并完成波形仿真;3.将电路设计下载到实验箱并进行功能验证,说明其逻辑功能。
(必做)(二)组合逻辑电路设计1.设计一个路灯的控制电路,要求在四个不同的路口都能独立地控制路灯的亮灭。
(用异或门实现)画出真值表,写出函数式,画出实验逻辑电路图。
在QuartusⅡ环境下实现设计,完成对波形的仿真,并将设计下载到实验箱并进行功能验证。
(必做)要求:用四个按键开关作为四个输入变量;用一个LED彩灯(发光二极管)来显示输出的状态,“灯亮”表示输出为“高电平”,“灯灭”表示输出为“低电平”。
2.设计一个保密锁电路,保密锁上有三个键钮A、B、C。
要求当三个键钮同时按下时,或A、B两个同时按下时,或按下A、B中的任一键钮时,锁就能被打开;而当不符合上列组合状态时,将使电铃发出报警响声。
试设计此电路,列出真值表,写出函数式,画出最简的实验电路。
(用最少的与非门实现)。
在QuartusⅡ环境下实现设计,完成对波形的仿真,并将设计下载到实验箱并进行功能验证。
(选做)(注:取A、B、C三个键钮状态为输入变量,开锁信号和报警信号为输出变量,分别用F1用F2表示。
设键钮按下时为“1”,不按时为“0”;报警时为“1”,不报警时为“0”,A、B、C都不按时,应不开锁也不报警。
)三、予习要求:1.复习组合电路的分析方法和设计方法。
2.预习利用QuartusⅡ和可编程器件(PLD)进行数字电路设计的基本设计方法。
3.画出实验用电路图和记录表格,填好理论值,注明管脚号码。
四、报告要求:1.实验目的和要求2.实验主要仪器和设备3.实验原理4.实验方案设计、实验方法5.实验步骤6.实验结果分析7.实验结论8.思考题注:①1-4项内容为实验预习内容,学生须在进实验室之前完成。
②实验结果须有指导教师签字。
实验二中规模集成组合逻辑电路的应用一、实验目的:(一)掌握多路选择器集成电路的一般使用。
(二)利用多路选择器实现N变量任意组合逻辑电路。
(三)初步了解基于可编程器件设计的全过程。
二、原理说明中规模集成器件(MSI)一般都是专用功能器件,都具有某种特定的逻辑功能,(用这些功能器件实现组合逻辑函数,一般都采用对比法进行设计)。
MSI组合逻辑电路其一般都具有附加的控制端,也称作片选端、使能端。
例如,双四选一数据选择器74LS153,它的每一个四选一数据选择器都有一个控制端,分别为1G和2G。
以下半部分74LS153为例。
1G=0时,多路选择器才工作:A A为何值,1Y=0。
利用片选作用可进行扩展,如把双四选一当1G=1时,多路选择器不工作,不管10接成八选一。
用中规模集成器件设计组合逻辑电路方法是:首先要对被实现的逻辑函数进行变换,把它尽可能变换成与所用中规模集成器件的逻辑函数相类似的形式,然后在采取对比法进行设计。
例如:用双四选一数据选择器接成八选一数据选择器,设计一个三人多数表决电路。
该电路的三个输入端A、B、C分别代表三个人,输出端F表示表决结果。
用1表示同意和通过,用0表示不同意和不通过。
根据真值表可写出逻辑函数式: F A B C A B C A B C A B C=+++ 由八选一数据选择器的功能表可得当S =0时,八选一数据选择器输出Y 的表达式为设2A =A ,1A =B,0A =C ,比较F 和Y 两式可得13D =21D =22D =23D =1, 10D =11D =12D =20D =0,接图1连线,即可实现三人多数表决功能。
图 1译码器:一个n 变量的二进制译码器的输出包含了n 个变量的所有最小项(共2n 个)。
例如74LS138是3由功能表可得,当1S =1,230S S +=时,允许译码器工作,否则就禁止译码。
在允许译码的条件下,可得故用译码器可实现函数变量的个数小于等于译码器地址线个数的多端输出的逻辑函数。
例:用74LS138译码器和门电路实现函数F AB BC =+。
解:变换函数式,得F ABC ABC ABC =++, 则只要将输入变量接到2A 、1A 、0A 端可得:电路接线图如下:图 2三、实验内容及步骤:(一) 多路选择器的VHDL 实现及应用 1. 多路选择器的VHDL 实现用VHDL 实现具有控制端G 的“四选一”多路选择器,并完成对波形的仿真。
2.利用上述“四选一”和与非门及或门完成下列设计,在Quartus Ⅱ环境下实现设计,并将设计下载到实验箱并进行功能验证。
1) 人类有四种基本血型,A 、B 、AB 、O 型,O 型血可以输给任意血型的人,而他只能接受O 型;AB 型可以接受任意血型,但他只能输给AB 型;A 型能输给A 型或AB 型,可以接受A 型或O 型;B 型能输给B 型或AB 型,可以接受B 型或O 型;请设计一个逻辑电路,其输入是欲进行“输送——接受”的血型,当符合上述规则时,电路输出F 为1,其余为O ,写出函数式,画出真值表,画出实验电路图。
在Quartus Ⅱ环境下实现设计,并下载到实验箱并进行功能验证。
(注:只要四个输入变量X ,Y ,Z ,W ,用X ,Y 的不同组合表示输送者的血型,用Z ,W 的不同组合表示接受者的血型,如下表所示:2)某导弹发射场有正、副指挥员各一名,操作员两名。
当正副指挥员同时发出命令时,只要两名操纵员中有一人按下发射按钮,即可产生一个点火信号,将导弹发射出去,请设计一个组合逻辑电路。
完成点火信号的控制,写出函数式,列出真值表,画出实验电路图。
(选做)(二)译码器的应用1)试用中规模138译码器和与非门设计一个全减器。
画出真值表,写出表达式,画出实验电路图。
在QuartusⅡ环境下实现设计,完成对波形的仿真,并将设计下载到实验箱并进行功能验证。
(设A i为被减数,B i为减数,C i-1为低位向本位的借位,S i是差值,C i是本位向高位的借位)。
2)A、B、C三个车间,由发电机F1、F2供电,F1的发电量是F2的两倍,A的用电量等于F1的发电量,B或C的用电量等于F2的发电量,当车间用电超过发电量时,应停机,并产生报警信号L,请设计发电机启停控制电路和报警电路,写出函数式,列出真值表,画出实验电路。
在QuartusⅡ环境下实现设计,完成对波形的仿真,并将设计下载到实验箱并进行功能验证。
(选做)四、予习要求:(一)复习集成多路选择器构成逻辑电路的方法。
(二)在实验前熟悉附录所给出的集成与非门,多路选择器,译码器管脚图,使能端用法及原理图。
(三)预习利用QuartusⅡ和可编程器件(PLD)进行数字电路设计的基本设计方法。
五、报告要求:1.实验目的和要求2.实验主要仪器和设备3.实验原理4.实验方案设计、实验方法5.实验步骤6.实验结果分析7.实验结论8.思考题注:①1-4项内容为实验预习内容,学生须在进实验室之前完成。
②实验结果须有指导教师签字。
实验三时序逻辑电路分析和设计一、实验目的:(一)掌握时序电路的分析和设计。
(二)应用时序电路解决实际问题。
二、实验原理1、分析一个时序电路,就是要找出给定时序电路的逻辑功能。
具体地说就是要求找出电路的状态和输出状态在输入变量和时钟信号作用下的变化规律。
分析步骤如下:①写方程根据给定的逻辑图写出各触发器的时钟方程,驱动方程和电路的输出方程。
②求各触发器的驱动方程把各触发器的驱动方程带入各触发器的特性方程,得各触发器的状态方程。
③求状态转换表设初态求次态,直到回到初态为止。
④检验电路能否自启动。
⑤分析逻辑功能。
2、时序逻辑电路的设计三、实验内容:(一)时序电路分析:分析下列时序电路,说明其功能,画出Q1,Q0,Z1,Z2的波形图,并在QuartusⅡ环境下用实验验证。
(二)时序电路设计:用74LS74及与非门设计一个同步时序逻辑电路,要求满足如下图所示的波形。
1.简要写出设计过程,画出原理图,注明管脚。
2.完成对设计的波形仿真。
(三)设计一个控制电路,控制一台自动出售四分邮票的装置。
输入是代表一分、二分、五分硬币的脉冲信号——顾客投入的硬币,输出是代表邮票和找还给顾客硬币的脉冲信号。
在QuartusⅡ环境下实现设计,并将设计下载到实验箱并进行功能验证。
〔提示:一般情况下,某一时刻只会投入一种硬币,即输入信号是互相排斥的,投入的硬币总数小于八分,按下手动按钮出售邮票和找钱。
〕五、予习要求:1.复习时序逻辑电路的分析方法和设计方法。
2.内容(一)写出分析的过程,画出理论波形,说明功能。
3.内容(二)(三)写出设计过程,画出实验电路。
六、报告要求:1.实验目的和要求2.实验主要仪器和设备3.实验原理4.实验方案设计、实验方法5.实验步骤6.实验结果分析7.实验结论8.思考题注:①1-4项内容为实验预习内容,学生须在进实验室之前完成。
②实验结果须有指导教师签字。
实验四计数译码显示电路设计一、实验目的通过使用QuartusII开发工具设计简单数字电路的实验,学习有关可编程逻辑器件PLD的基本知识,掌握原理图设计输入、编译、仿真的基本方法,提高对EDA设计方法的认识。
为进一步学好用好EDA设计奠定基础二、实验要求(1)利用QuartusII开发系统采用原理图方式进行设计,计数器每秒计一次数,外围8个数码管显示十进制计数器的计数结果,同时计数器的输出又作为数码管位译码输入信号,从而形成扫描信号。
(2)输入设计完成后,为验证逻辑功能的正确性应进行逻辑功能仿真。
(3)下载到实验板进行实验验证。
三、实验设备个人计算机、KANGXIN PK3实验箱,PLD器件型号为Cyclone系列的EP1C3T144C8。
四、实验过程(一)电路设计框图图1 总体设计框图图2 带位译码选通的数码管显示电路(二)设计原理图3设计原理图在原理图方式中设计了两个模块,其中一个使用74160十进制加法计数器的输出QA,QB,QC形成共阴极数码管位译码选通输入信号(8个数码管需8位扫描信号,实验板上8个数码管带3×8译码器,因此只需三位扫描信号)。