数字逻辑实验指导书(multisim)(精)
- 格式:doc
- 大小:461.50 KB
- 文档页数:31
multisim教程实验指导书第⼀章第⼀章 Multisim7基本操作1.1 Multisim7基本操作图1-11.1.2 ⽂件基本操作与Windows 常⽤的⽂件操作⼀样,Multisim7中也有:New--新建⽂件、Open--打开⽂件、Save--保存⽂件、Save As--另存⽂件、Print--打印⽂件、Print Setup--打印设置和Exit--退出等相关的⽂件操作。
以上这些操作可以在菜单栏File ⼦菜单下选择命令,也可以应⽤快捷键或⼯具栏的图标进⾏快捷操作。
1.1.3 元器件基本操作常⽤的元器件编辑功能有:90 Clockwise--顺时针旋转90?、90 CounterCW--逆时针旋转90?、Flip Horizontal--⽔平翻转、Flip Vertical--垂直翻转、Component Properties--元件属性等。
这些操作可以在菜单栏Edit ⼦菜单下选择命令,或⽤Edit ⼦菜单右边显⽰的快捷键进⾏快捷操作,也可以选中元器件后右击⿏标选择相应命令。
例对三极管操作如图1-2所⽰:图1-21.1.4 ⽂本基本编辑对⽂字注释⽅式有两种:直接在电路⼯作区输⼊⽂字或者在⽂本描述框输⼊⽂字,两种操作⽅式有所不同。
1. 电路⼯作区输⼊⽂字单击Place / Text 命令或使⽤Ctrl+T 快捷操作,然后⽤⿏标单击需要输⼊⽂字的位置,输⼊需要的⽂字。
⽤⿏标指向⽂字块,单击⿏标右键,在弹出的菜单中选择Color 命令,选择需要的颜⾊。
双击⽂字块,可以随时修改输⼊的⽂字。
2. ⽂本描述框输⼊⽂字利⽤⽂本描述框输⼊⽂字不占⽤电路窗⼝,可以对电路的功能、实⽤说明等进⾏详细的说明,可以根据需要修改⽂字的⼤⼩和字体。
单击View/ Circuit Description Box 命令或使⽤快捷操作Ctrl+D ,打开电路⽂本描述框,如图1-3所⽰,在其中输⼊需要说明的⽂字,可以保存和打印输⼊的⽂本。
-------------数字逻辑与数字系统实验指导书青岛大学信息工程学院实验中心巨春民2015年3月-------------实验报告要求本课程实验报告要求用电子版。
每位同学用自己的学号+班级+姓名建一个文件夹(如2014xxxxxxx计算机X班张三),再在其中以“实验x”作为子文件夹,子文件夹中包括WORD 文档实验报告(名称为“实验x实验报告”,格式为实验名称、实验目的、实验内容,实验内容中的电路图用Multisim中电路图复制粘贴)和实验中完成的各Multisim文件、VerilogHDL源文件、电路图和波形图(以其实验内容命名)。
实验一电子电路仿真方法与门电路实验一、实验目的1.熟悉电路仿真软件Multisim的安装与使用方法。
2.验证常用集成逻辑门电路的逻辑功能。
3.掌握各种门电路的逻辑符号。
4.了解集成电路的外引线排列及其使用方法。
5. 学会用Multisim设计子电路。
二、实验内容1.用逻辑门电路库中的集成逻辑门电路分别验证二输入与门、或非门、异或门和反相器的逻辑功能,将验证结果填入表1.1中。
注:与门型号7408,或门7432,与非门7400,或非门7402,异或门7486,反相器7404.2.用L=ABCDEFGH,写出逻辑表达式,给出逻辑电路图,并验证逻辑功能填入表1.2中。
()'三、实验总结四、心得与体会实验二门电路基础一、实验目的1. 掌握CMOS反相器、与非门、或非门的构成与工作原理。
2. 熟悉CMOS传输门的使用方法。
3. 了解漏极开路的门电路使用方法。
二、实验内容1. 用一个NMOS和一个PMOS构成一个CMOS反相器,实现Y=A’。
给出电路图,分析其工作原理,测试其逻辑功能填入表2-1。
表2-1 CMOS反相器逻辑功能表2. 用2个NMOS和2个PMOS构成一个CMOS与非门,实现Y=(AB)’。
给出电路图,分析其工作原理,测试其逻辑功能填入表2-2。
3. 用2个NMOS和2个PMOS构成一个CMOS或非门,实现Y=(A+B)’。
实验八 基于Quartus Ⅱ的原理图设计一、实验目的1、掌握Quartus II 集成开发环境软件原理图输入的设计流程;2、掌握74390的工作原理,学会通过Quartus II 建立原理图设计小型数字电路;3、掌握对设计进行编译、仿真的方法。
二、实验原理运用Quartus Ⅱ的原理图设计方法设计如图1-1 所示的两位十进制计数器,并对1-1 所示的十进制计数器进行功能仿真,最后生成一个独立元件。
图 1-1 两位十进制计数器原理图74390 是一个两位双计数器,其真值表见表 1-1 。
图 1-1 中的 74390 连接成两个独立的十进制计数器,计数脉冲 CLK 和使能信号 ENB 通过与门进入 74390 计数器“1”端的时钟输入 1CLK ,当 ENB 为“1”时允许计数,当 ENB 为“0”时禁止计数。
计数器 1 的 4 位输出 q[3]、q[2]、q[1]和 q[0]并行总线表示方式即 q[3..0],由 q[1]和 q[2]通过反相器取反后与 q[0]和 q[3]通过四输入的与门构成进位信号,即当计数到 9(1001)时输出进位信号 COUNT0; COUNT0 信号进入第二个计数器的 2CLKA 端进行计数,第二个计数器的 4 位输出信号q[7]、 q[6]、 q[5]和 q[4] 并行总线表示方式即 q[7..4],由 q[5]和 q[6]通过反相器取反后与 q[4]和 q[7] 连同 COUNT0 通过 6 输入的与门构成总的进位信号COUNT1,即当计数到99(10011001)时输出进位信号 COUNT1 。
0 0 1 0 1 50 0 1 1 0 60 0 1 1 1 70 1 0 0 0 80 1 0 0 1 9注 A:对于 BCD(十进)计数,输出 QA 连到输入 B 计数;注 B:对于 5—2 进制计数,输出 QD 连到输入 A 计数。
三、实验设备1、硬件:计算机2、软件:Quartus Ⅱ软件四、实验内容及实验步骤1.工程项目的建立(1)新建一个文件夹作为工程项目的目录一般要求不同的设计项目最好放在不同的文件夹,而同一工程的所有文件都必须放在同以文件夹中,所有文件夹和工程文件的名称都是英文字母,不要用中文,比如E:\EDA\Sample。
实验1 Multisim数字逻辑转换实验一、实验目的1、通过实验学习使用逻辑转换仪化简逻辑函数的方法。
2、通过实验学习使用逻辑转换仪分析逻辑图的方法。
二、实验设备计算机1台三、实验原理Multisim是美国国家仪器(NI)有限公司推出的以Windows为基础的仿真工具,适用于板级的模拟/数字电路板的设计工作。
它包含了电路原理图的图形输入、电路硬件描述语言输入方式,具有丰富的仿真分析能力。
非常适合数字电路的仿真分析,并且提供了功能丰富的虚拟仪器和元件。
其提供的虚拟数字逻辑转换仪可对8个逻辑变量的任意逻辑关系进行分析、化简、转换,非常适合简单数字电路的分析与设计,逻辑转换仪见图1-1所示。
数字逻辑转换仪可通过表达式输入框接受文本输入的逻辑关系表达式,式中逻辑变量名称限定为A、B、C、D、E、F、G、H共8个,其中A为最高位,H为最低位。
逻辑转换仪的输出为Out,逻辑关系中逻辑非用“’”来表示。
逻辑转换仪提供6种转换功能,见图1右侧,从上到下依次是:逻辑图转换成真值表功能;真值表转换成逻辑表达式功能;真值表转换成最简逻辑表达式功能;逻辑表达式转换成真值表功能;逻辑表达式转换成逻辑图功能;逻辑表达式转换成仅由与非门构成的逻辑图功能。
本实验将使用这些功能实现基本逻辑电路的分析与设计。
图1-1 逻辑转换仪四、实验内容1、逻辑函数的化简在表达式输入框中输入需化简的逻辑函数,并点击逻辑表达式转换成真值表功能按钮,并将转化结果记录在表1-1中。
逻辑函数如下:R=AB’CD’+A’E+BE’+CD’E表1-1 逻辑函数转换成成指标结果使用真值表转换成化简后逻辑表达式功能,并记录化简结果。
化简后R=A’E+AB’CD’+BE使用表达式转换成逻辑图功能,生成化简后R的逻辑图,并记录.使用表达式转换为仅由与非门构成的逻辑图功能,生成化简后R的逻辑图,并记录。
2、逻辑图的分析图1-2 逻辑图分析连接图1、实验逻辑图如图1-2,在Multisim数字器件库中,找到74LS138D和74LS10D,按图连接。
数字电路实验M u l t i s i m仿真HEN system office room 【HEN16H-HENS2AHENS8Q8-HENH1688】实验一逻辑门电路一、与非门逻辑功能的测试74LS20(双四输入与非门)仿真结果二、门)三、与或非门逻辑功能的测试四、现路;一、分析半加器的逻辑功能二.74LS138接成四线-十六线译码器 00000001011110001111(2)用一片74LS153接成两位四选一数据选择器; (3)用一片74LS153一片74LS00和接成一位全加器(1)设计一个有A 、B 、C 三位代码输入的密码锁(假设密码是011),当输入密码正确时,锁被打开(Y 1=1),如果密码不符,电路发出报警信号(Y 2=1)。
以上四个小设计任做一个,多做不限。
还可以用门电路搭建实验三 触发器及触发器之间的转换1. D 触发器逻辑功能的测试(上升沿)2. JK 触发器功能测试(下降沿)Q=0Q=0略3. 思考题:(1)(2)(3)略实验四寄存器与计数器1.右移寄存器(74ls74 为上升沿有效)位异步二进制加法,减法计数器(74LS112 下降沿有效)也可以不加数码显示管3.设计性试验(1)74LS160设计7进制计数器(74LS160 是上升沿有效,且异步清零,同步置数)若采用异步清零:若采用同步置数:(2)74LS160设计7进制计数器略(3)24进制83进制注意:用74LS160与74LS197、74LS191是完全不一样的实验五 555定时器及其应用1.施密特触发器输入电压从零开始增加:输入电压从5V开始减小:2.单稳态触发器3.多谢振荡。
实验一基本逻辑门电路实验类型:验证性实验按照实验要求,由学生操作,对基本逻辑门电路进行相应测试,验证课堂所学的理论,加深对门电路的理解,掌握基本的实验知识、实验方法和实验技能,并能对实验数据进行处理,撰写规范的实验报告。
一、实验目的1、了解(TTL)与非门各参数的意义;2、掌握(TTL)与非门主要参数的测试方法。
3、加深对(TTL)与非门的逻辑功能的认识;4、学习查阅集成电路器件手册,熟悉与非门的外形和引脚。
二、实验仪器数字电路实验箱三、实验内容及步骤1、测试与门的逻辑功能在实验系统(箱)上找到相应的与门。
按图1.1(a)连接实验线路,把输入端接实验箱的逻辑开关,输出端接LED显示器。
按表1.2.2 输入A、B的信号0或1(逻辑开关高电平时为1,逻辑开关低电平时为0),观察输出结果(看LED显示器,如果灯亮为1,灯灭为0)填入表1.1 中。
图1.1 与门、或门实验接线图2、测试或门的逻辑功能在实验系统(箱)上找到相应的或门。
按图1.2.4 (b) 连接实验线路,把输入端接实验箱的逻辑开关,输出端接LED显示器。
按表1.2.2 输入A、B的信号0或1(逻辑开关高电平时为1,逻辑开关低电平时为0),观察输出结果(看LED 显示器,如果灯亮为1,灯灭为0)填入表1.1 中。
3、测非门的逻辑功能在实验系统(箱)上找到相应的非门。
按图1.2(a)连接实验线路,把输入端接实验箱的逻辑开关,输出端接LED显示器。
按表1.2 输入A的信号0或1(逻辑开关高电平时为1,逻辑开关低电平时为0),观察输出结果(看LED显示器,如果灯亮为1,灯灭为0)填入表1.2.3中。
4、测二输入与非门的逻辑功能在实验系统(箱)上找到相应的二输入与非门。
按图1.2.5(b)连接实验线路,把输入端接实验箱的逻辑开关,输出端接LED显示器。
按表1.2.3 输入A、B的信号0或1(逻辑开关高电平时为1,逻辑开关低电平时为0),观察输出结果(看LED显示器,如果灯亮为1,灯灭为0)填入表1.2.3 中。
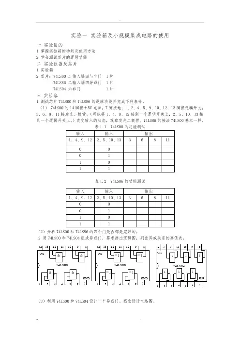
实验一 实验箱及小规模集成电路的使用一 实验目的1 掌握实验箱的功能及使用方法2 学会测试芯片的逻辑功能二 实验仪器及芯片1 实验箱2 芯片:74LS00 二输入端四与非门 1片74LS86 二输入端四异或门 1片 74LS04 六非门 1片三 实验容1 测试芯片74LS00和74LS86的逻辑功能并完成下列表格。
(1) 74LS00的14脚接+5V 电源,7脚接地;1、2、4、5、9、10、12、13脚接逻辑开关,3、6、8、11接发光二极管。
(可以将1、4、9、12接到一个逻辑开关上,2、5、10、13接到一个逻辑开关上。
)改变输入的状态,观察发光二极管。
74LS86的接法74LS00基本一样。
表1.1 74LS00的功能测试表1.2 74LS86的功能测试(2)分析74LS00和74LS86的四个门是否都是完好的。
2 用74LS00和74LS04组成异或门,要求画出逻辑图,列出异或关系的真值表。
(3)利用74LS00和74LS04设计一个异或门。
画出设计电路图。
实验二译码器和数据选择器一实验目的1继续熟悉实验箱的功能及使用方法2掌握译码器和数据选择器的逻辑功能二实验仪器及芯片1 实验箱2 芯片:74LS138 3线-8线译码器 1片74LS151 八选一数据选择器 1片74LS20 四输入与非门 1片三实验容1 译码器功能测试(74LS138)芯片管脚图如图2.1所示,按照表2.1连接电路,并完成表格。
其中16脚接+5V,8脚接地,1~6脚都接逻辑开关,7、9、10、11、12、13、14、15接发光二极管。
表2.12 数据选择器的测试(74LS151)按照表2.2连接电路,并完成表格。
其中16脚接+5V,8脚接地;9、10、11,为地址输入端,接逻辑开关;4、3、2、1、12、13、14、15为8个数据输入端,接逻辑开关;G为选通输入端,Y为输出端,接发光二极管。
表2.2选通端地址输入端 数据输入端 输出 GA 2 A 1 A 0 D 0 D 1 D 2 D 3 D 4 D 5 D 6 D 7 Y 1 × × × × × × × × × × × 0 0 0 0 0 0 0 1 1 1 1 1 0 0 0 1 1 1 1 0 0 0 0 0 0 0 1 0 1 1 1 1 0 0 0 0 0 0 1 1 1 0 1 0 1 1 1 1 0 1 0 0 0 1 0 1 0 0 0 0 0 1 0 1 1 1 0 0 1 1 0 0 0 1 1 0 1 1 0 0 1 1 1 0 0 11111113 分别用74LS138(配合74LS20)和74LS151实现逻辑函数),,,(7421m m m m F ∑=,要求画出逻辑图。
目录实验1: 基本逻辑门电路 (2)EDA设计实验的基本步骤和注意事项 (4)实验2: 译码器及其应用 (10)实验3 触发器、移位寄存器的设计和应用 (15)实验4: 计数器 (18)实验5: 数字系统的设计 (19)实验报告格式和内容 (20)实验1: 基本逻辑门电路一、实验目的1: 掌握各种门电路的逻辑功能及测试方法。
2: 学习用与非门组成其它逻辑门电路。
二、实验用的仪器、仪表TEC —5实验箱 74LS00二输入四与非门 三态门74LS125三、实验原理与非门的逻辑功能是: 当输入端中有一个或一个以上低电平时, 输出端为高电平。
只有当输入端全为高电平时, 输出端才为低电平(即有“0”得“1”, 全“1”出“0”)。
三态输出门是一种特殊的门电路。
它与普通的逻辑门电路不同, 它的输出状态除了高、低电平两种状态(均为低阻状态)外, 还有第三种状态,即高阻态。
处于高阻态时, 电路与负载之间相当于开路。
三态门主要用途之一是实现总线传输。
三态输出门符号与功能表如下(此例以低有效的使能器件为例)。
四、实验内容 1: 测试二输入与非门的逻辑功能与非门的输入端接逻辑开关电平, 输出端接发光二极管。
按表1-2所示测试与非门, 并将测试结果填入表中。
B A F •= 表1-1AB2: 学习用二输入与非门构成其他逻辑电路的方法, 并测试。
与门逻辑功能实现:根据布尔代数的理论, ,所以用2个与非门即可实现与门逻辑功能。
输入A 、B 接逻辑开关, 输出端接发光二极管。
参考表1-1, 设计表格, 并将测试结果填入表中。
或门逻辑功能实现:根据布尔代数的理论, ,所以用3个与非门即可实现或门逻辑功能。
输入A 、B 接逻辑开关, 输出端接发光二极管。
参考表1-1, 设计表格, 并将测试结果填入表中。
异或门逻辑功能实现:根据布尔代数的理论, ,根跟据此异或逻辑表达式经过变换, 逻辑图如下, 请自行验证此逻辑图的正确性, 同时思考如果直接据逻辑表达式画逻辑图, 效果如何, 近而体会变换的作用。
DIGITAL LOGIC CIRCUIT MODELING AND SIMULATION WITH MULTISIMMultisim is a schematic capture and simulation program for analog, digital and mixed analog/digital circuits, and is one component of the National Instruments “Circuit Design Suite”.The basic steps in modeling and analysis of a digital logic circuit are:1.Open Multisim and create a “design”.2.Draw a schematic diagram of the circuit (components and interconnections).3.Design digital test patterns to be applied to the circuit inputs to stimulate the circuit and connect signal sourcesto the circuit inputs to produce these patterns.4.Connect the circuit outputs to one or more indicators to display the response of the circuit to the test patterns.5.Run the simulation and examine the results, copying and pasting Multisim windows into lab reports and otherdocuments as needed.6.Save the design.Step 1. Open Multisim and create a designThis creates a blank design called “Design1”, as illustrated in Figure 1. Save the file with the desired design name via menu bar File>Save As to use the standard Windows Save dialog.A previously saved design can be opened via File>Open. In the dialog window, navigate to the directory in which the design is stored, select the file, and click the Open button.Figure 1. Blank design with default name “Design 1.”Step 2. Draw a schematic diagram of the circuitPlace ComponentsA schematic diagram comprises one or more circuit components, interconnected by wires. Optionally, signal “sources” may be connected to the circuit inputs, and “indicators” to the circuit outputs. Each component is selected from the Multisim library and placed on the drawing sheet in the Circuit Window (also called the Workspace). The Multisim library is organized into “groups” of related components (Transistors, Diodes, Misc Digital, TTL, etc.). Each group comprises one or more “families”, within which the components are implemented with a common technology. For designing and simulating digital logic circuits in this course, “Misc Digital” (TIL family only) is used.The “Misc Digital” group has three families of components, of which family “TIL” contains models of generic logic gates, flip-flops, and modular functions. These components are technology-independent, which means that they have only nominal circuit delays and power dissipation, unrelated to any particular technology. Generic components can be used to test the basic functionality of a design, whereas realistic timing information requires the use of technology-specific part models, such as those in the TTL group.To place a component on the drawing sheet, select it via the Component Browser, which is opened via the component toolbar or the menu bar. From the menu bar, select Place>Component to open the Component Browser window, illustrated in Figure 2. You can also open this window by clicking on the Misc Digital icon in the component toolbar. On the left side of the window, select “Master Database”, group “Misc Digital”, and family “TIL”. The component panel in the center lists all components in the selected family. Scroll down to and click on the desired gate (NAND2 Figure 3); its symbol and description are displayed on the right side of the window. Then click the OK button. The selected gate will be shown on the drawing sheet next to the cursor; move the cursor to position the gate at the desired location, and then click to fix the position of the component. The component can later be moved to a different location, deleted, rotated, etc. by right clicking on the component and selecting the desired action. You may also select these operations via the menu bar Edit menu.Figure 2. Component Browser: Misc Digital TIL family NAND2 gate component selected.Figure 3. A third NAND2 gate is about to be placed on the drawing sheet.Figure 4 shows the schematic diagram with four placed components. Note that each placed gate has a “designator” (U2, U3, U4, U5), which can be used when referring to that gate. You can change a designator by right clicking on the component, selecting Properties, and entering the desired name on the Label tab.Figure 4. Schematic diagram with all placed components.Drawing WiresWires are drawn between component pins to interconnect them. Moving the cursor over a component pin changes the pointer to a crosshair, at which time you may click to initiate a wire from that pin. This causes a wire to appear, connected to the pin and the cursor. Move the cursor to the corresponding pin of the second component (the wire follows the cursor) and click to terminate the wire on that pin. If you do not like the path selected for the wire, you may click at a point on the drawing sheet to fix the wire to that point and then you can move the cursor to continue the wire from that point. You may also initiate or terminate a wire by clicking in the middle of a wire segment, creating a “junction” at that point. This is necessary when a wire is to be fanned out to more than one component input. A partially-wired circuit, including one junction point, is illustrated in Figure 5.Figure 5. Partially wired circuit, with one junction point.Step 3. Generating test input patterns.To drive circuit simulations, Multisim provides several types of “sources” and “instruments” to generate and apply patterns of logic values to digital circuit inputs. Sources are placed on the schematic sheet and connected to circuit inputs in the same way as circuit components, selecting them from the “Digital_Sources” family of the “Sources” group in the component browser. Note that there is a Place Source shortcut icon in the tool bar.There are three basic digital sources:1.DIGITAL_CONSTANT – this is a box with a constant logic 1 or 0 output, and would be used where the logic valueis not to be changed during simulation. To change the output value, right click on the box, select Properties, select the desired value on the Value tab, and click the OK button.2.INTERACTIVE_DIGITAL_CONSTANT – this is a clickable box that can be connected to a circuit input. Clicking onthe box toggles its output between 0 and 1. This can be used to interactively change a circuit input duringsimulation.3.DIGITAL_CLOCK – this is a box that produces a repeating pulse train (square waveform), oscillating between 0and 1 at a specified frequency. To set the frequency and duty cycle, right click on the box, select Properties,select the desired frequency and duty cycle value on the Value tab, and click the OK button.Figure 6 shows the circuit of Figure 5 with an INTERACTIVE_DIGITAL_CONSTANT connected to each input. Note that the initial state of each is logic 0. Since this circuit has only three inputs, all 8 input patterns can be produced (to generate a truth table for the circuit) by manually toggling the inputs.Figure 6. INTERACTIVE_DIGITAL_CONSTANT sources connected to circuit inputs.Step 4. Connect circuit outputs to indicatorsTo facilitate studying the digital circuit output(s), Multisim provides a variety of “indicators”. For digital simulation, the most useful are digital “probes”, hex displays, and the Logic Analyzer instrument. A probe, illustrated in Figure 7, displays a single digital value as ON or OFF (the probe is “illuminated” indicating an ON condition). The PROBE family of the Indicators group includes a generic PROBE_DIG and several PROBE_DIG_color indicators (color = BLUE, GREEN, ORANGE, RED, YELLOW). The probe in Figure 7 is PROBE_DIG_BLUE. This circuit can be verified by manually changing the three INTERACTIVE_DIGITAL_CONSTANT inputs to each of the 8 possible combinations, and recording the probe value for each combination to create a truth table.Figure 7. DIGITAL_PROBE_BLUE connected to circuit output.Step 5. Run the simulationA simulation is initiated by pressing the Run (green arrow) button in the toolbar or via the menu bar via Simulate>Run. You may simulate the circuit by clicking on the keys to change the input values and observe the output changes through the LED indicator.You may capture any window and paste it into a Word or other document for generating reports. An individual window is captured by pressing the ALT and Print Screen keys concurrently. You may then “paste” the captured window into a document via the editing features of that document. To capture a circuit diagram in the main window, the simplest method is via the menu bar Tools>Capture Screen Area. This produces a rectangle whose corners can be stretched to include the screen area to be captured; the “copy” icon on the top left corner is pressed to copy the area, which may then be pasted into a document.Step 6. Save the design and close MultisimThe simplest way to save a design is to click the Save icon in the Design Toolbar on the left side of the window, directly above the design name. Alternatively, you may use the standard menu bar File>Save.Multisim is exited as any other Windows program.-This document is a modified and short version of /department/ee/elec2210/.Appendix: Creating subcircuits and hierarchical blocks (from NI Multisim manual)Complete the following steps to place a new subcircuit:1. Select Place»New subcircuit. The Subcircuit Name dialog box appears.2. Enter the name you wish to use for the subcircuit, for example, “PowerSupply” andclick OK. Your cursor changes to a “ghost” image of the subcircuit indicating that thesubcircuit is ready to be placed.3. Click in the desired location to place the subcircuit.4. Double-click on the new subcircuit and select Open subsheet from the Label tab ofthe Hierarchical Block/Subcircuit dialog box that displays. An empty design sheetappears.5. Place and wire components as desired in the new subcircuit.6. Select Place»Connectors»Hierarchical connector, and place and wire the connector asdesired. Repeat for all required hierarchical connectors.When you attach a hierarchical connector to a wire, the net name for the wire that you connect it to does not change if it has a Preferred net name (user-assigned via the NetProperties dialog box). If the net name on the wire is auto-named, it changes to match theconnector.7. Select the sheet that contains the subcircuit from the Hierarchy tab of the DesignToolbox.OrSelect View»Parent sheet.This command moves you up to the next sheet in the hierarchy. If you have multiple nested circuits and are viewing, for example, a subcircuit within a subcircuit, you will notmove to the top of the hierarchy.The symbol for the subcircuit that appears includes pins for the number of connectors thatyou added.8. Wire the hierarchical connectors into the main circuit.Complete the following steps to place another instance of the same subcircuit:1. Select the desired subcircuit and select Edit»Copy.2. Select Edit»Paste to place a copy of the subcircuit on the workspace.。
《数字逻辑与计算机组成原理》实验指导书适用专业:09,10软件工程闽江学院计算机系2010年 7月前言“数字逻辑与计算机组成原理实验”是一门实践性、综合性、应用性较强的计算机基础课程,是必修课程。
对计算机应用及程序有重大意义,有利于理解计算机系统中软件和硬件的关系。
通过实验学生掌握各个单元模块的工作原理,可进一步深化和掌握课堂理论教学内容,为学生提供必要的实践机会,以加强其感性认识和增强其实际动手能力,能使学生更好的领会计算工作原理以及相关接口技术实践知识,激励学生勇于创新,全面提高学生解决实际问题的动手能力。
本实验主要训练和培养学生利用所学的知识进行数字电路和模型机的设计与调试等应用等方面的技能,训练学生开发高级应用系统的设计思路、具体过程和步骤等,激发学生的学习热情和创新性思维。
本指导书中设置的实验项目,包括验证性、综合性和设计性实验,分为必做和选做,可根据学生的专业方向和课时安排以及学生的能力和兴趣等对实验项目的内容和顺序等重新调整安排。
目录实验一:Multisim 仿真实验---------------------------------------------3 实验二:组合逻辑电路的设计与仿真-----------------------------------5 实验三:时序逻辑电路的设计与仿真-----------------------------------7 实验四:算术逻辑运算实验-----------------------------------------------9 实验五:存储器实验-----------------------------------------------------22实验六:微控制器实验---------------------------------------------------28附件:实验报告基本要求 (40)实验一熟悉Multisim 仿真软件实验学时:2实验类型:验证实验要求:必修一、实验目的(1)熟悉Multisim软件的功能及使用(2)掌握Multisim软件的各种仿真手段(3)掌握Multisim软件的各种虚拟仪器的运用(4)熟悉Multisim软件的元件库及调用(5)设计一个半加器电路,运用Multisim软件进行优化和测试。
模拟电子技术实验(Multisim)指导书宁波大学信息科学与工程学院二OO六年三月目 录Multisim7简介 (1)第一章Multisim 7基本操作 (2)1.1 Multisim 7基本操作 (2)1.1.1 基本界面 (2)1.1.2 文件基本操作 (2)1.1.3 元器件基本操作 (2)1.1.4 文本基本编辑 (3)1.1.5 图纸标题栏编辑 (3)1.2 Multisim 7电路创建 (5)1.2.1 电路图设置 (5)1.2.2元器件操作 (6)1.2.3 导线操作 (10)1.2.4子电路创建 (11)1.3 电路打印 (11)1.3.1打印电路图 (11)1.3.2打印报告 (12)第二章仪器仪表的使用 (15)2.1 数字万用表(Multimeter) (15)2.2 函数发生器(Function Generator) (16)2.3 瓦特表(Wattmeter) (17)2.4 双通道示波器(Oscilloscope) (17)2.5 四通道示波器(4 Channel (19)2.6 波特图仪(Bode Plotter) (19)2.7 频率计(Frequency couter) (20)2.8 字信号发生器(Word Generator) (21)2.9 逻辑分析仪(Logic Analyzer) (23)2.10 逻辑转换仪(Logic Converter) (25)2.11 IV分析仪(IV Analyzer) (26)2.12 失真度分析仪(Distortion Analyzer) (27)第三章Multisim7的仿真分析方法 (29)3.1 Multisim7分析的基本方法 (29)3.1.1 仿真分析的一般步骤 (29)3.1.2 仿真分析的翻页标签 (29)3.1.3 仿真分析的结果 (31)3.2 Multisim7的分析命令介绍 (38)3.2.1 直流工作点分析(DC Operating Point) (38)3.2.2 交流分析(AC Operating Point) (38)3.2.3瞬态分析(Transient Analysis) (39)3.2.4傅立叶分析(Fourier Analysis) (40)3.2.5 失真分析(Distortion Analysis) (41)3.2.6 直流扫描分析(DC Sweep) (42)3.2.7参数扫描分析(Parameter Sweep Analysis) (43)3.2.8温度扫描分析(Temperature Sweep Analysis) (44)3.2.9蒙特卡罗分析(Monte Carlo Analysis) (45)3.2.10批处理分析(Batched Analysis) (46)3.2.11用户自定义分析(User defined Analysis) (46)第四章 Multisim7实验 (47)一、实验准备 (47)二、实验规则 (47)三、实验报告 (48)实验一 Multisim7的基本操作及晶体管特性测试 (49)实验二 组合电路逻辑关系和竞争冒险现象的研究 (51)实验三 多谐振荡器和计数器的设计 (53)实验四小型数字系统设计——十字路口交通灯控制电路的设计 (55)实验五 Multisim分析方法与单元电路的研究 (57)一、单管共射放大电路 (57)二、场效应管放大电路 (59)三、差分放大电路 (61)实验六 小型模拟系统设计——函数信号发生器的设计 (63)Multisim7简介Multisim7是加拿大Interactive Image Technologies公司于2003年推出的电子仿真软件,是Multisim2001的升级版,是目前电子仿真软件中比较实用和广泛流行的一款。
答案数字逻辑实验指导书(Multisim)答案本文档旨在为数字逻辑实验中使用Multisim软件的学生提供详细的步骤和答案解析。
以下是针对常见实验的答案。
实验一:简单门电路实验1. 题目描述设计一个两输入门电路,使用Multisim软件验证其功能。
2. 答案在Multisim软件中,选择“逻辑门”部分。
在工作区中拖动两个输入开关和一个输出指示灯到工作区。
在两个输入开关的属性设置中,将“初始状态”设置为1(ON)。
连接两个开关和输出指示灯,使电路完成。
3. 实验过程1.打开Multisim软件。
2.在组件库中找到“逻辑门”部分,并从中选择两个输入开关和一个输出指示灯。
3.拖动这些组件到工作区。
4.右键单击其中一个输入开关,选择属性编辑。
5.在属性编辑对话框中,将“初始状态”设置为1(ON),然后点击“确定”。
6.重复上一步,将另一个输入开关的属性也设置为1(ON)。
7.连接两个输入开关和输出指示灯,以完成电路。
8.在工具栏上点击“运行”按钮,观察输出指示灯的状态。
4. 实验结果在两个输入开关的状态均为1(ON)时,输出指示灯也将亮起。
实验二:组合逻辑电路实验1. 题目描述设计一个组合逻辑电路,使用Multisim软件验证其功能。
2. 答案在Multisim软件中,选择“逻辑门”部分。
在工作区中拖动两个输入开关和一个输出指示灯到工作区。
在两个输入开关的属性设置中,将“初始状态”设置为1(ON)。
连接两个开关和输出指示灯,使电路完成。
3. 实验过程1.打开Multisim软件。
2.在组件库中找到“逻辑门”部分,并从中选择两个输入开关和一个输出指示灯。
3.拖动这些组件到工作区。
4.右键单击其中一个输入开关,选择属性编辑。
5.在属性编辑对话框中,将“初始状态”设置为1(ON),然后点击“确定”。
6.重复上一步,将另一个输入开关的属性也设置为1(ON)。
7.连接两个输入开关和输出指示灯,以完成电路。
8.在工具栏上点击“运行”按钮,观察输出指示灯的状态。
Multisim 2001 使用简介Multisim是Interactive Image Technologies (Electronics Workbench)公司推出的以Windows 为基础的仿真工具,适用于板级的模拟/数字电路板的设计工作。
它包含了电路原理图的图形输入、电路硬件描述语言输入方式,具有丰富的仿真分析能力。
为适应不同的应用场合,Multisim推出了许多版本,用户可以根据自己的需要加以选择。
在本书中将以教育版为演示软件,结合教学的实际需要,简要地介绍该软件的概况和使用方法,并给出几个应用实例。
第一节Multisim概貌软件以图形界面为主,采用菜单、工具栏和热键相结合的方式,具有一般Windows应用软件的界面风格,用户可以根据自己的习惯和熟悉程度自如使用。
一、Multisim的主窗口界面。
启动Multisim 2001后,将出现如图1所示的界面。
界面由多个区域构成:菜单栏,各种工具栏,电路输入窗口,状态条,列表框等。
通过对各部分的操作可以实现电路图的输入、编辑,并根据需要对电路进行相应的观测和分析。
用户可以通过菜单或工具栏改变主窗口的视图内容。
二、菜单栏菜单栏位于界面的上方,通过菜单可以对Multisim的所有功能进行操作。
不难看出菜单中有一些与大多数Windows平台上的应用软件一致的功能选项,如File,Edit,View,Options,Help。
此外,还有一些EDA软件专用的选项,如Place,Simulation,Transfer以及Tool等。
1. FileFile菜单中包含了对文件和项目的基本操作以及打印等命令。
Edit命令提供了类似于图形编辑软件的基本编辑功能,用于对电路图进行编辑。
3.View通过View菜单可以决定使用软件时的视图,对一些工具栏和窗口进行控制。
4.Place通过Place命令输入电路图。
5.Simulate通过Simulate菜单执行仿真分析命令。
实验一Multisim软件介绍实验名称:Multisim软件介绍实验课时:2课时实验时间:第1周实验地点:新实训中心2-A005一、实验目的1、熟悉软件的界面和器件库;2、了解电路的创建,熟悉各种仪器的使用;3、掌握电子电路的仿真操作过程。
二、实训设备电脑三、实验原理电阻串联分压:在串联电路中,各电阻上的电流相等,各电阻两端的电压之和等于电路总电压。
四、实验内容1、认识Multisim软件2、电路的输入与编辑3、设置Multisim的通用环境变量用菜单Option/Preferences打开Preferences对话窗口,通过该窗口的6个标签选项,用户可以就编辑界面颜色、电路尺寸、缩放比例、自动存储时间等内容作相应的设置。
以标签Workspace为例,当选中该标签时,Preferences对话框中有3个分项:Show:可以设置是否显示网格,页边界以及标题框。
Sheet size:设置电路图页面大小。
Zoom level:设置缩放比例。
4、取用元器件取用元器件有从工具栏取用和从菜单取用两种方法,下面将以74LS00为例说明两种方法。
从工具栏取用:直接在工具栏中选择TTL按钮打开74LS类器件的Component Browser窗口选取,窗口中包含的字段有Database name(元器件数据库),Component Family(元器件类型列表),Component Name List (元器件名细表),Manufacture Names(生产厂家),Model Level-ID(模型层次)等内容。
从菜单取用:通过Place/ Place Component命令打开Component Browser窗口。
5、编辑元器件当器件放置到电路编辑窗口中后,用户就可以进行移动、复制、粘贴、旋转、参数设置等编辑工作。
6、连接元器件元器件放置在电路编辑窗口后,用鼠标就可以方便地将器件连接起来。
方法是:用鼠标单击连线的起点并拖动鼠标至连线的终点。
实验一集成电路的逻辑功能测试一、实验目的1、掌握Multisim软件的使用方法。
2、掌握集成逻辑门的逻辑功能。
3、掌握集成与非门的测试方法。
二、实验原理TTL集成电路的输入端和输出端均为三极管结构,所以称作三极管、三极管逻辑电路(Transistor -Transistor Logic 简称TTL电路。
54 系列的TTL电路和74 系列的TTL电路具有完全相同的电路结构和电气性能参数。
所不同的是54 系列比74 系列的工作温度范围更宽,电源允许的范围也更大。
74 系列的工作环境温度规定为0—700C,电源电压工作范围为5V±5%V,而54 系列工作环境温度规定为-55—±1250C,电源电压工作范围为5V±10%V。
54H 与74H,54S 与74S 以及54LS 与74LS 系列的区别也仅在于工作环境温度与电源电压工作范围不同,就像54 系列和74 系列的区别那样。
在不同系列的TTL 器件中,只要器件型号的后几位数码一样,则它们的逻辑功能、外形尺寸、引脚排列就完全相同。
TTL 集成电路由于工作速度高、输出幅度较大、种类多、不易损坏而使用较广,特别对我们进行实验论证,选用TTL 电路比较合适。
因此,本实训教材大多采用74LS(或74系列TTL 集成电路,它的电源电压工作范围为5V±5%V,逻辑高电平为“1”时≥2.4V,低电平为“0”时≤0.4V。
它们的逻辑表达式分别为:图1.1 分别是本次实验所用基本逻辑门电路的逻辑符号图。
图1.1 TTL 基本逻辑门电路与门的逻辑功能为“有0 则0,全1 则1”;或门的逻辑功能为“有1则1,全0 则0”;非门的逻辑功能为输出与输入相反;与非门的逻辑功能为“有0 则1,全1 则0”;或非门的逻辑功能为“有1 则0,全0 则1”;异或门的逻辑功能为“不同则1,相同则0”。
三、实验设备1、硬件:计算机2、软件:Multisim四、实验内容及实验步骤1、基本集成门逻辑电路测试 (1测试与门逻辑功能74LS08是四个2输入端与门集成电路(见附录1,请按下图搭建电路,再检测与门的逻辑功能,结果填入下表中。
2.5 V(2测试或门逻辑功能74LS32是四个2输入端或门集成电路(见附录1,请按下图搭建电路,再检测或门的逻辑功能,结果填入下表中。
2.5 V(3测试非门逻辑功能74HC04是6个单输入非门集成电路(见附录1,请按下图搭建电路,再检测非门的逻辑功能,结果填入下表中。
VCC5V J5Key = SpaceX32.5 VVCC 0U3A 74HC04D_6V 78非门74HC04(4测试与非门逻辑功能74LS00是四个2输入端与非门集成电路(见附录1,请按下图搭建电路,再检测与非门的逻辑功能,结果填入下表中。
2.5 V(5测试或非门逻辑功能74LS02是四个2输入端或非门集成电路(见附录1,请按下图搭建电路,再检测或非门的逻辑功能,结果填入下表中。
2.5 V(6测试异或门逻辑功能74LS86是四个2输入端异或门集成电路,请按下图搭建电路,再检测异或门的逻辑功能,结果填入下表中。
2.5 V(7测试同或门逻辑功能74LS266是四个2输入端同或门集成电路,请按下图搭建电路,再检测同或门的逻辑功能,结果填入下表中。
2.5 V2、利用与非门组成其他逻辑门电路⑴组成与门电路将74LS00中任意两个与非门组成如下图所示的与门电路,输入端接逻辑电平开关,输出端接指示灯LED ,拨动逻辑开关,观察指示灯LED 的亮与灭,测试其逻辑功能,结果填入下表中。
2.5 V2.5 V⑵组成或门电路将74LS00中任选三个与非门组成如下图所示的或门电路,输入端接逻辑电平开关,输出端接指示灯LED ,拨动逻辑开关,观察指示灯LED 的亮与灭,测试其逻辑功能,结果填入下表中。
2.5 V⑶组成异或门电路将74LS00中的与非门按照下图所示的电路连线,输入端接逻辑电平开关,输出端接指示灯LED,拨动逻辑开关,观察指示灯LED的亮与灭,测试其逻辑功能,结果填入下表中。
2.5 V五、思考题请用或非门实现其他逻辑门电路,如与门、或门、非门、异或、同或。
实验二组合逻辑电路分析与设计一、实验目的1、掌握Multisim软件对组合逻辑电路分析与设计的方法。
2、掌握利用集成逻辑门构建组合逻辑电路的设计过程。
3、掌握组合逻辑电路的分析方法。
二、实验原理全加全减器是一个实现一位全加和全减功能的组合逻辑电路,通过模式变量M 来控制全加/全减算术运算。
本实验可以使用74LS00,74LS86芯片来实现。
A i和B i分别表示二进制数A与B的第i位,C i表示A i-1和B i-1位全加时产生的进位,C i+1表示第A i和B i位全加时产生的进位,函数S和C i+1的卡诺图化简后为: S i=A i⊕B i⊕C iC i+1=B i C i+(C i+B i(M⊕A i=( ⋅⊕⋅⋅⋅⋅BC M A B B C C三、实验设备1、硬件:计算机2、软件:Multisim四、实验内容及实验步骤1、根据实验原理构建全加全减器功能电路并测试逻辑功能。
Si Co2、利用逻辑分析仪测试第1步电路的功能及函数表达式。
说明:上面的第一个图是测试C i+1,下面的图是测试S的,要求分析出真值表及相应函数表达式及最简函数表达式。
3、利用设计全加全减器功能电路并测试逻辑功能。
4、利用逻辑分析仪测试第3步电路的功能。
(参考设计图略五、思考题1、设X=AB,请用与非门实现Y=X3的组合逻辑电路。
2、设计一个血型配对指示器。
输血时供血者和受血者的血型配对情况如图所示,即(1同一血型之间可以相互输血;(2AB型受血者可以接受任何血型的输出;(3O型输血者可以给任何血型的受血者输血。
要求当受血者血型与供血者血型符合要求时绿指示灯亮,否则红指示灯亮。
实验三血型关系检测电路的设计一、实验目的1.掌握组合逻辑电路的设计和测试方法。
2.学习选择和使用集成逻辑器件。
3.练习使用Multisim中的逻辑转换器。
二、实验类型设计型实验三、预习要求1. 复习组合逻辑电路的分析与设计方法。
2. 复习常用的组合逻辑器件的逻辑功能。
3. 画好实验电路的接线图,自拟实验步骤。
四、实验原理组合逻辑电路的设计是指根据给出的实际逻辑问题,求出实现这一逻辑关系的最简逻辑电路。
需要指出的是,这里所说的“最简”,在使用不同器件进行设计时有不同的含义。
对于小规模集成电路(SSI为组件的设计,最简标准是使用的门最少,且门的输入端数最少;而对于以中规模集成电路(MSI为组件的设计,则是以所用集成芯片个数最少、品种最少以及连线最少作为最简的标准。
设计步骤如下:1.根据设计任务,建立数字电路的模型,可以是真值表、卡诺图,也可以直接写出逻辑表达式。
2.跟据真值表或表达式填写卡诺图,进行化简。
化简的原则和最简函数的形式与使用的器件关系密切。
如欲使用与非门实现电路,应化简成与或式;如欲使用或非门实现电路则化简成或与式。
3.根据化简结果画出逻辑电路图。
4.根据逻辑电路图搭接电路。
5.测试并验证所设计的电路。
五、实验仪器装有Multisim 软件的计算机一台六、实验内容与要求人类的血型有4种:A、B、AB、O型。
在输血时,输血者和受血者的血型必须符合如图2.2.1所示的关系,即O型血可以输给任何血型的人,但O型血的人只能接受O型血; AB型血的人只能输给AB型血的人,但AB型血的人可以接受所有血型的人;A型血的人可以输血给A型和AB型血的人,而A型血的人能接受A型和O型血;B型血的人可以输血给B型和AB型血的人,而B型血的人能接受B型和O型血。
图2.2.1 输血关系图要求用与非门设计一个电路,用于判断输血者和受血者的血型是否符合输血条件,如果能够输血,则绿色指示灯亮(实验中用绿色探针代替:如果血型不合,则红色指示灯亮,并且发出警告声音(实验中用蜂鸣器代替。
七、注意事项1. 输血者有4种情况,可用两位代码区分,同样受血者血型也可以用两位代码表示,这样整个电路的输入有四个变量,输出两个变量,分别表示能或不能。
2. 也可以用4个开关模拟A、B、AB、O 血型,(输血者和受血者共需要8个开关对受血者和输血者的血型通过编码电路分别进行编码,之后根据要求设计血型检测电路。
八、实验报告1.说明设计过程,画出各逻辑电路图。
2.记录实验数据,总结实验心得。
九、思考题1.SSI为组件的设计方法与MSI为组件的设计方法有哪些区别,及其各自的优缺点。
2.不限定用于非门,还有哪些方法可以实现血型关系检测?实验四同步时序逻辑电路分析与设计一、实验目的1、掌握基本触发器的逻辑功能。
2、掌握集成触发器的功能和使用方法。
3、掌握同步时序逻辑电路的设计与分析的方法。
二、实验原理触发器是能够存储1位二进制码的逻辑电路,它有两个互补输出端,其输出状态不仅与输入有关,而且还与原先的输出状态有关。
触发器有两个稳定状态,用以表示逻辑状态“1”和“0”,在一定的外界信号作用下,可以从一个稳定状态翻转到另一个稳定状态,它是一个具有记忆功能的二进制信息存储器件,是构成各种时序电路的最基本逻辑单元。
1、JK触发器在输入信号为双端的情况下,JK触发器是功能完善、使用灵活和通用性较强的一种触发器。
本实验采用74LS112双JK触发器,是下降边沿触发的边沿触发器。
引脚逻辑图如图4-2所示:图4-2 JK触发器的引脚逻辑图JK触发器的状态方程为:+=+1nQ JQ KQ其中,J和K是数据输入端,是触发器状态更新的依据,若J、K有两个或两个以上输Q和Q为两个互补输出端。
通常把Q=0、Q=1的状态定为触入端时,组成“与”的关系。
Q=1,Q=0定为“1”状态。
JK触发器常被用作缓冲存储器,移位寄发器“0”状态;而把存器和计数器。
2、集成计数器计数器是数字系统中用的较多的基本逻辑器件,它的基本功能是统计时钟脉冲的个数,即实现计数操作,它也可用与分频、定时、产生节拍脉冲和脉冲序列等。
例如,计算机中的时序发生器、分频器、指令计数器等都要使用计数器。
计数器的种类很多。
按构成计数器中的各触发器是否使用一个时钟脉冲源来分,可分为同步计数器和异步计数器;按进位体制的不同,可分为二进制计数器、十进制计数器和任意进制计数器;按计数过程中数字增减趋势的不同,可分为加法计数器、减法计数器和可逆计数器;还有可预置数等等。
三、实验设备与器件1、硬件:计算机2、软件:Multisim四、实验内容及实验步骤1、验证 JK 触发器逻辑功能分析将 74LS112 的D R 、D S 、J 和 K 连接到逻辑开关,Q 和 Q 端分别接逻辑电平显示端口,CP 接单次脉冲,接通电源,按照表中的要求,改变D R 、D S 、J 、K 和 CP 的状态。