定位放线记录资料
- 格式:doc
- 大小:648.00 KB
- 文档页数:14
工程测量定位放线记录一、定位前的准备工作1.根据设计图纸和施工要求,了解工程的定位要求和放线标准;2.确定测量仪器和工具,如放线笔、白纸、直尺、量角器、测距仪等;3.根据工程要求确定放线标志点和控制点的位置;4.安排测量人员和施工人员,明确工作职责和协作关系。
二、定位测量记录1.填写测量记录表,包括工程名称、工程位置、测量日期和时间等基本信息;2.记录固定点的地理坐标,可以通过全站仪等测量仪器进行测量;3.标注控制点的位置,包括地面标志和建筑物标志,用于放线的参考;4.进行方位角的测量,确定放线方向,并标注在图纸上;5.对建筑物的主要尺寸进行测量,包括建筑物的长度、宽度、高度等;6.测量建筑物与场地的相对位置关系,确定建筑物的中心线和四至线;7.在地面上用测术标志物标记出建筑物的位置和基准点,用于施工放线。
三、放线测量记录1.填写放线记录表,记录工程名称、放线日期和时间等基本信息;2.根据测量记录表上的坐标数据,用放线笔在地面上进行标记;3.根据设计图纸上的尺寸要求,在地面上进行放线,用绳线或墨线放置建筑物的中心线和四至线;4.检查放线是否准确,尺寸是否符合要求;5.检查放线标志物是否牢固,是否能够承受施工过程中的各种力。
四、测量结果的整理与保存1.对测量数据进行整理和汇总,包括控制点的测量数据、建筑物尺寸的测量数据和放线标志物的坐标数据等;2.将测量数据保存在电子文件中,并备份至云端存储或其他存储介质中;3.将测量记录和放线记录以及相关图纸整理成档案,备案保存。
以上是工程测量定位放线记录的内容,通过详细的记录可以及时发现问题和解决问题,保证工程的定位放线准确无误。
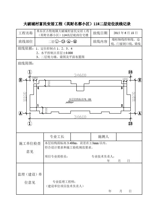
大破城村富民安居工程(英财名都小区)11#二层定位放线记录
大破城村富民安居工程(英财名都小区)11#一层定位放线记录
大破城村富民安居工程(英财名都小区)12#一层定位放线记录
大破城村富民安居工程(英财名都小区)11#九层定位放线记录
大破城村富民安居工程(英财名都小区)11#十层定位放线记录
大破城村富民安居工程(英财名都小区)11#十一层定位放线记录
大破城村富民安居工程(英财名都小区)12#十二层定位放线记录
大破城村富民安居工程(英财名都小区)12#十三层定位放线记录
大破城村富民安居工程(英财名都小区)12#十四层定位放线记录
大破城村富民安居工程(英财名都小区)11#十六层定位放线记录
大破城村富民安居工程(英财名都小区)12#十六层定位放线记录。
工程测量定位放线控制点交接记录日期:XXXX年XX月XX日地点:XXXX工程现场一、交接人员情况:交接人员:A公司:张工、李工;B公司:王工、赵工二、交接内容:1.交接项目:XXXX工程的定位放线和控制点的测量工作。
2.交接要求:将已完成的工作情况进行详细汇报,交接期间要互相沟通,解答问题,确保工作顺利进行。
三、交接工作情况:1.A公司工作情况:a.定位放线工作:-完成了工程的定位放线任务,包括主要控制点和辅助控制点的布设。
-使用全站仪进行测量,精度符合工程要求。
-已将测量数据整理成报告,包括坐标数据和图纸标注。
b.控制点测量情况:-已完成对所有控制点的测量工作,并和设计图进行对比验证。
-已将测量数据整理成报告,包括坐标数据和图纸标注。
2.B公司工作情况:a.定位放线工作:-已经收到A公司的交接材料,并对照图纸进行了核对,无误后进行了现场勘测。
-在现场使用全站仪和其他测量工具进行了定位放线工作。
-将测量结果整理成报告,包括坐标数据和图纸标注。
b.控制点测量情况:-进行了与A公司交接的控制点测量工作,确保测量结果的准确性。
-将测量数据整理成报告,包括坐标数据和图纸标注。
四、问题与建议:1.A公司问题与建议:a.关于控制点测量报告中的坐标数据和图纸标注,希望能提供更详细准确的信息,以方便B公司进行后续工作。
b.在交接过程中,应对B公司的工作进行更多的指导和培训,以确保工作的顺利进行。
2.B公司问题与建议:a.在定位放线工作中,希望A公司能够提供更清晰明确的图纸和控制点坐标,以避免出现误差。
b.在控制点测量过程中,希望A公司能提供更详细的控制点的位置和特征描述,以减少后续工作的困扰。
五、下一步工作安排:1.A公司:继续协作B公司进行后续施工的定位放线和控制点测量工作。
2.B公司:根据A公司提供的交接材料,进行后续工作的定位放线和控制点测量工作。
六、其他事项:1.对于工作中出现的争议或问题,双方应尽快进行沟通解决,以保证工程进度和质量。
定位放线记录范文1.项目名称:XYZ建筑工程项目2.施工单位:ABC建筑有限公司3.定位放线日期:2024年3月15日1.定位放线目的:本次定位放线的目的是根据设计图纸的要求,在施工现场准确地标定出建筑物的各个部位的位置和尺寸,以确保施工过程中的准确性和效率。
2. 定位放线地点:本次定位放线的地点为XYZ建筑工程项目的施工现场,具体位置为:xxxxxx。
3.参与人员:本次定位放线的参与人员包括:-现场技术主管:张先生-项目经理:李先生-测量员:王先生4.定位放线工具:本次定位放线所使用的工具包括:-全站仪:用于测量建筑物的位置和角度。
-杆垂尺:用于测量建筑物高度。
-塔尺:用于测量建筑物的线段和尺寸。
-钢钉和尺:用于标定建筑物的各个定位点。
5.定位放线过程:a)根据设计图纸,确定建筑物的各个定位点,并在地面上使用钢钉进行标定。
b)使用全站仪进行测量,确定建筑物的位置和角度,并进行记录。
c)使用杆垂尺进行建筑物高度的测量,并进行记录。
d)使用塔尺进行建筑物的线段和尺寸测量,并进行记录。
e)验证测量结果的准确性,并进行修正。
f)将测量结果整理并进行报告。
6.定位放线结果:-建筑物的各个定位点已经准确地标定在地面上,并进行了记录。
-建筑物的位置和角度已经测量并记录,确保了施工的准确性。
-建筑物的高度和尺寸已经测量并记录,确保了施工的精确度。
7.定位放线总结:本次定位放线工作顺利完成,通过准确地标定建筑物的各个部位的位置和尺寸,确保了施工的准确性和效率。
同时,本次定位放线过程中所使用的工具和参与人员的专业能力也得到了充分的发挥,保证了测量结果的准确性和可靠性。
定位放线记录机械报验项目名称:机械设备安装工程工程地点:XXX工厂日期:2024年X月X日设备名称:XXX机械设备设备型号:XXX设备制造商:XXX有限公司安装单位:XXX安装工程有限公司记录人:XXX监理单位:XXX监理工程有限公司放线人员:XXX一、定位放线前的准备工作:1.确认设备安装位置,并根据设备制造商提供的放线图纸进行放线准备工作。
2.准备测量工具,包括测量尺、量角器、放线线和白垫片等。
二、定位放线记录:1.在设备放置的地面上,找到设备的中心点,并用白垫片标示出中心点。
2.根据放线图纸,确定设备的水平放置位置,使用量角器进行测量,并在地面上使用白垫片标示出设备的四个角点。
3.确定设备的垂直高度,在设备上部固定一个参考点,并使用测量尺进行垂直高度的测量。
4.根据放线图纸和设备尺寸,将设备的轮廓线放线在地面上,使用放线线固定轮廓线。
5.用红色粉笔或红色油漆标示出设备的位置和轮廓线,方便施工人员参考。
6.将放线过程中的测量数据记录在放线记录表格中,包括设备的中心点坐标、角点坐标和垂直高度等信息。
三、定位放线后的检查工作:1.核对放线记录表格中的测量数据和图纸要求,确保放线的准确性和一致性。
2.检查设备的放线线、标示和轮廓线是否清晰可见,并及时修正不准确或不清晰的地方。
3.请监理单位进行放线过程的验收,并记录验收结果。
四、定位放线记录的附图:(此处可将放线图纸、放线记录表格、相关测量照片等附在文档后面,以便查阅和备案)以上是一份定位放线记录的示例,其中包括了准备工作、放线过程、检查工作和附图等内容。
在实际操作中,还应根据具体项目的需求和要求进行相应的调整和补充。
工程定位测量放线记录本文记录了皖维棚户区改造工程二期A-9#楼、A-6#楼和A-10#楼的工程定位测量放线情况。
其中,A-9#楼的测量依据为总平面图,图号为1/1,相对坐标系为1985国家高程系,道路路面的X和Y坐标分别为4602.704和1317.266,___门口路面的X和Y坐标分别为4593.565和1417.82.A-21#楼东侧挡土墙点对应黄海高程系,本工程±0.000为黄海绝对高程44米43.902米。
1-25轴长度为33.2米,B-G轴长度为10.2米。
施测采用电子全站仪,具体型号为三鼎光电SD和SD.测量日期为2014年12月20日,复测日期为2014年12月22日。
A-6#楼的测量依据同样为总平面图,图号为1/1,相对坐标系为1985国家高程系,道路路面的X和Y坐标分别为4602.704和1317.266,___门口路面的X和Y坐标分别为4593.565和1417.82.A-21#楼东侧挡土墙点对应黄海高程系,本工程±0.000为黄海绝对高程44米43.902米。
1-29轴长度为41.2米,B-E轴长度为10米。
施测采用电子全站仪,具体型号为三鼎光电SD和SD.测量日期为2015年1月20日,复测日期为2015年1月25日。
A-10#楼的测量依据同样为总平面图,图号为1/1,相对坐标系为1985国家高程系,道路路面的X和Y坐标分别为4602.704和1317.266,___门口路面的X和Y坐标分别为4593.565和1417.82.施测采用电子全站仪,具体型号为三鼎光电SD和SD.测量日期未记录。
2015年4月22日工程名称:皖维棚户区改造工程二期A-3#楼、A-4#楼定位测量放线记录工程定位放线依据:总平面图,图号1/1,相对坐标系,1985国家高程系定位点坐标、高程依据:1.道路路面:X=4602.704,Y=1317.2662.___门口路面:X=4593.565,Y=1417.823.A-21#楼东侧挡土墙点,对应黄海高程系,本工程±0.000为黄海绝对高程44米(43.902米)测量仪器:电子全站仪,仪器编号为三鼎光电SD和SD测量日期:2015年1月8日(复测日期:2015年1月13日)和2015年4月2日(复测日期:2015年4月6日)测量人员:施工单位技术负责人、质量检查员、施测人测量记录:A-21#楼东侧挡土墙点,对应黄海高程系,本工程±0.000为黄海绝对高程44米(43.902米),坐北朝南,2-20轴距离31.8米,A-M轴距离16.7米A-21#楼东侧挡土墙点,对应黄海高程系,本工程±0.000为黄海绝对高程44米(43.902米),东南朝向,2-39轴距离63.95米,B-M轴距离16米验收人员:建设单位项目专业技术负责人结论日期:年月日2015年4月22日,进行了皖维棚户区改造工程二期A-8#楼的工程定位测量放线记录。
第1篇一、工程概况工程名称:XX项目施工单位:XX建筑工程有限公司测量依据:XX项目施工图、工程测量规范(GB50026-2007)测量日期:2021年X月X日使用仪器:全站仪、水准仪、钢尺、测距仪等。
二、测量内容1. 施工放线测量(1)平面控制测量:本次放线测量以已建的平面控制点为基准,采用全站仪进行测量,对施工现场进行平面控制。
(2)高程控制测量:以已建的水准点为基准,采用水准仪进行测量,对施工现场进行高程控制。
2. 施工放样测量(1)建筑物定位:根据施工图,采用全站仪进行建筑物定位,确保建筑物位置准确。
(2)建筑物放样:根据定位结果,采用钢尺、测距仪等工具进行建筑物放样,确保建筑物尺寸准确。
(3)轴线放样:根据建筑物定位和放样结果,采用全站仪进行轴线放样,确保轴线位置准确。
(4)标高控制:根据水准点高程,采用水准仪进行标高控制,确保建筑物标高符合设计要求。
三、测量方法1. 平面控制测量(1)采用全站仪,按照《工程测量规范》的要求,对施工现场进行平面控制。
(2)以已建的平面控制点为基准,采用坐标法进行测量,确保测量精度。
2. 高程控制测量(1)采用水准仪,按照《工程测量规范》的要求,对施工现场进行高程控制。
(2)以已建的水准点为基准,采用闭合水准路线进行测量,确保测量精度。
3. 施工放样测量(1)建筑物定位:采用全站仪,按照《工程测量规范》的要求,对建筑物进行定位。
(2)建筑物放样:采用钢尺、测距仪等工具,按照施工图要求,对建筑物进行放样。
(3)轴线放样:采用全站仪,按照轴线定位结果,对轴线进行放样。
(4)标高控制:采用水准仪,按照水准点高程,对建筑物标高进行控制。
四、测量结果1. 平面控制测量:平面控制点精度达到±5mm。
2. 高程控制测量:高程控制点精度达到±3mm。
3. 施工放样测量:建筑物定位精度达到±10mm,建筑物放样精度达到±5mm,轴线放样精度达到±5mm,标高控制精度达到±3mm。
工程定位测量放线记录范本工程定位测量放线记录范本项目名称:XXXX工程工程地点:XXXXXX测量日期:XXXX年XX月XX日测量者:XXX一、工程概况该工程位于XXXX地区,包括XXX部分,总面积约XXX平方米。
本次放线测量是为了准确确定工程的位置,确定工程范围及标示地面控制点,为后续施工提供参考依据。
二、测量工具与仪器1. 测距仪:使用XXXX型号测距仪进行测距。
2. 放线工具:使用钢尺、放线线、镜尺等进行放线。
3. 其他工具:铁锤、记号笔、纸张等。
三、测量方法1. 准备工作在开始放线测量前,先确定放线的起点和基准线,然后在基准线上设定起始点,并沿基准线作正交线,确定工程范围。
场地中有许多树木和障碍物,需要在放线过程中做好标记,确保放线的准确性。
2. 放线过程(1)首先确定起点和基准线,将起始点标记在基准线上;(2)沿基准线方向,设置一系列的控制点,用铁钉固定在地面上;(3)根据工程图纸和控制点,进行纵向放线;(4)根据工程图纸和控制点,进行横向放线;(5)利用放线工具,进行标记,并核对所有放线点的准确性;(6)记录下放线坐标信息。
四、测量结果记录放线结果如下:1. 基准线位置:基准线起点坐标(X1,Y1),基准线终点坐标(X2,Y2);2. 纵向放线结果:根据工程图纸,测量并记录下所有纵向放线点的坐标;3. 横向放线结果:根据工程图纸,测量并记录下所有横向放线点的坐标;4. 其他关键放线点的坐标记录。
备注:以上均为相对坐标,根据要求可将相对坐标转化为绝对坐标。
五、存在问题及处理措施在放线过程中,遇到以下问题:1. 地面不平整导致放线时高差较大;2. 树木较多,视线不好;3. 部分控制点被障碍物遮挡。
处理措施如下:1. 使用借尺补偿法处理高差较大的问题;2. 将树木进行标记或清理视线;3. 对被遮挡的控制点进行高程测定。
六、测量总结通过对工程的定位测量放线,确保了工程施工的准确性和良好的起点。
工程定位测量放线验收记录一、背景在工程施工前期,对于建筑工程、公路工程、桥梁工程等,都需要进行定位测量和放线工作,以确保施工过程中各项指标的准确性,保证工程顺利进行。
本文档旨在记录工程定位测量放线过程中的相关信息和验收结果。
二、工程概况本次工程名称为XXXX,位于XXX地区,涉及XXXX面积,计划使用总人工XXX人、总物资€XXXX,计划施工周期XXX个月。
三、工程定位测量放线记录1. 定位测量在施工前期,我们派出专业人员进行工程的定位测量,具体记录如下:序号测量点名称测量坐标(X,Y,Z)测量结果(标准偏差)1 A (XX, XX, XX) (XX, XX, XX)2 B (XX, XX, XX) (XX, XX, XX)3 C (XX, XX, XX) (XX, XX, XX)2. 放线记录根据定位测量的结果,我们进行了工程的放线工作,具体记录如下:序号放线点名称放线坐标(X,Y,Z)与设计数据差异(标准偏差)1 A (XX, XX, XX) (XX, XX, XX)2 B (XX, XX, XX) (XX, XX, XX)3 C (XX, XX, XX) (XX, XX, XX)3. 验收记录经过上述的工程定位测量和放线工作,我们进行了验收,结果如下:1.定位测量验收:经过核验,定位点与设计数据误差小于XX毫米,符合要求。
2.放线验收:经过核验,放线数据与设计数据误差小于XX毫米,符合要求。
四、结论经过本次工程的定位测量和放线工作,我们取得了令人满意的效果,与设计数据误差较小,在验收方面也符合要求。
作为施工的重要前期工作,我们将持续跟进工程进展,确保施工顺利进行。
大破城村富民安居工程(英财名都小区)11#二层定位放线记录
大破城村富民安居工程(英财名都小区)11#一层定位放线记录
大破城村富民安居工程(英财名都小区)12#一层定位放线记录
大破城村富民安居工程(英财名都小区)11#九层定位放线记录
大破城村富民安居工程(英财名都小区)11#十层定位放线记录
大破城村富民安居工程(英财名都小区)11#十一层定位放线记录
大破城村富民安居工程(英财名都小区)12#十二层定位放线记录
大破城村富民安居工程(英财名都小区)12#十三层定位放线记录
大破城村富民安居工程(英财名都小区)12#十四层定位放线记录
大破城村富民安居工程(英财名都小区)11#十六层定位放线记录
大破城村富民安居工程(英财名都小区)12#十六层定位放线记录。