定位放线记录、基槽验线
- 格式:doc
- 大小:69.50 KB
- 文档页数:2
基槽验线记录
1:基槽验线就是根据主控轴线\基耷底平面\地基基础施工方案,检验建筑基底外轮瘑线,集水坑,电梯井坑,垫层标高,基槽断面尺寸等.
2:检查内容:建筑物基底外论国位置,尺寸,集水坑,电梯井坑,垫层标高,放坡边线,坡度,基槽断面尺寸等.
3:填写要求:
A验线依据及内容栏:依据”应填写①定位控制桩;②测绘院BM1、BM2;③基础平面图XXX。
内容应填写①基底轮郭线及外轮郭断面;②垫层标高;③电梯井等垫层标高、位置。
B基槽平面、培面图;应标明平面(建筑物基底外轮郭线位置、重要控制轴线、尺寸、集水坑等)培面(垫层标高、放坡边线、坡度、基槽断面尺寸、重要控制轴线等)及指北针方向。
同时应说明集水坑、电梯井、设备坑等具体位置等,见XXX图。
C检查意见:施工方根据监理要求,由施工方手写或电脑打(应有具体的测量误差)。
如:基底外轮郭及电梯井、集水坑位置准确无误。
垫层标高6.800m,误差均在±5mm以内。
D签字栏中技术负责人为项目总工;测量负责人为施测单位主管;质量检查员为现场质检员。
E施工单位一栏谁施工填谁这一原则执行。
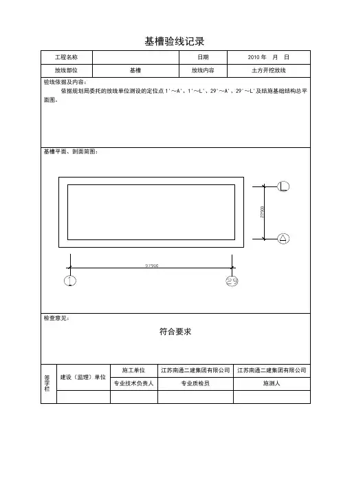
基槽验线记录工程名称日期2010年月日放线部位基槽放线内容土方开挖放线验线依据及内容:依据规划局委托的放线单位测设的定位点1'~A'、1'~L'、29'~A'、29'~L'及结施基础结构总平面图。
基槽平面、剖面简图:检查意见:符合要求签字栏建设(监理)单位施工单位江苏南通二建集团有限公司江苏南通二建集团有限公司专业技术负责人专业质检员施测人工程名称彭州市三界镇三界场统规统建安置点日期抄测部位11#楼基础超深部位抄测依据及内容:依据:(1)建筑施工图建施(2)施工测量规范(3)11#楼±0.000标高523.95内容:根据主控轴线和基底平面图,检验建筑物基底外轮廓线、换填部位标高、基槽断面尺寸等。
抄测简图:三界场11#楼E—B/21—17轴交点部位原标高为520.85,E—B/21-17轴超挖部分底标高为520.55,E—D/21-19轴底标高为520.30.检查意见:经检查:A—E/21—1轴为基底控制轴线,垫层标高(误差:-1㎜),基槽开挖的断面尺寸(误差:+2㎜),坡度边线、坡度等各项指标符合设计要求及施工测量规范规定,可进行下道工序施工签字栏建设(监理)单位施工测量单位建筑公司专业技术负责人专业质检员施测人工程名称彭州市三界镇三界场统规统建安置点日期抄测部位9#楼基础超深部位抄测依据及内容:依据:(1)建筑施工图建施(2)施工测量规范(3)11#楼±0.000标高524.35内容:根据主控轴线和基底平面图,检验建筑物基底外轮廓线、换填部位标高、基槽断面尺寸等。
抄测简图:三界场9#楼A—E/1—17轴交点部位原标高为521.25,超挖部位底标高分别为521.01,520.91检查意见:经检查:A—E/1—21轴为基底控制轴线,垫层标高(误差:-1㎜),基槽开挖的断面尺寸(误差:+2㎜),坡度边线、坡度等各项指标符合设计要求及施工测量规范规定,可进行下道工序施工签字栏建设(监理)单位施工测量单位建筑公司专业技术负责人专业质检员施测人工程名称彭州市三界镇三界场统规统建安置点日期抄测部位14#楼基础超深部位抄测依据及内容:依据:(1)建筑施工图建施(2)施工测量规范(3)14#楼±0.000标高524.25内容:根据主控轴线和基底平面图,检验建筑物基底外轮廓线、换填部位标高、基槽断面尺寸等。
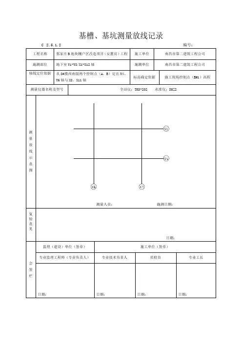
施工测量放线报验单基槽及各层放线测量及复测记录文档1.前言本文档为施工测量放线报验单基槽及各层放线测量及复测记录文档,旨在记录基槽及各层放线测量的过程和结果,以确保施工质量和安全。
2.测量基准点确定根据设计要求,测量人员确定了基准点位置,并在基槽和各层对应位置进行了标记。
3.测量仪器准备为了确保准确测量,测量人员准备了以下仪器:测量仪器、测量标杆、尺子、测量笔等。
4.基槽放线测量过程4.1基槽的上部和下部定位孔的位置测量测量人员使用测量仪器测量了基槽上部和下部定位孔的位置,并记录了测量结果。
4.2基槽两端定位孔的位置测量测量人员使用测量仪器测量了基槽两端定位孔的位置,并记录了测量结果。
4.3基槽的长度测量测量人员使用测量标杆和尺子测量了基槽的长度,并记录了测量结果。
4.4基槽的宽度测量测量人员使用尺子测量了基槽的宽度,并记录了测量结果。
5.各层放线测量过程5.1各层定位孔的位置测量测量人员使用测量仪器测量了各层的定位孔的位置,并记录了测量结果。
5.2各层水平线的位置测量测量人员使用测量仪器测量了各层的水平线的位置,并记录了测量结果。
5.3各层垂直线的位置测量测量人员使用测量仪器测量了各层的垂直线的位置,并记录了测量结果。
6.复测记录为了确保测量结果的准确性,测量人员进行了复测。
复测结果与初测结果进行对比,若复测结果与初测结果相符,则认定测量结果准确。
7.结束语本文档详细记录了基槽及各层放线测量的过程和结果,为施工质量和安全提供了重要参考。
同时,复测的进行确保测量结果的准确性和可靠性。
(最新整理)基槽验线记录1. 背景介绍基槽验线是在建筑施工中非常重要的一项工作,它涉及到基础结构的安全稳定性。
准确记录和整理基槽验线的数据有助于施工方进行后续工作的规划与调整。
本文档将对最近进行的基槽验线工作进行整理和记录。
2. 基槽验线工作简介基槽验线是指在基础施工过程中,通过测量、调整基槽的位置和尺寸,保证基础结构的垂直度和水平度达到设计要求。
验线工作主要包括以下几个方面:2.1 测量基槽位置和尺寸首先需要测量基槽的位置和尺寸,以确定其是否符合设计要求。
测量可以使用多种工具,如钢尺、水平仪等,根据实际情况选择合适的测量工具。
2.2 调整基槽位置和尺寸如果测量结果显示基槽的位置和尺寸不符合要求,需要及时调整。
调整基槽位置可通过挖掉或填充土方的方式来完成,调整基槽尺寸可使用铁板、木板等材料进行加固。
2.3 验证基槽垂直度和水平度在调整完基槽位置和尺寸后,需要再次进行测量,以验证基槽的垂直度和水平度是否达到要求。
若不符合要求,需要进行进一步的调整。
3. 基槽验线记录根据最近进行的基槽验线工作,以下是相关的验线记录:序号基槽编号位置坐标尺寸(长 x 宽 x 深)备注1 BS001 (10,20) 10m x 5m x 2m2 BS002 (15,25) 12m x 6m x 2.5m 需要进行基槽调整3 BS003 (20,30) 8m x 4m x 2m 需要进一步调整4 BS004 (18,28) 9m x 4.5m x 2.2m5 BS005 (12,22) 11m x 5.5m x 2.2m4. 基槽调整记录针对需要进行基槽调整的情况,以下是调整的记录:序号基槽编号调整内容调整人员调整日期2 BS002 添加铁板增加基槽深度张三2021-01-053 BS003 增加填充土方调整基槽位置李四2021-01-085. 总结与展望基槽验线工作在基础工程中具有重要的意义,通过准确记录和整理基槽验线的数据,有助于及时调整和优化施工过程。
工程定位测量放线验收记录一、背景在工程施工前期,对于建筑工程、公路工程、桥梁工程等,都需要进行定位测量和放线工作,以确保施工过程中各项指标的准确性,保证工程顺利进行。
本文档旨在记录工程定位测量放线过程中的相关信息和验收结果。
二、工程概况本次工程名称为XXXX,位于XXX地区,涉及XXXX面积,计划使用总人工XXX人、总物资€XXXX,计划施工周期XXX个月。
三、工程定位测量放线记录1. 定位测量在施工前期,我们派出专业人员进行工程的定位测量,具体记录如下:序号测量点名称测量坐标(X,Y,Z)测量结果(标准偏差)1 A (XX, XX, XX) (XX, XX, XX)2 B (XX, XX, XX) (XX, XX, XX)3 C (XX, XX, XX) (XX, XX, XX)2. 放线记录根据定位测量的结果,我们进行了工程的放线工作,具体记录如下:序号放线点名称放线坐标(X,Y,Z)与设计数据差异(标准偏差)1 A (XX, XX, XX) (XX, XX, XX)2 B (XX, XX, XX) (XX, XX, XX)3 C (XX, XX, XX) (XX, XX, XX)3. 验收记录经过上述的工程定位测量和放线工作,我们进行了验收,结果如下:1.定位测量验收:经过核验,定位点与设计数据误差小于XX毫米,符合要求。
2.放线验收:经过核验,放线数据与设计数据误差小于XX毫米,符合要求。
四、结论经过本次工程的定位测量和放线工作,我们取得了令人满意的效果,与设计数据误差较小,在验收方面也符合要求。
作为施工的重要前期工作,我们将持续跟进工程进展,确保施工顺利进行。
DB15/427—2005基础轴线标高检查记录C01-5-03-001 工程名称佳家花园廉租房7#楼检查部位基础±0.00 检查日期2010年10月9日放线依据:依据:定位控制桩、规划测绘部门给定的控制水准点、基础平面及剖面图。
内容:核查构造柱、基础砖砌体的轴线偏差及标高偏差。
放线简图:标高:以乌兰花路与清河大街交点的176.289为准定为178.1 为±0.00。
检查意见:基础各控制轴线位置准确无误。
最大轴线偏差5㎜,标高最大偏差3㎜。
符合规范要求。
签字栏监理(建设)单位施工单位监理工程师(建设单位代表)单位工程技术负责人专业质检员资料员内质检软件登记号:64190163DB15/427—2005基槽验线记录C01-5-02-001 工程名称佳家花园廉租房16#楼日期2010年10 月8 日验线依据及内容:依据:(1)定位控制桩。
(2)规划测绘部门给定的高程控制水准点。
(3)基础平面、剖面图。
内容:校核基底外轮廓线、控制轴线;检查基底标高;复核地下室集水坑位置及坑底标高。
基槽平面、剖面简图:○○1265 50050 1265 31015○10同同甘共苦○1015 -2.300500 915(1165)○检查意见:基底外轮廓线位置及基础控制轴线最大偏差+3㎜。
符合规范要求。
基底标高最大偏差+6㎜。
符合规范要求。
签字监理(建设)单位施工测量单位监理工程师(建设单位代表)专业技术负责人专业质检员施测人栏内质检软件登记号:64190163DB15/427—2005工程定位测量记录C01-5-01-001工程名称 佳家花园廉租房7#8#15#16# 建设单位 通辽市住房和城乡建设委员会 制表日期 2007年 7 月 22 日 施工单位 通辽市鑫华建筑工程公司施测日期 2007年 7 月 19 日图纸编号 建施—2、3坐标依据 建施—2总平面高程依据 西拉木伦大街永安路交汇处177.82 使用仪器经纬仪JGJ2、水准仪NA724闭合差i <1/10000 h ≤±6√n ㎜定位示意图: 尺寸单位:m 高程单位:m水准点编号与标高 设计标高纵横向尺寸表示方法相对相对 ±0.000横向=A 绝对绝对纵向=B清 河 大 街乌兰花路高程36488.70437367.714373214.0936486.77437380.0936493.2936495.22437426.7136439.06437417.8836433.58 437370.00437323.3836431.65 437382.9836434.857#178.1008#178.00015#178.10016#177.900监理工程师:技术负责人:抄测人:(建设单位项目负责人)施工员:质检员:复测人:内质检软件登记号:64190163DB15/427—2005工程定位测量记录C01-5-01-001 工程名称佳家花园廉租房16#楼建设单位通辽市住房和城乡建设委员会制表日期2010年10月9 日施工单位通辽市鑫华建筑工程公司施测日期2010年10月9 日图纸编号建施—2、3坐标依据建施—2总平面高程依据清河大街北乌兰花路东176.289 使用仪器经纬仪JGJ2、水准仪NA724 闭合差i<1/10000 h≤±6√n ㎜定位示意图:尺寸单位:m高程单位:m水准点编号与标高设计标高纵横向尺寸表示方法相对相对±0.000 横向=A绝对绝对纵向=B监理工程师:技术负责人:抄测人:(建设单位项目负责人)施工员:质检员:复测人:内质检软件登记号:64190163DB15/427—2005基础轴线标高检查记录C01-5-03-001 工程名称佳家花园廉租房8#楼检查部位基础±0.00 检查日期2010年10月9日放线依据:依据:定位控制桩、规划测绘部门给定的控制水准点、基础平面及剖面图。