电动车电路图和维修
- 格式:doc
- 大小:4.85 MB
- 文档页数:87
电动车电路图和维修方法转把好坏判断转把线三根红正,黑负,绿信号,(也有多根的)注意多根线的,颜色间隙一样的三根才是转把测量的线。
在接线正确的情况下,打开电源锁,把万能表调到测直流电压档20V黑表笔接负极,红表笔接控制器供给转把的正负极间是否有5V左右的电压.如果电压正常,然后把红表笔移到信号线上,测得是否有1V左右的电压(正把)好慢慢的转动转把到底,看万能表上的电压是否由1V左右慢慢的升到4.2V左右如果有的者此转把是好的是正把如果测量转把的正负之间没有电压或电压只要1V或2V左右的电压,那么要断开转把与控制器的接处直接从控制器上测量控制器供给转把的正负之间的电压,如果测得电压正常有5V左右那么就是转把坏了更换转把,如果测得电压很先前没有断开的一样1V或2V左右的,那么就是控制器故障,更换控制器。
如果测得转把的正负之间的电压正常(5V)左右的测得负极与信号线电压显示"0.00"那么转把是坏的还有测得转把的负极线与信号线的电压正常有1V左右然后转动转把到底则其电压没有变化还是1V左右的活变动很小的在2V左右的则转把也是坏的。
飞车故障(不用转把打开电源锁电机就自己转动,关了电源就停了)断开转把与控制器的接头如果电机停了那么就是转把的负极线的接触不良或断开,如果电机还转那么就是控制器故障。
控制器输出到电机三根进线电压要用交流档,转把到底,相间电压35伏左右。
电动车电路图,电机的测量,无刷电机霍尔件的测量。
注意事项:1. 电动车电路图:电动车的电路图通常包括电池、电机控制器、电机、仪表、灯光、报警等部分。
电池是电动车的电源,负责提供电力。
电机控制器是电动车的核心控制单元,负责控制电机的转速和方向。
电机是电动车的动力输出部分,负责将电能转化为机械能。
仪表负责显示电动车的各项参数,如速度、电量等。
灯光和报警则负责照明和警示作用。
在阅读电动车电路图时,需要注意各个部分的连接方式和电压等级。
通常,电路图中的每个部分都会用不同的符号和颜色来表示,方便阅读和理解。
电动车整车电气原理图电动车整车电气原理图这是低电平刹车线路图这是高电平刹车线路图以上两个就是电动车整车线路图(简易)更多关于电动车维修请点击下面的链接电动车整车电气原理图电动机车故障维修手册电动车检测仪制作电动车综合检测仪制作电动车故障维修资料电动车三合一喇叭接线图电动车电机霍尔更换图解电动车维修电动车维修技术电动车故障维修无刷电机相角的判断无刷电机的接线方法电动车报警器(防盗器)的接法无刷电动车不能行走的故障检修控制器限流的检测方法怎样检测电机的霍尔好坏控制器缺相的检测电动车空载电流的测法怎样检测无刷控制器好坏无刷控制器的原理与维修无刷控制器好坏的测量方法无刷电动车控制器接线方法电动车闪光器电路图电动车电源转换器电路图电动车电源转换器接法电动车控制器维修电动车仪表维修电动车充电器维修三档变速控制器接线方法有刷电动车不能行走的故障检修电动车线路图大全电动车电路图大全常用电动车充电器根据电路结构可大致分为两种。
第一种是以uc3842驱动场效应管的单管开关电源,配合LM358双运放来实现三阶段充电方式。
其电原理图和元件参数见图表1点击图片在新窗口查看清晰大图图表1工作原理:220v交流电经T0双向滤波抑制干扰,D1整流为脉动直流,再经C11滤波形成稳定的300V左右的直流电。
U1 为TL3842脉宽调制集成电路。
其5脚为电源负极,7脚为电源正极,6脚为脉冲输出直接驱动场效应管Q1(K1358) 3脚为最大电流限制,调整R25(2.5欧姆)的阻值可以调整充电器的最大电流。
2脚为电压反馈,可以调节充电器的输出电压。
4脚外接振荡电阻R1,和振荡电容C1。
T1为高频脉冲变压器,其作用有三个。
第一是把高压脉冲将压为低压脉冲。
第二是起到隔离高压的作用,以防触电。
第三是为uc3842提供工作电源。
D4为高频整流管(16A60V)C10为低压滤波电容,D5为12V稳压二极管,U3(TL431)为精密基准电压源,配合U2(光耦合器4N35) 起到自动调节充电器电压的作用。
电动车电路图和修补教程如今电动车不断添加,可是许多修摩托车的师傅还不太会修电动车,电工之家将材料进行了汇总,把修补办法总结如下,给需求的兄弟。
转把好坏差异
转把线三根红正,黑负,绿信号,(也有多根的)留神多根线的,色彩空地相同的三根才是转把丈量的线。
在接线准确的状况下,翻开电源锁,把全能表调到测直流电压档20V黑表笔接负极,红表笔接操控器供应转把的正负极间是不是有5V摆布的电压.
假定电压正常,然后把红表笔移到信号线上,测得是不是有1V摆布的电压(正把)好逐步的翻滚转把终究,看全能表上的电压是不是由1V摆布逐步的升到4.2V摆布假定有的者此转把是好的是正把
假定丈量转把的正负之间没有电压或电压只需1V或2V摆布的电压,那么要断开转把与操控器的接处直接从操控器上丈量操控器供应转把的正负之间的电压,假定测得电压正常有5V摆布那么便是转把坏了替换转把,假定测得电压很早年没有断开的相同1V或2V摆布的,那么便是操控器缺点,替换操控器
假定测得转把的正负之间的电压正常(5V)摆布的测得负极与信号线电压闪现"0.00"那么转把是坏的还有测得转把的负极线与信号线的电压正常有1V摆布然后翻滚转把终究则其电压没有改动仍是1V摆布的活改动很小的在2V摆布的则转把也是坏的
飞车缺点(不必转把翻开电源锁电机就自个翻滚,关了电源就停了)断开转把与操控器的接头假定电机停了那么便是转把的负极线的触摸不良或断开假定电机还转那么便是操控器缺点。
操控器输出到电机三根进线电压要用沟通档,转把终究,相间电压35伏摆布。
电动车电路图,电机的丈量,无刷电机霍尔件的丈量。
常用电动车充电器根据电路结构可大致分为两种。
第一种是以uc3842驱动场效应管的单管开关电源,配合LM358双运放来实现三阶段充电方式。
其电原理图和元件参数见图表1)图表 1220v交流电经T0双向滤波抑制干扰,D1整流为脉动直流,再经C11滤波形成稳定的300V左右的直流电。
U1 为TL3842脉宽调制集成电路。
其5脚为电源负极,7脚为电源正极,6脚为脉冲输出直接驱动场效应管Q1(K1358) 3脚为最大电流限制,调整R25(2.5欧姆)的阻值可以调整充电器的最大电流。
2脚为电压反馈,可以调节充电器的输出电压。
4脚外接振荡电阻R1,和振荡电容C1。
T1为高频脉冲变压器,其作用有三个。
第一是把高压脉冲将压为低压脉冲。
第二是起到隔离高压的作用,以防触电。
第三是为uc3842提供工作电源。
D4为高频整流管(16A60V)C10为低压滤波电容,D5为12V 稳压二极管,U3(TL431)为精密基准电压源,配合U2(光耦合器4N35) 起到自动调节充电器电压的作用。
调整w2(微调电阻)可以细调充电器的电压。
D10是电源指示灯。
D6为充电指示灯。
R27是电流取样电阻(0.1欧姆,5w)改变W1的阻值可以调整充电器转浮充的拐点电流(200-300 mA)。
通电开始时,C11上有300v左右电压。
此电压一路经T1加载到Q1。
第二路经R5,C8,C3, 达到U1的第7脚。
强迫U1启动。
U1的6脚输出方波脉冲,Q1工作,电流经R25到地。
同时T1副线圈产生感应电压,经D3,R12给U1提供可靠电源。
T1输出线圈的电压经D4,C10整流滤波得到稳定的电压。
此电压一路经D7(D7起到防止电池的电流倒灌给充电器的作用)给电池充电。
第二路经R14,D5,C9, 为LM358(双运算放大器,1脚为电源地,8脚为电源正)及其外围电路提供12V工作电源。
D9为LM358提供基准电压,经R26,R4分压达到LM358的第二脚和第5脚。
常用电动车充电器根据电路结构可大致分为两种。
第一种是以uc3842驱动场效应管的单管开关电源,配合LM358双运放来实现三阶段充电方式。
其电原理图和元件参数见图表1)图表 1220v交流电经T0双向滤波抑制干扰,D1整流为脉动直流,再经C11滤波形成稳定的300V左右的直流电。
U1 为TL3842脉宽调制集成电路。
其5脚为电源负极,7脚为电源正极,6脚为脉冲输出直接驱动场效应管Q1(K1358) 3脚为最大电流限制,调整R25欧姆)的阻值可以调整充电器的最大电流。
2脚为电压反馈,可以调节充电器的输出电压。
4脚外接振荡电阻R1,和振荡电容C1。
T1为高频脉冲变压器,其作用有三个。
第一是把高压脉冲将压为低压脉冲。
第二是起到隔离高压的作用,以防触电。
第三是为uc3842提供工作电源。
D4为高频整流管(16A60V)C10为低压滤波电容,D5为12V稳压二极管, U3(TL431)为精密基准电压源,配合U2(光耦合器4N35) 起到自动调节充电器电压的作用。
调整w2(微调电阻)可以细调充电器的电压。
D10是电源指示灯。
D6为充电指示灯。
R27是电流取样电阻(欧姆,5w)改变W1的阻值可以调整充电器转浮充的拐点电流(200-300 mA)。
通电开始时,C11上有300v左右电压。
此电压一路经T1加载到Q1。
第二路经R5,C8,C3, 达到U1的第7脚。
强迫U1启动。
U1的6脚输出方波脉冲,Q1工作,电流经R25到地。
同时T1副线圈产生感应电压,经D3,R12给U1提供可靠电源。
T1输出线圈的电压经D4,C10整流滤波得到稳定的电压。
此电压一路经D7(D7起到防止电池的电流倒灌给充电器的作用)给电池充电。
第二路经R14,D5,C9, 为LM358(双运算放大器,1脚为电源地,8脚为电源正)及其外围电路提供12V工作电源。
D9为LM358提供基准电压,经R26,R4分压达到LM358的第二脚和第5脚。
正常充电时,R27上端有-左右电压,此电压经R17加到LM358第三脚,从1脚送出高电压。
常用电动车充电器根据电路结构可大致分为两种。
第一种是以UC3842驱动场效应管的单管开关电源,配合LM358双运放来实现三阶段充电方式。
其电原理图和元件参数见图表1)220v交流电经TO双向滤波抑制干扰,D1整流为脉动直流,再经C11滤波形成稳定的300V左右的直流电。
U1为TL3842脉宽调制集成电路。
其5脚为电源负极,7脚为电源正极,6脚为脉冲输出直接驱动场效应管Q1(K1358)3脚为最大电流限制,调整R25(2.5 欧姆)的阻值可以调整充电器的最大电流。
2脚为电压反馈,可以调节充电器的输出电压。
4脚外接振荡电阻R1,和振荡电容C1。
T1为高频脉冲变压器,其作用有三个。
第一是把高压脉冲将压为低压脉冲。
第二是起到隔离高压的作用,以防触电。
第三是为UC3842提供工作电源。
D4为高频整流管(16A60V)C10为低压滤波电容,D5为12V 稳压二极管,U3(TL431)为精密基准电压源,配合U2(光耦合器4N35)起到自动调节充电器电压的作用。
调整w2(微调电阻河以细调充电器的电压。
D10是电源指示灯。
D6为充电指示灯。
R27是电流取样电阻(0.1欧姆,5w)改变W1的阻值可以调整充电器转浮充的拐点电流(200 —300 mA )。
通电开始时,C11上有300v左右电压。
此电压一路经T1加载到Q1。
第二路经R5,C8,C3,达到U1的第7脚。
强迫U1启动。
U1 的6脚输出方波脉冲,Q1工作,电流经R25到地。
同时T1副线圈产生感应电压,经D3,R12给U1提供可靠电源。
T1输出线圈的电压经D4,C10整流滤波得到稳定的电压。
此电压一路经D7 (D7起到防止电池的电流倒灌给充电器的作用)给电池充电。
第二路经R14,D5,C9,为LM358(双运算放大器,1脚为电源地,8脚为电源正)及其外围电路提供12V工作电源。
D9为LM358提供基准电压,经R26,R4分压达到LM358的第二脚和第5脚。
正常充电时,R27上端有0.15 —0.18V左右电压,此电压经R17加到LM358第三脚,从1脚送出高电压。
高标电动车控制器维修接线图电动车控制器由周边器件和主芯片(或但单片机)组成。
周边器件是一些功能器件,如执行、采样等,它们是电阻、传感器、桥式开关电路,以及辅助单片机或专用集成电路完成控制过程的器件;单片机也称微控制器,是在一块集成片上把存贮器、有变换信号语言的译码器、锯齿波发生器和脉宽调制功能上的电路以及能使开关电路功率管导致或截止、通过方波控制率管的导通时间以控制电机转速的驱动电路、输入输出端口等集成在一起,而构成的计算机片。
上面所说的就是电动自行车的智能控制器,而现在比较常见的无刷电机大都采用的是脉宽调制的PWM控制方法调速,只是存在选用驱动电路、集成电路、开关电路功率晶体管和某些相关功能上的差别。
上图显示的是电动车控制器工作的原理图。
电池作用于控制器,手柄和助力传感器对控制器起着一定的影响,控制器与电机互相作用。
一个好的控制器能够有效保护电动车电池和电动车电机,同时延长电动车整车的使用寿命,对电动车整车都有着重要的作用。
在选择电动车控制器的时候,有几个注意事项。
1、选择品牌信誉度高、口碑好的品牌这些企业的产品质量、服务、性能都比较有保障。
高标控制器是高标科技的核心产品,采用全自动一体化成型系统,大大提高了产品品质与性能的一致性与稳定性,且具有耐高温、耐严寒、耐腐蚀等特性,大大提高了产品对抗恶劣外界环境的性能,不仅保证了产品在各种环境下的正常使用,也提高了产品的适应性。
2、关注产品的通配性控制器换上之后与原来的部件不兼容怎么办?这就要求消费者在选购电动车控制器的过程中关注一下产品的兼容性。
高标控制器的智控系统与其他部件之间的匹配性更强,可以有效保护电机、电池等关键部件,从而达到延长其他部件的使用寿命,使整车的耐用性能和通配性能大大提升。
电动车控制器与电动车其他主要部件之间有着相互作用力,因此电动车控制器的质量和性能异常重要,选择像高标这样的知名品牌,更能保障骑行安全和舒适,也能够有效远离安全隐患。
常用电动车充电器根据电路结构可大致分为两种。
第一种是以uc3842驱动场效应管的单管开关电源,配合LM358双运放来实现三阶段充电方式。
其电原理图和元件参数见图表1)图表 1220v交流电经T0双向滤波抑制干扰,D1整流为脉动直流,再经C11滤波形成稳定的300V左右的直流电。
U1 为TL3842脉宽调制集成电路。
其5脚为电源负极,7脚为电源正极,6脚为脉冲输出直接驱动场效应管Q1(K1358) 3脚为最大电流限制,调整R25(2.5欧姆)的阻值可以调整充电器的最大电流。
2脚为电压反馈,可以调节充电器的输出电压。
4脚外接振荡电阻R1,和振荡电容C1。
T1为高频脉冲变压器,其作用有三个。
第一是把高压脉冲将压为低压脉冲。
第二是起到隔离高压的作用,以防触电。
第三是为uc3842提供工作电源。
D4为高频整流管(16A60V)C10为低压滤波电容,D5为12V 稳压二极管,U3(TL431)为精密基准电压源,配合U2(光耦合器4N35) 起到自动调节充电器电压的作用。
调整w2(微调电阻)可以细调充电器的电压。
D10是电源指示灯。
D6为充电指示灯。
R27是电流取样电阻(0.1欧姆,5w)改变W1的阻值可以调整充电器转浮充的拐点电流(200-300 mA)。
通电开始时,C11上有300v左右电压。
此电压一路经T1加载到Q1。
第二路经R5,C8,C3, 达到U1的第7脚。
强迫U1启动。
U1的6脚输出方波脉冲,Q1工作,电流经R25到地。
同时T1副线圈产生感应电压,经D3,R12给U1提供可靠电源。
T1输出线圈的电压经D4,C10整流滤波得到稳定的电压。
此电压一路经D7(D7起到防止电池的电流倒灌给充电器的作用)给电池充电。
第二路经R14,D5,C9, 为LM358(双运算放大器,1脚为电源地,8脚为电源正)及其外围电路提供12V工作电源。
D9为LM358提供基准电压,经R26,R4分压达到LM358的第二脚和第5脚。
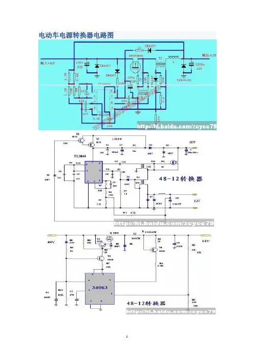
电动车电源转换器电路图3845内部结构及引脚功能工作原理:本图是根据实物剖析而来,电源经D2、R1为IC1提供+12V左右的电压,6脚输出脉冲经C4和变压器耦合后驱动Q1振荡,当Q1导通后输出电流通过L经C9滤波后向负载供电,当Q1截止时,变压器式电感B3磁能转变为电能,其极性左负右正,续流二极管D4导通,电流通过二极管继续向负载供电,使负载得到平滑的直流,当输出电压过低或过高时,从电阻R11、R10、R9组成的分压电路中得到取样电压送到IC1 2脚与内部2.5V基准电压比较后控制Q1导通脉宽,从而使输出电压得到稳定。
当负载电流发生短路或超过8A时,IC1 3脚电压的上升会控制脉宽使Q1截止,以确保Q1的安全。
C8和R7构成振荡时间常数,本电路的振荡频率为65KHz,其计算公式为下:①误差放大器输出/补偿②电压反馈输入③电流取样输入④振荡电路时间常数⑤地⑥开关管驱动脉冲输出⑦电源⑧5V基准电压一般与振荡器相接这是低电平刹车线路图这是高电平刹车线路图以上两个就是电动车整车线路图(简易)电动车刹把原理详解刹把的作用就是当刹车时,控制器检测到刹车信号,无论在什么状态下都断开电机供电,分为:机械常开,机械常闭,电子常高,电子常低。
电子刹把是采用开关型霍尔元件的,所以有3条引线:电源(5V),信号,地。
在不刹车时有输出高低之分,所以叫常高,常低。
现在市场上常用电子常高刹把。
机械刹把的缺点是防水性能不好,长时间使用易发生接触不良,可靠性低,一般使用一年多,但价格便宜,电子刹把防水性能好,长时间使用不会有接触不良现象,但价格稍高,刹把有长线(1200MM)和短.(450MM)线之分,与不同车型配套使用。
电子刹把供电电压范围为:4.5V-24V(与电机霍尔电压相同)。
机械常开刹把和电子常高刹把都可以直接并联工作的(或门),而机械常闭刹把则串联工作(与门),电子常低刹把则用附加电路(电子开关线路)工作。
如何改刹把?电子刹把与机械刹把的区别就在于:电子刹把的刹车开关是由霍尔元件和磁钢组成的,其原理和无刷电机的霍尔一样,都是开关型的,霍尔元件靠感应磁钢的位置来输出高低电平信号,如捏住刹把后,霍尔元件和磁钢位置对应准确,输出高电平信号,信号驱动控制器内部的电子开关电路(NPN三极管组成),将转速信号与地旁路.还有一种是捏住后输出低电平信号,它驱动控制器内部由PNP三极管组成的电子开关电路,将转速信号与地旁路,机械刹把就很好理解了,内部就是一个常开开关,捏住刹把后开关闭合,将转速信号与地旁路,还有一种是常闭开关的刹把,因为现在市面上不常见了,就不介绍了,霍尔电子刹把的车子改为机械刹把的车子即把机械刹把的两根线(没有正负之分)其中一根线接信号线,另一根接负极线就可,红5V不用,其原理为:机械刹把两根线接在了控制器内部三极管(以常用的NPN电子开关电路为例)的集电极和负极上,因为集电极上就是控制器的转速信号经过的地方,即:机械刹把开关一闭合,就将转速信号与地(负极)旁路了.高电平:向控制器刹车线里面输入电压信号,控制器里面的电子开关导通,刹车动作。
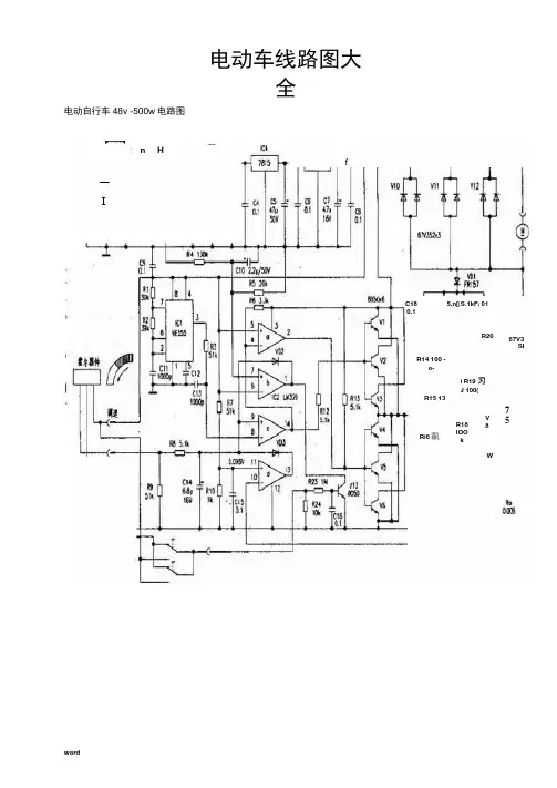
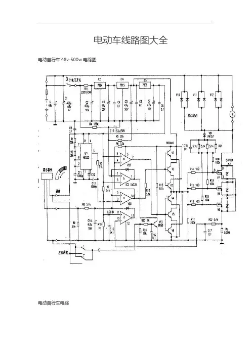
电动车线路图大全电动自行车48v-500w电路图
电动自行车电路
电动自行车电路图
奥文wml36-180g电动自行车电路图
zkc3615mz电动自行车电路图
三友牌sayo20zhd2电动自行车电路图
电动自行车:芯片mc33035电路
电路图:电动自行车
中功率zys电动自行车电路图
电路图电动自行车
电路图之电动自行车
电路图之电动自行车新旭wmb
电动车无刷控制器电路图
电动自行车原理图01 电动自行车原理图02
电动自行车电路图03
电动自行车无刷专用芯片mc33035
电动车有刷控制器原理图
电动自行车新旭48v-500w 电路图电动三轮车线路图。
电动车线路图大全电动自行车48v -500w 电路图—IT5,n[|S.1kF ( 0167V3SIR15 13V 8WR18 lOO kR20R14 100 -o-C180.1Ri6甌i R19 刃 J 100(f7 5Hn S1t 8电动自行车电路9+W 电动自行车电路图奥文wml36-180g 电动自行车电路图30S34516tR2CI5R210JCW16nnJi i2厂零Cl MC3J0J3W*— 19I卜 C20 0.01 C2» 0.01 If.C22 0.D1 1K4146I FC23 O.D1 I FC24 0.01VJ kJ17mi(左荷)翔t 或512期*1机1如4呻=r^14C5- W 16VQ 驟4嗣律R1 n2MC T列C3刖8 J1H414B x6 5(Qx6UL11Gr^.R I XVD 318M)102T 0.1x51 C19J aiir■^2zkc3615mz电动自行车电路图三友牌sayo20zhd2电动自行车电路图ZHD2大功率有刷控制器线路图电动自行车:芯片mc33035电路ICI5V0 Ycc _T[ 5JkL1M 45 14 0 .3 2 2317 118821 1412 ?013 19 出9 7161522匸7815W32C52D204CCML05°%2HN H07IC2R210531IN 氐匚—Ji] RZ2O5 aoip 14H4网虹 0.1 n锄9脚啷15VOVce2HK H07C4R2103JIIM 伐VCC 甘IIO ------------------------- 1-0.1-------------- C3—IVe2HN H07IC3IR2H )33UN V$64CCWL0510 pFU}J匚戯05 勿1・0伽「口IFf32C650VIRF«»204COI105旳;05电路图「电动自行车无刷专用芯片MC33035控制器线路图68 68LED2中功率zys电动自行车电路图中功率有刷控制器线路图电路图电动自行车11R1JW♦“V鵲唱”105 m2»11妬“U1 16CJ3O25 .2J C1CW卅\110CIESZ —&电路图之电动自行车 w10kfe D2RIO 5.1k —O-1w «9# mIUjiiJttWiC21 2 3(4D13IC2 Ui3J910戕wwVR6220k-c=> % IkH C Wk12上C6T 10P /BJ1DI木uR2 !00 彳一OJ6V• U电路图之电动自行车新旭wmb电动车无刷控制器电路图上50V2C5JkIRF32C 54C0M LOS£伽l\tc上 10JFIRF32Q 5HO? 20Ik O24 220 199 12 1510 7161522OHV24Va5 6.3 25 V188092HW HO ?IQ R21054Q 4S4C0MLQ5Ik 401915" QV (c2HIN IC5 R2I03 3LIN VS5Vc c电动自行车原理图014Q492HIN HO?»C4粽105JIIN 050Y 1 10 iF㈡匚20IRFJ2054C0M 105无刷专用芯片MC33035 控制器线路图•nVA-4Hb亠負一器ESDOCETJttt-Ls—r.—♦il v714JH3 E "tl *>1«f\> 和十屮 F w n 严电动自行车原理图02上06-OR5 Ik16■VIO P/BT电动自行车电路图03电动自行车无刷专用芯片mc33035上50V2C5JkIRF32C 54C0M LOS£伽l\tc上 10JFIRF32Q 5HO? 20Ik O24 220 199 12 1510 7161522OHV24Va5 6.3 25 V188092HW HO ?IQ R21054Q 4S4C0MLQ5Ik 401915" QV (c2HIN IC5 R2I03 3LIN VS5Vc c电动车有刷控制器原理图4Q492HIN HO?»C4粽105JIIN 050Y 1 10 iF㈡匚20IRFJ2054C0M 105无刷专用芯片MC33035 控制器线路图翻35514M2517 18 1213 10T5Jk 0[±0•血212 20 1997161522I 讦3?为4COU L05OJIpVIVccVB8204COMLO 5>V?C VMIk 4049阿OS4COM LD52Hlh HO?IC51821033UN VSG2H» 旳7K2 R21Q3 MIN 015V QV:e2HIN HO?IC4R2103 JIIN 015V 04丄 10pF上叩IIO ---------------------0.109404$to o 」po4MS 4049电动自行车 新旭48v-500w 电路图2020\?WIRF32C6无刷专用芯片MC33035 控制器线路图电动三轮车线路图直流接触器901rO■O O制车限位开关直流调速器细红红董(综)黒out 却・O Q O倒顺开关1AD钥匙幵关总开关0<0一屮打电动三轮车接线图。
电动车充电器原理及带电路图维修常用电动车充电器根据电路结构可大致分为两种。
第一种是以uc3842驱动场效应管的单管开关电源,配合LM358双运放来实现三阶段充电方式。
其电原理图和元件参数见图表1)图表 1220v交流电经T0双向滤波抑制干扰,D1整流为脉动直流,再经C11滤波形成稳定的300V左右的直流电。
U1 为TL3842脉宽调制集成电路。
其5脚为电源负极,7脚为电源正极,6脚为脉冲输出直接驱动场效应管Q1(K1358) 3脚为最大电流限制,调整R25(2.5欧姆)的阻值可以调整充电器的最大电流。
2脚为电压反馈,可以调节充电器的输出电压。
4脚外接振荡电阻R1,和振荡电容C1。
T1为高频脉冲变压器,其作用有三个。
第一是把高压脉冲将压为低压脉冲。
第二是起到隔离高压的作用,以防触电。
第三是为uc3842提供工作电源。
D4为高频整流管(16A60V)C10为低压滤波电容,D5为12V 稳压二极管,U3(TL431)为精密基准电压源,配合U2(光耦合器4N35) 起到自动调节充电器电压的作用。
调整w2(微调电阻)可以细调充电器的电压。
D10是电源指示灯。
D6为充电指示灯。
R27是电流取样电阻(0.1欧姆,5w)改变W1的阻值可以调整充电器转浮充的拐点电流(200-300 mA)。
通电开始时,C11上有300v左右电压。
此电压一路经T1加载到Q1。
第二路经R5,C8,C3, 达到U1的第7脚。
强迫U1启动。
U1的6脚输出方波脉冲,Q1工作,电流经R25到地。
同时T1副线圈产生感应电压,经D3,R12给U1提供可靠电源。
T1输出线圈的电压经D4,C10整流滤波得到稳定的电压。
此电压一路经D7(D7起到防止电池的电流倒灌给充电器的作用)给电池充电。
第二路经R14,D5,C9, 为LM358(双运算放大器,1脚为电源地,8脚为电源正)及其外围电路提供12V工作电源。
D9为LM358提供基准电压,经R26,R4分压达到LM358的第二脚和第5脚。
电动车电源转换器电路图3845内部结构及引脚功能工作原理:本图是根据实物剖析而来,电源经D2、R1为IC1提供+12V左右的电压,6脚输出脉冲经C4和变压器耦合后驱动Q1振荡,当Q1导通后输出电流通过L经C9滤波后向负载供电,当Q1截止时,变压器式电感B3磁能转变为电能,其极性左负右正,续流二极管D4导通,电流通过二极管继续向负载供电,使负载得到平滑的直流,当输出电压过低或过高时,从电阻R11、R10、R9组成的分压电路中得到取样电压送到IC1 2脚与内部2.5V基准电压比较后控制Q1导通脉宽,从而使输出电压得到稳定。
当负载电流发生短路或超过8A时,IC1 3脚电压的上升会控制脉宽使Q1截止,以确保Q1的安全。
C8和R7构成振荡时间常数,本电路的振荡频率为65KHz,其计算公式为下:①误差放大器输出/补偿②电压反馈输入③电流取样输入④振荡电路时间常数⑤地⑥开关管驱动脉冲输出⑦电源⑧5V基准电压一般与振荡器相接这是低电平刹车线路图这是高电平刹车线路图以上两个就是电动车整车线路图(简易)电动车刹把原理详解刹把的作用就是当刹车时,控制器检测到刹车信号,无论在什么状态下都断开电机供电,分为:机械常开,机械常闭,电子常高,电子常低。
电子刹把是采用开关型霍尔元件的,所以有3条引线:电源(5V),信号,地。
在不刹车时有输出高低之分,所以叫常高,常低。
现在市场上常用电子常高刹把。
机械刹把的缺点是防水性能不好,长时间使用易发生接触不良,可靠性低,一般使用一年多,但价格便宜,电子刹把防水性能好,长时间使用不会有接触不良现象,但价格稍高,刹把有长线(1200MM)和短.(450MM)线之分,与不同车型配套使用。
电子刹把供电电压范围为:4.5V-24V(与电机霍尔电压相同)。
机械常开刹把和电子常高刹把都可以直接并联工作的(或门),而机械常闭刹把则串联工作(与门),电子常低刹把则用附加电路(电子开关线路)工作。
如何改刹把?电子刹把与机械刹把的区别就在于:电子刹把的刹车开关是由霍尔元件和磁钢组成的,其原理和无刷电机的霍尔一样,都是开关型的,霍尔元件靠感应磁钢的位置来输出高低电平信号,如捏住刹把后,霍尔元件和磁钢位置对应准确,输出高电平信号,信号驱动控制器内部的电子开关电路(NPN三极管组成),将转速信号与地旁路.还有一种是捏住后输出低电平信号,它驱动控制器内部由PNP三极管组成的电子开关电路,将转速信号与地旁路,机械刹把就很好理解了,内部就是一个常开开关,捏住刹把后开关闭合,将转速信号与地旁路,还有一种是常闭开关的刹把,因为现在市面上不常见了,就不介绍了,霍尔电子刹把的车子改为机械刹把的车子即把机械刹把的两根线(没有正负之分)其中一根线接信号线,另一根接负极线就可,红5V不用,其原理为:机械刹把两根线接在了控制器内部三极管(以常用的NPN电子开关电路为例)的集电极和负极上,因为集电极上就是控制器的转速信号经过的地方,即:机械刹把开关一闭合,就将转速信号与地(负极)旁路了.高电平:向控制器刹车线里面输入电压信号,控制器里面的电子开关导通,刹车动作。
低电平:控制器刹车线向外输出一个电压信号,经过刹吧开关,闭合后,信号倒地,刹车动作。
一. 电池充不上电或充不足电。
1 电池使用寿命终止:更换或修复电池;2 电池内保险管内保险丝断:更换保险丝;3 电池保险管与保险座之间接触不良:调整两者位置使其接触良好,或更换保险管;4 充电器无输出电压或输出电压低:更换或修复充电器;5 充电器与交流220V电源接触不良:重新插接电源;6 充电器指示灯异常造成假充满:更换或修复充电器。
二. 仪表盘上电源指示灯不亮而电机运转正常。
1 表盘正负极引线间无电压:接插件接触不良或引线断路:重新插接或换线;2 发光管损坏:更换或修复发光管;3 表盘线路板上有断路:更换或修复仪表线路板。
三. 电机时转时停。
1 电池电量不足:给电池充电;2 电池触头接触不良:调整触头位置或打磨触头;3 电池盒内保险管与保险座间接触不良:调整或更换使其良好;4 调速手把内感光片感光管内有污垢:清洗或更换感光片,擦试感光管,仍然不能排除故障:更换调速手把;5 控制器内有故障:更换或修复控制器;6 调速手把引线似断未断:更换或修复引线;7 刹车断电开关出故障:调整或更换刹车断电开关;8 电源锁烧蚀后接触不良:更换或修复电源锁;9 线路内接插件虚接:重新插接,使其接触良好;10 电机内碳刷、导线、绕组虚焊、虚接:修理或更换电机。
四. 打开电源,控制器正常工作,转动手把,电机不转动。
1 检查右手把调速线是否脱落,控制器或电机接头是否脱落;2 左右闸把是否断电。
五.骑行费力,速度慢。
1 检查刹车是否抱死;2 内胎气压是否合适;3 蓄电池电压是否充足;4 是否超过限制坡度或顶风。
六.行驶距离短。
1 电池长期放置:请先补充电;2 轮胎气压是否不足:打气;3 检查刹车是否过紧而摩擦轮辋:调整刹车;4 电池充电是否充足:补充充电;5 是否遇上坡或顶风:脚踏辅助行驶;6 气温是否过冷:电池能量发不出。
七.用钥匙打开电门锁电源,仪表盘电源指示灯不亮,转手把,电机不转。
1 电池盒上保险丝烧坏:更换保险丝;2 电池盒上保险丝接触不良:调整保险丝管,使其接触好;3 电池盒上触头接触不良:调整触头使其接触好;4 电池盒触头烧坏:更换新触头;5 电门锁烧坏:更换新电门锁;6 电池盒内电池引线断路:更新接通线路;7 电池盒内电池内部断路:更换或修复电池;8 电门锁引线或触头引线断路或接触不良:重新接线。
八.打开电源开关,仪表灯亮,但转调速手把,电机不转。
1 控制器损坏:更换或修复控制器;2 调速手把损坏:更换或修复调速手把;3 刹车断电手把损坏:更换或修复;4 电机内部损坏:更换或修复新电机;5 车上导线断路:重新接通线路。
九.打开电源,电机立即旋转。
1 调速手把损坏:更换或修复;2 控制器损坏:更换或修复。
十.电池充电8小时后,电动车只跑10公里。
1 电池老化: 更换或修复;2 电机部分短路:更换或修复;3 控制器损坏:更换或修复;4 充电器输出电压低,电池充不满:更换或修复充电器。
十一.电动车车速明显不如以前快。
1 电机部分短路: 更换或修复;2 控制器损坏:更换或修复;3 调速手把损坏:更换或修复;4 机械故障不灵活:保养、上润滑油。
十二.电池充电一小时,绿灯就亮(电池一充就满,一用就完)。
1 充电器电压低,使电池充电严重不足:更换或修复;2 电池进入衰退期,不能满足长时间放电:更换或修复。
十三.充电8小时,充电器绿灯不亮,电池发热。
1 充电器充电电压偏高:更换或修复;2 电池组或其中单节电池出现故障:更换或修复。
十四.电池漏液。
1 电池破损:更换或修复电池;2 充电时电池位置倒放,充电电压偏高。
十五.人力骑行时感觉速度慢,滞重感强。
1 前刹车或抱闸(涨闸)与转动部位摩擦:调整前后刹与转动部件间隙,既要使转动灵活,又要保证刹车制动性能良好。
2 链条过紧:调整后轮轴前后位置;3 前、后轴挡及中轴部件并帽过紧或部件磨损:松动紧固件或更换或修复磨损的部件;4 前后轮胎充气不足:轮胎充气至足。
十六.电池充足,但负载情况下两只红灯(欠压灯、过流保护灯亮,电机熄火。
)1 充电器输出电压偏低:更换或修复充电器;2 电池充电时间短:重新充电延长充电时间;3 电池组或其中单只容量下降:换电池;4 电极损坏或接触不良:更换或修复电极。
十七.在行驶中有停使、时快时慢、无力等感觉。
1 七芯连接接触不良:更换七芯线;2 霍尔断电刹把接触不良:更换刹把。
十八.电池充足,显示灯全亮,但负载轮毂转动无力。
1 齿轮磨损打滑:更换或修复齿轮;2 轮毂电机绕组部分短路:更换或修复电机;3 自行车装配问题或部件磨损:重新调整自行车部件螺母松紧;4 电机轴齿轮减震橡皮损坏:更换或修复。
十九.电力驱动有不规则的停转。
1 控制器与电机接插件松脱或导电不良:重新接插或更换或修复;2 轮毂电机碳刷与转子接触不良:换电机。
电动车检测仪制作2009-03-30 05:05 P.M.俗语云:工欲善其事,必先利其器。
检修电动车离不开专用检查检测工具,这样的工具可以购得,当然也可以发扬DIY精神自制,下面就介绍一个小弟自制的多功能检测仪,相信对诸位检修电动车会有所帮助。
(附图;检测仪电路图)图中共用了4只LED,其颜色分别选用高亮度的黄、绿、蓝和红色(当然只用一种颜色也可以),用于显示电动车无刷电机的霍尔状态以及其它检测内容,电阻R1~R4为1K的小体积普通色环电阻,R5的阻值为510欧姆;图中“黑、黄、绿、蓝、红”系指引出线的颜色,插头是6孔连接头,可直接从报废的电动车无刷控制器上取得(包括引线),分别对应电池的负极。
三色LED及电池正极依次连接;编号1~3是3个小鳄鱼夹,其颜色分别为红、绿、黑三色(包括其引线颜色),这部分电路的作用为检测电动车转把和刹把以及其它电路配件的正常与否;电池选用9V碱性电池。
整个电路完成之后可以放置在一个80X65X25(MM)的小盒子里。
使用范例检测电机霍尔:将连接头与无刷电机霍尔插头连接,轻转电机轮,黄、绿、蓝三色LED能依次亮灭为正常状态,某种颜色的灯常亮或不亮则证明该路的霍尔元件损坏或线路有故障;检测电动车转把:将电动车转把的三条引线对应颜色分别接入三个鳄鱼夹,然后转动转把,红色LED应被点亮且亮度随旋转角度变化而有所不同;检测刹把以及其它配件:以刹把为例,将刹把的两根引线分别接入红色和绿色鳄鱼夹,捏动刹把,红色LED应随动作而亮灭。
否则为异常。
使用注意:由于不设电源开关,不用时防止鳄鱼夹相互短路,以避免电池浪费。
下面具体介绍制作过程首先要找一个外观漂亮的外壳,我用了一个报废的报警器壳子。
有了外观,还要有内容不是?下面就是里面的元件,很简单吧?当然,除此之外,还要准备三个鳄鱼夹(颜色分别为红色、绿色和黑色)一个电池接头,可以从废的9V电池上取得,一段细的热缩套管。
接下来还要准备连线,可以自制,也可以直接从废的无刷控制器上取得,我建议自制,因为作为一个专用工具,可靠性要有保障,自制的连线在线头的位置用热缩套管加以保护,可以最大程度上防止电线被折断。
在外壳上打孔用于安装LED接下来要制作核心部分了,先将1K电阻与LED正极焊接在一起,注意:LED是有极性的,一般引脚较长内部电极较小的那个是正极。
焊好后用电池做一下测试,电阻接电池正极。
将焊好的LED用热缩套管进行绝缘保护。
将LED安装到外壳上并用胶固定,注意安装顺序(从正面看)依此为黄、绿、蓝、红,固定好之后再将黄绿蓝3个LED正极的电阻并联焊接在一起备用。
接下来就是焊接引线了,引线一共有8根,其中的黄绿蓝3根分别与对应的3个LED负极焊好,有鳄鱼夹的那根绿线则焊在红色LED的正极电阻上,两根红色线与3个电阻的连接点焊在一起,然后串联一个510欧姆的电阻(该电阻的作用是降压限流、保护电池,不可省略)后接到电池的正极;另外两根黑色线与红色LED负极焊好后直接接到电池的负极。