高中数学 常见函数:正比例函数、反比例函数与对勾函数
- 格式:doc
- 大小:172.00 KB
- 文档页数:3
专项二 高考用到的函数图像总结高考中用到的函数图像是指:一次函数图像、反比例函数图像、二次函数图像、幂函数图像(五种)、对勾(也称对号)函数图像、指数函数图像、对数函数图像、简单的三角函数图像、简单的三次函数图像一、一次函数图像(1)函数)0(≠+=k b kx y 叫做一次函数,它的定义域是R ,值域是R ; (2)一次函数的图象是直线,这条直线不能竖直,所以一次函数又叫线性函数;(3)一次函数)0(≠+=k b kx y 中,k 叫直线的斜率,b 叫直线在y 轴上的截距; 0>k 时,函数是增函数,0<k 时,函数是减函数;注意截距不是距离的意思,截距是一个可正可负可为零的常数 (4)0=b 时该函数是奇函数且为正比例函数,直线过原点;0≠b 时,它既不是奇函数,也不是偶函数; (5)作一次函数图像时,一般先找到在坐标轴上的两个点,然后连线即可 二、反比例函数图像 (一)反比例函数的概念1.()可以写成()的形式,注意自变量x 的指数为,在解决有关自变量指数问题时应特别注意系数这一限制条件;2.()也可以写成xy=k 的形式,用它可以迅速地求出反比例函数解析式中的k ,从而得到反比例函数的解析式;3.反比例函数的自变量,故函数图象与x 轴、y 轴无交点.(二)反比例函数及其图象的性质函数解析式:(),自变量的取值范围:越大,图象的弯曲度越小,曲线越平直.图像越远离坐标轴越小,图象的弯曲度越大.图像越靠近坐标轴 当时,图象的两支分别位于一、三象限;在每个象限内,y 随x 的增大而减小; 当时,图象的两支分别位于二、四象限;在每个象限内,y 随x 的增大而增大.(3)对称性:图象关于原点对称,即若(a ,b )在双曲线的一支上,则(,)在双曲线的另一支上.图象关于直线对称,即若(a ,b )在双曲线的一支上,则(,)和(,)在双曲线的另一支上. 4.k 的几何意义如图1,设点P (a ,b )是双曲线上任意一点,作PA ⊥x 轴于A 点,PB ⊥y 轴于B 点,则矩形PBOA的面积是(三角形PAO 和三角形PBO 的面积都是).如图2,由双曲线的对称性可知,P 关于原点的对称点Q 也在双曲线上,作QC ⊥PA 的延长线于C ,则有三角形PQC 的面积为.图1 图2 三、二次函数图像(1)二次函数解析式的三种形式 ①一般式:f (x )=ax 2+bx +c (a ≠0). ②顶点式:f (x )=a (x -m )2+n (a ≠0). ③零点式:f (x )=a (x -x 1)(x -x 2)(a ≠0). (2)二次函数的图象和性质解析式f (x )=ax 2+bx +c (a >0)f (x )=ax 2+bx +c (a <0)图象定义域 (-∞,+∞)(-∞,+∞)值域⎣⎡⎭⎫4ac -b 24a ,+∞ ⎝⎛⎦⎤-∞,4ac -b 24a单调性在x ∈⎝⎛⎦⎤-∞,-b2a 上单调递减; 在x ∈⎣⎡⎭⎫-b2a ,+∞上单调递增 在x ∈⎝⎛⎦⎤-∞,-b2a 上单调递增; 在x ∈⎣⎡⎭⎫-b2a ,+∞上单调递减 对称性函数的图象关于x =-b2a对称(2的交点位置、顶点所在位置,而不能随手一条曲线,就当做二次函数的图像了。
对勾函数f(x)=ax+的图象与性质繁华分享对勾函数是数学中一种常见而又特殊的函数。
它在高中教材上不出现,但考试总喜欢考的函数,所以也要注意它和了解它。
(一) 对勾函数的图像对勾函数是一种类似于反比例函数的一般函数,形如f(x)=ax+(接下来写作f(x)=ax+b/x)。
当a≠0,b≠0时,f(x)=ax+b/x是正比例函数f(x)=ax与反比例函数f(x)= b/x“叠加”而成的函数。
这个观点,对于理解它的性质,绘制它的图象,非常重要。
当a,b同号时,f(x)=ax+b/x的图象是由直线y=ax与双曲线y= b/x构成,形状酷似双勾。
故称“对勾函数”,也称“勾勾函数”、“海鸥函数”。
如下图所示:a>0 b>0 a<0 b<0对勾函数的图像(ab同号)当a,b异号时,f(x)=ax+b/x的图象发生了质的变化。
但是,我们依然可以看作是两个函数“叠加”而成。
(请自己在图上完成:他是如何叠加而成的。
)对勾函数的图像(ab异号)一般地,我们认为对勾函数是反比例函数的一个延伸,即对勾函数也是双曲线的一种,只不过它的焦点和渐进线的位置有所改变罢了。
接下来,为了研究方便,我们规定a>0,b>0。
之后当a<0,b<0时,根据对称就很容易得出结论了。
(二)对勾函数的顶点对勾函数性质的研究离不开均值不等式。
利用均值不等式可以得到:当x>0时,。
当x<0时,。
即对勾函数的定点坐标:(三)对勾函数的定义域、值域由(二)得到了对勾函数的顶点坐标,从而我们也就确定了对勾函数的定义域、值域等性质。
(四)对勾函数的单调性(五)对勾函数的渐进线由图像我们不难得到:(六)对勾函数的奇偶性对勾函数在定义域内是奇函数,X。
对勾函数对勾函数:数学中一种常见而又特殊的函数。
如图一、对勾函数f(x)=ax+错误!未找到引用源。
的图象与性质对勾函数是数学中一种常见而又特殊的函数。
它在高中教材上不出现,但考试总喜欢考的函数,所以也要注意它和了解它。
(一) 对勾函数的图像对勾函数是一种类似于反比例函数的一般函数,形如f(x)=ax+错误!未找到引用源。
(接下来写作f(x)=ax+b/x )。
当a≠0,b≠0时,f(x)=ax+b/x 是正比例函数f(x)=ax 与反比例函数f(x)= b/x “叠加”而成的函数。
这个观点,对于理解它的性质,绘制它的图象,非常重要。
当a ,b 同号时,f(x)=ax+b/x 的图象是由直线y =ax 与双曲线y= b/x 构成,形状酷似双勾。
故称“对勾函数”,也称“勾勾函数”、“海鸥函数”。
如下图所示:当a ,b 异号时,f(x)=ax+b/x 的图象发生了质的变化。
但是,我们依然可以看作是两个函数“叠加”而成。
(请自己在图上完成:他是如何叠加而成的。
)一般地,我们认为对勾函数是反比例函数的一个延伸,即对勾函数也是双曲线的一种,只不过它的焦点和渐进线的位置有所改变罢了。
a>0 b>0 a<0 b<0 对勾函数的图像(ab 同号)对勾函数的图像(ab 异号)接下来,为了研究方便,我们规定a>0,b>0。
之后当a<0,b<0时,根据对称就很容易得出结论了。
(二) 对勾函数的顶点对勾函数性质的研究离不开均值不等式。
利用均值不等式可以得到:当x>0时,错误!未找到引用源。
当x<0时,错误!未找到引用源。
即对勾函数的定点坐标:(三) 对勾函数的定义域、值域由(二)得到了对勾函数的顶点坐标,从而我们也就确定了对勾函数的定义域、值域等性质。
(四) 对勾函数的单调性(五) 对勾函数的渐进线 由图像我们不难得到: (六)对勾函数的奇偶性 :对勾函数在定义域内是奇函数, 二、均值不等式(基本不等式) 对勾函数性质的研究离不开均值不等式。
正比例函数、一次函数、反比例函数的性质及图象一、正比例函数性质和图象:概念:一般地,形如(k是常数,且k≠0 )的函数,叫做正比例函数。
当k>0时,图象过象限; y随x的增大而。
当k<0时,图象过象限; y随x的增大而。
二、一次函数的性质和图象:概念:一般地,形如y=kx+b(k,b是常数,且k≠0 )的函数,叫做一次函数。
图像和性质:①k>0,b>O,则图象过象限②k>0,b<0,则图象过象限当k>0时, y随x的增大而。
③k<0,b>0,则图象过象限④k<0,b<0,则图象过象限当k<0时, y随x的增大而。
三、反比例函数性质和图象:1.定义:形如(k为常数,k≠0)的函数称为反比例函数。
其他形式2.图像:反比例函数的图像是双曲线。
反比例函数的图象既是轴对称图形又是中心对称图形。
3.性质:当k>0时双曲线的两支分别位于,在每个象限内y值随x值的增大而减小。
当k<0时双曲线的两支分别位于,在每个象限内y 值随x值的增大而增大。
4.|k|的几何意义:表示反比例函数图像上的点向两坐标轴所作的垂线段与两坐标轴围成的矩形的面积。
练习题1、若y=(m -1)x22m 是正比例函数,则m 的值为()A 、1 B 、-1 C 、1或-1D 、2或-22、下列函数中,一次函数为()A 、25y x B .25y x -1 C .245y x D .25y x3、下列函数中,反比例函数是()A 、y=x+1B 、y=C 、=1D 、3xy=2 4、正比例函数y=kx (k ≠0)函数值y 随x 的增大而增大,则y=kx+k 的图象大致是()5、直线443x y与两坐标轴围成的三角形面积是()A 3 B 4C 12D 6 6、函数y 1=kx 和y 2=的图象如图,自变量x 的取值范围相同的是()7、若点A(x 1,1)、B(x 2,2)、C(x 3,-3)在双曲线上,() A 、x 1>x 2>x 3 B 、x 1>x 3>x 2 C 、x 3>x 2>x 1 D 、x 3>x 1>x 28、已知一次函数y=ax+b 图象在一、二、三象限,则反比例函数y=的函数值随x 的增大而__________。
对勾函数图象性质对勾函数:数学中一种常见而又特殊的函数。
如图一、对勾函数f(x)=ax+ 的图象与性质对勾函数是数学中一种常见而又特殊的函数。
它在高中教材上不出现,但考试总喜欢考的函数,所以也要注意它和了解它。
(一) 对勾函数的图像对勾函数是一种类似于反比例函数的一般函数,形如f(x)=ax+(接下来写作f(x)=ax+b/x)。
当a≠0,b≠0时,f(x)=ax+b/x是正比例函数f(x)=ax与反比例函数f(x)= b/x “叠加”而成的函数。
这个观点,对于理解它的性质,绘制它的图象,非常重要。
当a,b同号时,f(x)=ax+b/x的图象是由直线y=ax与双曲线y= b/x构成,形状酷似双勾。
故称“对勾函数”,也称“勾勾函数”、“海鸥函数”。
如下图所示:a>0 b>0 a<0 b<0对勾函数的图像(ab同号)当a,b异号时,f(x)=ax+b/x的图象发生了质的变化。
但是,我们依然可以看作是两个函数“叠加”而成。
(请自己在图上完成:他是如何叠加而成的。
)对勾函数的图像(ab异号)一般地,我们认为对勾函数是反比例函数的一个延伸,即对勾函数也是双曲线的一种,只不过它的焦点和渐进线的位置有所改变罢了。
接下来,为了研究方便,我们规定a>0,b>0。
之后当a<0,b<0时,根据对称就很容易得出结论了。
(二) 对勾函数的顶点对勾函数性质的研究离不开均值不等式。
利用均值不等式可以得到: 当x>0时,。
当x<0时,。
即对勾函数的定点坐标:(三) 对勾函数的定义域、值域由(二)得到了对勾函数的顶点坐标,从而我们也就确定了对勾函数的定义域、值域等性质。
(四) 对勾函数的单调性(五) 对勾函数的渐进线由图像我们不难得到:(六) 对勾函数的奇偶性 :对勾函数在定义域内是奇函数, 二、类耐克函数性质探讨 函数xbax y +=,在时或00==b a 为简单的单调函数,不予讨论。
常见函数之正比例函数、反比例函数与对勾函数1正比例函数如果y=kx (k是常数,K M0),那么,y叫做x的正比例函数一次函数的图象是直线,画一次函数的图象,只要先描出两点,再连成直线一次函数的性质当k>0时y随x的增大而增大,当k<0时,y随x的增大而减小。
2、反比例函数(1) 反比例函数及其图象k如果y二k(k是常数,k = 0),那么,y是x的反比例函数。
x反比例函数的图象是双曲线,它有两个分支,可用描点法画出反比例函数的图象(2)反比例函数的性质当K>0时,图象的两个分支分别在一、三象限内,在每个象限内,y随x的增大而减小;当K<0时,图象的两个分支分别在二、四象限内,在每个象限内,y随x的增大而增大。
3.对勾函数f (x) =ax • b的图象与性质x对勾函数是数学中一种常见而又特殊的函数。
它在高中教材上不出现,但考试总喜欢考的函数,所以也要注意它和了解它。
(1) 对勾函数的图像h对勾函数是一种类似于反比例函数的一般函数,形如f(x)=ax+ -(接下来写作f(x)=ax+b/x )。
当a M0 b M0时,f(x)=ax+b/x是正比例函数f(x)=ax与反比例函数f(x)= b/x 叠加"而成的函数。
这个观点,对于理解它的性质,绘制它的图象,非常重要。
当a,b同号时,f(x)=ax+b/x的图象是由直线y = ax与双曲线y= b/x构成,形状酷似双勾。
故称对勾函数”, 也称勾勾函数”、海鸥函数”。
如下图所示:当a,b异号时,f(x)=ax+b/x的图象发生了质的变化。
但是,我们依然可以看作是两个函数“叠加”而成。
(请自己在图上完成:他是如何叠加而成的。
)一般地,我们认为对勾函数是反比例函数的一个延伸,即对勾函数也是双曲线的一种,只不过它的 焦点和渐进线的位置有所改变罢了。
接下来,为了研究方便,我们规定 a>0,b>0。
之后当a<0, b<0时,根据对称就很容易得出结论了。
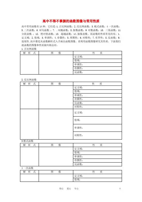
高中不得不掌握的函数图像与常用性质高中常用函数有14种,它们是:1.正比例函数;2.反比例函数;3.根式函数;4一次函数;5.二次函数;6双勾函数.;7. .双抛函数;8.指数函数;9对数函数;10. 三角函数;11分段函数.;12. 绝对值函数;13. 超越函数;14.抽象函数。
而函数的性质常见的有:1.定义域;2.值域;3.单调性;4.奇偶性;5.周期性;6.对称性;7.有界性;8.反函数;9.连续性.高中都是从函数解析式入手画出函数图像,再利用函数图像研究其性质,下面我们就函数的图像和性质做归纳总结。
1.正比例函数4一次函数5二次函数8.指数函数11.分段函数分段函数是在其定义域的不同子集上,分别用几个不同的式子来表示对应关系的函数,它是一类较特殊的函数。
其图像的画法是按定义域的划分分别作图。
其性质主要是考察求值域和属于定义域的哪个子集,然后再代入相应的关系式。
考单调性。
求值域时一定要首先看x察单调性主要是整个定义域为增函数还是减函数,相当于是恒成立问题。
(1)设函数⎩⎨⎧≥--<+=)1(14)1)(1)(x x x x x f (,则使得1)(≥x f 的自变量x 取值范围是(2)已知⎩⎨⎧<-≥=)0(1)0(1)(x x x f 则不等式5)2()2(≤+++x f x x 的解集是__(3)已知⎩⎨⎧≥<+-=)1()1(12)(x a x x a x f x)(是R 上的增函数,则a 的取值范围是__ 13.绝对值函数 一般有)()()(x g x f y x f y +==和两种类型,只需按绝对值的定义转化为分段函数即可画出图像;其主要考察值域和单调性。
如设的解集求5)(54)(2≥--=x f x x x f 。
14.超越函数 超越函数主要是由1-11种基本初等函数中的两种组合在一起的,例如xxx f sin )(=、12ln )(++=x x x f ;其常见的题型是利用11种函数性质解题,特别是利用可导性、对称性、单调性、奇偶性来判断图像。
对勾函数f(x)=ax+的图象与性质对勾函数是数学中一种常见而又特殊的函数。
它在高中教材上不出现,但考试总喜欢考的函数,所以也要注意它和了解它。
(一) 对勾函数的图像对勾函数是一种类似于反比例函数的一般函数,形如f(x)=ax+(接下来写作f(x)=ax+b/x)。
当a≠0,b≠0时,f(x)=ax+b/x是正比例函数f(x)=ax与反比例函数f(x)= b/x“叠加”而成的函数。
这个观点,对于理解它的性质,绘制它的图象,非常重要。
当a,b同号时,f(x)=ax+b/x的图象是由直线y=ax与双曲线y= b/x构成,形状酷似双勾。
故称“对勾函数”,也称“勾勾函数”、“海鸥函数”。
如下图所示:a>0 b>0 a<0 b<0对勾函数的图像(ab同号)当a,b异号时,f(x)=ax+b/x的图象发生了质的变化。
但是,我们依然可以看作是两个函数“叠加”而成。
(请自己在图上完成:他是如何叠加而成的。
)对勾函数的图像(ab异号)一般地,我们认为对勾函数是反比例函数的一个延伸,即对勾函数也是双曲线的一种,只不过它的焦点和渐进线的位置有所改变罢了。
接下来,为了研究方便,我们规定a>0,b>0。
之后当a<0,b<0时,根据对称就很容易得出结论了。
(二)对勾函数的顶点对勾函数性质的研究离不开均值不等式。
利用均值不等式可以得到:当x>0时,。
当x<0时,。
即对勾函数的定点坐标:(三)对勾函数的定义域、值域由(二)得到了对勾函数的顶点坐标,从而我们也就确定了对勾函数的定义域、值域等性质。
(四)对勾函数的单调性(五)对勾函数的渐进线由图像我们不难得到:(六)对勾函数的奇偶性对勾函数在定义域内是奇函数,X。
@高一学生,高一数学函数图像知识点,太实用了一、基本初等函数的图像1.一次函数性质:一次函数图像是直线,当k>0时,函数单调递增;当k<0时,函数单调递减2.二次函数性质:二次函数图像是抛物线,a决定函数图像的开口方向,判别式b^2-4ac决定了函数图像与x轴的交点,对称轴两边函数的单调性不同。
3.反比例函数性质:反比例函数图像是双曲线,当k>0时,图像经过一、三象限;当k<0时,图像经过二、四象限。
要注意表述函数单调性时,不能说在定义域上单调,而应该说在(-∞,0),(0,∞)上单调。
4.指数函数当0<a<b<1<c<d时,指数函数的图像如下图不同底的指数函数图像在同一个坐标系中时,一般可以做直线x=1,与各函数的交点,根据交点纵坐标的大小,即可比较底数的大小。
5.对数函数当底数不同时,对数函数的图像是这样变换的6.对勾函数对于函数y=x+k/x,当k>0时,才是对勾函数,可以利用均值定理找到函数的最值。
二、函数图像的变换注意:对于函数图像的变换,有的时候,看到解析式,可能会有两种以上的变换,尤其是针对x轴上的,那么此时,一定要根据上面的规则,判断好顺序,否则顺序错了,可能就没办法经过变换得到了!例如:画出函数y=ln|2-x|的图像通过研究这个函数解析式,我们知道此函数是由基本初等函数y=lnx通过变换而来,那么这个函数经过了几步变换呢?变换的顺序又是如何?下面我们一起来看一看:通过解析式x上附加的东西,我们会发现,会有对称变换,x前面加了负号,还有翻折变换,x上面还有绝对值,还有平移变换,前面加了一个2,既然有3种变换,那么顺序如何呢?牢记住一点:针对x轴上的变换,那就一定要看x这个符号有啥变化。
所以,我们可以得出:第一步,翻折变换;第二步,对称变换;第三步,平移变换。
有的同学说,第一步是对称变换,也就是先在x上加负号,但是接下来的话,再进行翻折变换,就相当于在-x上加绝对值了,而这个并不是我们学过的规律,所以后面就无法进行变换了,这样也就错了。
对勾函数f(x)=ax+的图象与性质繁华分享对勾函数是数学中一种常见而又特殊的函数。
它在高中教材上不出现,但考试总喜欢考的函数,所以也要注意它和了解它。
(一) 对勾函数的图像对勾函数是一种类似于反比例函数的一般函数,形如f(x)=ax+(接下来写作f(x)=ax+b/x)。
当a≠0,b≠0时,f(x)=ax+b/x是正比例函数f(x)=ax与反比例函数f(x)= b/x“叠加”而成的函数。
这个观点,对于理解它的性质,绘制它的图象,非常重要。
当a,b同号时,f(x)=ax+b/x的图象是由直线y=ax与双曲线y= b/x构成,形状酷似双勾。
故称“对勾函数”,也称“勾勾函数”、“海鸥函数”。
如下图所示:a>0 b>0 a<0 b<0对勾函数的图像(ab同号)当a,b异号时,f(x)=ax+b/x的图象发生了质的变化。
但是,我们依然可以看作是两个函数“叠加”而成。
(请自己在图上完成:他是如何叠加而成的。
)对勾函数的图像(ab异号)一般地,我们认为对勾函数是反比例函数的一个延伸,即对勾函数也是双曲线的一种,只不过它的焦点和渐进线的位置有所改变罢了。
接下来,为了研究方便,我们规定a>0,b>0。
之后当a<0,b<0时,根据对称就很容易得出结论了。
(二) 对勾函数的顶点对勾函数性质的研究离不开均值不等式。
利用均值不等式可以得到:当x>0时,。
当x<0时,。
即对勾函数的定点坐标:(三) 对勾函数的定义域、值域由(二)得到了对勾函数的顶点坐标,从而我们也就确定了对勾函数的定义域、值域等性质。
(四) 对勾函数的单调性(五) 对勾函数的渐进线由图像我们不难得到:(六) 对勾函数的奇偶性对勾函数在定义域内是奇函数,利用对号函数以上性质,在解某些数学题时很简便,下面举例说明:1、求函数324222++++=x x x x y 的最小值。
yXOy=ax解:令322++=x x t ,则22)1(2≥++=x ttt t t y 112+=+= 根据对号函数tt y 1+=在(1,+∞)上是增函数及t 的取值范围,当2=t 时y 有最小值223。
对勾函数图象性质对勾函数:数学中一种常见而又特殊的函数。
如图一、对勾函数f(x)=ax+ 错误!未找到引用源。
的图象与性质对勾函数是数学中一种常见而又特殊的函数。
它在高中教材上不出现,但考试总喜欢考的函数,所以也要注意它和了解它。
(一) 对勾函数的图像对勾函数是一种类似于反比例函数的一般函数,形如f(x)=ax+错误!未找到引用源。
(接下来写作f(x)=ax+b/x)。
当a≠0,b≠0时,f(x)=ax+b/x是正比例函数f(x)=ax与反比例函数f(x)= b/x “叠加”而成的函数。
这个观点,对于理解它的性质,绘制它的图象,非常重要。
当a,b同号时,f(x)=ax+b/x的图象是由直线y=ax与双曲线y= b/x构成,形状酷似双勾。
故称“对勾函数”,也称“勾勾函数”、“海鸥函数”。
如下图所示:a>0 b>0 a<0 b<0对勾函数的图像(ab同号)当a,b异号时,f(x)=ax+b/x的图象发生了质的变化。
但是,我们依然可以看作是两个函数“叠加”而成。
(请自己在图上完成:他是如何叠加而成的。
)对勾函数的图像(ab异号)一般地,我们认为对勾函数是反比例函数的一个延伸,即对勾函数也是双曲线的一种,只不过它的焦点和渐进线的位置有所改变罢了。
接下来,为了研究方便,我们规定a>0,b>0。
之后当a<0,b<0时,根据对称就很容易得出结论了。
(二) 对勾函数的顶点对勾函数性质的研究离不开均值不等式。
利用均值不等式可以得到: 当x>0时,错误!未找到引用源。
当x<0时,错误!未找到引用源。
即对勾函数的定点坐标:(三) 对勾函数的定义域、值域由(二)得到了对勾函数的顶点坐标,从而我们也就确定了对勾函数的定义域、值域等性质。
(四) 对勾函数的单调性(五) 对勾函数的渐进线由图像我们不难得到:(六) 对勾函数的奇偶性 :对勾函数在定义域内是奇函数, 二、类对勾函数性质探讨 函数xbax y +=,在时或00==b a 为简单的单调函数,不予讨论。
高中常用函数图像与性质一、常值(数)函数1.定义:一般地,形如为常数)(c c y =,那么叫做常值(数)函数.2.图像与性质:解析式)0(>=c c y 0=y )0(<=c c y 图像性质定义域R值域{}c y y =单调性不具单调性奇偶性偶函数对称性对称轴:y 轴(0=x )二、一次函数1.定义:一般地,形如y=kx +b(k,b是常数,k≠0),那么y叫做x 的一次函数.特别地,当b=0时,y=kx ,此时y 叫做x 的正比例函数,正比例函数是一种特殊的一次函数.2.图像与性质:一次函数()0k kx b k =+≠k ,b 符号k >0k <0b >0b <0b =0b >0b <0b =图象性质y 随x 的增大而增大y 随x 的增大而减小三、二次函数1.定义:一般地,形如2y ax bx c =++(a b c ,,是常数,0a ≠)的函数,叫做二次函数.2.解析式:(1)一般式:)0(2≠++=c c bx ax y ;(2)顶点式:)0(442(22≠-++=a ab ac a b x a y ;(3)两点式:)0)()((21≠--a x x x x a ,其中)0,(,)0,(21x x 为图像与x 轴了两交点的坐标.3.二次函数()2y a x h k =-+与2y ax bx c =++的比较:从解析式上看,()2y a x h k =-+与2y ax bx c =++是两种不同的表达形式,后者通过配方可以得到前者,即22424b ac b y a x a a -⎛⎫=++⎪⎝⎭,其中2424b ac b h k a a -=-=,.4.二次函数的系数c b a ,,对图像的影响(1)系数a :①0>a ,开口向上;0<a ,开口向下;②a 越大,开口越大;a 越小,开口越小;(2)系数b :b a ,的符号共同决定对称轴的位置,“左同右异”①b a 、同号:0>ab ,对称轴a bx 2-=在y 轴左侧,②b a 、异号:0<ab ,对称轴abx 2-=在y 轴右侧;(3)常数c :与y 轴交点坐标),0(c ;5.二次函数2y ax bx c =++)0(≠a 的性质()()20f x ax bx c a =++≠0a >0a <图像定义域(),-∞+∞对称轴2bx a=-顶点坐标24,24b ac b a a ⎛⎫-- ⎪⎝⎭值域),44(2∞+-ab ac 24,4ac b a ⎛⎫--∞ ⎪⎝⎭单调区间)2,(ab--∞递减)2(∞+-,ab 递增)2,(ab--∞递增)2(∞+-,ab 递减6.二次函数2y ax bxc =++图象的画法五点绘图法:利用配方法将二次函数2y ax bx c =++化为顶点式2()y a x h k =-+,确定其开口方向、对称轴及顶点坐标,然后在对称轴两侧,左右对称地描点画图.一般我们选取的五点为:顶点、与y 轴的交点()0c ,、以及()0c ,关于对称轴对称的点()2h c ,、与x 轴的交点()10x ,,()20x ,(若与x 轴没有交点,则取两组关于对称轴对称的点).画草图时应抓住5要素:开口方向,对称轴,顶点,与x 轴的交点,与y 轴的交点.7.二次函数与一元二次方程(1)当抛物线)0(2≠++=a c bx ax y 与x 轴两个交点时,公共点的横坐标21,x x 是一元二次方程)0(02≠=++a c bx ax 的根.(2)①当240b ac ∆=->时,抛物线)0(2≠++=a c bx ax y 与x 轴有两个交点;②当042=-=∆ac b 时,抛物线)0(2≠++=a c bx ax y 与x 轴有1个交点(顶点);③当042<-=∆ac b 时,抛物线)0(2≠++=a c bx ax y 与x 轴无交点;(3)当042<-=∆ac b 时:①当0a >时,图象落在x 轴的上方,0y >恒成立;②当0<a 时,图象落在x 轴的下方,0<y 恒成立;四、反比例函数1.定义:一般地,形如)0(≠=x xky 的函数,称为反比例函数.2.图像与性质:函数解析式>k 0<k五、指数函数1.定义:函数)1,0(≠>=a a a y x 且,x 为自变量,函数定义域为R .2.图像与性质:10<<a 1>a 图像定义域R 值域)0(∞+,性质(1)过定点(0,1),即1,0==y x 时(2)在R 上为减函数(2)在R 上为增函数六、对数函数1.定义:函数)1,0(log ≠>=a a x y a 且,x 为自变量,函数定义域为),0(∞+.2.图像与性质:10<<a 1>a图像定义域(0,+∞)值域R性质(1)过定点(1,0),即0,1==yx时(2)在),0(∞+上为减函数(2)在),0(∞+上为增函数七、幂函数1.定义:形如αxy=叫做幂函数,其中x是自变量,α为常数.2.几种常见幂函数的图像3.几种常见幂函数.的图像与性质幂函数性质xy=2xy=3xy=21xy=1-xy=八、对勾函数1.定义:2.图像与性质:解析式)0,0()(>>+=b a xbax x f 图像性质定义域{}0≠x x 值域),2[]2,(∞+--∞ab ab 单调性单调增区间:),(,),(∞+--∞ab a b九、分式函数1.定义:一般地,形如:()()ax bf x ad cb cx d+=≠+叫做分式函数.2.图像与性质:图象是以直线,d a x y c c =-=(恰为系数之比)为渐近线的双曲线,对称中心(,d ac c-,通常用代点法确定两支双曲线的位置。
七大函数——1、一次函数2、二次函数3、反比例函数4、指数函数5、对数函数6、幂函数7、三角函数七大性质——1、定义域2、值域3、最值4、周期性5、奇偶性6、单调性7、对称性壹一次函数〔正比例函数〕1、定义与定义式:自变量x和因变量y有如下关系: y=kx+b 如此此时称y是x的一次函数。
特别地,当b=0时,即:y=kx 〔k为常数,k≠0〕如此此时称y是x的正比例函数。
2、一次函数的性质:(1)在一次函数上的任意一点P〔x,y〕,都满足等式:y=kx+b。
(2)一次函数与y轴交点的坐标总是〔0,b),与x轴总是交于〔-b/k,0〕正比例函数的图像总是过原点。
〔3) k,b与函数图像所在象限:当k>0时,直线必通过一、三象限,y随x的增大而增大;当k<0时,直线必通过二、四象限,y随x的增大而减小。
当b>0时,直线必通过一、二象限;当b<0时,直线必通过三、四象限。
当b=0时,直线通过原点。
(4)特别地,当b=O时,直线通过原点O〔0,0〕表示的是正比例函数的图像。
这时,当k>0时,直线只通过一、三象限;当k<0时,直线只通过二、四象限。
3、一次函数和正比例函数的图象和性质贰二次函数1.函数)0(2≠++=a c bx ax y 叫做一元二次函数。
其图象是一条抛物线。
2.根与系数的关系-韦达定理〔1〕假如一元二次方程()002≠=++a c bx ax 中,两根为1x ,2x 。
求根公式2b x a -±=, 补充公式 ax x ∆=-21。
韦达定理a b x x -=+21,acx x =•21。
〔2〕以1x ,2x 为两根的方程为()021212=•+++x x x x x x〔3〕用韦达定理分解因式()()2122x x x x a a c x a b x a c bx ax --=⎪⎭⎫ ⎝⎛++=++3.任何一个二次函数)0(2≠++=a c bx ax y 都可为顶点式:ab ac a b x a y 44)2(22-++=,性质如下:〔1〕图象的顶点坐标为)44,2(2ab ac a b --,对称轴是直线a bx 2-=。
高考中所有的函数图像大汇总 专项二 高考用到的函数图像总结高考中用到的函数图像是指:一次函数图像、反比例函数图像、二次函数图像、幂函数图像(五种)、对勾(也称对号)函数图像、指数函数图像、对数函数图像、简单的三角函数图像、简单的三次函数图像一、一次函数图像(1)函数)0(≠+=k b kx y 叫做一次函数,它的定义域是R ,值域是R ; (2)一次函数的图象是直线,这条直线不能竖直,所以一次函数又叫线性函数;(3)一次函数)0(≠+=k b kx y 中,k 叫直线的斜率,b 叫直线在y 轴上的截距; 0>k 时,函数是增函数,0<k 时,函数是减函数;注意截距不是距离的意思,截距是一个可正可负可为零的常数 (4)0=b 时该函数是奇函数且为正比例函数,直线过原点;0≠b 时,它既不是奇函数,也不是偶函数; (5)作一次函数图像时,一般先找到在坐标轴上的两个点,然后连线即可 二、反比例函数图像 (一)反比例函数的概念1.()可写成()的形式,注意自变量x 的指数为,在解决有关自变量指数问题时应特别注意系数这一限制条件;2.()也可写成xy=k 的形式,用它可迅速地求出反比例函数解析式中的k ,从而得到反比例函数的解析式;3.反比例函数的自变量,故函数图象与x 轴、y 轴无交点.(二)反比例函数及其图象的性质函数解析式:(),自变量的取值范围:越大,图象的弯曲度越小,曲线越平直.图像越远离坐标轴越小,图象的弯曲度越大.图像越靠近坐标轴 当时,图象的两支分别位于一、三象限;在每个象限内,y 随x 的增大而减小;当时,图象的两支分别位于二、四象限;在每个象限内,y 随x 的增大而增大.(3)对称性:图象关于原点对称,即若(a ,b )在双曲线的一支上,则(,)在双曲线的另一支上.图象关于直线对称,即若(a ,b )在双曲线的一支上,则(,)和(,)在双曲线的另一支上. 4.k 的几何意义如图1,设点P (a ,b )是双曲线上任意一点,作PA ⊥x 轴于A 点,PB ⊥y 轴于B 点,则矩形PBOA的面积是(三角形PAO 和三角形PBO 的面积都是).如图2,由双曲线的对称性可知,P 关于原点的对称点Q 也在双曲线上,作QC ⊥PA 的延长线于C ,则有三角形PQC 的面积为.图1 图2 三、二次函数图像(1)二次函数解析式的三种形式 ①一般式:f (x )=ax 2+bx +c (a ≠0). ②顶点式:f (x )=a (x -m )2+n (a ≠0). ③零点式:f (x )=a (x -x 1)(x -x 2)(a ≠0). (2)二次函数的图象和性质解析式f (x )=ax 2+bx +c (a >0)f (x )=ax 2+bx +c (a <0)图象定义域 (-∞,+∞)(-∞,+∞)值域⎣⎡⎭⎫4ac -b 24a ,+∞ ⎝⎛⎦⎤-∞,4ac -b 24a单调性在x ∈⎝⎛⎦⎤-∞,-b2a 上单调递减; 在x ∈⎣⎡⎭⎫-b2a ,+∞上单调递增 在x ∈⎝⎛⎦⎤-∞,-b2a 上单调递增; 在x ∈⎣⎡⎭⎫-b2a ,+∞上单调递减对称性函数的图象关于x=-b2a对称(2)我们在做题的时候,作比较详细的二次函数图像,需要作出开口方向、对称轴所在位置、与两个坐标轴的交点位置、顶点所在位置,而不能随手一条曲线,就当做二次函数的图像了。
对勾函数一、定义:对勾函数是数学中一种常见而又特殊的函数是一种类似于反比例函数的一般函数f(x)=ax+错误!未找到引用源。
(接下来写作f(x)=ax+b/x )。
当a ≠0,b ≠0时,f(x)=ax+b/x 是正比例函数,f(x)=ax 与反比例函数f(x)= b/x “叠加”而成的函数。
这个观点,对于理解它的性质,绘制它的图象,非常重要。
当a ,b 同号时,f(x)=ax+b/x 的图象是由直线y =ax 与双曲线y= b/x 构成,形状酷似双勾。
故称“对勾函数”,也称“勾勾函数”、“海鸥函数”。
如下图所示:当a ,b 异号时,f(x)=ax+b/x 的图象发生了质的变化。
但是,我们依然可以看作是两个函数“叠加”而成。
(请自己在图上完成:他是如何叠加而成的。
)一般地,我们认为对勾函数是反比例函数的一个延伸,即对勾函数也是双曲线的一种,只不过它的焦点和渐进线的位置有所改变。
(一) 对勾函数的顶点对勾函数性质的研究离不开均值不等式。
利用均值不等式可以得到: 当x>0时,错误!未找到引用源。
当x<0时,。
即对勾函数的定点坐标:a>0 b>0 a<0 b<0对勾函数的图像(ab 同号)对勾函数的图像(ab 异号)(二) 对勾函数的定义域、值域由(二)得到了对勾函数的顶点坐标,从而我们也就确定了对勾函数的定义域、值域等性质。
(三) 对勾函数的单调性(四) 对勾函数的渐进线由图像我们不难得到:(五) 对勾函数的奇偶性对勾函数在定义域内是奇函数,二、)00(,≠≠b a xby=ax+且性质的讨论四种情况(1)0,0<>b a (2)0,0><b a (3)0,0>>b a (4)0,0<<b a特殊情况:当1==b a 时,函数化为()x=x+x f 1①定义域为()()∞0,∞,0+- ②奇偶性:⎪⎭⎫⎝⎛-=--=-x x+x x+x f 11)( ()x f -=函数为奇 函数。
、(一)一次函数,正比例函数1、一次函数,正比例函数的定义(1)如果y=kx+b(k,b 为常数,且k ≠0),那么y 叫做x 的一次函数。
(2)当b =0时,一次函数y=kx+b 即为y=kx(k ≠0).这时,y 叫做x 的正比例函数。
注:正比例函数是特殊的一次函数,一次函数包含正比例函数。
2、正比例函数的图象与性质(1)正比例函数y=kx(k ≠0)的图象是过(0,0)(1,k )的一条直线。
3、一次函数(形状:直线;特征:特殊点:坐标轴交点—截距)(二)反比例函数(1) 定义:如果)0,(≠=k k xk y 是常数,那么,y 是x 的反比例函数。
反比例函数的图象是双曲线,它有两个分支,可用描点法画出反比例函数的图象(2)反比例函数的性质当K>0时,图象的两个分支分别在一、三象限内,在每个象限内, y 随x 的增大而减小;当K<0时,图象的两个分支分别在二、四象限内,在每个象限内,y 随x 的增大而增大。
( 3)、反比例函数 (形状:双曲线;特征:特殊点:(1,k ),特殊线:坐标轴—渐近线)(三)、二次函数概念:1.二次函数的概念:一般地,形如2y ax bx c =++(a b c ,,是常数,0a ≠)的函数,叫做二次函数。
这里需要强调:和一元二次方程类似,二次项系数0a ≠,而b c ,可以为零.二次函数的定义域是全体实数. 2. 二次函数2y ax bx c =++的结构特征:⑴ 等号左边是函数,右边是关于自变量x 的二次式,x 的最高次数是2.⑵ a b c ,,是常数,a 是二次项系数,b 是一次项系数,c 是常数项.3、二次函数2y ax bx c =++的性质( 1.) 当0a >时,抛物线开口向上,对称轴为2b x a=-,顶点坐标为2424b ac b a a ⎛⎫-- ⎪⎝⎭,. 当2b x a <-时,y 随x 的增大而减小;当2b x a>-时,y 随x 的增大而增大;当2b x a =-时,y 有最小值244ac b a-. ( 2.) 当0a <时,抛物线开口向下,对称轴为2b x a=-,顶点坐标为2424b ac b aa ⎛⎫-- ⎪⎝⎭,.当2b x a <-时,y 随x 的增大而增大;当2b x a >-时,y 随x 的增大而减小;当2b x a =-时,y 有最大值244ac b a-. 4、二次函数(形状:抛物线,特征:特殊点:最值点—与对称轴相交的点,特殊线:对称轴x=--ab 2)典例11.若点(1,3)在正比例函数y=kx 的图象上,则此函数的解析式为________.2.下面哪个点在函数y=12x+1的图象上( ) A .(2,1) B .(-2,1) C .(2,0) D .(-2,0)3.下列函数中,y 是x 的正比例函数的是( )A .y=2x-1B .y=3x C .y=2x 2 D .y=-2x+1 4.一次函数y=-5x+3的图象经过的象限是( )A .一、二、三B .二、三、四C .一、二、四D .一、三、四5.若一次函数y=(3-k )x-k 的图象经过第二、三、四象限,则k 的取值范围是( )A .k>3B .0<k ≤3C .0≤k<3D .0<k<36.已知一次函数y=kx+b 的图象经过点A (1,3)和B (-1,-1),则此函数的解析式为_________.17.在同一坐标系中,作出函数y= -2x 与y= 12x+1典例21.下列函数中,y 是x 的反比例函数的是 ( )A .y =x -1B . y =28xC .2=x yD .y =x 21 2.在同一坐标系中,函数x k y =和3+=kx y 的图像大致是 ( )A B C D4.下列函数中,当x >0时,y 随x 的增大而减小的是( )A .y=xB .y=x 1C .y=-x1 D .y=x2 5.如果点A (-2,a ),B (b ,1)是反比例函数y=-x 6图象上的两点,那么a ,b 的值分别是 ( )A .3,6B .-3,6C .3,-6D .-3,-66.在反比例函数y=2x的图象上的一个点的坐标是( ) A .(2,1) B .(-2,1) C .(2,12) D .(12,2) 典例31、抛物线942++=x x y 的对称轴是 .2、抛物线251222+-=x x y 的开口方向是 ,顶点坐标是 .3、抛物线1662--=x x y 与x 轴交点的坐标为_________;4、函数x x y +-=22有最____值,最值为_______;5、二次函数122--=x x y 的图象在x 轴上截得的线段长为( )A 、22B 、23C 、32D 、336、通过配方,写出下列函数的开口方向、对称轴和顶点坐标:(1)12212+-=x x y ; (2)2832-+-=x x y ; (3)4412-+-=x x y 7、求二次函数62+--=x x y 的图象与x 轴和y 轴的交点坐标8、已知一次函数的图象过抛物线223y x x =++的顶点和坐标原点1) 求一次函数的关系式;2) 判断点()2,5-是否在这个一次函数的图象上。
常见函数之 正比例函数、反比例函数与对勾函数
1.正比例函数
如果y=kx (k 是常数,K ≠0),那么,y 叫做x 的正比例函数
一次函数的图象是直线,画一次函数的图象,只要先描出两点,再连成直线
一次函数的性质
当k>0时y 随x 的增大而增大,当k<0时,y 随x 的增大而减小。
2、反比例函数
(1) 反比例函数及其图象
如果)0,(≠=k k x
k y 是常数,那么,y 是x 的反比例函数。
反比例函数的图象是双曲线,它有两个分支,可用描点法画出反比例函数的图象
(2)反比例函数的性质
当K>0时,图象的两个分支分别在一、三象限内,在每个象限内, y 随x 的增大而减小; 当K<0时,图象的两个分支分别在二、四象限内,在每个象限内,y 随x 的增大而增大。
3.对勾函数()b f x ax x =+的图象与性质 对勾函数是数学中一种常见而又特殊的函数。
它在高中教材上不出现,但考试总喜欢考的函数,所以也要注意它和了解它。
(1) 对勾函数的图像 对勾函数是一种类似于反比例函数的一般函数,形如f(x)=ax+(接下来写作f(x)=ax+b/x )。
当a≠0,b≠0时,f(x)=ax+b/x 是正比例函数f(x)=ax 与反比例函数f(x)= b/x “叠加”而成的函数。
这个观点,对于理解它的性质,绘制它的图象,非常重要。
当a ,b 同号时,f(x)=ax+b/x 的图象是由直线y =ax 与双曲线y= b/x 构成,形状酷似双勾。
故称“对勾函数”,也称“勾勾函数”、“海鸥函数”。
如下图所示:
当a ,b 异号时,f(x)=ax+b/x 的图象发生了质的变化。
但是,我们依然可以看作是两个函数“叠加”而成。
(请自己在图上完成:他是如何叠加而成的。
) a>0 b>0 a<0b<0 对勾函数的图像(ab 同号)
一般地,我们认为对勾函数是反比例函数的一个延伸,即对勾函数也是双曲线的一种,只不过它的焦点和渐进线的位置有所改变罢了。
接下来,为了研究方便,我们规定a>0,b>0。
之后当a<0,b<0时,根据对称就很容易得出结论了。
(2) 对勾函数的顶点
对勾函数性质的研究离不开均值不等式。
利用均值不等式可以得到:
当x>0时,。
当x<0时,。
即对勾函数的定点坐标:
(3) 对勾函数的定义域、值域
由(二)得到了对勾函数的顶点坐标,从而我们也就确定了对勾函数的定义域、值域等性质。
(4) 对勾函数的单调性
(5) 对勾函数的渐进线
由图像我们不难得到:
(6) 对勾函数的奇偶性
对勾函数在定义域内是奇函数,
对勾函数的图像(ab 异号)
y
X O
y=ax。