水利水电工程安全生产检查表
- 格式:doc
- 大小:205.00 KB
- 文档页数:19
施工单位水利工程安全生产检查表格施工单位水利工程安全生产检查表格日期:检查人:工程名称:施工单位:序号检查项目检查内容检查情况备注1 安全管理制度施工单位是否建立了水利工程安全管理制度,并定期进行检查和更新。
□符合要求□不符合要求2 安全生产培训施工单位是否对施工人员进行了安全生产培训,并做好培训记录。
□符合要求□不符合要求3 安全防护设施施工现场是否设置了必要的安全防护设施,如警示标志、安全网、防护栏等。
□符合要求□不符合要求4 施工人员着装施工人员是否统一着装,并佩戴好安全帽、安全鞋等个人防护用品。
□符合要求□不符合要求5 施工现场清洁施工现场是否保持整洁,杂物是否及时清理。
□符合要求□不符合要求6 施工设备检查施工单位是否对使用的设备进行了定期检查和维护,确保其正常运行。
□符合要求□不符合要求7 动火作业管理是否存在动火作业,若存在是否采取了相应的安全防护措施。
□符合要求□不符合要求8 临时用电管理施工单位是否对临时用电进行了管理,是否存在违规用电的行为。
□符合要求□不符合要求9 高处作业管理是否有高处作业,若有是否采取了相应的安全措施,如操作人员是否系好安全带等。
□符合要求□不符合要求10 施工现场交通施工现场交通是否畅通,是否有设置人行通道和车辆通道,并做好标识。
□符合要求□不符合要求11 现场应急措施施工单位是否制定了应急预案,并进行了演练。
现场是否配备了相应的应急设备。
□符合要求□不符合要求12 施工工期管理施工单位是否合理安排工期,并确保按时完成任务,避免出现赶工现象。
□符合要求□不符合要求13 施工场地环境保护施工单位是否对施工场地进行环境保护,如垃圾分类、河流水污染防治等。
□符合要求□不符合要求14 其他安全管理措施施工单位是否存在其他安全管理措施,并是否落实到位。
□符合要求□不符合要求检查结果:□合格□不合格检查人签名:施工单位负责人签名:备注:。
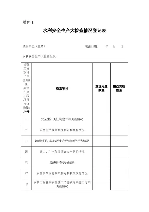
附件1水利安全生产大检查情况登记表填报单位(盖章): 填报日期: 年月日水利安全生产大检查组次:审核人: 填报人: 联系电话:水利安全生产隐患排查治理情况登记表单位负责人(签字): 填表(签字): 联系电话:注: 表中数据关系: (8)小于或等于(5)-(6);(9)、(10)、(11)、(12)、(13)分别小于或等于(8)。
水利工程建设安全生产检查表被检查单位(签字): 检查组组长(签字):表五: 施工现场安全生产检查表被检查单位(签字): 检查组组长(签字):附件4水利工程运营管理安全生产检查表附件5各市(区)水利(水务)局, 厅直各单位安全生产大检查报告提纲一、本单位开展水利安全生产大检查基本情况(一)组织发动情况重要介绍宣传发动、组织领导、责任分工、制订方案、安排人员、协调推动等情况。
(二)检查情况重要介绍检查总体情况。
本地区、本单位各级共派出检查组次、检查工程项目(单位)个数, 其中: 自查单位个数、自查工程项目个数、自查次数;各级(含本级)水行政主管部门分别派出抽查组次、抽查工程项目(单位)个数、占总数的比例。
------汇总和填写附件1, 填写附件3、附件4和其他附表, 附于报告后。
(三)隐患排查治理情况重要介绍隐患排查治理总体情况。
自查和抽查发现问题隐患个数、贯彻整改个数、整改到位率, 其中: 自查发现问题隐患个数、贯彻整改个数、整改到位率;各级(含本级)水行政主管部门抽查发现问题隐患个数、贯彻整改个数、整改到位率。
重大安全隐患挂牌督办和“五贯彻”情况。
对非法违法生产经营建设行为“四个一律”情况。
对检查发现的重大问题及时报告和跟踪督导情况。
------汇总和填写附件2, 附于报告后。
二、各地各单位检查情况具体介绍各单位检查抽查情况。
涉及组织安排、抽查方式、抽查数量、发现问题隐患及整改、自查整改情况的核查和建档等情况。
三、存在的共性问题及建议(一)存在的共性问题(二)建议(附件: 1.2.3.4)(单位名称)年月日。
水利工程施工安全检查表水利工程施工安全检查表建设工程施工安全检查表工程名称施工单位监理单位责任监督员检查项目检查内容1、安全生产责任制建立及落实情况;2、安全生产事故应急预案制定及演练情况;3、项目经理、项目技术负责人、专职安全员履工程类别劳务公司检查日期形象进度现场检查情况检查结论□符合□不符合要求□符合□不符合要求□符合□不符合要求□符合□不符合要求□符合□不符合要求□符合□不符合要求□符合□不符合要求□符合□不符合要求□符合□不符合要求□符合□不符合要求□符合□不符合要求单施责情况位工4、企业对项目的关键环节的安全生产管理情况:安企业对项目安全隐患排查、大型机械等验收;全5、现场作业人员安全教育效果抽查管6、劳务公司的安全教育及管理理1、实施工程监理过程发现和督促消除安全隐患监情况;理安全生产资金保障2、关键环节的安全监理人员到位情况;1、合同是否明确安全文明施工费金额、支付和使用;2、建设方是否按合同支付安全文明施工费;3、施工单位安全文明施工费投入使用情况;1、工程项目应根据建筑工程特点编制临时用电施工用电施工组织设计并经单位技术负责人和总监理工程师审核审批,并按规定组织实施2、施工用电应为TN-S系统,三级配电两级保护供电,确保施工用电安全。
1、工程项目应根据建筑工程特点编制预防高处坠落事故的专项施工方案,并组织实施;2、临边、洞口的安全防护设施应做到定型化、工具化,并实行专人负责制;3、通道口等搭设安全防护棚;□符合□不符合要求□符合□不符合要求□符合□不符合要求□符合□不符合要求□符合□不符合要求□符合□不符合要求高处坠落4、特种作业人员应持证上岗,施工单位应为作业人员提供合格的安全帽、安全带等必备的安全防护用具,作业人员应按规定正确佩戴和使用;5、高处作业前,应对安全防护设施进行验收;悬空作业必须遵守相关规定;6、需要临时拆除或变动安全设施的,应经审批后方可组织实施。
7、交叉作业的安全条件;8、接料平台、悬挑式钢平台搭设安全;1、塔吊、电梯、井字架等特种设备的检测登记□符合□不符合要求□符合□不符合要求□符合□不符合要求□符合□不符合要求特种2、塔吊、电梯、井字架等特种设备的注册登记设备3、塔吊、电梯、井字架等特种设备的使用登记1、塔吊、外用电梯、井字架应按规定编制安装拆卸施工方案,由符合资质的单位进行安装和拆卸;2、大型垂直运输设备使用管理应当建立健全日常检查制度,维修保养制度,持证上岗制度,方案审批制度和设备登记制度,确保每台设备安全使用;3、井字架上料口和卸料平台应装设有联锁装置的安全门,同时采用断绳保护装置或安全停靠装塔吊型号:高度:数量:外用电梯:高度:数量:井字架:高度:数量□符合□不符合要求□符合□不符合要求□符合□不符合要求起重机械伤害置;4、塔吊各种限位、保险装置应灵敏可靠,附墙装置按规定设置,自由高度符合说明书要求,安装、顶升、加节、拆除作业应严格按照操作规程进行,不得违章冒险作业;5、多塔作业必须制定可靠的防碰撞措施;6、大型机械设备应编制应急救援预案;7、施工外用电梯各种限位应灵敏可靠,楼层门应采取防止人员和物料坠落措施,电梯上下运行行程内应保证无障碍物;8、机具设备的相关部位应配备完好的防护装置。
水利工程施工安全检查表第一章水利工程施工安全总论 (3)1.1 工程概况 (3)1.1.1 工程背景 (3)1.1.2 工程简介 (3)1.1.3 工程特点 (3)1.1.4 安全管理组织 (4)1.1.5 安全管理职责 (4)第二章施工现场安全管理 (5)第一节施工现场安全规章制度 (5)1.1.6 概述 (5)1.1.7 施工现场安全规章制度内容 (5)1.1.8 概述 (5)1.1.9 施工现场安全培训与教育内容 (6)1.1.10 施工现场安全培训与教育方式 (6)第三章工程施工前期准备 (6)1.1.11 程序性审核 (6)1.1.12 编制依据与目标审查 (6)1.1.13 规范、规程和相关文件的审查 (7)1.1.14 施工组织设计内容的审查 (7)1.1.15 环境概况评估 (7)1.1.16 重大危险源评估与防范 (7)1.1.17 安全管理组织机构审查 (7)1.1.18 应急预案审查 (7)第四章施工场地布置 (7)1.1.19 施工场地选址 (7)1.1.20 施工场地规划布局 (8)1.1.21 临时设施布置 (8)1.1.22 永久设施布置 (8)1.1.23 施工场地绿化与环保 (9)第五章施工机械设备安全管理 (9)1.1.24 选型原则 (9)1.1.25 设备验收 (9)1.1.26 维护保养原则 (10)1.1.27 维护保养内容 (10)1.1.28 维护保养措施 (10)第六章施工用电安全管理 (10)1.1.29 设计原则 (10)1.1.30 设计内容 (10)1.1.31 设备安装 (11)1.1.32 设备维护 (11)第七章施工现场环境保护 (12)1.1.34 施工期间粉尘(扬尘)的污染控制 (12)1.1.35 有害气体排放量控制 (12)1.1.36 建筑施工废弃物控制 (12)1.1.37 施工期间水土污染(废水)控制 (12)1.1.38 施工期光污染控制 (12)1.1.39 施工期间噪声的防治 (12)1.1.40 施工期间固体废物的防治 (13)1.1.41 施工及施工生活用水的污水对地下水源污染 (13)1.1.42 施工扬尘造成的周围及城市空气污染 (13)1.1.43 施工生活垃圾造成土壤及环境污染 (13)1.1.44 施工机具的震动造成周围建筑的裂缝和破坏 (13)1.1.45 施工降水及基坑开挖造成周围建筑的裂缝和倾斜 (13)1.1.46 基坑支护失稳造成安全 (13)1.1.47 监测内容 (14)1.1.48 监测方法 (14)1.1.49 监测频率 (14)1.1.50 监测数据分析与处理 (14)第八章施工现场防火安全管理 (14)1.1.51 防火设施概述 (14)1.1.52 消防器材配置 (14)1.1.53 消防通道设置 (15)1.1.54 消防水源配置 (15)1.1.55 疏散指示标志设置 (15)1.1.56 防火安全教育 (15)1.1.57 防火安全培训 (15)1.1.58 防火安全演练 (15)1.1.59 防火安全检查 (15)第九章施工现场安全防护设施 (15)1.1.60 设计原则 (15)1.1.61 设计内容 (16)1.1.62 设计要求 (16)1.1.63 施工准备 (16)1.1.64 施工过程 (16)1.1.65 验收标准 (17)第十章施工现场应急预案与处理 (17)1.1.66 应急预案的编制原则 (17)1.1.67 应急预案的主要内容 (17)1.1.68 应急预案的制定流程 (17)1.1.69 报告 (18)1.1.70 现场保护 (18)1.1.71 调查与处理 (18)1.1.72 整改与预防 (18)第十一章施工现场职业健康与卫生 (18)1.1.74 监测内容 (18)1.1.75 监测措施 (19)1.1.76 卫生管理制度 (19)1.1.77 宿舍卫生管理 (19)1.1.78 施工现场卫生管理 (19)1.1.79 健康宣传教育 (19)第十二章施工安全检查与整改 (20)1.1.80 安全检查的目的与意义 (20)1.1.81 安全检查的类型与要求 (20)1.1.82 安全检查的内容与标准 (20)1.1.83 安全整改措施的制定与实施 (20)1.1.84 安全整改效果的评价 (20)第一章水利工程施工安全总论1.1 工程概况1.1.1 工程背景我国社会经济的快速发展,水利工程建设在国民经济中的地位日益重要。
附件2
在建水利工程项目汛前安全生产检查表
注:在建水利工程是指全省应急水源工程、病险水库除险加固工程、大中型灌区改造工程以及其它水利基建工程。
附件3:
水库、水电站大坝汛前安全生产检查表
附件4:
农村水电工程汛前安全生产检查表
附件5:
在建水利工程项目汛前安全生产检查情况汇总表
附件6:
水库、水电站大坝汛前安全生产检查情况汇总表
附件7:
农村水电工程汛前安全生产检查情况汇总表
附件8:
水利安全专项整治工作检查表。
汛前水利工程安全大检查情况统计表表1序号检查时间工程名称检查内容检查结果1 2020年5月1日渠道工程渠道堤防状态问题1:某一段堤防出现滑坡现象,需处理。
问题2:渠道侧壁存在破损现象,需加固。
2 2020年5月3日水库工程水库水位状态正常3 2020年5月6日河道工程河道岸坡状态问题1:河道岸坡存在塌方现象,需采取稳定措施。
问题2:河道堆石状况欠佳,需加固。
4 2020年5月9日抽水站工程抽水机状态正常5 2020年5月12日水闸工程水闸闸门状态问题1:某一道闸门失灵,需维修。
问题2:水闸门和闸体之间存在缝隙,需填补。
6 2020年5月15日排涝工程排涝设备状态正常7 2020年5月18日涵洞工程涵洞通畅状态正常8 2020年5月20日堰塞区工程堰塞区水位状态正常9 2020年5月22日引水灌溉工程引水管道状况问题1:引水管道存在渗漏现象,需修复。
问题2:管道表面存在锈蚀现象,需涂漆。
10 2020年5月25日滨海防洪工程护堤状况问题1:护堤表面存在龟裂现象,需加固。
问题2:护堤顶部缺失部分石块,需添加。
通过本次汛前水利工程安全大检查,共发现了10处问题,其中8处为堤防、岸坡等安全方面的问题,需及时采取措施加以处理。
水库、抽水站、排涝工程、涵洞、堰塞区等工程均处于正常状态。
建议工程主管部门及时修复和加固存在问题的部分,确保汛期水利工程运行的安全和稳定。
电力与水力设备安全检查表为了确保电力与水力设备的安全运行,降低事故风险,特制定本安全检查表。
请根据实际情况对设备进行检查,并对发现的问题进行整改。
一、检查项目1.1 电力设备- 1.1.1 绝缘子检查:是否有破损、裂纹、污秽等情况。
- 1.1.2 导线检查:是否有断股、磨损、绝缘老化等情况。
- 1.1.3 塔架检查:是否有变形、锈蚀、裂缝等情况。
- 1.1.4 金具检查:是否有松动、断裂、锈蚀等情况。
- 1.1.5 接地装置检查:接地电阻是否符合规定,接地线是否有断裂、锈蚀等情况。
- 1.1.6 配电室检查:室内温度、湿度是否适宜,绝缘性能是否良好。
1.2 水力设备- 1.2.1 水库大坝检查:坝体是否有裂缝、渗漏、位移等情况。
- 1.2.2 水轮机检查:转动是否灵活,是否有异常声音、振动等情况。
- 1.2.3 发电机检查:绝缘性能是否良好,线圈是否有断股、磨损等情况。
- 1.2.4 管道检查:是否有泄漏、磨损、锈蚀等情况。
- 1.2.5 泵站检查:泵体是否有裂缝、渗漏,叶轮是否有磨损等情况。
二、检查方法- 2.1 视觉检查:对设备外观、绝缘子、导线、塔架等进行观察,查找异常情况。
- 2.2 听觉检查:听取设备运行声音,判断是否存在异常振动、噪音等。
- 2.3 温度检查:测量设备温度,判断是否存在过热现象。
- 2.4 湿度检查:测量设备湿度,判断是否存在潮湿、漏水等情况。
- 2.5 绝缘测试:对绝缘子、线路等进行绝缘测试,判断绝缘性能是否良好。
- 2.6 接地测试:测量接地电阻,判断接地装置是否符合规定。
三、检查周期- 电力设备:每半年检查一次。
- 水力设备:每年检查一次。
四、整改措施- 4.1 对发现的问题进行记录,分析原因。
- 4.2 根据问题性质,制定整改措施。
- 4.3 整改措施实施后,进行复查,确保问题得到解决。
五、安全注意事项- 5.1 检查过程中,必须严格遵守安全操作规程,确保人身安全。
单位名称 :序号检查项目1文明施工2施工管理措施3脚手架4施工支护5爆破作业6临时用电水利工程施工现场安全生产检查表检查内容要求与记录(1)建筑材料、构件、料具按总平面布局堆放;料堆应挂名称、品种、规格等标牌;堆放整齐,做到工完场地清(2)易燃易爆物品分类存放(3)施工现场应能够明确区分工人住宿区、材料堆放区、材料加工区和施工现场、材料堆放加工应整齐有序(1)爆破、吊装等危险作业有专门人员进行现场安全管理(2)人、车分流,道路畅通,设置限速标志。
场内运输机动车辆不得超速、超载行驶或人货混载(3)在建工程禁止住人(4)集体宿舍符合要求,安全距离满足要求(1)架管、扣件、安全网等合格证及检测资料(2)有脚手架、卸料平台施工方案(3)验收记录(含脚手架、卸料平台、安全网、防护棚、马道、模板等)(1)深度超过 2m的基坑施工有临边防护措施(2)按规定进行基坑支护变形监测,支护设施已产生局部变形应及时采取措施调整(3)人员上下应有专用通道(4)垂直作业上下应有隔离防护措施(1)爆破作业和爆破器材的采购、运输、贮存、加工和销毁(2)爆破人员资质和岗位责任制、器材领发、清退制度、培训制度及审批制度(3)爆破器材储存专用仓库内(1)施工现场应做好供用电安全管理,并有临时用电方案。
配电箱开关箱符合三级配电两级保护(2)设备专用箱做到“一机、一闸、一漏、一箱”;严禁一闸多机(3)配电箱、开关箱应有防尘、防雨措施(4)潮湿作业场所照明安全电压不得大于 24V;使用行灯电压不得大于36V;电源供电不得使用其他金属丝代替熔丝;(5)配电线路布设符合要求,电线无老化、破皮(6)有备用的“禁止合闸、有人工作”标志牌(7)电工作业应配戴绝缘防护用品,持证上岗检查时间: 年月日检查结果备注是否是否是否是否是否是否是否是否是否是否是否是否是否是否是否是否是否是否是否是否是否是否是否是否(1)塔吊应有力矩限制器、限位器、保险装置及附墙装置与夹轨钳(2)制定安装拆卸方案;安装完毕有验收资料或责任人签字7吊装作业(3)有设备运行维护保养记录(4)起重吊装作业应设警戒标志,并设专人警戒8安全警示标志在建工程生产场所 , 安全警示标志设置明显(1)在建工程应有预留洞口的防护措施(2)在建工程的临边有防护措施(3)在高处外立面,无外脚手架时,应张挂安全网9安全防护设施(4)防护棚搭设与拆除时,应设警戒区,并应派专人监护。
水利工程安全监理检查表
项目基本信息
- 项目名称:
- 项目编号:
- 项目地点:
- 项目负责人:
- 监理单位:
- 检查日期:
检查内容
检查结论
根据以上检查内容,综合评定该水利工程的安全监理情况如下:
- 安全监理合格
- 安全监理基本合格
- 安全监理不合格
经过本次检查,发现的问题及整改要求:
1.
2.
监理人员意见
监理人员:
意见:
监理单位意见
监理单位:
意见:
附件
- 监理照片或文件
以上内容为水利工程安全监理检查表,供参考使用。
请在实际使用过程中根据具体项目情况进行调整和修改。
水利水电建设工程安全生产管理资料检查表表一注:一、按照水利部规定,危险较大的工程指:1、基坑支护与降水工程;2、土方和石方开挖工程;3、模板工程;4、起重吊装工程;5、脚手架工程;6、拆除、爆破工程;7、围堰工程;8其他危险性较大的工程。
二、上述表格施工单位应每月自检一次,监理人员不定期检查,但每季度不得少于一次。
三、检查中如果发现带★的项目不合格,监理立即下达停工通知,责成施工单位整改。
四、本表一式2份,监理单位、施工单位各存一份。
水利水电建设工程施工现场安全生产检查表表二注:一、该检查表施工单位专职安全员每天检查一次,监理人员不定期检查,但是至少每月检查2次,检查完毕填写好本表存档。
二、监理单位在检查过程中发现带★的项目不合格,必须采取立即下达停工通知,责成施工单位整改。
三、本表一式2份,监理单位、施工单位各存一份。
水利水电建设工程土石方边坡开挖及基坑开挖安全检查表表三★的项目合格,三方签证以后才能进行基础的覆盖施工。
2、本检查项目施工单位专职安全员每天进行检查。
监理单位不定期检查,每一个月不得少于2次,检查完毕填写好本表存档。
3、当带★检查项目检查发现不合格时,监理单位必须下达该施工部位的停工通知。
注:1、本检查项目施工单位专职安全员每天进行检查,监理单位必须不定期检查,但每月不得少于2次,检查完毕填写好本表存档。
2、监理单位在检查过程中,如发现带★的项目不合格,必须下达整个工程停工整改通知。
三方签字以后才能投入使用。
现场监理每月检查不少于2次,有一项不合格就下达整个脚手架部分的停工整改通知。
2、本表一式2分,监理和施工单位各存一份。
水利水电建设工程高处作业安全生产检查表表六注:1、在高处作业脚手架搭设完毕,投使用前,业主、监理、施工等单位对照上述检查内容进行全面检查,带★号的项目检查不合格,不得投入使用。
2、施工单位专职安全员必须按照本有内容每天进行检查,监理单位不定期检查,但每月检查不少于2次,检查完毕填写好本表格存档,发现带★号的项目检查不合格,立即下达该部分工程的停工整改通知。
水利工程质量检查表以下是一个水利工程质量检查表的示例:1. 工程基本情况- 工程名称:- 工程编号:- 施工单位:- 监理单位:- 质检单位:- 时间:2. 基础工程- 地基处理是否符合设计要求:- 地基沉降情况:- 地基承载力达标情况:- 地基排水是否良好:- 地基防渗措施是否有效:3. 结构工程- 结构材料质量检查及试验记录:- 结构施工是否符合设计图纸要求:- 结构施工是否符合相关标准和规范: - 结构尺寸是否符合设计要求:- 结构安全系数是否满足要求:4. 设备工程- 设备安装是否符合设计要求:- 设备性能是否满足要求:- 设备操作是否正常:- 设备检修记录是否完整:- 设备运行参数是否稳定:5. 引水工程- 引水渠道是否畅通:- 引水渠道是否存在渗漏情况: - 引水流量是否符合设计要求: - 引水泵站运行是否稳定:- 引水水尺是否稳定:6. 排水工程- 排水渠道是否通畅:- 排水渠道是否存在淤积情况: - 排水流量是否符合设计要求: - 排水泵站运行是否稳定:- 排水水尺是否稳定:7. 安全工程- 安全措施是否到位:- 安全生产记录是否完整:- 安全事故记录是否完整:- 安全教育培训记录是否完整: - 安全防护设施是否完善:8. 环境工程- 施工对环境是否产生不良影响:- 工地噪音是否达标:- 废水、废气是否排放达标:- 施工现场是否存在垃圾或污染物:- 施工现场是否采取了环境保护措施:9. 其他- 工程施工现场是否整洁:- 工程施工记录是否完整:- 工程变更是否符合规定程序:- 工程通知、交底是否完整记录:- 其他值得关注的事项:10. 检查结论- 工程合格:- 工程存在问题:- 延期整改要求:- 工程不合格:以上是一个水利工程质量检查表的简单示例,具体内容可以根据实际工程情况进行调整和完善。
水利水电工程安全生产
检查表
-CAL-FENGHAI-(2020YEAR-YICAI)_JINGBIAN
水利水电工程安全生产检查表
工程名称:
建设单位:负责人签字:
设计单位:负责人签字:
监理单位:负责人签字:
施工单位:负责人签字:
检查组长:人员:
检查时间:
贵州省水利建设工程质量与安全监督监测中心
2009年2月
水利水电工程安全生产检查表
建设表1
水利水电工程安全生产检查表
建设表2
对建设单位的安全检查意见表
水利水电工程安全生产检查表
设计表1
对设计单位的安全检查意见表
水利水电工程安全生产检查表
施工表1
水利水电工程安全生产检查表
施工表2
对施工单位的安全检查意见表
水利水电工程安全生产检查表
监理表1
水利水电工程安全生产检查表
监理表2
对监理单位的安全检查意见表
.。