全面落实企业安全生产主体责任检查表(通用版)
- 格式:docx
- 大小:27.93 KB
- 文档页数:4
全面落实企业安全生产主体责任检查表(通用版)附件2:全面落实企业安全生产主体责任检查表(通用版)企业名称主要负责人企业地址联系电话检查人员检查日期序号检查内容一、安全生产责任制检查方式备注1 制定发布安全生产责任制。
是□否□明确党委书记、董事长、总经理等法定代表人和实际控制人2为安全生产第一责任人。
是□否□查文件。
3 安全生产责任全员全岗位全覆盖。
是□否□4 签订安全生产责任书。
是□否□查资料。
5 推行安全生产公开承诺制度。
是□否□查资料、现场。
6 建立安全生产责任制管理考核制度,考核结果要与员工绩效、查文件、考核记录。
晋级等挂钩。
是□否□二、安全生产资金投入7 按规定提取和使用安全生产费用。
是□否□8 配备劳动防护用品、进行安全生产培训的经费。
是□否□查财务记录。
9 安全设施投资纳入建设项目概算。
是□否□10 购买安全生产责任保险。
是□否□查保险记录。
三、安全生产管理机构及人员11 按规定设置安全生产管理机构。
是□否□查文件。
12 配备专职或者兼职的安全生产管理人员。
是□否□查资料。
13 主要负责人和安全生产管理人员的安全生产知识和管理能力考核合格。
是□否□查证书。
14 特种作业人员持证上岗。
是□否□四、安全生产例会和例检等制度15 建立安全生产例会和例检制度。
是□否□查文件。
16 党委会每半年研究一次安全生产工作。
是□否□17 董事会每季度研究一次安全生产工作。
是□否□总经理每月召开一次安全生产例会或安委会会议。
18 是□否□主要负责人每季度不少于一次深入车间检查安全生产工作。
19 是□否□分管负责人每周组织分析研究、部署解决安全生产具体问题。
20 是□否□查会议记录。
查检查记录。
查记录。
五、安全风险排查管控21 制定安全风险辨识程序和方法。
是□否□22 开展安全风险辨识并持续更新完善。
是□否□查文件。
建立安全风险公告、岗位安全风险确认和安全操作“明白卡”23 制度。
是□否□24 落实安全风险公告警示措施。
企业落实安全生产主体责任自查表企业名称:(盖章)企业负责人:序号1 2 3检查项目建立全员安全生产责任制,明确考核标准和监督考核机制,按照制度规定开展安全生产责任制监督考核。
企业主要负责人法定责任落实,做到安全责任、安全管理、安全投入、安全培训、应急救援“五到位”。
各部门安全生产职责明确。
从业人员熟知岗位安全生产职责,严格遵守岗位安全操作规程。
检维修作业制定安全方检查方式1.查阅企业安全生产责任制是否覆盖所有负责人、部门和岗位;是否明确考核标准和监督考核机制。
2.查阅按照考核标准和监督考核机制,开展责任制考核的记录。
是否存在问题是否1.与企业主要负责人座谈交流其法定责任掌握和落实情况。
2.查阅履职左证资料。
1.重点抽查企业负责人、生产、技术、设备、安全、财务、人事等部门负责人及关键岗位人员责任制是否结合企业实际,是否符合岗位特点、具体明确。
2.问询有关负责人、一线员工掌握岗位职责、安主要问题描述是否是否序号4 5检查项目案,外委承包项目签订安全协议,对承包单位统一管理、定期检查。
重点行业领域企业建立并落实以师带徒制度。
安全生产管理机构健全,安全生产管理人员配备齐全。
重点行业领域企业建立安全生产技术和管理团队。
检查方式全操作规程等情况。
3.查阅检维修作业安全方案、外委承包项目管理、检查等资料。
4.抽查重点行业领域企业以师带徒制度落实情况。
1.查阅企业人员情况登记表,了解掌握企业从业人员数量。
2.查阅企业设置安全管理机构和配备安全生产管理人员相关左证文件资料。
3.查阅安全管理人员专业背景和从业经历。
核查重点行业领域企业安全生产技术和管理团队建设情况。
是否存在问题主要问题描述是否是否按照《企业安全生产费用提取和使用管理办6法》(财企〔2022〕16 号)的要求,规范提取和使用安全生产费用。
查阅企业安全生产费用提取和使用制度和安全生产费用使用台账。
是否序号7 8 9 10检查项目“三同时”企业不使用国家明令禁止的淘汰工艺和设备。
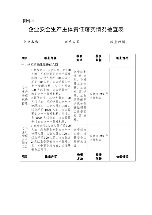
附件1企业安全生产主体责任落实情况检查表企业名称:联系方式:检查时间:项目检查内容检查方法检查依据检查情况一、组织机构保障责任方面安全生产管理机构设置1.高危企业:从业人员不足100人的,可不设置安全生产管理机构;从业人员在100人以上不足300人的,应当设置安全生产管理机构;从业人员在300人以上的,应当设置专门的安全生产管理机构。
2.其他企业:从业人员在300人以下的,可不设置安全生产管理机构;从业人员在300人以上不足1000人的,应当设置安全生产管理机构;从业人员1000人以上的,应当设置专门的安全生产管理机构。
查看机构组建文件;查看员工花名册、工资发放记录、工伤保险缴纳记录等能够证明员工数量的相关资料。
省政府260号令第九条安全生产管理人员配备(1)1.高危企业:从业人员不足100人的,应当配备专职安全生产管理人员;从业人员在100人以上不足300人的,应当配备2名以上专职安全生产管理人员,其中至少应当有1名注册安全工程师;查看任命文件、注册安全工程师执业证省政府260号令第九条项目检查内容检查方法检查依据检查情况安全生产管理人员配备(2)从业人员在300人以上不足1000人的,应当按不低于从业人员5‰但最低不少于3名的比例配备专职安全生产管理人员,其中至少应当有2名注册安全工程师;从业人员在1000人以上的,应当按不低于从业人员5‰的比例配备专职安全生产管理人员,其中至少应当有3名注册安全工程师。
2.其他企业:从业人员不足100人的,应当配备专职或者兼职的安全生产管理人员;从业人员在100人以上不足300人的,应当配备专职安全生产管理人员;从业人员在300人以上不足1000人的,应当配备2名以上专职安全生产管理人员,其中至少应当有1名注册安全工程师;从业人员在1000人以上的,应当按不低于从业人员3‰的比例配备专职安全生产管理人员,其中至少应当有2名注册安全工程师。
查看任命文件、注册安全工程师执业证省政府260号令第九条安全总监设置1.从业人员在300人以上的高危企业应当设置安全总监。
附件 1:企业安全生产主体责任落实情况检查表企业名称:联系方式:检查人:检查时间:项目检查内容检查方法检查依据检查情况一、组织机构保障责任方面1.高危企业:从业人员不足100 人的,可不设置安全生产管理机构;从业人员在 100 人以上不足 300 人的,应当设置安全生安全生产管理机构;从业人员在300 人以上的,应当设置专门的安全查看机构组建文件;查看员工产管理生产管理机构。
花名册、工资发放记录、工伤2. 其他企业:从业人员在300 人以下的,可不设置安全生产管省政府 260 号令第九条机构设保险缴纳记录等能够证明员置理机构;从业人员在 300 人以上不足 1000 人的,应当设置安全工数量的相关资料。
生产管理机构;从业人员1000 人以上的,应当设置专门的安全生产管理机构。
1.高危企业:从业人员不足 100 人的,应当配备专职安全生产管理人员;从业人员在100 人以上不足 300人的,应当配备2安全生名以上专职安全生产管理人员,其中至少应当有 1 名注册安全产管理工程师;从业人员在300 人以上不足1000 人的,应当按不低于查看任命文件、注册安全工程从业人员 5‰但最低不少于 3 名的比例配备专职安全生产管理省政府 260 号令第九条人员配师执业证备( 1)人员,其中至少应当有 2 名注册安全工程师;从业人员在1000人以上的,应当按不低于从业人员5‰的比例配备专职安全生产管理人员,其中至少应当有 3 名注册安全工程师。
2.其他企业:从业人员不足 100 人的,应当配备专职或者兼职的安全生产管理人员;从业人员在100 人以上不足 300 人的,安全生300 人以上不足应当配备专职安全生产管理人员;从业人员在产管理2 名以上专职安全生产管理人员,其中至查看任命文件、注册安全工程省政府 260 号令第九条1000 人的,应当配备人员配1000 人以上的,应师执业证少应当有 1 名注册安全工程师;从业人员在备( 2)3‰的比例配备专职安全生产管理人员,当按不低于从业人员其中至少应当有 2 名注册安全工程师。
附件2:
全面落实企业安全生产主体责任检查表
(通用版)
企业名称主要负责人
企业地址联系电话
检查人员检查日期
序号检查内容
一、安全生产责任制
检查方式备注
1 制定发布安全生产责任制。
是□否□
明确党委书记、董事长、总经理等法定代表人和实际控制人
2
为安全生产第一责任人。
是□否□
查文件。
3 安全生产责任全员全岗位全覆盖。
是□否□
4 签订安全生产责任书。
是□否□查资料。
5 推行安全生产公开承诺制度。
是□否□查资料、现场。
6 建立安全生产责任制管理考核制度,考核结果要与员工绩效、
查文件、考核记录。
晋级等挂钩。
是□否□
二、安全生产资金投入
7 按规定提取和使用安全生产费用。
是□否□
8 配备劳动防护用品、进行安全生产培训的经费。
是□否□查财务记录。
9 安全设施投资纳入建设项目概算。
是□否□
10 购买安全生产责任保险。
是□否□查保险记录。
三、安全生产管理机构及人员
11 按规定设置安全生产管理机构。
是□否□查文件。
12 配备专职或者兼职的安全生产管理人员。
是□否□查资料。
13 主要负责人和安全生产管理人员的安全生产知识和管理能力
考核合格。
是□否□
查证书。
14 特种作业人员持证上岗。
是□否□
四、安全生产例会和例检等制度
15 建立安全生产例会和例检制度。
是□否□查文件。
16 党委会每半年研究一次安全生产工作。
是□否□
17 董事会每季度研究一次安全生产工作。
是□否□
总经理每月召开一次安全生产例会或安委会会议。
18 是□否□
主要负责人每季度不少于一次深入车间检查安全生产工作。
19 是□否□
分管负责人每周组织分析研究、部署解决安全生产具体问题。
20 是□否□查会议记录。
查检查记录。
查记录。
五、安全风险排查管控
21 制定安全风险辨识程序和方法。
是□否□
22 开展安全风险辨识并持续更新完善。
是□否□查文件。
建立安全风险公告、岗位安全风险确认和安全操作“明白卡”
23 制度。
是□否□
24 落实安全风险公告警示措施。
是□否□查资料、现场。
从组织、制度、技术、应急等方面对安全风险进行有效管控。
25 是□否□
对重大危险源登记建档,进行定期检测、评估、监控,并制
26 定应急预案,告知从业人员和相关人员在紧急情况下应当采
取的应急措施。
是□否□查资料。
查档案。
新建、改建、扩建工程项目的安全设施必须与主体工程“三同27 时”。
是□否□
28 矿山、金属冶炼建设项目和用于生产、储存、装卸危险物品
的建设项目,应当按照规定进行安全评价。
是□否□
矿山、金属冶炼建设项目和用于生产、储存、装卸危险物品
29 的建设项目竣工投入生产或使用前,应当由建设单位负责组
织对安全设施进行验收。
是□否□查资料。
查评价报告。
查验收记录。
生产、经营、储存、使用危险物品的车间、商店、仓库不得 30
与员工宿舍在同一座建筑物内,并应当与员工宿舍保持安全 距离。
是□ 否□ 查现场。
生产经营场所和员工宿舍应当舍友符合紧急疏散要求、标志
31
明显、保持畅通的出口。
是□ 否□
32
加强爆破、吊装等危险作业安全管理。
是□ 否□
查文件、现场。
六、事故隐患排查治理
建立事故隐患排查治理制度,建立完善隐患排查治理档案, 33
依法向安全监管部门和行业监管部门报告事故隐患信息。
是□ 否□ 建立月安全生产检查、季度安全生产大检查、复工复产前安
34
全生产大检查制度。
是□ 否□
班组建立班前、班中、班后安全检查制度,车间建立重点部
35
位和关键环节安全生产巡检制度。
是□ 否□ 对安全生产状况进行经常性检查;对检查中发现的安全问题,
应当立即处理;不能处理的,应当及时报告本单位有关负责
36
人,有关负责人应当及时处理。
检查及处理情况应当如实记
录在案。
是□ 否□
对安全设备进行经常性维护、保养,并定期检测,保证正常 37
运转。
维护、保养、检测应当做好记录,并由有关人员签字。
是□ 否□ 使用的危险物品的容器、运输工具,以及涉及人身安全、危
险性较大的海洋石油开采特种设备和矿山井下特种设备,必
38
须按规定由专业生产单位生产,并经具有专业资质的检测、检验机构检测、检验合格,取得安全使用证或者安全标志,
方可投入使用。
是□ 否□ 建立外包安全管理制度,与承包单位、承租单位签订专门的
39
安全生产管理协议,对承包单位、承租单位的安全生产工作 定期进行安全检查。
是□ 否□
查文件、资料。
查文件。
查检查记录。
查记录。
查资料。
查文件、记录。
七、安全教育培训
40
开展复工复产全员安全教育“ 同堂听课”活动。
是□ 否□
每年组织不少于 2 次的全员教育培训,对关键操作岗位员工
41
要开展每月不少于一次的教育培训。
是□ 否□
查教育培训记录。
42 采用新工艺、新技术、新材料或者使用新设备,对从业人员
八、安全应急管理
进行专门的安全生产教育和培训。
是□ 否□ 43
建立安全生产教育和培训档案。
是□ 否□
查教育培训档案。
编制本单位生产安全事故应急救援预案并按规定上报备案。
44
是□否□定期组织应急预案演练,强化“双盲”演练,及时对应急预案进
45
行修订完善。
是□否□
46
组织开展应急预案、应急知识、自救互救和避险逃生技能的
培训。
是□否□落实应急指挥体系、应急救援队伍、应急物资及装备。
47
是□否□发生生产安全事故时,第一时间启动应急响应,采取有效措查预案、备案资料。
查演练记录。
查记录。
查文件资料、现场。
查资料,现场抽查询
48
施组织救援,并按规定如实报告事故情况,配合有关部门做
问。
好事故调查和善后处置工作。
是□否□
检查情况:
检查结论:
处理意见:
检查人(签字):
企业意见:
负责人(签字):单位盖章:
备注:各部门、各单位可按《全面落实企业安全生产主体责任检查表(通用版)》开展检查和自查,也可结合实际制定本行业检查表供企业参考使用。