塑料件自攻螺钉底孔
- 格式:docx
- 大小:8.73 KB
- 文档页数:1
自攻螺钉底孔标准自攻螺钉底孔是指在使用自攻螺钉时所需要钻孔的底部部分。
正确的自攻螺钉底孔标准能够有效地提高自攻螺钉的使用寿命和稳定性,确保连接件的牢固性和安全性。
本文将详细介绍自攻螺钉底孔的标准要求和操作步骤。
首先,选择合适的自攻螺钉底孔直径非常重要。
底孔直径应该略大于自攻螺钉的直径,一般建议直径差值控制在0.1mm以内。
过大的直径差值会导致自攻螺钉无法牢固地固定在底孔内,而过小的直径差值则会增加螺钉与底孔之间的摩擦力,增加安装难度。
因此,在选择自攻螺钉底孔直径时,需要根据实际情况进行合理的选择。
其次,自攻螺钉底孔的深度也是需要严格控制的。
底孔的深度应该略深于自攻螺钉的长度,通常建议深度差值控制在1-2mm之间。
过浅的底孔会导致自攻螺钉无法完全嵌入,影响连接件的稳定性,而过深的底孔则会增加自攻螺钉的扭矩,使得安装困难。
因此,在钻孔时需要根据自攻螺钉的规格和要求,合理控制底孔的深度。
另外,自攻螺钉底孔的表面处理也是非常重要的一环。
底孔的表面应该光滑平整,不得有明显的凹凸和毛刺。
底孔表面的粗糙度会直接影响自攻螺钉的插入和固定效果,因此在钻孔后需要对底孔表面进行打磨和清洁处理,确保其符合标准要求。
最后,安装自攻螺钉时需要注意的是,应该选择适当的安装工具和力度。
安装工具应该与自攻螺钉的规格相匹配,以免损坏螺纹或者造成安装不牢固。
在安装过程中,需要根据自攻螺钉的规格和要求,适当控制力度和旋转速度,确保自攻螺钉能够完全嵌入底孔,并且保持稳固的连接效果。
总之,自攻螺钉底孔的标准要求包括选择合适的底孔直径和深度,进行表面处理,以及注意安装工具和力度的选择。
只有严格按照标准要求进行操作,才能保证自攻螺钉的使用效果和安全性。
希望本文的介绍能够帮助大家更好地掌握自攻螺钉底孔的标准要求和操作技巧。
自攻螺钉在塑料零件上应用注意点
导致螺钉滑牙的因素:
1、底孔内壁收缩凹陷。
(设计不良或注塑工艺不当)
2、塑件材质问题。
(设计选材不当、混料)
3、拧紧力矩太大。
(设计不合理,操作工艺不合理)
4、材料改性或更换材料。
(因提高性能或降低成本的需要)
5、使用工具不当。
(手动操作时螺丝刀与螺钉规格不匹配,工人未经培训)
6、螺钉拆装次数太多。
(零件返修引起)
7、有效螺纹太少。
(设计不合理)
8、底孔孔径太大。
(设计不合理或加工超差)
螺钉底孔
塑料件上使用的自攻螺钉一般受力较小,因此应考虑采用的牙型如下图:
这样的牙型有利于螺牙的切入,也不易松动。
自攻螺钉在塑料件上使用时,重要的零部件上使用的自攻螺钉,其拧紧力矩及相应底孔直径的确定应通过使用环境的模拟来得到。
而不可以轻易根据资料决定,否则会造成严重后果。
同一规格的自攻螺钉其拧紧力矩的确定受下列因素影响:
1、底孔的材质。
2、拧入螺纹的有效圈数。
3、所在部件的工况。
(空间位置,有无振动、冲击)
4、使用螺钉的数量。
5、螺纹的牙型。
重要螺钉拧紧力矩的确定必须经相应试验验证:如:
1、盐雾试验。
(环境试验)
2、氢脆试验。
(应力试验)
3、高温试验。
(环境试验)
4、低温试验。
(环境试验)
5、冲击试验。
(模拟实验)
6、振动试验。
(模拟实验)
沈平
2013-5-13。
三、自攻螺钉的螺纹
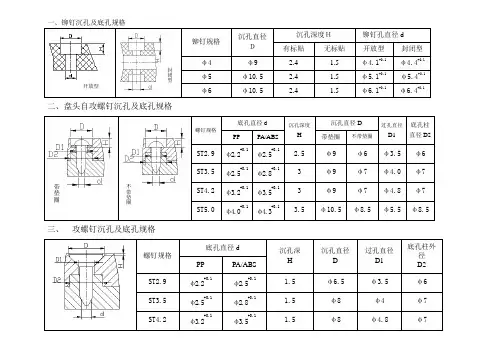
螺纹标准中规定了ST1.5-ST9.5,因塑件的自攻螺钉标准是借用的标准,我公司只选用ST2.9和ST3.9两种,规格太多会涉及诸多问题。
螺纹规格 ST2.9 ST3.9 ST3.9 AB(即薄牙)
公称外径 2.78-2.9 3.73-3.91 3.9-4.05
牙距 1.1 1.3 1.3
对于被攻入塑件是PP料时推荐使用ST3.9 AB(即薄牙)。
四、镀层
除非特别指明,自攻螺钉一般为镀锌钝化,必要时可以发黑,但必须用文字注明。
五、螺纹的公称长度
6.5; 9.5; 13; 16; 19; 22; 25; 32;
1、螺纹的旋入深度应>2倍螺纹直径
2、选用C型螺纹尾端时有约相当于螺纹直径的长度是不完整螺牙,而F型是约直径的3/4。
六、标志方法
1、H型十字槽盘头自攻螺钉,螺纹规格ST3.9,公称长度16,F型尾端的标志:自攻螺钉GB845-85-ST3.9×16-F-H
2、六角槽自攻螺钉
自攻螺钉六角槽GB845-85-ST3.9×16-F-H
3、大扁头自攻螺钉,螺纹规格只有ST3.9,公称长度应小于16,自攻螺钉大扁头ST3.9×13-F-H
4、带垫自攻螺钉,螺纹规格只有ST3.9,公称长度应小于16,自攻螺钉带垫ST3.9×13-F-H
5、薄牙自攻螺钉,H型十字槽盘头,螺纹规格ST3.9( AB型) 公称长度16,F型尾端:自攻螺钉GB845-85-ST3.9×16( AB型) -F-H。
自攻螺钉底孔标准自攻螺钉是一种常用的紧固件,其底孔标准对于安装和使用起着至关重要的作用。
在选择和使用自攻螺钉时,需要严格遵循相关的底孔标准,以确保螺钉的安全性和可靠性。
本文将就自攻螺钉底孔标准进行详细介绍,希望能为相关行业提供一些参考和帮助。
首先,自攻螺钉的底孔标准主要包括孔径、孔深和孔的几何形状。
在进行底孔加工时,需要根据使用的自攻螺钉的规格和要求来确定底孔的尺寸。
一般来说,底孔的孔径应该略大于自攻螺钉的直径,以便于螺钉的自攻和旋入。
孔深则需要根据螺钉的长度和使用环境来确定,确保螺钉能够完全嵌入,并且提供足够的支撑力。
此外,底孔的几何形状也需要符合相关标准,以确保螺钉在旋入时不会出现偏斜或损坏。
其次,底孔的加工方法也对自攻螺钉的安装和使用起着重要的影响。
一般来说,底孔的加工应该采用合适的工艺和设备,确保孔的精度和表面质量。
在进行底孔加工时,需要注意切削液的选择和使用,以减少切削热和延长刀具的使用寿命。
此外,底孔的加工还需要注意切削速度和进给量的选择,以确保加工质量和效率。
最后,自攻螺钉的安装和使用也需要严格遵循相关的标准和要求。
在安装自攻螺钉时,需要选择合适的扭矩和工具,确保螺钉能够完全旋入并提供足够的紧固力。
同时,还需要注意螺钉的安装位置和方向,以避免出现偏斜或损坏。
在螺钉使用过程中,还需要定期检查和维护,确保螺钉的可靠性和稳定性。
综上所述,自攻螺钉底孔标准对于螺钉的安装和使用起着至关重要的作用。
在选择和使用自攻螺钉时,需要严格遵循相关的标准和要求,以确保螺钉的安全性和可靠性。
希望本文能够为相关行业提供一些参考和帮助,促进自攻螺钉的规范化和标准化应用。
自攻螺钉底孔标准
自攻螺钉是一种常用的紧固件,它具有自攻性能,可以直接在薄钢板、铝板、塑料板等材料上起到很好的固定作用。
在使用自攻螺钉时,底孔的标准是非常重要的,它直接影响着自攻螺钉的使用效果和固定力。
因此,了解自攻螺钉底孔标准是非常必要的。
首先,自攻螺钉底孔的直径应该符合标准。
一般来说,自攻螺钉的底孔直径应该比螺钉直径小0.1mm左右,这样可以保证自攻螺钉在固定时有足够的摩擦力,不易松动。
如果底孔直径过大,会导致自攻螺钉无法牢固固定,影响使用效果;如果底孔直径过小,可能会导致自攻螺钉无法进入底孔,造成安装困难。
其次,自攻螺钉底孔的深度也是需要符合标准的。
底孔的深度应该略大于自攻螺钉的长度,这样可以确保自攻螺钉完全进入底孔,并且有足够的固定深度。
如果底孔深度不够,自攻螺钉可能无法完全固定,容易出现松动现象;如果底孔深度过深,自攻螺钉可能无法完全固定,也会影响使用效果。
此外,自攻螺钉底孔的孔壁也需要符合标准。
孔壁应该光滑无毛刺,不得有裂纹和变形,以确保自攻螺钉在固定时不受到阻碍,能够顺利进入底孔并固定。
如果孔壁存在毛刺或者裂纹,可能会导致自攻螺钉无法顺利进入,造成安装困难;如果孔壁变形,可能会导致自攻螺钉无法完全固定,影响使用效果。
总之,自攻螺钉底孔标准对于自攻螺钉的使用效果和固定力至关重要。
只有严格按照标准进行底孔的加工,才能保证自攻螺钉的稳固固定,避免出现松动或者安装困难的情况。
因此,在进行自攻螺钉的安装时,务必要注意底孔的加工标准,以确保自攻螺钉的正常使用。
自攻螺钉底孔标准
自攻螺钉底孔是指将螺钉在已有的孔中自行钻出的孔,是一种中空的孔。
自攻螺钉底孔的标准可以根据实际应用情况而定,其主要特点如下:
1、自攻螺钉底孔的尺寸标准要求螺钉头可以完全插入孔中,以保证螺钉的正确安装。
2、自攻螺钉底孔的深度要求,螺钉头要能够完全位于孔的底部,以保证螺钉的安装强度。
3、自攻螺钉底孔的角度要求,应该保证孔的角度与螺钉的螺纹线方向一致,以保证螺钉的安装牢固。
4、自攻螺钉底孔的螺纹要求,底孔的螺纹要求能够与螺钉的螺纹完美匹配,以保证螺钉的安装特性。
5、自攻螺钉底孔的表面处理要求,底孔表面要求平滑、光洁,以保证螺钉的安装效果。
自攻螺钉底孔的标准是安装螺钉的关键,必须严格按照标准进行安装,才能确保螺钉的正确安装,从而使产品的质量得到保障。
《塑料(尼龙)用六角凸缘自攻螺钉》标准编制说明
1 适用范围
本标准规定了螺纹规格为NST3~NST6的塑料(尼龙)用六角凸缘自攻螺钉。
2 背景与编制目的
汽车上拧入塑料(尼龙)底孔的自攻螺钉螺纹普遍采用ST螺纹,而ST螺纹主要适用于金属孔,拧入塑料(尼龙)底孔后效果不十分理想。
根据这些年我国技术引进及国产化实践,为了给我国自行开发汽车产品提供必要的技术支持,特制订本标准。
本标准规定的六角凸缘自攻螺钉采用了QC/T 713《塑料(尼龙)用自攻螺钉螺纹螺纹》,具有如下重要特征:①双线、②大螺距、③有一个螺牙具有较小的牙型角,因而有利于与刚性和强度远小于金属的塑料(尼龙)机体相配,有较好的连接强度。
3 标准属性
本标准为汽车推荐性行业标准。
4 主要内容
本标准主要规定了塑料(尼龙)用六角凸缘自攻螺钉的型式与尺寸、技术条件和产品编号方法。
5 其它
本标准由全国汽车标准化技术委员会提出并归口;
本标准起草单位: ;
本标准主要起草人: ;
本标准为首次发布。
塑胶自攻螺丝底孔标准
塑胶自攻螺丝是一种常用于固定塑料制品的螺丝,它的底孔标准对于螺丝的使用效果有着重要的影响。
本文将介绍塑胶自攻螺丝底孔标准的相关知识,希望能对大家有所帮助。
首先,塑胶自攻螺丝的底孔标准需要符合相关的国际标准或行业标准。
一般来说,底孔的直径和深度需要符合特定的要求,以确保螺丝能够牢固地固定在塑料制品上,不会因为底孔的尺寸不合适而松动或损坏。
因此,在选择和使用塑胶自攻螺丝时,需要注意底孔标准的要求,以免出现安装不牢固或者损坏的情况。
其次,塑胶自攻螺丝的底孔标准还需要考虑塑料制品的材质和厚度。
不同材质和厚度的塑料制品对于底孔的要求也会有所不同,因此在进行安装时需要根据实际情况选择合适的螺丝和钻孔工具。
一般来说,塑料制品的底孔需要预先钻孔,以确保螺丝能够顺利固定在其中,并且不会因为塑料材质的特性而产生裂纹或变形。
最后,塑胶自攻螺丝的底孔标准还需要考虑安装的环境和条件。
在一些特殊的环境下,比如高温、潮湿或者化学腐蚀的情况下,底孔的尺寸和深度可能需要进行调整,以确保螺丝能够长期稳固地固定在塑料制品上,不会因为环境的影响而出现松动或者腐蚀的情况。
总之,塑胶自攻螺丝的底孔标准是非常重要的,它直接影响着螺丝的使用效果和安装质量。
在选择和使用塑胶自攻螺丝时,需要严格遵守相关的标准要求,并根据实际情况进行合理的调整,以确保螺丝能够牢固地固定在塑料制品上,发挥其最大的作用。
希望本文能够对大家有所帮助,谢谢阅读!。
塑料件自攻螺钉扭矩【实用版】目录一、塑料自攻螺钉的概念及应用范围二、塑料自攻螺钉的拧紧失效分析三、塑料自攻螺钉的工艺扭矩计算四、塑料自攻螺钉扭矩标准的重要性五、结论正文一、塑料自攻螺钉的概念及应用范围塑料自攻螺钉是一种应用于各种塑料间的连接的紧固件,例如 PA6-GF(尼龙 6 塑胶原料加玻纤材料),PBT-GF(聚对苯二甲酸丁二酯塑胶原料加玻纤)材料,POM-GF(聚甲醛塑胶原料加玻纤)材料等。
其主要作用是在不预制螺纹的前提下,通过自攻螺钉在预先制好的螺纹底孔中攻出内螺纹,从而实现连接。
二、塑料自攻螺钉的拧紧失效分析在塑料自攻螺钉的连接过程中,拧紧失效是一种常见的问题。
导致拧紧失效的原因有很多,例如螺钉与被连接件的材质不匹配,螺钉的硬度过高或过低,以及拧紧力矩的控制不当等。
在实际应用中,需要针对具体的情况进行分析和解决。
三、塑料自攻螺钉的工艺扭矩计算为了保证塑料自攻螺钉的连接质量,需要对其拧紧力矩进行精确的计算。
计算过程中需要考虑的因素包括螺钉的直径、长度、材质、硬度等,以及被连接件的材质、厚度等。
根据这些因素,可以参照相关的标准和公式,计算出合适的拧紧力矩。
四、塑料自攻螺钉扭矩标准的重要性塑料自攻螺钉扭矩标准的制定对于保证连接质量具有重要的意义。
标准中规定了螺钉的材质、硬度、拧紧力矩等参数,这些参数是保证螺钉在实际应用中能够发挥其应有作用的关键。
因此,在使用塑料自攻螺钉时,需要严格按照标准中的要求进行操作。
五、结论塑料自攻螺钉在各种塑料间的连接中起到了重要的作用。
为了保证连接的质量,需要对其拧紧力矩进行精确的计算,并按照标准的要求进行操作。
第1页共1页。
自攻螺钉底孔的尺寸,用在ABS塑料件上
∮2.9的自攻螺钉底孔的尺寸,用在ABS塑料件上∮2.5,
∮3.0的自攻螺钉底孔的尺寸,用在ABS塑料件上∮2.6
硬木自攻螺丝有哪些规格尺寸
家具中常用
沉头自攻螺丝(直径×长度)
4×16 安装铰链、地脚、支撑等贴板安装的配件
4×30 外贴门板或修口板转角连接
4×35 外贴门板或修口板转角连接橱柜普通吊码与侧板连接
4×40 板式家具不用偏心件的钉连接,早期不正规做法,现在依然有木工采用
8×60或80 橱柜吊柜胀管入墙钉
一个孔直径2mm 高6.5mm的螺丝住请问该打什么型号的自攻螺丝?
如果你问的是要在一个孔径为2MM;孔深6.5的工件上固定一个螺丝的话,那么要是锌合金就打2.3*6的三角平尾自攻螺丝(要加硬的)。
若是软质塑料可的2.6*6尖尾自攻螺丝。
要是硬质塑料就用2.3*6平尾割尾螺丝。