CZ02-铸钢化学成分 (2)
- 格式:doc
- 大小:37.00 KB
- 文档页数:2
大型铸件用低合金铸钢的牌号及化学成分Final revision by standardization team on December 10, 2020.大型铸件用低合金铸钢的牌号及化学成分(摘自JB/T 6402—1992)a. 一般工程用碳素铸钢的钢号与化学成分,见表5-1。
表5-1 一般工程用碳素钢的钢号与化学成分 (质量分数) (%)钢号旧钢号 C Si Mn P≤ S≤残余元素(≤)ZG200-400 ZG15 <= <= <= Cr<=<=<=<=<=ZG230-450 ZG25 <= <= <=ZG270-500 ZG35 <= <= <=ZG310-570 ZG45 <= <= <=ZG340-640 ZG55 <= <= <=①实际碳含量上限每减少ω(C)% ,允许实际锰含量上限超出ω(Mn)%。
对ZG200-400的锰含量ω(Mn)%,其余4个钢号的锰含量最高为 %。
②残余元素总含量不得超过%;如需方无要求,残余元素可不作分析。
b. 一般工程用碳素钢的力学性能,见表5―2。
表5-2 一般工程用碳素钢的力学性能钢号热处理力学性能(不小于)正火或退火温度 / ℃回火温度/ ℃σ/MPaσ/MPa δ(%) ψ (%) AKVJ Akv/(J/cm2)ZG200-400 920-940 ------ 400 200 25 40 30ZG230-450 890-910 620-680 450 230 22 32 25ZG270-500 880-900 620-680 500 270 18 25 22ZG310-570 870-890 620-680 570 310 15 21 15ZG340-640 840-860 620-680 640 340 10 18 10①表中为室温力学性能,适于厚度<=100mm的铸件②伸长率和冲击吸收功Akv根据双方协议选择。
大型铸件用低合金铸钢的牌号及化学成分(摘自JB/T 6402—1992)(1)中国GB标准一般工程用碳素铸钢|[GB/T 11352—1989]a. 一般工程用碳素铸钢的钢号与化学成分,见表5-1。
表5-1 一般工程用碳素钢的钢号与化学成分(质量分数) (%)钢号旧钢号 C Si Mn P≤S≤残余元素(≤)ZG200-400 ZG15 <=0.20 <=0.50 <=0.80 0.040 0.040 Cr<=0.35Ni<=0.30Mo<=0.20Cu<=0.30V<=0.05 ZG230-450 ZG25 <=0.30 <=0.50 <=0.90 0.040 0.040ZG270-500 ZG35 <=0.40 <=0.50 <=0.90 0.040 0.040ZG310-570 ZG45 <=0.50 <=0.60 <=0.90 0.040 0.040ZG340-640 ZG55 <=0.60 <=0.60 <=0.90 0.040 0.040①实际碳含量上限每减少ω(C)0.01% ,允许实际锰含量上限超出ω(Mn)0.04%。
对ZG200-400的锰含量ω(Mn)1.00%,其余4个钢号的锰含量最高为1.20%。
②残余元素总含量不得超过1.00%;如需方无要求,残余元素可不作分析。
b. 一般工程用碳素钢的力学性能,见表5―2。
表5-2 一般工程用碳素钢的力学性能钢号热处理力学性能(不小于)正火或退火温度/ ℃回火温度/ ℃σ/MPa σ/MPa δ (%) ψ (%) AKVJ Akv/(J/cm2)ZG200-400 920-940 ------ 400 200 25 40 30 6.0ZG230-450 890-910 620-680 450 230 22 32 25 4.5ZG270-500 880-900 620-680 500 270 18 25 22 3.5ZG310-570 870-890 620-680 570 310 15 21 15 3.0ZG340-640 840-860 620-680 640 340 10 18 10 2.0①表中为室温力学性能,适于厚度<=100mm的铸件②伸长率和冲击吸收功Akv根据双方协议选择。
0JIS化学成分(%)标准号C Si Mn P S CuSWRM 60.08 max. 0.60 max. 0.045 max. 0.045 max.SWRM 80.10 max. 0.60 max. 0.045 max. 0.045 max.SWRM 100.08~0.13 0.30~0.60 0.045 max. 0.045 max.SWRM 120.10~0.15 0.30~0.60 0.045 max. 0.045 max.SWRM 150.13~0.18 0.30~0.60 0.045 max. 0.045 max.SWRM 170.15~0.20 0.30~0.60 0.045 max. 0.045 max.SWRM 200.18~0.23 0.30~0.60 0.045 max. 0.045 max.SWRM 220.20~0.25 0.30~0.60 0.045 max. 0.045 max.备注:明确表示镇静钢时,以最后字符'%”表示,例如,SWRM 10K。
°SAE/AISI化学成分(%)标准号C Mn P S Si10050.06 max. 0.35 max. 0.040 max. 0.050 max. -10060.08 max. 0.25~0.40 0.040 max. 0.050 max. MM 10080.10 max. 0.30~0.50 0.040 max. 0.050 max. MM 10100.08~0.13 0.30~0.60 0.040 max. 0.050 max. MM 10120.10~0.13 0.30~0.60 0.040 max. 0.050 max. MM 10130.11~0.16 0.50~0.80 0.040 max. 0.050 max. MM 10150.13~0.18 0.30~0.60 0.040 max. 0.050 max. MM 10160.13~0.18 0.60~0.80 0.040 max. 0.050 max. MM 10170.15~0.20 0.30~0.60 0.040 max. 0.050 max. MM 10180.15~0.20 0.60~0.90 0.040 max. 0.050 max. MM 10190.15~0.20 0.70~1.00 0.040 max. 0.050 max. MM 10200.18~0.23 0.30~0.60 0.040 max. 0.050 max. MM 10210.18~0.23 0.60~0.90 0.040 max. 0.050 max. MM 10220.18~0.23 0.70~1.00 0.040 max. 0.050 max. MM 10230.20~0.25 0.30~0.60 0.040 max. 0.050 max. MM 10250.22~0.28 0.30~0.60 0.040 max. 0.050 max. MM 10260.22~0.28 0.30~0.60 0.040 max. 0.050 max. MM 2. 硬钢线材°JIS化学成分(%)标准号C Si Mn P SSWRH 270.24~0.31 0.15~0.35 0.30~0.60 0.040 max. 0.040 max.SWRH 320.29~0.36 0.15~0.35 0.30~0.60 0.040 max. 0.040 max.SWRH 370.34~0.41 0.15~0.35 0.30~0.60 0.040 max. 0.040 max.SWRH 42A0.39~0.46 0.15~0.35 0.30~0.60 0.040 max. 0.040 max.SWRH 42B0.39~0.46 0.15~0.35 0.60~0.90 0.040 max. 0.040 max.SWRH 47A0.44~0.51 0.15~0.35 0.30~0.60 0.040 max. 0.040 max.SWRH 47B0.44~0.51 0.15~0.35 0.60~0.90 0.040 max. 0.040 max.SWRH 52A0.49~0.56 0.15~0.35 0.30~0.60 0.040 max. 0.040 max.SWRH 52B0.49~0.56 0.15~0.35 0.60~0.90 0.040 max. 0.040 max.SWRH 57A0.54~0.61 0.15~0.35 0.30~0.60 0.040 max. 0.040 max.SWRH 57B0.54~0.61 0.15~0.35 0.60~0.90 0.040 max. 0.040 max.SWRH 62A0.59~0.66 0.15~0.35 0.30~0.60 0.040 max. 0.040 max.SWRH 62B0.59~0.66 0.15~0.35 0.60~0.90 0.040 max. 0.040 max.SWRH 67A0.64~0.71 0.15~0.35 0.30~0.60 0.040 max. 0.030 max.SWRH 67B0.64~0.71 0.15~0.35 0.60~0.90 0.040 max. 0.030 max.SWRH 72A0.69~0.76 0.15~0.35 0.30~0.60 0.040 max. 0.030 max.SWRH 72B0.69~0.76 0.15~0.35 0.60~0.90 0.040 max. 0.030 max.SWRH 77A0.74~0.81 0.15~0.35 0.30~0.60 0.040 max. 0.030 max.SWRH 77B0.74~0.81 0.15~0.35 0.60~0.90 0.040 max. 0.030 max.SWRH 82A0.79~0.86 0.15~0.35 0.30~0.60 0.040 max. 0.030 max.SWRH 82B0.79~0.86 0.15~0.35 0.60~0.90 0.040 max. 0.030 max. 备注:按照买方和卖方的协议,含碳量按表中的最小值或最大值可以减少0.01%。
b2钢材的化学成分
B2钢材是一种常用的结构钢材,其化学成分对于其性能和用途至关重要。
下面将从不同的角度来介绍B2钢材的化学成分。
1. 主要元素:
B2钢材的主要元素是铁(Fe),其含量通常在98%以上。
铁是B2钢材的主要基础,赋予了钢材优良的强度和韧性。
2. 碳(C)含量:
B2钢材的碳含量通常在0.15%-0.25%之间。
碳是钢材中最重要的合金元素之一,可以增加钢材的硬度和强度。
适量的碳含量可以使B2钢材具有较高的耐磨性和耐腐蚀性。
3. 硅(Si)含量:
B2钢材中的硅含量通常在0.15%-0.35%之间。
硅的添加可以提高钢材的强度和硬度,并改善钢材的耐腐蚀性能。
此外,硅还可以改善钢材的高温氧化和热处理性能。
4. 锰(Mn)含量:
B2钢材中的锰含量通常在0.30%-0.60%之间。
锰的添加可以提高钢材的强度和硬度,并改善钢材的可塑性和冷加工性能。
锰还可以提高钢材的耐磨性和耐腐蚀性。
5. 硫(S)和磷(P)含量:
B2钢材中的硫和磷含量应控制在较低的水平,通常分别不超过
0.035%和0.040%。
高硫和高磷含量会降低钢材的可塑性和冷加工性能,并且容易引起钢材的脆性断裂。
B2钢材的化学成分包括主要元素铁、碳、硅、锰以及控制在较低水平的硫和磷。
这些元素的含量和配比对于B2钢材的性能和用途起着重要的影响。
在制造和应用过程中,需要精确控制这些化学成分,以确保B2钢材具有合适的强度、硬度、可塑性和耐腐蚀性能,以满足工程和结构上的要求。
一.一般工程用碳素钢铸件(EQY-18-2000):
二.焊接结构用碳素钢铸件(GB/T7659-1987) :
三.优质碳素结构钢(GB/T 699-1999) :
四.球墨铸铁铸件(GB/T 1348-1988)
五.灰铸铁件(GB/T 9439-1988) :
1 .化学成分:%
2. 力学性能:详见副页
材料名称:优质碳素结构钢
牌号:08Al
标准:GB/T 5213-1985
●特性及适用范围:
是AL脱氧的优质碳素结构钢,为厚度0.8~3.0mm深冲压用的低碳冷轧薄钢板。
与普通冷轧薄钢板相比,具有更好的综合力学性能和成形性能。
广泛用于各种车辆中形状复杂的深冲压零件。
如汽车、拖拉机的车身、驾驶室、发动机外壳等不承受载荷的各种冲压零件。
●化学成份:
碳C :≤0.08
硅Si:痕迹
锰Mn:0.30~0.45
硫S :≤0.030
磷P :≤0.020
●力学性能:
抗拉强度σb (MPa):255~324
屈服强度σs (MPa):≤196
伸长率δ5 (%):≥44
硬度:≤44HB
试样尺寸:试样。
大型铸件用低合金铸钢的牌号及化学成分(摘自JB/T 6402—1992)(1)中国GB标准一般工程用碳素铸钢|[GB/T 11352—1989]a. 一般工程用碳素铸钢的钢号与化学成分,见表5-1。
表5-1 一般工程用碳素钢的钢号与化学成分 (质量分数) (%)钢号旧钢号 C Si Mn P≤ S≤残余元素(≤)ZG200-400 ZG15 <=0.20 <=0.50 <=0.80 0.040 0.040 Cr<=0.35Ni<=0.30Mo<=0.20Cu<=0.30V<=0.05ZG230-450 ZG25 <=0.30 <=0.50 <=0.90 0.040 0.040ZG270-500 ZG35 <=0.40 <=0.50 <=0.90 0.040 0.040ZG310-570 ZG45 <=0.50 <=0.60 <=0.90 0.040 0.040ZG340-640 ZG55 <=0.60 <=0.60 <=0.90 0.040 0.040①实际碳含量上限每减少ω(C)0.01% ,允许实际锰含量上限超出ω(Mn)0.04%。
对ZG200-400的锰含量ω(Mn)1.00%,其余4个钢号的锰含量最高为 1.20%。
②残余元素总含量不得超过1.00%;如需方无要求,残余元素可不作分析。
b. 一般工程用碳素钢的力学性能,见表5―2。
表5-2 一般工程用碳素钢的力学性能钢号热处理力学性能(不小于)正火或退火温度 / ℃回火温度/ ℃σ/MPa σ/MPa δ(%) ψ (%) AKVJ Akv/(J/cm2)ZG200-400 920-940 ------ 400 200 25 40 30 6.0ZG230-450 890-910 620-680 450 230 22 32 25 4.5ZG270-500 880-900 620-680 500 270 18 25 22 3.5ZG310-570 870-890 620-680 570 310 15 21 15 3.0ZG340-640 840-860 620-680 640 340 10 18 10 2.0①表中为室温力学性能,适于厚度<=100mm的铸件②伸长率和冲击吸收功Akv根据双方协议选择。
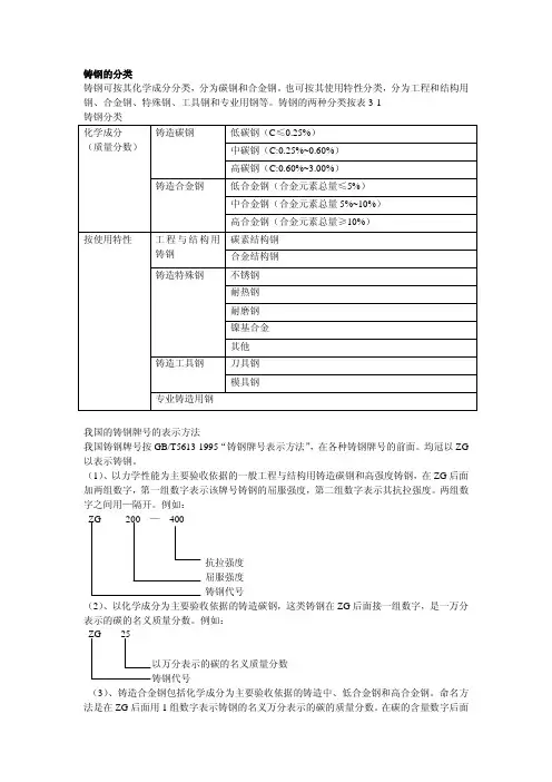
铸钢铸钢(cast steel)用以浇注铸件的钢。
铸造合金的一种。
铸钢分为铸造碳钢、铸造低合金钢和铸造特种钢3类。
①铸造碳钢。
以碳为主要合金元素并含有少量其他元素的铸钢。
含碳小于0.2%的为铸造低碳钢,含碳0.2%~0.5%的为铸造中碳钢,含碳大于0.5%的为铸造高碳钢。
随着含碳量的增加,铸造碳钢的强度增大,硬度提高。
铸造碳钢具有较高的强度、塑性和韧性,成本较低,在重型机械中用于制造承受大负荷的零件,如轧钢机机架、水压机底座等;在铁路车辆上用于制造受力大又承受冲击的零件如摇枕、侧架、车轮和车钩等。
②铸造低合金钢。
含有锰、铬、铜等合金元素的铸钢。
合金元素总量一般小于5%,具有较大的冲击韧性,并能通过热处理获得更好的机械性能。
铸造低合金钢比碳钢具有较优的使用性能,能减小零件质量,提高使用寿命。
③铸造特种钢。
为适应特殊需要而炼制的合金铸钢,品种繁多,通常含有一种或多种的高量合金元素,以获得某种特殊性能。
例如,含锰11%~14%的高锰钢能耐冲击磨损,多用于矿山机械、工程机械的耐磨零件;以铬或铬镍为主要合金元素的各种不锈钢,用于在有腐蚀或650℃以上高温条件下工作的零件,如化工用阀体、泵、容器或大容量电站的汽轮机壳体等。
[编辑本段]铸钢钢冶炼后材质的变化特点304 316铸钢是目前应用最为广泛的不锈钢,304,C≤0.08 Ni8.00~10.00 Cr18.00~20.00,Mn<=2.0Si<=1.0 S<=0.030 P<=0.035304LC≤0.03其他的元素与304相同304 316是奥氏体铸钢,无磁性的,430 403 410 这些是奥氏体-铁素体不锈钢有磁性。
铸铁英文名:cast iron含碳量在2%以上的铁碳合金。
工业用铸铁一般含碳量为2%~4%。
碳在铸铁中多以石墨形态存在,有时也以渗碳体形态存在。
除碳外,铸铁中还含有1%~3%的硅,以及锰、磷、硫等元素。
合金铸铁还含有镍、铬、钼、铝、铜、硼、钒等元素。
企业铸钢产品所采用的标准一般工程用铸造碳钢的牌号及化学成分( 摘自GB / T11352 ― 1989冶金)一般工程用铸造碳钢的力学性能( 摘自GB / T11352 ― 1989 冶金)牌号力学性能 (最小值 ),试验环境温度为10 ~30 ℃屈服点或屈服强度σs或σ0.2/MPa抗拉强度σb/ MPa伸长率δ ( % )按合同规定断面收缩率ψ( % )冲击功A K/ J冲击值 a k/kJ · m -2ZG200 - 400( ZG15 )200 400 25 40 30 600牌号元素最高含量(质量分数 ),%C(碳 )Si(硅 )Mn(锰 )S(硫 )P(磷 )残余元素 (总量≤ 1 . 00 %)Ni(镍 )Cr(铬 )Cu(铜 )Mo(钼 )V (钒 )ZG200 - 400 0 . 20 0 . 50 0 . 80 0 . 04 0 . 30 0 . 35 0 . 30 0 . 20 0 . 05ZG230 - 450 0 . 30 0 . 50 0 . 90 0 . 04 0 . 30 0 . 35 0 . 30 0 . 20 0 . 05 ZG270 - 500 0 . 40 0 . 50 0 . 90 0 . 04 0 . 30 0 . 35 0 . 30 0 . 20 0 . 05 ZG310 - 570 0 . 50 0 . 60 0 . 90 0 . 04 0 . 30 0 . 35 0 . 30 0 . 20 0 . 05ZG340 - 640 0 . 60 0 . 60 0 . 90 0 . 04 0 . 30 0 . 35 0 . 30 0 . 200 . 05ZG230 - 450( ZG25 )230 450 22 32 25 450 ZG270 - 500( ZG35 )270 500 18 25 22 350 ZG310 - 570( ZG45 )310 570 15 21 15 300 ZG340 - 640( ZG55 )340 640 10 18 10200一般工程用铸造碳钢的特性和应用牌号主要特性应用举例ZG200 - 400( ZG15 )低碳铸钢,韧性及塑性均好,但强度和硬度较低,低温冲击韧度大,脆性转变温度低,导磁、导电性能良好,焊接性好,但铸造性差机座、电气吸盘、变速箱体等受力不大,但要求韧性的零件ZG230 - 450 ( ZG25 )用于负荷不大、韧性较好的零件,如轴承盖、底板、阀体、机座、侧架、轧钢机架、箱体、犁柱、砧座等ZG270 - 500( ZG35 )中碳铸钢,有一定的韧性及塑性,强度和硬度较高,切削性良好,焊接性尚可,铸造性能比低碳钢好应用广泛,用于制作飞轮、车辆车钩、水压机工作缸、机架、蒸气锤气缸、轴承座、连杆、箱体、曲拐ZG310 - 570 ( ZG45 )用于重负荷零件、如联轴器、大齿轮、缸体、气缸、机架、制动轮、轴及辊子ZG340-640高碳铸钢,具有高强度、高硬度及高耐磨性,塑性韧性低,铸造、焊接性均差,裂纹敏感性较大起重运输机齿轮、联轴器、齿轮、车轮、阀轮、叉头大型铸件用低合金铸钢的牌号及化学成分牌号化学成分 (质量分数 ),%C ( 碳 ) Si ( 硅 ) Mn ( 锰 )P( 磷 ),S( 硫 )Cr ( 铬 ) Ni ( 镍 ) Mo ( 钼 ) Cu ( 铜 )ZG30Mn0 . 27~0 . 340 . 30~0 . 501 . 20~1 . 50≤0 . 035————ZG40Mn 0 . 35~0 . 450 . 30~0 . 451 . 20~1 . 50≤0 . 035————ZG40Mn20 . 35~0 . 450 . 20~0 . 401 . 60~1 . 80≤0 . 035————ZG50Mn20 . 45~0 . 550 . 20~0 . 401 . 50~1 . 80≤0 . 035————ZG20Mn0 . 12~0 . 220 . 60~0 . 801 . 00~1 . 30≤0 . 035—≤0 . 40——ZG35Mn0 . 30~0 . 400 . 60~0 . 801 . 10~1 . 40≤0 . 035————ZG35SiMn Mo 0 . 32~0 . 401 . 10~1 . 401 . 10~1 . 40≤0 . 035——0 . 20~0 . 30≤0 . 30ZG35CrMn Si 0 . 30~0 . 400 . 50~0 . 750 . 90~1 . 20≤0 . 0350 . 50~0 . 80———ZG20MnM o 0 . 17~0 . 230 . 20~0 . 401 . 10~1 . 40≤0 . 035——0 . 20~0 . 35≤0 . 30ZG55CrMn Mo 0 . 50~0 . 600 . 25~0 . 601 . 20~1 . 60≤0 . 0350 . 60~0 . 90—0 . 20~0 . 30≤0 . 30ZG40Cr10 . 35~0 . 450 . 20~0 . 400 . 50~0 . 80≤0 . 0350 . 80~1 . 10———ZG34Cr2N i2Mo 0 . 30~0 . 370 . 30~0 . 600 . 60~1 . 00≤0 . 0351 . 40~1 . 701 . 40~1 . 700 . 15~0 . 35—ZG20CrMo0 . 17~0 . 250 . 20~0 . 450 . 50~0 . 80≤0 . 0350 . 50~0 . 80—0 . 40~0 . 60—ZG35Cr1M o 0 . 30~0 . 370 . 30~0 . 500 . 50~0 . 80≤0 . 0350 . 80~1 . 20—0 . 20~0 . 30—ZG42Cr1M o 0 . 38~0 . 450 . 30~0 . 600 . 60~1 . 00≤0 . 0350 . 80~1 . 20—0 . 20~0 . 30—ZG50Cr1M o 0 . 46~0 . 540 . 25~0 . 500 . 50~0 . 80≤0 . 0350 . 90~1 . 20—0 . 15~0 . 25—ZG65Mn0 . 62~0 . 700 . 17~0 . 370 . 90~1 . 20≤0 . 035————ZG28NiCr Mo 0 . 25~0 . 300 . 30~0 . 800 . 60~0 . 90≤0 . 0350 . 35~0 . 850 . 40~0 . 800 . 35~0 . 55—ZG30NiCr Mo 0 . 25~0 . 350 . 30~0 . 600 . 70~1 . 00≤0 . 0350 . 60~0 . 900 . 60~1 . 000 . 35~0 . 50—ZG35NiCr Mo 0 . 30~0 . 370 . 60~0 . 900 . 70~1 . 00≤0 . 0350 . 40~0 . 900 . 60~0 . 900 . 40~0 . 50—。
铸钢含碳量铸钢是一种在合金中含有碳的钢铁,含碳量对铸钢的物理和化学特性有着至关重要的影响。
铸钢的碳含量可以通过碳化合物的加入或者从废钢中回收得到。
铸钢含碳量的确定常常是生产铸件的一个关键步骤。
铸钢含碳量的分类铸钢的碳含量可以分为低碳合金钢、中碳合金钢和高碳合金钢三类。
其中,低碳合金钢的碳含量在0.2%以下,中碳合金钢的碳含量在0.2%-0.5%之间,高碳合金钢的碳含量在0.5%以上。
碳含量的变化不仅会影响其物理和化学特性,也会影响铸钢的机械性能和耐磨性能。
铸钢含碳量的特性低碳钢含碳量较低,具有优良的可焊接性和冷变形性,同时也具有较好的韧性和强度,但缺乏磨耗性和硬度。
因此,低碳合金钢适用于加工变化较大的铸造件。
中碳钢的含碳量在0.2%-0.5%之间,具有中等硬度和强度,同时也具有一定的磨耗性。
中碳合金钢可以用于制造需要高强度和耐磨性的零部件。
高碳钢的含碳量在0.5%以上,由于高碳会使铸钢硬而脆,因此高碳合金钢的韧性较差,但同时也具有很高的硬度和磨耗性。
高碳合金钢通常用于制造耐磨件和刚性零部件,如车轮、刀片等。
铸钢含碳量的影响铸钢含碳量对铸钢的物理和化学特性有着至关重要的影响。
铸钢的硬度、强度、耐磨性、可焊性、韧性等物理和化学特性都与其含碳量有关。
因此,通常需要在生产中控制铸钢的含碳量,以保证铸钢的物理和化学特性符合要求。
过低或过高的碳含量都可能对铸钢的机械性能和耐磨性能产生不利影响。
低碳钢因其韧性较好,较为易加工,适用于制造底座、框架等零部件。
中碳钢具有较好的强度和硬度,适用于制造需要耐磨性较高的零部件,如摩擦盘、凸轮等。
高碳钢可以用于制造需要高硬度和高耐磨性的零部件,如车床刀具、挖掘机铲齿等。
在铸造业中,铸钢的含碳量是一个至关重要的指标,铸钢的碳含量必须精确控制,以确保铸造的产品具有优质的性能和稳定的质量。
此外,根据实际需要,铸造厂还可以根据不同的产品需求来选择合适的铸钢含碳量,以创造出更加完美的产品。