全自动单晶炉参数简介
- 格式:ppt
- 大小:1.46 MB
- 文档页数:39
单晶炉参数范文单晶炉是用于单晶生长的设备,通过控制温度、压力和其他参数来实现晶体生长的过程。
在单晶生长过程中,必须精确控制各种参数,以确保最终生长出的晶体具有高度纯净性和良好的结晶质量。
以下是一些常见的单晶炉参数。
1.温度控制:单晶炉中的温度控制非常重要,因为温度直接影响晶体生长的速度和质量。
通常,单晶炉使用电阻加热器或辐射加热器来提供热源,并通过温度传感器和控制系统来实现温度的精确控制。
炉膛中可能有多个温区,以提供不同的温度梯度和温度分布。
2.压力控制:在一些单晶生长过程中,需要控制炉膛中的气压。
压力可以通过控制进气和排气速度来实现。
在一些特殊的单晶生长技术中,例如气相外延(CVD)和分子束外延(MBE),压力控制非常关键,可以影响晶体生长速度、取向和掺杂。
3.气氛控制:单晶炉中的气氛控制非常重要,因为气氛中的杂质和气体成分可以直接影响晶体的纯净性和晶格质量。
通过控制进气和排气速度以及气体流量,可以实现对气氛的精确控制。
在一些特殊的单晶生长技术中,例如液相外延(LPE)和溶液法,需要控制化学溶液的成分和浓度。
4.搅拌控制:在一些单晶生长过程中,需要通过机械搅拌或涡流搅拌来提高晶体生长速度和质量。
搅拌的参数包括搅拌速度、搅拌器形状和位置。
通过调节这些搅拌参数,可以改善晶体生长过程中的传质和传热条件,从而获得更高质量的晶体。
5.结晶体积控制:在单晶生长过程中,需要控制晶体生长的速率和角度,以获得所需的晶体形状和尺寸。
通过调节温度梯度、搅拌速度和其他参数,可以实现对晶体生长速率和角度的控制。
此外,晶体形状和尺寸的控制还可以通过模具和模板等技术来实现。
以上只是一些常见的单晶炉参数,实际上,不同的单晶炉在设计和使用上可能会有很大差异,因为不同的单晶生长技术对参数要求也不同。
因此,在选择和使用单晶炉时,需要根据具体的应用需求和单晶生长技术的特点来确定合适的参数。
.全自动单晶炉操作手册REV. MANUAL_ZJS.Z03(TDR-95A/100A/100B-ZJS适用)2010年06月上虞晶盛机电工程有限公司SHANGYU JING SHENG M&E ENGINEERING CO., LTD目录第一章单晶生长条件 (2)1.1 设备要求 (2)1.2 辅料要求 (3)1.3 安全要求 (4)第二章单晶生长标准流程 (5)2.1 拆炉 (5)2.2 装炉 (6)2.3 开始单晶的生长 (8)2.4 抽真空 (9)2.5 检漏 (11)2.6 压力化 (12)2.7 熔料 (13)2.8 稳定化 (15)2.9 熔接 (16)2.10 引晶 (18)2.11 放肩 (19)2.12 转肩 (20)2.13 等径 (21)2.14 收尾 (22)2.15 停炉 (23)第三章单晶生长辅助流程 (24)3.1 中途取晶 (24)3.2 回熔 (26)3.3 煅烧 (26)3.4 大清 (27)3.5 连接部位检查 (27)第四章相机调整与热场温度校正 (28)4.1 相机调整 (28)4.2 热场温度调整 (32)第五章异常情况处理 (33)5.1 断水 (33)5.2 电极故障 (33)5.3 打火 (33)附录故障速查 (34)第一章单晶生长条件1.1 设备要求1.1.1 运行条件(以下以TDR-85A-ZJS炉为例,其余炉型要求参照说明书)(1)冷却水要求水压:炉子进出水压差要求介于2~3公斤之间,真空泵进出水压差要求1.5公斤以上;炉子进水压力不可超过3.5公斤,炉子上冷却水安全阀设置压力6公斤;水流率:炉子和电源要求供水量不低于250升每分钟,单独电源要求供水量不低于20升每分钟;水温:推荐进水温度18~24oC,最大不超过25oC;水质:弱碱性水,PH值6~9;氯离子含量≤10ppm,碳酸钙含量≤50ppm;以纯净软水为好。
连接方式:进出水管与炉子之间采用软连接,防止震动传递到炉子。
CL系列单晶炉,属软轴提拉型,用直拉法生长无位错电路级、太阳能级单晶的设备。
此设备结构设计稳定,运行平稳,且有多项安全防护设施,质量流量及温度控制精确,整个晶体生长过程由高可靠的可编程计算机控制器(PCC)控制,并可实现全自动(CCD)控制,包括抽真空、熔化、引晶缩颈、放肩、等经生长和尾锥生长。
CL-90型设备提供一对电极,满足用户采用两温区加热的工艺要求。
设备使用18寸或20寸的热系统,投料量60-90Kg,生长6″或8″的单晶体。
设备特点:1、稳定的机架结构设计,增强了设备在晶体生长过程中的抗振动能力。
2、优化的液压提升机构确保副炉室提升和复位时的运动平稳性。
3、与主机分离的分水器设计,在减少冷却水振动对晶体生长的影响的同时优化了水路布局。
4、晶体和坩埚的提升采用双电机结构,保证稳定的低生长速度以及坩埚和籽晶的快速定位。
5、采用无振动的高性能马达和低噪声的减速器驱动晶体和坩埚上升,可提供稳定的低生长速度。
6、设备的真空条件和在真空下的可控惰性气体气流使得热区清洗最佳化。
氧化硅可以在不污染晶体和晶体驱动装置的条件下排除。
7、带隔离阀的副室可以在热区保持工作温度的情况下,取出长成的晶体或者更换籽晶。
8、对惰性气体流量和炉室压力高精度的控制能力,为生长高品质单晶创造了条件。
9、炉盖和炉腔通过两个提升装置提升,很方便的转向一边快捷地清洗。
10、熔化温度通过对加热器温度的电控来维持和调节,加热电源采用直流供电提高了控制精度。
高品质的加热器温度测量传感器实现了精确的温度控制。
12、整个晶体生长过程由一个高可靠的可编程计算机控制器(PCC)控制,包括抽真空、熔化、引晶缩颈、放肩、等经生长和尾锥生长,晶体生长全过程可实现全自动(CCD)控制:。
13、带有数据和报警过程控制的可视化软件,存储在计算机的硬盘中。
可以显示过程变量随时间变化的趋势图。
直流电源5柱变压器,空载电流小,效率比3柱高10%--15%。
双反芯6脉波比桥式整流功耗小。
单晶炉技术说明书1000字单晶炉是一种用于生产高品质单晶体的设备,它是半导体产业的重要设备之一。
下面我将为大家介绍单晶炉的技术说明书。
一、单晶炉的结构单晶炉主要由炉体、加热系统、制冷系统、控制系统等组成。
1. 炉体:炉体是单晶炉的主要组成部分,主要由炉体本体、电极、隔热材料和炉内环境构成。
炉体内部需要保持一定的真空或惰性气氛,以确保单晶生长的质量和稳定性。
2. 加热系统:加热系统是单晶炉的关键部分之一,它主要由加热元件、加热源、温度控制等组成。
加热源可以是电阻丝、感应加热、火焰等形式,但大多数单晶炉使用的是电阻丝。
3. 制冷系统:制冷系统是单晶炉的另一个重要部分,它主要用于保持单晶生长的过程,在单晶炉内部形成适宜的温度梯度和温度分布。
制冷系统主要由冷却水系统和压缩机组成。
4. 控制系统:控制系统是单晶炉的核心,它主要由计算机控制系统和温度控制系统组成。
计算机控制系统主要用于控制整个单晶炉的运行和生长过程,包括加热、真空、气氛等参数,而温度控制系统则主要用于精确控制单晶生长过程中的温度。
二、单晶生长过程单晶生长是单晶炉最重要的功能之一,主要通过以下步骤进行:1. 清洗晶体:将要生长的晶体进行表面清洗,去除表面杂质、油脂等污物和氧化物,确保晶体表面的干净度。
2. 落合:将准备好的晶种和熔融的材料放到炉体中,让晶种和熔融材料相遇,然后慢慢拉出晶种,使熔融的材料附着在晶种上。
3. 晶体生长:炉体内部形成的温度梯度和温度分布,使得材料开始在晶种上生长,形成单晶体。
4. 结晶完成:当晶体完成生长后,将晶体缓慢升温,淬火,将单晶从晶棒上取下。
三、单晶生长常见问题及解决办法1. 晶体表面不平整:可能是晶体过快生长,或熔融液中杂质太多。
解决办法:加大温度梯度,降低熔融材料的污染。
2. 晶体裂纹:可能是晶体过快生长,晶体内部应力过大。
解决办法:控制生长速度,减小温度梯度。
3. 不均匀生长:可能是炉内温度不均匀,或者晶种准备不足。
单晶炉的数据和要求单晶炉是一种重要的材料热处理设备,在材料科学和工程领域有广泛应用。
下面将介绍单晶炉的数据和要求。
首先是单晶炉的基本数据。
单晶炉的工作温度范围通常在几百度到数千度之间,具体取决于所需的材料生长温度。
单晶炉通常由高温炉体、炉内加热元件、温度控制系统和真空装置构成。
炉体材料一般采用耐高温的材质,如石英或陶瓷。
而炉内加热元件则通常采用电阻丝或电阻片,以提供所需的加热功率。
温度控制系统则是保持单晶生长过程中恒定的温度,通常通过PID控制算法进行控制。
真空装置则用于提供高真空环境,以避免杂质的污染。
其次是单晶炉的要求。
在单晶生长过程中,高纯度的材料是非常关键的。
因此,单晶炉需要具备良好的真空密封性能,以确保炉内杂质的最小化。
此外,炉内温度的均匀性和稳定性也是非常重要的。
温度不仅需要在整个单晶生长过程中保持稳定,还需要在炉内各个位置上保持均匀。
这样才能确保所生长的单晶具有良好的结晶性能。
另外,单晶炉还需要能够提供所需的加热功率,以满足材料生长的需求。
加热功率的调节应该精确可靠,以确保单晶的生长速度和质量。
最后,单晶炉还需要具备安全性能,以防止操作人员因为高温或真空等因素而受伤。
总结起来,单晶炉是一种用于材料热处理的设备,工作温度范围广,通常由高温炉体、炉内加热元件、温度控制系统和真空装置构成。
在单晶炉的设计中,需要考虑材料的纯度、温度的均匀性和稳定性、加热功率的调节以及安全性能等要求。
单晶炉的设计与构造需要兼顾这些因素,并保证其能够为材料生长提供良好的条件。
希望这些信息能够对您对单晶炉有所了解。
FT-CZ2208AE型单晶炉技术参数20101015单晶炉设备参数表(FT-CZ2208AE)1.概述:FT-CZ2208AE型单晶炉是根据Czochralski(CZ Method)原理,在惰性⽓体腔体中通过⽯墨电阻加热器以⾼温将⽯英坩埚内半导体材料(多晶硅)熔化、稳定,再通过籽晶与熔硅的接触,籍籽晶提升及旋转机构、坩埚提升及旋转机构、直径测定控制系统、温度测定控制系统等关键部件的精密配合,⽤于制备太阳能级,亦可以⽤于电路级单晶的设备系统。
本设备以以下规格为基准进⾏设计。
1)⽇本⼯业规格(JIS)2)⽇本电⽓⼯业规格(JEM)3)电⽓规格调查会标准规格(JEC)2.特点:2.1机械部分:整机结构美观,机械部件采⽤⾼精度数控加⼯,材质采⽤不锈钢和耐⾼温不锈钢。
1.炉⼦腔体内外层采⽤304L不锈钢。
双层⽔冷式结构。
2.真空旋转轴全部采⽤稳定的⼤型磁流体密封。
3.炉腔法兰为整体锻造件。
4.密封圈全部采⽤⾼质进⼝件。
5.氩⽓管路及其配套的电磁阀采⽤⾼质量进⼝件。
6.⾼品质的真空管路系统。
采⽤多种安全保障措施和安全装置。
例如:1.具有电源安全保护装置。
2.炉体⽔温报警系统。
3.冷却⽔流量过⼩报警(OP)。
4.炉压异常报警系统。
5.安装有安全减压阀。
6.炉盖采⽤浮动设计,在炉内压⼒过⾼时,⾃动泄压。
炉内压⼒配有⾼低真空检测系统,同时测量上、下炉体,测量精度⾼。
具有配套的节能热场和⼤装料量热场供客户选择(OP)。
2.2电器部分:1.针对太阳能级单晶硅的特点和运⾏数据专门设计,亦可以⽤于半导体级单晶硅制备。
2.融合多种当代新技术,实现全程⾃动控制和数据交换。
3.采⽤电脑控制系统和触摸式屏幕显⽰。
拉晶⼯艺全过程直观显⽰,互动性强。
4.PLC系统控制,抗⼲扰性好,可靠性⾼,维修⽅便。
5.多台FT-CZ2208AE型单晶炉的软件可相互之间复制。
因此,如果⼀台单晶炉的软件有故障,可以从另⼀台单晶炉复制过来。
这不仅解决了软件包⼀旦损坏和丢失的问题,⽽且也解决了⼀台单晶炉调试好了,其他单晶炉均可以⽤同⼀个软件包数据进⾏使⽤,免去了重复调试的⼯作。
单晶炉的数据和要求单晶炉是一种用于制造单晶材料的设备,通过控制温度和压力等参数,将液体材料逐渐凝固成为单晶体。
单晶材料具有高度的晶体结构完整性和均匀性,因此在许多领域有着广泛的应用,如电子器件、光学器件、能源材料等。
本文将介绍单晶炉的基本数据和要求,以帮助读者了解该设备的特点和应用。
一、单晶炉的基本数据1.外观和结构:单晶炉通常由炉体、加热元件、晶体生长室、真空系统、温度控制系统等组成。
其外观一般呈圆筒状或立方体状,尺寸大小根据不同的生长要求而有所差异。
2.温度范围:单晶炉的温度范围通常在1000℃至3000℃之间,不同的材料需要不同的生长温度。
常用的加热元件有电阻加热、感应加热等,可根据实际需求选择。
3.生长室:用于放置生长石英坩埚和控制生长过程的环境。
生长室内需要具备一定的密封性和真空度,以防止杂质进入,影响晶体的质量。
4.控制系统:包括温度控制、压力控制、气体流量控制等功能,用于调节生长环境的参数,保证单晶的质量和生长的速度。
5.真空系统:用于排除生长环境中的气体,保持生长过程中的高真空状态,以减少杂质对晶体的影响。
真空系统包括真空泵、阀门等设备。
二、单晶炉的要求1.温度稳定性:单晶材料的生长过程需要精确控制温度,在不同的生长阶段需要提供不同的温度梯度。
单晶炉的温度控制系统需要具备高精度和稳定性,以确保生长过程的一致性和均匀性。
2.真空度要求:单晶材料生长需要在高真空环境下进行,以排除气体对晶体生长质量的影响。
单晶炉的真空系统需要具备高真空度和良好的密封性,以保证晶体生长的纯净性。
3.晶体生长速率控制:不同的晶体材料需要在特定的生长速率下进行生长,以获得所需的晶体质量和尺寸。
单晶炉的控制系统需要能够精确地控制生长环境中的参数,以调节晶体生长速率。
4.安全性和可靠性:单晶炉属于高温设备,使用过程中需要注意安全防护。
同时,设备的可靠性也是使用者关注的重点,确保设备稳定运行和长时间的使用寿命。
三、单晶炉的应用1.半导体材料生长:单晶炉在半导体行业中广泛应用,用于生长硅单晶和其他半导体材料的单晶。
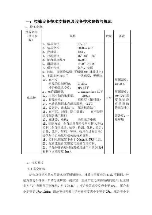
一:拉棒设备技术支持以及设备技术参数与规范1. 设备参数:设备名称(设计参数)规格数量备注单晶炉1、结晶直径: 8”,6”2、结晶全长: 2000mm以下3、投料量: 120kg4、热场规格: 16’18’ 20’5、炉内最高温度: 1600℃6、坩埚规格:φ20”³H157、保护气氛:氩气,负压8、软轴:无螺旋编织(不锈钢304材质以上)9、主副室连接法兰一次成型,无焊接10、真空度结晶的拉制环境: 2.7kPa冷炉极限真空度: 3Pa以下11、允许漏泄量: 0.6mTorr/min以下12、坩埚中轴的承重量: 250kg13、籽晶夹头:圆柱型(钼材质)14、水路系统回水点最高温差:<12℃15、设备进、出水法兰:配备标准法兰16、真空泵、球阀、除尘器罐:真空胶管连接配备法兰接口17、减速器、电机:采用东方电机18、控制方式:全自动且各阶段均可转入手动控制(全自动描述:抽空、检漏、化料、稳定、引晶、放肩、转肩、等径、收尾全过程自动)提供与全自动运行相关的技术资料。
19、控制电脑配置不少于30min的UPS电源。
20、配套流量计实现氩气流量自动控制。
21、单晶炉体内壁材质需采用进口不锈钢316材料(内壁厚度8mm)。
4台周围温度:15-25℃周围湿度:40-70%(需要保证没有结露的情况发生)洁净度:一般环境2、技术要求2.1真空炉体炉体总体结构是双层带水套不锈钢筒体,材质内层要求为316L不锈钢、外层为普通不锈钢;炉体分主炉室、副炉室,主副炉室之间由隔离阀隔开,且主副室各“O”型圈使用倒梯形,角度为36°;冷炉极限真空度应小于3Pa,压升率小于等于1Pa/10min;副炉室打开时主炉室真空度应小于等于2Pa,压升率小于等于1Pa/10min。
2.2加热系统a.加热器加热器要求采用石墨加热器,加热器材质必须采用指定品牌材料(德国西格里)并提供单件加热器电阻及电阻均匀性;加热系统对外部电源谐波污染应符合国家标准,功率因数≥0.9这样保证了贵公司使用设备的平稳用电;b.保温、导流装置保温、导流装置采用指定品牌(德国西格里)高纯度等静压石墨材料和优质的隔热材料,设计合理,以便给熔硅稳定的液面温度及合适的温度梯度从而提高生产效率和保证较高的成晶率。
单晶炉参数范文
一、基本参数
1.工作电压:AC220V50/60Hz
2.工作功率:15kW
3.冷却水压力:0.2MPa
4.气体压力:0.2MPa
5.温度范围:室温~1300℃
6.温度精度:±2℃
7.加热状态:可调PID恒温加热
二、炉腔结构
1.炉腔尺寸:Φ400×800;
2.炉腔材质:聚硅烷泡沫保温材料;
3.支架:不锈钢;
4.炉腔形式:单晶炉;
三、安全保护
1.热电偶断路保护:安装2套K系列热电偶,当热电偶断路时,炉腔自动断电,保护炉腔安全;
2.过温保护:当热电偶信号不稳定或干烧现象出现时,上位机误判给定温度较高,炉腔温度过高时,自动断电,保护炉腔安全;
3.热电偶故障保护:热电偶故障时,将自动断电,保护炉腔安全;
四、控制系统
1.控制器:5.7寸彩色触摸屏,内置高精度温度控制算法,支持PID 恒温控制;
2.时间控制:支持按照设定时间延迟启动炉腔,支持多段温度控制;
3.远程控制:支持RS485通讯协议,支持本地或远程控制;
五、其他功能
1.报警功能:超温、断电、过载、温度偏差报警;
2.保存功能:支持10组温度设定;。
北京京仪世纪电子股份有限公司──MCZ-6000FA型单晶硅炉二O一二年八月十七日一、产品简介MCZ-6000FA 型是用直拉法半自动生长单晶的炉型,主要用于硅单晶的生长。
它是在惰性气体环境下通过石墨电阻加热器熔化硅原料,用减压方式,软轴提拉晶体。
该设备主要用于大规模生产太阳能级硅单晶,在优化条件后,也可生产IC级单晶。
本设备结构可方便地配置水平、垂直及钩型磁场,实现等效微重力生长晶体,可配置18″或20″热系统,最大投料量90Kg ,最大晶体直径10″。
二、主要技术特征主炉室和副炉室的提升和外旋采用机械结构,既免去了液压系统、减少油污染又利于配置磁场。
主机配置了完成全自动拉晶的全部接口,经电气柜升级可实现全自动拉晶。
本设备可实现多台设备的网络式计算机集中管理。
本设备充分考虑节能设计要求,采用我公司的热系统及工艺等解决方案可使能耗得到显著降低。
坩埚升降备有慢速、快速、手动三个功能,各传动链均通过电磁离合器直接驱动升降用丝杠,而丝杠螺母并不转动。
位于丝杠端的脉冲发生器信号显示准确埚位。
炉腔体内壁采用进口316L 不锈钢。
炉体焊接采用专有焊接工艺,主要焊缝均进行射线探检验,确保内部焊接质量。
具备安全防爆系数,特别加装安全泄压阀及报警系统。
三、主要技术参数1. 主炉室尺寸:φ850×1150mm2. 上主室尺寸:φ850×800mm3. 下主室尺寸:φ850×350mmMCZ-6000FA 型单晶炉4. 插板阀通径:φ300mm5. 加热方式:石墨电阻加热6. 冷炉真空度:≤2 Pa7. 冷炉真空泄漏率:≤0.1 Pa/min8. 热场规格:18″~20″9. 最大装料量: 90Kg10. 拉制晶体最大直径(英寸):φ10″11. 籽晶夹头在副室内的最大行程:1800mm(重锤系统L=683) 2015mm(重锤系统L=475)12. 籽晶夹头总行程: >3000mm13. 籽晶拉速范围: 0.1~10 mm/min14. 籽晶快升/快降:≥300 mm/min15. 籽晶旋转速度: 2~40 rpm16. 坩埚升降速度: 0.02~2.5 mm/min17. 坩埚升降快速:>50mm/min18. 坩埚轴最大承重: 140Kg19. 坩埚转速范围: 1~30rpm20. 坩埚升降最大行程: 400mm21. 电源电压/频率/相数: 380VAV/50Hz/3相22. 变压器容量: 200KVA23. 最大加热功率: 150KW24. 最高加热温度1600℃25. 耗水量: 15m3/h26. 进水压力/温度:0.3MPa/≤25℃27. 氩气耗量:≈2500升/台、小时28. 设备外形尺寸:2530×1700×577029. 设备最大高度: 6050mm30. 设备整机重量:≈5500Kg31. 主机占地面积:2820×3200mm32. 整机占地面积:4000×6000mm四、生长晶体尺寸(仅供参考)温馨推荐您可前往百度文库小程序享受更优阅读体验不去了立即体验。
半导体工艺设备之单晶炉半导体工艺设备为半导体大规模制造提供制造基础。
摩尔定律,给电子业描绘的前景,必将是未来半导体器件的集成化、微型化程度更高,功能更强大。
这里先介绍半导体工艺的头道工序——单晶体拉胚的单晶炉。
单晶炉单晶炉,全自动直拉单晶生长炉,是一种在惰性气体(氮气、氦气为主)环境中,用石墨加热器将多晶硅等多晶材料熔化,用直拉法生长无错位单晶的设备。
单晶硅炉型号有两种命名方式,一种为投料量,一种为炉室直径。
比如 120、150 等型号是由投料量决定, 85 炉则是指主炉筒的直径大小。
单晶硅炉的主体构成由主机、加热电源和计算机控制系统三大部分组成。
单晶硅片工艺流程硅,Si,地球上含硅的东西很多,好像90%以上都是晶硅的,也就是单晶硅。
太阳能级别的硅纯度6N以上就可以了。
开始是石头,(石头都含硅),把石头加热,变成液态,再加热变成气态,把气体通过一个密封的大箱子,箱子里有N多的子晶加热,两头用石墨夹住,气体通过这个箱子,子晶会把气体中的一种吸符到子晶上,子晶慢慢就变粗了,因为是气体变固体,所以很慢,一个月左右,箱子里有就了很多长长的原生多晶硅。
单晶硅片由此进入生产流程:1、酸洗:使用稀硝酸HNO3,进行清洗,去除表面杂质及提炼时产生的四氯化硅。
2、清洗:清洗硅料经过酸洗后的残留杂质。
3、单晶硅料烘干:去除水分。
4、挑料:区分P型,N型硅料。
5、配料:对拉晶的硅料型号进行匹配。
6、单晶炉拉晶:7、硅棒检测:检查有无位错,棱线断等现象。
8、开断:将单晶硅棒用带锯条切割成四方体。
9、包装:将开断后的单晶硅棒进行包装,送至下一道工序10、磨圆:将单晶硅棒四个直角进行磨圆。
11、多线切割:瑞士的264,265。
日本的PV800,MDM442DM 设备进行切割 0.33mm。
12、清洗:13、单晶硅片检测:单晶炉的结构单晶炉炉体(包括炉底板、主炉室、炉盖、隔离阀室、副炉室、籽晶提升旋转机构和坩埚提升旋转机构)由304L不锈钢制造。
单晶炉参数范文单晶炉的参数涉及到炉体温度、外部环境温度、气体流量、压力、电流、电压等多个方面。
下面将详细介绍单晶炉的各个参数及其作用。
1.炉体温度:炉体温度是指单晶炉内部的温度,它对单晶硅的熔化和结晶过程起着重要的作用。
炉体温度的设定值通常需要根据具体的生产工艺和要求进行调整,一般在1400℃-1500℃之间。
2.外部环境温度:外部环境温度是指单晶炉周围的温度,它与单晶炉的散热性能和稳定性有关。
外部环境温度的设定值需要根据实际情况进行选择,一般在20℃-30℃之间。
3.气体流量:气体流量是指在单晶炉中通过气体供应系统进入炉体的气体流量。
气体流量的设定值决定了炉体中气体的浓度,对单晶硅的质量和纯度有着重要的影响。
气体流量的设定需要根据具体的工艺要求进行控制。
4.气体压力:气体压力是指在单晶炉中通过气体供应系统进入炉体的气体压力。
气体压力的设定值决定了气体在炉体中的流动速度和浓度分布,对单晶硅的质量和纯度也有一定的影响。
气体压力的设定需要根据具体的工艺要求进行调整。
5.电流:电流是指在单晶炉中通过电加热元件流过的电流。
电流的设定值决定了加热功率的大小,对单晶硅的熔化和结晶过程起着重要的作用。
电流的设定需要根据具体的工艺要求进行选择。
6.电压:电压是指在单晶炉中通过电加热元件的电压。
电压的设定值决定了加热功率的大小和稳定性,对单晶硅的熔化和结晶过程也有一定的影响。
电压的设定需要根据具体的工艺要求进行控制。
以上是单晶炉的一些基本参数和设定值,它们对于单晶硅的生产过程至关重要。
在实际工作中,操作人员需要根据工艺要求和经验,合理地选择和调整这些参数,以确保单晶硅的质量和纯度。
同时,为了保证生产的稳定性和安全性,单晶炉的参数还需要进行监测和记录,以便及时发现和解决问题。
单晶炉参数的正确设置和控制,对于提高单晶硅的质量和产量,以及降低生产成本和能源消耗,具有重要的意义。
单晶炉的数据和要求单晶炉是一种用于生产单晶材料的设备,主要应用于半导体、光电子、陶瓷等行业。
单晶材料的制备对于提高材料的性能和可靠性有着重要的影响。
下面将详细介绍单晶炉的数据和要求。
一、单晶炉的基本数据1.炉内温度:单晶炉需要能够达到并稳定控制的高温环境,一般要求在1600°C以上,以适应单晶材料的生长需求。
2.炉子形式:单晶炉通常采用直立式结构,由炉体、加热器、保温层和炉门等组成。
3.单晶炉室容量:炉室容量的大小直接影响到生产的单晶材料的尺寸,一般要求能够容纳不同尺寸的单晶材料,如晶格直径达到2英寸、3英寸或6英寸等。
4.单晶法:单晶炉可根据不同的单晶法设计,如布里奇曼单晶法、凝固熔体法或溶液法等。
根据所选用的单晶法,单晶炉需要具备相应的特殊要求和功能。
5.控温系统:高温环境下需要精确的温度控制,单晶炉需要配备稳定可靠的温度控制系统,如PID控制器等,以确保在单晶材料的生长过程中能够实现所需的温度变化和控制。
二、单晶炉的要求1.温度均匀性:在单晶材料生长过程中,要求炉内的温度均匀分布,以确保单晶材料具备良好的结晶品质。
因此,单晶炉需要具备良好的温度均匀性。
2.真空状态:在一些单晶法中,高温环境下需要维持一定的真空状态,以避免单晶材料与氧气等物质的反应,影响单晶材料的质量。
因此,单晶炉需要能够提供良好的封闭性能和客户所需的真空范围。
3.气氛控制:在有些单晶法中,需要在炉内控制特定的气氛,如氮气、氢气等,以保证单晶材料生长的良好环境。
因此,单晶炉需要具备可控的气氛控制系统。
4.安全性:由于高温环境的特殊性,单晶炉需要具备良好的安全性能,如防爆、防火等措施,确保操作人员的安全。
5.自动化程度:随着技术的不断发展,自动化程度的提高可以提高单晶材料生长的效率和质量。
因此,单晶炉需要具备较高的自动化程度,如温度、压力、气氛等参数的自动控制和监测。
综上所述,单晶炉是一种用于生产单晶材料的设备,具备高温、温度均匀性、真空状态、气氛控制、安全性和自动化程度等要求。
单晶炉KX240-Ge说明书
1、用途:
本设备为软轴提拉型单晶炉,是在惰性气体(氩气)环境中,用石墨电阻加热器将硅半导体材料溶化,用直拉法生长单晶的设备。
炉采用18热场,投料量60Kg,可拉制6或8的单晶。
2、设备的工作原理概述:
本设备采用软籽晶轴提升机构,显著降低了单晶炉的高度,因而在一般厂房中即可安装使用,便于装配维修和拉晶操作,同时实现了籽晶轴转速稳定的效果。
本设备在性能和控制上都进行了改进。
在机械结构方面采用了先进的磁流体密封技术、拱形封头式炉盖结构以及合理的主、副室提升机构。
单晶的提升采用的是可承受190Kg的不锈钢丝绳。
炉室结构为顶开式,主炉室和副炉室开启时由螺母丝杠装置实现上移。
上升到位后对称旋出,便于机动取出晶体,拆除热场系统和清理炉内各部。
主炉室和副炉室之间,设有翻板阀,可在维持主炉室工艺条件不变的情况下取出晶体,更换籽晶。