隔离放大器的技术资料及选型
- 格式:pdf
- 大小:167.41 KB
- 文档页数:5
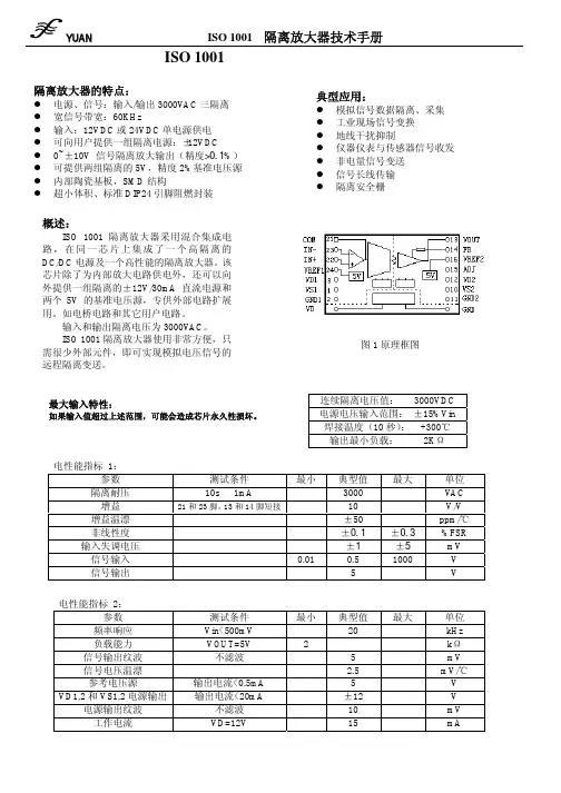
ISO 1001 隔离放大器模块及应用连续隔离电压值: 3000VDC 电源电压输入范围: ±15%Vin 焊接温度(10秒): +300℃ 输出最小负载: 2K Ω图2 典型接线图图7 输出放大器调节电路图6 输出放大器原理图例如:当输入Vin 为0~+100mV ,输出为0~5V 时,可以取:R11=51K R12=10K R13=10K 放大倍数Kin=1+39.9/10=4.99在图4和图5中,R11也可以由一个电位器和一个电阻串联来代替,可以精确调节放大倍。
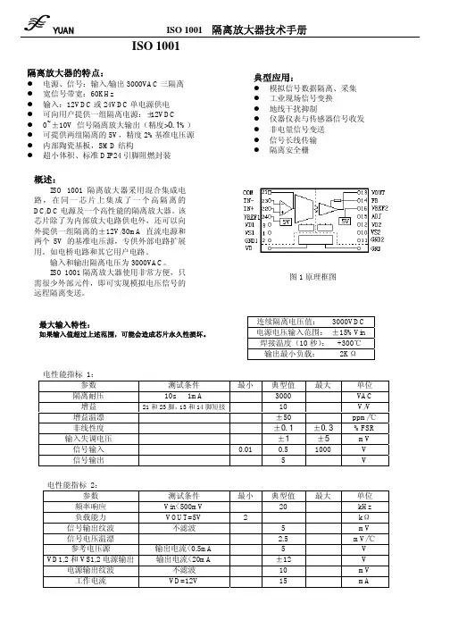
产品图片及引脚定义(图10、图11)图10 产品图片 图11 引脚定义建议印刷布板尺寸(标准DIP24脚) 引脚功能描述外形尺寸Pin 引脚Connection 功能描述 1 输出VS1 输入端可用负电源 2 输出GND1 VS1和VD1电源地 3 输出VD1 输入端可用正电源 4~5 NC 空脚Omitted 6 输入VD 输入辅助电源 7 输入GND 输入辅助电源地 8~9 NC 空脚Omitted 10 输出VS2 输出端可用负电源 11 输出GND2 VS2和VD2电源地12 输出VD2 输出端可用负电源 13 输出VOUT 隔离后运放输出端 14 输入FB 隔离后运放反馈端15 输入ADJ 调零输入端 16输出VREF2 输出端可用+5V 基准电源17 NC 空脚Omitted 18 NC 空脚Omitted 19 NC 空脚Omitted 20 NC 空脚Omitted 21 输出COM 输入放大器输出端 22 输入IN+ 输入正端 23 输入IN- 输入负端 24 输出VREF1 输入端可用+5V 基准电源和输入放大器组成一个数据放大器 则数据放大器的放 (多圈电位器)。
Isolation Amplifier(隔离放大器)描述 ①HydroCOM 系统用到两个隔离放大器,分别用于对液压油站上液位开关信号以及上死点传感器信号的隔离放大。
②两个隔离放大器与中间接口单元CIU 一起安装在中控室的仪表柜内。
Mechanical design and dimensionsAn isolation amplifier with transistor output and 24VDC power supply is used:•KX000490 for 24VDC power supplyConstructionmodular terminal housing made of Macrolon, combustibility class UL 94: V0; IP 20 Dimensions115 x 118 x 20 mm (LxHxW)Fig:Isolation amplifier layoutC3002A压缩机HydroCOM相关文档第 4 份/共19份ConnectionsThe positions of the connection points on the Isolation Amplifierare shown in the wiring diagram layout.Note: The Isolation Amplifier is supplied with resistors fittedbetween terminals 1+ and 3- as well as 4+ and 6-: Theresistors must be removed when connecting the IA! InstallationMounting snaps on to 35mm standard rail DIN EN50022 CommissioningThe operation can be verified before commissioning by checking theLEDs on the IA.Technical dataBetween electronic output and supply voltage there is safeelectrical isolation to DIN EN 50178. The output is switched offif the current in the control circuit I<0.1mA (open circuitmonitoring comes into action) or I>6mA (line short circuitmonitoring comes into action).Power supply KX000490 20..30 VDCg150Weight approx.Operating temperature -20°C...+60°CInput (intrinsically safe)No-load voltage 8VDCNominal data to DIN 19234 or NAMURrespectivelyConformity certificate PTB 00 ATEX 2035Protection category EEx II 1 G D EEx ia IICOutput (not intrinsically safe)Nominal current 100mA, short circuit proofOperating Temperature -20°C..+60°C。
精密微型隔离放大器ACPL-C79B/C79A/C790型号:ACPL-C79B/C79A/C790类型:隔离放大器封装:SOP-8电源电压:3 - 5.5VCMR(KV/μs ):15温度范围:-40-105℃隔离能力:5000Vrms品牌:安华高AVAGOACPL-C79B/C79A/C790隔离放大器是专为电机驱动器和可再生能源系统等电子大功率变流器中的电流和电压感测而设计的。
在实施典型的电机驱动程序中,隔离放大器可检测到电机电流通过外部电阻所产生的模拟电压降。
光隔离屏障的另一端则产生差分正比于电机电流的差分输出电压。
建议在通用型应用中采用(±1%增益误差)的ACPL-C79A和(±3%增益误差)的ACPL-C790。
对于高端精密型应用,需采用(±0.5%增益误差)的ACPL-C79B。
该产品采用5V 单电源供电,具备优异的线性度和60 分贝的信噪比动态性能。
由于具有200 kHz 带宽和 1.6µs 的快速响应时间,该产品可以捕获短路和过载情况下的瞬变。
ACPL-C79B/C79A/C790高达(15 kV/µs) 的共模瞬变抑制能力可在高噪声的电机控制环境下精确监测电机电流,其体现的精确性和稳定性足以为各类不同的电机控制应用提供较为平顺的控制(“转矩波动”较小)。
通过结合卓越的光耦技术,ACPL-C79B/C79A/C790 运用Σ-Δ模数转换器技术、斩波稳定放大器以及全差分电路拓朴结构,提供无与伦比的隔离模式噪声抑制能力,降低失调、提高增益,体现精确度和稳定性。
这一性能体现在一个紧凑的自动插入伸展型SO-8 封装产品中,符合世界各地安全法的标准。
ACPL-C79B/C79A/C790特点:0.5% 高增益精度(仅ACPL-C79B)–50 ppm/°C 低增益漂移0.6mV 输入失调电压0.05% 出色的线性度60dB 信噪比200kHz 宽频带宽输出3V 至5.5V 的宽范围电压–40°C 到+105°C 工作温度范围先进的Sigma-Delta (Σ-Δ) 模数转换技术全差分隔离放大器15 kV/µs 共模瞬变抑制能力紧凑的自动插入扩展型SO-8 封装ACPL-C79B/C79A/C790应用:交流与伺服电机驱动的电流/电压检测太阳能逆变器、风力发电机逆变器工业流程控制数据采集系统开关电源信号隔离通用模拟信号隔离取代传统型电流变送器深圳市潮光科技有限公司潮光光耦网: TEL:*************。
ISO 1001 隔离放大器模块及应用连续隔离电压值: 3000VDC 电源电压输入范围: ±15%Vin 焊接温度(10秒): +300℃ 输出最小负载: 2K Ω图2 典型接线图图7 输出放大器调节电路图6 输出放大器原理图例如:当输入Vin 为0~+100mV ,输出为0~5V 时,可以取:R11=51K R12=10K R13=10K 放大倍数Kin=1+39.9/10=4.99在图4和图5中,R11也可以由一个电位器和一个电阻串联来代替,可以精确调节放大倍。
产品图片及引脚定义(图10、图11)图10 产品图片 图11 引脚定义建议印刷布板尺寸(标准DIP24脚) 引脚功能描述外形尺寸Pin 引脚Connection 功能描述 1 输出VS1 输入端可用负电源 2 输出GND1 VS1和VD1电源地 3 输出VD1 输入端可用正电源 4~5 NC 空脚Omitted 6 输入VD 输入辅助电源 7 输入GND 输入辅助电源地 8~9 NC 空脚Omitted 10 输出VS2 输出端可用负电源 11 输出GND2 VS2和VD2电源地12 输出VD2 输出端可用负电源 13 输出VOUT 隔离后运放输出端 14 输入FB 隔离后运放反馈端15 输入ADJ 调零输入端 16输出VREF2 输出端可用+5V 基准电源17 NC 空脚Omitted 18 NC 空脚Omitted 19 NC 空脚Omitted 20 NC 空脚Omitted 21 输出COM 输入放大器输出端 22 输入IN+ 输入正端 23 输入IN- 输入负端 24 输出VREF1 输入端可用+5V 基准电源和输入放大器组成一个数据放大器 则数据放大器的放 (多圈电位器)。
单通道或双通道NAMUR 隔离信号放大器24 V DC,带继电器信号输出应用•隔离信号放大器,用于二进制开关信号的传输•符合NAMUR(EN60947-5-6)的接近传感器输入和开路触点或带电阻性耦合元件的触点•电气3路隔离适合于安全相关应用,满足SIL 2功能安全等级要求,符合IEC 61508标准•选装配备电阻性耦合元件,用于机械开关触点的线路监测•输入回路的线路故障监测,如断路和短路(LFD),可分离通过电源和错误信息模块处的DIN 导轨总线连接头获取组错误信息•输出侧继电器触点作为信号输出,可通过DIP 开关选择动作方向(操作状态或静态电流状态)•应用于–40 … 60 °C (–40 … 140 °F)的环境温度下优势•外壳结构紧凑,宽度仅为:12.5 mm (0.49 in)•有防爆认证,允许选择安装在防爆2区•采用直插式接线端子,快速便捷完成接线;通过DIN 导轨总线连接头选配电源和错误信息模块Products Solutions Services技术资料RLN22NAMUR 隔离信号放大器TI01560K/28/ZH/02.21-00715777272021-10-19RLN222Endress+Hauser目录功能与系统设计 (3)产品描述 ..................................3可靠性....................................3输入 (3)类型......................................3输入数据.. (3)输出.....................................3继电器输出参数..............................3报警信号...................................3防爆连接参数................................4电气隔离...................................4电源.....................................4接线端子分配................................4连接电源...................................4性能参数...................................4接线端子...................................4性能参数 (5)响应时间 (5)安装 (5)安装位置...................................5安装DIN 盘装型设备 (5)环境条件 (5)重要环境条件................................5抗冲击性和抗振性............................5电磁兼容性(EMC) (5)机械结构 (6)设计及外形尺寸..............................6重量......................................6颜色......................................6材质........ (6)显示与操作单元 (7)现场操作...................................7真值表,单通道..............................8真值表,双通道 (8)订购信息..................................8附件.....................................9设备专用附件................................9服务专用附件.. (9)证书和认证 (9)CE 认证....................................9功能安全性.. (10)文档资料 (10)《简明操作指南》(KA)......................10《操作手册》(BA).........................10《安全指南》(XA).........................10补充文档资料...............................10RLN22Endress+Hauser 3功能与系统设计产品描述产品设计NAMUR 隔离放大器,单通道•在订购选项中选择“单通道转换触点”,单通道NAMUR 隔离信号放大器可配备电阻性耦合元件,用于操作接近开关(符合EN 60947-5-6(NAMUR)标准)、断开触点和机械触点。
隔离放大器原理
隔离放大器是一种电子器件,用于隔离输入端和输出端之间的电信号,同时放大输入信号的幅度。
它的原理基于电磁感应的原理。
隔离放大器的输入端和输出端之间布置有一个绕组,绕组由一定数量的线圈组成。
当输入信号通过输入端进入绕组时,会在绕组内产生磁场。
这个磁场会通过磁耦合作用影响输出端的绕组。
输出端的绕组内的磁场受到输入信号的影响,从而在绕组上产生与输入信号相对应的电压。
由于输入端和输出端的绕组是电气隔离的,所以输入端和输出端之间的电信号是通过互感耦合实现的,没有直接的电连接。
这样可以有效地隔离输入端和输出端之间的电路,避免干扰信号的传递。
隔离放大器的绕组上还布置有一些其他的电子元件,比如放大器、滤波器等。
这些元件可以增强输入信号的幅度,并对信号进行进一步的处理。
最终,经过隔离放大器处理的信号可以输出到其他设备或电路中。
隔离放大器在许多应用中都有广泛的应用,特别是需要隔离输入信号和输出信号的场合。
比如,在医疗设备中,隔离放大器可以将人体的生理信号转化为可处理的电信号,并确保信号的准确性和安全性。
在工业自动化领域,隔离放大器可以将传感器信号隔离处理,避免干扰和环境噪声的影响。
此外,隔离放大器还可以用于音频信号的隔离放大,以提供更好的音质和音
效。
总结起来,隔离放大器通过互感耦合的原理将输入信号隔离处理,并放大信号的幅度。
它具有电气隔离的特点,可广泛应用于各种领域,为信号处理提供更好的效果。
隔离放大器选型指南应用:隔离放大器用于防止数据采集器件遭受远程传感器出现的潜在破坏性电压的影响。
这些放大器还用于在多通道应用中放大低电平信号。
它们也可以消除由接地环路引起的测量误差。
方式:实现电气上隔离的方法从耦合方式来看,可以分为磁耦合隔离方法、光电耦合隔离方法、电容耦合隔离方法等。
几种隔离方式特点:磁耦合隔离方法:温度系数好,线性可以达到0.05%线性度,价格低。
产生磁辐射,易受干扰,不适宜在强磁场的环境中使用。
例如ADI公司AD202/204/208/210等,埃索雷森公司IPO EM 系列产品。
原理框图如下:光电耦合隔离方法:以前光隔离产品一般不用在线性电路中,而只是将LED和光敏二极管构成的光电耦合器应用在数字信号隔离中,这种结构由于其基本原理的局限性,存在一定的非线性和不稳定性。
现在光电耦合技术克服了单一LED和光电二极管形成隔离时的局限性,采用了直流模拟调制技术,而不是载波技术,从而避免了大多数隔离放大器模块所存在的电磁干扰问题。
但是还存在一些局限性,隔离电压主要受光电耦合器的隔离电压限制一般电压可以最高做到3750VRMS,现在也有一些产品最高可以达到5000VRMS但是这种光电耦合产品还是比较少。
还有一个问题是温度系数偏大(一般在150PPM)。
例如埃索雷森公司IPO OC系列产品。
电容耦合隔离方法:ISO120/121 /122/124是精密隔离放大器,具有新颖工作循环的调制一解调技术。
发送信号时,数字通过一个2pF的差动电容隔离栅,具有数字调制特性的隔离栅不会影响信号的完整性,因此有着极好的可靠性和高频瞬态抑制特性。
放大器和栅电容一同密封在一个IC内。
这些放大器使用方便,无需外部元件就可获得50kHz的带宽。
若附加使用两个外部电容,则可保证在6kHz带宽内有精密额定0.01%的非线性度(最大值)和150uV/℃(最大值)的Vos漂移。
在应用的时候也有些问题:1、输入失调电压在±20~±50mV之间;2、最大的隔离电压一般只做到2500VAC ;3、外部要加电源模块。
隔离放大器原理
隔离放大器是一种电子设备,主要用于将输入信号与输出信号之间进行电气隔离,并通过放大输入信号来得到增强的输出信号。
其工作原理如下:
1. 输入隔离:隔离放大器的第一个功能是将输入信号与输出信号之间进行电气隔离,以防止输入信号中的噪声、电磁干扰等对输出信号产生影响。
这是通过使用隔离变压器和光电隔离器等组件实现的。
输入信号首先被传送到隔离变压器的一侧,而隔离变压器的另一侧与输出信号连接,两者之间没有直接的电气联系。
2. 放大信号:经过输入隔离后的信号被传送到放大器的输入端。
放大器通常采用放大器管或晶体管等放大元件来增大输入信号的幅度。
放大器的放大倍数可以根据需要进行调整,以获得所需的输出信号强度。
3. 输出隔离:经过放大后的信号将被传送到输出隔离器,以实现输出信号与输入信号之间的电气隔离。
输出隔离器通常与输入隔离器使用相同的隔离元件,并将输出信号隔离地传送到输出端口。
隔离放大器的原理在于使用隔离变压器和光电隔离器等元件,将输入信号与输出信号之间进行电气隔离。
这种电气隔离可以有效地阻止输入信号中的噪声、电磁干扰等对输出信号的影响。
同时,通过放大器将输入信号进行放大,可以得到更强的输出
信号。
这种放大过程可以根据需要进行调整,以满足所需的输出信号强度。
ZB220隔离放大器技术说明书
1、 产品特点
直流电量隔离放大,采用进口芯片,线形度好,隔离强度高; 对0——220VDC 信号隔离变送;
输入、输出、供电三端隔离,隔离强度高; 模块化封装,方便板上安装; 防尘、抗震、防氧化。
2、技术参数
项 目 单位 最 小 典 型 最 大 测试条件
输入 VDC 0 -- 220 输出 VDC 0 -- 4.3
输入阻抗 KΩ 100 -- -- 输出负载电阻
KΩ 100 -- -- 精度 ‰ -- -- 5 温度系数 ppm/℃ -- -- 100
功耗 mA 30 80 100 供电 VDC 4.7 5.0 5.3
输入对电源 100 -- -- 输出对电源 100 -- -- 绝缘强度 (MΩ)
输入对输出 100 -- -- 500V 兆欧表
输入对电源
2000 -- -- 输入对输出
2000 -- -- 介质强度(VDC) 输出对电源
1000 -- -- 漏电流5mA,
1min 无击穿或
闪络
环境温度 ℃ -25 20 70 环境湿度 % -- -- 90 相对湿度
存储温度 ℃ -55 -- +105 存储湿度 % -- -- 95 相对湿度
大气压力 Kpa
80
--
110
安装方式 出针,板上焊接安装,输入为引线。
外型尺寸
33×28×25
2、外型尺寸及出针定义(单位:mm)
针号定义
1 输出+
2 输出-
3 空脚
4 空脚
5 空脚
6 电源输入+
7 电源输入-
红色引线输入+
黑色引线输入-。
第四节隔离放大器定义:隔离放大器是一种特殊的测量放大电路,其输入、输出和电源电路之间没有直接电路耦合,即信号在传输过程中没有公共的接地端。
输入电路和放大器输出之间有欧姆隔离的器件。
用途:隔离放大器用于防止数据采集器件遭受远程传感器出现的潜在破坏性电压的影响。
这些放大器还用于在多通道应用中放大低电平信号。
它们也可以消除由接地环路引起的测量误差。
由于不需要附加的隔离电源,带有内部变压器的隔离放大器可以降低电路成本。
组成:它由仪器放大器(或运放)和单位增益隔离级构成。
单位增益隔离级完全隔离了器件的输入和输出(欧姆隔离),使电信号没有欧姆连续性。
仪用放大器+隔离电路===隔离仪器放大器运放+隔离电路===隔离放大器理想特性:理想的隔离放大器要求电信号完全没有欧姆连续性,被传送的信号则要求无任何衰减,信号源不必接地。
应用:隔离放大器优良的输入输出欧姆隔离特性,使它适合于用做医疗监护仪器和病人之间的接口。
隔离电平高且漏电流极小,对保护电子仪器有重要的作用。
电力测试仪器设备。
(将高电压部分和弱电部分隔离)。
保护人身及仪器设备的安全。
①主要用于便携式测量仪器和某些测量系统中,能在噪声环境下以高阻抗、高共模抑制能力传送信号。
②应用于生物医学测量中,确保人体不受超过10uA以上漏电流和高电压(可达几百伏以及数千伏)的危害。
③应用于工业中,防止因故障而使电网电压对低压信号电路(包括计算机)造成损坏。
分类:⑴按隔离模式分类:①两口隔离:指信号输入部分和信号输出部分欧姆隔离。
采取其它措施进行电源隔离。
②三口隔离:指输入、输出和供电部分三部分彼此欧姆隔离。
⑵按隔离方法分类:①光电隔离②电容隔离③变压器隔离(电磁隔离)一.基本原理⑴组成:由输入放大器,输出放大器,隔离器以及隔离电源等几部分组成;注意:两种地(GND),三种信号输入,符号u d:差模输入电压u c:共模输入电压u iso:隔离模电压(加在两种地之间,即隔离壁上)⑵特点:输入放大器及其电源是浮置的,放大器输入端浮置,泄漏电流极小;隔离电阻约为:R iso=1012Ω(采用变压器或光耦合器);隔离电容(典型值) 为:C iso=20pF隔离放大器的输出与输入隔离,消除了通过公共地线的干扰,大大地提高了电路的共模抑制比。