吊弦
- 格式:docx
- 大小:751.21 KB
- 文档页数:9
整体吊弦长度计算整体吊弦长度计算是指在建筑结构中,将吊弦的长度计算为整体长度的方法。
吊弦通常用于吊挂悬挂系统,如天花板、吊顶、灯具等,该系统需要满足一定的静力学要求,如稳定性、可靠性和安全性。
因此,正确计算吊弦的长度对于设计和施工至关重要。
1.直线吊弦的计算直线吊弦是指吊弦的轮廓线是一条直线的情况。
在计算直线吊弦的长度时,可以使用三角形或平行四边形的几何性质来确定吊弦的长度。
具体计算步骤如下:1)确定吊弦的起始点和结束点。
2)根据起始点和结束点的位置关系,确定吊弦的直线方程。
3)计算吊弦的长度,可以使用勾股定理或坐标公式求解。
2.曲线吊弦的计算曲线吊弦是指吊弦的轮廓线不是直线,而是一条曲线。
计算曲线吊弦的长度需要考虑曲线的形状和曲线方程的表示方法。
常见的曲线吊弦有圆弧形吊弦和椭圆形吊弦。
具体计算步骤如下:1)确定吊弦的起始点和结束点。
2)根据吊弦的形状选择相应的曲线方程,如圆弧的方程或椭圆的方程。
3)计算曲线的弧长,可以通过积分或参数方程求解。
3.多段吊弦的计算多段吊弦是指吊弦由多个线段组成的情况。
在计算多段吊弦的长度时,需要将各个线段的长度相加,并考虑各个线段之间的转角。
1)确定吊弦的起始点和结束点。
2)选择适当的线段分段数目,将吊弦分割为若干个线段。
3)计算各个线段的长度,可以使用直线的长度计算方法。
4)考虑各个线段之间的转角,确定各个线段之间的连接方式,如直接相连或采用弯头连接。
总结起来,整体吊弦长度的计算方法根据吊弦的类型进行选择。
对于直线吊弦,可以使用几何方法进行计算;对于曲线吊弦,需要根据曲线的形状选择相应的曲线方程并计算弧长;对于多段吊弦,需要将各线段的长度相加,并考虑各个线段之间的转角。
无论吊弦的类型如何,正确进行吊弦长度的计算可以确保结构系统的稳定性和安全性。
吊弦安装计算一、执行接触网计算软件进入软件主菜单,选定“吊弦安装计算”栏,根据现场实际情况完成基本数据库、原始数据库数据输入。
二、字段说明1)悬挂类型——承导线型号2)导线高——导线高度3)悬挂单位自重——悬挂的每米质量(包括吊弦重、承力索和导线重)4)接触线单位自重——接触线的每米质量5)承力索额定张力——承力索设计的额定补偿张力6)接触线额定张力——接触线设计的额定补偿张力7)预留驰度率——接触线的预留驰度值8)吊弦线夹扣料值——承力索的顶面与导线的底面至吊弦环两端的长度之和9)跨距下限——吊弦布置数量相同的跨距范围的最小值(包括该值)10)跨距上限——吊弦布置数量相同的跨距范围的最大值(不包括该值)11)吊弦根数——分布在该跨距范围内吊弦的总数量12)未知间距数——该跨距范围内吊弦间距未确定的数量13)左1——该跨距内左支柱悬挂点至第一根吊弦的间距14)1-2——第一根吊弦至第二根吊弦的间距15)2-3——第二根吊弦至第三根吊弦的间距16)3-4、4-5、5-6、6-7、7-8、8-9、9-10——各间距类推17)10-右——第十根吊弦至右支柱悬挂点的间距18)跨距特征——该跨距内线路特征(集中负荷、曲线、竖曲线)19)承力索偏移值——承力索相对导线的偏移值20)曲线半径——该跨距所在范围内的线路曲线半径21)集中负荷——该跨距内集中负荷的重量22)竖曲线半径——该跨距内的竖曲线半径23)承力索高度——悬挂点处承力索相对于轨面中心的高度24)曲外超高——悬挂点处曲线的外轨超高25)集中负荷至左端距离——集中负荷中心至左悬挂点的距离26)吊弦1~10——吊弦从左到右的编号27)吊弦位置——吊弦至左侧支柱的距离28)吊弦长度——吊弦加吊弦线夹的长度和29)实际下料——吊弦实际有效长度,不含回头长度30)预留驰度——导线的设计预留驰度三、计算步骤:1)核对吊弦常用数据库、吊弦分布数据库是否正确。
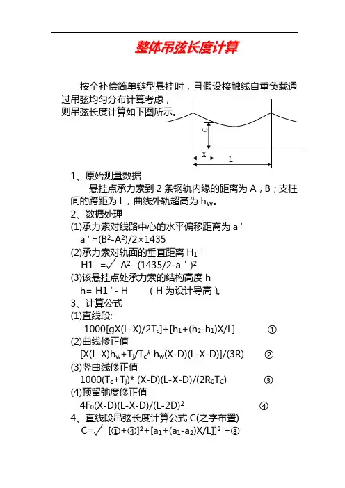
整体吊弦长度计算按全补偿简单链型悬挂时,且假设接触线自重负载通1、原始测量数据悬挂点承力索到2条钢轨内缘的距离为A ,B ;支柱间的跨距为L ,曲线外轨超高为h w 。
2、数据处理(1)承力索对线路中心的水平偏移距离为a 'a '=(B 2-A 2)/2×1435(2)承力索对轨面的垂直距离H 1'H1'= A 2- (1435/2-a ')2(3)该悬挂点处承力索的结构高度hh= H1'- H (H 为设计导高)。
3、计算公式(1)直线段:-1000[gX(L-X)/2T c ]+[h 1+(h 2-h 1)X/L] ①(2)曲线修正值[X(L-X)h w +T j /T c * h w (X-D)(L-X-D)]/(3R) ②(3)竖曲线修正值1000(T c +T j )* (X-D)(L-X-D)/(2R 0T C ) ③(4)预留弛度修正值4F 0(X-D)(L-X-D)/(L-2D)2 ④4、直线段吊弦长度计算公式C(之字布置)C= [①+④]2+[a 1+(a 1-a 2)X/L]]2 +③5、圆曲线段吊弦长度计算公式C= ①+②+③+④6、缓和曲线吊弦长度计算公式C(1)A柱在直线,B柱在缓和曲线,a均为正值C= [①+④]2+[a- aX/L]2 +③(2)A柱在缓和曲线,B柱在直线C= [①+④]2+[aX/L]2 +③7、有集中荷载时吊弦长度修正值hv-VX(L-l)/(TL) (D≤X≤l) hv=- -Vl(L-l)/(TL) (l≤X≤l-D)本文中各个变量的含义:C:吊弦长度(mm)h1:支柱1的结构高度(mm)h2:支柱2的结构高度(mm)g:单位悬挂自重(kg/m)X:吊弦到支柱1的距离(m)L:支柱1到支柱2的实际跨距长度(m)T C:承力索的额定张力(kg)T j:接触线的额定张力(kg)h w1:支柱1处外轨超高(mm)h w2:支柱2处外轨超高(mm)h w:吊弦处外轨超高(mm) h w= h w1+(h w2- h w1)X/LR:曲线半径(m)R0:竖曲线半径(m) 竖曲线“”时为正,反之为负。
第二节吊弦安装吊弦是接触网链形悬挂中,承力索和接触线间的连接部件。
吊弦的作用是通过吊弦线夹,将接触线悬挂到承力索上;调节吊弦的长度以保持接触线距轨面一定的高度,以改善受流质量。
吊弦一般做成环节状,每根吊弦一般不应少于两节,这样就可以保证接触悬挂的弹性。
吊弦一般多采用直径为 4.0mm的镀锌铁线制成,两端环孔的形状做成水珠形,环孔收口处缠绕两圈半,多余的铁线头要截掉。
每节吊弦两端的环孔应呈互相垂直状。
吊弦安装后,应能保证接触线在温度变化时,自由地沿线路方向伸缩移动。
吊弦的制作是用吊弦制作器完成的,个别情况下,在施工和维修中可根据实际需要手工制作。
一、吊弦的类型吊弦一般分为环节吊弦、弹性吊弦、滑动吊弦和整体吊弦四种类型。
1.环节吊弦表17-1 环节吊弦表注:本表适用于结构高度为1.5~1.7m。
环节吊弦一般由二节或三节连在一起,根据吊弦在跨距中所处位置及悬挂结构高度的不同,环节吊弦可分为四种类型,其规格型号如表17-1所列。
环节吊弦最下面的一节应预留穿过安装在接触线上吊弦线夹后回头的长度(约300mm)。
2.弹性吊弦弹性吊弦安装在支柱定位点处。
它是通过一根长约15m的GJ-10(7股)镀锌钢绞线制成的辅助绳和一根(或两根)环节吊弦组合而成的。
由辅助绳和一根环节吊弦组成的弹性吊弦多用于正定位处,称为Y型弹性吊弦。
由辅助绳和二根环节吊弦组成的弹性吊弦多用于反定位、软横跨定位等处,称为型弹性吊弦。
采用弹性吊弦,有利于消除定位点处接触线的硬点,改善定位处悬挂的弹性。
3.滑动吊弦当安装环节吊弦在极限温度下其编移超过允许范围时,就要采用滑动吊弦。
一般用于隧道内接触悬挂。
4.整体吊弦整体吊弦由铜绞线、C(承力索)型线夹、J(接触线)型线夹组成。
整体吊弦是将铜绞线和C型线夹、J型线夹通过压接机压接在一起的。
整体吊弦的不可调性,要求吊弦长度的精确控制和支持装置安装的一次到位。
整体吊弦制作方法及技术要求如下:(1)材料检查①铜绞线无散股、断股、死弯等缺陷,外径尺寸为4.5+0.27(mm)。
可调整体吊弦TJB0103A、压接型整体吊弦TJB0103一、产品用途及说明1、用途:本零件用于在全补偿链型接触悬挂中悬吊接触线。
2、适用范围:2.1 整体吊弦装置用于悬挂铜合金绞线承力索和铜合金接触线;2.2 可调吊弦装置用于在需要调节吊弦长度的特殊位置处悬挂铜合金绞线承力索和铜合金接触线。
二、产品安装示意图可调式整体吊弦根据承力索吊弦线夹类型分为35、70、95、95A、120型。
压接型整体吊弦根据承力索吊弦线夹类型分为35、70、95、95A、120型。
可调整体吊弦组成:1承力索吊弦线夹、2接线端子组合件、3心型嵌环、4调整螺栓线夹、5吊弦线、6压接管、7接触线吊弦线夹。
压接型整体吊弦组成:1承力索吊弦线夹、2接线端子组合件、3心型嵌环、4压接管、5吊弦线、6接触线吊弦线夹。
三、机械性能1、本零件的最大工作荷重为1.3kN;垂直破坏荷重3.9 kN。
2、吊弦线夹与接触线及承力索之间的滑动荷重值不小于1.0 kN;3、钳压管与吊弦线之间的滑动荷重不小于3.9 kN;4、吊弦线的破断力不小于5.67kN。
5、连接线夹与吊弦线之间的滑动荷重不小于1.0 kN;6、螺栓的紧固力矩25-32 N.m。
7、吊弦固定螺栓的紧固力矩25N.m,调节固定后,调节固定螺栓与吊弦线间的滑动荷重不小于3.9kN。
四、安装方法警告▲仔细阅读安装使用说明中的注意事项,必须由培训合格的人员正确安装。
▲坠落危险!高空作业时要确保安全第一。
安装时可能会产生危险。
必须佩戴安全帽、安全带。
▲高空作业人员、地面上的工作人员均应考虑到高空坠落的零件或工具可能造成的伤害,采取必要的防范、规避措施。
忽视这些注意事项易引起人员伤亡。
(一)整体吊弦装置TJB0103的安装方式:1、根据安装示意图或装配图材料表检查零部件是否齐全;检查零件是否有影响使用的质量缺陷或变形;线夹本体型号与线型规格是否一致;紧固件之间的配合是否灵活。
2、通过现场工艺试验确定吊弦线(10mm2铜镁软绞线)长度。
国标吊弦型号
国标吊弦型号是指符合国家标准的吊弦产品的型号。
吊弦是一种用于吊装、固定和悬挂物体的工具,常用于建筑工地、仓库和物流场所等。
国标吊弦型号的命名通常包含吊弦的尺寸、承重能力以及其他特殊要求。
例如,国标吊弦型号可以是类似于"GBD-2.0T-10m"的形式,其中"GBD"代表国标吊弦的缩写,"2.0T"表示吊弦的承重能力为2.0吨,"10m"表示吊弦的长度为10米。
在选购国标吊弦时,首先需要根据实际使用需求确定吊弦的尺寸和承重能力。
一般来说,吊弦的尺寸应根据需要吊装的物体的大小来选择。
如果吊装的物体较大或较重,需要选择尺寸较大、承重能力较高的吊弦。
此外,吊弦的材质也需要根据需要来选择,常见的材质有钢丝绳、合成纤维绳等。
除了尺寸和承重能力外,国标吊弦还可能有其他特殊要求,例如防腐蚀、防静电等。
这些特殊要求通常会在型号中进行标注。
在使用国标吊弦时,需要根据吊弦的使用说明书来正确安装和操作。
吊弦的安装应牢固可靠,避免出现意外事故。
在吊装物体时,需要根据吊弦的承重能力合理分配吊装点,保证吊装平稳。
同时,在吊装过程中需要注意周围环境的安全,避免人员和物体受到伤害。
国标吊弦型号是选择吊弦产品时的重要参考依据,通过了解吊弦的
尺寸、承重能力和其他特殊要求,可以选择适合自己需求的吊弦产品,确保安全高效地进行吊装操作。
吊弦
(一)检修标准
1. 吊弦偏移:接触线与承力索同材质时,吊弦在任何情况下均垂直(交叉吊弦除外)。
标准值:0。
标准状态:20mm。
警示值:50mm。
限界值:100mm。
2.吊弦位置
标准值:见吊弦间距表。
吊弦间距表
标准状态:标准值±50mm。
警示值:标准值±100mm。
限界值:标准值±200mm。
3.两相邻吊弦点接触线高差
标准值:0。
标准状态:10mm。
警示值:10mm。
限界值:15mm。
定位点两侧第1吊弦处(弹性链型悬挂时为弹性吊索外第1吊弦)接触线高度应相等。
相对于定位点处接触线高度±10mm,且不得出现V形。
4. 吊弦状态
吊弦的长度要能适应在极限温度范围内
接触线的伸缩和弛度的变化,否则应采用滑动
吊弦。
吊弦预制长度应与计算长度相等,偏差
应不大于±1.5mm。
5. 吊弦线夹
吊弦线夹在直线处应保持铅垂状态,曲线处应垂直于接触线工作面。
曲线处接触线吊弦线夹螺栓应穿向曲线外侧。
6.载流环
吊弦载流环应固定在吊弦线夹螺栓的外侧,接触线吊弦线夹处载流环应与列车前进方向一致,承力索吊弦线夹处载流环应与列车前进方向相反,线鼻子与接触线夹角保持30°~45°。
7.吊弦损伤
标准值:无损伤
标准状态:无损伤。
警示值:断3根单丝。
限界值:断7根单丝。
(二)准备工作
1.人员:车梯作业不少于11人,作业车作业不少于7人(不含司机)。
2.工具:绝缘车梯(作业车)、绝缘吊绳、扭力扳手、工具包、小油桶、油刷、测量工具、安全工具、防护工具等。
3.材料:吊弦、扎线、夹环、吊弦线夹、吊索线夹等。
(三)检修步骤。
正确掰法
防松垫片未掰到位
1. 检查吊弦布置数量、间距
2. 检查吊弦是否与其他线索互磨 4. 检查防松垫片是否掰到位
3. 检查简单悬挂吊索线夹是否安装正确,牢固,截面磨耗,螺栓是否有油,有无偏斜打弓现象
(四)处理方法
1.吊弦过松或过紧:
可调整体吊弦:松开调节螺栓,调整吊弦到合适长度。
2. 吊弦线出现断股、散股、烧伤等本身缺陷: 更换吊弦:
2.1 拆除原吊弦,用φ2.0铁丝模拟测出长度。
2.2 制作吊弦:
2.2.1 根据预制吊弦长度和吊弦部件图领取材料。
1---线鼻子 2---吊弦线 3---压接环 4---心形环
吊弦部件
2.2.2 将吊弦线穿过压接套环,在线的终端形成一个环后,再将线头穿回压接套环,并拉出。
2.2.3 测量压接套环外的直线长度(200mm ),做上标记。
2.2.4 在这个位置上,轻压压接套环的回头侧,将压接套环固定在该位置。
2 4
3 1
固定压接套环图
2.2.5 拿一个心形环固定在载流环弯曲处,将线和压接套环置于压接槽内,压接套环紧靠导向板,并处于压模相对中心的位置。
压接套环在压钳模内图
2.2.6 拉紧线尾,使线套按顺时针方向紧固在心形环上,在此过程中,导向板起着终点档板的作用。
压接套环两端应对称。
2.2.7 检查两线在压接套环中是否互相密贴,确认后,启动冲压(在液压操动阀门单元的控制阀门;在手动压接钳,用控制杆关闭压模)。
2.2.8 使用液压设备时,通过启动控制阀门(打开手动压接钳)打开压接槽,取出心形环。
2.2.9 压接完一个心形环后,测量吊弦线切割的长度,在切割处两边缠捆胶带,以防吊弦线散股,再用断线钳切断吊弦线。
2.2.10 按上述第一个心形环制作程序制作第二个心形环。
2.2.11 复核吊弦长度。
2.2.12 在载流环线头上安装线鼻子,心形环和线鼻子的排列方向。
心形环和线鼻子排列及方向图
2.2.13 固定线鼻子在压接钳口位置,压接第一个压痕和第二个压痕。
2.2.14 重复上述程序固定压接另一头的线鼻子,并注意线鼻子的相对位置。
3.接触线吊弦线夹倾斜:
松开接触线吊弦线夹,用接触线扭面器扭正接触线面(方法见接触线检修工艺),然后紧固接触线吊弦线夹。
4.承力索吊弦线夹倾斜:
用小绳固定承力索与导线间距,松开承力索吊弦线夹,调正后紧固。
5.线鼻子倾斜可能引起打弓:
松开接触线吊弦线夹调整至顺线路方向45度角以上。
6.吊弦载流环与接触线夹角过小:
松开接触线吊弦线夹紧固螺母,调整载流环与接触线角度。
7.若防松垫片未掰到位,将长边掰向线夹侧,短边掰向螺母侧。
(五)注意事项
1.作业人员不宜位于线索受力方向的反侧,并采取防止线索滑脱的措施。
2.严禁踩踏接触线。
3.个别吊弦采取更换和移动后,应测量该点导高参数,严格保证导高参数达标。
成45°夹角,安装正确。