施工现场污染源环境因素识别及评价表样本
- 格式:doc
- 大小:633.50 KB
- 文档页数:8
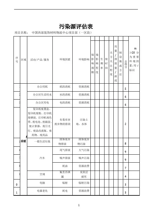
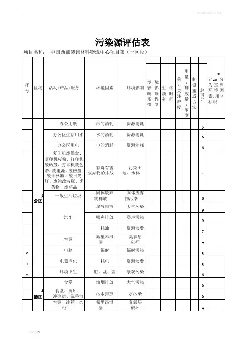
施工现场污染源环境因素识别及评价表(样本)污染源评估表项目名称:中国西部装饰材料物流中心项目部(一区段)4复印机废墨盒、复印机废粉、打印机废硒鼓、打印机废色带、废电池、废磁盘、废计算器、废日光灯、废涂改液瓶、废药物、废药品有毒有害废弃物的排放污染土地、水体1 2 2 3 2 1 1125 一般生活垃圾固体废弃物排放固体废弃物污染2 2 4 23 3 2186汽车尾气排放大气污染2 2 4 2 43 2197 噪声排放噪声污染2 2 4 2 43 2198 耗油资源浪费1 1 42 43 2179 空调氟里昂泄漏臭氧层破坏2 1 2 2 4 1 2141 0 电脑辐射辐射污染1 1 42 2 1 2131 1 电器老化耗电资源浪费1 1 42 2 1 2131 2 环境卫生脏、乱、差景观污染2 23 2 3 3 1161生活区食堂油烟排放大气污染2 23 2 3 2 2162食堂、厕所、冲凉房、洗手池污水排放水污染 2 3 4 2 2 2 1163 空调、冰箱、冰柜氟里昂泄漏臭氧层破坏2 1 2 2 4 1 2144 空调、冰箱、冰柜噪声排放噪声污染2 2 2 2 2 2 2145 液化气液化气泄漏大气污染2 2 4 23 2 2176炊用机械噪声排放噪声污染1 2 4 2 2 2 3167 机油泄漏污染土地水体2 2 4 23 1 3178 一般生活垃圾固体废弃物排放固体废弃物污染2 2 4 2 43 2199 生活用水水的消耗资源消耗1 1 42 23 2151 0 生活用电电的消耗资源消耗1 1 42 23 2151 1电器老化耗电资源浪费1 1 42 2 2 214 以下为生产区一、土方与基坑工程1土方开挖、回填土方机械挖掘机、推土机、装载机噪声排放噪声污染2 2 4 23 3 3192 土方机械排放废气大气污染2 3 3 2 4 3 2193 使用打夯机、平板式振动器夯实产生振动振动污染2 23 2 3 2 2164 土方、压实机械耗油或耗电资源消耗1 2 2 2 2 3 2145 土方、压实机械跑冒滴漏污染土地、水体1 32 1 2 1 3136 扬尘排放粉尘污染2 2 4 1 43 42√7 现场洒水资源消耗1 12 23 1 2128土石方运输运输时遗洒污染路面固体废弃物污染3 3 5 2 5 2 222√9 运输车辆进出施工现场用水冲洗资源消耗1 12 23 2 21310 运输车辆进出水污染 2 2 4 2 2 2 1 1施工现场用水冲洗产生污水5 二、地基处理与桩基工程1地基处理换填地基产生粉尘粉尘污染3 34 1 4 3 22√2 夯实地基产生振动振动污染2 23 1 2 2 113三、模板工程1木模制作耗用木材资源消耗2 2 2 234 3182 耗用铁钉资源消耗2 1 2 2 2 2 3143 产生边角余料、木屑固体废弃物污染2 2 2 2 2 2 3154 产生的木屑粉尘污染1 1 32 2 2 2135木模安装脱模剂滴漏污染土地、水体2 2 2 2 2 2 3156 脱模剂挥发大气污染2 2 2 2 2 2 4167 使用木工机械平刨、压刨、圆盘锯产生噪声噪声污染3 3 3 34 3 322√8 电的耗用资源消耗2 2 2 23 2 3169 机械老化耗电资源浪费1 12 23 2 31410 钢模板 脱模剂滴漏 污染土地、水体 1 2 2 2 2 2 415 11 脱模剂挥发 大气污染 1 2 2 2 2 1 41412 模板保养机油跑冒滴漏 污染土地、水体 2 2 2 2 2 2 31513 模板支设、拆除、清理 拆除产生废渣 固体废弃物污染2 3 2 2 2 2 215 14 产生噪声 噪声污染 3 2 3 2 2 3 419四、钢筋工程1 钢筋运输、制作、加工、安装 耗用钢材 资源消耗 2 2 2 2 2 2 214 2 产生噪声 噪声污染 3 4 2 2 4 2 219 3 产生粉尘 粉尘污染 3 3 3 2 3 2 2 18 4 产生废钢筋头、铁丝下脚料、铁锈等 固体废弃物污染2 2 2 2 2 2 2145 使用钢筋除锈机、调直机、切断机、弯产生噪声 噪声污染 2 2 5 2 2 2 419 6 机油的跑冒滴漏 污染土地、水体 2 2 2 2 2 2 2 14 7 电的耗用 资源消耗 2 2 2 2 3 2 2 158 曲机机械老化耗电资源浪费2 2 2 23 2 2159焊接与气割产生噪声噪声污染3 4 2 2 4 2 21910 产生强光光污染 2 3 2 2 2 2 2 1 511 产生金属烟尘、有害气体大气污染2 3 3 2 2 2 21612 产生熔渣固体废弃物污染2 2 2 2 2 2 11313 产生弧光辐射辐射污染2 3 2 2 2 2 21514 产生废渣固体废弃物污染2 2 2 2 2 2 113五、混凝土工程1混凝土制作耗用石子、沙子、水泥资源消耗2 2 2 2 23 2152 耗用水、电资源消耗2 2 2 2 23 2153 搅拌产生噪声噪声污染3 2 3 2 2 2 2164 搅拌产生粉尘粉尘污染1 2 3 2 2 2 2145 排放污水水污染 2 2 3 2 3 2 1 1 56 机油的跑冒滴漏 污染土地、水体 3 2 2 2 3 2 216 7 搅拌机老化耗电 资源浪费 2 2 2 2 3 2 2158 计量不准 资源浪费 2 2 2 2 3 2 2159 混凝土外加剂 使用含有尿素、氨类等有刺激性气味成份的外加剂大气污染 2 3 3 3 3 2 3 1911 水泥装卸 产生粉尘 粉尘污染 2 2 2 2 3 2 11412 产生废纸袋 固体废弃物污染2 2 2 23 2 31613 混凝土运输和输送使用输送泵产生噪声 噪声污染 3 2 3 2 4 4 321√ 14 混凝土、砂浆遗洒 固体废弃物污染3 2 2 2 3 2 1 1515 用水清洗运输或输送工具耗水 资源消耗水污染2 2 2 2 2 2 21416 混凝土输送泵、塔吊、混油的耗用 资源消耗 2 2 2 2 3 1 214 17 机油的跑冒滴漏 污染土地、水体 2 2 2 2 3 1 2 1418 凝土运输车、机动翻斗车维修保养 油漆泄漏 大气污染 2 2 2 2 3 1 2 14 19产生废弃铁件、废弃钢丝刷固体废弃物污染 2 2 2 2 3 2 4 1720 产生废油漆容器等有毒有害废弃物污染土地水体 2 4 2 2 3 1 3 1721 混凝土振捣 电的耗用 资源消耗 2 2 2 2 3 2 2 1522 产生噪声 噪声污染 3 4 3 2 3 4 3 22√23 漏浆、废混凝土排放 固体废弃物污染2 2 2 2 2 2 2 1424 产生污水 水污染 3 2 2 2 3 2 2 1625 振捣棒、平板振动器维修机油的跑冒滴漏 污染土地、水体 2 2 2 2 3 1 2 14 26 混凝土养护 水的耗用 资源消耗 2 2 2 2 2 2 2 1427 废水排放 水污染 3 3 2 2 3 1 2 16六、砌体工程1 砂浆制耗用砂子、水资源消耗2 2 2 2 2 2 2 1作 泥 4 2 耗用水、电 资源消耗 2 2 2 2 2 3 215 3 产生噪声 噪声污染 3 4 2 2 3 3 219 4 产生粉尘 粉尘污染 3 4 2 2 3 3 2195 机油的跑冒滴漏 污染土地、水体 2 2 2 2 2 2 214 6 搅拌机老化耗电 资源浪费 2 2 2 2 2 2 2147计量不准 资源浪费 2 2 2 2 2 2 2148 砂子、砌体、砌块堆放产生粉尘 粉尘污染 3 4 2 2 3 2 117七、屋面工程 1 高分子卷材屋面卷材下脚料的产生 废物污染 2 2 2 2 4 2 317八、防水工程 1 卷材防水 下脚料的丢弃 废物污染 2 2 2 2 2 2 113 2 橡胶止水带 废弃边角料 固体废弃物污染 3 3 2 2 3 2 3 18 九、建筑地面工程 1 水泥砂砂浆制作同砌浆、 砼面层 体工程中砂浆制作2 瓷砖、面砖贴面 瓷砖、面砖的辐射 辐射污染 3 3 2 2 3 2 2173 木屑、木糠 粉尘污染 2 3 2 2 3 2 216 4 切割时产生噪音 噪声污染 2 2 2 2 2 2 3155 煤油、清油、松节油等挥发泄漏水体、大气污染 3 3 2 2 3 1 3176 面砖包装盒 产生废旧垃圾 废物污染 1 1 2 2 2 2 2127 纸质材料的使用 资源消耗 1 1 2 2 2 2 2 128 泡沫等废弃物丢弃 白色废弃物污染 2 3 2 2 4 3 1179 木地板大量木材消耗 资源消耗 3 3 2 2 4 2 21810 防腐剂挥发泄漏 水体、大气污染 3 3 2 2 3 2 31811 边角料的丢弃 废物污染 2 2 2 2 3 3 21612 机械加工噪音的排放 噪声污染 3 3 2 2 3 3 31913 栏杆、扶手 氩弧焊焊机产生噪声 噪声污染 2 4 2 2 3 2 31814 (不锈钢) 切断机械噪声的排放 噪声污染 3 2 2 2 2 3 31715 钨棒辐射 辐射污染 3 3 2 2 3 2 41916 环氧树脂、油灰、玻璃胶等挥发泄漏水体、大气污染 3 3 2 2 3 2 318十、建筑装饰装修工程1 抹灰工程 基层清理产生废渣 固体废弃物污染2 2 2 23 3 3173 抹灰产生废渣 固体废弃物污染 2 2 2 2 3 3 3 174 清扫产生粉尘 粉尘污染 2 2 2 2 3 3 3175 饰面板(砖)工程 饰面板(砖)工程 石材饰面材料放射性核素超标,人造木板及饰面人造木板游离甲醛含量或游离甲醛释放量超标辐射污染大气污染2 4 2 2 4 1 3186 饰面材料切割产生噪声噪声污染 3 4 2 2 3 3 118 7 饰面材料切割产生粉尘 粉尘污染 3 3 2 2 3 3 2188 边角料的丢固体废弃2 2 2 2 2 3 2 1弃物污染 59 饰面清洁产生污水水污染 2 2 2 2 3 3 21610 基层处理产生粉尘粉尘污染 2 2 2 2 3 3 21611 基层处理产生固体废弃物固体废弃物污染2 2 2 23 3 21612吊顶工程机械使用排放噪声噪声污染 3 3 2 2 3 3 31913 耗费木材资源浪费 3 3 2 2 3 3 2 1 714 石膏板等无机非金属装修材料放射性核素超标辐射污染 3 2 2 2 2 3 31715 刷防腐油,油气挥发泄漏大气水体废渣污染3 3 2 2 3 2 31816 产生的边角料固体废弃物2 2 2 23 2 21517 打孔产生的粉尘的排放粉尘污染 2 2 2 2 3 2 21519 各种化学品挥发泄漏大气水体废渣污染3 3 2 2 3 2 31820 清理产生的废渣废物污染 2 2 2 2 3 2 21521 涂饰和有害气体液大气水体3 3 2 2 3 3 2 1裱糊工程体挥发废渣污染822 废旧容器的丢弃废物污染 3 2 2 2 4 3 31925 用过的劳保用品的丢弃废物污染 2 2 2 2 2 2 21427 机械使用产生噪声噪声污染 3 3 2 2 3 2 21728 废渣等的丢弃固体废弃物污染2 2 2 23 3 21629 泥浆泵噪声的排放噪声污染 2 3 2 2 3 3 21731木门窗电动工具使用产生噪声噪声污染 3 3 2 2 3 3 21832 消耗木材资源消耗 2 3 2 2 3 3 3 1 833 边角料的丢弃固体废弃物2 2 2 23 2 21534 产生的废渣等废物污染 2 2 2 2 3 2 21535 刷油漆排放有害气体大气污染 3 3 2 2 3 3 21836 木门窗烘干排放烟尘大气污染 3 3 2 2 4 3 21937 金属、塑钢门窗等各种机械制作排放噪声噪声污染 3 3 2 2 4 3 21939 废油的排放水体污染 3 3 2 2 4 2 2 1 840 电石有害气体液体挥发大气水体废渣污染3 3 2 2 3 2 31741 边角料的丢弃固体废弃物2 3 2 2 3 2 21642 废玻璃、废塑料胶纸等固体废弃物固体废弃物污染2 2 2 23 2 21643 废劳保用品的处理废物污染 2 2 2 2 3 2 21544 各种填充胶、结构胶、密封胶、化学品挥发有害气体大气污染 3 3 2 2 3 3 218十一、建筑给水排水及采暖工程1预制、加工件安装操作粉尘粉尘污染 3 3 2 2 3 2 2172 油漆滴漏大地、水体污染2 3 2 2 3 2 2163 边角料处置废物污染 2 2 2 2 3 2 3 1 64 防腐填料大地、水体污染2 3 2 2 3 2 2165套丝机机械噪声噪声污染 3 3 2 2 3 2 3186 机油泄漏大地、水体污染3 3 2 2 3 2 3187 砂轮切机械噪声噪声污染 2 1 2 2 4 2 3 1割机 68操作引起粉尘 环境污染 3 3 2 2 3 2 3 1810 PPR 管高温加热连接 产生臭味 大气污染 3 2 2 2 2 2 21511 管道通水 渗漏 资源浪费 2 2 2 2 2 2 21412 PVC 管 边角料 固体废弃物污染 2 2 2 2 2 2 21413 粘合剂使用 废旧容器处置 废物污染 3 2 2 2 4 2 31814 连接剂滴漏 土地污染 3 2 2 2 3 1 21515 粘合剂气味 大气污染 3 2 2 2 3 2 21616 铸铁管 防腐油漆滴漏 大气、水体污染 3 2 2 2 3 1 21517 机械噪声 噪声污染 3 3 2 2 3 2 318 18 切割粉尘 粉尘污染 3 3 2 2 3 2 318十二、建筑电气安装工程 1 镀锌圆钢、扁铁调直操作噪声 噪声污染 3 3 2 2 3 3 2 182 PVC管边角料处置废物污染 2 2 2 2 2 2 2143粘合剂使用废旧容器处置废物污染 3 2 2 2 4 2 1164 粘合剂滴漏大地污染 3 2 2 2 3 1 2 1 55 粘合剂气味大气污染 3 2 2 2 3 2 2 1 66预制、加工件安装操作粉尘环境污染 3 3 2 2 3 2 2177 油漆滴漏大地环境污染2 3 2 2 3 2 2168 边角料处置废物污染 2 2 2 2 3 2 3 1 69 防腐填料大地环境污染2 3 2 2 3 2 21611 电缆敷设操作粉尘环境污染 2 2 2 2 2 2 21412 电缆头制安烫锡烟雾大气污染 2 2 2 2 3 3 21613 油漆的使用油漆泄漏大气、水体污染3 3 2 2 3 2 318十三、通风与空调工程1 风管制作操作噪声噪声污染 2 3 2 2 3 3 2172 法兰制作 操作粉尘 粉尘污染 3 3 2 2 3 2 2163 油漆滴漏 大地环境污染 2 3 2 2 3 2 216 4 边角料处置 废物污染 2 2 2 2 3 2 3165 防腐填料 大地环境污染 2 3 2 2 3 2 2166 风管就位、安装操作噪声 噪声污染 3 3 2 2 3 3 2187 边角料 边角料的丢弃 固体废弃物污染 2 2 2 2 3 2 3168 制作 废劳保用品 废物污染 2 2 2 2 2 2 2149 刷油,油外泄 废油 水体污染 3 3 2 2 3 3 21812 各种机械制作 噪声 噪声污染 3 2 2 2 3 3 21713 电动空压机使用噪声 噪声污染 3 2 2 2 2 2 316十四、脚手架工程和垂直运输设施1 脚手架、产生噪声 噪声污染 32 2 2 1 43 1井架搭建、拆除72钢管、扣件、螺栓吊车、升降机、物料提升架保养机油、油漆滴漏污染土地、水体3 3 2 2 3 1 2163 废砂轮、废钢丝刷固体废弃物污染2 2 2 23 2 4174 废油漆容器污染土地、水体2 4 2 2 1 4 3185 油漆泄漏大气污染 3 3 2 2 3 2 2 1 76 吊车、升降机、物料提升架运行产生噪声噪声污染 3 2 2 2 4 3 319十五、其它1 现场场地及道路未硬地化扬尘排放粉尘污染 2 2 4 2 4 2 521√2 施工现场夜间照明灯光强光照射光污染 3 3 2 2 4 2 3193 施工现场生产用水、生产用电无节制使用资源浪费 2 3 4 2 3 2 3194 安全网、挡板防护不严粉尘外泄大气污染 3 2 2 2 4 2 2175 废渣外泄固体废弃3 3 2 2 3 3 2 1物污染 86 拆除安全网、挡板防护,向建筑物外抛掷垃圾 粉尘外泄 粉尘污染 3 2 2 2 3 4 2 187 油漆、易燃材料库房及其作业面、木工房、电气焊作业点、氧气瓶(库)、乙炔气瓶(库)、食堂液化气瓶、油库、建筑垃圾、冬期混凝土养护作业、施工现场配电室。
1、环境因素评价多因子评价法分值表:
(1)、环境影响的范围(A):(2)、环境影响的严重程度(B):
(3)、发生频率(C ):(4)、法律法规符合性(D):(5)、相关方的关注程度(E):
重要环境因素评分标准:
当A或B或D=5时,或∑(A+B+C+D+E)≥11时,一般定为重要环境因素。
2、环境因素识别与评价的三种时态:
(1)现在:正在发生的环境问题,是环境行为主体,直接对环境造成影响。
(2)过去:以前遗留的环境问题,如果对现在还有影响,则应予识别。
(3)将来:将来可能发生的环境问题,特别是预防措施不当导致不良的后果。
3、环境因素识别与评价的三种状态:
(1)正常:正常运行时产生的环境问题
(2)异常:异常工况时如生产设备启动或关闭、维修或调试时发生的环境问题。
(3)紧急:可以预见的意外情况或紧急状态时产生的环事故应予以识别。
4、八种情况(类型):
(1)向大气的排放;
(2)向水体的排放;
(3)向土地的排放;
(4)原材料和自然资源的使用;
(5)能源使用;
(6)能量释放(如热、辐射、振动等);
(7)废物和副产品;
(8)物理属性(如大小、形状、颜色、外观等)。
环境因素辨识评价一览表。
施工现场污染源环境因素识别及评价表(样本)————————————————————————————————作者:————————————————————————————————日期:1污染源评估表项目名称:中国西部装饰材料物流中心项目部(一区段)序号区域活动/产品/服务环境因素环境影响a b c d e f g mm≥20分为重要环境因素,用√标识环境影响规模环境影响程度发生频率持续时间相关方关注程度使用量/排放量/浓度控制设施或方法总得分1办公区办公用纸纸的消耗资源消耗 1 1 4 2 2 3 2 152 办公区生活用水水的消耗资源消耗 1 1 4 23 3 2 163 办公区用电电的消耗资源消耗 1 14 2 3 3 2 164 复印机废墨盒、复印机废粉、打印机废硒鼓、打印机废色带、废电池、废磁盘、废计算器、废日光灯、废涂改液瓶、废药物、废药品有毒有害废弃物的排放污染土地、水体1 2 2 3 2 1 1 125 一般生活垃圾固体废弃物排放固体废弃物污染2 2 4 23 3 2 186汽车尾气排放大气污染 2 2 4 2 4 3 2 197 噪声排放噪声污染 2 2 4 2 4 3 2 198 耗油资源浪费 1 1 4 2 4 3 2 179 空调氟里昂泄漏臭氧层破坏2 1 2 2 4 1 2 1410 电脑辐射辐射污染 1 1 4 2 2 1 2 1311 电器老化耗电资源浪费 1 1 4 2 2 1 2 1312 环境卫生脏、乱、差景观污染 2 2 3 2 3 3 1 161生活区食堂油烟排放大气污染 2 2 3 2 3 2 2 162食堂、厕所、冲凉房、洗手池污水排放水污染 2 3 4 2 2 2 1 163 空调、冰箱、冰柜氟里昂泄漏臭氧层破坏2 1 2 2 4 1 2 144 空调、冰箱、冰柜噪声排放噪声污染 2 2 2 2 2 2 2 145 液化气液化气泄漏大气污染 2 2 4 2 3 2 2 176炊用机械噪声排放噪声污染 1 2 4 2 2 2 3 167 机油泄漏污染土地水体 2 2 4 2 3 1 3 178 一般生活垃圾固体废弃物排放固体废弃物污染2 2 4 2 43 2 199 生活用水水的消耗资源消耗 1 1 4 2 2 3 2 1510 生活用电电的消耗资源消耗 1 1 4 2 2 3 2 1511 电器老化耗电资源浪费 1 1 4 2 2 2 2 14以下为生产区一、土方与基坑工程1土方开挖、回填土方机械挖掘机、推土机、装载机噪声排放噪声污染 2 2 4 2 3 3 3 192 土方机械排放废气大气污染 23 3 24 3 2 193 使用打夯机、平板式振动器夯实产生振动振动污染 2 2 3 2 3 2 2 164 土方、压实机械耗油或耗电资源消耗 1 2 2 2 2 3 2 145 土方、压实机械跑冒滴漏污染土地、水体 1 3 2 1 2 1 3 136 扬尘排放粉尘污染 2 2 4 1 4 3 4 20 √7 现场洒水资源消耗 1 1 2 2 3 1 2 128土石方运输运输时遗洒污染路面固体废弃物污染3 3 5 2 5 2 2 22 √9 运输车辆进出施工现场用水冲洗资源消耗 1 1 2 2 3 2 2 1310运输车辆进出施工现场用水冲洗产生污水水污染 2 2 4 2 2 2 1 15 二、地基处理与桩基工程1地基处理换填地基产生粉尘粉尘污染 3 3 4 1 4 3 2 20 √2 夯实地基产生振动振动污染 2 23 1 2 2 1 13三、模板工程1木模制作耗用木材资源消耗 2 2 2 2 3 4 3 182 耗用铁钉资源消耗 2 1 2 2 2 23 143 产生边角余料、木屑固体废弃物污染2 2 2 2 2 23 154 产生的木屑粉尘污染 1 1 3 2 2 2 2 135木模安装脱模剂滴漏污染土地、水体 2 2 2 2 2 2 3 156 脱模剂挥发大气污染 2 2 2 2 2 2 4 167 使用木工机械平刨、压刨、圆盘锯产生噪声噪声污染 3 3 3 3 4 3 3 22 √8 电的耗用资源消耗 2 2 2 2 3 2 3 169 机械老化耗电资源浪费 1 1 2 2 3 2 3 1410钢模板脱模剂滴漏污染土地、水体 1 2 2 2 2 2 4 1511 脱模剂挥发大气污染 1 2 2 2 2 1 4 1412 模板保养机油跑冒滴漏污染土地、水体 2 2 2 2 2 2 3 1513 模板支设、拆除、清理拆除产生废渣固体废弃物污染2 3 2 2 2 2 2 1514 产生噪声噪声污染 3 2 3 2 2 3 4 19四、钢筋工程1钢筋运输、制作、加工、安装耗用钢材资源消耗 2 2 2 2 2 2 2 142 产生噪声噪声污染34 2 2 4 2 2 193 产生粉尘粉尘污染 3 3 3 2 3 2 2 184 产生废钢筋头、铁丝下脚料、铁锈等固体废弃物污染2 2 2 2 2 2 2 145 使用钢筋除产生噪声噪声污染 2 2 5 2 2 2 4 196 锈机、调直机、切断机、弯曲机机油的跑冒滴漏污染土地、水体 2 2 2 2 2 2 2 147 电的耗用资源消耗 2 2 2 2 3 2 2 158 机械老化耗电资源浪费 2 2 2 2 3 2 2 159焊接与气割产生噪声噪声污染 3 4 2 2 4 2 2 1910 产生强光光污染 2 3 2 2 2 2 2 1511 产生金属烟尘、有害气体大气污染 2 3 3 2 2 2 2 1612 产生熔渣固体废弃物污染2 2 2 2 2 2 1 1313 产生弧光辐射辐射污染 2 3 2 2 2 2 2 1514 产生废渣固体废弃物污染2 2 2 2 2 2 1 13五、混凝土工程1混凝土制作耗用石子、沙子、水泥资源消耗 2 2 2 2 2 3 2 152 耗用水、电资源消耗 2 2 2 2 23 2 153 搅拌产生噪声噪声污染 3 2 3 2 2 2 2 164 搅拌产生粉尘粉尘污染 1 2 3 2 2 2 2 145 排放污水水污染 2 2 3 2 3 2 1 156 机油的跑冒滴漏污染土地、水体 3 2 2 2 3 2 2 167 搅拌机老化耗电资源浪费 2 2 2 2 3 2 2 158 计量不准资源浪费 2 2 2 2 3 2 2 159 混凝土外加剂使用含有尿素、氨类等有刺激性气味成份的外加剂大气污染 2 3 3 3 3 2 3 1911水泥装卸产生粉尘粉尘污染 2 2 2 2 3 2 1 1412 产生废纸袋固体废弃物污染 2 2 2 2 3 2 3 1613混凝土运输和输送使用输送泵产生噪声噪声污染 3 2 3 2 4 4 3 21 √14 混凝土、砂浆遗洒固体废弃物污染 3 2 2 2 3 2 1 1515 用水清洗运输或输送工具耗水资源消耗水污染 2 2 2 2 2 2 2 1416混凝土输送泵、塔吊、混凝土运输车、机动翻斗车维修保养油的耗用资源消耗 2 2 2 2 3 1 2 1417 机油的跑冒滴漏污染土地、水体 2 2 2 2 3 1 2 1418 油漆泄漏大气污染 2 2 2 2 3 1 2 1419 产生废弃铁件、废弃钢丝刷固体废弃物污染 2 2 2 2 3 2 4 1720 产生废油漆容器等有毒有害废弃物污染土地水体 2 4 2 2 3 1 3 1721混凝土振捣电的耗用资源消耗 2 2 2 2 3 2 2 1522 产生噪声噪声污染 3 4 3 2 3 4 3 22 √23 漏浆、废混凝土排放固体废弃物污染 2 2 2 2 2 2 2 1424 产生污水水污染 3 2 2 2 3 2 2 1625 振捣棒、平板振动器维修机油的跑冒滴漏污染土地、水体 2 2 2 2 3 1 2 1426混凝土养护水的耗用资源消耗 2 2 2 2 2 2 2 1427 废水排放水污染 3 3 2 2 3 1 2 16六、砌体工程1砂浆制作耗用砂子、水泥资源消耗 2 2 2 2 2 2 2 142 耗用水、电资源消耗 2 2 2 2 23 2 153 产生噪声噪声污染 34 2 2 3 3 2 194 产生粉尘粉尘污染 3 4 2 2 3 3 2 195 机油的跑冒滴漏污染土地、水体 2 2 2 2 2 2 2 146 搅拌机老化耗电资源浪费 2 2 2 2 2 2 2 147 计量不准资源浪费 2 2 2 2 2 2 2 148 砂子、砌体、砌块堆放产生粉尘粉尘污染 3 4 2 2 3 2 1 17 七、屋面工程1高分子卷材屋面卷材下脚料的产生废物污染 2 2 2 2 4 2 3 17 八、防水工程1卷材防水下脚料的丢弃废物污染 2 2 2 2 2 2 1 132 橡胶止水带废弃边角料固体废弃物污染3 3 2 2 3 2 3 18九、建筑地面工程1 水泥砂浆、砼面层砂浆制作同砌体工程中砂浆制作2瓷砖、面砖贴面瓷砖、面砖的辐射辐射污染 3 3 2 2 3 2 2 173 木屑、木糠粉尘污染 2 3 2 2 3 2 2 164 切割时产生噪音噪声污染 2 2 2 2 2 2 3 155 煤油、清油、松节油等挥发泄漏水体、大气污染 3 3 2 2 3 1 3 176面砖包装盒产生废旧垃圾废物污染 1 1 2 2 2 2 2 127 纸质材料的使用资源消耗 1 1 2 2 2 2 2 128 泡沫等废弃物丢弃白色废弃物污染 2 3 2 2 4 3 1 179木地板大量木材消耗资源消耗 3 3 2 2 4 2 2 1810 防腐剂挥发泄漏水体、大气污染 3 3 2 2 3 2 3 1811 边角料的丢弃废物污染 2 2 2 2 3 3 2 1612 机械加工噪音的排放噪声污染 3 3 2 2 3 3 3 1913栏杆、扶手(不锈钢)氩弧焊焊机产生噪声噪声污染 2 4 2 2 3 2 3 1814 切断机械噪声的排放噪声污染 3 2 2 2 2 3 3 1715 钨棒辐射辐射污染 3 3 2 2 3 2 4 1916环氧树脂、油灰、玻璃胶等挥发泄漏水体、大气污染 3 3 2 2 3 2 3 18 十、建筑装饰装修工程1抹灰工程基层清理产生废渣固体废弃物污染 2 2 2 2 3 3 3 173 抹灰产生废渣固体废弃物污染 2 2 2 2 3 3 3 174 清扫产生粉尘粉尘污染 2 2 2 2 3 3 3 175 饰面板(砖)工程饰面板(砖)工程石材饰面材料放射性核素超标,人造木板及饰面人造木板游离甲醛含量或游离甲醛释放量超标辐射污染大气污染2 4 2 2 4 13 186 饰面材料切割产生噪声噪声污染 3 4 2 2 3 3 1 187 饰面材料切割产生粉尘粉尘污染 3 3 2 2 3 3 2 188 边角料的丢弃固体废弃物污染 2 2 2 2 2 3 2 159 饰面清洁产生污水水污染 2 2 2 2 3 3 2 1610 基层处理产生粉尘粉尘污染 2 2 2 2 3 3 2 1611 基层处理产生固体废弃物固体废弃物污染 2 2 2 2 3 3 2 1612吊顶工程机械使用排放噪声噪声污染 3 3 2 2 3 3 3 1913 耗费木材资源浪费 3 3 2 2 3 3 2 1714 石膏板等无机非金属装修材料放射性核素超标辐射污染 3 2 2 2 2 3 3 1715 刷防腐油,油气挥发泄漏大气水体废渣污染 3 3 2 2 3 2 3 1816 产生的边角料固体废弃物 2 2 2 2 3 2 2 1517 打孔产生的粉尘的排放粉尘污染 2 2 2 2 3 2 2 1519 各种化学品挥发泄漏大气水体废渣污染 3 3 2 2 3 2 3 1820 清理产生的废渣废物污染 2 2 2 2 3 2 2 1521涂饰和裱糊工程有害气体液体挥发大气水体废渣污染 3 3 2 2 3 3 2 1822 废旧容器的丢弃废物污染 3 2 2 2 4 3 3 19 25 用过的劳保用品的丢弃废物污染 2 2 2 2 2 2 2 1427 机械使用产生噪声噪声污染 3 3 2 2 3 2 2 1728 废渣等的丢弃固体废弃物污染 2 2 2 2 3 3 2 1629 泥浆泵噪声的排放噪声污染 2 3 2 2 3 3 2 1731木门窗电动工具使用产生噪声噪声污染 3 3 2 2 3 3 2 1832 消耗木材资源消耗 2 3 2 2 3 3 3 1833 边角料的丢弃固体废弃物 2 2 2 2 3 2 2 1534 产生的废渣等废物污染 2 2 2 2 3 2 2 1535 刷油漆排放有害气体大气污染 3 3 2 2 3 3 2 1836 木门窗烘干排放烟尘大气污染 3 3 2 2 4 3 2 1937金属、塑钢门窗等各种机械制作排放噪声噪声污染 3 3 2 2 4 3 2 1939 废油的排放水体污染 3 3 2 2 4 2 2 1840 电石有害气体液体挥发大气水体废渣污染 3 3 2 2 3 2 3 1741 边角料的丢弃固体废弃物 2 3 2 2 3 2 2 1642 废玻璃、废塑料胶纸等固体废弃物固体废弃物污染 2 2 2 2 3 2 2 1643 废劳保用品的处理废物污染 2 2 2 2 3 2 2 1544各种填充胶、结构胶、密封胶、化学品挥发有害气体大气污染 3 3 2 2 3 3 2 18 十一、建筑给水排水及采暖工程1预制、加工件安装操作粉尘粉尘污染 3 3 2 2 3 2 2 172 油漆滴漏大地、水体污染 23 2 2 3 2 2 163 边角料处置废物污染 2 2 2 2 3 2 3 164 防腐填料大地、水体污染 2 3 2 2 3 2 2 165 套丝机机械噪声噪声污染 3 3 2 2 3 2 3 186 机油泄漏大地、水体污染 3 3 2 2 3 2 3 187砂轮切割机机械噪声噪声污染 2 1 2 2 4 2 3 168 操作引起粉尘环境污染 3 3 2 2 3 2 3 1810 PPR管高温加热连接产生臭味大气污染 3 2 2 2 2 2 2 1511 管道通水渗漏资源浪费 2 2 2 2 2 2 2 1412 PVC管边角料固体废弃物污染 2 2 2 2 2 2 2 1413粘合剂使用废旧容器处置废物污染 3 2 2 2 4 2 3 1814 连接剂滴漏土地污染 3 2 2 2 3 1 2 1515 粘合剂气味大气污染 3 2 2 2 3 2 2 1616铸铁管防腐油漆滴漏大气、水体污染 3 2 2 2 3 1 2 1517 机械噪声噪声污染 3 3 2 2 3 2 3 1818 切割粉尘粉尘污染 3 3 2 2 3 2 3 18十二、建筑电气安装工程1 镀锌圆钢、扁铁调直操作噪声噪声污染 3 3 2 2 3 3 2 182 PVC 管边角料处置废物污染 2 2 2 2 2 2 2 143粘合剂使用废旧容器处置废物污染 3 2 2 2 4 2 1 164 粘合剂滴漏大地污染 3 2 2 2 3 1 2 155 粘合剂气味大气污染 3 2 2 2 3 2 2 166预制、加工件安装操作粉尘环境污染 3 3 2 2 3 2 2 177 油漆滴漏大地环境污染 2 3 2 2 3 2 2 168 边角料处置废物污染 2 2 2 2 3 2 3 169 防腐填料大地环境污染 2 3 2 2 3 2 2 1611 电缆敷设操作粉尘环境污染 2 2 2 2 2 2 2 1412 电缆头制安烫锡烟雾大气污染 2 2 2 2 3 3 2 1613 油漆的使用油漆泄漏大气、水体污染 3 3 2 2 3 2 3 18十三、通风与空调工程1 风管制作操作噪声噪声污染23 2 2 3 3 2 172法兰制作操作粉尘粉尘污染 3 3 2 2 3 2 2 163 油漆滴漏大地环境污染 2 3 2 2 3 2 2 164 边角料处置废物污染 2 2 2 2 3 2 3 165 防腐填料大地环境污染 2 3 2 2 3 2 2 166 风管就位、安装操作噪声噪声污染 3 3 2 2 3 3 2 187 边角料边角料的丢弃固体废弃物污染 2 2 2 2 3 2 3 168 制作废劳保用品废物污染 2 2 2 2 2 2 2 149 刷油,油外泄废油水体污染 3 3 2 2 3 3 2 1812 各种机械制作噪声噪声污染 3 2 2 2 3 3 2 1713电动空压机使用噪声噪声污染 3 2 2 2 2 2 3 16 十四、脚手架工程和垂直运输设施1 脚手架、井架搭建、拆除产生噪声噪声污染 3 2 2 2 1 4 3 172钢管、扣件、螺栓吊车、升降机、物料提升架保养机油、油漆滴漏污染土地、水体 3 3 2 2 3 1 2 163 废砂轮、废钢丝刷固体废弃物污染 2 2 2 2 3 24 174 废油漆容器污染土地、水体 2 4 2 2 1 4 3 185 油漆泄漏大气污染 3 3 2 2 3 2 2 176 吊车、升降机、物料提升架运行产生噪声噪声污染 3 2 2 2 4 3 3 19 十五、其它1 现场场地及道路未硬地化扬尘排放粉尘污染 2 2 4 2 4 2 5 21 √2 施工现场夜间照明灯光强光照射光污染 3 3 2 2 4 2 3 193 施工现场生产用水、生产用电无节制使用资源浪费 2 3 4 2 3 2 3 194 安全网、挡板防护不严粉尘外泄大气污染 3 2 2 2 4 2 2 175 废渣外泄固体废弃物污染 3 3 2 2 3 3 2 186 拆除安全网、挡板防护,向建筑物外抛掷垃圾粉尘外泄粉尘污染 3 2 2 2 3 4 2 187 油漆、易燃材料库房及其作业面、木工房、电气焊作业点、氧气瓶(库)、乙炔气瓶(库)、食堂液化气瓶、油库、建筑垃圾、冬期混凝土养护作业、施工现场配电室。
污染源评估表项目名称:中国西部装饰材料物流中心项目部(一区段)序号区域活动/产品/服务环境因素环境影响a b c d e f g mm≥20分为重要环境因素,用√标识环境影响规模环境影响程度发生频率持续时间相关方关注程度使用量/排放量/浓度控制设施或方法总得分1办公区办公用纸纸的消耗资源消耗 1 1 4 2 2 3 2 152 办公区生活用水水的消耗资源消耗 1 1 4 23 3 2 163 办公区用电电的消耗资源消耗 1 14 2 3 3 2 164 复印机废墨盒、复印机废粉、打印机废硒鼓、打印机废色带、废电池、废磁盘、废计算器、废日光灯、废涂改液瓶、废药物、废药品有毒有害废弃物的排放污染土地、水体1 2 2 3 2 1 1 125 一般生活垃圾固体废弃物排放固体废弃物污染2 2 4 23 3 2 186汽车尾气排放大气污染 2 2 4 2 4 3 2 197 噪声排放噪声污染 2 2 4 2 4 3 2 198 耗油资源浪费 1 1 4 2 4 3 2 179 空调氟里昂泄漏臭氧层破坏2 1 2 2 4 1 2 1410 电脑辐射辐射污染 1 1 4 2 2 1 2 1311 电器老化耗电资源浪费 1 1 4 2 2 1 2 1312 环境卫生脏、乱、差景观污染 2 2 3 2 3 3 1 161生活区食堂油烟排放大气污染 2 2 3 2 3 2 2 162食堂、厕所、冲凉房、洗手池污水排放水污染 2 3 4 2 2 2 1 163 空调、冰箱、冰柜氟里昂泄漏臭氧层破坏2 1 2 2 4 1 2 144 空调、冰箱、冰柜噪声排放噪声污染 2 2 2 2 2 2 2 145 液化气液化气泄漏大气污染 2 2 4 2 3 2 2 176炊用机械噪声排放噪声污染 1 2 4 2 2 2 3 167 机油泄漏污染土地水体 2 2 4 2 3 1 3 178 一般生活垃圾固体废弃物排放固体废弃物污染2 2 4 2 43 2 199 生活用水水的消耗资源消耗 1 1 4 2 2 3 2 1510 生活用电电的消耗资源消耗 1 1 4 2 2 3 2 1511 电器老化耗电资源浪费 1 1 4 2 2 2 2 14以下为生产区一、土方与基坑工程1 土方开挖、回土方机械挖掘机、推土机、装噪声污染2 2 4 23 3 3 19填载机噪声排放2 土方机械排放废气大气污染 23 3 24 3 2 193 使用打夯机、平板式振动器夯实产生振动振动污染 2 2 3 2 3 2 2 164 土方、压实机械耗油或耗电资源消耗 1 2 2 2 2 3 2 145 土方、压实机械跑冒滴漏污染土地、水体 1 3 2 1 2 1 3 136 扬尘排放粉尘污染 2 2 4 1 4 3 4 20 √7 现场洒水资源消耗 1 1 2 2 3 1 2 128土石方运输运输时遗洒污染路面固体废弃物污染3 3 5 2 5 2 2 22 √9 运输车辆进出施工现场用水冲洗资源消耗 1 1 2 2 3 2 2 1310运输车辆进出施工现场用水冲洗产生污水水污染 2 2 4 2 2 2 1 15 二、地基处理与桩基工程1地基处理换填地基产生粉尘粉尘污染 3 3 4 1 4 3 2 20 √2 夯实地基产生振动振动污染 2 23 1 2 2 1 13三、模板工程1木模制作耗用木材资源消耗 2 2 2 2 3 4 3 182 耗用铁钉资源消耗 2 1 2 2 2 23 143 产生边角余料、木屑固体废弃物污染2 2 2 2 2 23 154 产生的木屑粉尘污染 1 1 3 2 2 2 2 135木模安装脱模剂滴漏污染土地、水体 2 2 2 2 2 2 3 156 脱模剂挥发大气污染 2 2 2 2 2 2 4 167 使用木工机械平刨、压刨、圆盘锯产生噪声噪声污染 3 3 3 3 4 3 3 22 √8 电的耗用资源消耗 2 2 2 2 3 2 3 169 机械老化耗电资源浪费 1 1 2 2 3 2 3 1410钢模板脱模剂滴漏污染土地、水体 1 2 2 2 2 2 4 1511 脱模剂挥发大气污染 1 2 2 2 2 1 4 1412 模板保养机油跑冒滴漏污染土地、水体 2 2 2 2 2 2 3 1513 模板支设、拆除、清理拆除产生废渣固体废弃物污染2 3 2 2 2 2 2 1514 产生噪声噪声污染 3 2 3 2 2 3 4 19四、钢筋工程1钢筋运输、制作、加工、安装耗用钢材资源消耗 2 2 2 2 2 2 2 142 产生噪声噪声污染34 2 2 4 2 2 193 产生粉尘粉尘污染 3 3 3 2 3 2 2 184 产生废钢筋头、铁丝下脚料、铁锈等固体废弃物污染2 2 2 2 2 2 2 145使用钢筋除锈机、调直机、切断机、弯曲机产生噪声噪声污染 2 2 5 2 2 2 4 196 机油的跑冒滴漏污染土地、水体 2 2 2 2 2 2 2 147 电的耗用资源消耗 2 2 2 2 3 2 2 158 机械老化耗电资源浪费 2 2 2 2 3 2 2 159 焊接与气割产生噪声噪声污染 3 4 2 2 4 2 2 1910 产生强光光污染 2 3 2 2 2 2 2 1511 产生金属烟尘、有害气体大气污染 2 3 3 2 2 2 2 1612 产生熔渣固体废弃物污染2 2 2 2 2 2 1 1313 产生弧光辐射辐射污染 2 3 2 2 2 2 2 1514 产生废渣固体废弃物污染2 2 2 2 2 2 1 13五、混凝土工程1混凝土制作耗用石子、沙子、水泥资源消耗 2 2 2 2 2 3 2 152 耗用水、电资源消耗 2 2 2 2 23 2 153 搅拌产生噪声噪声污染 3 2 3 2 2 2 2 164 搅拌产生粉尘粉尘污染 1 2 3 2 2 2 2 145 排放污水水污染 2 2 3 2 3 2 1 156 机油的跑冒滴漏污染土地、水体 3 2 2 2 3 2 2 167 搅拌机老化耗电资源浪费 2 2 2 2 3 2 2 158 计量不准资源浪费 2 2 2 2 3 2 2 159 混凝土外加剂使用含有尿素、氨类等有刺激性气味成份的外加剂大气污染 2 3 3 3 3 2 3 1911水泥装卸产生粉尘粉尘污染 2 2 2 2 3 2 1 1412 产生废纸袋固体废弃物污染 2 2 2 2 3 2 3 1613混凝土运输和输送使用输送泵产生噪声噪声污染 3 2 3 2 4 4 3 21 √14 混凝土、砂浆遗洒固体废弃物污染 3 2 2 2 3 2 1 1515 用水清洗运输或输送工具耗水资源消耗水污染 2 2 2 2 2 2 2 1416混凝土输送泵、塔吊、混凝土运输车、机动翻斗车维修保养油的耗用资源消耗 2 2 2 2 3 1 2 1417 机油的跑冒滴漏污染土地、水体 2 2 2 2 3 1 2 1418 油漆泄漏大气污染 2 2 2 2 3 1 2 1419 产生废弃铁件、废弃钢丝刷固体废弃物污染 2 2 2 2 3 2 4 1720 产生废油漆容器等有毒有害废弃物污染土地水体 2 4 2 2 3 1 3 1721混凝土振捣电的耗用资源消耗 2 2 2 2 3 2 2 1522 产生噪声噪声污染 3 4 3 2 3 4 3 22 √23 漏浆、废混凝土排放固体废弃物污染 2 2 2 2 2 2 2 1424 产生污水水污染 3 2 2 2 3 2 2 1625 振捣棒、平板振动器维修机油的跑冒滴漏污染土地、水体 2 2 2 2 3 1 2 1426混凝土养护水的耗用资源消耗 2 2 2 2 2 2 2 1427 废水排放水污染 3 3 2 2 3 1 2 16六、砌体工程1砂浆制作耗用砂子、水泥资源消耗 2 2 2 2 2 2 2 142 耗用水、电资源消耗 2 2 2 2 23 2 153 产生噪声噪声污染 34 2 2 3 3 2 194 产生粉尘粉尘污染 3 4 2 2 3 3 2 195 机油的跑冒滴漏污染土地、水体 2 2 2 2 2 2 2 146 搅拌机老化耗电资源浪费 2 2 2 2 2 2 2 147 计量不准资源浪费 2 2 2 2 2 2 2 148 砂子、砌体、砌块堆放产生粉尘粉尘污染 3 4 2 2 3 2 1 17 七、屋面工程1高分子卷材屋面卷材下脚料的产生废物污染 2 2 2 2 4 2 3 17 八、防水工程1卷材防水下脚料的丢弃废物污染 2 2 2 2 2 2 1 132 橡胶止水带废弃边角料固体废弃物污染3 3 2 2 3 2 3 18九、建筑地面工程1 水泥砂浆、砼面层砂浆制作同砌体工程中砂浆制作2瓷砖、面砖贴面瓷砖、面砖的辐射辐射污染 3 3 2 2 3 2 2 173 木屑、木糠粉尘污染 2 3 2 2 3 2 2 164 切割时产生噪音噪声污染 2 2 2 2 2 2 3 155 煤油、清油、松节油等挥发泄漏水体、大气污染 3 3 2 2 3 1 3 176面砖包装盒产生废旧垃圾废物污染 1 1 2 2 2 2 2 127 纸质材料的使用资源消耗 1 1 2 2 2 2 2 128 泡沫等废弃物丢弃白色废弃物污染 2 3 2 2 4 3 1 179木地板大量木材消耗资源消耗 3 3 2 2 4 2 2 1810 防腐剂挥发泄漏水体、大气污染 3 3 2 2 3 2 3 1811 边角料的丢弃废物污染 2 2 2 2 3 3 2 1612 机械加工噪音的排放噪声污染 3 3 2 2 3 3 3 1913栏杆、扶手(不锈钢)氩弧焊焊机产生噪声噪声污染 2 4 2 2 3 2 3 1814 切断机械噪声的排放噪声污染 3 2 2 2 2 3 3 1715 钨棒辐射辐射污染 3 3 2 2 3 2 4 1916环氧树脂、油灰、玻璃胶等挥发泄漏水体、大气污染 3 3 2 2 3 2 3 18 十、建筑装饰装修工程1抹灰工程基层清理产生废渣固体废弃物污染 2 2 2 2 3 3 3 173 抹灰产生废渣固体废弃物污染 2 2 2 2 3 3 3 174 清扫产生粉尘粉尘污染 2 2 2 2 3 3 3 175饰面板(砖)工程饰面板(砖)工程石材饰面材料放射性核素超标,人造木板及饰面人造木板游离甲醛含量或游离甲醛释放量超标辐射污染大气污染2 4 2 2 4 13 186 饰面材料切割产生噪声噪声污染 3 4 2 2 3 3 1 187 饰面材料切割产生粉尘粉尘污染 3 3 2 2 3 3 2 188 边角料的丢弃固体废弃物污染 2 2 2 2 2 3 2 159 饰面清洁产生污水水污染 2 2 2 2 3 3 2 1610 基层处理产生粉尘粉尘污染 2 2 2 2 3 3 2 1611 基层处理产生固体废弃物固体废弃物污染 2 2 2 2 3 3 2 1612吊顶工程机械使用排放噪声噪声污染 3 3 2 2 3 3 3 1913 耗费木材资源浪费 3 3 2 2 3 3 2 1714 石膏板等无机非金属装修材料放射性核素超标辐射污染 3 2 2 2 2 3 3 1715 刷防腐油,油气挥发泄漏大气水体废渣污染 3 3 2 2 3 2 3 1816 产生的边角料固体废弃物 2 2 2 2 3 2 2 1517 打孔产生的粉尘的排放粉尘污染 2 2 2 2 3 2 2 1519 各种化学品挥发泄漏大气水体废渣污染 3 3 2 2 3 2 3 1820 清理产生的废渣废物污染 2 2 2 2 3 2 2 1521涂饰和裱糊工程有害气体液体挥发大气水体废渣污染 3 3 2 2 3 3 2 1822 废旧容器的丢弃废物污染 3 2 2 2 4 3 3 19 25 用过的劳保用品的丢弃废物污染 2 2 2 2 2 2 2 1427 机械使用产生噪声噪声污染 3 3 2 2 3 2 2 1728 废渣等的丢弃固体废弃物污染 2 2 2 2 3 3 2 1629 泥浆泵噪声的排放噪声污染 2 3 2 2 3 3 2 1731木门窗电动工具使用产生噪声噪声污染 3 3 2 2 3 3 2 1832 消耗木材资源消耗 2 3 2 2 3 3 3 1833 边角料的丢弃固体废弃物 2 2 2 2 3 2 2 1534 产生的废渣等废物污染 2 2 2 2 3 2 2 1535 刷油漆排放有害气体大气污染 3 3 2 2 3 3 2 1836 木门窗烘干排放烟尘大气污染 3 3 2 2 4 3 2 1937金属、塑钢门窗等各种机械制作排放噪声噪声污染 3 3 2 2 4 3 2 1939 废油的排放水体污染 3 3 2 2 4 2 2 1840 电石有害气体液体挥发大气水体废渣污染 3 3 2 2 3 2 3 1741 边角料的丢弃固体废弃物 2 3 2 2 3 2 2 1642 废玻璃、废塑料胶纸等固体废弃物固体废弃物污染 2 2 2 2 3 2 2 1643 废劳保用品的处理废物污染 2 2 2 2 3 2 2 1544各种填充胶、结构胶、密封胶、化学品挥发有害气体大气污染 3 3 2 2 3 3 2 18 十一、建筑给水排水及采暖工程1预制、加工件安装操作粉尘粉尘污染 3 3 2 2 3 2 2 172 油漆滴漏大地、水体污染 23 2 2 3 2 2 163 边角料处置废物污染 2 2 2 2 3 2 3 164 防腐填料大地、水体污染 2 3 2 2 3 2 2 165套丝机机械噪声噪声污染 3 3 2 2 3 2 3 186 机油泄漏大地、水体污染 3 3 2 2 3 2 3 187砂轮切割机机械噪声噪声污染 2 1 2 2 4 2 3 168 操作引起粉尘环境污染 3 3 2 2 3 2 3 1810 PPR管高温加热连接产生臭味大气污染 3 2 2 2 2 2 2 1511 管道通水渗漏资源浪费 2 2 2 2 2 2 2 1412 PVC管边角料固体废弃物污染 2 2 2 2 2 2 2 1413粘合剂使用废旧容器处置废物污染 3 2 2 2 4 2 3 1814 连接剂滴漏土地污染 3 2 2 2 3 1 2 1515 粘合剂气味大气污染 3 2 2 2 3 2 2 1616铸铁管防腐油漆滴漏大气、水体污染 3 2 2 2 3 1 2 1517 机械噪声噪声污染 3 3 2 2 3 2 3 1818 切割粉尘粉尘污染 3 3 2 2 3 2 3 18十二、建筑电气安装工程1 镀锌圆钢、扁铁调直操作噪声噪声污染 3 3 2 2 3 3 2 182 PVC 管边角料处置废物污染 2 2 2 2 2 2 2 143粘合剂使用废旧容器处置废物污染 3 2 2 2 4 2 1 164 粘合剂滴漏大地污染 3 2 2 2 3 1 2 155 粘合剂气味大气污染 3 2 2 2 3 2 2 166预制、加工件安装操作粉尘环境污染 3 3 2 2 3 2 2 177 油漆滴漏大地环境污染 2 3 2 2 3 2 2 168 边角料处置废物污染 2 2 2 2 3 2 3 169 防腐填料大地环境污染 2 3 2 2 3 2 2 1611 电缆敷设操作粉尘环境污染 2 2 2 2 2 2 2 1412 电缆头制安烫锡烟雾大气污染 2 2 2 2 3 3 2 1613 油漆的使用油漆泄漏大气、水体污染 3 3 2 2 3 2 3 18十三、通风与空调工程1 风管制作操作噪声噪声污染23 2 2 3 3 2 172法兰制作操作粉尘粉尘污染 3 3 2 2 3 2 2 163 油漆滴漏大地环境污染 2 3 2 2 3 2 2 164 边角料处置废物污染 2 2 2 2 3 2 3 165 防腐填料大地环境污染 2 3 2 2 3 2 2 166 风管就位、安装操作噪声噪声污染 3 3 2 2 3 3 2 187 边角料边角料的丢弃固体废弃物污染 2 2 2 2 3 2 3 168 制作废劳保用品废物污染 2 2 2 2 2 2 2 149 刷油,油外泄废油水体污染 3 3 2 2 3 3 2 1812 各种机械制作噪声噪声污染 3 2 2 2 3 3 2 1713电动空压机使用噪声噪声污染 3 2 2 2 2 2 3 16 十四、脚手架工程和垂直运输设施1 脚手架、井架搭建、拆除产生噪声噪声污染 3 2 2 2 1 4 3 172钢管、扣件、螺栓吊车、升降机、物料提升架保养机油、油漆滴漏污染土地、水体 3 3 2 2 3 1 2 163 废砂轮、废钢丝刷固体废弃物污染 2 2 2 2 3 24 174 废油漆容器污染土地、水体 2 4 2 2 1 4 3 185 油漆泄漏大气污染 3 3 2 2 3 2 2 176 吊车、升降机、物料提升架运行产生噪声噪声污染 3 2 2 2 4 3 3 19 十五、其它1 现场场地及道路未硬地化扬尘排放粉尘污染 2 2 4 2 4 2 5 21 √2 施工现场夜间照明灯光强光照射光污染 3 3 2 2 4 2 3 193 施工现场生产用水、生产用电无节制使用资源浪费 2 3 4 2 3 2 3 194 安全网、挡板防护粉尘外泄大气污染 3 2 2 2 4 2 2 175 不严废渣外泄固体废弃物污染 3 3 2 2 3 3 2 186 拆除安全网、挡板防护,向建筑物外抛掷垃圾粉尘外泄粉尘污染 3 2 2 2 3 4 2 187 油漆、易燃材料库房及其作业面、木工房、电气焊作业点、氧气瓶(库)、乙炔气瓶(库)、食堂液化气瓶、油库、建筑垃圾、冬期混凝土养护作业、施工现场配电室。