干燥剂是否变质的实验探究资料
- 格式:ppt
- 大小:2.33 MB
- 文档页数:8
干燥剂1. 已使用过的干燥剂有没有再利用方法?如果干燥剂还有效果的话,可以用于家庭的食品的保存或鞋类等的干燥.石灰干燥剂(RAYM)未吸湿前为粒子状,而吸湿后为粉末状,只要看一下袋子内的干燥剂是否有粒子状物,如有说明其仍有效。
硅胶和粘土没有形状的变化所以无法确认其残存能力。
混合了蓝胶的变色硅胶随着其吸湿,颜色渐渐变成粉红,硅胶就无效了。
但是最近考虑到环境保护问题,已不提倡使用混合了氯化钴的变色硅胶。
2.干燥剂的抛弃方法。
在家庭内作为不燃烧垃圾处理。
因石灰干燥剂(RAYM)的原料生石灰与水接触有立即发热的可能性,严禁抛弃于水分多的地方。
3.如果误食了石灰干燥剂如何处理?原料生石灰(CaO)的原料与水反应发热。
如发现有烧伤的征兆时,请找医生观察。
如果误食了吸湿后成粉末状的消石灰时一般只要漱口就行了。
消石灰无毒(氢氧化钙),可以用于食品添加剂的物质。
但是其水溶液有强碱性,会刺激粘膜,所以误食后请喝大量水或牛奶后找医生观察。
4.如果误食硅胶、粘土的话,如何处理?硅胶、粘土化学性质稳定即使误吞入口内也不会被消化吸收。
如果误食请漱口后喝大量水、牛奶、茶等。
如果不慎重进入眼睛,请不要揉擦,立即用自来水冲洗。
5.如果干燥剂与食品一起煮了而且误食,如何处理?干燥剂都是无毒的加热料理后内容物会从小袋中渗出,但对人体没有影响。
所以不需要特别处理。
如果非常担心请找医生受诊。
6.食品中干燥剂膨胀得很大,为什么?发生膨胀的干燥剂是石灰干燥剂。
石灰干燥剂的原料为生石灰(氧化钙)。
生石灰吸湿后变成消石灰(氢氧化钙)。
其形状从粒子变成粉末状。
体积增加2-2.5倍。
所以本公司在设计干燥剂小袋时已考虑了其膨胀因素,加大了袋子尺寸,以防止其破袋。
* 反应式为CaO + H2O →Ca(OH)27.干燥剂与脱氧剂如何区分使用?干燥剂是通过吸收包装容器内的水蒸气保持低湿度来防止食品受潮。
脱氧剂是通过吸收氧气防止食品的氧化、变色、发霉的。
根据食品的性质以及保存目的来区分使用两者。
探究久置生石灰干燥剂的成分淮南实验中学李娟一、三维目标1.通过对干燥剂成分的探究知道物质是在不断的发展变化的,氧化钙在空气中容易变质,能写出生石灰干燥剂的干燥原理,学会从标签上获得信息的方法。
2.根据提供的氧化钙与水反应的实验背景资料,能设计证明氧化钙存在的方案;从检验二氧化碳的方法中受到启发,从而设计出检验氢氧化钙存在的方法;根据实验室制二氧化碳的方法,来设计实验进行碳酸钙的检验。
3.通过设计方案和动手实验,培养学生的实验设计能力和动手能力以及通过实验现象得出科学结论的能力。
会运用过滤操作分离混合物。
4.引导学生关注生活中的化学,体验到科学探究是人们认识客观世界的重要途径。
通过林则徐虎门销烟的历史培养学生爱国主义思想。
用自制的微型装置实验,培养学生节约的良好品质。
二、教学内容分析本节课以食品中的干燥剂为载体,充分调动学生的学习热情,引导学生分析其中的成分,并设计方案验证自己的猜想。
本节课探究的物质跟学生的生活紧密结合,有更高的思维含量,使学生对课本上的有关知识达到灵活运用的层次,真正做到学以致用。
通过日常生活中能搜集到的物品作为实验器材,使学生感受到一些物品的再利用能带给我们更多的惊喜。
三、学情分析及学法指导九年级的学生求知欲望强,个性活泼,思维活跃,对化学学习充满了热情。
从知识储备上看,学生在前面的学习过程中已经了解用澄清石灰水检验二氧化碳的方法,知道用石灰石或大理石与稀盐酸反应可以制取二氧化碳。
这里只要再提供氧化钙与水反应放热的背景资料,他们就可以去探究生石灰干燥剂中可能存在的物质了。
通过探究使学生们更深刻的体会到化学源于生活,生活中处处有化学。
四、教学重、难点重点:灵活运用所学知识做出合理猜想,学会证明碳酸钙、氧化钙、氢氧化钙存在的简单方法。
难点:根据已有知识和提供的信息学会设计合理、可行、简单易操作的实验。
五、实验准备生石灰、生石灰干燥剂、稀盐酸、澄清石灰水、小药瓶、试管、药匙、注射器、脱脂棉、吸管、烧杯、自制温度计。
一题多变食品干燥剂变质问题例题在某些食品的包装袋内,有一个装有白色颗粒状固体的小纸袋,上面写着“干燥剂,主要成分为生石灰”。
为什么生石灰能作干燥剂?如果将小纸袋拿出来放在空气中,经过一段时间后,会发现纸袋内的白色颗粒黏在一起成为块状。
这是为什么?试写出有关反应的化学方程式。
解析本题考查生石灰与水的反应以及氢氧化钙和二氧化碳的反应。
完成此题,可以依据已有的知识进行分析。
干燥剂的主要成分是生石灰,生石灰可与水反应生成氢氧化钙,故可用作干燥剂;由于生成的氢氧化钙可与空气中的二氧化碳反应生成坚硬的白色固体碳酸钙,故放置在空气中一段时间会黏成一块。
参考答案生石灰的主要成分为氧化钙,可以吸收水分并与水反应生成氢氧化钙,所以生石灰可作干燥剂。
生石灰和水反应生成的氢氧化钙露置在空气中,可与空气中的二氧化碳反应生成碳酸钙。
反应的化学方程式:CaO+H2O=Ca(OH)2,Ca(OH)2+CO2=CaCO3↓+H2O 。
变式题某些食品的包装袋内,放有装有白色颗粒状固体的小纸袋,上面写着“干燥剂,主要成分为生石灰”。
某同学对一袋久置空气中的干燥剂进行了探究。
他先取部分久置干燥剂倒入适量水中,充分搅拌、过滤,得到白色固体和滤液。
然后对滤液的酸碱性和白色固体的组成作了探究。
【实验探究一】探究滤液的酸碱性。
该同学测定了滤液的酸碱性,你认为该滤液显 (填“酸性”“碱性”或“中性”)。
【实验探究二】探究白色固体的组成。
该同学认为白色固体中可能含有的物质是CaO、Ca(OH)2、CaCO3。
他查阅有关资料得知:CaO是一种白色固体,俗称生石灰,能与水反应生成氢氧化钙,并放出热量。
氢氧化钙微溶于水。
【分析判断】你认为该白色固体中一定不含有的物质是。
【实验操作】下面是该同学设计的进一步探究白色固体组成的实验方案,请你和他一起完成实验报告。
实验操作实验现象实验结论①取少量白色固体,倒入适量水,充分搅拌、静置;②向上层清液中滴加无色酚酞溶液上层清液呈现色白色固体中一定含有氢氧化钙另取少量白色固体放入试管中,滴加稀盐酸_________ 白色固体中一定含有碳酸钙【总结反思】(1)只通过以上实验,还不能证明这袋久置于空气中的干燥剂中是否含有CaO。
科学探究专题1.已知某纯碱试样中含有杂质氯化钠,为测定试样中纯碱的质量分数,可用下图装置进行实验。
主要步骤如下,请填空:①按图组装仪器,并检查;②将10g试样放入锥形瓶中,加适量蒸馏水溶解,得到试样溶液;③称量盛有碱石灰的U形管的质量为300g;④从分液漏斗中滴入20%的稀硫酸,直到为止,写出反应的化学方程式;⑤从导管A处缓缓鼓入一定量的空气;⑥再次称量盛有碱石灰的U形管的质量;⑦重复⑤和⑥的操作,直到U形管的质量基本不变,测得质量为303.3g。
回答下列问题:(1)装置中浓硫酸的作用是。
(2)步骤⑤的目的是。
(3)试样中纯碱的质量分数为。
(4)分液漏斗中的稀H24不能换成浓盐酸,理由是。
(5)若用生成沉淀的方法来测定试样中纯碱的质量分数,应选用的试剂是。
2.兰兰在家里发现了一包过期的海苔,包装内有一个小纸袋,上面写着“石灰干燥剂”(主要成分为),海苔过期了,石灰干燥剂有没有变质呢?兰兰拿着这包石灰干燥剂约化学老师一起到实验时进行如下探究.【辨析俗称】“石灰干燥剂”中的石灰是指(填字母)A.消石灰B.生石灰C.石灰石【猜想与假设】猜想一:石灰干燥剂没有变质;猜想二:石灰干燥剂部分变质;猜想三:石灰干燥剂完全变质.【进行实验】兰兰分别取该石灰干燥剂进行如表实验,并记录.实验目的实验步骤实验现象实验结论实验一:验证有无3猜想一不成立实验二:无明显放热现象猜想三成立【异常现象】兰兰整理实验,清洗仪器时,突然发现实验二中的烧杯壁明显发热.【分析释疑】实验二的结论不准确,请用化学方程式解释烧杯壁明显发热的原因_【更正结论】该石灰干燥剂部分变质,猜想二成立.【反思与评价】石灰干燥剂表面的覆盖物,影响了正确结论的得出,兰兰由此联想到生活中有些物质表面的覆盖物,是起保护作用的,试举一例: .【拓展延伸】从确定这包石灰干燥剂成分的角度,请你再提出一个具有探究价值的问题:。
3.生石灰常用作食品干燥剂.久置的生石灰里可能会含有氧化钙、氢氧化钙、碳酸钙三种物质中的一种或几种(假设久制的生石灰中不再含有其它成分).为了探究久置的生石灰的成分,某校化学兴趣小组进行了以下探究活动.【设计实验】取0.94g久置的生石灰样品放入烧杯中,进行了以下探究实验,如图所示:【讨论与分析】(1)生石灰可以做干燥剂的原因是(用化学方程式表示).(2)向0.2g滤渣A中滴加稀盐酸,有气泡产生,说明久置的生石灰样品中一定含有(填写化学式).(3)②中反应过程中的实验现象是.(4)将混合物C、D全部倒入一个洁净的烧杯中混合,充分反应后,过滤,得到1g滤渣E和红色滤液F.向滤液F中滴加2溶液,有白色沉淀生成,则滤液F的溶质中一定含有,还可能含有.【解释与结论】依据实验现象和测得的数据判断,0.94g久置的生石灰样品的成分是.4.实验室中有一瓶长期使用的氢氧化钠固体样品,某兴趣小组的同学对该样品的成分与含量进行探究.【发现问题】该样品中含有哪些物质?【查阅资料】①在空气中不会转化成3.②2溶液呈中性,()2是可溶性碱③2在饱和的3溶液中几乎不溶解【提出猜想】猜想Ⅰ:猜想Ⅱ:23猜想Ⅲ:和23【设计实验】实验操作实验现象步骤①:样品全部溶解步骤②:观察到现象A【收集证据】(1)若现象A是有气泡产生,则X溶液为,则(填“猜想Ⅰ”、“猜想Ⅱ”或“猜想Ⅲ”)不成立.(2)若X溶液为2溶液,现象A是有白色沉淀生成,则产生沉淀的化学方程式是,取反应后的上层清液,测定其,当7(填“>”、“<”或“=”),则证明猜想Ⅲ成立.【定量分析】确定部分变质样品中23的质量分数.兴趣小组的同学用如图所示装置进行实验.步骤如下:①按图连接好装置,并检查气密性;②准确称取该样品1.0g,放入烧瓶内;③打开活塞,滴加30.0%的稀硫酸至过量,关闭活塞;④反应结束后,量筒内液体的读数为55.0.(已知:室温条件下,2的密度为1.6g•L﹣1)(1)B装置集气瓶内原有的空气对实验结果(填“有”或“没有”)影响.饱和3溶液如果用水代替,则所测2体积(填“偏大”、“偏小”或“不变”).(2)计算该样品中23的质量分数(写出计算过程,计算结果保留一位小数)【实验反思】有同学指出,上述三种猜想并不全面,请再提出一种猜想.5.在老师的指导下,小乐同学探究金属和盐溶液反应时,发现将钠放入2溶液中有气泡和白色沉淀产生。
2023年重庆中考化学考前必练题型08实验探究本专项训练包含物质变质程度的探究、滤渣滤液成分探究、酸碱盐性质探究实验1.现有一包已经结块的干燥剂,包装袋上注明主要成分为生石灰(CaO),为探究其变质情况,进行了以下实验。
【提出问题】该干燥剂中含有哪些物质?【猜想与假设】该干燥剂可能含有CaO、Ca(OH)2和CaCO3三种物质中的一种或多种。
【实验探究】说明样品中存在Ca(OH)2。
请你用化学方程式说明理由_____________________。
【归纳提升】现多用硅胶干燥剂,它是一种性质稳定的高微孔结构吸附材料,预测它较生石灰的优点是__________________________(写一条)。
【答案】试管外壁变热酚酞另取少量样品于试管中,加入足量稀盐酸碳酸钙/CaCO3CaO+H2O=Ca(OH)2化学性质稳定,不与水反应等【解析】[实验探究]样品中存在CaO,取少量样品于试管中,加入适量水,氧化钙和水生成氢氧化钙,反应放热,故用手触摸试管外壁,明显感到试管外壁变热。
样品中存在Ca(OH)2,氢氧化钙溶液呈碱性,使酚酞溶液变红,故取少量样品于试管中,加入适量水,取上层清液再滴加几滴酚酞溶液,溶液颜色呈红色。
结合题意,样品中还存在碳酸钙,另取少量样品于试管中,加入足量稀盐酸,碳酸钙和稀盐酸生成氯化钙、二氧化碳和水,二氧化碳使澄清石灰水变浑浊,故观察到有大量气泡产生,将产生的气体通入澄清石灰水,观察到石灰水变浑浊。
[结论与反思]因样品中含氧化钙,氧化钙和水生成氢氧化钙,所以实验步骤2不能说明样品中存在Ca(OH)2,化学方程式为CaO+H 2O=Ca(OH)2。
[归纳提升]硅胶干燥剂较生石灰具有化学性质稳定,不与水反应等优点。
2.实验室里有一瓶放置已久的亚硫酸钠(Na 2SO 3)固体样品,爱动脑筋的小亮同学在征得老师同意后,对该样品的成分进行了探究:【查阅资料】I.亚硫酸钠化学性质不稳定,易与氧气发生反应生成硫酸钠II.亚硫酸钠(亚硫酸盐)与碳酸钠(碳酸盐)化学性质和物理性质均相似III. SO 2是一种有刺激性气味的气体【提出问题】该亚硫酸钠样品是否变质了呢?【建立猜想】猜想1:样品未变质 猜想2:样品全部变质 猜想3:样品部分变质【设计并进行实验】对猜想3进行验证实验室必须密封保存的药品很多,试举一例:___________(填药品名称)。
中考题原创:探究化学干燥剂的变质程度及成分学校:___________姓名:___________班级:___________考号:___________一、填空题1.人教版下册58页习题3:在某些食品的包装袋内,有一个装有白色颗粒状的小纸袋,上面写着“干燥剂,主要成分为生石灰”。
为什么生石灰能做干燥剂?___;如果将小纸袋拿出来放在空气中,经过一段时间后,会发现纸袋内的白色颗粒在一起成为块状。
这是为什么?____;试写出有关反应的化学方程式____。
二、科学探究题2.实验中学活动小组在食品包装袋内,发现有一个小纸袋,上面写着“生石灰干燥剂,请勿食用”。
他们特意将小纸袋拿出来放在桌面上,经过一段较长时间后发现纸袋内的白色颗粒粘在一起成为块状固体M。
请你与活动小组同学一起对块状固体M进行探究。
(探究任务)(1)探究固体M是否失效;(2)探究固体M中是否含有氢氧化钙。
(探究方案)(反思拓展)(1)你认为“探究二”是否严密_______,其原因是_______;(2)你认为固体M中除含有氢氧化钙外,还可能含有___,请你设计实验是否含有该物质___。
3.化学实验室常用的干燥剂“碱石灰”,碱石灰是由固体烧碱NaOH和生石灰CaO组成的混合物,极易与空气中水蒸气和CO2反应而变质。
某探究小组对一瓶久置空气中的“碱石灰”作了如下探究:(1)(假设与猜想)猜想Ⅰ:没有变质,“碱石灰”只含有CaO、固体NaOH;猜想Ⅱ:已完全变质,“碱石灰”全部变成了CaCO3和Na2CO3。
则CaO与水反应的反应方程式为__________。
(2)(活动与探究)如下图所示:(3)(解释与结论)a.若Ca(OH)2、CaCO3和Na2CO3投入到水中不会放热,则由操作②现象判断:猜想Ⅱ_____(填“成立”或“不成立”)。
b.操作④发生化学反应的方程式为_______;由操作⑤⑥的现象判断:滤液中含有_____(写化学式);由此判断猜想Ⅰ______(填“成立”或“不成立”)。
九年级化学复习变质问题的探究1、“旺旺雪饼”袋内有一小纸袋,上面写着“干燥剂,主要成分是生石灰,请勿食用”。
为了进行探究,小凡提出了两项探究任务:(1)探究干燥剂是否失效;(2)探究失效的干燥剂的主要成分是否是氢氧化钙。
请填充表格中空白,并回答以下问题:(1)生石灰可作干燥剂的理由是(用化学方程式表示) (2)“请勿食用”是因为该干燥剂吸水后具有 性且 热。
(填“吸”或“放”)(3)你认为探究方案(2)是否严密?__________请说明原因______________________________你认为以CaO 为主要成分的干燥剂在空气中放置久了,除能转化为2)(OH Ca 外,还可能转化为__________,请简单说明验证的思路________________________________________________2、甲同学在某食品包装袋内,发现有一个装有白色颗粒状固体A 的小纸袋,上面写着“生石灰干燥剂,请勿食用”。
甲同学随手将小纸袋拿出来放在空气中,经过一段时间后,发现纸袋内的白色颗粒粘在一起成为块状固体B 。
请你与甲同学一起对块状固体B 进行探究。
(1)猜想一:块状固体B 中除氧化钙外还可能有: 、 写出白色颗粒状固体A 在空气中转化为块状固体B 的化学反应方程式:;(2)猜想二:块状固体B 溶于水可能有 现象(填“放热”或“吸热”)。
请设计实验方案验证你的这一猜想(至少写出两种方案,如果写出三种正确方案奖励1分):① ② ③(3)取适量块状固体B 加入盛有一定量水的试管中,振荡、静置、过滤,得到少量白色固体C 。
就白色固体C 的成分,甲同学与乙同学进行讨论,一起猜想。
甲同学认为,白色固体C 可能是:氢氧化钙; 乙同学认为,白色固体C 可能是:碳酸钙;你认为,白色固体C 还可能是:3、刘丽同学在某食品包装袋内取出一小袋干燥剂,上面写着“干燥剂,主要成分为生石灰”。
她将这袋干燥剂全部倒人一定量水中,充分搅拌后过滤,得到白色沉淀和滤液。
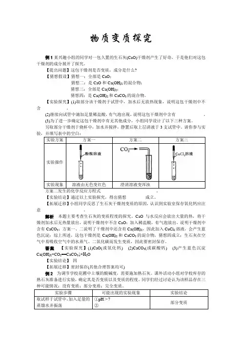
物质变质探究例1某兴趣小组的同学对一包久置的生石灰(CaO)干燥剂产生了好奇,于是他们对这包干燥剂的成分展开了探究。
【提出问题】这包干燥剂是否变质,成分是什么?【猜想假设】猜想一:全部是CaO;猜想二:是CaO和Ca(OH)2的混合物;猜想三:全部是Ca(OH)2;猜想四:是Ca(OH)2和CaCO3的混合物。
【实验探究】(1)取部分该干燥剂于试管中,加水后无放热现象,说明这包干燥剂中不含____________。
(2)继续向试管中滴加足量稀盐酸,有气泡出现,说明这包干燥剂中含有_____________。
(3)为了进一步确定这包干燥剂中有无其他成分,小组同学设计了以下三种方案。
另取部分干燥剂于烧杯中,加水并搅拌,静置后取上层清液于3支试管中。
请你参与实方案二发生的化学反应方程式__________________________。
【实验结论】通过以上实验探究,得出猜想_________成立。
【拓展迁移】小组同学反思了生石灰干燥剂变质的原因,认识到实验室保存氧化钙应注意____________________。
解析本题主要考查生石灰的变质程度的探究。
CaO与水反应会放出大量的热,将干燥剂加水后无热量放出,说明干燥剂中不含CaO;加入稀盐酸,有气泡放出,说明干燥剂中含有CaCO3;方案一、二说明了干燥剂中还含有Ca(OH)2,因此加入CuCl2溶液,会产生蓝色沉淀;综上所述,这包干燥剂是Ca(OH)2和CaCO3的混合物,猜想四成立;生石灰在空气中易吸收空气中的水蒸气、二氧化碳而发生变质,因此要密封保存。
答案【实验探究】(1)CaO(或氧化钙) (2)CaCO3(或碳酸钙) (3)产生蓝色沉淀Ca(OH)2+CO2==CaCO3↓+H2O【实验结论】四【拓展迁移】密封保存(其他合理答案均可)例2 为调节学校花圃中土壤的酸碱度,需要施加熟石灰。
课外活动小组对学校库存的熟石灰准备进行实验,确定其是否变质以及变质的程度。
探究“食品干燥剂”创设情景:现在许多食品都采用密封包装,但包装袋中的空气、水蒸气仍会使食品氧化、受潮变质,因此一些食品包装袋中需放入一些食品干燥剂,以便使食品的保质期更长一些。
化学兴趣小组的同学为了探究“食品干燥剂”的成分,从某饼干厂要出了一袋“食品干燥剂”,打开封口,将其倒在滤纸上,仔细观察,发现食品干燥剂为灰黑色粉末。
提出问题:该“食品干燥剂”中的成分是什么?猜想与假设:同学们根据观察到的现象和自己的知识储备,做出了以下猜想。
猜想一.黑色粉末是铁粉。
猜想二.黑色粉末是铁粉和碳粉的混合物。
猜想三.黑色粉末是铁粉和生石灰的混合物。
猜想四.黑色粉末是碳粉和生石灰的混合物。
猜想五.黑色粉末是铁粉、碳粉和生石灰的混合物。
查阅资料:1.“食品干燥剂”的主要成分是一种能与空气中的氧气、水蒸气反应的比较活泼的物质。
2.木炭粉具有吸附作用。
设计实验:实验一.将“食品干燥剂”放在一张白纸上,用磁铁吸引,发现部分黑色粉末被吸引,部分剩余。
实验二.取剩余的黑色粉末放入烧杯中,到入蒸馏水溶解,剩余物部分溶解,过滤,手接触盛滤液烧杯的外壁,发烫,用玻璃管向滤液中吹气滤液变浑浊。
实验三.将滤出的固体洗涤烘干,放于燃烧匙内在酒精灯上加热,发现其立即燃烧,迅速放入盛有氧气的集气瓶内,待其熄灭后注入澄清的石灰水,发现石灰水变浑浊。
分析与解释:实验一.用磁铁吸引,部分被磁铁吸引,部分剩余。
否定猜想一,四。
实验二.黑色粉末部分溶解,滤液烧杯外壁发烫,向滤液中吹气滤液变浑浊,证明混合物中有生石灰,否定猜想二。
实验三.滤出的固体烘干,放入氧气中燃烧的产物能使澄清的石灰水变浑浊,证明混合物中含有木炭粉。
否定猜想三。
评价与结论:1.此“食品干燥剂”所含的成分是铁粉、生石灰和碳粉的混合物。
2.“食品干燥剂”中铁粉的作用是与包装袋内空气中的氧气、水蒸气发生反应,生石灰的作用是与包装袋中的水蒸气发生反应,碳粉的作用则是吸附包装袋内的异味。
拓展与应用:思考:时间久了,“食品干燥剂”会发生哪些改变?能用化学方程式表示的用方程式表示。
生石灰干燥剂变质的探究延风中学王凌月一、教学分析:九年级化学课本知识已经结束,但是很少有生活中的化学知识实验探究。
(一)、探究目的:1、知识目标:(1)了解氧化钙的性质.(2)巩固碱能使指示剂变色的性质。
(3)巩固碳酸根离子的检验。
2、能力目标:(1)培养学生运用知识解决实际问题的能力和进行科学探究的方法与实验探究能力。
(2)培养学生合作意识。
3、情感目标:(1)激发学生开展科学探究和学习化学的兴趣。
(2)培养学生关注与生活有关的化学问题。
(二)重点:氧化钙变质的原因。
(三)难点:变质后成分的探究(四)探究方法:创设情境、兴趣引导、分六组实验探究(五)实验用品:烧杯、试管、玻璃棒、温度计、药匙、水、酚酞溶液碳酸钠溶液、稀盐酸、氯化铜溶液、氯化铁溶液二、学情分析学生掌握了氧化钙与水反应以及实验室制二氧化碳的应原理,也知道了氢氧化钙能使指示剂变色,在借助化学实验基本操作,亲自动手,完全可以达到实验目的。
三、教学构思1、创设情境,引出要探究的内容本课题以学生熟知的雪饼中的干燥剂为情景,根据“生石灰会吸水”这一化学基础知识设置了“生石灰为什么可以食品做干燥剂”的问题作为铺垫,学生也会用化学方程式表示;2、学生讨论,实验探究应用生活中的化学知识,提出“小纸袋中的固体可否继续做干燥剂”的问题,要求学生讨论展开实验进行探究;接着引导学生思考“我猜想变质后的物质可能是——”这一开放性的结论。
激发学生进一步探究的兴趣和欲望。
3、知识延伸、追踪练习提出两个问题,目的在于对本科探究内容的巩固,最后要求学生自主提出一个需要探究的新问题(如:变质后的质量怎么变怎样回收再利用怎样除去氧化钙中的碳酸钙怎样除去碳酸钙中的氢氧化钙)是想让学生深知事物有待于发展,科学永无止境”。
四、教学设计创设情境:师:同学们,这些图片是什么、师:同学们吃过雪饼吧我们都知道雪饼香酥可口,假如把雪饼敞口放在空气中一段时间会怎么样呢生:会变潮变软,不好吃了。
枯燥剂变质例1某实验小组取用生石灰时 ,发现装满生石灰的塑料试剂瓶已经膨胀破裂。
小军认为生石灰已变质 ,试剂23请答复:(1)比较甲、乙两种方案 ,你认为哪个方案不够合理....___________ ,理由是______________________;(2)小红认为放置时间过长 ,可能全部变成了CaCO3 ,请你利用实验验证小红的猜想______________________;(3)小林认为不可能全部变成CaCO3 ,一定还有CaO ,请你利用实验验证小林的猜想______________________。
解析此题主要考查生石灰的变质程度的探究。
氢氧化钙的溶解度较小 ,溶于水也会出现白色沉淀 ,因此甲方案不合理;验证生石灰是否全部变成了CaCO3,可取试样参加水中 ,充分搅拌 ,取上层清液 ,滴加无色酚酞试液 ,如果溶液呈红色 ,说明样品中还有CaO或Ca(OH)2 ,否那么 ,说明样品全部变成了CaCO3;验证样品中是否含有CaO ,可取试样参加水中 ,充分搅拌 ,用手触摸容器外壁 ,如果感觉有明显放热 ,说明其中还含有CaO。
答案 (1)甲 ,氢氧化钙溶解度较小 ,溶于水也会出现白色沉淀 (2)取试样参加水中 ,充分搅拌 ,取上层清液 ,滴加无色酚酞试液 ,如果呈现红色 ,说明还有CaO或Ca(OH)2 ,否那么 ,说明全部变成了CaCO3 (3)取试样参加水中 ,充分搅拌 ,用手触摸容器外壁 ,如果感觉有明显放热 ,说明其中还含有CaO例2在实验室里 ,某同学看到氢氧化钠试剂瓶的瓶口有白色粉末。
他对白色粉末的成分作出了一些猜想。
猜想一:可能是氧氧化钠猜想二:可能是碳酸钠猜想三:可能是氧氧化钠和碳酸钠为探究白色粉末的成分 ,他将该粉末溶于水 ,得到无色溶液 ,再迸行了如下实验:(1)根据实验现象推测 ,无色气体是_________________。
(2)在溶液2中滴加过量氯化钡溶液的目的是_________________。
几种食品干燥剂、脱氧剂变质程度鉴定班级___________ 姓名___________ 学号___________【实验猜想与实验设计】:例1、小明同学某食品包装内发现有一包白色固体的小纸袋,上面写着“生石灰干燥剂,请勿食用”。
问题:可是小明发现这包干燥剂已经粘接成块,为什么?________________________________________________________________________思考:当CaO 与Ca(OH)2共存时能否法鉴定出Ca(OH)2的存在?;为什么?______________________猜想:若样品已经完全变质,那么组成中可能含有的成分?1、________________________;2、_______________________分析:氧化钙吸水生成____________;进一步吸收____________生成_____________。
反应的化学方程式:___________________________;______________________。
加酸全部溶解且有气泡,可以肯定只有碳酸钙吗?为什么?_____________________________________________________________________________例2 多数食品容易吸收空气中的水分和氧气而腐败变质。
现在食品中放入一小包双吸剂铁粉,从而保护食品。
小齐同学为了了解该包放置已久双吸剂的主要成分,作了如下探究实验。
【变式训练】每到冬天,市场上便有一种“热宝”出售,它是一个装有化学药品的小袋。
使用时,撕去它的保护膜贴在身体上,不久便会产生热量。
已知小袋中装有铁粉、碳粉和少量氯化钠。
(1)取小袋内物质,加入稀盐酸中,发生反应的化学方程式为:(2)将袋内物质放在足量O2中燃烧,写出反应的化学方程式:①②(3)推测发热剂成分中氯化钠的作用是。
实验I实验II实验探究题(含答案)一、空气中氧气含量的测定20.(5分)已知:镁+氧气——氧化镁(固体)镁+氮气——氮化镁(固体)(1)在做测定空气中氧气含量的实验时,(填能或不能)用铁丝代替红磷,原因是。
(2)某同学根据已知条件的提示,对实验所用的药品进行了更换,用了木炭、硫、镁中的一种药品进行实验,实验也取得了成功,猜想他用到的实验药品是。
请简述实验过程16、(09朝阳市)某校研究性学习小组用右下图装置进行镁条在空气中燃烧的实验,燃烧、冷却后打开止水夹,进入集气瓶中水的体积约占集气瓶容积的70%。
(1)右图中A仪器的名称是______,燃烧、冷却后打开止水夹,水能进入集气瓶中的原因是:__________________。
(2)如果镁条只和空气中的氧气反应,则进入集气瓶中水的体积最多不超过其容积的______%。
现进入集气瓶中水的体积约为其容积的70%,根据空气的组成可推出减少的气体中有氮气。
【发现问题】氮气是怎么减少的呢?【假设一】氮气与镁条反应而减少。
【假设二】________________________________。
【查阅资料】镁条在氮气中能燃烧,产物为氮化镁(Mg3N2)固体。
氮化镁中氮的化合价是_____。
镁条还可以在二氧化碳气体中燃烧生成碳和氧化镁,该反应的类型是_______。
(3)通过以上探究,你对燃烧的有关知识有了什么新的认识:__________________ (写出一点即可)。
二、影响化学反应速率的因素2. (2008年揭阳市)研究性学习小组选择“H2O2生成O2的快慢与什么因素有关”的课题进行探究,以下是他们探究的主要过程:【假设】H2O2生成O2的快慢与催化剂种类有关【实验方案】常温下在两瓶同质量同浓度的H2O2溶液中,分别加入相同质量的MnO2和水泥块,测量各生成一瓶(相同体积)O2所需的时间。
【进行实验】右图是他们进行实验的装置图,气体发生装置中A仪器名称是,此实验中B处宜采用的气体收集方法是。
为了对⼀包放置很久的⼲燥剂(主要成分是⽣⽯灰)进⾏探究,⼩明提出了两项探究任务;(1)探究⼲燥剂是否失效;(2)探究失效的⼲燥剂的主要成分是否是氢氧化钙,他设计了以下的探究⽅案;问题与猜想实验步骤实验现象实验结论①⼲燥剂是否失效取样品放⼊试管中,加适量的⽔,触摸试管壁没有热感--②失效的⼲燥剂中含有氢氧化钙加⽔充分搅拌.过滤后,⽤pH 试纸测其溶液的pH值--有氢氧化钙[交流讨论]你认为探究②是否严密?不严密不严密[反思拓展]你认为CaO为主要成分的⼲燥剂在空⽓中放置久了,除能转化为Ca(OH)2外,还可能转化为碳酸钙碳酸钙,请简单说明验证的思路取少量放置已久的⼲燥剂于试管中,滴加适量的稀盐酸,如果产⽣⽓泡,说明变质后的产物中有碳酸钙取少量放置已久的⼲燥剂于试管中,滴加适量的稀盐酸,如果产⽣⽓泡,说明变质后的产物中有碳酸钙.分析:氧化钙溶于⽔能够放出⼤量的热,氧化钙和⽔反应能⽣成氢氧化钙;氧化钙和⽔反应能⽣成氢氧化钙,氢氧化钙能够吸收空⽓中的⼆氧化碳,反应⽣成碳酸钙和⽔.解答:解:(2)实验现象和结论如表中所⽰:问题与猜想实验步骤实验现象实验结论①⼲燥剂是否失效取样品放⼊试管中,加适量的⽔,触摸试管壁没有热感⼲燥剂完全变质②失效的⼲燥剂中含有氢氧化钙加⽔充分搅拌.过滤后,⽤pH 试纸测其溶液的pH值pH>7有氢氧化钙[交流讨论]不严密;因为如果⼲燥剂中不含有氢氧化钙,含有氧化钙时,加⼊⽔后,氧化钙和⽔反应⽣成氢氧化钙,⽣成的氢氧化钙溶液显碱性,pH⼤于7.故填:不严密.[反思拓展]氧化钙在空⽓中放置久了,能和⽔反应⽣成氢氧化钙,氢氧化钙能和⼆氧化碳反应⽣成碳酸钙和⽔.故填:碳酸钙.检验⼲燥剂中是否含有碳酸钙的⽅法是:取少量放置已久的⼲燥剂于试管中,滴加适量的稀盐酸,如果产⽣⽓泡,说明变质后的产物中有碳酸钙.故填:取少量放置已久的⼲燥剂于试管中,滴加适量的稀盐酸,如果产⽣⽓泡,说明变质后的产物中有碳酸钙.点评:化学实验现象是化学实验最突出、最鲜明的部分,也是进⾏分析推理得出结论的依据,掌握物质的性质和相互之间的反应关系,有助于提⾼观察实验、进⾏实验的能⼒.所以,对化学实验不仅要认真观察,还应掌握设计实验、观察实验现象的⽅法.。