锤击桩打桩施工记录
- 格式:xls
- 大小:42.00 KB
- 文档页数:1
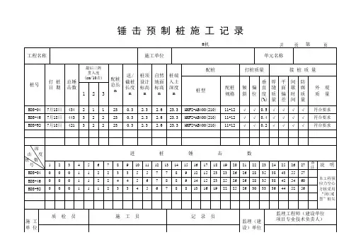
锤击桩施工记录一、适用范围锤击桩主要是指锤击灌注桩、锤击预制桩等,在施工过程中用该表作施工记录。
二、执行标准城市桥梁工程施工与质量验收标准,CJJ2;公路桥涵施工技术规范,JTJ041;建筑地基基础工程质量验收规范,GB50202等。
以最新颁布的规范、标准为准。
三、表内填写提示里程(区号):本机本天施工的桩所在的里程或区域。
设计桩顶标高、设计桩底标高、设计桩长、桩形式规格、桩断面尺寸、设计桩垂直度:按设计图求填写。
设计(工艺试验)最后三阵贯入总量:当表用做工艺试验记录时(不小于5条),按设计图给的参填;当表用于施工记录时,按工艺试验后各验收方商定的数据填写。
桩锤规格及重量:按桩机实际选用的锤头填写。
桩机型号:按桩机铭牌填写。
桩机编号:按自编的桩机号填写。
序号:为本机当天施工的流水号。
桩号:与设计图或自编桩位平面图桩号一致。
地面标高:桩开挖前实测标高。
桩底标高:收锤时的标高。
(不包括桩尖锥形部分。
)桩顶实际标高:收锤时桩顶的标高。
桩顶高出地面长度及送桩深度:根据施工收锤时的实际情况选项填写,桩顶高出地面长度=桩顶实高-地面标高;送桩深度=地面标高-桩顶实际标高。
桩截取长度:桩顶施工标高-设计桩顶标高。
每节桩长:指没截桩前的每段桩长度,填写形式,例:9+9+7。
电焊接桩、胶泥接桩:根据实际接桩方法选其一填写。
停歇、灌注时间:按实际次数、顺序填写。
桩垂直度:实地开挖桩头后,用垂线或测斜仪器量测。
落距:指锤底至桩顶距离。
最后三阵锤灌入量:指每阵锤桩被打入地基深度,连续10击为1阵。
合计量为三阵打入深度的代数 打桩起时间:指每根桩第一锤起锤的时间。
打桩止时间:指记录每根桩最后一锤的时间。
锤落距:指锤底至桩顶距离。
每米锤击数:打入每米土所需要锤击数。
总锤击数:从开始至结束锤击次数的总和。
末段击进数:最后小于一米入土段实际米数。
末段锤击数:最后小于一米入土段打入所需要锤击数。
备注:填写施工过程中出现的问题,处理情况。
锤击管桩工程施工记录表日期:___________项目名称:___________施工单位:___________监理单位:___________监理工程师:___________工程地点:___________施工人员:1. ___________2. ___________3. ___________4. ___________5. ___________6. ___________工作内容:1. 管桩基础的布料和标高设置2. 锤击管桩的安装3. 管桩的锤击4. 管桩的定位和固定5. 管桩的验收6. 清理施工现场施工记录:日期:___________天气:___________施工人员出勤情况:___________工作内容:管桩基础的布料和标高设置具体工作流程及结果:1. 按照设计要求,布置好管桩基础的位置和标高线。
2. 检查基础布料的平整度和坚固度,确保管桩的安装质量。
3. 根据标高设置好管桩的位置,保证管桩的垂直度和水平度。
4. 通过测量和检查,确认管桩基础的布料和标高设置符合要求。
施工记录:日期:___________天气:___________施工人员出勤情况:___________工作内容:锤击管桩的安装具体工作流程及结果:1. 确保管桩的安装位置和角度符合设计要求。
2. 对管桩进行逐根清理,确保管桩的表面干净,便于后续的锤击安装。
3. 对管桩进行逐根的查验,防止管桩在安装过程中出现缺陷。
4. 将管桩的末端与其他管桩相连接,确保整体的稳定和密封性。
施工记录:日期:___________天气:___________施工人员出勤情况:___________工作内容:管桩的锤击具体工作流程及结果:1. 利用专业的锤击设备,对管桩进行逐根的锤击安装。
2. 控制锤击的力度和频率,确保管桩的沉入土壤的深浅和稳定性。
3. 锤击过程中,及时对管桩进行调整和修正,保证安装的准确性。
4. 确保管桩的锤击过程符合设计要求和相关规范。
锤击沉管混凝土灌注桩工程施工记录施工日期:DD/MM/YY施工单位:XXX工程公司一、施工前准备1.1准备工作人员,包括项目经理、监理工程师、技术员、施工人员等。
1.2检查施工设备的完好性和可用性,确保其正常运行。
1.3准备所需的施工材料,包括沉管、混凝土等,并进行质量检验。
1.4清理施工现场,确保安全和整洁。
二、施工过程及记录2.1根据设计图纸进行标线,并在现场安装相应的引导管。
2.2使用挖掘机挖掘沉管孔,控制孔的尺寸和深度,确保与设计要求相符。
2.3安装沉管,使用液压锤进行沉管沉放,确保沉管的垂直度和稳固性。
2.4进行灌注桩的混凝土浇筑,确保混凝土的均匀性和密实度。
2.5在施工过程中,定期检查施工质量,并及时处理施工中的问题和隐患。
2.6模具的拆除和维护,确保灌注桩的表面平整和一致性。
2.7注意施工现场的安全,采取必要的安全措施,防止事故的发生。
三、施工记录3.1施工日期:DD/MM/YY3.2施工人员:项目经理XXX、监理工程师XXX、技术员XXX、施工人员XXX等。
3.3施工设备:挖掘机XXX、液压锤XXX等。
3.4施工材料:沉管XXX、混凝土XXX等。
3.5施工进度:根据设计要求进行了沉管的挖掘和安装,并完成了灌注桩的混凝土浇筑。
3.6施工质量:沉管的垂直度和稳固性符合设计要求;混凝土的均匀性和密实度良好;现场整洁,安全措施到位。
四、施工中的问题及处理4.1问题1:沉管孔的尺寸和深度不符合设计要求。
处理措施:重新挖掘沉管孔,确保其与设计要求相符。
4.2问题2:沉管安装不稳固,垂直度不好。
处理措施:使用液压锤进行修正,确保沉管的垂直度和稳固性。
4.3问题3:混凝土浇筑时均匀性不好。
处理措施:重新配制混凝土,并进行浇筑,确保均匀性和密实度。
五、施工总结本次沉管灌注桩工程施工按照设计要求进行,施工质量良好。
在施工过程中遇到的问题及时处理,并对施工设备和材料进行了检查和质量检验,确保施工安全和质量。
ZJ2.5 工程名称:盐城市经济开发区全民创业园29号楼监理工程师(建设单位项目负责人):质检员:ZJ2.5 工程名称:盐城市经济开发区全民创业园29号楼监理工程师(建设单位项目负责人):质检员:ZJ2.5 工程名称:盐城市经济开发区全民创业园29号楼监理工程师(建设单位项目负责人):质检员:ZJ2.5工程名称:盐城市经济开发区全民创业园29号楼承载力标准值:2400KN 设计桩长:22m 接头处理:焊接锤重量:10.8T 落距:监理工程师(建设单位项目负责人):质检员:预制桩、钢桩施工(锤击)验收记录ZJ2.5工程名称:盐城市经济开发区全民创业园29号楼承载力标准值:2400KN 设计桩长:22m 接头处理:焊接锤重量:10.8T 落距:注:桩下沉每米锤击数指桩穿过淤泥后记录锤击数。
监理工程师(建设单位项目负责人):质检员:预制桩、钢桩施工(锤击)验收记录ZJ2.5工程名称:盐城市经济开发区全民创业园29号楼承载力标准值:2400KN 设计桩长:22m 接头处理:焊接锤重量:10.8T 落距:注:桩下沉每米锤击数指桩穿过淤泥后记录锤击数。
监理工程师(建设单位项目负责人):质检员:预制桩、钢桩施工(锤击)验收记录ZJ2.5工程名称:盐城市经济开发区全民创业园29号楼承载力标准值:2400KN 设计桩长:22m 接头处理:焊接锤重量:10.8T 落距:注:桩下沉每米锤击数指桩穿过淤泥后记录锤击数。
监理工程师(建设单位项目负责人):质检员:预制桩、钢桩施工(锤击)验收记录ZJ2.5工程名称:盐城市经济开发区全民创业园29号楼承载力标准值:2400KN 设计桩长:22m 接头处理:焊接锤重量:10.8T 落距:监理工程师(建设单位项目负责人):质检员:预制桩、钢桩施工(锤击)验收记录ZJ2.5工程名称:盐城市经济开发区全民创业园29号楼承载力标准值:2400KN 设计桩长:22m 接头处理:焊接锤重量:10.8T 落距:监理工程师(建设单位项目负责人):质检员:预制桩、钢桩施工(锤击)验收记录ZJ2.5工程名称:盐城市经济开发区全民创业园29号楼承载力标准值:2400KN 设计桩长:22m 接头处理:焊接锤重量:10.8T 落距:注:桩下沉每米锤击数指桩穿过淤泥后记录锤击数。
锤击沉管灌注桩施工记录工程名称:郴州市福升公司外来工公 施工单位:湖南省第四工程公司 桩机规格型号:DD32 桩锤重量: 3 T 落锤高度: 2.6 m湘质监统编施2002-46锤击沉管灌注桩施工记录工程名称:郴州市福升公司外来工公 施工单位:湖南省第四工程公司 桩机规格型号:DD32 桩锤重量: 3 T 落锤高度:2.6 m湘质监统编施2002-46施工单位检查记录人:监理(建设)单位技术负责人:2015学年初三(上)语文·文言文C1(小测答案)班级:_________ 姓名:_________ 学号:_________21、陈涉世家(一)陈胜者,阳城人也,字涉。
吴广者,阳夏人也,字叔。
陈涉少时,尝.(曾经)与人佣.(被雇佣)耕,辍.(停止)耕之.(去、往)垄上,怅.(失望)恨久之,曰:“苟.(如果)富贵,无相忘。
”佣者笑而应曰:“若.(你)为佣耕,何富贵也?”陈涉太息....(见识短浅的人)安.(怎么)知鸿鹄..(长叹)曰:“嗟乎,燕雀(有远大抱负的人)之志哉!”1、本文节选自《史记•陈涉世家》,作者司马迁,字子长,西汉(填朝代)史学家、文学家。
他用毕生精力著成了我国第一部纪传体通史,全书一百三十篇,后人把这部书称为《史记》。
(3分*7=21分)2、解释文中加点字词。
(3分*11=33分)3、翻译下列句子:(5分*5=25分)(1)陈涉少时,尝与人佣耕。
陈涉年轻的时候,曾经同别人一道被雇佣耕地。
(2)辍耕之垄上,怅恨久之。
陈涉停止耕作走到田边高地休息,因失望而叹恨了好久。
(3)苟富贵,无相忘。
如果有一天富贵了,不要彼此忘记。
(4)若为佣耕,何富贵也?你做雇工为人家耕地,哪里谈得上富贵呢?(5)嗟乎,燕雀安知鸿鹄之志哉!唉,燕雀怎么知道鸿鹄的志向呢!4、回答下列问题:(3分*7=21分)(1)请用简明准确的语言概括上文的主要内容。
陈涉年轻时就有远大的抱负。
(2)上文哪句话能写出陈涉的贫贱出身和低下地位?陈涉少时,尝与人佣耕。
锤击预应力管桩施工记录表(可以直接使用,可编辑实用优秀文档,欢迎下载)
锤击预应力管桩施工记录表
单位工程名称:星子县庐湖春天总承包单位:温州建设装机型号:桩端持力层:施工日期:桩基工程施工负责人:桩型:自然地面标高:
锤击式预应力管桩(预制桩)施工记录
施工员:施工单位(项目技术负责人):监理单位(总监理工程师):建设单位:
2、当做分部、分项施工作业安全交底时,应填写“分部、分项工程名称”栏;
3、交底提要应根据交底内容把交底重要内容写上。