PPC64-5除尘器技术参数
- 格式:doc
- 大小:24.00 KB
- 文档页数:1
脉冲除尘器技术参数表格
脉冲除尘器是在袋式除尘器的基础上改进的新型高效脉冲除尘器,综合了分室反吹各种脉冲喷吹除尘器的优点,克服了分室清灰强度不够,进出风分布不均等缺点,扩大了应用范围。
脉冲布袋除尘器的型号种类很多,有MC-II型,PPC气箱脉冲除尘器,DMC 脉冲除尘器等常用型号,这些型号的确定是根据各行业的实际应用情况来进行确定的,广西贵港通达环保提供技术参数表参考。
MC-Ⅱ型脉冲布袋除尘器技术性能参数:
PPC气箱脉冲布袋除尘器详细技术参数:
型号
DMC-32DMC-48DMC-64DMC-80DMC-96DMC-112技术参数
处理风量
(m3/h)
1500-21002100-32002900-43004000-60005200-70006000-9000总过滤面积
(m2)
243648607284
过滤风速
(m/min)
滤袋数量(条)3248648096112
设备阻力(Pa)≤1200
入口粉尘浓度
(g/m3)
<200
出口排放浓度(mg/m3)≤50
DMC型系列单机脉冲除尘器具有设计结构简单,除尘效率高,造价低等特点。
其中,DMC-48单机脉冲除尘器规格暂时有六个规格,每种规格又可分为标准带灰斗式A型和敞开法兰式(无灰斗)B型二种。
其结构主要由过滤室、滤袋、净气室、灰斗、卸灰阀、脉冲喷吹装置、电控箱等组成,箱体全部采用焊接结构,检修门用泡沫橡胶条密封,保证除尘器严密不漏风。
设备位号:L30601A/B/C/D
无水氯化镁颗粒料仓LCM-70型仓顶式脉冲袋式除尘器技术规格书
青海盐湖机电装备制造有限公司
2013年03月04日
目录
1.总则 (3)
2.供货设备一览表 (3)
3.设备数据单 (4)
1.总则
1.1本技术部分适用于青海盐湖工业集团10万吨/年电解镁工程电解车间无水氯化镁颗粒料仓上部的布袋收尘器,它提出了该设备的功能、性能、材料等方面的技术要求及相关的伴随服务。
1.2 本技术部分并未对一切技术细节做出规定,投标方应提供符合本技术部分的技术条件和满足招标方使用要求的优质产品。
1.3 本技术部分所用的标准如与投标方所执行的标准不一致时,按较高标准执行。
2.工程概况
2.1生产规模:设计能力年生产10万吨金属镁
2.2 安装地点:青海盐湖电解镁工程电解车间无水氯化镁颗粒料8个储料仓上部
3.自然条件
极端最高气温: 35℃
极端最低气温: -29.7℃
年平均气温: 5.9℃
年平均气压: 73.56kPa
厂区海拔标高: 2680m
年平均相对湿度: 26%
年平均降雨量: 35mm
全年主导风向为东风,频率为 SW 频率 18.4%
年平均风速: 4.1 m/s
地震烈度 7度
4.主要技术要求
4.1 设备编号:L30601A/B/C/D;
名称:布袋收尘器
数量:4台(套)
规格:1807mm(长)x1499mm(宽)x3200mm(高)
重量:~6500kg(设备厂家确定)
材质:316L不锈钢
4.2 性能要求:严格控制水分进入无水氯化镁仓,仓内使用露点为-40℃的干燥空气保护。
静电吸附除尘设备规格参数静电吸附除尘设备是一种利用静电场吸附颗粒物质,并通过高压电场将被吸附的颗粒物质击落而完成除尘的一种设备。
其主要工作原理是利用静电场对气流中的颗粒进行吸附,然后再将吸附的颗粒物质击落下来,从而达到除尘的效果。
由于其除尘效率高、能耗低等特点,被广泛应用于电力、冶金、建材等行业中。
根据不同的工作条件和要求,静电吸附除尘设备在设计和制造时需要考虑到一系列的规格参数。
以下是一些常见的静电吸附除尘设备的规格参数:1. 设备类型静电吸附除尘设备主要有湿式静电除尘器和干式静电除尘器两种类型。
湿式静电除尘器适用于高温、高湿或易燃易爆场合,干式静电除尘器适用于一般场合使用。
2. 处理气流量处理气流量是衡量静电吸附除尘设备处理能力的重要参数之一。
根据具体的使用需求,处理气流量可以分为小型、中型和大型三种规格。
3. 静电场电压静电吸附除尘设备通过产生高压电场来吸附和击落颗粒物质,因此静电场的电压大小是一个重要的规格参数。
一般来说,静电场电压越高,除尘效果越好,但同时也会增加设备的能耗和成本。
4. 除尘效率除尘效率是衡量静电吸附除尘设备性能优劣的重要指标。
除尘效率越高,表示设备对气流中的颗粒物质的吸附和击落能力越强,从而更好地满足使用需求。
5. 电场功率电场功率是指设备产生静电场所需的功率大小。
电场功率越大,设备的除尘能力越强,但同时也会增加设备的能耗和成本。
6. 运行稳定性静电吸附除尘设备的运行稳定性是一个重要的性能参数。
设备在长时间运行过程中要能够保持良好的稳定性,从而保证除尘效果和设备寿命。
7. 设备尺寸设备尺寸是静电吸附除尘设备的一个重要参数,其大小要符合使用场所的要求,同时也需要考虑到设备安装、维护和运输的便捷性。
8. 技术指标静电吸附除尘设备的技术指标包括工作电流、电源电压、运行温度、除尘效率等,这些指标都是衡量设备性能和可靠性的重要参数。
9. 运行成本运行成本是评价静电吸附除尘设备经济性的一个重要指标,包括设备本身的购置成本、运行维护成本、能耗成本等。
水厂铁矿破碎车间除尘系统设备清单一、设备台数:6台套二、主要设备设计参数:a)BD-1布袋除尘器性能参数:序号项目性能参数布袋除尘器1数量(台)12清灰方式在线清灰3处理风量(m3/h)260004烟气温度(℃)常温5过滤面积(m2)6006过滤风速(m/min)0.75m/min 7废气进口含尘浓度≤1g/m³8排放浓度(mg/Nm3)≤10mg/m³9脉冲阀规格3”3”10滤袋规格Φ160x6000 11滤袋数量20812滤袋材质针刺毡覆膜13压缩空气压力(MPa)0.4~0.6 14压缩空气耗量(Nm3/min)0.8~1.0 15漏风率(%)<316设备阻力(Pa)<1500 17设备耐压(Pa)-6500 18储气罐1m3/0.8MPa b)引风机性能参数:BD-2除尘系统a)BD-2布袋除尘器性能参数:序号项目性能参数布袋除尘器1数量(台)12清灰方式在线清灰3处理风量(m3/h)940004烟气温度(℃)常温5过滤面积(m2)21006过滤风速(m/min)0.75m/min 7废气进口含尘浓度≤1g/m³8排放浓度(mg/Nm3)≤10mg/m³9脉冲阀规格3”3”10滤袋规格Φ160x6000 11滤袋数量71212滤袋材质针刺毡覆膜13压缩空气压力(MPa)0.4~0.6 14压缩空气耗量(Nm3/min) 1.8~2.2 15漏风率(%)<316设备阻力(Pa)<1500 17设备耐压(Pa)-6500 18储气罐2m3/0.8MPa b)引风机性能参数:BD-3除尘系统a)BD-3布袋除尘器性能参数:序号项目性能参数布袋除尘器1数量(台)12清灰方式在线清灰3处理风量(m3/h)120000 4烟气温度(℃)常温5过滤面积(m2)27006过滤风速(m/min)0.75m/min 7废气进口含尘浓度≤1g/m³8排放浓度(mg/Nm3)≤10mg/m³9脉冲阀规格3”3”10滤袋规格Φ160x6000 11滤袋数量91212滤袋材质针刺毡覆膜13压缩空气压力(MPa)0.4~0.6 14压缩空气耗量(Nm3/min) 1.0~1.5 15漏风率(%)<316设备阻力(Pa)<1500 17设备耐压(Pa)-6500 18储气罐2m3/0.8MPa b)引风机性能参数:BD-4除尘系统a)BD-4布袋除尘器性能参数:序号项目性能参数布袋除尘器1数量(台)12清灰方式在线清灰3处理风量(m3/h)260004烟气温度(℃)常温5过滤面积(m2)6006过滤风速(m/min)0.75m/min 7废气进口含尘浓度≤1g/m³8排放浓度(mg/Nm3)≤10mg/m³9脉冲阀规格3”3”10滤袋规格Φ160x6000 11滤袋数量20812滤袋材质针刺毡覆膜13压缩空气压力(MPa)0.4~0.6 14压缩空气耗量(Nm3/min)0.8~1.0 15漏风率(%)<316设备阻力(Pa)<1500 17设备耐压(Pa)-6500 18储气罐1m3/0.8MPa b)引风机性能参数:BD-5除尘系统a)BD-5布袋除尘器性能参数:序号项目性能参数布袋除尘器1数量(台)12清灰方式在线清灰3处理风量(m3/h)780004烟气温度(℃)常温5过滤面积(m2)27006过滤风速(m/min)0.75m/min 7废气进口含尘浓度≤1g/m³8排放浓度(mg/Nm3)≤10mg/m³9脉冲阀规格3”3”10滤袋规格Φ160x6000 11滤袋数量57612滤袋材质针刺毡覆膜13压缩空气压力(MPa)0.4~0.6 14压缩空气耗量(Nm3/min) 1.0~1.2 15漏风率(%)<316设备阻力(Pa)<1500 17设备耐压(Pa)-6500 18储气罐2m3/0.8MPa b)引风机性能参数:BD-6除尘系统a)BD-6布袋除尘器性能参数:序号项目性能参数布袋除尘器1数量(台)12清灰方式在线清灰3处理风量(m3/h)202000 4烟气温度(℃)常温5过滤面积(m2)45006过滤风速(m/min)0.75m/min 7废气进口含尘浓度≤1g/m³8排放浓度(mg/Nm3)≤10mg/m³9脉冲阀规格3”3”10滤袋规格Φ160x6000 11滤袋数量153612滤袋材质针刺毡覆膜13压缩空气压力(MPa)0.4~0.6 14压缩空气耗量(Nm3/min) 1.5~2.0 15漏风率(%)<316设备阻力(Pa)<1500 17设备耐压(Pa)-650018储气罐2m3/0.8MPa b)引风机性能参数:。
DMC-64布袋除尘器技术参数及工作原理泊头市特达除尘设备有限公司一、技术参数1 除尘器名称DMC-642 除尘器形式脉冲式布袋除尘器3 室(个) 14 灰斗(个)15 实际过滤面积(㎡)526 处理放量(m³/h)3500-50007 清灰方式在线清灰8 过滤风速(m³/min) 0.7-2.09 出口含尘浓度(mg/m³)1010 设备漏风率% 311 设备设计耐压(pa)600012 设备阻力(pa)1100-140013 布袋(条)6414 布袋规格(mm)Φ120*1950133*200015 布袋材质涤纶针刺毡500g/㎡16 布袋工作温度(℃)≤12017 骨架(根)6418 骨架规格(mm)Φ120*195019 骨架材质碳钢喷涂20 电磁脉冲阀(个)821 电磁脉冲阀规格1寸直角阀22 风机(KW)7.523 气源压力(Mpa)0.5-0.7二、袋式收尘器结构及原理1. 设备主要结构袋式除尘器主要由底部钢结构、灰斗、上箱体、中箱体、进出风口、滤袋、清灰装置、电气控制等几部分组成。
2 、工作原理2.1 过滤原理含尘气体由进风口进入,经过灰斗时,气体中部分大颗粒粉尘受惯性力和重力作用被分离出来,直接落入灰斗底部。
含尘气体通过灰斗后进入中箱体的滤袋过滤区,气体穿过滤袋,粉尘被阻留在滤袋外表面,净化后的气体经滤袋口进入上箱体后,再由出风口排出。
2.2 清灰原理随着过滤时间的延长,滤袋上的粉尘不断积厚,除尘设备的阻力不断上升,清灰装置按设定的时间开始清灰。
电磁脉冲阀开启,压缩空气以极短促的时间在上箱体内迅速膨胀,涌入滤袋,使滤袋膨胀变形产生振动,并在逆向气流冲刷的作用下,随着在滤袋外表面上的粉尘被剥离落入灰斗中。
清灰完毕后,电磁脉冲阀关闭,清灰各室依次进行。
2.3粉尘收集经过滤和清灰工作被截留下来的粉尘落入灰斗,再由灰斗经过卸料器落灰管卸料至集灰仓集中排出。
湿式静电除尘器是一种常用于处理气体中固体颗粒和粉尘的设备。
它通过结合湿式洗涤和静电除尘的原理,将气体中的颗粒捕捉并移除。
以下是湿式静电除尘器的一些常见技术参数:
1. 处理空气流量:湿式静电除尘器能够处理的空气流量通常以立方米每小时(m³/h)或立方英尺每分钟(CFM)为单位进行表示。
这个参数会根据设备的尺寸和设计而有所不同。
2. 颗粒捕集效率:湿式静电除尘器的颗粒捕集效率表示它能够从气体中有效去除的颗粒的百分比。
这个参数取决于设备的设计和操作条件,通常可以达到很高的效率。
3. 电压和电流:湿式静电除尘器通常需要通过高电压产生静电场,以吸引和捕集颗粒。
设备的电压和电流参数表示所需的电力输入,通常以伏特(V)和安培(A)为单位。
4. 电场强度:湿式静电除尘器中的电场强度是一个重要的技术参数。
较高的电场强度可以增加颗粒的捕集效率,但也需要更高的电力输入。
5. 湿化效果:湿式静电除尘器通过向气体中喷洒水或其他湿化剂,使颗粒与水滴结合并沉降。
湿化效果表示湿化剂对颗粒的湿化程度,通常以百分比表示。
6. 清洗周期:湿式静电除尘器需要定期进行清洗以去除积聚的颗粒。
清洗周期表示两次清洗之间的时间间隔,它会根据颗粒负荷和设备设计而有所不同。
请注意,具体的湿式静电除尘器的技术参数会根据不同的设备供应商和应用需求而有所差异。
如果你需要详细了解某个具体型号的技
术参数,建议直接参考设备供应商提供的技术文档或联系他们进行咨询。
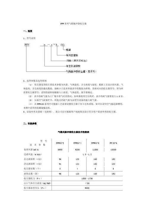
PPW系列气箱脉冲袋收尘器
一、选型
1、型号说明
2、选型参数及选型原则
(1)收尘器选型的主要技术参数为风量、气体温度、含尘浓度与湿度。
根据工艺设计的风量、气体温度、含尘浓度的最高数值,按略小于技术性能表中的数值为原则,其相对应的收尘器型号,即为所需要收尘器型号,采用的滤料则根据入口浓度、气体温度、湿含量确定。
(2)表中的耗气量为工厂集中供气时的情况,如单独使用空压机时,表中的耗气量要放大1.3倍。
(3)压缩空气耗量栏中,所提出的耗气量为该型号设备的最大耗气量。
(4)在PPW128系列中可根据工艺需要设置收尘器下灰斗出料系统,如可以采用空气输送斜槽等,本图中采用的是螺旋输送机。
3、设备外形及基础(见附图),我公司还可根据用户场地情况设计符合用户要求外形的收尘器。
二、性能参数
气箱式脉冲袋收尘器技术性能表
气箱式脉冲袋收尘器技术性能表
气箱式脉冲袋收尘器技术性能表
气箱式脉冲袋收尘器技术性能表
气箱式脉冲袋收尘器技术性能表
气箱式脉冲袋收尘器技术性能表。
气箱脉冲袋式除尘器是一种常见的工业除尘设备,以下是一些常见的技术参数:
1. 处理风量:指单位时间内通过除尘器的气体体积,通常以立方米/小时(m³/h)表示。
2. 过滤面积:指除尘器中滤袋的总表面积,通常以平方米(m²)表示。
3. 过滤风速:指单位时间内通过滤袋的气体速度,通常以米/分钟(m/min)表示。
4. 脉冲喷吹压力:指脉冲喷吹清灰系统的压缩空气压力,通常以兆帕(MPa)表示。
5. 脉冲喷吹间隔:指相邻两次脉冲喷吹之间的时间间隔,通常以秒(s)表示。
6. 滤袋材质:常见的滤袋材质包括聚酯、聚丙烯、玻璃纤维等。
7. 滤袋规格:指滤袋的长度、直径和数量等尺寸参数。
8. 清灰方式:常见的清灰方式包括脉冲喷吹、机械振打等。
9. 排放浓度:指除尘器出口处的气体污染物浓度,通常以毫克/立方米(mg/m³)表示。
10. 设备阻力:指气体通过除尘器时所受到的阻力,通常以帕斯卡(Pa)表示。
以上是气箱脉冲袋式除尘器的一些常见技术参数,具体参数可能因不同的设备型号和应用场景而有所差异。
在选择和使用除尘器时,应根据实际需求和工况条件来确定合适的参数。
PPC型气箱脉冲袋式除尘器说明书PPC系列气箱脉冲袋式除尘器是一种新一代除尘器,结合了分室反吹和喷吹脉冲等除尘器的优点,克服了它们的缺点,提高了使用适应性和除尘效率,并延长了滤袋使用寿命。
它可广泛应用于破碎机、烘干机、煤磨、生料磨、篦冷机、水泥磨、包装机及各库顶、底的除尘设备,以及高浓度生料立式磨和O-sepa选粉机的工艺除尘。
滤料可根据粉尘特性选用不同类型的针刺毡,使用寿命平均可达二年以上。
电磁脉冲阀采用美国ASCO产品,具有控制灵敏、效率高、寿命长等特点。
该除尘器已被广泛选用,特别是在水泥、电力、冶金、化工等行业得到了迅速的推广。
三、基本结构及工作原理PPC系列气箱脉冲袋式除尘器主要由气箱、滤袋、脉冲阀、排灰系统、进气和出气管道、检修口和安装支架等组成。
工作原理是:烟气从进气管道进入气箱,经过滤袋过滤后,净化后的气体从出气管道排出,被过滤的粉尘则在滤袋上积聚。
当滤袋上积聚的粉尘达到一定厚度时,通过控制器发出信号,脉冲阀开启,高压气体通过喷吹管喷向滤袋内部,产生反吹气流,把粉尘吹落到灰斗内,从而实现除尘。
排灰系统包括旋转卸灰器和螺旋输送器,可根据需要选用。
四、选用说明PPC系列气箱脉冲袋式除尘器的选用应根据除尘器的规格和烟气特性进行,包括烟气流量、温度、湿度、粉尘特性等因素。
在选用滤袋时,应根据粉尘特性和使用环境选择合适的针刺毡材料和规格,以保证除尘效果和使用寿命。
在选用脉冲阀时,应根据除尘器的规格和烟气特性选择合适的数量和规格。
五、安装与调试PPC系列气箱脉冲袋式除尘器的安装应按照产品说明书和安装图纸进行,注意安装位置、支架、管道连接等细节,确保安装牢固、连接密封。
安装后应进行调试,包括检查各部件是否正常运转、气密性是否良好、电气控制系统是否正常等,确保除尘器能够正常工作。
六、使用维护要求PPC系列气箱脉冲袋式除尘器的使用和维护应按照产品说明书进行,包括定期清理灰斗、检查滤袋和脉冲阀是否正常、更换损坏的部件等。
布袋除尘器设备参数
布袋除尘器的设备参数主要包括以下几项:
1. 处理风量:表示除尘器在单位时间内处理的空气流量,通常以立方米/小
时(m³/h)为单位。
2. 过滤面积:表示除尘器内部滤袋的表面积,通常以平方米(m²)为单位。
3. 入口温度:表示进入除尘器的空气温度,通常以摄氏度(°C)为单位。
4. 出口温度:表示经过除尘器处理后的空气温度,通常以摄氏度(°C)为单位。
5. 阻力损失:表示除尘器对空气流动的阻力,通常以帕斯卡(pa)为单位。
6. 排放浓度:表示除尘器排放的烟尘或气体的浓度,通常以毫克/立方米(mg/m³)为单位。
7. 工作电压:表示除尘器正常工作所需的电源电压,通常以伏特(v)为单位。
8. 功率:表示除尘器的耗电量,通常以千瓦(kw)为单位。
9. 外型尺寸:表示除尘器的外部尺寸,通常以毫米(mm)为单位。
10. 重量:表示除尘器的重量,通常以千克(kg)为单位。
11. 外形体积:表示除尘器的外形体积,通常以立方米(m³)为单位。
12. 安装基础:表示除尘器的安装基础要求,包括地面、支架等。
这些参数将根据具体的布袋除尘器型号和使用工况而有所不同。
布袋除尘器参数布袋除尘器是一种常见的工业除尘设备,主要用于净化工业生产过程中的废气,达到环保净化的要求。
在购买布袋除尘器时,需要了解一些基本的参数和规格,以便选择合适的设备。
1. 过滤面积过滤面积是指布袋除尘器内的滤袋面积,也是除尘器处理空气流量的一个重要指标。
一般来说,过滤面积越大,处理空气量也越大,除尘效率也更高。
具体来说,一般的布袋除尘器的过滤面积可达到几十到上千平方米不等。
2. 风量风量是指布袋除尘器每小时所处理空气的体积。
在选择布袋除尘器时需要考虑处理空气的流量以及工作环境的特殊要求,以确定所需的风量。
一般来说,风量与过滤面积成正比,对于同一种布袋除尘器,如果过滤面积增加,则风量也需要跟着增加。
3. 过滤效率过滤效率是指布袋除尘器在工作时能够过滤掉的颗粒物的百分比。
不同类型的布袋除尘器在过滤效率方面会有所不同。
对于需要过滤出精细小颗粒的场合,过滤效率必须高,达到99.9%以上。
而对于一些一般的工业生产场地,过滤效率在90%以上即可满足环保要求。
4. 滤袋滤袋是布袋除尘器的核心组成部分,也是决定除尘效果的关键。
一般来说,滤袋材质越好,除尘效果越好,滤袋的品质也是衡量布袋除尘器价格高低的关键因素之一。
常用的滤袋材质包括聚酯纤维、聚酰胺纤维、玻璃纤维等。
5. 清灰方式清灰方式是指布袋除尘器清除过滤器上的灰尘的方式。
常见的清灰方式包括机械振打式、高压气袋式和脉冲反吹式。
其中,脉冲反吹式清灰方式是目前应用更为广泛的一种方式,具有清灰效果更好、清灰周期更短、维护成本更低等优点。
6. 外形尺寸外形尺寸也是考虑购买布袋除尘器时需要考虑的一个因素。
一般来说,布袋除尘器的外形尺寸需要与现有的设备进行搭配。
同时,也需要考虑到设备的安装问题,以免在安装过程中出现安全隐患和操作不便等问题。
结论以上是布袋除尘器的几个基本参数,购买布袋除尘器时需要重点关注这些参数。
正确购买合适的布袋除尘器不仅可以减少工业排放对环境的污染,同时也能保证工艺生产过程的顺利进行。
PPW系列气箱式布袋除尘器选型手册山西紫光聚环保科技有限公司PPW系列气箱式布袋除尘器一、概述气箱脉冲袋式除尘器的主要设计特点是在滤袋上口不设文氏管,也没有喷吹管,而是用脉冲阀直接往净气室喷压缩空气进而向滤袋清灰。
这样既降低喷吹工作阻力,又便于逐室进行检测、换袋。
阀数量为每室1-2个,规格为2-3in。
该机集分室反吹和脉冲喷吹等特点,增强了使用适用性。
可作为破碎机、烘干机、煤磨机、生料磨、水泥磨、包装机及各库顶除尘设备,也可作为其他行业设备。
二、结构主体由箱体、袋室、灰斗、进风口和出风口四大部分组成,并配有支柱、楼梯、栏杆、压气管路系统、清灰控制机构等。
(1)箱体。
箱体主要是固定骨架、布袋及气路元件之用,并制成全密闭形式,清灰时,压缩空气管先进入箱体,不再入各滤袋内部。
顶部设有人孔检修门,安装和更换骨架,滤袋全部在这里进行,十分方便,根据规格的不同,箱体内又分成若干个室,相互之间均用钢板隔开,互不透气,以实现离线清灰。
每个室内均设有一个提升阀,以切换过滤气流。
(2)袋室。
袋室在箱体的下部,主要用来容骨架和滤袋,且形成一个过滤空间,含尘气体的净化主要在这里进行,同箱体一样,根据规格的不同也分成若干个室,并用隔板隔开,以防在清灰时各室之间的互相干扰,同时形成一定的滑降空间。
(3)灰斗。
灰斗布置在袋室的下部,它除了存放收集下来的粉尘以外,还作为下进气总管使用,当含尘气体进入袋室前先进入灰斗,由于灰斗内容积较大,使得气流速度降低,加之气流方向的改变,使得较粗的尘粒在这里就得到分离,灰斗下部布置有粉尘输送设备,出口还有翻板阀等锁风设备,可边续进行排灰。
(4)进出风口。
进出风口根据除尘器的结构形式分为两种,一是进风口为圆筒形,直接焊在灰斗的侧板上,出风口安排在箱体下部,通袋室侧面,通过提升阀板孔与箱体内部相通。
二是进出风口制成一体,安排在袋室侧面、箱体和灰斗之间中间用斜隔板隔成互不透气的两部分,分别为进风口和出风口,这种结构形式体积虽大些,但气流分布均匀,灰斗内预除尘效果好,适合于气体含尘浓度较大的场合使用。