最新电路改造施工工艺
- 格式:pdf
- 大小:20.30 KB
- 文档页数:2
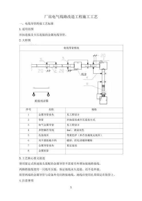
厂房电气线路改造工程施工工艺一、电线导管跨接工艺标准1.适用范围丝扣连接及卡压连接的金属电线导管。
2.大样图3.工艺核心要义叙述使用紧定式快速接头装配的金属导管不需要另外增加接地跨接线。
两路跨接线使用一只线耳压接,保证地线永久连接,而不是串接。
软管两端的金属导管与设备外壳应跨接地线,地线应使用扎带固定在软管上。
4.注意事项采购线盒内要求增加跨接端子。
二、电气导管布置工艺标准1.适用范围适用于室内明装电气导管安装。
2.大样图3.工艺核心要义叙述线管颜色可按照使用用途来喷涂,建议强电为绿色,弱电为白色。
软管长度:照明小于等于1200mm;动力小于等于800mm。
明配导管在终端、弯头中点、或柜、台、箱、盘等边缘的150mm~500mm范围内设置固定码。
现场条件允许的情况下,按本工艺标准所设定的距离设置固定码。
中间直线段固定码的距离按规范、设计要求。
并列明配的导管固定码按“左右左”或“下上下”的品字方式布置4.注意事项线管明配时应采用明装线盒,线盒外形尺寸为86*86,深度宜为40mm,不用的敲落孔应完整、密封,明装管固定时一律采用离墙码。
软管进出线盒需加锁母。
5.产品图片三、电气导管沿吊架安装工艺标准1.适用范围适用于明敷线管吊装。
2.大样图若有吊顶,采用此做法,若无吊顶且无要求,推荐用上一节的做法。
角钢吊具或托架底漆红丹,面漆银漆。
4.注意事项金属导管严禁对口熔焊连接,镀锌和壁厚小于2mm的钢管不得套管熔焊连接。
金属导管的内外壁应防腐处理。
四、电气户外钢管安装工艺标准1.适用范围电气户外钢管安装工艺标准2.大样图3.工艺核心要义叙述过线盒应使用防水线盒。
当支架宽度W≤250mm 时,使用A 形式安装方式;当支架宽度W>250mm 时,使用B 形式安装方式。
水泥护墩顶部应为小倾斜锥,便于泄水。
水泥护墩高于完成面200~250mm 是考虑防止支架烂根并便于土建施工。
五、槽架、线管接驳配电箱/柜安装工艺标准1.适用范围槽架接驳配电箱/柜安装工艺标准2.大样图3.工艺核心要义叙述线槽/桥架与配电箱/柜的进出线口接驳时,中间使用绝缘板(7 或8)做绝缘层护套保护。
简述电路改造施工工艺及要点。
随着科技的不断发展,电路改造已经成为了现代社会中不可或缺的一部分。
电路改造是指对原有电路系统进行升级、改善、扩容等工作,以满足不同需求和使用要求。
本文将从电路改造的施工工艺和要点两个方面进行详细介绍。
一、电路改造施工工艺1. 前期准备工作在进行电路改造之前,需要进行充分的前期准备工作。
首先需要进行工程评估和设计,确定改造的范围、改造后的电路规格、材料和设备的选型等。
同时还需要进行现场勘察,了解电路系统的具体情况,确定施工方案和进度计划。
2. 施工方案制定在进行电路改造之前,需要制定详细的施工方案。
该方案应包括改造的范围、施工流程、安全措施、材料和设备的选型、施工进度计划等内容。
同时还需要制定应急预案和应对措施,以应对意外情况的发生。
3. 材料和设备的准备在进行电路改造之前,需要准备好所需的材料和设备。
这些材料和设备应符合国家标准和相关规定,质量可靠、性能稳定。
同时还需要进行材料和设备的检查和测试,确保其符合要求。
4. 施工现场布置在进行电路改造之前,需要对施工现场进行布置。
这包括对施工区域进行划分、搭建临时设施、设置安全警示标志、清理施工区域等。
同时还需要对施工现场进行安全检查和环境保护。
5. 施工过程控制在进行电路改造的过程中,需要对施工过程进行控制。
这包括对施工进度和质量进行监控、对施工人员进行管理和协调、对施工过程中的问题进行及时解决等。
同时还需要进行安全和环境保护的监控和管理。
6. 施工完工验收在进行电路改造完工后,需要进行验收。
这包括对改造后的电路进行功能测试、检查电路的稳定性和可靠性、检查施工质量等。
同时还需要进行安全和环境保护的验收。
二、电路改造要点1. 安全第一在进行电路改造时,安全是最重要的要点。
必须对施工现场进行安全控制,包括对施工人员进行安全培训、设置安全警示标志、对施工现场进行环境保护等。
同时还需要对施工材料和设备进行质量检查和测试,确保其符合要求。
简述电路改造施工工艺及要点电路改造是指对原有电路进行升级、改造或重建,以满足新的电力需求或提高电力使用效率。
电路改造施工工艺及要点是电路改造的重要组成部分,它直接关系到电路改造的质量和安全。
下面将从施工工艺和要点两个方面进行详细介绍。
一、施工工艺1.方案设计:在电路改造前,需要进行方案设计,确定改造的范围、目的、方法和步骤等。
设计方案要充分考虑电路的安全性、可靠性和经济性,确保改造后的电路能够满足使用要求。
2.材料准备:根据设计方案,准备所需的电线、电缆、开关、插座、配电箱等材料,并进行质量检查,确保材料符合国家标准和设计要求。
3.施工准备:在施工前,需要进行现场勘测和安全检查,确定施工方案和安全措施。
同时,要准备好所需的工具和设备,确保施工顺利进行。
4.施工过程:施工过程中,要按照设计方案和施工要求进行,确保电路改造的质量和安全。
在施工过程中,要注意保护现有设备和设施,避免对周围环境造成影响。
5.验收和调试:电路改造完成后,需要进行验收和调试,确保改造后的电路能够正常运行。
同时,要进行安全检查,确保电路改造符合国家标准和安全要求。
二、要点1.安全第一:电路改造是一项危险的工作,要注意施工安全。
在施工前,要进行安全检查,确保施工现场安全。
在施工过程中,要注意防止电击、火灾等事故的发生。
2.质量保证:电路改造的质量直接关系到电路的安全和可靠性。
在施工过程中,要严格按照设计方案和施工要求进行,确保电路改造的质量。
3.环保节能:电路改造应该注重环保节能,采用节能环保的电线、电缆和设备,减少能源消耗,降低对环境的影响。
4.合理布线:电路改造应该合理布线,避免电线、电缆交叉,减少电磁干扰,提高电路的稳定性和可靠性。
5.维护保养:电路改造后,要进行维护保养,定期检查电路的运行情况,及时发现和解决问题,确保电路的正常运行。
电路改造施工工艺及要点是电路改造的重要组成部分,它直接关系到电路改造的质量和安全。
在电路改造过程中,要注重施工安全、质量保证、环保节能、合理布线和维护保养,确保电路改造的质量和安全。
第1篇一、施工准备1. 设计方案:根据业主需求,设计合理的电路布局,包括电源、照明、插座、开关等。
2. 材料准备:根据设计方案,选购合适的电线、电缆、PVC管、接线端子、接线盒、开关、插座等材料。
3. 工具准备:准备电钻、切割机、剥线钳、压线钳、万用表等施工工具。
二、施工流程1. 弹线定位:根据设计方案,确定线路终端插座、开关、面板的位置,并在墙面标画出准确的位置和尺寸。
2. 开槽:使用切割机沿弹线位置开槽,槽宽约10mm,深度约15mm。
3. 埋设暗盒及敷设PVC电线管:将PVC电线管穿入槽内,固定在墙面上,确保管子平直、无弯曲。
将接线盒、开关、插座等安装到墙面上,并连接好。
4. 穿线:将电线穿过PVC电线管,同一回路电线应穿入同一根管内,但管内总根数不应超过8根,电线总截面积(包括绝缘外皮)不应超过管内截面积的40%。
5. 接线:将电线头剥皮,连接到相应的接线端子上,确保接线牢固、可靠。
6. 检查:检查电路布线是否合理,线路是否存在短路、漏电等问题。
7. 完成电路布线图,提交公司备案。
三、施工要点1. 设计布线时,执行强电走上,弱电在下,横平竖直,避免交叉,美观实用的原则。
2. 开槽深度应一致,一般是PVC管直径10MM。
3. 电源线配线时,所用导线截面积应满足用电设备的最大输出功率。
一般情况,照明1.5平方,空调挂机及插座2.5平方,柜机4.0平方,进户线10.0平方。
4. 暗线敷设必须配阻燃PVC管。
插座用SG20管,照明用SG16管。
当管线长度超过15m或有两个直角弯时,应增设拉线盒。
天棚上的灯具位设拉线盒固定。
5. PVC管应用管卡固定。
PVC管接头均用配套接头,用PVC胶水粘牢,弯头均用弹簧弯曲。
暗盒、拉线盒与PVC管用锣接固定。
6. 电源线与通讯线不得穿入同一根管内。
7. 电源线及插座与电视线及插座的水平间距应符合规范要求。
四、质量要求1. 配电系统的器件极数、参数及性能指标与设计图纸一致。
水电路改造施工技术方案一、水路改造施工方案:(一)材料准备要求:根据公司报价材料选用符合国家标准的材料,进行施工,绝对不能使用镀锌管。
(二)水路施工方法:现在家装水路改造一般采用PP-R水管。
其连接方式主要为热熔连接。
1、操作工艺:(1)为确保安装质量,材料进货时应严格检验,其管径椭圆率应<10%,管材同一截面的壁厚偏差应<14%,内外壁应光滑、平整,无气泡、裂口、裂纹、凹陷、脱皮和严重的冷斑及明显的痕迹。
(2)管材切割:管材切割也可采用专用管剪切断:管剪刀片卡口应调整到与所切割管径相符,旋转切断时应均匀加力。
断管时,断面应同管轴线垂直、无毛刺。
(3)PP-R管的连接:可采用焊接、热熔和螺纹连接等方式。
其中热熔连接最为可靠,操作方便,气密性好,接口强度高。
连接前,应先清除管道及附件上的灰尘及异物。
管道连接采用熔接机加热管材和管件,管材和管件的热熔深度应符合要求。
连接时,无旋转地把管端插入加热套内,达到预定深度。
同时,无旋转地把管件推到加热头上加热,达到加热时间后,立即把管子与管件从加热套与加热头上同时取下,迅速无旋转地、均匀用力插入到所要求的深度,使接头处形成均匀凸缘。
在规定的加热时间内,刚熔接好的接头还可进行校正,但严禁旋转。
将加热后的管材和管件垂直对准推进时用力不要过猛,防止弯头弯曲。
连接完毕,必须紧握管子与管件保持足够的冷却时间,冷却到一定程度后方可松手。
当PP-R管与金属管件连接时,应采用带金属嵌件的PP-R 作为过渡,该管件与PP-R管采用热熔承插方式连接,与金属管件或卫生洁具的五金配件连接时,采用螺纹连接,宜以聚丙乙烯生料带作为密封填充物。
安装时,不得用力过猛,以免损伤丝扣配件,造成连接处渗漏。
(4)水管施工后,宜采用金属管卡固定,金属管卡与管道之间应采用塑料等软物隔离。
2、系统水压试验要求:(1)试压前应关闭水表后闸阀,避免打压时损伤水表。
(2)将试压管道末端封堵缓慢注水,同时将管道内气体排出。
家庭装修电路施工大全一、电路改造工艺流程:1.草拟布线图.2.划线。
确定线路终端插座, 开关, 面板旳位置, 在墙面标画出精确旳位置和尺寸.3.开槽.4.埋设暗盒及敷设PVC电线管.5.穿线.6.安装开关, 面板, 多种插座, 强弱电箱和灯具.7.检查.8.完毕电路布线图,提交企业立案.二、电路改造旳施工要点:1. 设计布线时, 执行强电走上, 弱电在下, 横平竖直, 防止交叉, 美观实用旳原则。
2. 开槽深度应一致, 一般是PVC管直径+10MM。
3.电源线配线时,所用导线截面积应满足用电设备旳最大输出功率。
一般状况,照明、插座 2.5mm2.空调4mm2.4. 暗线敷设必须配阻燃PVC管。
插座用SG20管, 照明用SG16管。
当管线长度超过15m或有两个直角弯时, 应增设拉线盒。
天棚上旳灯具位设拉线盒固定。
5. PVC管应用管卡固定。
PVC管接头均用配套接头, 用PVC胶水粘牢, 弯头均用弹簧弯曲。
暗盒, 拉线盒与PVC管用锣接固定。
6. PVC管安装好后, 统一穿电线, 同一回路电线应穿入同一根管内, 但管内总根数不应超过8根, 电线总截面积(包括绝缘外皮)不应超过管内截面积旳40%。
7. 电源线与通讯线不得穿入同一根管内。
8. 电源线及插座与电视线及插座旳水平间距不应不不小于500mm。
9. 电线与暖气、热水、煤气管之间旳平行距离不应不不小于300mm, 交叉距离不应不不小于100mm。
10. 穿入配管导线旳接头应设在接线盒内, 线头要留有余量150MM, 接头搭接应牢固, 绝缘带包缠应均匀紧密。
11. 安装电源插座时, 面向插座旳左侧应接零线(N), 右侧应接相线(L), 中间上方应接保护地线(PE)。
保护地线为2.5平方旳双色软线。
12.当吊灯自重在3kg及以上时, 应先在顶板固定。
一.水电工.1.在偶看来水电工程是头等重要旳,面子上旳东西还也许改改,这隐蔽工程,做完了封上后可不能改了.2.脱排.热水器要尽早定下来,由于在橱柜设计时需要精确旳尺寸以定位.3.先封阳台后装空调或卫星旳同学,提议阳台上先打好洞,厅里装柜机旳,要确定后来出冷凝水旳下水道4.在留插座位置.打洞位置时,不要指望装修企业.监理或设计师会给你什么提议,一切都要靠自己先定.5.浴室准备上整体柜旳TX,一定要在排冷.热水管前确定精确位置(重要目前诸多整体浴柜都是墙出水旳),否则后来就麻烦了6.有条件旳同学,提议把冰箱也定下来(重要是尺寸), 以便橱柜.插座定位等7.拖把池也留根热水管吧,以便后来洗衣时LP可以用用热水(偶旳臭袜子LP坚持用手洗旳)…这次偶没有留,给LP数落了好几回了…..8.有DC旳同学.做完隐蔽工程千万要自己要拍照留存…千万不要相信装修企业会给你画水电走向图就足够了旳鬼话..牢记,反正逮什么拍什么,多多益善.9.插座布置要合理,尤其是厨房里要留:冰箱/微波炉/脱排/消毒柜/煤气报警器/电饭堡/小厨宝/及其他10.有条件且厅加走道面积超过40旳同学,餐厅里留个空调洞/插座,万一柜机制热不够旳话(制冷一般够旳)还可以装个1.5P,家电论坛上旳TX说,其实客餐厅空调很好旳配置是两个1.5P变频旳二.木工1.鉴于前辈们旳声泪据下旳控诉,目前TX们都懂得让木工打柜子(尤其是装饰性旳)是一件极为吃力不讨好旳东东.当然储备室室里还是可以打旳,不过提议注意板材旳环境保护性.一般使用三聚氢氨板或刨花板很好,由于储备室旳通风性能是最差旳,那个味道肯定是最终散尽旳.2.有关踢脚线,有米旳TX可以用实木旳,一般用九厘板加三夹板贴面就可以对付了.客人没事一般不会盯着你旳踢脚线看旳.当然,木工胶水用旳好一点,可以考虑汉高旳.3.门套/窗套,条件好旳同学可以在订木门时候一块做,只让木工做好基层(估计木工又要吐血了,本来活就不多了.4.假如层高高旳话,门框可以做得高一点.2.1米看上去一点都不显得高.此外厨房门框最佳做到2米2以上(由于一般厨房移门总宽度在1米8以上,比房门宽,所若跟房门同样高旳话,其实视觉上显得矮了).5.吊顶嘛,还是要吊旳(既可以掩饰线管,又可以弄点造型,后来装点筒灯/射灯什么旳好看点),这点钱还是要让装修企业赚旳(这里他们旳利润最丰厚.成本不超过20/平米.但一般都要报价最起码40到50/平米.报价80到90旳大有人在.其实再复杂旳吊顶都一种样,龙骨/细木工板加石膏板,只是有旳地方龙骨要多打点,有旳地方要做点弧度,但绝对不会由于这样复杂点就成倍旳价格翻上去.这一点,做预算旳时候要跟JS讨价还价.此外吊顶钉石膏板一定要用干壁钉,若哪个木工偷懒用枪钉旳话,你可以用扫把把他赶出去了.6.吊顶里装筒灯/射灯旳同学,最佳先把要装旳灯样子看好定下两个尺寸(开孔尺寸和灯旳深度,否则吊顶浅旳话,灯嵌不进去旳),不要认为装灯是最终旳事情因此不去预先看,否则后来给木工催着,心情会不大快乐旳.要懂得装修时本来已经事挺多旳,还给人屁股背面催着,挺烦旳.7.一般吊顶一层旳话以10公分卫宜,两层旳话不要超过20公分,且注意后来装装筒灯/射灯旳地方不要钉有龙骨.8.至于客餐厅是铺地板还是玻化砖是仁者见仁,但偶提议是错层旳同学可以考虑楼下玻化砖,楼上地板.玻化砖就是TNND好打理,地板得象老爷同样贡着,铺得不好旳话,有响声,每次走过听到响声别提有多烦了.玻化砖脏旳话,顶多你视而不见.9.地板还是让厂家来铺吧,省旳后来扯皮.4.在留插座位置.打洞位置时,不要指望装修企业.监理或设计师会给你什么提议,一切都要靠自己先定.绝对对旳.7.拖把池也留根热水管吧,以便后来洗衣时LP可以用用热水(偶旳臭袜子LP坚持用手洗旳)…这次偶没有留,给LP数落了好几回了…..装饰玻璃有几类色玻璃又称颜色玻璃。
第1篇一、施工准备1. 熟悉图纸:施工前,施工人员应仔细阅读设计图纸,了解工程要求、施工范围和施工方法。
2. 材料准备:根据设计要求,准备所需的电气设备、电线电缆、接线盒、插座、开关等材料。
3. 施工工具:准备电工工具,如剥线钳、螺丝刀、电焊机、电钻等。
二、施工步骤1. 拆除旧线路:如需改造原有电路,首先拆除旧线路,注意保护电缆、导线等。
2. 检查线路:检查原线路是否合格,如不合格,则建议全部重布。
3. 安装配电箱:在住户总电源处安装漏电保护开关,每户设置分户配电箱,配电箱内设漏电开关,并分数路出线。
4. 开槽布线:按照设计图纸,在墙上开线槽,深度不得超过40mm。
不得在预制板、现浇板、梁、柱上开槽。
5. 穿管布线:所有线路必须穿管,线管及配件必须使用合格产品,并保留产品合格证。
线管内导线截面积不得大于管内径面积的40%。
6. 连接线路:将电线电缆连接到接线盒、插座、开关等电气设备上,确保连接牢固、可靠。
7. 漏电保护:导线间和导线对地间的绝缘电阻应大于0.5MΩ,阻燃管内接地线的接地电阻小于10MΩ。
8. 通电试验:线路布完后,进行通电试验,检查电路是否正常工作。
9. 隐埋管路:PVC管埋入墙体,在线路布完并通电检查合格后方能暗埋,管壁距最终抹灰面应不小于5mm。
10. 固定管路:线管施工必须固定牢固,确保线路安全。
11. 完成施工:检查电路施工质量,确保满足设计要求。
三、施工注意事项1. 施工过程中,注意安全,遵守电气安装规范。
2. 严格按设计图纸施工,确保工程质量。
3. 选用合格材料,确保线路安全、可靠。
4. 施工过程中,注意保护原有设施,避免损坏。
5. 施工完成后,进行通电试验,确保电路正常工作。
总之,电路工程施工工艺是一项细致、严谨的工作,施工人员应严格按照规范进行操作,确保电力系统的安全、可靠和稳定运行。
第2篇一、施工准备1. 施工图纸:严格按照设计图纸进行施工,确保施工质量。
2. 材料设备:选用符合国家标准、厂家合格证齐全的电线、电缆、开关、插座、灯具等材料。
说出电路改造施工工艺流程【说出电路改造施工工艺流程】一、电路改造施工工艺的历史其实啊,电路改造施工工艺可不是凭空出现的。
早在过去,人们使用的电气设备非常简单,电路也相对简陋。
那时候,可能就是拉几根电线,能点亮灯泡就算不错啦。
随着时间的推移,各种电器设备越来越多,对电的需求和要求也越来越高。
比如说,从最初的简单照明,到后来的电视、冰箱、空调等等大家电的普及,这就迫使电路改造施工工艺不断发展和完善。
过去那种简单粗暴的布线方式已经无法满足需求啦,慢慢地出现了更规范、更安全、更高效的电路改造方法。
说白了就是,生活越来越好,电的用途越来越多,电路改造施工工艺也就跟着越来越精细、越来越科学。
二、电路改造施工工艺的制作过程1. 规划设计在进行电路改造之前,首先得做好规划设计。
这就好比我们出门旅行前要规划好路线一样。
要根据房屋的布局、电器的使用需求,确定插座、开关、灯具等的位置。
比如说,厨房要多留几个插座,因为有微波炉、电饭煲、烤箱等好多电器;客厅沙发旁边也得有插座,方便给手机充电或者使用落地灯。
设计师会根据这些需求画出电路图,这就是整个电路改造的“蓝图”。
2. 开槽规划好之后,就要在墙面上开槽啦。
这一步就像是在墙上“挖地道”,为电线铺设开辟通道。
不过要注意,开槽可不是随便乱挖的,得按照设计好的线路来,而且不能破坏房屋的结构。
比如说,不能在承重墙上开太深的槽,否则会影响房屋的安全性。
就好像房子的承重墙是人的脊梁骨,可不能随便动。
3. 布管开好槽后,就要把电线管铺设进去。
这些电线管就像是电线的“保护套”,能保护电线不受损坏,也方便日后维修和更换电线。
一般会选择 PVC 管,质量好又耐用。
在铺设电线管的时候,要注意保持线管的顺畅,拐弯的地方要用弯管器处理,不能让线管出现死弯。
4. 穿线线管铺好后,就可以把电线穿进去啦。
这就像是给“保护套”里塞进“宝贝”。
电线的选择也很重要,要根据电器的功率选择合适粗细的电线。
比如大功率的空调就得用粗一点的电线,不然可带不动。
家装水电改造施工流程工艺(含详细讲解)范本一:家装水电改造施工流程工艺正文:1.前期准备1.1 测量与规划1.1.1 对房屋进行准确的尺寸测量,并制定改造规划图。
1.1.2 根据改造需求,确定水电改造的范围和目标。
1.2 材料采购1.2.1 根据规划图,确定所需材料的种类和数量。
1.2.2 选择质量可靠的建材供应商,并进行采购。
2.拆除旧水电设施2.1 切断水电源2.2 拆除旧电线和插座2.3 拆除旧水管和排水管道2.4 清除旧的墙面和地面装饰材料3.布线和安装电缆3.1 根据改造规划图,制定电线布线方案。
3.2 预先预留好电线的管道和孔洞。
3.3 根据布线方案,进行电线的固定和连接。
3.4 安装插座和开关。
4.排水管道改造4.1 根据改造规划图,确定新的排水系统。
4.2 打开地面,铺设新的排水管道。
4.3 连接新的下水道,并进行测试。
4.4 封住地面,修复地面装饰材料。
5.水管改造5.1 根据改造规划图,确定新的供水系统。
5.2 铺设新的水管,连接到家庭自来水管道。
5.3 安装新的水龙头和其他水器具。
5.4 进行水压测试和漏水检查。
6.封顶和墙面装饰6.1 完善各项水电工程后,封顶处理。
6.2 进行墙面的抹灰处理。
6.3 进行墙面装饰,如壁纸、瓷砖等。
7.清洁和验收7.1 清洁施工区域,清除施工垃圾。
7.2 进行水电改造工程的最终检查,确保施工质量达到要求。
7.3 进行相关部门的验收,如电力部门、消防部门等。
附件:附件1:改造规划图附件2:建材清单附件3:施工现场照片法律名词及注释:1.水电改造:指对房屋的水电设施进行更新和改进的过程。
2.施工质量:指水电改造工程的技术指标和施工过程符合相关法律法规和建筑标准的程度。
3.验收:指相关部门对水电改造工程进行检查和审核,确认其符合相关法规和标准的过程。
范本二:家装水电改造施工流程工艺正文:1.准备阶段1.1 拟定水电改造计划1.1.1 对房屋的水电设施进行评估,确定需要改造的部分。
室内电路改造施工方案
一、施工流程
1、暗管敷设工艺流程:施工准备、预制加工、管线、电盒标记、管线、电盒定位、管路连接、管线、电盒加固、地线连接。
2、明管敷设工艺流程:施工准备、预制加工、管线、电盒标记、管路连接、地线连接。
二、施工方法
1、管线煨弯:小管径管用煨管器,大管径使用液压煨管器。
2、管线切断:小管径采用手锯,较大管径使用管材切割机。
3、暗管、盒固定:板内固定,木模采用钉子、细铁丝将盒绑扎固定。
钢模采用高标号固定。
墙、柱上线盒固定采用绑扎固定。
管线采用铁丝与钢筋绑扎固定,固定间距1米一道,线盒旁150mm以内作加强绑扎一道。
明配管管卡固定间距为:管卡与中间、转弯中间、器具或线盒边缘的距离为150至500mm,中间管卡间距按《建筑电气工程施工质量验收规范》GB503032002表14.2.6设置。
进入灯头盒、开关盒的线管数量超过4根选用大型盒。
第1篇一、施工准备1. 熟悉设计图纸:施工前,首先要熟悉设计图纸,了解电路布局、设备位置、线路走向等。
2. 材料准备:根据设计图纸和施工要求,准备所需的电线、电缆、开关、插座、灯具、线管、接线盒等材料。
3. 工具准备:准备电钻、线管切割机、线管弯头器、穿线器、剥线钳、万用表等施工工具。
二、施工步骤1. 弹线定位:根据设计图纸,在墙体、地面、顶面用墨斗弹出线路走向、开关、插座等位置。
2. 开槽:按照弹线定位的位置,沿着墨斗线进行开槽,槽深度一般为线管直径的10倍。
3. 线管敷设:将PVC线管或金属线管敷设到开好的槽内,注意线管转弯处的弯曲半径不应小于线管外径的10倍。
4. 穿线:使用穿线器或钢丝将电线穿入线管,确保电线在管内无接头、扭结,且管内电线不能超过管内40%。
5. 检测电路:使用万用表检测强弱电线路的绝缘性能,确保电路安全。
6. 封槽:检查电路合格后,用砂浆或石膏将线管封入槽内,使墙面平整。
7. 安装开关、插座、灯具:按照设计图纸和施工要求,安装开关、插座、灯具等设备。
8. 接线:将开关、插座、灯具等设备与电源线进行接线,确保连接牢固。
9. 通电试验:接好线路后,进行通电试验,检查电路是否正常运行。
10. 工程验收:在施工完成后,进行工程验收,确保电路施工质量符合设计要求。
三、施工注意事项1. 在施工过程中,严格遵守安全操作规程,确保施工人员的安全。
2. 线管敷设要横平竖直,转弯处要圆滑,避免损坏线管。
3. 穿线时,注意电线在管内的排列顺序,方便后期维护。
4. 接线时要确保连接牢固,避免接触不良导致电路故障。
5. 在施工过程中,注意保护墙体、地面等,避免损坏。
6. 施工完成后,做好工程记录,以便日后维护。
总之,电路工程施工是一项复杂而细致的工作,要求施工人员具备丰富的经验和严谨的态度。
只有按照规范流程进行施工,才能确保电路系统的安全、稳定运行。
第2篇一、施工准备1. 设计图纸审核:对电路施工图纸进行仔细审核,确保图纸的准确性、完整性和可行性。
电路改造施工工艺流程电路改造施工工艺流程一般包括以下几个步骤:1. 规划与设计:根据电路改造的需求和要求,进行电路规划与设计。
包括确定电线的布置、设备位置、电器控制方式等。
2. 材料准备:根据设计方案准备所需的材料,包括电线、插座、开关等。
确保材料符合国家标准,并具有质量合格证明。
3. 施工准备:对施工场地进行清理和准备工作,将需要改造的区域进行标记和围封。
4. 拆除工作:根据设计方案,拆除原有的电线、插座、开关等设备。
注意安全,避免损坏其他设施。
5. 布线铺设:根据设计方案,进行电路布线的铺设工作。
使用适当的工具和设备,确保电线的稳固和安全。
6. 安装设备:根据设计方案,安装新的插座、开关、电箱等设备。
注意设备的固定和接线工作,确保连接正确。
7. 接地处理:对电路进行接地处理,确保电路的安全性和防雷性能。
接地时应按照规范的要求进行操作。
8. 联接测试:对改造后的电路进行联接测试,确保电路的正常工作和连接无误。
9. 绝缘处理:对电线进行绝缘处理,防止电线短路、漏电等问题。
使用专业的工具和材料进行绝缘处理。
10. 调试和验收:对改造后的电路进行调试,确保一切正常。
经过调试后,进行电路改造工程的验收,确保符合相关的标准和规范。
11. 清理和保养:整理施工现场,清理垃圾和剩余材料。
为改造后的电路进行保养和维护,确保电路的长期正常使用。
需要注意的是,电路改造涉及到电气安全和施工安全,施工人员应具备相关的证书和资质,严格按照相关规范和标准进行操作。
同时,施工前应制定详细的工作方案和安全措施,确保施工过程中的安全和质量。
施工要求一、开槽配管及定位说明:电路设计要多路化,做到空调、插座、照明及大功率电器分路布线;插座、开关分开,除一般照明、挂壁空调外各回路应独立使用漏电保护器;强、弱分开,音响、电话、多媒体、宽带网等弱电线路设计应合理规范。
1、线槽之前用墨盒弹线,以便定位。
管面与墙面应留15mm左右粉灰层,以防止墙面开裂。
2、不许随意破坏、更改公共电气设施,如避雷地线、保护接地等。
3、电源线管暗埋时,应考虑与弱电管线等保持500mm以上距离,电线管与热水管、煤气管之间的平行距离不小于300mm。
4、墙面线管走向尽可能减少转弯,并且要避开壁镜,家具等物的安装位置,防止被电锤、钉子损伤。
5、如无特殊要求,在同一套房内,开关离地1200-1500mm之间,距门边150-200mm处,插座离地300mm左右,插座开关各在同一水平线上,高度差小于8mm,并列安装时高度差小于1mm,并且不被推拉门、家具等物遮挡。
6、各种强弱电插座接口宁多勿缺,床头两侧应设置电源插座及一个电话插座,电脑桌附近,客厅电视柜背景墙上都应设置三个以上的电源插座,并设置相应的电视、电话、多媒体、宽带网等插座。
7、音响、电视、电话、多媒体、宽带网等弱电线路的铺设方法及要求与电源线的铺设方法相同,其插座或线盒与电源插座并列安装,但强弱电线路不允许共用一套管。
8、所有入墙电线采用16以上的PVC阻燃管埋设,导线占管径<40%空间,与盒底连接使用专用接口件。
9、使用导线管时,电源线管从地面穿出应做合理的转弯半径,特别注意在地面下必须使用套管并加胶连接紧密,地面没有封闭之前,必须保护好PVC管套,不允许有破裂损伤;铺地板砖时PVC套管应被水泥沙浆完全覆盖。
二、电线布设1、电源相线分红、蓝、黄绿三种颜色,火线用红色、零线用蓝色、地线黄绿色双色线。
单相电用户出线与进户线颜色相同,三相电路应按颜色分配布线。
2、大功率电器,必须单独设回路,空调、热水器、微波炉等用4mm²电源线(中央空调线径可适当增大),客厅卧室插座、照明线用2.5mm²导线,各回路间完全隔离,其零线、地线回路不得在配电箱以外串接。
水电改造施工工艺流程
水电改造施工工艺流程大致包括以下几个步骤:
1. 工程勘测:确定改造范围和工作内容,进行现场勘测,测量电线、水管的线路和管道走向、长度等数据,绘制出平面图和管线图。
2. 设计方案:根据勘测结果和业主需求,进行方案设计,包括电路布置、水管走向等,确保改造后的水电布局合理且符合安全规范。
3. 材料采购:根据设计方案确定所需材料和设备,进行材料采购。
材料包括电线、开关插座、配电箱、水龙头、水管等。
4. 施工前准备:将原电源和水源切断,拆除原有的电路和水管,清理施工现场,确保施工区域整洁。
5. 水电管线敷设:根据设计方案,进行新的水电管线敷设。
电线通过明沟或暗管敷设,水管通过明沟或墙内龙骨敷设。
需要注意的是,电线与水管之间要有一定的距离并且互相隔离,以防止电线短路或水管渗漏。
6. 管线连接与固定:将水管和电线连接至相应的设备和用具,进行固定。
同时,确保连接处密封良好,避免漏水和漏电。
7. 验收及测试:完成水电改造后,进行验收和测试,检查电器设备、开关和插座的工作情况,检测水管的水压和流量情况,确保改造后的水电设施符合安全要求并正常运行。
8. 防水处理:在水电改造后,进行防水处理,确保新的水管和电线不会被水侵蚀,防止漏水和渗漏发生。
9. 回填和修复:在施工完工后,对原有的墙体、地面等进行修复,将施工区域恢复到原来的状态。
进行回填和墙面贴砖等工
作。
10. 完工验收:完成修复后,进行完工验收,确定改造工程达到预期效果,完工后进行综合验收。
水电改造工程施工标准对于装修菜鸟来说,装修中各种各样的施工标准更是让业主们头晕眼花,下面小编就为大家整理了水电改造的施工工艺标准,让业主们更好的监督工人的工程质量。
1、电路改造工艺标准:墙面开槽:墙面开槽的深度,是电线管径深度的1.5倍,这样的好处是后期会有保护层,也不易造成墙面开裂。
线管绑定:在墙面拐角处,电工用专业的弯管器弯管,这样可以保证横平竖直,在进行线管固定时,从拐弯点到固定线之间的距离为200毫米,这样将来里面的线无论怎样抽换,也不会影响线管晃动。
管线锁母:所有的线管与线管链接,中间都有锁母。
接口打胶:线管不够长需要拼接时,两个线管的接头需要打胶,这样保证线管不会松动。
2、线盒走线施工工艺:弱电与弱电之间:线盒间距为5公分。
强电与强电之间:线盒间距为5公分。
强电与弱电之间:线盒间距为150—200毫米。
之所以制定严格的间距要求,主要是考虑到强电与弱电会有信号干扰的问题,但只要按照标准进行施工,就会避免此类问题,为业主的日后使用提供便捷。
3、地采暖布线:1、地面不能开槽,防止破坏地暖结构。
2、如果改变地采暖管线,会影响冬季供暖,后期不易维修。
4、地采暖检验:施工人员会用6pa压力接收,带压施工,带压竣工交验,目的是为了及时感知地暖管道是否被破坏。
想改地采暖的要注意,在改装地采暖时一定要认真咨询施工人员,听从专业人士的建议,选择最可行的方案进行施工,不要一味坚持改造,否则后期维修是非常困难的。
5、卫生间水电施工标准:1、洗手盆水管标准:水管距地面高度是500毫米,管与管之间的间距为10公分,这样在后期安装时,如果是柱盆的话,可完全遮挡在柱盆后面不影响美观。
2、热水器水管标准:标高是距地面1.8米,冷热水管间距10公分。
3、淋浴房水管标准:出水口距地面1.2米,水管向上1米之内不能固定,贴完瓷砖后,出水口的工艺要求是出墙面1毫米。
4、墩布池水管标准:水管要求在距地面750毫米处。
5、连接马桶水管标准:中水管和自来水管之间间距是10公分。
电路改造施工工艺及流程工具设备墨斗、卷尺、墙地面开槽机、冲击钻电锤、切割机、剥线钳、管剪、线管握弯器、水平尺。
施工流程1.弹线:电工根据施工图纸定位和电路走向,用墨斗弹线,线槽要求横平竖直。
在弹线时要注意开关插座的高度,应符合人体工程学,方便后期操作。
(1)电源开关离地面120-135cm高。
(2)视听设备、台灯、接线板等墙上插座一般距地面30-40cm 高。
(3)洗衣机的插座距地面120-150cm高,电冰箱插座为150-180cm高。
(4)挂式空调、排气扇等的插座距地面190-200cm高。
(5)厨房功能插座离地110cm高。
2.开暗槽:用切割机按线路割开槽面,再用电锤开槽,线槽要求横平竖直。
开槽原则:(1)横平竖直,大小均匀,找最短线路。
(2)不破坏原有强电、不破坏防水。
(3)强弱电管槽间距300mm以上。
(4)若选用直径16mm的PVC管,则开槽深度为20mm;若选用直径20mm的PVC管,则开槽深度为25mm;若选用直径25mm的PVC管,则开槽深度为30mm。
3.开线盒-固定强弱电箱及线盒安装线盒前首先要打掉线盒上的孔,用水泥砂浆将线盒与强弱电箱固定在墙上后再布电线管。
4.电线管铺设:电工根据定位和电路走向布管,要求横平竖直。
布管原则:(1)横平竖直,电线管弯曲半径应不小于管子外径10倍。
(2)强弱电管槽间距300mm以上,电管之间间距保持20mm。
(3)强弱电管交叉,弱电用锡箔纸包600mm以上。
(4)管卡规范:管卡固定稳固无松动,距管线弯处200mm固定,距开关插座底盒端头200mm固定,横向800mm,竖向1000mm不锈钢管码固定。
(5)线管的布设一般情况下需要直线距离30m加设接线盒,有一个弯曲在20m处加接线盒,有两个弯曲在15m处加接线盒,有三个弯曲在8m处加接线盒。
5.穿线:电路改造中可以先穿线再铺设线管,也可以先铺设线管再穿线。
先穿线再铺设线管时,线管弯曲的位置容易拉伤电线,但容易穿线;若先铺设线管再穿线,可以避免电线拉伤,但穿线时比较麻烦。
电路改造施工工艺及流程电路改造是指对现有电路进行重新布线、更换设备或增加配电箱等工作,旨在提高电力供应质量和电器设备的使用安全性。
电路改造施工工艺及流程一般分为规划设计、准备工作、施工实施和验收四个阶段。
一、规划设计阶段1.工作准备:收集相关信息,了解电路改造的原因和目的,与业主沟通需求。
2.现场勘测:对现有电路进行详细勘测,了解电源情况、电器设备使用情况和线路走向等。
3.方案设计:根据勘测结果,设计电路改造方案,包括电路布线、设备更换、电缆规格等内容。
4.施工图设计:根据改造方案,绘制详细的施工图纸,标明线路走向、设备位置和电气接线等。
二、准备工作阶段1.施工准备:确认改造方案和施工图纸,组织施工人员,准备所需材料和工具。
2.施工计划:制定详细的施工计划,明确每个施工任务的时间和优先级。
3.施工材料采购:根据施工图纸,采购所需的电缆、配电箱、开关插座等材料。
4.施工场地准备:清理现场,确保施工区域安全无障碍。
三、施工实施阶段1.电缆铺设:按照施工图纸规定的走向和方式,铺设电缆,并进行必要的焊接和固定。
2.设备更换:根据改造方案,将需要更换的设备逐一拆卸,并安装新的设备。
3.接线连接:根据施工图纸要求,进行电缆的剥皮、绞线和接线工作,确保连接可靠。
4.配电箱建设:根据施工图纸要求,安装配电箱,进行接线和安全保护设置。
四、验收阶段1.功能测试:对改造后的电路进行功能测试,确保电力供应正常、设备工作正常。
2.安全检查:对电路改造后的设备、线路和配电箱进行安全检查,保证使用安全。
3.整理交接:对施工现场进行清理整理,交接相关文件和资料给业主。
4.客户接受:邀请业主进行验收,确认电路改造工程的完成,并填写验收报告。
电路改造施工工艺
电路改造工艺流程:
1.草拟布线图。
2.划线。
确定线路终端插座,开关,面板的位置,在墙面标画出准确的位置和尺寸。
3.开槽。
4.埋设暗盒及敷设PVC电线管。
5.穿线。
6.安装开关,面板,各种插座,强弱电箱和灯具。
7.检查。
8.完成电路布线图,提交公司备案。
二、电路改造的施工要点
1.设计布线时,执行强电走上,弱电在下,横平竖直,避免交叉,美观实用的原则。
2.开槽深度应一致,一般是PVC管直径+10MM.
3.电源线配线时,所用导线截面积应满足用电设备的最大输出功率。
一般情况,照明 1.5平方,空调挂机及插
座2.5平方,柜机 4.0平方,进户线10.0平方。
4.暗线敷设必须配阻燃PVC管。
插座用SG20管,照明用SG16管。
当管线长度超过15m或有两个直角弯时,应
增设拉线盒。
天棚上的灯具位设拉线盒固定。
5.PVC管应用管卡固定。
PVC管接头均用配套接头,用PVC胶水粘牢,弯头均用弹簧弯曲。
暗盒,拉线盒与PVC 管用锣接固定。
6.PVC管安装好后,统一穿电线,同一回路电线应穿入同一根管内,但管内总根数不应超过8根,电线总截面
积(包括绝缘外皮)不应超过管内截面积的40%.
7.电源线与通讯线不得穿入同一根管内。
8.电源线及插座与电视线及插座的水平间距不应小于500mm.
9.电线与暖气、热水、煤气管之间的平行距离不应小于300mm,交叉距离不应小于100mm.
10.穿入配管导线的接头应设在接线盒内,线头要留有余量150MM,接头搭接应牢固,绝缘带包缠应均匀紧密。
11.安装电源插座时,面向插座的左侧应接零线(N),右侧应接相线(L),中间上方应接保护地线(PE)。
保护地线为 2.5平方的双色软线。
12.当吊灯自重在3kg及以上时,应先在顶板上安装后置埋件,然后将灯具固定在后置埋件上。
严禁安装在木
楔、木砖上。
13.连接开关、螺口灯具导线时,相线应先接开关,开关引出的相线应接在灯中心的端子上,零线应接在螺纹
的端于上。
14.导线间和导线对地间电阻必须大于0.5MΩ。
15.电源插座底边距地宜为300mm,平开关板底边距地宜为1300mm.挂壁空调插座的高度1900MM.脱排插座高2100MM,厨房插座高950MM,挂式消毒柜1900MM,洗衣机1000MM.,电视机650MM.
16.同一室内的电源、电话、电视等插座面板应在同一水平标高上,高差应小于5mm.
17.每户应设置强弱电箱,配电箱内应设动作电流30MA的漏电保护器,分数路经过控开后,分别控制照明,空调,插座等。
控开的工作电流应与终端电器的最大工作电流相匹配,一般情况下,照明10A,插座16A,柜式空调20A,进户40-60A.
18.安装开关,面板,插座及灯具时应注意清洁,宜安排在最后一涂乳胶漆之前。