焊锡作业规范
- 格式:xls
- 大小:1.57 MB
- 文档页数:10
执锡作业指导书引言概述:执锡作业指导书是一份详细的操作手册,旨在为执锡作业提供准确的指导和规范。
本文将从五个方面介绍执锡作业指导书的内容,包括操作准备、执锡工具、执锡步骤、常见问题和注意事项。
一、操作准备:1.1 清洁工作区域:在进行执锡作业前,务必清洁工作区域,确保没有杂质和灰尘,以免影响焊接质量。
1.2 准备所需材料:包括锡丝、焊接工具、焊接台、酒精棉球等。
确保所用材料的质量和适用性。
1.3 检查设备状态:检查焊接设备的工作状态和连接情况,确保设备正常运行,避免因设备故障导致的操作失误。
二、执锡工具:2.1 电烙铁:选择合适功率的电烙铁,确保能够提供足够的热量进行焊接。
2.2 焊锡丝:选择适合所需焊接的材料和尺寸的焊锡丝,确保焊接质量。
2.3 辅助工具:如钳子、镊子等,用于焊接过程中的辅助操作,保证焊接的准确性和稳定性。
三、执锡步骤:3.1 烙铁加热:将烙铁插入电源并调至适当温度,等待烙铁加热至工作温度。
3.2 预热焊接部件:使用烙铁对焊接部件进行预热,以提高焊接效果。
3.3 执锡焊接:将焊锡丝与焊接部件接触,使其熔化并涂抹于焊接部位,确保焊接牢固且质量良好。
四、常见问题:4.1 焊接接触不良:可能是由于焊接部件表面不洁净或烙铁温度不够高导致的,解决方法是清洁焊接部件表面或增加烙铁温度。
4.2 焊接过热:可能是由于烙铁温度过高或焊接时间过长导致的,应适当降低烙铁温度或缩短焊接时间。
4.3 焊接不牢固:可能是由于焊接部件没有预热或焊锡丝使用不当导致的,解决方法是进行预热或更换合适的焊锡丝。
五、注意事项:5.1 安全操作:在进行执锡作业时,务必佩戴防护眼镜和手套,避免受伤。
5.2 通风环境:焊接时产生的烟雾和气味可能对健康造成危害,应在通风良好的环境下进行操作。
5.3 学习与实践:执锡作业需要一定的技巧和经验,建议在专业人士的指导下学习和实践,以提高操作水平。
总结:执锡作业指导书是一份重要的操作手册,为执锡作业提供了详细的指导和规范。
焊锡作业制度是针对焊锡作业过程中需要遵守的相关规定和要求,以确保作业的安全和有效性。
以下是一般的焊锡作业制度:
1.焊锡作业人员必须经过专业培训,掌握焊锡技能和安全知识。
2.焊锡作业前,应对作业场所进行清理和检查,确保工作台面干净整洁,并准备好所需的I具和材料。
3.焊锡作业时,应注意保持通风良好,避免吸入有害气体和烟尘。
4.焊锡作业后,应对焊接点进行检查,确保焊接质量符合要求,并及时清理现场,保持工作区域的整洁和卫生。
5.焊锡作业人员应注意个人卫生和安全防护,避免长时间接触有害物质。
6.焊锡作业时应使用合适的防焊渣护具,如护目镜、防护面罩等。
7.焊锡作业时应注意防火、防爆等安全事项,避免发生意外事故。
8.对于非专业人员或未经授权的人员,不得进行焊锡作业。
9.在进行焊锡作业时,应保持高度的专注和责任心,确保工作质量和安全。
10.在进行焊锡作业时,应注意节约材料和能源,减少浪费和污染。
以上是一般的焊锡作业制度,具体规定可能因不同行业和工作环境而有所不同。
在进行焊锡作业时,应结合实际情况制定相应的制度和操作规程,确保作业的安全和有效性。
制定:审核:批准:。
焊锡作业指导书(二)引言概述:焊锡作业指导书(二)是为了提供专业且详细的焊锡作业指导,帮助操作人员正确使用焊锡设备,并掌握焊锡技巧,确保作业的安全与质量。
本指导书将从五个大点展开阐述,包括焊锡设备的选择与准备、焊锡操作步骤、焊锡技巧与注意事项、维护与保养以及常见问题解答。
通过本指导书的学习,您将能够有效地进行焊锡作业,并提高其准确性与效率。
一、焊锡设备的选择与准备:1.选择合适的焊锡设备1.1根据作业需求选择合适功率的焊锡烙铁1.2确保焊锡设备质量可靠1.3注意选择合适的附件与耗材2.焊锡设备的准备2.1检查焊锡设备的完好性2.2清洁并磨砂焊锡头2.3确保焊锡设备的供电稳定2.4准备适量的焊锡丝二、焊锡操作步骤:1.安全操作准备1.1确保操作场所通风良好1.2穿戴合适的防护装备1.3将焊锡设备放在稳定的工作台上2.焊锡操作步骤2.1加热焊锡烙铁2.2涂抹焊锡剂2.3连接焊接目标和焊锡烙铁2.4锡焊连接2.5检查焊接质量三、焊锡技巧与注意事项:1.热管理技巧1.1控制温度1.2使用适当的热传导材料1.3避免过热和过度加热2.焊锡技巧2.1确保焊接表面清洁2.2控制焊锡丝的流动2.3保持稳定的焊接速度2.4控制焊锡量的多少3.注意事项3.1避免碰触热的焊接表面3.2避免烟雾和有害气体的吸入3.3防止焊锡烙铁长时间处于高温状态3.4注意避免触碰带电部分四、维护与保养:1.焊锡设备的定期保养1.1清洁与润滑1.2检查电线、插头等1.3焊锡头的更换与调整2.储存要求与注意事项2.1存放在干燥、通风良好的地方2.2避免阳光直射2.3防止灰尘与湿气的侵入五、常见问题解答:1.如何解决焊接不稳定的问题?2.如何解决焊接表面氧化导致的连接质量下降问题?3.如何解决焊接过热引起的设备损坏问题?4.如何解决焊锡烙铁无法加热的问题?5.如何解决焊接不牢固的问题?总结:。
焊锡的规章制度和操作流程一、规章制度1.1 焊锡是一项具有一定危险性的工艺,为了保障焊工的安全和生产质量,公司制定了以下规章制度:1.2 焊锡操作人员必须持有效的焊工证和岗位培训合格证,方可进行焊接工作;1.3 焊锡操作人员必须穿戴防护用具,包括焊衣、焊帽、焊手套、防护眼镜等;1.4 焊锡操作人员必须经过领导或师傅的指导和监督方可进行焊接工作,严禁独自操作;1.5 不得在没有通风设备的环境下进行焊接工作,以免产生有害气体对焊工造成危害;1.6 严禁在易燃易爆环境下进行焊接工作,以免引发火灾事故;1.7 焊工在操作时必须保持警惕,严禁马虎大意,以免造成人身伤害和设备损坏;1.8 焊工必须对焊接设备进行定期检查和维护,确保设备的正常运行;1.9 焊工必须及时清理焊接现场,避免产生火灾隐患和操作不便;1.10 违反以上规章制度的焊工将被追究责任,公司将予以严厉处罚。
二、操作流程2.1 焊接前准备(1)确认焊接工件的种类和要求,准备好所需的焊接材料和设备;(2)检查焊接设备的状态,如电源是否接通、电焊机是否正常、电焊条是否饱满等;(3)穿戴好防护用具,包括焊衣、焊帽、焊手套、防护眼镜等;(4)准备好通风设备,确保焊接过程中有良好的通风;2.2 开始焊接(1)将焊条插入焊枪,点燃焊条,调整焊接电流和电压;(2)将焊枪对准焊接部位,开始进行焊接作业,焊接时要保持焊枪的角度和速度一致;(3)焊接完成后及时断开电源,关掉焊机,并将焊接设备进行整理和清洁;2.3 结束工作(1)将焊接设备归还到指定位置,保持焊接现场的整洁和安全;(2)填写焊接作业记录,记录焊工姓名、焊接时间、焊接工件等信息;(3)对焊接设备进行定期检查和维护,确保设备的正常运行。
总结:焊锡是一项需要高度注意安全的工艺,操作人员必须严格遵守规章制度和操作流程,确保焊接作业的安全和质量。
只有做到每一个细节都符合要求,才能保证焊接工作的顺利进行,避免事故的发生。
文件編号:DG-QA-032 版本/版次修改事项/摘要生效日期A/1 初版发行。
编制:职位:生产部经签署:______________ 日期:审核:职位:总经理签署:______________ 日期:批准:职位:总经理签署:______________ 日期:此文件若盖有红色“受控发行”的印章,则是正式文件.任何员工不得私自影印,请妥善保管好正式文件!正本印章受控发行印章文件編号:DG-QA-0321.目的规范生产线在手工焊接时的使用电烙铁正确性,确保产品的焊接质量。
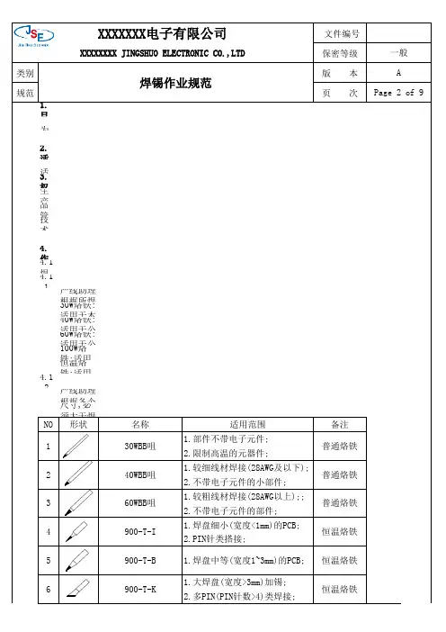
2.适用范围 适用于公司 3.规范内容:3.1烙铁温度设置参数:序号 元件类别 烙铁温度(℃)(有铅) 烙铁温度(℃)(无铅) 焊接时间 1 电阻、电容、电感360±20 380±20 5秒以内 2 排针 360±20 380±20 5秒以内 3 电源线 420±20 440±20 3秒以内 4 晶振、三极管330±10 350±10 5秒以内 5 跳线 360±20 380±20 5秒以内 6 PCI 插槽 360±20 380±20 5秒以内 7 LED 灯 260±20 320±20 3秒以内 8插座360±20380±205秒以内3.2烙铁咀的选型序号元件类别选用类型烙铁咀示图1 焊接连接线,插件元件,IC 管脚等 尖咀2 SMD 小料,如0402的电阻电容、电感等 特尖咀3 镍片,粗的连接线(φ>3mm)等 扁咀4 软线路板等平咀5屏蔽盖、滑动开关、排插、排线等三角咀3.3.1 焊接前检查电源插头有无松脱、短路,电源连接线是否完好无损 3.3.2 检查烙铁咀有无氧化文件編号:DG-QA-032 4.焊接步骤4.1准备:把烙铁及锡线拿近焊锡材料,做好随时可焊锡的准备好焊锡丝和烙铁4.2 检查烙铁保护套是否失效、铁头部要保持干净,如无问题,则将电烙铁电源接通预热4.3 检查海绵是否有水,如无水则要加适量的水4.4 待烙铁咀热后,在清洁的海绵上擦干净附在烙铁咀上的杂物4.5温度根据材料类型参照3.1中温度设定表值设定温度值5.焊接作业步骤及注意事项:5.1 预热:将烙铁咀成45°角左右轻轻地压住被焊部件的结合部位进行加热5.2上锡:送给结合部适量的锡,使熔锡充分裹住结合体: (手持锡线方法是:拇指自然地压住,以中指、无名指、食指来支持。
焊锡作业指导书一、背景焊锡是电子制造和维修过程中常见的焊接技术之一。
它广泛应用于电子产品、电路板和电缆的连接、修补和改装。
本指导书将介绍焊锡的基本知识、所需工具和操作步骤,帮助您正确并安全地进行焊锡作业。
二、所需工具和材料1. 焊锡台:用于加热焊锡的工作台,应具备稳定的温度控制和安全机制。
2. 焊锡笔或焊枪:用于加热焊锡并将其应用于连接部位。
3. 焊锡丝:用于提供焊锡材料,常见的规格为0.8mm至1.2mm。
4. 骨架支架:用于将待焊接的零件固定在工作台上。
5. 鼻子钳和剥线钳:用于固定电缆和剥去电缆绝缘层。
6. 放大镜或显微镜:用于查看并检查焊接细节。
7. 绝缘胶带:用于保护电缆和连接部位。
三、操作步骤1. 准备工作在进行焊锡作业前,请确保设备和工作区域安全。
检查焊锡台的电源和温度设置是否正确,确保操作过程中不会发生意外事故。
准备所需的工具和材料,并将其布置整齐。
2. 清洁连接部位如果待焊接的零件表面有污垢、氧化物或残留物,应先清洁。
可使用棉球蘸少量酒精或清洁剂轻轻擦拭,确保焊接处的表面光滑干净。
3. 固定工件使用骨架支架将待焊接的零件固定在工作台上,确保其稳定不会移动。
这有助于焊接的准确性和精确性。
4. 剥线和整理导线如果需要焊接电缆或导线,使用剥线钳剥去电缆绝缘层,露出足够的导线长度。
将导线按照需要的长度和形状整理好,以便进行焊接。
5. 加热焊锡笔或焊枪接通焊锡台的电源,并将焊锡笔或焊枪插入台座。
等待几分钟,让焊锡笔或焊枪预热至适全温度。
6. 焊接连接部位将预热好的焊锡笔或焊枪轻轻接触连接部位,使其受热。
热量将使焊锡熔化并覆盖连接部位。
确保焊锡涂覆均匀,并够多以提供良好的连接。
7. 冷却焊接部位在焊接完成后,等待焊接部位冷却。
不要用手触摸或移动焊接部位,以避免烫伤或损坏焊接结果。
8. 检查焊接结果使用放大镜或显微镜检查焊接结果。
焊锡应覆盖连接部位并与其紧密结合。
确保焊接点没有短路、松动或其他不良现象。
焊锡作业指引
1、准备工具:烙铁、海绵、锡渣盒,并把烙铁连接好电源,海绵清理并加水,随时准备清理烙铁。
2、仔细检查板卡是否有错位、浮高、反向等不良现象。
3、对检查发现的连锡、空焊、少锡、假焊等不良现象进行修补。
4、修补完毕的产品不能有:连锡、空焊、假焊、少锡拉尖、针孔、锡环、锡渣等不良现象。
5、对所有插装元件目检,对插装中出现的高件、漏件、元件破损、元件不到位、元件偏斜等不良现象进行修复,元件脚长在1.2mm-2.0mm之间。
6、修复完后,放入流水线,流入下一工序。
7、焊锡操作:将烙铁由烙铁架取出,并将烙铁头用海棉擦试干净。
8、把烙铁接近母材(被焊点)烙铁头接触在母材进行加热。
9、将焊锡丝送到烙铁头进行熔化,把烙铁头触在母材上溶化适量的焊锡。
10、溶化适量的焊锡后迅速停止焊锡的供应,当焊锡扩散到整个焊点范围时,将烙铁抽离,抽离时应注意速度与方向。
注意事项:
1、作业时必须佩戴静电环,并且接地良好。
2、有铅烙铁温度控制在:320度350度之间。
3、无铅烙铁温度控制在:360度—380度之间。
焊锡作业培训教材2008-02-23 12:45:45| 分类:质量管理| 标签:|字号大中小订阅[目的] :焊锡作业是产品制造工程里的一个关键作业工序,和产品的质量有很大关系.为确保产品质量,特制定此培训教材。
[适用范围] :此培训教材适用于一般的手工焊锡作业。
[必要条件] :1. 人员:从事焊锡作业人员必须经过上岗培训,经考试合格后(总分100分,80分或以上为合格)方可上岗作业,并且作业时要佩戴规定的焊锡员袖章。
每隔3个月实施再培训和相应的考试,要求同前所述;2. 电烙铁:根据生产工艺的要求(参照作业指导书) ,选用合适的电烙铁和烙铁头;3. 锡线:根据需要选择使用有铅或无铅锡线,使用之前组长和焊锡员要先确认是否为所要求的锡线,无误后方可使用;4. 助焊剂:金属表面必须有助焊剂;常用助焊剂为松香。
作用:1) 、除去金属表面的氧化膜;2) 、有表面张力,液化金属流动状态较好,分散均匀;5. 工具:烙铁架和湿润的清洗海绵或金属丝垫;6. 放置:焊锡只能放置在静止的操作台上作业,不能在流水联机操作;7. 通风:良好的排烟通风措施。
[作业方法] :1. 具体的电子线的勾线方式按照<作业指导书>实施;2. 将烙铁头的平面部接触到需要焊接的端子平面部分(焊接方向要以<作业指导书>为准),预热1~3秒(不同的焊接部品必要的预热时间会不同,可根据实际需要确定);3. 握住锡线先端5~10cm处使锡线接触到熔接部位,并使锡线溶化充分浸润地附着在端子上(熔化的锡线与端子保持同温2~4秒,以便溶化的锡线与端子充分焊接) ;4. 沿电烙铁中心轴线方向将烙铁头从端子焊接部位拉开,并让被焊接部位保持静止状态2~4秒,确定焊接部位充分冷却(冷却过程中连接的部品之间不应发生位移);5. 自检确认焊接效果;不良的焊锡要重新返工处理,直到确认为良品为止;6. 将烙铁头上多余的锡渣在清洗海绵或金属丝垫上除去;7. 重复以上操作。
文件编号保密等级类别版 本规范页 次5XXXXXXXX JINGSHUO ELECTRONIC CO.,LTD 一般焊锡作业规范A Page 7 of 9XXXXXXX电子有限公司JS-MW-0367多锡1、 如图(1)露出元件脚,锡面呈凹状OK。
2、 如图(2)焊锡包住元件脚,锡面呈凸状NG。
3、 如图(3)焊锡超过焊盘,NG。
4、 如图(4)焊锡完全包住了整个IC脚,NG.5、 如图(5)焊接直插元件:接触角(20°左右最好),a<90°OK.6、 如图(6)焊接(修正)SMT元件: a<90°OK.7、 双面板的元件面,从过孔流出的焊锡不能高出1mm。
8、 片状元件多锡,a≤1/2HOK。
但是在组装高度有规定的情况下,要以规定为准。
9、 电线焊料过多,不能辨认原有的轮廓,NG.。
1.如图(1)、(4)双面板锡孔孔径:W≤10%L。
2.如图(2)、(4)单面板锡孔孔径:W≤10%L,且孔的大小须在焊盘圆周的1/4以内。
3. 如图(3)贴装焊锡锡孔孔径:W<1/3L。
针孔铜箔与基板分离或断裂NG 。
8气泡 1.焊锡的流散性有效期,或焊接时间不够,有气泡在焊接点内部。
翘铜箔 图(1)图(2)图(3)图(4)图(5)图(6)图(7)图(8)图(9)图(1)图(2)图(3)图(4)文件编号保密等级类别版 本规范页 次8气泡接时间不够,有气泡在焊接点内部。
溅锡1、 如图(1)溅锡不允许,NG。
2、 如图(2)流入焊盘间,焊盘之间的空隙须大于间距的1/2,OK.XXXXXXX电子有限公司JS-MW-03XXXXXXXX JINGSHUO ELECTRONIC CO.,LTD 一般1. 如图(1)H<0.3mm(SMT)OK.2. 元件脚翘,但焊接良好OK 。
3. 如图(2)开关、排插浮高H<0.2mm OK。
4. 功率小(1W以下)、无特别指定的横卧元件(电阻、电容、二极管)浮起高度H<0.5mm OK。
PCBA焊锡作业标准及通用检验标准PCB(Printed Circuit Board)焊锡作业标准是指用于PCB焊接过程中的操作标准和要求。
通用检验标准是指对焊锡作业进行检验的标准和方法。
以下是PCB焊锡作业标准及通用检验标准的详细内容。
一、PCB焊锡作业标准1.焊锡前准备:(1)确认焊锡台的操作规范和安全操作要求。
(2)准备焊锡台所需的工具和材料,如焊锡站、焊锡锅、焊锡丝、镊子等。
(3)检查焊锡台的工作状态,确保温度、电源等参数正常。
2.焊锡:(1)根据焊接要求选择合适的焊锡丝,确认规格和型号是否正确。
(2)将焊锡丝插入焊锡锅中,使其均匀分布,并保持在适当的温度下。
(3)根据焊接要求,调整焊锡锅的温度,以确保焊锡的熔点适合焊接。
(4)将焊锡台置于稳定的桌面上,并调整焊锡锅和焊锡站的位置,使其便于操作。
(5)根据焊接板的连接需要,选择合适的焊锡方式,如点焊、波峰焊等。
(6)将焊锡台插入电源,开启电源,待焊锡锅温度达到预设温度时,即可进行焊锡作业。
3.焊锡操作:(1)根据焊接板的要求,将焊锡丝加热熔化,使其变为液态。
(2)将焊锡丝沿着焊接板的焊盘或焊脚上涂抹,确保焊锡覆盖完整且与焊盘或焊脚接触紧密。
(3)焊锡过程中,保持焊锡锅温度适宜,避免焊锡过热或过冷,影响焊接效果。
(4)焊锡完毕后,用镊子将焊锡丝修剪整齐,确保焊接部位平整、美观。
4.清洁和保养:(1)焊锡作业完成后,及时清洁焊锡台和焊锡锅,以防止焊锡残渣附着和污染。
(2)定期检查焊锡台和焊锡锅的工作状态,维护和保养设备,确保其正常运行。
1.外观检查:(1)检查焊接部位的焊锡覆盖是否均匀,焊接点和焊脚是否有无焊、短路等情况。
(2)检查焊接部位是否有焊渣、焊尖等残留物,以及焊接面是否平整、光滑。
2.尺寸检查:(1)测量焊接部位的焊盘或焊脚的尺寸是否符合设计要求。
(2)检查焊接部位的间距是否一致,焊点与焊点之间是否存在短路现象。
3.电性能检查:(1)使用万用表或特定仪器测量焊接点的电阻值,确认焊接是否牢固,导通性良好。
类别焊锡试验作业指导书 文件编号BD/JI-03-62 页次 1/1 工作文件 版本 A 版次 1编制/修订审 核 审 批 发 行 一、目的为了规范作业,确保质量。
二、范围适用于工序作业指导。
三、内容1. 操作步骤:1.1使用前的检查。
A,检查所有电源线连接是否完好,电源开关是否处于关闭状态。
B .锡液(常温下为固体)量是否过少,过少则准备锡棒。
在加热溶化后加入其中。
2 操作:A .打开锡炉电源开关将锡炉进行加温,以使锡液溶化。
B.先按功能键”SET ”,再按增值键“▲”或减值键“▼”以达到需求的温度。
C .待锡融化后,读取显示数据待达到指定数值后方可进行测试。
D .沾锡后用放大镜或目测观察测试样品。
3沾锡性试验:3.1无铅锡炉温度设置为270±5℃,待温度达到后方可测试。
3.2做沾锡性样品测试前不可用手接触或者其它方式的污染。
3.3整个沾锡性过程以线路板夹夹取产品。
3.4沾锡性测试前需先将无铅锡炉焊锡表面之氧化层刮除。
3.5浸入角度以产品之纵向为佳,浸入点与无铅锡炉内壁距离不得小于10㎜。
3.6从焊锡液中撤出后在其固化过程中应保持测试面在竖直方向。
3.7试验要求及试验结果判定a.沾锡时间:≥ 10s (可根据产品的热容量进行调整)。
b.检测产品沾锡性状况应在光线充足处,根据产品类别以肉眼或20倍放大镜。
c.端子焊锡面光滑均匀且吃锡面积达95%以上为合格。
不可有露底材、焊锡面不均匀、破损、等不良。
4、耐焊接热试验:4.1将产品板沿轴线方向浸入270±5℃的焊锡槽内,时间:≥ 10s 试验。
取出常温恢复1H 后查看试验板外观有无损伤。
6注意事项:6.1锡炉加热状态下是高温,切忌用手直接接触,以免烫伤。
四、相关记录:《沾锡/耐焊可靠性试验记录》BD/FM-08-26。
焊锡岗位的安全要求以焊锡岗位的安全要求为标题,本文将从以下几个方面进行阐述:岗位安全意识、操作规范、防护措施、应急处理等。
一、岗位安全意识焊锡岗位是一项高风险的工作,因此从事该岗位的工作人员必须具备高度的安全意识。
首先,要认识到焊锡作业的危险性,了解焊锡作业的安全规范和操作流程,严格按照规范操作,避免因操作不当而引发事故。
其次,要时刻保持警觉,注意观察周围环境,及时发现和排除安全隐患,确保自身和他人的安全。
二、操作规范1.操作前的准备工作在进行焊锡作业前,必须进行充分的准备工作。
首先,要检查焊锡设备是否正常,包括焊锡枪、焊锡丝、电源等设备。
其次,要检查焊接材料是否符合要求,如焊锡丝的直径、材质等。
最后,要选择合适的焊接位置,确保操作空间充足,避免因操作不便而引发事故。
2.操作时的注意事项在进行焊锡作业时,必须按照规范操作,注意以下事项:(1)佩戴防护用品,如手套、护目镜、口罩等,避免因操作不当而受伤。
(2)保持焊锡设备和焊接材料的清洁,避免因杂质等原因影响焊接质量。
(3)控制焊接温度和时间,避免因温度过高或时间过长而引发事故。
(4)注意焊接位置的稳定性,避免因焊接位置不稳而引发事故。
三、防护措施在进行焊锡作业时,必须采取一系列的防护措施,确保操作人员和周围人员的安全。
具体措施如下:(1)设置警示标志,提醒周围人员注意安全。
(2)设置防护栏杆,限制人员进入作业区域。
(3)设置通风设备,保持作业区域的空气流通。
(4)设置灭火器材,以备应急情况。
四、应急处理在进行焊锡作业时,难免会出现一些意外情况,如设备故障、材料失控等。
因此,必须制定应急处理方案,以便在发生意外情况时能够及时处理。
具体方案如下:(1)设备故障:立即停止作业,检查设备故障原因,及时维修或更换设备。
(2)材料失控:立即停止作业,采取措施控制材料,避免引发事故。
(3)火灾事故:立即使用灭火器材进行灭火,同时通知消防部门进行处理。
从事焊锡岗位的工作人员必须具备高度的安全意识,严格按照规范操作,采取一系列的防护措施,制定应急处理方案,确保自身和他人的安全。
焊锡操作规程模板焊锡操作规程1. 作业人员应熟悉焊锡设备的使用方法和操作规程,并接受相关的安全培训。
2. 在进行焊锡操作之前,应检查焊锡设备是否完好,确保所有开关按钮正常,电源插头连接牢固。
3. 在操作焊锡设备时,应穿戴好必要的个人防护装备,包括安全眼镜、耳塞、防护手套等。
4. 焊锡设备应放置在稳定的工作台面上,确保焊锡操作的稳定性和安全性。
5. 在进行焊锡操作之前,应清洁焊锡笔的焊头,以确保焊接质量的稳定和可靠。
6. 在进行焊锡操作之前,应将焊锡笔加热至适当的温度,一般建议将温度设定在200~300℃之间。
7. 在进行焊锡操作之前,应确保焊锡笔的握持方式正确,避免手部直接接触焊锡笔的金属部分,以防止烫伤。
8. 在进行焊锡操作之前,应将焊线铜嘴削尖,并进行锡浇入,以确保焊络的质量和可靠性。
9. 在进行焊锡操作时,应将焊线端与焊件接触,同时将焊锡笔的焊头贴近焊线与焊件的接触处。
10. 在进行焊锡操作时,应控制焊锡的数量和速度,避免过多或过快的焊锡导致焊接质量不稳定。
11. 在进行焊锡操作时,应使用合适的焊锡笔和焊线,避免使用过粗或过细的焊线导致焊接不良。
12. 在进行焊锡操作时,应注意焊锡笔和焊线的位置和角度,确保焊接质量的稳定和可靠。
13. 在进行焊锡操作时,应避免焊锡笔与其他金属器件接触,以防止短路和电流过大。
14. 在进行焊锡操作时,应注意焊接的时间和力度,避免过长或过大的焊接时间和压力导致焊接质量差。
15. 在进行焊锡操作时,应及时清除焊锡笔上的焊锡残留物,以保持焊锡笔的良好工作状态。
16. 在进行焊锡操作时,应注意工作环境的安全性和整洁性,避免焊锡操作过程中引起火灾和爆炸等安全事故。
17. 在进行焊锡操作时,应及时关闭焊锡设备并拔出电源插头,确保焊锡设备的安全性和节能性。
18. 在进行焊锡操作时,应定期进行焊锡设备的保养和维修,保持设备的良好工作状态。
19. 在进行焊锡操作时,应及时清理和整理焊锡操作区域,保持工作区的整洁和安全。
焊锡作业指导书一、目的与范围本文档旨在提供针对焊锡作业的详细指导,包括所需材料、操作流程、注意事项等。
适用于各种焊锡项目,如电子电路板的焊接、金属部件的修复等。
二、所需材料1. 焊锡台或焊接工作台2. 焊锡工具(包括焊锡笔、焊锡丝、吸锡笔、焊锡台等)3. 焊锡剂或通用清洁剂4. 吸烟器或通风设备(可选)5. 安全防护装备(包括护目镜、手套、长袖衣物等)6. 清洁布或棉纱球三、操作流程1. 查看设备确保焊锡台和焊锡工具处于良好工作状态,检查焊锡笔和焊锡丝的连接是否紧固,焊锡剂或通用清洁剂是否充足。
2. 确定工作区在室内选择通风良好的工作区,尽量避免在易燃物附近进行焊接作业。
3. 准备工作戴上护目镜、手套等安全防护装备,确保自身安全。
将焊锡丝装入焊锡笔,预热焊锡台至适宜的温度(一般为250-300℃)。
4. 清洁焊接部件使用清洁布或棉纱球蘸取适量焊锡剂或通用清洁剂,擦拭待焊接的部件表面,确保表面干净、无灰尘或油脂等杂质。
5. 调整焊锡笔温度根据所要焊接的部件材料和焊接要求,调整焊锡笔的温度。
一般情况下,焊接电子元件可使用低温;而焊接金属部件则需要较高的温度。
6. 进行焊接将预热至适宜温度的焊锡笔轻轻触碰焊接部件,直到焊锡丝与焊接部件接触,待焊锡融化后,焊锡丝即可均匀分布于焊接部件上。
7. 检查焊接质量焊接完成后,使用吸锡笔清除多余的焊锡。
使用放大镜或放大灯检查焊接点是否均匀,是否有冷焊等问题。
如有问题,可进行修复,然后重新检查。
8. 清洁工作区焊接完成后,关闭焊锡台,清理工作区,将使用过的棉纱球、清洁布等废弃物妥善处理。
四、注意事项1. 焊锡工作涉及高温和电流,必须注意安全。
必须戴上护目镜和手套等安全防护装备。
2. 在进行焊接作业前,应检查焊锡台和焊锡工具的工作状态是否正常,确保安全可靠。
3. 工作区应通风良好,以避免焊接过程中产生的有害气体对健康的影响。
4. 对于初学者,可以先在废弃的电子电路板上进行练习,熟悉焊锡的操作流程和技巧。