Opera 酒店操作系统介绍
- 格式:docx
- 大小:320.93 KB
- 文档页数:1
酒店Opera前台操作流程教学⽂稿Opera⼀、Opera Pms(物业管理系统)通过三个接⼝来连接,分别是:1)TABS: 电话计费系统2)POS:收银系统3)KER:门锁⼆、Profile建⽴档案:1)散客档案的建⽴(Individual)在NAME⾥输⼊客⼈名或其它查找⽅式进⾏查找该客⼈,在View By选定相应的类型(Individual),点击Search查找,如查找不到该客⼈,再NEW,进⼊如下图界⾯:根据以上档案显⽰的内容输⼊相关信息。
在绿⾊的地球形图标⾥可输⼊客⼈中⽂名,图标后⾯的“i”表⽰如客⼈不想公开⾃⼰的真实姓名时,在Last name 和First name⾥输⼊假名,在Incognito⾥输⼊真实姓名。
注:在opera⾥凡是⽤黄⾊线圈住都是作查找⽤。
档案合并如⼀客⼈有两份档案时,可使⽤Profile Options⾥的Merge功能。
选中要保留的, 进⼊Options的Merge, 查找被合并的档案,选中该档案,出现如下图:再点击Merge,合并成功。
2)新建公司档案(Company)⾸先进⼊Profile search⾥,在View by处选Company,查找要新建的公司,查找不到再New,如图:Owner:负责⼈,可同时选⼏个负责⼈,如有两个以上的负责⼈,在Owner上显现的是⾸选的⼈。
Keyword: 设置查找该公司时的关键词。
根据具体要求填写完毕,Save保存。
如要建⽴公司合同价的从Options的Neg Rates项进⼊,如下图:在Rate Code的下拉菜单下选定相应的合同价,或New 进⼊也可,如下图:开价⽇期停价⽇期和酒店建⽴合同价的公司有在Search界⾯上有“$”符号,如下图:如要做个⼈连公司或公司连公司的连接,进⼊Options选Relation Ship项,如下图:点击New,进⼊:选定下拉菜单进⼊如下图:选择种类查找到连接的⽬标,OK完成连接。
酒店Opera系统入门培训资料2.1 LOG IN2.2 LOG OUT注:每次前台员工在离开电脑时,无论去做什么,都要按F8。
(启到保护自己的作用)2.3 CHANGE PASSWORD先点击进点击输入旧然后输入注:建议两至三个月更改一次密码3 OPERATOR、TELEPHONE BOOK3.1 OPERATOR可以查询客人信息:-ARRIVALS-IN HOUSE-CHECK OUT-CANCELLTION-NO SHOW输入客人所提供的信点注:STATUS跟着RESERVATION状态来查模糊查询:先打%再输入其中的几个字母(必须是相连的),如果仍找不到可向客人多咨询一些信息和资料。
MESSAGE:留MESSAGE:MESSAGE 下的几个功能键:- NEW :点此键可以新建军MESSAGE - DELET :点此键删除MESSAGE - SAVE TEXT :点此键保存MESSAGE - PRINT :点此键打印MESSAGE- PRINT ALL :点此键打印所有MESSAGE - RECEIVED :点此键收取MESSAGE- RECEIVED ALL :点此键收取所有MESSAGE- LAMP :点此键房间内的MESSAGE 灯会亮,再点一下会灭- CLOSE :点此键可以关掉此屏 留LOCATOR :进入点点在右侧点要将MESSAGEMESSAGE 留好后会双击红色的进入点点输入选择系统会有双击红色注:只要有LOCATOR,就要看LOCATOR留TRACE:进入点进入点可选日期(先先输点系统会注:TRACE解决完后,可按RESOLVE3.2 TELEPHONE BOOK新加INFORMATION内容:点选择输入分查询INFORMATION:点PARTIAL NAME4 PROFILE4.1 PROFILE分类✧INDIVIDUAL:个人✧COMPANY:公司✧TRAREL AGENT:旅行社✧SOURCE:来源✧GROUP:团队在RESERVATION 菜单下点击PROFILE图标,选择查找种类(INDIVIDUAL、COMPANY、CONTACT、SOURCE、GROUP)。
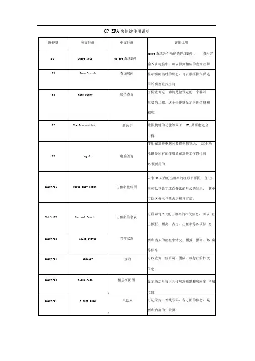
OP ERA快捷键使用说明LOG IN、LOG OUTLOG IN :USER NAM是姓氏的拼音+ 英文名的第一个字母\PASSWOR是自己的密码\然后用鼠标点一下LOGINLOG OUT然后直接按F8键即可退出OPERA注:每次前台员工在离开电脑时,无论去做什么,都要按F8。
(启到保护自己的作用)OP ERATORTELE PH ONE BOOKOPERATOR可以查询客人信息:ARRIVALSIN HOUSECHECK OUTCANCELLATIONNO SHOW输入客人所提供的信息点SEARCH注: STATUS艮着RESERVATION态来查模糊查询:先打%再输入其中的几个字母(必须是相连的),如果仍找不到可向客人多咨询一些信息和资料。
MESSAGE留MESSAGE:进入OPERATOR点MESSAGE点NEW 在MESSAGE FRO处打上留言人的名字点SAVE要将MESSAGE:印出来送房间点YES在右侧空白处输入留言内容MESSAG留好后会有一个红色的MESSAG字样双击红色的MESSAG可以看其内容MESSAGE的几个功能键:-NEW点此键可以新建MESSAGE-DELET:点此键删除MESSAGE-SAVE TEXT:点此键保存MESSAGE-PRINT :点此键打印MESSAGE-PRINT ALL :点此键打印所有MESSAGE-RECEIVED 点此键收取MESSAGE-RECEIVED ALL点此键收取所有MESSAGE-LAMP:点此键房间内的MESSAG灯会亮,再点一下会灭-CLOSE:点此键可以关掉此屏留LOCATOR输入FROM TIME选择日期点NEW 点LOCATOR进入OPERATOR输入TO TIME在LOCATIONS处选相应的地方点SAVELOCATOR TEX会有相关的地方出现,如过期可DELETE 双击红色的LOCATOR!以看其内容系统会有红色的LOCATORS样注:只要有LOCATOR就要看LOCATOR留TRACE点TRACE进入TRAC哙有客人的信息点NEW可选日期(先选TO DATE 再选FROM DATE系统会有红色的TRACE字样点SAVE输入相关内容先相应的部门注:TRAC解决完后,可按RESOLVE新加INFORMATIO内容:选择INFORMATIONS类输入分类名称查询INFORMATION点PARTIAL NAME SEARCHNAME CATEGORY SEARCHP ROFILEP ROFILE分几种类型:INDIVIDUAL 个人COMP ANY公司TRAREL AGENT旅行社SOURCE来源GRO UP团队在RESERVATIO菜单下点击PROFILE图标,选择查找种类(INDIVIDUAL COMPANYCONTACTSOURCEGROUP。
Opera一、Opera Pms(物业管理系统)通过三个接口来连接,分别是:1)TABS: 电话计费系统2)POS:收银系统3)KER:门锁二、Profile建立档案:1)散客档案的建立(Individual)在NAME里输入客人名或其它查找方式进行查找该客人,在View By选定相应的类型(Individual),点击Search查找,如查找不到该客人,再NEW,进入如下图界面:根据以上档案显示的内容输入相关信息。
在绿色的地球形图标里可输入客人中文名,图标后面的“i”表示如客人不想公开自己的真实姓名时,在Last name 和First name里输入假名,在Incognito里输入真实姓名。
注:在opera里凡是用黄色线圈住都是作查找用。
档案合并如一客人有两份档案时,可使用Profile Options里的Merge功能。
选中要保留的, 进入Options的Merge, 查找被合并的档案,选中该档案,出现如下图:再点击Merge,合并成功。
2)新建公司档案(Company)首先进入Profile search里,在View by处选Company,查找要新建的公司,查找不到再New,如图:Owner:负责人,可同时选几个负责人,如有两个以上的负责人,在Owner上显现的是首选的人。
Keyword: 设置查找该公司时的关键词。
根据具体要求填写完毕,Save保存。
如要建立公司合同价的从Options的Neg Rates项进入,如下图:在Rate Code的下拉菜单下选定相应的合同价,或New 进入也可,如下图:和酒店建立合同价的公司有在Search界面上有“$”符号,如下图:如要做个人连公司或公司连公司的连接,进入Options选Relation Ship项,如下图:开价日期停价日期点击New,进入:选定下拉菜单进入如下图:选择种类查找到连接的目标,OK完成连接。
(注:只能是个人连公司,公司连公司,公司不能连个人。
OPERA系统操作首先,我们来了解一下OPERA系统的前台操作。
在接待台,工作人员可以使用该系统进行办理入住和退房手续。
他们可以输入客人的个人信息、预留房间以及处理付款等过程。
此外,系统还可以帮助酒店员工查看客人的需求和要求,并提供适当的服务。
其次,预订管理是OPERA系统的重要功能之一、通过该系统,酒店可以轻松管理客房的预订情况。
工作人员可以通过预订管理模块查看和管理酒店的实时房态,包括已预订、已入住和可用房间数量。
他们还可以轻松预订和修改预订信息,以及发送确认邮件给客人。
OPERA系统还提供了一套强大的客户关系管理工具。
通过这些工具,酒店可以更好地了解客人需求,提供个性化的服务。
系统可以追踪客人的偏好和历史记录,并根据这些信息建立客户档案。
这样,酒店可以更好地理解客人的需求,提供满足他们期望的服务。
收银结算也是OPERA系统的一项重要功能。
工作人员可以使用该系统轻松处理客人的账单以及结算过程。
系统可以自动计算费用,并支持多种付款方式,如现金、信用卡和第三方支付等。
此外,系统还可以生成详细的结算报告,帮助酒店进行财务管理和决策。
最后,OPERA系统还提供了一系列报告工具,用于帮助酒店进行经营分析和决策制定。
系统可以生成各种报表,包括入住率、收入统计、客户满意度等。
这些报告可以帮助酒店了解运营概况,找到提升运营效率和增加收入的机会。
总之,OPERA系统是一种功能强大、全面的酒店管理软件。
它提供了一系列工具和功能,帮助酒店提高运营效率、提供个性化服务并增加收入。
通过OPERA系统的运用,酒店可以更好地管理和满足客人的需求,提升客户满意度,并在竞争激烈的酒店市场中取得竞争优势。
酒店Opera PMS系统中英文培训教程介绍Opera PMS是酒店管理的重要工具,它可以帮助酒店管理人员实现客房预订、账单管理、销售分析等一系列功能。
本文档将向大家介绍Opera PMS的基础操作和相关功能,帮助想学习酒店管理的人士快速掌握该软件的使用方法。
文档将分为中文和英文两个部分,让我们一起开始吧!中文教程登录和退出在使用Opera PMS前,首先要做的就是登录。
输入用户名和密码后,按“Enter”键即可进入系统。
如果您要退出系统,可以在电脑屏幕左下角点击“开始”菜单,再选择“退出”。
预订客房要预订客房,首先需要进入Opera PMS系统,点击主界面上的“预订”图标。
在进入预订页面后,输入顾客的基本信息(如姓名、电话号码和入住时间等),选定入住日期和房型,最后选择“确定”即可完成预订操作。
房间管理在Opera PMS中,我们可以轻松管理各个房间的状态,以便更好地掌控酒店运营情况。
在主界面上找到“房态表”图标,点击进入该界面后,可以轻松查看酒店整体房间的空闲和占用状况,并可根据需要调整房间状态。
账单管理在Opera PMS系统中,账单管理是非常重要的一项功能。
酒店管理人员可以在该界面上查看到每个客人的详细账单信息,还可以根据客人的需求和付款方式进行相应的调整。
若想查看账单信息,点击主页上的“账单”图标即可进入该界面。
销售报表销售报表是酒店管理人员更好地全面了解酒店销售状况的重要工具。
在Opera PMS中,我们可以自由选择不同的时间段和销售范围,获取详细的销售报表信息,帮助我们更好地分析和规划酒店的运营情况。
在主界面上找到“报表”图标,点击进入该界面,即可查看相关销售报表信息。
英文教程Login and LogoutBefore using Opera PMS, the first thing to do is to log in. Enter your username and password, and press the。
Opera一、Opera Pms(物业管理系统)通过三个接口来连接,分别是:1)TABS:电话计费系统2)POS:收银系统3)KER:门锁二、Profile建立档案:1)散客档案的建立(Individual)在NAME里输入客人名或其它查找方式进行查找该客人,在View By选定相应的类型(Individual),点击Search查找,如查找不到该客人,再NEW,进入如下图界面:根据以上档案显示的内容输入相关信息。
在绿色的地球形图标里可输入客人中文名,图标后面的“i"表示如客人不想公开自己的真实姓名时,在Last name 和 First name里输入假名,在Incognito里输入真实姓名。
注:在opera里凡是用黄色线圈住都是作查找用。
档案合并如一客人有两份档案时,可使用Profile Options里的Merge功能。
选中要保留的, 进入Options的Merge,查找被合并的档案,选中该档案,出现如下图:再点击Merge,合并成功。
2)新建公司档案(Company)首先进入Profile search里,在View by处选Company,查找要新建的公司,查找不到再New,如图:Owner:负责人,可同时选几个负责人,如有两个以上的负责人,在Owner上显现的是首选的人.Keyword: 设置查找该公司时的关键词.根据具体要求填写完毕,Save保存.如要建立公司合同价的从Options的Neg Rates项进入,如下图:在Rate Code的下拉菜单下选定相应的合同价,或New 进入也可,如下图:开价日期停价日期和酒店建立合同价的公司有在Search界面上有“$”符号,如下图:如要做个人连公司或公司连公司的连接,进入Options选Relation Ship项,如下图:点击New,进入:选定下拉菜单进入如下图:选择种类查找到连接的目标,OK完成连接.(注:只能是个人连公司,公司连公司,公司不能连个人.)建立连接后的公司,在公司名称前有“+”符号表示,双击此符号可查看到和该公司有关系的个人、公司或旅行社。
Opera一、Opera Pms(物业管理系统)通过三个接口来连接,分别是:1)TABS: 电话计费系统2)POS:收银系统3)KER:门锁二、Profile建立档案:1)散客档案的建立(Individual)在NAME里输入客人名或其它查找方式进行查找该客人,在View By选定相应的类型(Individual),点击Search查找,如查找不到该客人,再NEW,进入如下图界面:根据以上档案显示的内容输入相关信息。
在绿色的地球形图标里可输入客人中文名,图标后面的“i”表示如客人不想公开自己的真实姓名时,在Last name 和First name里输入假名,在Incognito里输入真实姓名。
注:在opera里凡是用黄色线圈住都是作查找用。
档案合并如一客人有两份档案时,可使用Profile Options里的Merge功能。
选中要保留的, 进入Options的Merge, 查找被合并的档案,选中该档案,出现如下图:再点击Merge,合并成功。
2)新建公司档案(Company)首先进入Profile search里,在View by处选Company,查找要新建的公司,查找不到再New,如图:Owner:负责人,可同时选几个负责人,如有两个以上的负责人,在Owner上显现的是首选的人。
Keyword: 设置查找该公司时的关键词。
根据具体要求填写完毕,Save保存。
如要建立公司合同价的从Options的Neg Rates项进入,如下图:在Rate Code 的下拉菜单下选定相应的合同价,或New 进入也可,如下图:和酒店建立合同价的公司有在Search 界面上有“$”符号,如下图:如要做个人连公司或公司连公司的连接,进入Options 选Relation Ship 项,如下图:点击New,进入:选定下拉菜单进入如下图:选择种类查找到连接的目标,OK完成连接。
(注:只能是个人连公司,公司连公司,公司不能连个人。
OPERA系统培训教程一、引言OPERA系统是一款功能强大的酒店管理系统,为酒店提供全面、高效的解决方案。
本教程旨在帮助酒店员工熟练掌握OPERA系统的各项功能,提高工作效率,提升客户满意度。
二、OPERA系统概述1.系统特点(1)集成性:OPERA系统集成了酒店各个部门的管理功能,如预订、前台、客房、餐饮、财务等,实现数据共享,提高工作效率。
(2)灵活性:OPERA系统可根据酒店实际情况进行个性化设置,满足不同酒店的需求。
(3)安全性:OPERA系统采用先进的加密技术,确保数据安全。
(4)稳定性:OPERA系统具有高稳定性,保证酒店业务正常运行。
2.系统模块(1)预订模块:实现客房预订、团队预订、宴会预订等功能。
(2)前台模块:包括入住、退房、换房、预订变更等功能。
(3)客房模块:管理客房状态、房务安排、客房维护等功能。
(4)餐饮模块:实现餐饮预订、点餐、收银等功能。
(5)财务模块:管理酒店财务数据,包括应收账款、应付账款、营业报表等。
(6)客户关系管理模块:管理客户信息、会员信息、客户反馈等。
三、OPERA系统操作流程1.登录与退出(1)打开OPERA系统,输入用户名和密码,“登录”。
(2)登录成功后,进入系统主界面。
(3)退出系统:右上角的“退出”按钮,确认退出。
2.预订管理(1)预订查询:输入客户姓名、方式、预订号等信息,查询预订信息。
(2)新增预订:录入客户信息、预订日期、房型等信息,保存预订。
(3)预订变更:修改预订日期、房型等信息,保存变更。
(4)预订取消:选择预订记录,“取消”,确认取消。
3.前台管理(1)入住登记:录入客户信息、证件号码、入住日期等,完成入住。
(2)退房结账:选择入住记录,“退房”,录入消费信息,完成结账。
(3)换房:选择入住记录,“换房”,选择新房型,完成换房。
(4)预订变更:选择预订记录,“变更”,修改相关信息,完成变更。
4.客房管理(1)房态管理:查看客房状态,包括在住、空房、维修等。
Opera一、Opera Pms(物业管理系统)通过三个接口来连接,分别是:1)TABS: 计费系统2)POS:收银系统3)KER:门锁二、Profile建立档案:1)散客档案的建立(Individual)在NAME里输入客人名或其它查找方式进行查找该客人,在View By选定相应的类型(Individual),点击Search查找,如查找不到该客人,再NEW,进入如下图界面:根据以上档案显示的容输入相关信息。
在绿色的地球形图标里可输入客人中文名,图标后面的“i”表示如客人不想公开自己的真实时,在Last name 和 First name里输入假名,在Incognito里输入真实。
注:在opera里凡是用黄色线圈住都是作查找用。
档案合并如一客人有两份档案时,可使用Profile Options里的Merge功能。
选中要保留的, 进入Options的Merge, 查找被合并的档案,选中该档案,出现如下图:再点击Merge,合并成功。
2)新建公司档案 (Company)首先进入Profile search里,在View by处选Company,查找要新建的公司,查找不到再New,如图:Owner:负责人,可同时选几个负责人,如有两个以上的负责人,在Owner上显现的是首选的人。
Keyword: 设置查找该公司时的关键词。
根据具体要求填写完毕,Save保存。
如要建立公司合同价的从Options的Neg Rates项进入,如下图:在Rate Code的下拉菜单下选定相应的合同价,或New 进入也可,如下图:和酒店建立合同价的公司有在Search界面上有“$”符号,如下图:如要做个人连公司或公司连公司的连接,进入Options选Relation Ship项,如下图:开价日期停价日期点击New,进入:选定下拉菜单进入如下图:选择种类查找到连接的目标,OK完成连接。
(注:只能是个人连公司,公司连公司,公司不能连个人。
Opera一、Opera Pms(物业管理系统)通过三个接口来连接,分别是:1)TABS: 电话计费系统2)POS:收银系统3)KER:门锁二、Profile建立档案:1)散客档案的建立(Individual)在NAME里输入客人名或其它查找方式进行查找该客人,在View By选定相应的类型(Individual),点击Search查找,如查找不到该客人,再NEW,进入如下图界面:根据以上档案显示的内容输入相关信息。
在绿色的地球形图标里可输入客人中文名,图标后面的“i”表示如客人不想公开自己的真实姓名时,在Last name 和First name里输入假名,在Incognito里输入真实姓名。
注:在opera里凡是用黄色线圈住都是作查找用。
档案合并如一客人有两份档案时,可使用Profile Options里的Merge功能。
选中要保留的, 进入Options的Merge, 查找被合并的档案,选中该档案,出现如下图:再点击Merge,合并成功。
2)新建公司档案(Company)首先进入Profile search里,在View by处选Company,查找要新建的公司,查找不到再New,如图:Owner:负责人,可同时选几个负责人,如有两个以上的负责人,在Owner上显现的是首选的人。
Keyword: 设置查找该公司时的关键词。
根据具体要求填写完毕,Save保存。
如要建立公司合同价的从Options的Neg Rates项进入,如下图:在Rate Code 的下拉菜单下选定相应的合同价,或New 进入也可,如下图:和酒店建立合同价的公司有在Search 界面上有“$”符号,如下图:如要做个人连公司或公司连公司的连接,进入Options 选Relation Ship 项,如下图:点击New,进入:选定下拉菜单进入如下图:选择种类查找到连接的目标,OK完成连接。
(注:只能是个人连公司,公司连公司,公司不能连个人。
酒店operaPMS系统中培训教程•酒店operaPMS系统简介•前台业务操作培训•客房管理操作培训•餐饮娱乐管理操作培训目•财务管理操作培训•系统设置与维护培训录01酒店operaPMS系统简介系统背景与功能系统背景Opera PMS系统是一款由Opera Software公司开发的酒店管理软件,旨在帮助酒店实现前台、客房、餐饮、财务等各个部门的高效协同工作。
功能模块Opera PMS系统包括客户管理、预订管理、入住管理、收银管理、房态管理、报表分析等多个功能模块,满足酒店日常运营管理的需求。
适用范围及优势适用范围Opera PMS系统适用于不同规模和类型的酒店,包括单体酒店、连锁酒店、度假酒店等,能够满足不同酒店的管理需求。
优势特点Opera PMS系统具有操作简便、功能强大、数据安全性高等优势,能够帮助酒店提高工作效率、降低成本、提升客户满意度。
操作界面与基本流程操作界面Opera PMS系统的操作界面简洁明了,各个功能模块布局合理,方便用户快速找到所需功能并进行操作。
基本流程Opera PMS系统的基本流程包括客户预订、入住登记、收银结算、退房离店等环节,用户可以根据实际情况进行调整和优化。
同时,系统还支持多种自定义设置,以满足不同酒店的个性化需求。
02前台业务操作培训掌握如何在系统中快速录入和查询预订信息,包括客人姓名、抵离日期、房型、房价等。
预订录入与查询预订修改与取消预订确认与排房学习如何对已有预订进行修改或取消操作,确保客人需求得到及时响应。
了解预订确认的流程,掌握如何为客人分配房间,确保客人顺利入住。
030201预订管理散客入住登记团队入住登记换房与续住操作客人信息查询与修改接待入住学习如何为散客快速办理入住登记手续,包括验证客人身份、分配房间、制作房卡等。
了解换房和续住的操作流程,确保客人需求得到满足。
掌握如何为团队客人批量办理入住登记手续,提高工作效率。
掌握如何查询和修改客人信息,确保客人资料准确无误。
Opera一、Opera Pms(物业管理系统)通过三个接口来连接,分别是:1)TABS: 电话计费系统2)POS:收银系统3)KER:门锁二、Profile建立档案:1)散客档案的建立(Individual)在NAME里输入客人名或其它查找方式进行查找该客人,在View By选定相应的类型(Individual),点击Search查找,如查找不到该客人,再NEW,进入如下图界面:根据以上档案显示的内容输入相关信息。
在绿色的地球形图标里可输入客人中文名,图标后面的“i”表示如客人不想公开自己的真实姓名时,在Last name 和First name里输入假名,在Incognito里输入真实姓名。
注:在opera里凡是用黄色线圈住都是作查找用。
档案合并如一客人有两份档案时,可使用Profile Options里的Merge功能。
选中要保留的, 进入Options的Merge, 查找被合并的档案,选中该档案,出现如下图:再点击Merge,合并成功。
2)新建公司档案(Company)首先进入Profile search里,在View by处选Company,查找要新建的公司,查找不到再New,如图:Owner:负责人,可同时选几个负责人,如有两个以上的负责人,在Owner上显现的是首选的人。
Keyword: 设置查找该公司时的关键词。
根据具体要求填写完毕,Save保存。
如要建立公司合同价的从Options的Neg Rates项进入,如下图:在Rate Code的下拉菜单下选定相应的合同价,或New 进入也可,如下图:和酒店建立合同价的公司有在Search 界面上有“$”符号,如下图:如要做个人连公司或公司连公司的连接,进入Options 选Relation Ship 项,如下图:开价日期停价日期点击New,进入:选定下拉菜单进入如下图:选择种类查找到连接的目标,OK完成连接。
(注:只能是个人连公司,公司连公司,公司不能连个人。
Opera酒店管理系统简介Opera是一种全球领先的酒店管理系统(PMS),为酒店提供一体化的解决方案,帮助酒店管理日常运营、预订和客户关系等方面的工作。
Opera的功能非常强大,可以帮助酒店提高效率、提升服务质量,从而增加客户满意度和盈利能力。
功能特点1.预订管理:Opera可以方便地管理酒店的预订信息,包括房型、日期、价格等。
酒店员工可以通过Opera轻松地查看和处理预订请求,确保客户得到满意的服务。
2.入住管理:Opera可以为酒店提供全面的入住管理功能,包括办理入住手续、分配房间、处理客户需求等。
酒店员工可以通过Opera快速、准确地完成入住流程,提高工作效率。
3.财务管理:Opera可以帮助酒店进行财务管理,包括账务结算、发票管理、收支统计等。
通过Opera,酒店可以方便地管理财务信息,提高财务效率,降低错误率。
4.客户关系管理:Opera可以帮助酒店管理客户信息,包括个人信息、偏好设置、历史记录等。
通过Opera,酒店可以更好地了解客户需求,提供个性化的服务,增加客户满意度。
5.报表分析:Opera提供丰富的报表功能,可以帮助酒店进行数据分析和业务评估。
酒店可以通过Opera生成各种报表,包括入住率、房间销售额等,从而更好地了解酒店经营状况,做出合理的决策。
使用优势1.高效简便:Opera的操作界面简单直观,容易上手。
酒店员工可以快速学会使用Opera来处理各种任务,减少培训成本和时间。
2.高度自定义:Opera可以根据酒店的特定需求进行自定义配置。
酒店可以根据实际情况设定房型、价格、服务等信息,使其更符合酒店的经营策略。
3.可扩展性强:Opera可以与其他系统进行集成,如门锁系统、POS系统等。
通过与其他系统的集成,酒店可以实现更高程度的自动化管理,提高工作效率。
4.数据安全保障:Opera采用安全的数据存储和传输方式,保护酒店的数据不被泄露或篡改。
酒店可以放心使用Opera进行业务管理,不必担心数据安全问题。