高大模板支架、高大作业平台支架整架验收记录表
- 格式:doc
- 大小:54.00 KB
- 文档页数:2
表A。
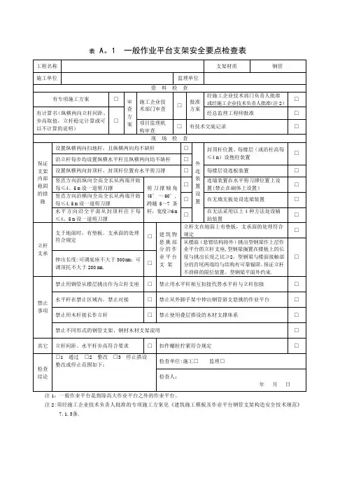
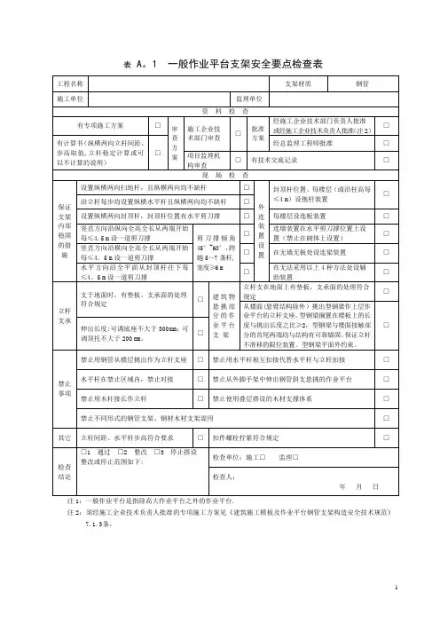
1 一般作业平台支架安全要点检查表
注1:一般作业平台是指除高大作业平台之外的作业平台。
注2:须经施工企业技术负责人批准的专项施工方案见《建筑施工模板及作业平台钢管支架构造安全技术规范》
7.1.3条.
A.2 一般模板支架安全要点检查表
注1:一般模板是指除高大模板之外的模板。
注2:须经施工企业技术负责人批准的专项施工方案见《建筑施工模板及作业平台钢管支架构造安全技术规范》7。
1.3条.
1
表A。
3 一般模板支架、一般作业平台支架整架验收记录表
类别:一般模板支架□一般作业平台支架□验收日期: 年月日
表 A.4 高大作业平台支架安全要点检查表
高大作业平台是指达到或超过以下指标的作业平台:高度8m,或经荷载组合后的施工面荷载15kN/m2,或经荷载组合后的施工线荷载20kN/m,或经荷载组合后单点集中荷载7kN。
表A。
5 高大模板支架安全要点检查表
高大模板是指达到或超过以下指标的模板:高度8m,或结构跨度18m,或经荷载组合后的施工面荷载15kN/m2,或经荷载组合后的施工线荷载20kN/m。
表A。
6 高大模板支架、高大作业平台支架整架验收记录表
表A。
7 扣件拧紧抽样检查表
检查日期年月日。
建筑工程深基坑工程土方开挖安全验收表
注:1.土方开挖工程验收应根据施工方案要求进行开挖后分段验收。
2.超规模危大工程应经专家验收。
高大模板支撑安全验收表
注:1.高支模工程工程分段搭设时,应根据施工方案要求进行分段验收。
2. 超规模危大工程应经专家验收。
落地式钢管扣件脚手架搭设验收表(危大工程)
注:1.落地脚手架应按搭设次数分段逐次验收。
2.超规模危大工程应经专家验收。
悬挑式脚手架验收表表7.3.4-2
注:1.悬挑脚手架应按搭设次数分段逐次验收。
2.超规模危大工程应经专家验收。
门式脚手架验收表(危大工程)表7.3.4-3
注:1.门式脚手架应按搭设次数分段逐次验收。
2.超规模危大工程应经专家验收。
悬挑式卸料平台验收表表7.3.4-4
注:l、悬挑式钢平台,每移位一次须重新验收。
落地操作平台搭设验收单表7.3.4-5
注:1.移动式操作平台面积不应超过10 m2,高度不超5 m。
建筑施工起重机械(塔式起重机)安装验收记录表
(续表)。
欢迎阅读五、安全验收记录目录1、临建设施及防护设施安全验收记录1.1、临建设施及防护设施安全验收填写说明1.2、各类设施验收登记记录22.1、机械设备安全验收填写说明2.2、施工现场机械设备安装验收登记表2.3、机械设备进场查验记录2.4、厂(场)内机动车辆验收表2.5、桩工机械安装验收记录表2.6、物料提升机基础验收表2.7、物料提升机安装(加节)验收记录2.8、物料提升机加节申请表2.9、人货两用电梯基础验收表2.10、人货两用电梯安装(加节)验收记录2.11、人货两用电梯加节申请表12安全设施必须整改符合要求后,方可投放使用或进入下道工序,脚手架应分段进行验收。
各类设施验收登记记录施工现场围档验收表验收日期:施工现场临建设施验收表验收日期:基坑支护安全验收表验收日期:验收部位:平台编号:验收日期:工程名称:验收日期:3、现场机械设备管理资料及机械履历书等资料另行成册。
页脚内容机械设备进场查验记录设备名称:验收日期:场内机动车辆验收表设备名称:设备编号:验收日期:设备名称:规格型号:产权登记号:验收日期:人货两用电梯基础验收表验收日期:人货两用电梯安装(加节)验收记录规格型号:产权登记号:原高度:加节后高度:人货两用电梯加节申请表注:1、由安装(加节)单位提出加节申请,项目经理签署审批意见。
2、在申请中安装(加节)负责人应说明加节的时间;对项目部的配合要求;加节前对机械状况、欲加节的标准节、附着锚固情况的检查结果等内容。
人货两用电梯防坠安全器试验记录注:人货两用电梯的防坠安全器应每3个月进行一次额定载重量的坠落试验。
塔式起重机基础验收表塔吊型号:塔吊编号:制造单位:拆装单位:验收日期:塔式起重机安装(顶升、加节)验收记录顶升前对塔机状况、欲加节的标准节、附着锚固情况的检查结果等内容。
起重吊装机具验收表。
表A。
1 一般作业平台支架安全要点检查表注1:一般作业平台是指除高大作业平台之外的作业平台.注2:须经施工企业技术负责人批准的专项施工方案见《建筑施工模板及作业平台钢管支架构造安全技术规范》7.1.3条。
1A.2 一般模板支架安全要点检查表注1:一般模板是指除高大模板之外的模板。
注2:须经施工企业技术负责人批准的专项施工方案见《建筑施工模板及作业平台钢管支架构造安全技术规范》7。
1。
3条。
表 A.3 一般模板支架、一般作业平台支架整架验收记录表类别:一般模板支架□一般作业平台支架□验收日期: 年月日1表A。
4 高大作业平台支架安全要点检查表注:高大作业平台是指达到或超过以下指标的作业平台:高度8m,或经荷载组合后的施工面荷载15kN/m2,或经荷载组合后的施工线荷载20kN/m,或经荷载组合后单点集中荷载7kN。
表A。
5 高大模板支架安全要点检查表注:高大模板是指达到或超过以下指标的模板:高度8m,或结构跨度18m,或经荷载组合后的施工面荷载15kN/m,或经荷载组合后的施工线荷载20kN/m。
表 A.6 高大模板支架、高大作业平台支架整架验收记录表表A。
7 扣件拧紧抽样检查表检查日期年月日注1:使用力矩板手检查,拧紧力矩为40N·m~65N·m。
注2:“其余部位”栏中,按所检支架实际安装扣件数的栏目填写。
注3:扣件安装数量超过3200个,抽样数应增加。
注4:对检查不合格的部位,应重新拧紧后再次抽样检查,直至合格。
注5:截面高度≥1.2m的梁,直接用立杆或立杆顶部的可调顶托承重。
ICSP09备案号:26743-2010DB45建筑施工模板及作业平台钢管支架构造安全技术规范Safety and technical standard for the structure of crutcheswith steel tubes of construction template and working platform广西壮族自治区质量技术监督局 发布广西科学技术出版社目次前言 (III)引言 (IV)1 范围 (1)2 规范性引用文件 (1)3 术语、定义及符号 (1)术语和定义 (1)符号 (3)4 支架材质、支架支承与细部构造 (3)支架材质 (3)支架支承 (3)细部构造 (4)5 扣件式钢管支架的构造 (8)一般规定 (8)一般作业平台支架和一般模板支架 (10)H≤40m的高大作业平台支架和高大模板支架 (11)H>40m的高大作业平台支架和高大模板支架 (14)6 其他形式钢管支架的构造及使用范围。
(15)碗扣式钢管支架 (15)门式钢管支架 (15)插销式钢管支架 (16)7 安全管理程序 (16)一般作业平台支架和一般模板支架的安全管理程序 (16)高大作业平台支架和高大模板支架的安全管理程序 (16)附录 A (规范性附录)检查表与验收表 (18)一般作业平台支架安全要点检查表 (18)一般模板支架安全要点检查表 (19)一般模板支架、一般作业平台支架整架验收记录表 (20)高大作业平台支架安全要点检查表 (21)高大模板支架安全要点检查表 (22)高大模板支架、高大作业平台支架整架验收记录表 (23)前言本标准根据GB/T —2000《标准化工作导则第1部分:标准的结构和编写规则》进行编写。
本标准的附录A为规范性附录。
本标准由广西壮族自治区建设厅提出并归口管理,授权广西壮族自治区建设工程质量安全监督总站负责具体技术内容的解释。
本标准起草单位:广西壮族自治区建设工程质量安全监督总站。
危大工程验收表--适用版建筑工程深基坑工程土方开挖条件验收记录工程名称:R项目二期B标段建设单位:XXX施工单位:XXX监理单位:XXX设计单位:XXX勘察单位:XXX计划开工时间:待定验收项目:1.基坑支护、基底加固是否按设计及规范要求完成,强度是否达到设计要求。
2.降水井是否已完成且降水深度达到设计要求。
3.基坑周边建筑物、构造物、管线是否已得到保护。
4.基坑及周边环境监测点是否已按监测方案布置完成,是否符合设计及规范要求且取得初始值。
5.施工方案、安全技术和管线交底及各项应急工作的准备是否就绪。
6.法律、法规、规章制度规定的其他条件。
验收意见:经验收,发现以下问题:1.方案应有针对性的,应按方案实施。
2.积土、机具设备、临建设施等荷载与槽边距离大于设计规定。
3.基坑施工应设置有效的降排水和防止坑外的水流入基坑的措施,应有保护临近建筑物、管线、道路等措施,基坑应有护壁措施。
4.基坑支护应按照设计文件、监测方案和规范要求进行监测并做好记录,对临近建筑和重要管线、道路也应进行监测。
5.施工机械进场应经验收合格,司机操作应接受交底,持证上岗,机械作业应符合安全操作规程,开挖程序、分层开挖的深度应符合方案要求。
6.超过2m深的基坑四周要有二道防护栏杆,并自上而下用安全立网封闭。
验收结果:不符合开挖条件。
施工总承包单位:企业技术负责人或授权委派的专业技术人员:项目负责人:项目技术负责人:方案编制人员:项目专职安全员:其他相关人员:年月日勘察单位:项目技术负责人:年月日分包单位:企业技术负责人或授权委派的专业技术人员:项目负责人:项目技术负责人:方案编制人员:安全员:其他相关人员:年月日设计单位:项目技术负责人:年月日监理单位/监测单位:专业监理工程师:项目技术负责人:项目XXX工程师:年月日/年月日建设单位:专家论证组组长:项目负责人:年月日/年月日验收单位:项目名称:建设单位:施工单位:分包单位:序号项目验收时间验收部位验收要求验收结果1 支护、土方、降水、监测方案年月日设计单位符合开挖条件2 坑壁荷载年月日监理单位不符合开挖条件3 降排水措施年月日施工单位不符合开挖条件4 基坑支护及周边环境监测年月日监测单位不符合开挖条件5 土方开挖年月日施工单位不符合开挖条件经验收后,发现基坑开挖存在多项问题,不符合开挖条件。
ICS 93.010 P09备案号:26743-2010DB45建筑施工模板及作业平台 钢管支架构造安全技术规范Safety and technical standard for the structure of crutches with steel tubes of construction template and working platform广西壮族自治区质量技术监督局 发布目次前言 (III)引言 (IV)1 范围 (1)2 规范性引用文件 (1)3 术语、定义及符号 (1)3.1术语和定义 (1)3.2符号 (3)4 支架材质、支架支承与细部构造 (3)4.1支架材质 (3)4.2支架支承 (3)4.3细部构造 (3)5 扣件式钢管支架的构造 (9)5.1一般规定 (9)5.2一般作业平台支架和一般模板支架 (10)5.3 H≤40m的高大作业平台支架和高大模板支架 (12)5.4 H>40m的高大作业平台支架和高大模板支架 (14)6 其他形式钢管支架的构造及使用范围。
(15)6.1碗扣式钢管支架 (15)6.2门式钢管支架 (15)6.3插销式钢管支架 (16)7 安全管理程序 (16)7.1一般作业平台支架和一般模板支架的安全管理程序 (16)7.2高大作业平台支架和高大模板支架的安全管理程序 (16)附录 A (规范性附录)检查表与验收表 (18)A.1 一般作业平台支架安全要点检查表 (18)A.2 一般模板支架安全要点检查表 (20)A.3 一般模板支架、一般作业平台支架整架验收记录表 (21)A.4 高大作业平台支架安全要点检查表 (22)A.5 高大模板支架安全要点检查表 (23)A.6 高大模板支架、高大作业平台支架整架验收记录表 (23)前言本标准根据GB/T 1.1—2000《标准化工作导则第1部分:标准的结构和编写规则》进行编写。
本标准由广西壮族自治区建设厅提出并归口管理,授权广西壮族自治区建设工程质量安全监督总站负责具体技术内容的解释。
表A.6高大模板支架、高大作业平台支架整架验收记录表
类别:高大模板支架□高大作业平台支架□验收日期:年月日工程名称:金绿洲如意家园35#楼及地下车库验收部位:
验收内容实测项实测值 1 2 3 4 5 6 7 8 9 10 平均值方案值立杆
间距
横距
纵距
水平杆步高
每道纵向竖直剪刀撑间距
每道横向竖直剪刀撑间距
每道水平剪刀撑间距
危险区域加强措施加密抱柱:加密顶部水平剪刀撑:辅助装置:
外连装置设置情况抱柱:连板:连墙:连梁:
支承面为地面的处理情况支承面为楼面的支顶情况
扫地杆缺失情况扫地杆位置的水平剪刀撑水平杆缺
失情况
封顶杆缺失情况封顶杆位置的水平剪刀撑
扣件螺栓拧紧情况
截面高度1m及以上的梁的支
承情况
格构框架
体系设置
情况
禁止对接区内,水平杆的搭接情况
责任人验收意见架子班长签名:意见:合格( ) 不合格( ) 安全员签名:意见:合格( ) 不合格( ) 质检员签名:意见:合格( ) 不合格( ) 项目部技术负责人签名:意见:合格( ) 不合格( ) 公司技术部门人员签名:意见:合格( ) 不合格( ) 监理工程师签名:意见:合格( ) 不合格( )
方案编审人员意见方案编制人签名:意见:通过( ) 不通过( ) 方案审核人签名:意见:通过( ) 不通过( )
验收结论项目经理签名:结论:合格( ) 不合格( ) 项目总监理工程师签名:结论:合格( ) 不合格( )。