模板、支架和拱架安装检验批质量验收记录表
- 格式:docx
- 大小:24.98 KB
- 文档页数:2
模板、支架和拱架检验批质量验收记录
模版,支架和拱架检验质量验收记录表
【最新资料,WORD 文档,可编辑修改】
城市桥梁钢筋检验批质量验收记录
城市桥梁混凝土检验批质量验收记录
预应力混凝土检验批质量验收记录
城市桥梁砌体(石料)检验批质量验收记录
扩大基础(基坑开挖、地基检验)检验批质量验收记录
扩大基础(土方回填)检验批质量验收记录
扩大基础(现浇混凝土)检验批质量验收记录
扩大基础(砌体基础)检验批质量验收记录
沉入桩(预制桩)检验批质量验收记录
钢管桩制作检验批质量验收记录
沉桩质量检验批质量验收记录
混凝土灌注桩检验批质量验收记录
沉井基础(沉井制作)质量检验批质量验收记录
沉井基础(沉井浮运)检验批质量验收记录
沉井下沉检验批质量验收记录
封底填充混凝土检验批质量验收记录
地下连续墙检验批质量验收记录
现浇混凝土承台检验批质量验收记录
墩台砌体检验批质量验收记录
现浇混凝土墩台质量检验批质量验收记录
预制安装混凝土柱质量检验批质量验收记录。
模板、支架和拱架安装制作检验批质量验收记录(一)模板、支架和拱架安装制作检验批质量验收记录(一)市政质检·2·2-1第页,共页工程名称单位工程名称施工单位分包单位项目经理技术负责人施工工长分部工程名称地基与基础分项工程名称模板、支架和拱架安装制作验收部位2主要工程数量验收规范及图号CJJ2-2008施工与质量验收规范的规定施工单位检查记录监理单位验收记录主控项目1模板、支架和拱架制作及安装应符合施工设计图(施工方案)的规定,且稳固牢靠,接缝严密,立柱基础有足够的支撑面和排水、防冻融措施。
第5.4.1条符合规范要求符合要求施工与质量验收规范的规定不合格点的实测偏差值或实测值应测点数合格点数合格率(%)符合要求一般项目1允许偏差相邻两板表面高低差(mm)清水模板2333221986 混水模板4556353291 钢模板23311981 2 表面平整度(mm)清水模板344131184 混水模板5767191684 钢模板3444494693 3 垂直度(mm)墙、柱 H=H/1000,且不大于6 888191684 墩、台H/500,且不大于20 272823383592 塔柱H/3000,且不大于30 444333090 4模内尺寸基础±10131313403792墩、台 +5,-8777171482梁、板、墙、柱、桩、拱、+3,-64-84191684 5轴线偏位(mm)基础15221620504794墩、台、墙10121413413892梁、柱、拱、塔柱891010322990 悬浇各梁段8111110353291横隔梁57763936926 支承面高程(mm) +2,-53-7-61815837 悬浇各梁段底面高程(mm) +10,0121312322990平均合格率(%)88施工单位检查意见主控项目全部符合要求,一般项目满足规范要求,本检验符合要求。
监理单位验收结论同意验收。
· 1 ·项目名称×××工程搭设部位 搭设班组 操作人员 持证人数 专项方案编审 程序符合性×层墙柱×层梁板 高度 ×米×××木工班×人技术交底 情况进场前质量验收情况 材质、规格与方案的符合性使用前质量检查情况 外观质量检查情况跨度 ×m班组长证书符合性安全交底 情况符合要求 符合要求 符合要求 符合要求最大荷载 ×kn/m2×××符合要求已交底检查内容梁底板底步距立杆垂直度扣件拧紧立 杆 允许偏差+30mm+30mm+50mm ≤0.75%且≯60mm 40-65N ·M基 础 扫地杆设置 连墙件设置 立杆搭接方式 纵、横向水平杆设置垂直纵横向水平水平(高度>4 米) 其 他结论:符合要求施工单位 检查结论检查人员:×××方案要求×mm×mm×mm×mm×N ·M 硬化 满设 刚性 对接 满设 ×××××× ×××实际质量情况× × × × × × × × × ×× × × × × × × × × ×× × × × × × × × × ×× × × × × × × × × ×× × × × × × × × × ×符合要求 符合要求 符合要求 符合要求 符合要求 符合要求符合要求 符合要求符合性符合符合符合符合符合 符合 符合 符合 符合 符合 符合符合 符合检查日期:×年×月×日项目技术负责人:××× 项目负责人:×××监理单位验收结论 结论:符合要求专业监理工程师:×××检查日期:×年×月×日总监理工程师:×××已交底立 杆 间 距剪刀撑钢管扣件符合要求。
电缆支架安装工程检验批质量验收记录表GB50303—2002
电缆支架安装工程检验批质量验收记录表GB50303—2002
电缆支架安装工程检验批质量验收记录表GB50303—2002
电缆支架安装工程检验批质量验收记录表GB50303—2002
电缆支架安装工程检验批质量验收记录表GB50303—2002
电缆支架安装工程检验批质量验收记录表GB50303—2002
电缆支架安装工程检验批质量验收记录表GB50303—2002
电缆支架安装工程检验批质量验收记录表GB50303—2002
电缆支架安装工程检验批质量验收记录表GB50303—2002
电缆支架安装工程检验批质量验收记录表GB50303—2002
电缆支架安装工程检验批质量验收记录表GB50303—2002
电缆支架安装工程检验批质量验收记录表GB50303—2002
电缆支架安装工程检验批质量验收记录表GB50303—2002
电缆支架安装工程检验批质量验收记录表GB50303—2002
电缆支架安装工程检验批质量验收记录表GB50303—2002
电缆支架安装工程检验批质量验收记录表GB50303—2002
电缆支架安装工程检验批质量验收记录表GB50303—2002
电缆支架安装工程检验批质量验收记录表GB50303—2002
电缆支架安装工程检验批质量验收记录表GB50303—2002
电缆支架安装工程检验批质量验收记录表GB50303—2002
电缆支架安装工程检验批质量验收记录表GB50303—2002
电缆支架安装工程检验批质量验收记录表GB50303—2002
电缆支架安装工程检验批质量验收记录表GB50303—2002。
附表模板支架验收记录表项目名称泉州传化公路港一标段搭设部位消防水池顶板高度 6.1 跨度7.2 最大荷载24kN /m2 搭设班组架子工班组班组长黄真库操作人员持证人数4人证书符合性专项方案编制程序符合性已按要求通过报验审核技术交底情况符合要求安全交底情况符合要求钢管扣件进场前质量验收情况合格材质、规格与方案的符合性符合方案要求使用前质量检测情况合格外观质量检查情况符合要求检查内容允许偏差方案要求实际质量情况符合性立杆间距梁底+30㎜ 1.1×1.0 1.0×1.01.0×0.91.1×1.00.9×1.00.9×0.90.8×1.01.0×0.81.0×0.91.0×1.01.0×0.9符合要求板底+30㎜ 1.1×1.10.9×1.01.0×0.91.1×1.00.9×1.00.9×0.90.9×1.01.0×1.01.0×0.91.0×0.91.0×0.9符合要求步距+50㎜18001750 1780 1790 1795 1780 1775 1780 1795 1790 1760 符合要求立杆垂直度≤0.75%且≯60㎜规范要求0.75 0.65 0.68 0.70 0.72 0.67 0.70 0.72 0.65 0.66 符合要求扣件拧紧40-65N.m 规范要求45N.m46N.m50N.m55N.m64N.m63N.m63N.m46N.m48N.m56N.m符合要求立杆基础混凝土底板符合要求合格扫地杆设置/符合要求符合方案要求拉结点设置//合格立杆搭接方式无搭接整根钢管,无竖向连接符合要求纵、横向水平杆设置一道已按方案设置符合要求剪刀撑垂直纵、横向一间一组已按方案要求设置符合要求水平(高度>4m)/ / /其他施工单位检查结论结论:检查日期:年月日检查人员:项目技术负责人:项目经理:监理单位检查结论结论:检查日期:年月日专业监理工程师:附表模板支架验收记录表项目名称罗家村股份经济合作社商业综合用房(东陈国际广场)B标搭设部位2#楼屋面梁板2-1~2-8/2-F~2-A轴高度 5.25 跨度7.8 最大荷载24kN/m2搭设班组架子工班组班组长黄真库操作人员持证人数4人证书符合性专项方案编制程序符合性已按要求通过报验审核技术交底情况符合要求安全交底情况符合要求钢管扣件进场前质量验收情况合格材质、规格与方案的符合性符合方案要求使用前质量检测情况合格外观质量检查情况符合要求检查内容允许偏差方案要求实际质量情况符合性立杆间距梁底+30㎜ 1.1×1.0 1.0×1.01.0×0.91.1×1.00.9×1.00.9×0.90.8×1.01.0×0.81.0×0.91.0×1.01.0×0.9符合要求板底+30㎜ 1.1×1.10.9×1.01.0×0.91.1×1.00.9×1.00.9×0.90.9×1.01.0×1.01.0×0.91.0×0.91.0×0.9符合要求步距+50㎜18001760 1780 1790 1785 1780 1775 1780 1795 1795 1760 符合要求立杆垂直度≤0.75%且≯60㎜规范要求0.71 0.65 0.68 0.70 0.72 0.67 0.70 0.72 0.65 0.70 符合要求扣件拧紧40-65N.m 规范要求45N.m46N.m50N.m55N.m64N.m63N.m63N.m46N.m48N.m56N.m符合要求立杆基础混凝土底板符合要求合格扫地杆设置/符合要求符合方案要求拉结点设置//合格立杆搭接方式无搭接整根钢管,无竖向连接符合要求纵、横向水平杆设置一道已按方案设置符合要求剪刀撑垂直纵、横向一间一组已按方案要求设置符合要求水平(高度>4m)/ / /其他施工单位检查结论结论:检查日期:年月日检查人员:项目技术负责人:项目经理:监理单位检查结论结论:检查日期:年月日专业监理工程师:搭设班组架子工班组班组长黄真库操作人员持证人数4人证书符合性专项方案编制程序符合性已按要求通过报验审核技术交底情况符合要求安全交底情况符合要求钢管扣件进场前质量验收情况合格材质、规格与方案的符合性符合方案要求使用前质量检测情况合格外观质量检查情况符合要求检查内容允许偏差方案要求实际质量情况符合性立杆间距梁底+30㎜ 1.1×1.0 1.0×0.91.0×0.91.1×1.00.9×1.00.9×1.00.8×1.01.0×0.81.0×0.91.0×0.91.0×0.9符合要求板底+30㎜ 1.1×1.10.9×0.91.0×0.91.1×1.00.9×1.00.9×1.00.9×1.01.0×1.01.0×0.91.0×1.01.0×0.9符合要求步距+50㎜18001750 1780 1790 1795 1790 1775 1780 1780 1790 1760 符合要求立杆垂直度≤0.75%且≯60㎜规范要求0.75 0.65 0.74 0.70 0.72 0.67 0.69 0.72 0.65 0.66 符合要求扣件拧紧40-65N.m 规范要求45N.m46N.m50N.m55N.m64N.m63N.m63N.m46N.m48N.m56N.m符合要求立杆基础混凝土底板符合要求合格扫地杆设置/符合要求符合方案要求拉结点设置//合格立杆搭接方式无搭接整根钢管,无竖向连接符合要求纵、横向水平杆设置一道已按方案设置符合要求剪刀撑垂直纵、横向一间一组已按方案要求设置符合要求水平(高度>4m)/ / /其他施工单位检查结论结论:检查日期:年月日检查人员:项目技术负责人:项目经理:监理单位检查结论结论:检查日期:年月日专业监理工程师:搭设班组架子工班组班组长黄真库操作人员持证人数4人证书符合性专项方案编制程序符合性已按要求通过报验审核技术交底情况符合要求安全交底情况符合要求钢管扣件进场前质量验收情况合格材质、规格与方案的符合性符合方案要求使用前质量检测情况合格外观质量检查情况符合要求检查内容允许偏差方案要求实际质量情况符合性立杆间距梁底+30㎜ 1.1×1.0 1.0×0.91.0×0.91.1×1.00.9×1.00.9×0.90.8×1.01.0×0.81.0×0.91.0×0.91.0×0.9符合要求板底+30㎜ 1.1×1.10.9×0.91.0×0.91.1×1.00.9×0.90.9×1.00.9×0.91.0×1.01.0×0.91.0×1.01.0×0.9符合要求步距+50㎜18001750 1780 1790 1795 1790 1775 1780 1780 1790 1760 符合要求立杆垂直度≤0.75%且≯60㎜规范要求0.74 0.67 0.75 0.70 0.72 0.67 0.69 0.72 0.65 0.71 符合要求扣件拧紧40-65N.m 规范要求45N.m46N.m55N.m55N.m64N.m63N.m64N.m46N.m48N.m56N.m符合要求立杆基础混凝土底板符合要求合格扫地杆设置/符合要求符合方案要求拉结点设置//合格立杆搭接方式无搭接整根钢管,无竖向连接符合要求纵、横向水平杆设置一道已按方案设置符合要求剪刀撑垂直纵、横向一间一组已按方案要求设置符合要求水平(高度>4m)/ / /其他施工单位检查结论结论:检查日期:年月日检查人员:项目技术负责人:项目经理:监理单位检查结论结论:检查日期:年月日专业监理工程师:搭设班组架子工班组班组长黄真库操作人员持证人数4人证书符合性专项方案编制程序符合性已按要求通过报验审核技术交底情况符合要求安全交底情况符合要求钢管扣件进场前质量验收情况合格材质、规格与方案的符合性符合方案要求使用前质量检测情况合格外观质量检查情况符合要求检查内容允许偏差方案要求实际质量情况符合性立杆间距梁底+30㎜ 1.1×1.0 1.0×1.01.0×0.91.1×1.00.9×1.00.9×0.90.8×1.01.0×0.81.0×0.91.0×1.01.0×0.9符合要求板底+30㎜ 1.1×1.10.9×1.01.0×0.91.1×1.00.9×1.00.9×0.90.9×1.01.0×1.01.0×0.91.0×0.91.0×0.9符合要求步距+50㎜18001750 1780 1790 1795 1780 1775 1780 1795 1790 1760 符合要求立杆垂直度≤0.75%且≯60㎜规范要求0.70 0.65 0.68 0.74 0.72 0.67 0.70 0.72 0.69 0.66 符合要求扣件拧紧40-65N.m 规范要求45N.m46N.m50N.m55N.m64N.m63N.m63N.m46N.m48N.m56N.m符合要求立杆基础混凝土底板符合要求合格扫地杆设置/符合要求符合方案要求拉结点设置//合格立杆搭接方式无搭接整根钢管,无竖向连接符合要求纵、横向水平杆设置一道已按方案设置符合要求剪刀撑垂直纵、横向一间一组已按方案要求设置符合要求水平(高度>4m)/ / /其他施工单位检查结论结论:检查日期:年月日检查人员:项目技术负责人:项目经理:监理单位检查结论结论:检查日期:年月日专业监理工程师:总监理工程师:附表模板支架验收记录表项目名称罗家村股份经济合作社商业综合用房(东陈国际广场)B标搭设部位3#楼屋面梁板3-1~3-4/3-1/0A~3-D轴高度 5.1 跨度8.4 最大荷载24kN/m2搭设班组架子工班组班组长黄真库操作人员持证人数4人证书符合性专项方案编制程序符合性已按要求通过报验审核技术交底情况符合要求安全交底情况符合要求钢管扣件进场前质量验收情况合格材质、规格与方案的符合性符合方案要求使用前质量检测情况合格外观质量检查情况符合要求检查内容允许偏差方案要求实际质量情况符合性立杆间距梁底+30㎜ 1.1×1.0 1.0×1.01.0×0.91.1×1.00.9×1.00.9×0.90.8×1.01.0×0.81.0×0.91.0×1.01.0×0.9符合要求板底+30㎜ 1.1×1.10.9×1.01.0×0.91.1×1.00.9×1.00.9×0.90.9×1.01.0×1.01.0×0.91.0×0.91.0×0.9符合要求步距+50㎜18001750 1780 1790 1795 1780 1775 1780 1795 1790 1760 符合要求立杆垂直度≤0.75%且≯60㎜规范要求0.75 0.67 0.68 0.70 0.72 0.67 0.70 0.72 0.75 0.66 符合要求扣件拧紧40-65N.m 规范要求45N.m46N.m50N.m55N.m64N.m63N.m63N.m46N.m48N.m56N.m符合要求立杆基础混凝土底板符合要求合格扫地杆设置/符合要求符合方案要求拉结点设置//合格立杆搭接方式无搭接整根钢管,无竖向连接符合要求纵、横向水平杆设置一道已按方案设置符合要求剪刀撑垂直纵、横向一间一组已按方案要求设置符合要求水平(高度>4m)/ / /其他施工单位检查结论结论:检查日期:年月日检查人员:项目技术负责人:项目经理:监理单位检查结论结论:检查日期:年月日专业监理工程师:附表模板支架验收记录表项目名称罗家村股份经济合作社商业综合用房(东陈国际广场)B标搭设部位3#楼十七层梁板3-1~3-4/3-1/0A~3-D轴高度 3.6 跨度8.4 最大荷载24kN/m2搭设班组架子工班组班组长黄真库操作人员持证人数8人证书符合性专项方案编制程序符合性已按要求通过报验审核技术交底情况符合要求安全交底情况符合要求钢管扣件进场前质量验收情况合格材质、规格与方案的符合性符合方案要求使用前质量检测情况合格外观质量检查情况符合要求检查内容允许偏差方案要求实际质量情况符合性立杆间距梁底+30㎜ 1.1×1.0 1.0×1.01.0×0.91.1×1.00.9×1.00.9×0.90.8×1.01.0×1.01.0×0.91.0×0.91.0×0.9符合要求板底+30㎜ 1.1×1.10.9×0.91.0×0.91.1×1.00.9×1.00.9×0.90.9×0.91.0×1.01.0×0.91.0×1.01.0×0.9符合要求步距+50㎜18001750 1780 1790 1795 1790 1775 1780 1780 1790 1760 符合要求立杆垂直度≤0.75%且≯60㎜规范要求0.74 0.67 0.75 0.70 0.72 0.67 0.69 0.72 0.65 0.71 符合要求扣件拧紧40-65N.m 规范要求45N.m44N.m55N.m55N.m64N.m59N.m64N.m46N.m48N.m56N.m符合要求立杆基础混凝土底板符合要求合格扫地杆设置/符合要求符合方案要求拉结点设置//合格立杆搭接方式无搭接整根钢管,无竖向连接符合要求纵、横向水平杆设置一道已按方案设置符合要求剪刀撑垂直纵、横向一间一组已按方案要求设置符合要求水平(高度>4m)/ / /其他施工单位检查结论结论:检查日期:年月日检查人员:项目技术负责人:项目经理:监理单位检查结论结论:检查日期:年月日专业监理工程师:附表模板支架验收记录表项目名称罗家村股份经济合作社商业综合用房(东陈国际广场)B标搭设部位10#楼二层梁板高度 4.75 跨度 2.8 最大荷载24kN/m2 搭设班组架子工班组班组长黄真库操作人员持证人数8人证书符合性专项方案编制程序符合性已按要求通过报验审核技术交底情况符合要求安全交底情况符合要求钢管扣件进场前质量验收情况合格材质、规格与方案的符合性符合方案要求使用前质量检测情况合格外观质量检查情况符合要求检查内容允许偏差方案要求实际质量情况符合性立杆间距梁底+30㎜ 1.1×1.0 1.0×0.91.0×1.01.1×0.90.9×1.00.9×0.90.8×1.01.0×1.01.0×0.91.0×1.01.0×0.9符合要求板底+30㎜ 1.1×1.1 1.0×0.91.0×0.91.1×1.01.0×1.00.9×0.90.9×1.01.0×1.01.0×0.91.0×1.01.0×0.9符合要求步距+50㎜18001750 1780 1780 1795 1790 1775 1780 1780 1790 1760 符合要求立杆垂直度≤0.75%且≯60㎜规范要求0.74 0.67 0.75 0.70 0.72 0.67 0.69 0.69 0.65 0.71 符合要求扣件拧紧40-65N.m 规范要求45N.m48N.m55N.m55N.m64N.m59N.m64N.m45N.m48N.m56N.m符合要求立杆基础混凝土底板符合要求合格扫地杆设置/符合要求符合方案要求拉结点设置//合格立杆搭接方式无搭接整根钢管,无竖向连接符合要求纵、横向水平杆设置一道已按方案设置符合要求剪刀撑垂直纵、横向一间一组已按方案要求设置符合要求水平(高度>4m)/ / /其他施工单位检查结论结论:检查日期:年月日检查人员:项目技术负责人:项目经理:监理单位检查结论结论:检查日期:年月日专业监理工程师:附表模板支架验收记录表项目名称罗家村股份经济合作社商业综合用房(东陈国际广场)B标搭设部位地下室第九、十一区块高度3.6 跨度7.8 最大荷载24kN/m2搭设班组架子工班组班组长黄真库操作人员持证人数8人证书符合性专项方案编制程序符合性已按要求通过报验审核技术交底情况符合要求安全交底情况符合要求钢管扣件进场前质量验收情况合格材质、规格与方案的符合性符合方案要求使用前质量检测情况合格外观质量检查情况符合要求检查内容允许偏差方案要求实际质量情况符合性立杆间距梁底+30㎜ 1.1×1.00.9×0.91.0×1.01.0×0.90.9×1.00.9×0.90.8×1.00.9×1.01.0×0.91.0×1.01.0×0.9符合要求板底+30㎜ 1.1×1.1 1.0×0.91.0×1.01.1×1.01.0×1.00.9×0.90.9×0.91.0×1.01.0×0.91.0×0.91.0×0.9符合要求步距+50㎜18001750 1780 1780 1790 1790 1775 1780 1780 1790 1760 符合要求立杆垂直度≤0.75%且≯60㎜规范要求0.74 0.67 0.75 0.70 0.72 0.70 0.69 0.69 0.65 0.69 符合要求扣件拧紧40-65N.m 规范要求45N.m48N.m55N.m45N.m64N.m59N.m64N.m45N.m48N.m56N.m符合要求立杆基础混凝土底板符合要求合格扫地杆设置/符合要求符合方案要求拉结点设置//合格立杆搭接方式无搭接整根钢管,无竖向连接符合要求纵、横向水平杆设置一道已按方案设置符合要求剪刀撑垂直纵、横向一间一组已按方案要求设置符合要求水平(高度>4m)/ / /其他施工单位检查结论结论:检查日期:年月日检查人员:项目技术负责人:项目经理:监理单位检查结论结论:检查日期:年月日专业监理工程师:附表模板支架验收记录表项目名称罗家村股份经济合作社商业综合用房(东陈国际广场)B标搭设部位2#楼2-H~2-A/2-1~2-8轴三层梁板高度 3.6 跨度7.8 最大荷载24kN/m2搭设班组架子工班组班组长姜世国操作人员持证人数8人证书符合性专项方案编制程序符合性已按要求通过报验审核技术交底情况符合要求安全交底情况符合要求钢管扣件进场前质量验收情况合格材质、规格与方案的符合性符合方案要求使用前质量检测情况合格外观质量检查情况符合要求检查内容允许偏差方案要求实际质量情况符合性立杆间距梁底+30㎜ 1.1×1.00.9×0.91.0×0.91.0×0.90.9×1.00.9×0.90.8×1.00.9×1.01.0×0.91.0×1.00.9×0.9符合要求板底+30㎜ 1.1×1.1 1.0×0.91.0×1.00.9×1.01.0×1.00.9×1.00.9×0.91.0×1.01.0×0.91.0×0.91.0×1.0符合要求步距+50㎜18001750 1780 1780 1790 1790 1775 1780 1780 1790 1760 符合要求立杆垂直度≤0.75%且≯60㎜规范要求0.74 0.67 0.75 0.70 0.72 0.70 0.69 0.69 0.65 0.69 符合要求扣件拧紧40-65N.m 规范要求45N.m49N.m55N.m45N.m59N.m59N.m64N.m45N.m50N.m56N.m符合要求立杆基础混凝土底板符合要求合格扫地杆设置/符合要求符合方案要求拉结点设置//合格立杆搭接方式无搭接整根钢管,无竖向连接符合要求纵、横向水平杆设置一道已按方案设置符合要求剪刀撑垂直纵、横向一间一组已按方案要求设置符合要求水平(高度>4m)/ / /其他施工单位检查结论结论:检查日期:年月日检查人员:项目技术负责人:项目经理:监理单位检查结论结论:检查日期:年月日专业监理工程师:总监理工程师:附表模板支架验收记录表项目名称罗家村股份经济合作社商业综合用房(东陈国际广场)B标搭设部位2#楼2-H~高度 3.6 跨度7.8 最大荷载24kN/m22-A/2-1~2-8轴三层梁板搭设班组架子工班组班组长黄真库操作人员持证人数8人证书符合性专项方案编制程序符合性已按要求通过报验审核技术交底情况符合要求安全交底情况符合要求钢管扣件进场前质量验收情况合格材质、规格与方案的符合性符合方案要求使用前质量检测情况合格外观质量检查情况符合要求检查内容允许偏差方案要求实际质量情况符合性立杆间距梁底+30㎜ 1.1×1.0 1.0×0.91.0×0.91.0×0.90.9×1.00.9×0.91.0×1.00.9×1.01.0×0.91.0×0.90.9×0.9符合要求板底+30㎜ 1.1×1.1 1.0×0.91.0×0.90.9×1.01.0×1.00.9×1.00.9×1.01.0×1.01.0×0.91.0×0.91.0×1.0符合要求步距+50㎜18001790 1780 1780 1790 1790 1775 1780 1750 1790 1760 符合要求立杆垂直度≤0.75%且≯60㎜规范要求0.74 0.67 0.75 0.70 0.72 0.74 0.69 0.69 0.65 0.69 符合要求扣件拧紧40-65N.m 规范要求45N.m54N.m55N.m45N.m59N.m59N.m63N.m45N.m50N.m56N.m符合要求立杆基础混凝土底板符合要求合格扫地杆设置/符合要求符合方案要求拉结点设置//合格立杆搭接方式无搭接整根钢管,无竖向连接符合要求纵、横向水平杆设置一道已按方案设置符合要求剪刀撑垂直纵、横向一间一组已按方案要求设置符合要求水平(高度>4m)/ / /其他施工单位检查结论结论:检查日期:年月日检查人员:项目技术负责人:项目经理:监理单位检查结论结论:检查日期:年月日专业监理工程师:附表模板支架验收记录表项目名称罗家村股份经济合作社商业综合用房(东陈国际广场)B标搭设部位3-1~3-4/3-1/0A~3-D轴二层梁板高度 3.6 跨度7.8 最大荷载24kN/m2搭设班组架子工班组班组长黄真库操作人员持证人数4人证书符合性专项方案编制程序符合性已按要求通过报验审核技术交底情况符合要求安全交底情况符合要求钢管扣件进场前质量验收情况合格材质、规格与方案的符合性符合方案要求使用前质量检测情况合格外观质量检查情况符合要求检查内容允许偏差方案要求实际质量情况符合性立杆间距梁底+30㎜ 1.1×1.0 1.0×0.91.0×1.01.0×0.90.9×1.00.9×0.91.0×1.00.9×1.01.0×0.91.0×0.90.9×0.9符合要求板底+30㎜ 1.1×1.1 1.0×0.91.0×0.90.9×1.01.0×0.90.9×1.00.9×1.01.0×1.01.0×0.91.0×0.91.0×1.0符合要求步距+50㎜18001770 1780 1780 1790 1790 1775 1780 1750 1790 1760 符合要求立杆垂直度≤0.75%且≯60㎜规范要求0.74 0.67 0.75 0.70 0.72 0.74 0.69 0.69 0.65 0.69 符合要求扣件拧紧40-65N.m 规范要求45N.m54N.m55N.m45N.m59N.m59N.m55N.m45N.m50N.m56N.m符合要求立杆基础混凝土底板符合要求合格扫地杆设置/符合要求符合方案要求拉结点设置//合格立杆搭接方式无搭接整根钢管,无竖向连接符合要求纵、横向水平杆设置一道已按方案设置符合要求剪刀撑垂直纵、横向一间一组已按方案要求设置符合要求水平(高度>4m)/ / /其他施工单位检查结论结论:检查日期:年月日检查人员:项目技术负责人:项目经理:监理单位检查结论结论:检查日期:年月日专业监理工程师:附表模板支架验收记录表项目名称罗家村股份经济合作社商业综合用房(东陈国际广场)B标搭设部位10#楼二层梁板高度 3.6 跨度7.8 最大荷载24kN/m2 搭设班组架子工班组班组长姜世国操作人员持证人数8人证书符合性专项方案编制程序符合性已按要求通过报验审核技术交底情况符合要求安全交底情况符合要求钢管扣件进场前质量验收情况合格材质、规格与方案的符合性符合方案要求使用前质量检测情况合格外观质量检查情况符合要求检查内容允许偏差方案要求实际质量情况符合性立杆间距梁底+30㎜ 1.1×1.0 1.0×0.91.0×1.01.0×0.90.9×1.00.9×0.91.0×1.00.9×0.91.0×0.91.0×0.90.9×0.9符合要求板底+30㎜ 1.1×1.1 1.0×0.91.0×0.90.9×1.01.0×0.90.9×1.00.9×1.01.0×1.01.0×0.91.0×0.91.0×1.0符合要求步距+50㎜18001770 1780 1750 1790 1790 1775 1780 1750 1790 1760 符合要求立杆垂直度≤0.75%且≯60㎜规范要求0.74 0.67 0.75 0.71 0.72 0.74 0.69 0.69 0.65 0.69 符合要求扣件拧紧40-65N.m 规范要求45N.m54N.m55N.m45N.m59N.m59N.m55N.m45N.m50N.m56N.m符合要求立杆基础混凝土底板符合要求合格扫地杆设置/符合要求符合方案要求拉结点设置//合格立杆搭接方式无搭接整根钢管,无竖向连接符合要求纵、横向水平杆设置一道已按方案设置符合要求剪刀撑垂直纵、横向一间一组已按方案要求设置符合要求水平(高度>4m)/ / /其他施工单位检查结论结论:检查日期:年月日检查人员:项目技术负责人:项目经理:监理单位检查结论结论:检查日期:年月日专业监理工程师:附表模板支架验收记录表项目名称商住楼D1#-D5#,D7#-D9#,商住楼G1#-G3#高层,地下车库B1、B2、B4工程搭设部位G1#楼十七层柱高度 2.9 跨度 3.6 最大荷载194N/mm2 搭设班组架子工班组班组长姜世国操作人员持证人数8人证书符合性专项方案编制程序符合性已按要求通过报验审核技术交底情况符合要求安全交底情况符合要求钢管扣件进场前质量验收情况合格材质、规格与方案的符合性符合方案要求使用前质量检测情况合格外观质量检查情况符合要求检查内容允许偏差方案要求实际质量情况符合性立杆间距梁底+30㎜ 1.1×1.0 1.0×1.01.0×1.01.0×0.90.9×1.00.9×0.91.0×0.90.9×0.91.0×0.91.0×0.90.9×0.9符合要求板底+30㎜ 1.1×1.1 1.0×0.91.0×0.90.9×1.01.0×1.00.9×1.00.9×1.01.0×0.91.0×0.91.0×0.91.0×1.0符合要求步距+50㎜18001770 1780 1750 1790 1790 1775 1770 1750 1790 1760 符合要求立杆垂直度≤0.75%且≯60㎜规范要求0.74 0.67 0.75 0.73 0.72 0.74 0.70 0.69 0.65 0.69 符合要求扣件拧紧40-65N.m 规范要求45N.m54N.m55N.m45N.m59N.m59N.m55N.m45N.m50N.m56N.m符合要求立杆基础混凝土底板符合要求合格扫地杆设置/符合要求符合方案要求拉结点设置//合格立杆搭接方式无搭接整根钢管,无竖向连接符合要求纵、横向水平杆设置一道已按方案设置符合要求剪刀撑垂直纵、横向一间一组已按方案要求设置符合要求水平(高度>4m)/ / /其他施工单位检查结论结论:检查日期:年月日检查人员:项目技术负责人:项目经理:监理单位检查结论结论:检查日期:年月日专业监理工程师:总监理工程师:附表模板支架验收记录表项目名称商住楼D1#-D5#,D7#-D9#,商住楼G1#-G3#高层,地下车库B1、B2、B4工程搭设部位D8一层柱高度 2.9 跨度 3.6 最大荷载194N/mm2 搭设班组架子工班组班组长姜世国操作人员持证人数8人证书符合性专项方案编制程序符合性已按要求通过报验审核技术交底情况符合要求安全交底情况符合要求钢管扣件进场前质量验收情况合格材质、规格与方案的符合性符合方案要求使用前质量检测情况合格外观质量检查情况符合要求检查内容允许偏差方案要求实际质量情况符合性立杆间距梁底+30㎜ 1.1×1.0 1.0×1.01.0×0.91.0×0.90.9×1.00.9×0.91.0×0.90.9×0.91.0×1.01.0×0.90.9×0.9符合要求板底+30㎜ 1.1×1.1 1.0×0.91.0×0.90.9×1.01.0×1.00.9×1.00.9×1.00.9×1.01.0×0.91.0×0.91.0×1.0符合要求步距+50㎜18001770 1780 1750 1780 1790 1775 1770 1750 1790 1760 符合要求立杆垂直度≤0.75%且≯60㎜规范要求0.74 0.67 0.75 0.73 0.72 0.74 0.71 0.69 0.65 0.69 符合要求扣件拧紧40-65N.m 规范要求45N.m54N.m55N.m44N.m59N.m59N.m55N.m46N.m50N.m56N.m符合要求立杆基础混凝土底板符合要求合格扫地杆设置/符合要求符合方案要求拉结点设置//合格立杆搭接方式无搭接整根钢管,无竖向连接符合要求纵、横向水平杆设置一道已按方案设置符合要求剪刀撑垂直纵、横向一间一组已按方案要求设置符合要求水平(高度>4m)/ / /其他施工单位检查结论结论:检查日期:年月日检查人员:项目技术负责人:项目经理:监理单位检查结论结论:检查日期:年月日专业监理工程师:总监理工程师:附表模板支架验收记录表项目名称商住楼D1#-D5#,D7#-D9#,商住楼G1#-G3#高层,地下车库B1、B2、B4工程搭设部位G2#楼十层柱高度 2.9 跨度 3.6 最大荷载194N/mm2 搭设班组架子工班组班组长姜世国操作人员持证人数8人证书符合性专项方案编制程序符合性已按要求通过报验审核技术交底情况符合要求安全交底情况符合要求钢管扣件进场前质量验收情况合格材质、规格与方案的符合性符合方案要求使用前质量检测情况合格外观质量检查情况符合要求检查内容允许偏差方案要求实际质量情况符合性立杆间距梁底+30㎜ 1.1×1.0 1.0×0.91.0×0.91.0×0.90.9×1.00.9×0.91.0×0.90.9×0.91.0×1.01.0×0.90.9×0.9符合要求板底+30㎜ 1.1×1.1 1.0×0.91.0×0.90.9×1.01.0×1.00.9×1.00.9×1.00.9×1.01.0×1.01.0×0.91.0×1.0符合要求步距+50㎜18001770 1780 1750 1780 1790 1775 1750 1750 1790 1760 符合要求立杆垂直度≤0.75%且≯60㎜规范要求0.74 0.67 0.75 0.73 0.72 0.74 0.71 0.69 0.65 0.69 符合要求扣件拧紧40-65N.m 规范要求45N.m54N.m55N.m44N.m48N.m59N.m55N.m46N.m50N.m56N.m符合要求立杆基础混凝土底板符合要求合格扫地杆设置/符合要求符合方案要求拉结点设置//合格立杆搭接方式无搭接整根钢管,无竖向连接符合要求纵、横向水平杆设置一道已按方案设置符合要求剪刀撑垂直纵、横向一间一组已按方案要求设置符合要求水平(高度>4m)/ / /其他施工单位检查结论结论:检查日期:年月日检查人员:项目技术负责人:项目经理:监理单位检查结论结论:检查日期:年月日专业监理工程师:总监理工程师:附表模板支架验收记录表项目名称商住楼D1#-D5#,D7#-D9#,商住楼G1#-G3#高层,地下车库B1、B2、B4工程搭设部位G2#楼十一层柱高度 2.9 跨度 3.6 最大荷载194N/mm2 搭设班组架子工班组班组长姜世国操作人员持证人数8人证书符合性专项方案编制程序符合性已按要求通过报验审核技术交底情况符合要求安全交底情况符合要求钢管扣件进场前质量验收情况合格材质、规格与方案的符合性符合方案要求使用前质量检测情况合格外观质量检查情况符合要求检查内容允许偏差方案要求实际质量情况符合性立杆间距梁底+30㎜ 1.1×1.0 1.0×0.91.0×0.91.0×0.90.9×1.00.9×0.91.0×0.90.9×0.91.0×1.01.0×0.90.9×0.9符合要求板底+30㎜ 1.1×1.1 1.0×0.91.0×0.90.9×1.01.0×1.00.9×1.00.9×1.00.9×1.01.0×1.01.0×0.91.0×1.0符合要求步距+50㎜18001770 1780 1750 1780 1790 1775 1750 1750 1790 1760 符合要求立杆垂直度≤0.75%且≯60㎜规范要求0.74 0.67 0.75 0.73 0.72 0.74 0.71 0.69 0.65 0.69 符合要求扣件拧紧40-65N.m 规范要求45N.m54N.m55N.m44N.m48N.m59N.m55N.m46N.m50N.m56N.m符合要求立杆基础混凝土底板符合要求合格扫地杆设置/符合要求符合方案要求拉结点设置//合格立杆搭接方式无搭接整根钢管,无竖向连接符合要求纵、横向水平杆设置一道已按方案设置符合要求剪刀撑垂直纵、横向一间一组已按方案要求设置符合要求水平(高度>4m)/ / /其他施工单位检查结论结论:检查日期:年月日检查人员:项目技术负责人:项目经理:监理单位检查结论结论:检查日期:年月日专业监理工程师:总监理工程师:附表模板支架验收记录表项目名称商住楼D1#-D5#,D7#-D9#,商住楼G1#-G3#高层,地下车库B1、B2、B4工程搭设部位G1#楼十八层柱高度 2.9 跨度 3.6 最大荷载194N/mm2 搭设班组架子工班组班组长姜世国操作人员持证人数8人证书符合性专项方案编制程序符合性已按要求通过报验审核技术交底情况符合要求安全交底情况符合要求钢管扣件进场前质量验收情况合格材质、规格与方案的符合性符合方案要求使用前质量检测情况合格外观质量检查情况符合要求检查内容允许偏差方案要求实际质量情况符合性立杆间距梁底+30㎜ 1.1×1.0 1.0×0.91.0×0.91.0×0.90.9×1.00.9×0.91.0×0.90.9×0.91.0×1.01.0×0.90.9×0.9符合要求板底+30㎜ 1.1×1.1 1.0×0.91.0×0.90.9×1.01.0×1.00.9×1.00.9×1.00.9×1.01.0×0.91.0×0.91.0×1.0符合要求步距+50㎜18001770 1780 1750 1780 1790 1775 1750 1760 1790 1760 符合要求立杆垂直度≤0.75%且≯60㎜规范要求0.74 0.67 0.75 0.73 0.72 0.74 0.71 0.69 0.65 0.69 符合要求扣件拧紧40-65N.m 规范要求55N.m45N.m55N.m44N.m48N.m59N.m56N.m46N.m50N.m56N.m符合要求。
模板支架验收记录表(注:模板支架高度大于等于7m但小于8m的,验收后须报区安监站备案方可浇筑砼,模板支架高度大于模板支架验收记录表(注:模板支架高度大于等于7m但小于8m的,验收后须报区安监站备案方可浇筑砼,模板支架高度大于模板支架验收记录表(注:模板支架高度大于等于7m但小于8m的,验收后须报区安监站备案方可浇筑砼,模板支架高度大于模板支架验收记录表(注:模板支架高度大于等于7m但小于8m的,验收后须报区安监站备案方可浇筑砼,模板支架高度大于等于8m的,必须编制高大支模架专项施工方案且经专家论证,验收合格报区安监站备案后方可浇筑砼。
)模板支架验收记录表(注:模板支架高度大于等于7m但小于8m的,验收后须报区安监站备案方可浇筑砼,模板支架高度大于等于8m的,必须编制高大支模架专项施工方案且经专家论证,验收合格报区安监站备案后方可浇筑砼。
)模板支架验收记录表(注:模板支架高度大于等于7m但小于8m的,验收后须报区安监站备案方可浇筑砼,模板支架高度大于等于8m的,必须编制高大支模架专项施工方案且经专家论证,验收合格报区安监站备案后方可浇筑砼。
)模板支架验收记录表(注:模板支架高度大于等于7m但小于8m的,验收后须报区安监站备案方可浇筑砼,模板支架高度大于等于8m的,必须编制高大支模架专项施工方案且经专家论证,验收合格报区安监站备案后方可浇筑砼。
)模板支架验收记录表(注:模板支架高度大于等于7m但小于8m的,验收后须报区安监站备案方可浇筑砼,模板支架高度大于等于8m的,必须编制高大支模架专项施工方案且经专家论证,验收合格报区安监站备案后方可浇筑砼。
)模板支架验收记录表(注:模板支架高度大于等于7m但小于8m的,验收后须报区安监站备案方可浇筑砼,模板支架高度大于等于8m的,必须编制高大支模架专项施工方案且经专家论证,验收合格报区安监站备案后方可浇筑砼。
)模板支架验收记录表(注:模板支架高度大于等于7m但小于8m的,验收后须报区安监站备案方可浇筑砼,模板支架高度大于等于8m的,必须编制高大支模架专项施工方案且经专家论证,验收合格报区安监站备案后方可浇筑砼。
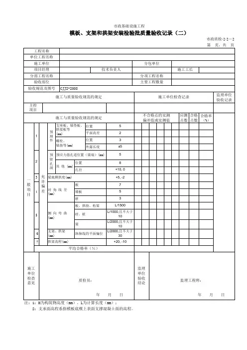
模板、支架和拱架安装检验批质量验收记录表编号:__________ 单位(子单位)工程名称濮阳市五一路跨马颊河桥梁工程分部(子分部)工程名称基础立柱验收部位1-1# 立柱施工单位濮阳市中信建设工程有限公司项目经理分包单位分包项目经理施工执行标准名称及编号Cjj2 -2008城市桥梁工程与质量验收规范施工质量验收规范的规定施工单位检查评定记录监理(建设)单位验收记录主控项目1 模板、支架和拱架安装要求符合施工图的规定,且稳固牢靠,接缝严密2 立柱基础有足够的支撑面和排水、防冻融措施基础有足够的支撑面和排水、防冻融措施一般项目1相邻两板表面高低差/mm清水模板 2混水模板 4钢模板 2 1 2 1 1 2 表面平整度/mm清水模板 3混水模板 5钢模板 3 3 2 3 3 3垂直度/mm墙、柱H/1000,且不大于6 5 3墩、台H/500,且不大于20塔柱H/3000,且不大于304模内尺寸/mm基础±10墩、台+5,-8梁、板、墙、柱、桩、拱+3,-6 +2 -5 +35轴线偏位/mm基础15墩、台、墙10梁、柱、拱、塔柱8 2 4悬浇各梁段8横隔梁 56 支承面高程/mm +2,-5 -17 悬浇各梁段底面高程/mm +10,08预埋件/mm支座板、锚垫板、连接板等位置 5 3平面高差 2 1螺栓、锚筋等位置 3外露长度±59预留孔洞/mm预应力筋孔道位置(梁端) 5其他位置8孔径+10,010 梁底模拱度/mm +5,-2 211对角线差/mm板7墙板5桩3 312侧向弯曲/mm板、拱肋、桁架L/1500柱、桩L/1000,且不大于10 5梁L/2000,且小大于1013 支架、拱架/mm纵轴线的平面偏位L/2000 ,且不大于30 9 10 814 拱架高程/mm +20,-1015 预埋件、预留孔内模固定无遗漏且安装牢固施工单位检查评定结果专业工长(施工员)施工班组长项目专业质量检查员:年月日监理(建设)单位验收结论专业监理工程师:(建设单位项目专业技术负责人):年月日模板、支架和拱架安装检验批质量验收记录表编号:__________ 单位(子单位)工程名称濮阳市五一路跨马颊河桥梁工程分部(子分部)工程名称基础立柱验收部位1-2# 立柱施工单位濮阳市中信建设工程有限公司项目经理分包单位分包项目经理施工执行标准名称及编号Cjj2 -2008城市桥梁工程与质量验收规范施工质量验收规范的规定施工单位检查评定记录监理(建设)单位验收记录主控项目1 模板、支架和拱架安装要求符合施工图的规定,且稳固牢靠,接缝严密2 立柱基础有足够的支撑面和排水、防冻融措施基础有足够的支撑面和排水、防冻融措施一般项目1相邻两板表面高低差/mm清水模板 2混水模板 4钢模板 2 1 2 1 1 2 表面平整度/mm清水模板 3混水模板 5钢模板 3 2 2 3 2 3垂直度/mm墙、柱H/1000,且不大于6 4 5墩、台H/500,且不大于20塔柱H/3000,且不大于304模内尺寸/mm基础±10墩、台+5,-8梁、板、墙、柱、桩、拱+3,-6 +1 -5 +35轴线偏位/mm基础15墩、台、墙10梁、柱、拱、塔柱8 7 3悬浇各梁段8横隔梁 56 支承面高程/mm +2,-5 -27 悬浇各梁段底面高程/mm +10,08预埋件/mm支座板、锚垫板、连接板等位置 5平面高差 2螺栓、锚筋等位置 3外露长度±5 -39预留孔洞/mm预应力筋孔道位置(梁端) 5其他位置8孔径+10,010 梁底模拱度/mm +5,-2 211对角线差/mm板7墙板5桩3 312侧向弯曲/mm板、拱肋、桁架L/1500柱、桩L/1000,且不大于10 5梁L/2000,且小大于1013 支架、拱架/mm纵轴线的平面偏位L/2000 ,且不大于30 9 10 814 拱架高程/mm +20,-1015 预埋件、预留孔内模固定无遗漏且安装牢固施工单位检查评定结果专业工长(施工员)施工班组长项目专业质量检查员:年月日监理(建设)单位验收结论专业监理工程师:(建设单位项目专业技术负责人):年月日模板、支架和拱架安装检验批质量验收记录表编号:__________ 单位(子单位)工程名称濮阳市五一路跨马颊河桥梁工程分部(子分部)工程名称基础立柱验收部位1-3# 立柱施工单位濮阳市中信建设工程有限公司项目经理分包单位分包项目经理施工执行标准名称及编号Cjj2 -2008城市桥梁工程与质量验收规范施工质量验收规范的规定施工单位检查评定记录监理(建设)单位验收记录主控项目1 模板、支架和拱架安装要求符合施工图的规定,且稳固牢靠,接缝严密2 立柱基础有足够的支撑面和排水、防冻融措施基础有足够的支撑面和排水、防冻融措施一般项目1相邻两板表面高低差/mm清水模板 2混水模板 4钢模板 2 2 2 1 2 表面平整度/mm清水模板 3混水模板 5钢模板 3 3 2 2 3垂直度/mm墙、柱H/1000,且不大于6 5 5墩、台H/500,且不大于20塔柱H/3000,且不大于304模内尺寸/mm基础±10墩、台+5,-8梁、板、墙、柱、桩、拱+3,-6 +2 -4 +3 5轴线偏位/mm基础15墩、台、墙10梁、柱、拱、塔柱8 2 7悬浇各梁段8横隔梁 56 支承面高程/mm +2,-5 -27 悬浇各梁段底面高程/mm +10,08预埋件/mm支座板、锚垫板、连接板等位置 5平面高差 2螺栓、锚筋等位置 3外露长度±5 -49预留孔洞/mm预应力筋孔道位置(梁端) 5其他位置8孔径+10,010 梁底模拱度/mm +5,-211对角线差/mm板7墙板5桩3 312侧向弯曲/mm板、拱肋、桁架L/1500柱、桩L/1000,且不大于10 5梁L/2000,且小大于1013 支架、拱架/mm纵轴线的平面偏位L/2000 ,且不大于30 9 10 814 拱架高程/mm +20,-1015 预埋件、预留孔内模固定无遗漏且安装牢固施工单位检查评定结果专业工长(施工员)施工班组长项目专业质量检查员:年月日监理(建设)单位验收结论专业监理工程师:(建设单位项目专业技术负责人):年月日模板、支架和拱架安装检验批质量验收记录表编号:__________ 单位(子单位)工程名称濮阳市五一路跨马颊河桥梁工程分部(子分部)工程名称基础立柱验收部位1-4# 立柱施工单位濮阳市中信建设工程有限公司项目经理分包单位分包项目经理施工执行标准名称及编号Cjj2 -2008城市桥梁工程与质量验收规范施工质量验收规范的规定施工单位检查评定记录监理(建设)单位验收记录主控项目1 模板、支架和拱架安装要求符合施工图的规定,且稳固牢靠,接缝严密2 立柱基础有足够的支撑面和排水、防冻融措施基础有足够的支撑面和排水、防冻融措施一般项目1相邻两板表面高低差/mm清水模板 2混水模板 4钢模板 2 0 2 1 2 表面平整度/mm清水模板 3混水模板 5钢模板 3 2 1 2 3垂直度/mm墙、柱H/1000,且不大于6 3 3墩、台H/500,且不大于20塔柱H/3000,且不大于304模内尺寸/mm基础±10墩、台+5,-8梁、板、墙、柱、桩、拱+3,-6 +1 -5 -4 5轴线偏位/mm基础15墩、台、墙10梁、柱、拱、塔柱8 6 5悬浇各梁段8横隔梁 56 支承面高程/mm +2,-5 -37 悬浇各梁段底面高程/mm +10,08预埋件/mm支座板、锚垫板、连接板等位置 5平面高差 2螺栓、锚筋等位置 3外露长度±5 +49预留孔洞/mm预应力筋孔道位置(梁端) 5其他位置8孔径+10,010 梁底模拱度/mm +5,-211对角线差/mm板7墙板5桩3 212 侧向弯曲/mm板、拱肋、桁架L/1500柱、桩L/1000,且不大于10 5梁L/2000,且小大于1013 支架、拱架/mm纵轴线的平面偏位L/2000 ,且不大于3014 拱架高程/mm +20,-1015 预埋件、预留孔内模固定无遗漏且安装牢固施工单位检查评定结果专业工长(施工员)施工班组长项目专业质量检查员:年月日监理(建设)单位验收结论专业监理工程师:(建设单位项目专业技术负责人):年月日模板、支架和拱架安装检验批质量验收记录表编号:__________ 单位(子单位)工程名称濮阳市五一路跨马颊河桥梁工程分部(子分部)工程名称基础立柱验收部位1-5# 立柱施工单位濮阳市中信建设工程有限公司项目经理分包单位分包项目经理施工执行标准名称及编号Cjj2 -2008城市桥梁工程与质量验收规范施工质量验收规范的规定施工单位检查评定记录监理(建设)单位验收记录主控项目1 模板、支架和拱架安装要求符合施工图的规定,且稳固牢靠,接缝严密2 立柱基础有足够的支撑面和排水、防冻融措施基础有足够的支撑面和排水、防冻融措施一般项目1相邻两板表面高低差/mm清水模板 2混水模板 4钢模板 2 2 0 0 2 表面平整度/mm清水模板 3混水模板 5钢模板 3 0 3 2 3垂直度/mm墙、柱H/1000,且不大于6 5 2墩、台H/500,且不大于20塔柱H/3000,且不大于304模内尺寸/mm基础±10墩、台+5,-8梁、板、墙、柱、桩、拱+3,-6 -3 -5 +3 5轴线偏位/mm基础15墩、台、墙10梁、柱、拱、塔柱8 5 7悬浇各梁段8横隔梁 56 支承面高程/mm +2,-5 -57 悬浇各梁段底面高程/mm +10,08预埋件/mm支座板、锚垫板、连接板等位置 5平面高差 2螺栓、锚筋等位置 3外露长度±5 +39预留孔洞/mm预应力筋孔道位置(梁端) 5其他位置8孔径+10,010 梁底模拱度/mm +5,-211对角线差/mm板7墙板5桩3 212 侧向弯板、拱肋、L/1500曲/mm 桁架柱、桩L/1000,且不大于10 5 梁L/2000,且小大于1013 支架、拱架/mm纵轴线的平面偏位L/2000 ,且不大于30 7 11 514 拱架高程/mm +20,-1015 预埋件、预留孔内模固定无遗漏且安装牢固施工单位检查评定结果专业工长(施工员)施工班组长项目专业质量检查员:年月日监理(建设)单位验收结论专业监理工程师:(建设单位项目专业技术负责人):年月日模板、支架和拱架安装检验批质量验收记录表编号:__________ 单位(子单位)工程名称濮阳市五一路跨马颊河桥梁工程分部(子分部)工程名称基础立柱验收部位1-8# 立柱施工单位濮阳市中信建设工程有限公司项目经理分包单位分包项目经理施工执行标准名称及编号Cjj2 -2008城市桥梁工程与质量验收规范施工质量验收规范的规定施工单位检查评定记录监理(建设)单位验收记录主控项目1 模板、支架和拱架安装要求符合施工图的规定,且稳固牢靠,接缝严密2 立柱基础有足够的支撑面和排水、防冻融措施基础有足够的支撑面和排水、防冻融措施一般项目1相邻两板表面高低差/mm清水模板 2混水模板 4钢模板 2 1 2 1 2 表面平整度/mm清水模板 3混水模板 5钢模板 3 3 3 2 3垂直度/mm墙、柱H/1000,且不大于6 4 4墩、台H/500,且不大于20塔柱H/3000,且不大于304模内尺寸/mm基础±10墩、台+5,-8梁、板、墙、柱、桩、拱+3,-6 +2 -6 -4 5轴线偏位/mm基础15墩、台、墙10梁、柱、拱、塔柱8 2 7悬浇各梁段8横隔梁 56 支承面高程/mm +2,-5 -17 悬浇各梁段底面高程/mm +10,08预埋件/mm支座板、锚垫板、连接板等位置 5平面高差 2螺栓、锚筋等位置 3外露长度±5 -59预留孔洞/mm预应力筋孔道位置(梁端) 5其他位置8孔径+10,010 梁底模拱度/mm +5,-211对角线差/mm板7墙板5桩3 312 侧向弯板、拱肋、L/1500曲/mm 桁架柱、桩L/1000,且不大于10 3 梁L/2000,且小大于1013 支架、拱架/mm纵轴线的平面偏位L/2000 ,且不大于30 12 5 814 拱架高程/mm +20,-1015 预埋件、预留孔内模固定无遗漏且安装牢固施工单位检查评定结果专业工长(施工员)施工班组长项目专业质量检查员:年月日监理(建设)单位验收结论专业监理工程师:(建设单位项目专业技术负责人):年月日模板、支架和拱架安装检验批质量验收记录表编号:__________ 单位(子单位)工程名称濮阳市五一路跨马颊河桥梁工程分部(子分部)工程名称基础立柱验收部位2-1# 立柱施工单位濮阳市中信建设工程有限公司项目经理分包单位分包项目经理施工执行标准名称及编号Cjj2 -2008城市桥梁工程与质量验收规范施工质量验收规范的规定施工单位检查评定记录监理(建设)单位验收记录主控项目1 模板、支架和拱架安装要求符合施工图的规定,且稳固牢靠,接缝严密2 立柱基础有足够的支撑面和排水、防冻融措施基础有足够的支撑面和排水、防冻融措施一般项目1相邻两板表面高低差/mm清水模板 2混水模板 4钢模板 2 2 1 2 2 表面平整度/mm清水模板 3混水模板 5钢模板 33垂直度/mm墙、柱H/1000,且不大于6 6 3墩、台H/500,且不大于20塔柱H/3000,且不大于304模内尺寸/mm基础±10墩、台+5,-8梁、板、墙、柱、桩、拱+3,-6 +2 -5 +3 5轴线偏位/mm基础15墩、台、墙10梁、柱、拱、塔柱8 2 8悬浇各梁段8横隔梁 56 支承面高程/mm +2,-5 07 悬浇各梁段底面高程/mm +10,08预埋件/mm支座板、锚垫板、连接板等位置 5平面高差 2螺栓、锚筋等位置 3外露长度±5 +49预留孔洞/mm预应力筋孔道位置(梁端) 5其他位置8孔径+10,010 梁底模拱度/mm +5,-211对角线差/mm板7墙板5桩3 112侧向弯曲/板、拱肋、桁架L/1500mm柱、桩L/1000,且不大于10 5 5 梁L/2000,且小大于1013 支架、拱架/mm纵轴线的平面偏位L/2000 ,且不大于30 7 6 1114 拱架高程/mm +20,-1015 预埋件、预留孔内模固定无遗漏且安装牢固施工单位检查评定结果专业工长(施工员)施工班组长项目专业质量检查员:年月日监理(建设)单位验收结论专业监理工程师:(建设单位项目专业技术负责人):年月日模板、支架和拱架安装检验批质量验收记录表编号:__________ 单位(子单位)工程名称濮阳市五一路跨马颊河桥梁工程分部(子分部)工程名称基础立柱验收部位2-1# 立柱施工单位濮阳市中信建设工程有限公司项目经理分包单位分包项目经理施工执行标准名称及编号Cjj2 -2008城市桥梁工程与质量验收规范施工质量验收规范的规定施工单位检查评定记录监理(建设)单位验收记录主控项目1 模板、支架和拱架安装要求符合施工图的规定,且稳固牢靠,接缝严密2 立柱基础有足够的支撑面和排水、防冻融措施基础有足够的支撑面和排水、防冻融措施一般项目1相邻两板表面高低差/mm清水模板 2混水模板 4钢模板 2 2 2 0 2 表面平整度/mm清水模板 3混水模板 5钢模板 33垂直度/mm墙、柱H/1000,且不大于6 3 2墩、台H/500,且不大于20塔柱H/3000,且不大于304模内尺寸/mm基础±10墩、台+5,-8梁、板、墙、柱、桩、拱+3,-6 +2 -5 -5 5轴线偏位/mm基础15墩、台、墙10梁、柱、拱、塔柱8 8 4悬浇各梁段8横隔梁 56 支承面高程/mm +2,-5 27 悬浇各梁段底面高程/mm +10,08预埋件/mm支座板、锚垫板、连接板等位置 5平面高差 2螺栓、锚筋等位置 3外露长度±5 +29预留孔洞/mm预应力筋孔道位置(梁端) 5其他位置8孔径+10,010 梁底模拱度/mm +5,-211对角线差/mm板7墙板5桩3 112侧向弯曲/板、拱肋、桁架L/1500mm柱、桩L/1000,且不大于10 5梁L/2000,且小大于1013 支架、拱架/mm纵轴线的平面偏位L/2000 ,且不大于30 6 13 1014 拱架高程/mm +20,-1015 预埋件、预留孔内模固定无遗漏且安装牢固施工单位检查评定结果专业工长(施工员)施工班组长项目专业质量检查员:年月日监理(建设)单位验收结论专业监理工程师:(建设单位项目专业技术负责人):年月日模板、支架和拱架安装检验批质量验收记录表编号:__________ 单位(子单位)工程名称濮阳市五一路跨马颊河桥梁工程分部(子分部)工程名称基础立柱验收部位2-2# 立柱施工单位濮阳市中信建设工程有限公司项目经理分包单位分包项目经理施工执行标准名称及编号Cjj2 -2008城市桥梁工程与质量验收规范施工质量验收规范的规定施工单位检查评定记录监理(建设)单位验收记录主控项目1 模板、支架和拱架安装要求符合施工图的规定,且稳固牢靠,接缝严密2 立柱基础有足够的支撑面和排水、防冻融措施基础有足够的支撑面和排水、防冻融措施一般项目1相邻两板表面高低差/mm清水模板 2混水模板 4钢模板 2 1 1 2 2 表面平整度/mm清水模板 3混水模板 5钢模板 3 2 1 3 3垂直度/mm墙、柱H/1000,且不大于6 5 3墩、台H/500,且不大于20塔柱H/3000,且不大于304模内尺寸/mm基础±10墩、台+5,-8梁、板、墙、柱、桩、拱+3,-6 +2 -5 +3 5轴线偏位/mm基础15墩、台、墙10梁、柱、拱、塔柱8 2 6悬浇各梁段8横隔梁 56 支承面高程/mm +2,-5 -17 悬浇各梁段底面高程/mm +10,08预埋件/mm支座板、锚垫板、连接板等位置 5平面高差 2螺栓、锚筋等位置 3外露长度±5 -59预留孔洞/mm预应力筋孔道位置(梁端) 5其他位置8孔径+10,010 梁底模拱度/mm +5,-211对角线差/mm板7墙板5桩3 312侧向弯曲/板、拱肋、桁架L/1500mm柱、桩L/1000,且不大于10 5梁L/2000,且小大于1013 支架、拱架/mm纵轴线的平面偏位L/2000 ,且不大于30 8 15 1214 拱架高程/mm +20,-1015 预埋件、预留孔内模固定无遗漏且安装牢固施工单位检查评定结果专业工长(施工员)施工班组长项目专业质量检查员:年月日监理(建设)单位验收结论专业监理工程师:(建设单位项目专业技术负责人):年月日模板、支架和拱架安装检验批质量验收记录表编号:__________ 单位(子单位)工程名称濮阳市五一路跨马颊河桥梁工程分部(子分部)工程名称基础立柱验收部位2-3# 立柱施工单位濮阳市中信建设工程有限公司项目经理分包单位分包项目经理施工执行标准名称及编号Cjj2 -2008城市桥梁工程与质量验收规范施工质量验收规范的规定施工单位检查评定记录监理(建设)单位验收记录主控项目1 模板、支架和拱架安装要求符合施工图的规定,且稳固牢靠,接缝严密2 立柱基础有足够的支撑面和排水、防冻融措施基础有足够的支撑面和排水、防冻融措施一般项目1相邻两板表面高低差/mm清水模板 2混水模板 4钢模板 2 0 2 1 2 表面平整度/mm清水模板 3混水模板 5钢模板 33垂直度/mm墙、柱H/1000,且不大于6 4 3墩、台H/500,且不大于20塔柱H/3000,且不大于304模内尺寸/mm基础±10墩、台+5,-8梁、板、墙、柱、桩、拱+3,-6 -3 -5 +1 5轴线偏位/mm基础15墩、台、墙10梁、柱、拱、塔柱8 7 4悬浇各梁段8横隔梁 56 支承面高程/mm +2,-5 -37 悬浇各梁段底面高程/mm +10,08预埋件/mm支座板、锚垫板、连接板等位置 5平面高差 2螺栓、锚筋等位置 3外露长度±5 -49预留孔洞/mm预应力筋孔道位置(梁端) 5其他位置8孔径+10,010 梁底模拱度/mm +5,-211对角线差/mm板7墙板5桩3 312侧向弯曲/mm板、拱肋、桁架L/1500柱、桩L/1000,且不大于10 5梁L/2000,且小大于1013 支架、拱架/mm纵轴线的平面偏位L/2000 ,且不大于30 16 10 914 拱架高程/mm +20,-1015 预埋件、预留孔内模固定无遗漏且安装牢固施工单位检查评定结果专业工长(施工员)施工班组长项目专业质量检查员:年月日监理(建设)单位验收结论专业监理工程师:(建设单位项目专业技术负责人):年月日模板、支架和拱架安装检验批质量验收记录表编号:__________ 单位(子单位)工程名称濮阳市五一路跨马颊河桥梁工程分部(子分部)工程名称基础立柱验收部位2-4# 立柱施工单位濮阳市中信建设工程有限公司项目经理分包单位分包项目经理施工执行标准名称及编号Cjj2 -2008城市桥梁工程与质量验收规范施工质量验收规范的规定施工单位检查评定记录监理(建设)单位验收记录主控项目1 模板、支架和拱架安装要求符合施工图的规定,且稳固牢靠,接缝严密2 立柱基础有足够的支撑面和排水、防冻融措施基础有足够的支撑面和排水、防冻融措施一般项目1相邻两板表面高低差/mm清水模板 2混水模板 4钢模板 2 2 1 1 2 表面平整度/mm清水模板 3混水模板 5钢模板 3 3 2 2 3垂直度/mm墙、柱H/1000,且不大于6 5 3墩、台H/500,且不大于20塔柱H/3000,且不大于304模内尺寸/mm基础±10墩、台+5,-8梁、板、墙、柱、桩、拱+3,-6 +2 -5 +3 5轴线偏位/mm基础15墩、台、墙10梁、柱、拱、塔柱8 2 4悬浇各梁段8横隔梁 56 支承面高程/mm +2,-5 -17 悬浇各梁段底面高程/mm +10,08预埋件/mm支座板、锚垫板、连接板等位置 5平面高差 2螺栓、锚筋等位置 3外露长度±5 -39预留孔洞/mm预应力筋孔道位置(梁端) 5其他位置8孔径+10,010 梁底模拱度/mm +5,-2 211 对角线板7差/mm 墙板5桩3 312 侧向弯曲/mm板、拱肋、桁架L/1500柱、桩L/1000,且不大于10 5梁L/2000,且小大于1013 支架、拱架/mm纵轴线的平面偏位L/2000 ,且不大于30 9 10 814 拱架高程/mm +20,-1015 预埋件、预留孔内模固定无遗漏且安装牢固施工单位检查评定结果专业工长(施工员)施工班组长项目专业质量检查员:年月日监理(建设)单位验收结论专业监理工程师:(建设单位项目专业技术负责人):年月日模板、支架和拱架安装检验批质量验收记录表编号:__________ 单位(子单位)工程名称濮阳市五一路跨马颊河桥梁工程分部(子分部)工程名称基础立柱验收部位2-5# 立柱施工单位濮阳市中信建设工程有限公司项目经理分包单位分包项目经理施工执行标准名称及编号Cjj2 -2008城市桥梁工程与质量验收规范施工质量验收规范的规定施工单位检查评定记录监理(建设)单位验收记录主控项目1 模板、支架和拱架安装要求符合施工图的规定,且稳固牢靠,接缝严密2 立柱基础有足够的支撑面和排水、防冻融措施基础有足够的支撑面和排水、防冻融措施一般项目1相邻两板表面高低差/mm清水模板 2混水模板 4钢模板 22 表面平整度/mm清水模板 3混水模板 5钢模板 33垂直度/mm墙、柱H/1000,且不大于6 5 3墩、台H/500,且不大于20塔柱H/3000,且不大于304模内尺寸/mm基础±10墩、台+5,-8梁、板、墙、柱、桩、拱+3,-6 +2 -5 +3 5轴线偏位/mm基础15墩、台、墙10梁、柱、拱、塔柱8 2 4悬浇各梁段8横隔梁 56 支承面高程/mm +2,-5 -17 悬浇各梁段底面高程/mm +10,08预埋件/mm支座板、锚垫板、连接板等位置 5 3平面高差 2 1螺栓、锚筋等位置 3外露长度±59预留孔洞/mm预应力筋孔道位置(梁端) 5其他位置8孔径+10,010 梁底模拱度/mm +5,-2 211对角线差/mm板7墙板5桩3 312 侧向弯曲/mm板、拱肋、桁架L/1500柱、桩L/1000,且不大于10 5梁L/2000,且小大于1013 支架、拱架/mm纵轴线的平面偏位L/2000 ,且不大于30 9 10 814 拱架高程/mm +20,-1015 预埋件、预留孔内模固定无遗漏且安装牢固施工单位检查评定结果专业工长(施工员)施工班组长项目专业质量检查员:年月日监理(建设)单位验收结论专业监理工程师:(建设单位项目专业技术负责人):年月日模板、支架和拱架安装检验批质量验收记录表编号:__________ 单位(子单位)工程名称濮阳市五一路跨马颊河桥梁工程分部(子分部)工程名称基础立柱验收部位1-1# 立柱施工单位濮阳市中信建设工程有限公司项目经理分包单位分包项目经理施工执行标准名称及编号Cjj2 -2008城市桥梁工程与质量验收规范施工质量验收规范的规定施工单位检查评定记录监理(建设)单位验收记录主控项目1 模板、支架和拱架安装要求符合施工图的规定,且稳固牢靠,接缝严密2 立柱基础有足够的支撑面和排水、防冻融措施基础有足够的支撑面和排水、防冻融措施一般项目1相邻两板表面高低差/mm清水模板 2混水模板 4钢模板 22 表面平整度/mm清水模板 3混水模板 5钢模板 33垂直度/mm墙、柱H/1000,且不大于6 5 3墩、台H/500,且不大于20塔柱H/3000,且不大于304模内尺寸/mm基础±10墩、台+5,-8梁、板、墙、柱、桩、拱+3,-6 +2 -5 +3 5轴线偏位/mm基础15墩、台、墙10梁、柱、拱、塔柱8 2 4悬浇各梁段8横隔梁 56 支承面高程/mm +2,-5 -17 悬浇各梁段底面高程/mm +10,08预埋件/mm支座板、锚垫板、连接板等位置 5 3平面高差 2 1螺栓、锚筋等位置 3外露长度±59预留孔洞/mm预应力筋孔道位置(梁端) 5其他位置8孔径+10,010 梁底模拱度/mm +5,-2 211对角线差/mm板7墙板5桩3 312侧向弯曲/板、拱肋、桁架L/1500mm柱、桩L/1000,且不大于10 5梁L/2000,且小大于1013 支架、拱架/mm纵轴线的平面偏位L/2000 ,且不大于30 9 10 814 拱架高程/mm +20,-1015 预埋件、预留孔内模固定无遗漏且安装牢固施工单位检查评定结果专业工长(施工员)施工班组长项目专业质量检查员:年月日监理(建设)单位验收结论专业监理工程师:(建设单位项目专业技术负责人):年月日模板、支架和拱架安装检验批质量验收记录表编号:__________ 单位(子单位)工程名称濮阳市五一路跨马颊河桥梁工程分部(子分部)工程名称基础立柱验收部位1-1# 立柱施工单位濮阳市中信建设工程有限公司项目经理分包单位分包项目经理施工执行标准名称及编号Cjj2 -2008城市桥梁工程与质量验收规范施工质量验收规范的规定施工单位检查评定记录监理(建设)单位验收记录主控项目1 模板、支架和拱架安装要求符合施工图的规定,且稳固牢靠,接缝严密2 立柱基础有足够的支撑面和排水、防冻融措施基础有足够的支撑面和排水、防冻融措施一般项目1相邻两板表面高低差/mm清水模板 2混水模板 4钢模板 22 表面平整度/mm清水模板 3混水模板 5钢模板 33垂直度/mm墙、柱H/1000,且不大于6 5 3墩、台H/500,且不大于20塔柱H/3000,且不大于304模内尺寸/mm基础±10墩、台+5,-8梁、板、墙、柱、桩、拱+3,-6 +2 -5 +3 5轴线偏位/mm基础15墩、台、墙10梁、柱、拱、塔柱8 2 4悬浇各梁段8横隔梁 56 支承面高程/mm +2,-5 -17 悬浇各梁段底面高程/mm +10,08预埋件/mm支座板、锚垫板、连接板等位置 5 3平面高差 2 1螺栓、锚筋等位置 3外露长度±59预留孔洞/mm预应力筋孔道位置(梁端) 5其他位置8孔径+10,010 梁底模拱度/mm +5,-2 211对角线差/mm板7墙板5桩3 312侧向弯曲/mm板、拱肋、桁架L/1500柱、桩L/1000,且不大于10 5。