门窗收口技术交底
- 格式:doc
- 大小:52.50 KB
- 文档页数:4
一施工准备:1.主要材料:玻化微珠保温砂浆、耐碱玻纤网格布、抗裂砂浆、界面砂浆、Φ6钢筋,C20碎2.主要工具:电动式砂浆搅拌机、手提式搅拌器、磅秤、手推车、铁板、铁锹、大桶、灰槽、胶皮管、水勺、小水桶、喷雾器、托灰板、木抹子、、阴阳角抹子、塑料抹子、2m 靠尺3.材料配置:(1)界面砂浆的配置:按108胶:中细砂(干):水泥二1:1:1(重量比),现价界面剂,再加入中细砂和水泥,搅拌均匀成浆状。
(2)玻化微珠保温砂浆的配置:按浆料需用水:干粉料二0.85」.1:1(重量比),先将水加入搅拌器内,再将玻化微珠保温砂浆干粉料放入搅拌容器内,搅拌3~5min,使料浆成均匀膏状体,即可使用。
料浆必须随配随用,配置好的料浆应在Ih内用完,并不得回收落地料再二次加水使用。
(3)抗裂砂浆的配置:按料浆需用水:干混料二0.20~0.25:1(重量比),先将水加入搅拌器内,再将抗裂砂浆干混料放入搅拌容器内,搅拌4~5min,使料浆成均匀膏状体,静置5min即可使用。
料浆必须随配随用,配置好的料浆应在1.5h内用完。
二、作业范围:门窗口副框安装完毕,并在副框与结构墙之间打满发泡胶,发泡胶沿副框两侧边缘用刀裁切完毕。
此时副框与主体之间缝隙小于50mm的空隙在室内结构墙至副框外边缘2mm范围内用玻化微珠保温砂浆进行室内收口抹灰。
当副框与主体之间缝隙大于50mm时,安装前要进行Φ6@200进行植筋处理后再灌入用C20细石混凝土使门框与墙接触的三个面灌满。
三、具体做法见附图:四、每个窗框收口做法都必须留影像资料,这是某某区建委的强制性标准。
若违备必将受到重罚。
审核人交底人接受交底人1、本表由施工单位填写,交底单位与接受交底单位各保存一份。
2、当做分项工程施工技术交底时,应填写“分项工程名称”栏,其他技术交底可不填写。
安全生产十项注意事项:一、工作前穿戴好规定的劳动防护品,检查设备及作业场地,做到安全可靠。
二、不违章作业,并监督制止他人违章作业。
门窗洞口收口技术交底技术交底记录表C2-1工程名称施工单位交底提要编号交底日期分项工程名称门窗洞口施工门窗洞口收口施工技术交底一、施工准备1、材料准备水泥:普通水泥,颜色一致,应有出厂证明或复试单,当出厂超过3个月按试验结果使用。
XXX:平均粒径0.35—0.5mm的中砂,砂颗粒要求坚硬洁净,不得含有粘土、草根、树叶等杂物,颗粒清洁。
使用前应过5mm孔径筛子,筛好备用。
2、机具准备砂浆搅拌机,5mm孔径的筛子,灰槽,灰勺,符合门窗洞口尺寸的窄木条、2.5m大杠,1.5m中杠,2m靠尺板,线坠,钢卷尺,方尺,木抹子,铁抹子,塑料抹子,拖灰板,阴阳角抹子,排笔,软毛刷,钢丝刷,筷子笔,粉线包,喷壶,锤子,錾子等。
3、作业前提:(1)铝合金门窗已经装置终了,经监理验收合格同意举行下道工序。
(2)门窗洞口尺寸校验完毕,大面墙墙体抹灰完成。
(3)水电及各种预埋管件、电盒修整到位,并颠末相干专业在联检单上签字承认。
(4)门窗收口前,洞口周围孔洞已经封堵到位。
(5)防火门门框均涂刷两道防腐漆。
(6)大面积施工前,应先做出样板,经项目鉴定合格后再大面积施工。
2、操作工艺工艺流程:门窗洞口清理----基层清理----浇水润湿洞口处墙体----吊垂直、套方----抹底层沙浆----抹罩面灰----养护1、门窗洞口清理:对于窗口有逼雷的要先将其切除。
下层处理:将门窗洞口处残余的沙浆、油垢、灰尘等清算干净,用水浇墙,将砖缝中的尘土冲掉,将墙面润湿。
需封堵的孔洞接纳豆石砼分层封堵与基面相平,待干燥前方可进入下道工序。
考核人交底人接受交底人技术交底记录表C2-1工程名称施工单位交底提要编号交底日期分项工程名称门窗洞口收口施工技术交底门窗洞口施工2、吊垂直、套方找XXX:按照楼面上500mm线划分在门窗口角、垛、面等处吊垂直、套方,出格是铝合金外窗的弹线,必须保证统一个门窗框的四个边在收口后宽度均匀一致,这就要求在吊线时必须拉通线统一举行找补,保证横平竖直,收口按照吃进门窗框5mm考虑。
技术交底记录表表C2-1 编号工程名称恒大御景湾2#楼交底日期2015.1.5施工单位中铁建设集团有限公司分项工程名称抹灰交门、窗收口技术交底1、本表由施工单位填写,交底单位与接受单位各保存一份。
2、当做分项工程施工技术交底时,交底内容: 一、施工准备 1、材料准备水泥:PC32.5,应有出厂证明或复试单,当出厂超过3个月按试验结果使用。
砂子:平均粒径0.35—0.5mm 的中砂,砂颗粒要求坚硬洁净,审核 交底 接应填写“分项工程名称”栏其它技术交底可不填写。
技术交底记录表表C2-1 编号工程名称恒大御景湾2#楼交底日期2015.1.5施工单位中铁建设集团有限公司分项工程名称交门、窗收口技术交底1、本表由施工单位填写,交底单位与接受单位各保存一份。
2、当做分项工程施工技术交底时,交底内容:3、门窗框防水砂浆塞填:门窗框与墙面之间的缝隙采用防水砂浆塞填密实;缝隙大于2cm 的门窗框防水砂浆塞填分两遍施工,确保砂浆与门窗框之间不得有缝隙,不得渗水。
4、抹底层砂浆:打底砂浆前先审核 交底 接应填写“分项工程名称”栏其它技术交底可不填写。
技术交底记录表表C2-1 编号工程名称恒大御景湾2#楼交底日期2015.1.5施工单位中铁建设集团有限公司分项工程名称交门、窗收口技术交底1、本表由施工单位填写,交底单位与接受单位各保存一份。
2、当做分项工程施工技术交底时,交底内容:5、各房间窗框收口具体做法: (1)、厨房、卫生间的窗框四周均预留15-20mm 的贴砖面做法 (2)客厅(餐厅)、卧室的窗框底口预留25-30mm 的窗台板做法,其他三面比窗框低2mm 打密封胶 审核 交底 接应填写“分项工程名称”栏其它技术交底可不填写。
技术交底记录表表C2-1 编号工程名称恒大御景湾2#楼交底日期2015.1.5施工单位中铁建设集团有限公司分项工程名称交门、窗收口技术交底1、本表由施工单位填写,交底单位与接受单位各保存一份。
门窗工程技术交底记录标题:门窗工程技术交底记录引言概述:门窗工程技术交底记录是指在门窗安装施工前,施工方与监理方、设计方等相关人员进行技术交底,明确工程的具体要求、施工标准和注意事项,以确保施工质量和工程进度。
本文将详细介绍门窗工程技术交底记录的内容和要点。
一、施工要求1.1 确认门窗型号规格:在交底记录中要明确门窗的型号、规格和材质,确保施工方按照设计要求进行安装。
1.2 确认安装位置:确定门窗的安装位置和方向,避免安装错误导致后期调整困难。
1.3 确认安装方法:明确门窗的安装方法和施工工艺,包括固定件的安装位置、密封胶的使用等。
二、施工标准2.1 安装质量要求:门窗的安装要求垂直、水平、平整,边缘间隙均匀,密封胶线条整齐。
2.2 玻璃安装要求:玻璃的安装要求平整、无裂纹、无划伤,胶条密封完整。
2.3 防水处理要求:门窗与墙体接缝处需进行防水处理,确保室内不受雨水侵入。
三、注意事项3.1 施工环境要求:施工过程中要保持施工现场整洁,避免杂物堆积影响施工质量。
3.2 施工安全要求:施工人员要佩戴安全帽、手套等个人防护用具,遵守安全操作规程。
3.3 施工期限要求:门窗工程的施工期限需要按照合同约定完成,避免影响整体工程进度。
四、验收标准4.1 外观验收:检查门窗的外观是否完整、无损坏、无划痕等质量问题。
4.2 功能验收:测试门窗的开启、关闭、锁闭等功能是否正常。
4.3 防水验收:检查门窗与墙体接缝处的防水处理是否到位,避免雨水渗漏。
五、交底记录5.1 记录方式:门窗工程技术交底记录可采用书面形式或电子记录方式,确保信息准确无误。
5.2 签署人员:交底记录需由施工方、监理方、设计方等相关人员共同确认并签字。
5.3 保存方式:交底记录需保存在工程档案中,作为施工过程中的重要参考资料。
结论:门窗工程技术交底记录是门窗安装施工的重要环节,通过明确施工要求、标准和注意事项,可以有效保障施工质量和工程进度。
施工方应严格按照交底记录的要求进行施工,确保工程顺利完成。
一、交底目的为确保窗户收口施工过程中的安全,预防事故发生,提高施工质量,特制定本安全技术交底。
二、交底对象本项目全体参与窗户收口施工的施工人员、管理人员及监理人员。
三、交底内容1. 施工前的准备工作(1)施工人员必须经过专业培训,掌握窗户收口施工工艺和安全操作规程。
(2)施工前,应对施工现场进行安全检查,确保施工环境符合安全要求。
(3)施工人员必须穿戴好个人防护用品,如安全帽、手套、防尘口罩等。
2. 施工过程中的安全注意事项(1)施工人员在进行窗户收口作业时,必须严格遵守操作规程,不得违章作业。
(2)在操作过程中,施工人员应保持注意力集中,确保施工安全。
(3)操作人员不得擅自改变施工工艺,如需调整,应经项目技术负责人批准。
(4)施工过程中,如发现安全隐患,应立即停止作业,并及时报告项目负责人。
(5)施工人员应熟悉施工现场的消防设施,确保火灾发生时能迅速报警并采取有效措施。
3. 窗户收口施工安全操作规程(1)在安装窗户收口材料前,应先检查材料质量,确保无破损、变形等缺陷。
(2)在施工过程中,操作人员应使用适当的工具,不得使用不符合安全要求的工具。
(3)在安装窗户收口材料时,应确保材料与墙体牢固连接,防止因材料松动导致窗户收口失效。
(4)在施工过程中,应确保窗户收口材料表面平整,不得出现凹凸不平现象。
(5)在施工过程中,应避免因施工操作不当导致窗户收口材料受损。
4. 施工结束后(1)施工结束后,应检查窗户收口施工质量,确保符合设计要求。
(2)对施工过程中发现的问题,应及时整改,确保施工质量。
(3)对施工过程中出现的安全隐患,应及时上报,并采取措施消除。
四、交底要求1. 施工人员应认真听取安全技术交底,了解并掌握窗户收口施工安全操作规程。
2. 施工过程中,应严格遵守安全技术交底要求,确保施工安全。
3. 施工人员应主动学习安全知识,提高安全意识,预防事故发生。
4. 施工单位应定期对施工人员进行安全技术培训,提高施工人员的安全技能。
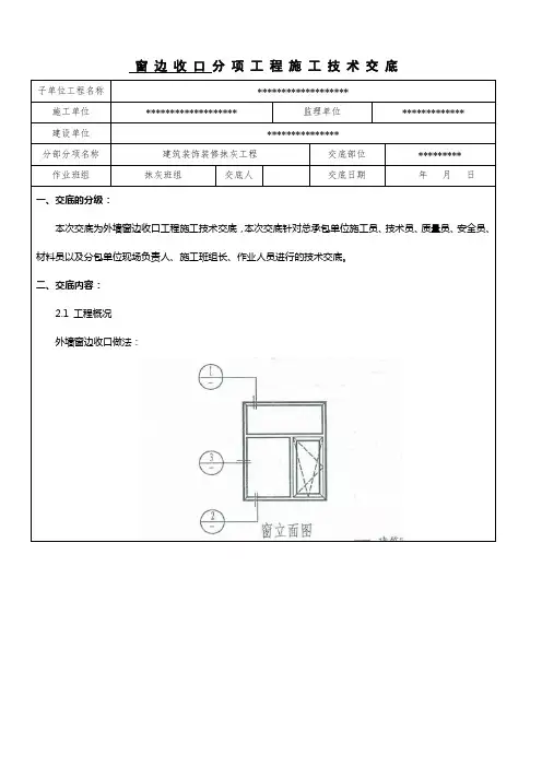
窗边收口分项工程施工技术交底
子单位工程名称*******************
施工单位******************* 监理单位************* 建设单位***************
分部分项名称建筑装饰装修抹灰工程交底部位********* 作业班组抹灰班组交底人交底日期年月日一、交底的分级:
本次交底为外墙窗边收口工程施工技术交底,本次交底针对总承包单位施工员、技术员、质量员、安全员、材料员以及分包单位现场负责人、施工班组长、作业人员进行的技术交底。
二、交底内容:
2.1 工程概况
外墙窗边收口做法:
2.2 施工准备
(1)材料准备
混合砂浆M10:防水剂(其掺入量应为水泥砂浆用量的3%)
(2)机具准备
砂浆搅拌机,灰槽,灰勺,符合门窗洞口尺寸的窄木条、刮杠,2m靠尺板,线坠,钢卷尺,方尺,木抹子,铁抹子,塑料抹子,阴阳角抹子,锤子,錾子等。
(3)作业条件:
1)窗附框已经安装完毕,经监理验收合格同意进行下道工序。
2)窗洞口尺寸校验完毕,大面墙墙体抹灰完成。
3)水电及各种预埋管件、电盒修整到位,并经过相关专业在联检单上签字认可。
4)外窗收口前,洞口四周孔洞已经封堵到位。
一、交底目的为确保窗边收口施工过程中的安全,提高施工人员的安全意识和操作技能,特进行窗边收口安全技术交底。
二、交底对象全体参与窗边收口施工的施工人员、管理人员及监理人员。
三、交底内容1. 施工现场安全基本要求(1)施工人员必须遵守国家有关安全生产的法律法规,严格执行本工程的施工方案和安全操作规程。
(2)施工现场应设置明显的安全警示标志,施工人员必须熟悉并遵守施工现场的安全规定。
(3)施工人员应穿戴好个人防护用品,如安全帽、安全带、防尘口罩等。
2. 窗边收口施工安全注意事项(1)施工前,应对窗边收口施工区域进行清理,确保施工环境整洁,无障碍物。
(2)施工人员应使用符合国家标准的工具和设备,不得使用损坏或非标准的工具。
(3)在窗边收口施工过程中,应保持施工现场的通风良好,确保空气质量符合国家规定。
(4)施工人员应按照施工图纸和技术要求进行操作,不得擅自更改施工方案。
(5)在施工过程中,应随时注意检查窗边收口的质量,发现问题及时上报并处理。
3. 窗边收口施工安全操作规程(1)施工人员应穿戴好个人防护用品,佩戴安全帽,确保头部安全。
(2)施工人员应站在稳固的位置,使用梯子时,梯子底部应固定牢固,梯子与墙面距离应保持一定距离。
(3)施工人员应按照施工图纸和技术要求进行操作,确保施工质量。
(4)在施工过程中,施工人员应保持操作平稳,避免因操作不当导致物体坠落。
(5)施工完成后,应对窗边收口进行检查,确保无安全隐患。
四、交底要求1. 施工人员应认真听取交底内容,确保理解并掌握安全操作规程。
2. 施工人员应严格遵守安全操作规程,确保施工安全。
3. 施工管理人员应加强对施工人员的安全教育和培训,提高安全意识。
4. 监理人员应严格监督施工过程,确保施工安全。
五、交底时间[具体交底时间]六、交底人[具体交底人姓名及职务]七、参加交底人员[具体参加交底人员姓名及职务]八、备注1. 本安全技术交底适用于窗边收口施工全过程。
一、交底目的为确保外窗收口施工过程中的安全,预防事故发生,提高施工质量,现将外窗收口施工的安全技术要求进行交底。
二、交底内容1. 施工前准备- 仔细阅读施工图纸,了解外窗收口的设计要求及施工规范。
- 检查施工工具和材料,确保其完好、适用。
- 对施工人员进行安全技术培训,确保其掌握外窗收口施工的安全操作规程。
2. 施工人员要求- 作业人员必须佩戴安全帽、安全带、防滑鞋等个人防护用品。
- 作业人员必须熟悉施工图纸和施工方案,了解施工流程和安全注意事项。
- 作业人员必须接受安全技术培训,并取得相应资格证书。
3. 施工工艺及安全操作- 外窗收口施工应遵循先检查、后施工的原则。
- 施工前,对窗框、窗扇及附件进行检查,确保其完好无损。
- 使用电动工具时,必须检查电线绝缘情况,确保安全。
- 使用手动工具时,应注意握持工具的方法,防止工具滑落伤人。
- 高处作业时,必须使用安全带,并确保安全带系挂正确。
- 严禁酒后作业、疲劳作业和违章作业。
4. 施工环境及安全措施- 施工现场应保持整洁,施工通道畅通。
- 高处作业时,应设置安全警戒线,并配备专人进行监护。
- 施工现场应配备消防器材,并定期进行检查和维护。
- 严禁在施工区域吸烟、使用明火。
5. 施工过程中的安全检查- 施工过程中,施工负责人应定期对施工现场进行安全检查,及时发现并消除安全隐患。
- 发现安全隐患时,应立即停止施工,并采取措施进行整改。
- 施工完成后,应进行自检,确保施工质量符合要求。
三、应急处理1. 如发生高处坠落事故,应立即停止施工,并组织人员进行救援。
2. 如发生触电事故,应立即切断电源,并组织人员进行救治。
3. 如发生火灾事故,应立即报警,并组织人员进行疏散和灭火。
四、交底人及接受人- 交底人:[姓名]- 接受人:[姓名]五、交底时间[日期]六、注意事项1. 施工过程中,如遇恶劣天气,应暂停施工,并做好安全防护措施。
2. 施工结束后,应对施工现场进行清理,确保无安全隐患。
一、交底目的为确保室内窗户收口施工过程中的安全,提高施工质量,防止安全事故发生,特进行安全技术交底。
二、交底对象本交底适用于所有参与室内窗户收口施工的施工人员、管理人员及监督人员。
三、交底内容1. 施工前的准备工作(1)施工人员需了解室内窗户收口施工工艺流程、技术要求及安全注意事项。
(2)施工前应检查施工现场,确保场地平整、排水畅通,施工材料、工具齐全。
(3)对施工人员进行安全教育培训,提高安全意识。
2. 施工过程安全注意事项(1)施工人员应穿戴好个人防护用品,如安全帽、安全带、防尘口罩等。
(2)施工前应检查窗户收口材料,确保其质量合格,无破损、变形等问题。
(3)施工过程中,应严格按照施工工艺要求进行操作,不得擅自更改。
(4)施工人员应遵守操作规程,严禁酒后作业、疲劳作业。
(5)施工过程中,应确保窗户收口施工区域的通风良好,避免有害气体积聚。
(6)施工人员应定期检查施工工具、设备,确保其完好、安全。
3. 窗户收口施工安全操作要点(1)在安装窗户收口材料前,应先检查窗户框的平整度,如有问题,应及时调整。
(2)安装窗户收口材料时,应使用专用工具,不得用手直接操作。
(3)在安装窗户收口材料时,应确保其与窗户框紧密贴合,不得有缝隙。
(4)在施工过程中,应随时检查窗户收口材料是否牢固,如有松动,应及时加固。
(5)施工完成后,应对窗户收口部位进行检查,确保其符合设计要求。
4. 施工现场安全管理(1)施工现场应设置明显的安全警示标志,提醒施工人员注意安全。
(2)施工现场应配备必要的安全防护设施,如安全网、安全带等。
(3)施工现场应定期进行安全检查,及时发现并消除安全隐患。
(4)施工现场应设立专人负责安全管理,确保施工安全。
四、交底人及接受人1. 交底人:XXX(项目负责人)2. 接受人:全体施工人员、管理人员及监督人员五、交底时间年月日六、注意事项1. 施工人员应认真阅读本交底内容,并严格遵守各项安全规定。
2. 施工过程中,如遇特殊情况,应及时向项目负责人汇报,寻求解决方案。
门窗工程技术交底记录标题:门窗工程技术交底记录引言概述:门窗工程技术交底是指在施工过程中,施工方与监理方或者业主之间进行的技术交底,旨在确保施工过程中的质量和安全。
本文将从六个大点出发,详细阐述门窗工程技术交底的内容和重要性。
正文内容:1. 施工准备阶段的技术交底1.1. 了解施工图纸和设计要求1.2. 确定施工方案和施工工艺1.3. 确认材料和设备的选用标准1.4. 交底施工时间计划和人员安排1.5. 强调施工过程中的安全措施2. 门窗安装的技术交底2.1. 确定门窗的尺寸和型号2.2. 讲解门窗的安装方法和步骤2.3. 强调门窗安装的质量要求2.4. 介绍门窗的密封和防水处理2.5. 提醒施工人员注意门窗的保护措施3. 门窗玻璃安装的技术交底3.1. 确定玻璃的规格和品质要求3.2. 介绍玻璃的安装方法和注意事项3.3. 强调玻璃安装的密封和固定要求3.4. 提醒施工人员注意玻璃的保护措施3.5. 讲解玻璃的检验和验收标准4. 门窗五金配件的技术交底4.1. 确定五金配件的规格和品质要求4.2. 介绍五金配件的安装方法和调试步骤4.3. 强调五金配件的使用寿命和维护要求4.4. 提醒施工人员注意五金配件的操作安全4.5. 讲解五金配件的功能和作用5. 门窗验收和质量控制的技术交底5.1. 强调门窗的外观质量要求5.2. 讲解门窗的功能性能测试方法5.3. 提醒施工人员注意验收过程中的细节5.4. 强调施工质量控制的重要性5.5. 解答施工人员可能遇到的问题和疑问6. 施工后的维护保养交底6.1. 讲解门窗的日常维护保养方法6.2. 强调门窗维护保养的重要性6.3. 提醒业主注意门窗的使用注意事项6.4. 解答业主可能遇到的问题和疑问6.5. 提供门窗维修和售后服务的联系方式总结:在门窗工程中,技术交底是确保施工质量和安全的重要环节。
通过施工准备阶段的技术交底,可以确保施工方案和施工工艺的正确实施;门窗安装、玻璃安装、五金配件安装的技术交底,能够保证施工质量的达标;门窗验收和质量控制的技术交底,有助于确保施工质量的合格;施工后的维护保养交底,可以延长门窗的使用寿命。