工艺设计验证方案模板
- 格式:doc
- 大小:227.00 KB
- 文档页数:25
厂房验证方案范文一、概述为了确保厂房的建设和使用符合相关标准和要求,需要对厂房进行验证。
厂房验证旨在验证厂房的设计、建设和使用过程是否符合相关法规和规范要求,从而确保厂房的安全、健康和环保。
本方案旨在对厂房进行全面的验证,包括验证厂房设计文件、施工图和建设过程中的质量控制,以及厂房的使用过程中的设备运行情况、安全管理措施和环境保护措施等方面。
验证过程将通过现场巡查、文件审核、设备测试和数据分析等方式进行。
二、验证内容1.设计验证对厂房的设计文件进行验证,包括建筑设计、结构设计、电气设计、给排水设计等方面。
验证内容包括但不限于:-厂房符合国家和地方政府规定的建筑、环保、安全等方面的相关规范和标准。
-厂房设计符合相关行业标准和技术要求。
-厂房的设计方案与实际需求相匹配。
2.施工验证对厂房的施工过程进行验证,包括施工图纸、工程质量控制和施工管理。
验证内容包括但不限于:-施工图纸符合设计要求,施工过程符合施工图纸的要求。
-施工过程中的质量控制措施符合相关标准和要求。
-施工现场的管理符合施工安全管理要求。
3.设备验证对厂房的设备进行验证,包括设备安装、调试和运行情况。
验证内容包括但不限于:-设备安装过程中的检查和测试,确保设备安装符合相关标准和要求。
-设备调试过程中的检查和测试,确保设备调试符合相关标准和要求。
-设备运行情况的检查和测试,确保设备正常运行,并符合相关安全和环保要求。
4.使用验证对厂房的使用过程进行验证,包括设备使用、环境保护和安全管理等方面。
验证内容包括但不限于:-设备的运行情况和维护保养情况的检查和测试。
-环境保护措施的检查和测试,包括废水处理、废气处理和噪声控制等方面。
-安全管理措施的检查和测试,包括消防安全、工艺安全和人员安全等方面。
三、验证方法1.现场巡查通过对厂房的现场巡查,对厂房的建设和使用情况进行直观的观察。
现场巡查内容包括但不限于建筑结构、设备安装、环境保护设施等方面。
2.文件审核对厂房的设计文件、施工图纸和相关质量文件进行审核,确保文件内容符合相关标准和要求。
设备验证文件(设计确认DQ)设备名称:XXXXXXXX设备型号:XXXXXXXXXXXXXXXXXXXXXXXXXX公司XXX年目录1.设计确认验证方案审批.................................................................................... 错误!未定义书签。
2. 概述 ................................................................................................................... 错误!未定义书签。
3. 目的 ................................................................................................................... 错误!未定义书签。
4. 范围 ................................................................................................................... 错误!未定义书签。
5.职责 ................................................................................................................... 错误!未定义书签。
6.相关文件 ............................................................................................................. 错误!未定义书签。
工程试验检验方案模板范文1. 引言本试验检验方案的目的是为了验证特定工程项目的质量和性能,确保其符合设计要求和相关标准规范。
本方案包括试验检验的目的、范围、试验方法、设备要求、试验程序、数据处理与分析、试验报告等内容。
2. 试验检验目的本试验检验旨在验证工程项目的质量和性能,包括但不限于以下内容:- 验证工程材料的强度、耐久性等性能指标是否符合设计要求和标准规范;- 检验工程结构的稳定性、安全性等技术指标是否符合设计要求;- 在施工过程中检验工艺流程是否符合相关要求;- 检验工程质量管理体系是否有效。
3. 试验检验范围本试验检验范围包括但不限于以下内容:- 工程材料的物理、化学性能;- 工程结构的承载和稳定性;- 工程施工工艺流程;- 工程质量管理体系。
4. 试验方法4.1 工程材料试验方法在验证工程材料的性能时,可以采用以下试验方法:- 强度试验:如拉伸试验、压缩试验、弯曲试验等;- 耐久性试验:如抗冻融性、抗腐蚀性、抗老化性等;- 物理性能试验:如密度、吸水率、热传导率等。
4.2 工程结构试验方法在验证工程结构的稳定性和安全性时,可以采用以下试验方法:- 承载试验:如静载试验、动载试验等;- 稳定性试验:如抗风试验、抗震试验等。
4.3 工程施工工艺流程检验方法在验证工程施工工艺流程是否符合相关要求时,可以采用以下试验方法:- 检验施工过程的合规性和质量控制;- 检验施工工艺的流程规范性和技术合理性。
4.4 工程质量管理体系检验方法在验证工程质量管理体系是否有效时,可以采用以下试验方法:- 检验质量管理文件的完整性和规范性;- 考核质量管理人员的素质和技能。
5. 设备要求在进行试验检验时,需要使用相应的设备和仪器,以保证试验结果的准确性和可靠性。
设备要求包括但不限于以下内容:- 试验机:用于材料强度试验;- 电子天平:用于测量材料密度等物理性能参数;- 抗风试验设备:用于工程结构的稳定性试验。
工艺开发方案模板1. 项目背景在工程行业中,工艺开发方案是一个关键性的文件,它描述了产品的生产流程、工艺参数和设备要求等内容。
本文档旨在提供一份工艺开发方案模板,以便于工程师们在开发工艺过程中能够有一个规范的文档格式作为指导。
2. 项目目标本工艺开发方案旨在实现以下目标: - 描述产品的生产流程,包括原材料的准备、加工过程和生产环节的控制等内容。
- 确定工艺参数,包括温度、压力、速度等关键参数的设定。
- 确定设备要求,包括需要使用的设备种类、设备数量和设备参数等内容。
3. 项目范围本工艺开发方案的适用范围包括以下内容:- 适用于特定产品的生产工艺开发。
- 需要明确工艺参数和设备要求的工艺开发。
4. 工艺开发过程本节描述了工艺开发的基本步骤。
1. 确定产品的需求和规范。
2. 分析现有工艺流程和设备。
3. 设计新的工艺流程和设备。
4. 完成设备选型和设备参数设定。
5. 进行试制和试验验证。
6. 优化工艺流程和设备参数。
7. 完善工艺开发方案文档。
5. 工艺开发方案结构本节描述了工艺开发方案的基本结构和内容要点。
5.1 项目简介工艺开发方案的第一部分是项目简介,包括项目背景、目标和范围等内容。
5.2 工艺流程描述工艺流程描述部分是工艺开发方案的核心内容,包括产品的生产流程、工艺控制点和控制参数等内容。
5.3 设备要求设备要求部分描述了工艺开发所需的设备种类、设备数量和设备参数等要求。
5.4 安全环保要求安全环保要求部分描述了在工艺开发过程中需要遵守的安全规定和环境保护要求。
5.5 工艺参数工艺参数部分描述了在工艺过程中需要设定和控制的关键参数,如温度、压力、速度等。
6. 工艺开发方案编写注意事项本节描述了在编写工艺开发方案时需要注意的事项。
6.1 文档格式工艺开发方案推荐使用Markdown文本格式进行编写,以便于版本控制和文档分享。
6.2 描述清晰在工艺开发方案中,需要对工艺流程、设备要求和工艺参数等内容进行清晰的描述,确保读者能够理解和执行。
工艺验证报告模板篇一:工艺验证方案模板XXXX工艺验证方案文件编码:XXXXXXX目录1. 2. 3. 4. 5. 6.目的 ................................................ ................................................... ........................................ 3 范围 ................................................ ................................................... ........................................ 3 职责 ................................................ ................................................... ........................................ 3 参考文件 ................................................ ................................................... ................................ 4 概述 ................................................................................................... ........................................ 4 验证前准备 ................................................ ................................................... ............................ 7 人员培训确认 ................................................ ................................................... ............................ 7 文件确认 ................................................ ................................................... .................................... 8 验证用仪器/设备确认 ................................................ ................................................... ................ 8 环境与介质确认 ................................................ ................................................... ......................... 8 7.验证实施 ................................................ ................................................... .. (9)原辅料/包材确认 ................................................ ................................................... ................ 9 XX工序 ................................................ ................................................... ...............................10 。
工艺设计方案模板工艺设计方案模板一、设计目标在本次工艺设计方案中,主要目标是对产品进行优化改进,提高生产效率、降低生产成本,同时保证产品质量和符合客户需求。
二、设计内容1. 设计工艺流程:根据产品的特点和需求,设计合理的生产工艺流程,确保生产过程的顺畅和高效。
2. 工艺设备选择:根据产品的要求,选择合适的工艺设备,包括机器设备、工具和工装,确保设备能够满足生产要求。
3. 工艺参数设定:根据产品的特点和工艺流程,确定合理的工艺参数,包括温度、时间、速度等,确保产品的质量和稳定性。
4. 生产线布局设计:根据生产工艺流程和生产能力要求,设计合理的生产线布局,提高生产效率和产品质量。
三、设计步骤1. 产品分析:对产品进行详细分析,了解产品的特点、用途和需求。
2. 工艺流程设计:根据产品的特点和需求,设计合理的工艺流程,确保生产过程的顺畅和高效。
3. 设备选择:根据产品的要求和工艺流程,选择合适的设备,包括机器设备、工具和工装。
4. 工艺参数设定:根据产品的特点和工艺流程,确定合理的工艺参数,包括温度、时间、速度等。
5. 生产线布局设计:根据生产工艺流程和生产能力要求,设计合理的生产线布局,提高生产效率和产品质量。
6. 检验和验证:对设计的工艺方案进行检验和验证,确保方案的可行性和有效性。
四、可行性分析1. 生产效率:通过对工艺流程的优化改进,能够提高生产效率,节约生产时间和成本。
2. 成本控制:通过合理选择设备和工艺参数,可以降低生产成本,提高产品竞争力。
3. 产品质量:通过科学设计和控制,可以提高产品质量和稳定性,满足客户需求和要求。
五、意义和影响1. 提高生产效率和降低生产成本,提高产品竞争力和盈利能力。
2. 提高产品质量和稳定性,提高客户满意度,树立企业形象。
3. 促进生产线的优化改进,提高企业的生产管理水平,增强企业的可持续发展能力。
六、总结本次工艺设计方案的目标是对产品进行优化改进,提高生产效率、降低生产成本,同时保证产品质量和符合客户需求。
工厂工艺技术方案模板工厂工艺技术方案一、方案目的本方案旨在提出一套完整的工厂工艺技术方案,以提高生产效率、降低生产成本,并提供优质的产品。
二、方案内容1.生产流程设计根据生产需求,优化生产流程,提高工作效率。
具体流程包括原料采购、原料加工、产品制造、包装、质量检验和产品出库。
2.自动化设备应用引入先进的自动化设备,提高生产效率,减少人工操作,降低生产成本。
同时,加强设备的维护和保养,确保设备长期稳定运行。
3.工艺参数控制通过对生产过程中的工艺参数进行精确控制,保证产品质量的稳定性。
建立监测系统,实时监控工艺参数,及时调整,防止产品出现质量问题。
4.质量管理体系建设建立质量管理体系,制定一套完善的质量管理流程,确保从原材料到成品的每一个环节都符合质量标准。
定期进行内部审核和外部认证,提高产品质量的可靠性和竞争力。
5.安全环保措施加强安全生产意识,建立和完善安全生产管理制度。
采取合理的环保措施,减少对环境的污染,实现可持续发展。
6.人员培训与管理对员工进行专业技能培训和安全教育,提高员工素质和工作技能。
建立健全的绩效考核制度,激发员工的工作积极性和创造力。
三、预期效果1.产能提升通过优化工作流程和引入自动化设备,预计生产能力将提升至10%以上。
2.成本降低通过增加工作效率和优化原料采购渠道,预计生产成本将降低10%以上。
3.产品质量提高通过精确控制工艺参数和建立质量管理体系,预计产品合格率将提高5%以上。
4.环境保护通过采取合理的环保措施,预计废气、废水排放将减少30%以上。
5.员工满意度提升通过培训和绩效考核,预计员工满意度将提高10%以上。
四、实施步骤1.制定实施计划制定详细的实施计划,明确每个步骤的时间、责任人和资源需求。
2.组织实施根据实施计划,组织相关部门和人员进行具体实施,确保各项工作按时完成。
3.监督评估设立监督评估机制,定期对实施效果进行评估,及时调整和改进方案。
4.总结经验在实施过程中,总结经验教训,为以后的工艺技术方案提供参考。
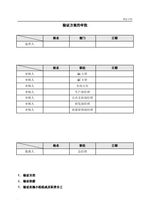
验证方案的审批1.验证目的2.验证依据3.验证实施小组组成及职责分工4.验证所用材料、设备及计量器具5.验证实施6.偏差处理7.验证结论8.验证评价附图1 工艺流程框图附录1 工艺过程简述附录2 相关SOP附录3 批生产记录附录4 批检验记录附录5 环境监测记录附表1 本验证方案培训记录附表2 SOP培训记录1.验证目的使用操作能够稳定生产出混合均匀的合格产品。
2. 验证依据本验证方案主要依据内控质量标准。
3.验证实施小组组成及职责分工3.1 验证小组成员验证小组组长:林建新3.2职责分工3.2.1生产部负责起草本验证报告。
3.2.2冻干车间,生产部,质量管理部负责本验证的实施,公共支持部,研发部配合实施,质量管理部负责审核本验证。
3.3培训验证参加人员已进行本验证方案的培训(见附表1):是□否□检查人:年月日审核人:年月日生产操作人员已进行与验证相关SOP培训(见附表2):是□否□检查人:年月日审核人:年月日4.验证所用材料、设备及计量器具4.1关键原材料的质量情况成品批号:评价:检查人:年月日审核人:年月日成品批号:评价:检查人:年月日审核人:年月日成品批号:评价:检查人:年月日审核人:年月日4.3关键仪器仪表评价:检查人:年月日审核人:年月日4.4公用系统评价:检查人:年月日审核人:年月日5.验证实施5.1验证的时间进度:2011年12月1日2个批次进行混粉验证。
5.2验证的具体实施5.2.1工艺流程框图,见附图1。
5.2.2验证步骤5.2.2.1。
5.2.2.25.2.2.35.2.2.3关键工艺参数成品批号:评价:检查人:年月日审核人:年月日成品批号:评价:检查人:年`月日审核人:年月日成品批号:评价:检查人:年`月日审核人:年月日5.2.2.4产品混粉、分装后,质量部对其进行成品取样、检验。
5.2.2.5对混后分装的每桶产品测含量、PH值和可见异物,含量做RSD,要求<5.0%、PH 要求级差<1.0、所有产品可见异物小于5,视为该批次产品混粉合格。
工艺方案模板工艺方案是指在需求分析的基础上,根据产品特性和生产工艺要求,通过工艺设计、生产规划和资源调配等过程,形成的详细工艺路线和作业指导文件。
工艺方案的编写对于产品的生产效益、质量稳定性和成本控制具有重要意义。
一、工艺方案编写的目的和意义1. 提供详细的工艺流程和操作指导,确保生产过程的稳定性和可控性。
2. 规范生产作业,提高工作效率,减少资源浪费。
3. 保证产品质量的稳定性和一致性,满足客户的需求和期望。
4. 降低成本,优化生产资源的利用,实现经济效益的最大化。
二、工艺方案的编写要点1. 产品描述:对产品的基本特性、外观要求、功能要求等进行详细描述,确保编写的工艺方案与产品需求一致。
2. 工艺流程:根据产品特性和生产工艺要求,确定生产过程中的每个环节,包括原材料准备、加工工艺、装配工序、检验工序等。
每个环节都应标明具体的工序和工艺参数。
3. 作业指导:为每个工序编写详细的操作指导,包括所需设备、工艺参数、工序顺序、质量要求等。
操作指导应简明扼要,避免使用专业术语和难以理解的语言。
4. 资源调配:根据生产需求和工艺流程,合理安排生产资源的调配,包括设备的使用、人员的安排、物料的供应等,确保生产过程的顺畅进行。
5. 质量控制:确定产品的质量标准和检验方法,确保每个工序的质量得以控制和保证。
同时,建立质量追溯体系,便于发现和排查问题。
6. 安全防护:针对每个工序和作业环节,制定相应的安全防护措施,保障员工的人身安全,避免事故的发生。
三、工艺方案编写的注意事项1. 深入了解产品需求:在编写工艺方案之前,需要充分了解产品的规格要求、材料特性、加工难点等,确保工艺方案与产品需求相匹配。
2. 合理利用工艺工具:借助工艺软件或工艺分析工具,对工艺路线进行仿真和优化,找出不足之处并加以改进。
3. 不断优化工艺方案:随着生产环境和技术水平的变化,工艺方案也需要不断进行优化和改进,提高生产效率和质量水平。
4. 多方合作:工艺方案的编写需要与生产、质检等相关部门进行密切合作,充分听取各方意见和建议,确保工艺方案的科学性和可行性。
工艺方案模板工艺方案模板1. 引言本文档为工艺方案模板,旨在提供一个规范的工艺方案书写格式,便于工艺工程师编写和分享工艺方案。
2. 背景在工业生产过程中,良好的工艺方案对于产品质量和生产效率至关重要。
工艺方案旨在指导生产工艺的设计和实施,包括工艺流程、工艺参数、工艺设备等内容。
因此,编写一份清晰、详细的工艺方案是非常必要的。
3. 工艺方案编写要求编写工艺方案时,应遵循以下要求:- **清晰明确**:方案中的内容要清晰明确,不留歧义,以便操作人员准确理解并执行。
- **完整详细**:方案应包含完整的工艺流程、工艺参数、工艺设备等信息,确保工艺设计的全面性和可操作性。
- **可操作性强**:方案中的工艺步骤应具有可操作性,操作人员能够根据方案准确执行工艺过程。
- **标准化**:方案应符合相关的标准和规范,确保工艺设计的合规性和稳定性。
- **易于修改**:方案应以文本格式编写,方便后续修改和更新。
4. 工艺方案的基本结构一个典型的工艺方案通常包含以下几个部分:4.1 方案概述方案概述部分对工艺方案进行简要说明,包括方案的背景、目的、适用范围等内容。
4.2 工艺流程工艺流程部分是工艺方案的核心内容,描述了产品的生产流程及各个步骤的操作方法。
可以采用图表、表格等形式进行展示。
4.3 工艺参数工艺参数部分列出了每个工艺步骤的关键参数,包括温度、压力、速度等参数,并对其范围进行规定。
4.4 工艺设备工艺设备部分列出了工艺所需的设备清单,包括设备名称、型号、数量等信息。
还可对设备的操作方法进行描述。
4.5 安全注意事项安全注意事项部分是为了保证工艺操作的安全性,在这部分应列出操作人员应注意的安全事项和安全操作规程。
4.6 质量控制质量控制部分描述了工艺过程中需要进行的质量控制措施,包括原材料检验、产品检验等内容。
4.7 常见问题及解决方法常见问题及解决方法部分列举了在工艺操作中可能会遇到的常见问题,并给出解决方法,方便操作人员参考。
工艺验证方案范文工艺验证是指对产品生产过程中的工艺参数进行验证、调整和优化,以确保产品能够满足设计要求,并达到一致的质量水平。
工艺验证是制定和改进工艺方案的重要环节,旨在降低生产成本、提高生产效率和保证产品质量。
下面是一个1200字以上的工艺验证方案。
一、引言工艺验证是指在生产过程中对工艺参数进行验证、调整和优化,以保证产品能够满足设计要求,并达到一致的质量水平。
有效的工艺验证方案可以降低生产成本、提高生产效率和保证产品质量。
本文将介绍一个工艺验证方案,以保证产品加工的一致性和稳定性。
二、工艺验证目标1.确定关键工艺参数和控制点。
2.评估工艺参数的稳定性和一致性。
3.优化工艺参数,使产品达到最佳性能。
4.验证工艺参数的合理性和准确性。
三、工艺验证步骤1.确定关键工艺参数和控制点首先,通过分析产品的工艺流程和特性,确定关键工艺参数和控制点。
关键工艺参数是影响产品性能和质量的关键因素,而控制点是对关键工艺参数进行监测和控制的位置。
2.评估工艺参数的稳定性和一致性在生产过程中,通过收集相关数据和样本,评估工艺参数的稳定性和一致性。
稳定性分析可以通过统计方法进行,例如计算均值、标准差和过程能力指数等。
一致性分析可以通过方差分析和假设检验等方法进行。
3.优化工艺参数基于稳定性和一致性的评估结果,优化工艺参数,使产品达到最佳性能。
优化方法可以采用试验设计和统计分析等技术,例如响应面法和正交试验设计等。
4.验证工艺参数的合理性和准确性通过验证实验,验证工艺参数的合理性和准确性。
验证实验应该采用典型样本和工艺条件,并进行多次重复测试和分析。
验证结果应该与设计要求进行比较和评估,以确定工艺参数是否能够满足产品要求。
四、工艺验证方案的关键因素1.数据收集和分析能力工艺验证需要大量的数据收集和分析能力,以评估工艺参数的稳定性和一致性。
因此,工艺验证方案中需要包括数据收集和分析的方法和技术,例如抽样方法、统计分析和软件工具等。
验证方案模板随着科技的不断发展,验证方案成为了各个行业中不可或缺的一部分。
无论是产品研发、工艺改进还是系统设计,验证方案都扮演着至关重要的角色。
它可以帮助我们确认产品或系统是否达到了设计的要求,并提供有效的方法来验证其性能和可靠性。
一、验证目标和要求验证方案的首要步骤是明确验证的目标和要求。
在此过程中,需要仔细分析产品或系统的设计要求,并据此制定相关的验证指标。
这些指标可以包括性能测试、可靠性评估、兼容性验证等。
通过明确验证目标和要求,我们可以确保验证工作有针对性和有效性。
二、验证方法和工具验证方法和工具是验证方案中的核心部分。
根据不同的验证目标和要求,我们可以选择不同的验证方法和工具。
常用的验证方法包括实验测试、仿真分析、统计分析等。
验证工具则可以是硬件设备、软件程序或者专业模拟软件。
选择合适的验证方法和工具可以提高验证的可信度和可行性。
三、验证实施计划验证实施计划是验证方案的具体执行计划。
在编制验证实施计划时,需要考虑到验证所需的时间、人力和资源等因素。
此外,还需要明确验证的顺序和步骤,并优化验证流程。
通过详细规划验证实施计划,我们可以确保验证过程的高效性和有效性。
四、数据采集和分析数据采集和分析是验证过程中的关键环节。
通过合理安排数据采集点,我们可以获取到验证所需的数据。
而数据分析则可以帮助我们理解和评估产品或系统的性能。
在数据采集和分析中,我们需要根据验证目标和要求,选择合适的数据采集方法和分析工具,并进行全面和深入的数据分析。
五、验证结果和结论验证结果和结论是验证方案的最终输出。
通过分析验证数据,我们可以得出对产品或系统性能的评估和结论。
如果验证结果符合设计要求,则可以得出产品或系统经过验证。
如果验证结果不符合设计要求,则需要针对问题进行分析和改进。
验证结果和结论可以为产品或系统的后续优化和改进提供重要参考。
六、验证报告和总结验证报告和总结是验证方案的最后一步。
通过编制验证报告,我们可以将验证过程和结果进行总结和归纳。
新工艺中试方案模版一、背景(介绍该工艺的背景,包括研发目标、市场需求等)二、研发目标(具体列出该工艺的研发目标,如提高生产效率、降低成本、提升产品质量等)三、研发内容1.原料准备(介绍原料的选择、配比等)2.工艺流程(详细描述该工艺的流程,包括各个步骤、操作条件等)3.装置设计与选型(根据工艺流程,设计相应的装置,并介绍选用的设备与参数)4.实验条件与测试方法(确定实验的条件和测试的方法,以保证实验的可行性和准确性)5.数据处理与分析(介绍如何对实验数据进行处理和分析,以掌握工艺的关键参数和效果)四、中试方案1.中试方案设计与安排(具体列出中试的设计和安排,包括中试规模、时间安排、人员组成、费用预算等)2.中试实施步骤(按照工艺流程和装置设计进行中试实施的步骤,包括操作流程、实验参数等)3.中试数据采集与分析(确定中试过程中需要采集的数据和分析的方法,以保证得到可靠的数据和结果)4.中试评价与改进措施(根据中试的结果进行评价,并提出改进措施,如调整工艺参数、改进装置设计等)五、中试安全措施(列出中试过程中需要注意的安全事项和措施,以确保实验操作的安全性)六、预期效果与应用前景(预测该工艺的效果和应用前景,如生产效率的提高、成本的降低、产品质量的提升等)七、总结(对整个中试方案进行总结,并展望未来的研发方向和目标)以上是一个新工艺中试方案的模板,可以根据具体情况进行修改和补充,以满足实际研发需求。
同时,为了保证中试方案的成功实施,还需要充分考虑实际操作和实验条件,以及可能出现的问题和风险,并提出相应的解决方案和应对措施。
工艺验证/确认方案产品名称:工艺名称:编制:审批:日期:1•验证/确认基本原则通过验证/确认过程确定主产环节的运行标准,通过对巳验证/确认状态进行监控,控制整个工艺过程,确保产品质量,并通过再验证/确认活动,进行定期评估,以确认工艺持续保持验证状态。
2•验证/确认项目概述为了验证在正常的生产条件和质量管理体系文件管理体系下能生产出符合预定质量标准的产品,根据验证管理文件的要求,对生产工艺进行验证/确认。
5.1工艺描述5.2关键工艺参数/质量属性5 : 3 主要设施设备5切安装确认(IQ)为确认安装或改造后的设施设备符合设计及制造商建议所作的各种查证及文件记录。
1)设备安装确认安装确认表2)操作工培训确认操作工培训确认表为确认巳安装的设施设备能在预期的范围内正常运行而作的试车、查证及文件记录。
对设备运行参数进行验证,以保证设备正常运转而满足生产要求。
1)设备运行确认设备运行确认表审核人/日期:2)设备断电后参数维持性确认设备断电后参数维持性确认表5.6性能确认(PQ)为确认巳安装的设施设备能够根据生产方法和产品的技术要求有效稳定运行所作的试样、查证及文件记录。
1)中心条件(对生产后的产品进行性能检验。
根据样品测量的结果对生产[艺参数进行判定,产品符合要求则该工艺为产品铸造的最佳工艺。
考虑到生产工艺受影响的因素较多,需要对产品XX工艺的范围进行确定。
产品的XX温度范圉为在最佳工艺的基础上温度偏差土xx°c,时间与最佳工艺参数一致。
3)工艺确认工艺确认记录表4)工艺确认检验记录[艺确认检验记录7•冉确认/冉验证1)当过程产品出现大批量不合格需再确认/再验证;2)生产工艺发生改变时需进行再确认/再验证;3)定期进行再确认/再验证,每两年进行一次。
8 .验证/确认报告综合所有验证/确认资料,整理验证结果,编写验证/确认报告,山验证/确认小组进行会签,验证/确认小组对验证/确认结果进行综合评审,做出结论。
工艺方案设计怎么写范文模板工艺方案设计怎么写作为一名职业策划师,设计好的工艺方案是确保项目顺利进行的重要因素之一。
本文将从六个方面详细介绍工艺方案的设计步骤和要点。
一、确定工艺流程工艺流程即是将项目的各项任务按照时间和顺序合理地排列,方便执行人员按照规定的流程执行任务。
在确定工艺流程时,需要充分考虑项目的实际情况,细致地分析每项任务的时间、人力、物资等资源,并合理地分配。
同时,在确定流程时,需要考虑到工艺流程的合理性、安全性和可行性,确保项目的顺利开展。
二、确定工艺参数工艺参数是指在工艺流程中需要考虑的各种参数,例如:温度、压力、速度等。
在确定工艺参数时,需要考虑到项目的实际情况,分析每项任务所需的参数,并在实际操作中进行调整。
同时,在确定参数时,需要考虑到工艺参数的合理性、稳定性和可控性,确保项目的顺利开展。
三、确定工艺设备工艺设备是指在工艺流程中需要使用的各种设备和机器。
在确定工艺设备时,需要考虑到项目的实际情况,分析每项任务所需的设备,并在实际操作中进行调整。
同时,在确定设备时,需要考虑到设备的质量、性能和可靠性,确保设备能够满足项目的需求。
四、确定工艺材料工艺材料是指在工艺流程中需要使用的各种原材料、配件等。
在确定工艺材料时,需要考虑到项目的实际情况,分析每项任务所需的材料,并在实际操作中进行调整。
同时,在确定材料时,需要考虑到材料的质量、性能和可靠性,确保材料能够满足项目的需求。
五、确定工艺检测工艺检测是指在工艺流程中需要进行的各种检测和测试。
在确定工艺检测时,需要考虑到项目的实际情况,分析每项任务所需的检测和测试,并在实际操作中进行调整。
同时,在确定检测时,需要考虑到检测的准确性、可靠性和可行性,确保检测结果能够满足项目的需求。
六、确定工艺标准工艺标准是指在工艺流程中需要遵循的各种标准和规定。
在确定工艺标准时,需要考虑到项目的实际情况,分析每项任务所需的标准和规定,并在实际操作中进行调整。
工艺技术模板工艺技术模板一、项目名称:二、项目背景:三、项目目标:四、项目内容:1. 工艺流程设计:(1)工艺流程图:(2)关键工艺参数:(3)工艺设备配置:(4)控制系统配置:2. 工艺试验:(1)试验方案设计:(2)试验样品制备:(3)试验条件:(4)试验结果分析:3. 工艺优化:(1)工艺参数调整:(2)工艺设备改进:(3)工艺控制系统优化:五、项目进度计划:1. 工艺流程设计阶段:(1)确定工艺流程图-截止日期:(2)确定关键工艺参数-截止日期:(3)确定工艺设备配置-截止日期:(4)确定控制系统配置-截止日期:2. 工艺试验阶段:(1)设计试验方案-截止日期:(2)制备试验样品-截止日期:(3)进行试验-截止日期:(4)分析试验结果-截止日期:3. 工艺优化阶段:(1)调整工艺参数-截止日期:(2)改进工艺设备-截止日期:(3)优化工艺控制系统-截止日期:六、项目实施团队:1. 项目负责人:2. 工艺设计师:3. 工艺试验员:4. 工程师:5. 控制系统专家:七、项目预算:1. 设备采购费用:2. 试验材料费用:3. 人员费用:4. 其他费用:五、项目风险分析:1. 技术风险:2. 安全风险:3. 成本风险:4. 进度风险:六、项目评估指标:1. 技术指标:2. 经济指标:3. 环境指标:七、项目收益评估:1. 技术进步:2. 成本降低:3. 资源利用:4. 经济效益:八、项目验收标准:1. 技术验收:2. 安全验收:3. 成本验收:4. 进度验收:九、项目实施方案书签:1. 工艺流程设计方案:2. 工艺试验方案:3. 工艺优化方案:4. 项目进度计划:5. 项目预算:6. 项目风险分析:7. 项目评估指标:8. 项目收益评估:9. 项目验收标准:以上为工艺技术模板,可根据具体情况进行修改和补充。
IQ/OQ/PQ验证方案模版使用说明:针对此模版使用者此模版应用于系统/设备确认验证方案的起草,规定了方案格式和通用内容。
因此系统/设备确认验证方案的产生形成过程必须以此模版给出的格式为指南并且要严格符合验证组织和实施sop(xxxxx)的要求。
此模版作为一个指导,由一些必须在实际操作中执行章节组成. 这些章节/ 内容项目以青色标明。
在完成这些青色标注的项目后必须用黑色字体的文字部分来代替,删除或覆盖掉。
而与本次验证不相关的部分/项目以黑字内容可直接从模版中删除。
方案批准:批准意味着该确认方案已经被审核并且是完整和可接收的。
目录(列出本文件的主要标题及相应的页码)1.验证小组签名 (3)2. 缩写和定义 (3)3. 参考文件 (3)1.验证小组签名在本验证中涉及的所有人员必须完成下表,作为在该文件中所有签名/首字母签名的识别(可增加表格行数)。
2. 缩写和定义此文件中可能使用的首字母缩写如下(可适当增减),通用的首字母缩写不用在此定义例如FDA, DQ, IQ, OQ, SOP, cGMPCIP 在线清洁CoC 变更控制CSV 计算机控制系统验证DAM 文件审批矩阵HMI 人机互动过程RA 影响评估通常也叫风险分析PID 工艺,管道系统图表PLC 可编程序逻辑控制器PQP 工程确认计划QSR 验证总结报告EHS 环境,健康和安全SRS 系统要求标准URS 用户需求标准3. 参考文件以下是在此文件可能引用参照的资源3.1 GMP规程3.1.1 欧盟GMP及其附录x3.1.2中国GMP及药品生产验证指南3.1.3 美国GMP3.1.4 中国药典X版3.1.5 欧洲药典X版3.1.6 美国药典X版3.2公司相关文件:3.2.1变更控制3.2.2客户/系统需求说明3.2.3验证主计划3.2.4验证的组织和实施3.2.5 IQ/OQ/PQ模板3.2.6 xxx系统操作手册或相应的SOP4. 风险因素分析列表说明存在的风险因素和避免措施5. 系统/设备介绍5.1 系统/设备名称,合同号,生产商,型号,出厂序列号,生产制造日期,厂内放置位置及所在房间号。
奥美沙坦酯工艺验证方案
湖南迪诺制药有限公司
目录
一、引言
1、概述
2、验证目的
二、生产工艺
三、生产匹配文件
四、生产过程验证
五、验证结果与评价
六、验证结果的最终审批
七、再验证周期
附录一、中间体Ⅰ合成工艺验证试验数据表
附录二、中间体Ⅰ合成工艺验证试验数据表
附录三、一次精制工艺验证实验数据表
附录四、二次精制工艺验证实验数据表
一、引言
1、概述:奥美沙坦酯原料药生产工艺规程是在经初步中试研究基础上制订出的产品生产
方法的文件,在对具体生产设备和生产环境验证合格的基础上以确认本工艺规
程是否对产品质量产生偏移,同时确认该工艺投入批量生产的可行性。
2、验证的目的
2.1 对奥美沙坦酯进行工艺验证,用已通过设备验证的生产设备系统,在生产上验证3个
连续商业化生产批量的产品,验证生产的工艺规程和“标准操作规程”的可行性和重现性,是否能够达到规定的质量标准。
2.2 根据验证过程,通过3个商业化生产批量的验证结果,确认是否需要调整工艺条件及
参数。
2.3 实际考查验证工艺条件对大生产的适应性,作出结论性报告。
2.4 制定切实可行的“工艺规程”和“标准操作规程”作为商业化生产的依据。
二、生产工艺:
1、生产工艺流程及说明(见奥美沙坦酯工艺规程及各岗位标准操作规程)
2、验证方法:按照工艺规程,批生产记录及岗位标准操作规程的要求和规定生产批量(投
料量1.0kg/批,生产三批),并按GMP文件要求对生产过程各点进行监控、测定,分析,讨论,评估,确认工艺过程的可行性及重现性。
3、生产品名:奥美沙坦酯
包装规格:1kg/桶
生产批量:1kg/批,共3批
4、生产工艺:(见奥美沙坦酯工艺规程)
三、奥美沙坦酯原料药生产需要的相关文件应与工艺规程中设立的软件相匹配
(见奥美沙坦酯工艺规程)
四、生产过程验证
4.1中间体Ⅰ合成反应
4.1.1目的:确认中间体Ⅰ合成反应过程与工艺规程要求相符,确证生产工艺的重现性。
4.1.2工艺规程规定的设备条件及生产条件
4.1.2.1工艺规程规定设备条件
4.1.2.2工艺规程规定的生产条件
合成反应温度:XX~XX℃合成反应时间:X小时
鼓风干燥温度:XX~XX℃鼓风干燥时间:X小时
4.1.2.3操作:按SOP-PR-???执行
4.1.3 过程监控评价
4.1.3.1工序评价项目及可接受标准,见表
4.1.3.2评价方法:每批产品的生产准备开始前,按照《生产前管理制度》(SMP-PR-???)检查反应釜,生产准备开始后检查文件及原材料。
生产产品名称批号检查人:年月日
生产产品名称批号检查人:年月日
生产产品名称批号检查人:年月日
4.1.3.3生产过程监控评价报告
评价人:日期:年月日4.1.4工艺评价
4.1.4.1评价项目及可接受标准
4.1.4.1.1评价项目: 奥美沙坦酯中间体Ⅰ合成反应摩尔收率及其质量情况
4.1.4.1.2方法: 按SOP操作,在热风循环烘箱的上、中、下分别取样,每点取样5g,分别用干燥带盖的容器盛装检测外观、含量、最大单杂、总杂。
计算奥美沙坦酯中间体Ⅰ合成反应摩尔收率
4.1.4.1.3评估标准:
4.1.5中间体Ⅰ合成反应工艺验证试验数据(附录一)
4.1.6工艺评价
评价人:日期:年月日4.1.7综合评价
评价人:日期:年月日4.2奥美沙坦酯合成反应
4.2.1目的:确认XXXX合成反应过程与工艺规程要求相符,确证生产工艺的重现性。
4.2.2工艺规程规定的设备条件及生产条件
4.2.2.1工艺规程规定的设备条件
4.2.2.2工艺规程规定的生产条件
合成反应温度:XX~XX℃合成反应时间:X小时
调节溶液pH≈X 降温至0-5℃,搅拌析晶XX小时
真空干燥温度:X~X℃真空干燥时间:X~X小时
4.2.2.3操作:按SOP-PR-???执行
4.2.3过程监控评价
4.2.3.1工序评价项目及可接受标准,见表
4.2.3.2评价方法:每批产品的生产准备开始前,按照《生产前管理制度》(SMP-PR-???检查反应釜,生产准备开始后检查文件及原材料。
生产产品名称批号检查人:年月日
生产产品名称批号检查人:年月日
生产产品名称批号检查人:年月日
4.2.3.3生产过程监控评价报告
评价人:日期:年月日4.2.4工艺评价
4.2.4.1评价项目及可接受标准
4.2.4.1.1评价项目:XXXX合成反应摩尔收率及其质量情况。
4.2.4.1.2方法:按SOP操作,在(单开门)真空干燥箱的上、中、下分别取样,每点取
样5g,分别用干燥带盖的容器盛装检测外观、含量、最大单杂、总杂。
计算奥
美沙坦酯合成反应摩尔收率。
4.2.4.1.3评估标准:
4.2.5XXXXX合成反应工艺验证试验数据(附录二)
4.2.6工艺评价报告
评价人:日期:年月日4.2.7综合评价报告
评价人:日期:年月日4.3奥美沙坦酯一次精制
4.3.1目的:确认奥美沙坦酯一次精制过程与工艺规程要求相符,确证生产工艺的重现性。
4.3.2工艺规程规定的设备条件及生产条件
4.3.2.1工艺规程规定的设备条件
4.3.2.2工艺规程规定的生产条件
奥美沙坦酯合成反应温度、时间:80℃、3小时。
XXXX真空干燥温度、时间:65~70℃、8~12小时。
XXX一次精制品合成反应温度、时间:室温、2小时。
降温至0~5℃,搅拌析晶2~3小时。
XXXX星一次精制品干燥温度、时间:40~45℃、8~12小时。
4.3.2.3操作:按SOP-PR-???执行
4.3.3过程监控评价
4.3.3.1工序评价项目及可接受标准,见表
4.3.3.2评价方法:每批产品的生产准备开始前,按照《生产前管理制度》(SMP-PR-???检查反应釜,生产准备开始后检查文件及原材料。
生产产品名称批号检查人:年月日
生产产品名称批号检查人:年月日
生产产品名称批号检查人:年月日
4.3.3.3生产过程监控评价报告
评价人:日期:年月日4.3.4工艺评价
4.3.4.1评价项目及可接受标准
4.3.4.1.1评价项目:XXXX一次精制重量收率及其质量情况。
4.3.4.1.2方法:按SOP操作,在(单开门)真空干燥箱的上、中、下分别取样,每点取
样5g,分别用干燥带盖的容器盛装检测外观、含量、最大单杂、总杂。
计算奥
美沙坦酯合成反应摩尔收率。
4.3.4.1.3评估标准:
4.3.5XXXXX一次精制工艺验证试验数据(附录三)
4.3.6工艺评价报告
评价人:日期:年月日4.3.7综合评价报告
评价人:日期:年月日
4.4XXXX二次精制
4.4.1目的:确认XXXXX二次精制过程与工艺规程要求相符,确证生产工艺的重现性。
4.4.2工艺规程规定的设备条件及生产条件
4.4.2.1工艺规程规定的设备条件
4.4.2.2工艺规程规定的生产条件
脱色时间、温度:30分钟、80~90℃。
析晶温度、时间:0~5℃、0.5~1小时。
真空干燥温度、时间:40~45℃、8~12小时。
4.4.2.3操作:按SOP-PR-???执行
4.4.3过程监控评价
4.4.3.1工序评价项目及可接受标准,见表
4.4.3.2评价方法:每批产品的生产准备开始前,按照《生产前管理制度》(SMP-PR-???检查反应釜,生产准备开始后检查文件及原材料。
生产产品名称批号检查人:年月日
生产产品名称批号检查人:年月日
生产产品名称批号检查人:年月日
4.4.3.3生产过程监控评价报告
评价人:日期:年月日4.4.4工艺评价
4.4.4.1评价项目及可接受标准
4.4.4.1.1评价项目:XXXX二次精制重量收率及其质量情况。
4.4.4.1.2方法:按SOP操作,在(双开门)真空干燥箱的上、中、下分别取样,每点取
样5g,分别用干燥带盖的容器盛装检测外观、含量、有关物质、比旋度、酸度、
水分、炽灼残渣、残留溶剂。
计算奥美沙坦酯合成反应摩尔收率。
4.4.4.1.3评估标准:
4.4.5XXXXX二次精制工艺验证试验数据(附录四)
4.4.6工艺评价报告
评价人:日期:年月日
4.4.7综合评价报告
评价人:日期:年月日五、验证结果与评价
评价人:日期:年月日
六、验证结果的最终审批
6.1验证结果的审批
6.2验证结果的批准
质保部: 日期:年月日验证主管领导:
日期:年月日
七、再验证周期
7.1正常情况每两年再验证一次;
7.2工艺有变更时进行再验证;
7.3关键生产设备变更时进行再验证;
7.4质量控制方法变更时进行再验证;
7.5主要原辅料变更时进行再验证。
附录一
中间体Ⅰ合成工艺验证试验数据表
附录二
奥美沙坦酯合成工艺验证试验数据表
附录三
一次精制工艺验证实验数据表
附录四
二次精制工艺验证实验数据表。