轻钢龙骨吊顶 隐蔽工程验收记录
- 格式:doc
- 大小:22.50 KB
- 文档页数:1
轻钢龙骨吊顶隐蔽工程验收记录哎呀,这可是个大活儿啊!今天我们要验收的可是轻钢龙骨吊顶隐蔽工程,可不是闹着玩儿的。
咱们得认真对待,一点儿也不能马虎。
好了,不多说了,让我们开始吧!我们来看看这个轻钢龙骨吊顶的材料。
哎呀,这可是关系到整个工程质量的问题啊!我们得看看这些龙骨是不是结实,有没有锈迹斑斑的地方。
嗯,看起来还不错,没有发现什么问题。
那接下来,我们就要检查一下这些龙骨的安装情况了。
1. 1.1 检查龙骨的安装位置哎呀,这个位置可是不能马虎的啊!要是安装不牢靠,到时候吊顶掉下来,那可就麻烦了。
所以,我们得仔细检查一下这些龙骨的安装位置是否正确。
嗯,看起来都安装得很牢固,没有什么问题。
1.2 检查龙骨的连接方式好的,接下来我们来看一看这些龙骨之间的连接方式。
哎呀,这个可是关系到整个吊顶的稳定性的问题啊!我们得看看这些连接件是不是牢固,有没有松动的地方。
嗯,看起来都连接得很紧密,没有发现什么问题。
2. 1.1 检查吊顶板的平整度哎呀,这个可是关系到美观度的问题啊!要是吊顶板不平整,那整个房间看起来就会很不舒服。
所以,我们得仔细检查一下这些吊顶板的平整度。
嗯,看起来都挺平整的,没有什么问题。
2.2 检查吊顶板的颜色和花纹好的,接下来我们来看一看这些吊顶板的颜色和花纹。
哎呀,这个可是关系到整个房间氛围的问题啊!我们得看看这些吊顶板的颜色和花纹是不是跟我们的装修风格相符。
嗯,看起来都挺搭配的,没有什么问题。
3. 1.1 检查风口的位置和数量哎呀,这个可是关系到通风效果的问题啊!要是风口的位置不对或者数量不够,那到时候房间里空气流通不好,那就糟糕了。
所以,我们得仔细检查一下这些风口的位置和数量。
嗯,看起来都安排得挺合理的,没有什么问题。
3.2 检查风口的大小和形状好的,接下来我们来看一看这些风口的大小和形状。
哎呀,这个可是关系到室内空气质量的问题啊!我们得看看这些风口的大小和形状是不是能保证空气流通畅通无阻。
质控(建)表 4.1.5.3 共页第页质控(建)表 4.1.5.3 共页第页质控(建)表 4.1.5.3 共页第页质控(建)表 4.1.5.3 共页第页质控(建)表 4.1.5.3 共页第页质控(建)表 4.1.5.3 共页第页质控(建)表 4.1.5.3 共页第页质控(建)表 4.1.5.3 共页第页质控(建)表 4.1.5.3 共页第页质控(建)表 4.1.5.3 共页第页质控(建)表 4.1.5.3 共页第页质控(建)表 4.1.5.3 共页第页质控(建)表 4.1.5.3 共页第页质控(建)表 4.1.5.3 共页第页质控(建)表 4.1.5.3 共页第页质控(建)表 4.1.5.3 共页第页质控(建)表 4.1.5.3 共页第页质控(建)表 4.1.5.3 共页第页质控(建)表 4.1.5.3 共页第页质控(建)表 4.1.5.3 共页第页质控(建)表 4.1.5.3 共页第页质控(建)表 4.1.5.3 共页第页质控(建)表 4.1.5.3 共页第页质控(建)表 4.1.5.3 共页第页质控(建)表 4.1.5.3 共页第页质控(建)表 4.1.5.3 共页第页质控(建)表 4.1.5.3 共页第页质控(建)表 4.1.5.3 共页第页质控(建)表 4.1.5.3 共页第页质控(建)表 4.1.5.3 共页第页质控(建)表 4.1.5.3 共页第页质控(建)表 4.1.5.3 共页第页质控(建)表 4.1.5.3 共页第页质控(建)表 4.1.5.3 共页第页质控(建)表 4.1.5.3 共页第页质控(建)表 4.1.5.3 共页第页质控(建)表 4.1.5.3 共页第页质控(建)表 4.1.5.3 共页第页质控(建)表 4.1.5.3 共页第页质控(建)表 4.1.5.3 共页第页。
隐蔽工程验收记录骨架隔墙隐蔽工程验收记录统表第 1 页共2页常州市体育场游泳馆室内工程名称项目经理陈米良装饰工程(B3)标段分项工程名称骨架隔墙专业工长茅惠进隐蔽工程项目比赛大厅轻钢龙骨隔墙施工单位江苏华淳建设工程有限公司GB50210-2001 施工标准名称及代号施工图名称及编号监理(建设)单位验收质量要求施工单位自查记录记录隔墙采用75轻钢龙骨,单面隔墙用龙骨、配件、墙面封双层12mm厚防水石膏板,板符合设计要求隔墙高度为4m,符合设计要求天龙骨、38横撑龙骨与墙面的木针固定,且固定牢固,地隔墙龙骨间距和构造连接龙骨与原混凝土地面固定牢隐蔽工程部位方法符合设计要求固,75竖向龙骨间距400mm,38横撑龙骨间距1000mm,符合设计要求所有木结构刷防火漆应符所有木结构刷防火漆3度,符合设计要求合设计要求施工单位自查结论施工单位项目技术负责人:年月日监理(建设)单位验收结论监理工程师(建设单位项目负责人): 年月日注:钢结构隔墙详图附后。
墙面造型木龙骨基层隐蔽工程验收记录统表第 1 页共2 页常州市体育场游泳馆室内工程名称项目经理陈米良装饰工程(B3)标段分项工程名称骨架隔墙专业工长茅惠进四层包间墙面造型木龙骨隐蔽工程项目施工单位江苏华淳建设工程有限公司基层GB50210-2001 施工标准名称及代号施工图名称及编号监理(建设)单位验收质量要求施工单位自查记录记录墙面基层龙骨采用25*30木墙面龙骨、配件、墙面板龙骨钉制,且钉制牢固符合设符合设计要求计要求墙面基层龙骨与固定在墙面的木针固定,且固定牢固,横墙面龙骨间距和构造连接向龙骨间距300mm,竖向龙隐蔽工程部位方法符合设计要求骨间距300mm,符合设计要求木结构防火应符合设计要所有木结构刷防火漆3度符求合设计要求施工单位自查结论施工单位项目技术负责人:年月日监理(建设)单位验收结论监理工程师(建设单位项目负责人): 年月日注:木龙骨结构详图附后。
3隐蔽工程验收记录项目名称:XXX工程项目地点:XXX地区施工单位:XXX公司验收单位:XXX监理单位工程名称:XXX隐蔽工程验收日期:XXXX年XX月XX日一、背景介绍XXX工程是位于XXX地区的一处新建工程,总建筑面积为XXX平方米,主要包括办公楼、停车场等建筑设施。
本次验收的隐蔽工程包括水电、通风、给排水等隐蔽工程部分。
二、隐蔽工程验收内容1.水电隐蔽验收(1)水暖管道安装情况:检查水暖管道的布置是否符合设计要求,管道是否牢固安装、无渗漏。
(2)电气线路安装情况:检查电线的敷设是否规范,插座开关是否安装牢固、电线接头是否绝缘等。
2.通风隐蔽验收(1)通风管道安装情况:检查通风管道的布置是否合理,管道是否清洁无积尘。
(2)送风口、回风口安装情况:检查送风口和回风口的位置是否合适,安装是否稳固。
3.给排水隐蔽验收(1)排水管道安装情况:检查排水管道的施工质量,管道是否畅通无堵塞。
(2)给水管道安装情况:检查给水管道的连接是否密封,无渗漏现象。
三、隐蔽工程验收结果1.水电隐蔽验收:水暖管道和电气线路均安装符合要求,各项指标均合格。
2.通风隐蔽验收:通风管道布置合理,清洁无积尘,送风口和回风口位置符合要求。
3.给排水隐蔽验收:排水给水管道安装妥善,排水管道清洁无堵塞,给水管道无渗漏现象。
四、存在问题及整改措施1.水电隐蔽部分存在部分管道连接处稍有松动,需重新安装。
2.通风隐蔽部分部分送风口回风口位置不够合理,需进行调整。
3.给排水隐蔽部分排水管道出现渗漏现象,需重新处理。
五、隐蔽工程验收结论XXX隐蔽工程部分经过验收,大部分项符合验收要求,但仍存在部分问题需要整改。
施工单位应按照验收单位的整改意见进行整改,待整改完成后申请复验,确保隐蔽工程部分的质量达到要求,为后续工程的顺利进行打下基础。
六、验收单位意见经过本次隐蔽工程验收,发现部分问题需要整改,希望施工单位能够认真对待,按照整改要求进行处理,确保工程质量。
轻钢龙骨吊顶隐蔽工程验收记录哎呀,这可是个大工程啊!今天我们要验收的就是轻钢龙骨吊顶的隐蔽工程。
别看这个名字听起来挺高大上,其实就是在天花板上安装一些龙骨,然后再把吊顶板挂在上面。
这个工程可是关系到我们家能不能装得漂亮、住得舒服呢!我们得看看这些龙骨是不是牢固。
咱们先来看看这些龙骨的材质吧。
好的轻钢龙骨应该是由镀锌钢板制成的,这样才能保证不会生锈。
而且,龙骨的厚度也很重要,一般来说,厚度越大,强度越高,越能承受重量。
所以,我们得用卡尺量一下这些龙骨的厚度,确保它们符合标准。
接下来,我们要检查这些龙骨的位置是否准确。
毕竟,如果龙骨安错了位置,吊顶板就可能安装不平整,影响美观。
所以,我们得用水平仪来测量一下龙骨的位置是否水平。
如果发现有偏移的地方,就得及时调整。
然后,我们还要检查一下这些龙骨之间是否有缝隙。
如果有缝隙,就会让冷风从缝隙里吹进来,影响室内的温度。
所以,我们得用塞尺来检查一下龙骨之间的缝隙是否达到了标准。
如果发现缝隙过大,就得用密封材料进行填补。
好了,经过我们的一番检查,这些轻钢龙骨看起来都还不错。
接下来,我们就要开始安装吊顶板了。
这个过程也是非常重要的,因为吊顶板不仅要起到遮挡管道的作用,还要起到隔音、保温的作用。
所以,我们得找一个靠谱的装修师傅来安装。
在安装吊顶板之前,我们还得先把天花板上的灰尘和杂物清理干净。
这样才能保证吊顶板能够平整地贴在上面。
然后,我们就可以开始安装了。
要把吊顶板固定在龙骨上。
这个过程需要用到螺丝钉和胶水。
我们得确保每个吊顶板都能够牢固地固定在龙骨上。
接下来,就是铺装吊顶板的过程了。
这个过程有点像铺地板一样,需要一块一块地拼接起来。
不过,这个过程可不能马虎哦!因为一旦铺装不好,就会影响到整个吊顶的效果。
所以,我们得一步一步地仔细操作。
就是收尾工作了。
我们需要把吊顶板的边缘修整一下,让它更加整齐美观。
我们还要检查一下吊顶板之间是否有缝隙,确保没有遗漏的地方。
好了,经过我们的一番努力,这个轻钢龙骨吊顶的隐蔽工程终于完工啦!现在,我们的家里看起来整洁多了,也更加舒适了。
轻钢龙骨吊顶隐蔽工程验收记录1. 轻钢龙骨吊顶的初体验嘿,朋友们!今天咱们聊聊轻钢龙骨吊顶,尤其是那些看不见的隐蔽工程,听起来是不是很神秘?其实,这可真是个“隐形战斗机”,在我们头顶默默发挥着大作用。
想象一下,装修的时候大家都把注意力放在墙壁和地板上,却往往忽视了吊顶的细节。
可别小看这吊顶,它可关乎着房子的整体美观和实用性呢!首先,轻钢龙骨就是吊顶的“骨架”,可以说是支撑整个“屋顶”的大功臣。
要是没有了它,咱们的吊顶可就成了“无本之木”,随时都有崩塌的风险。
所以在验收的时候,我们得仔细查看这些龙骨的质量。
是不是直的?是不是稳的?你可不能让那龙骨像个吃了弹簧的疯子,动不动就晃一晃,那可不行!1.1 验收前的准备工作说到验收,首先得做好功课。
准备材料的时候,咱们得先把相关的标准和图纸拿出来,像武林高手比武前先要了解对手的招式一样。
然后,再找一个能干的师傅,最好是有经验的,这样咱们才能放心。
检查时,咱们得从顶部开始,看看龙骨的安装是否符合图纸要求。
别让它在这儿“失踪”了,龙骨没装好的话,吊顶就没戏。
验收的时候,还得摸摸它,稳不稳,别让它软绵绵的像个没精神的菜包,真让人心慌。
1.2 吊顶的隐藏问题接下来,咱们可得留意那些“隐形”的问题。
比如,龙骨的间距是否合理?太远了,吊顶就容易塌,太近了,又浪费材料,真是个“两难”啊!而且,咱们还得检查龙骨的连接部位,不能让它像个“拼图”一样,拼凑得稀里糊涂,稳固性可不能打折扣。
还有,别忘了电线、管道的走向。
这些“隐形战士”可是得好好安置,不然一旦拆了吊顶,哎呀,电线乱七八糟的,就像一盘被打翻的面条,真是让人头疼。
记得查看电线的保护措施,确保它们不会被尖锐的龙骨划伤,这可关系到未来的用电安全!2. 吊顶验收的关键环节到了验收的关键时刻,咱们可不能马虎。
首先,要用水平仪来测量龙骨的水平度,确保它们都是“平平无奇”的状态。
要是出现高低不平,那吊顶效果可就打了折扣,视觉上简直就是“心里有鬼”!还有一个小窍门,就是用手轻轻敲打一下龙骨,听听声音。
吊顶工程质量验收规范(精)6.吊顶工程6.1 一般规定6.1.1 本章适用于暗龙骨吊顶、明龙骨吊顶等分项工程的质量验收。
6.1.2 吊顶工程验收时应检查以下文件和记录:1.吊顶工程的施工图、设计说明及其他设计文件。
2.材料的产品合格证书、性能检测报告、进场验收记录和复验报告。
3.隐蔽工程验收记录。
4.施工记录。
6.1.3 吊顶工程应对人造木板的甲醛含量进行复验。
6.1.4 吊顶工程应对以下隐蔽工程项目进行验收:1.吊顶内管道、设备的安装及水管试压。
2.木龙骨防火、防腐处理。
3.预埋件或拉结筋。
4.吊杆安装。
5.龙骨安装。
6.填充材料的设置。
6.1.5 各分项工程的检验批应按以下规定划分:同一品种的吊顶工程每50间(大面积房间和走廊按吊顶面积30m²为一间)应划分为一个检验批,不足50间也应划分为一个检验批。
6.1.6 检查数量应符合以下规定:每个检验批应至少抽查10%,并不得少于3间;不足3间时应全数检查。
6.1.7 安装龙骨前,应按设计要求对房间净高、洞口标高和吊顶内管道、设备及其支架的标高进行交接检验。
6.1.8 吊顶工程的木吊杆、木龙骨和水饰面板必须进行防火处理,并应符合有关设计防火规范的规定。
6.1.9 吊顶工程中的预埋件、钢筋吊杆和型钢吊杆应进行防锈处理。
6.1.10 安装饰面板前应完成吊顶内管道和设备的调试及验收。
6.1.11 吊杆距主龙骨端部距离不得大于300mm,当大于300mm时,应增加吊杆。
当吊杆长度大于1.5m时,应设置反支撑。
当吊杆与设备相遇时,应调整并增设吊杆。
6.1.12 重型灯具、电扇及其他重型设备严禁安装在吊顶工程的龙骨上。
6.2 暗龙骨吊顶工程6.2.1 本节适用于以轻钢龙骨、铝合金龙骨、水龙骨等为骨架,以石膏板、金属板、矿棉板、木板、塑料板或格栅等为饰面材料的暗龙骨吊顶工程的质量验收。
6.2.2 吊顶标高、尺寸、起拱和造型应符合设计要求。
检验方法:观察;尺量检查。
暗龙骨吊顶隐蔽工程检查验收记录编号:(01-18)/ 03-02 /(04-02/05-16/06-17/08-20/09-01)□□□实木地板基层隐蔽工程检查验收记录编号:(01-18)/ 03-02 /(04-02/05-16/06-17/08-20/09-01)□□□电气照明安装隐蔽工程检查验收记录编号:(01-18/03-02/04-02/05-16)/06-17/(08-20/09-01)□□□电气照明安装隐蔽工程检查验收记录编号:(01-18/03-02/04-02/05-16)/06-17/(08-20/09-01)□□□钢结构隐蔽工程检查验收记录编号:(01-18)/ 03-02 /(04-02/05-16/06-17/08-20/09-01)□□□骨架隔墙隐蔽工程检查验收记录编号:(01-18)/ 03-02 /(04-02/05-16/06-17/08-20/09-01)□□□木饰面基层隐蔽工程检查验收记录编号:(01-18)/ 03-02 /(04-02/05-16/06-17/08-20/09-01)□□□室内给水系统隐蔽工程检查验收记录编号:(01-18/ 03-02 /04-02/)05-16(/06-17/08-20/09-01)□□□室内排水系统隐蔽工程检查验收记录编号:(01-18/ 03-02 /04-02/)05-16(/06-17/08-20/09-01)□□□电气照明安装 隐蔽工程检查验收记录编号:(01-18/03-02/04-02/05-16)/06-17/(08-20/09-01)□□□电气照明安装 隐蔽工程检查验收记录编号:(01-18/03-02/04-02/05-16)/06-17/(08-20/09-01)□□□电气照明安装 隐蔽工程检查验收记录编号:(01-18/03-02/04-02/05-16)/06-17/(08-20/09-01)□□□电气照明安装 隐蔽工程检查验收记录编号:(01-18/03-02/04-02/05-16)/06-17/(08-20/09-01)□□□。
隐蔽工程验收记录填写范例一、地基基础工程与主体结构工程1、土方工程(1)检查内容:依据施工图纸、地质勘察报告、有关施工验收规范要求底标高,基底轮廓尺寸等情况;检查基底清理情况,基底标高,基底轮廓尺寸等情况;(2)填写要点:土方工程隐检记录中要注明施工图纸编号,地质勘测报告编号,将检查内容描述清楚.2、支护工程(1)检查内容:依据施工图纸、有关施工验收规范要求和基坑支护方案、技术交底、检查锚杆、土钉的品种规格、数量、插入长度、钻孔直径、深度和角度;检查地下连续墙成槽宽度、深度、倾斜度、钢筋笼规格、位置、槽底清理、沉渣厚度情况;(2)填写要点:支护工程隐检记录中要注明施工图纸编号,地质勘测报告编号,锚杆、土钉的品种规格、数量、插入长度、钻孔直径等主要数据描述清楚.3、桩基工程(1)检查内容:依据施工图纸、有关施工验收规范要求和桩基施工方案、技术交底,检查钢筋笼规格、尺寸、沉渣厚度、清孔等情况;(2)填写要点:桩基工程隐检记录中要注明施工图纸编号,地质勘测报告编号,将检查的钢筋规格、尺寸、沉渣厚度、清孔等情况描述清楚.4、地下防水工程(1)检查内容:依据施工图纸、有关施工验收规范要求和防水施工方案、技术交底、检查混凝土的变形缝、施工缝、后浇带、穿墙套管、预埋件等设置的形式和构造等情况;检查防水层的基层处理,防水材料的规格、厚度、铺设方式、阴阳角处理、搭接密封处理等情况;(2)填写要点:地下防水工程隐检记录中要注明施工图纸编号、刚性防水混凝土的强度等级、抗渗等级,柔性防水材料的编号、规格、防水材料的复试报告编号、施工铺设方法、搭接长度、宽度尺寸等情况,还应将阴阳角处理、附加层情况等描述清楚,必要时可附简图加以说明.5、结构钢筋绑扎(1)检查内容:依据施工图纸、有关施工验收规范要求和钢筋施工方案、技术交底、检查钢筋的品种、规格、数量、位置、锚固和接头位置、搭接长度、保护层厚度,钢筋及垫块绑扎和钢筋除锈等情况;(2)填写要点:钢筋工程隐检记录中要注明施工图纸编号,主要钢筋原材复试报告编号,钢筋竖向水平各自的型号、排距、保护层尺寸,箍筋的型号,间距尺寸,钢筋绑扎接头长度尺寸,垫块规格尺寸等,若钢筋规格与图纸不相符,还应将钢筋代用变更的洽商编号填写清楚,检查内容应尽量描述清楚.6、结构钢筋连接(1)检查内容:依据施工图纸、有关施工验收规范要求和钢筋施工方案、技术交底,检查连接形式、连接种类、接头位置、数量和连接质量,若是焊接,还要检查焊条、焊剂的产品质量,检查焊口形式、焊缝长度、厚度、表面清渣等情况;(2)填写要点:钢筋连接隐检记录中要注明施工图纸编号,钢筋连接试验报告编号,钢筋连接的种类(焊接、机械连接),连接形式(锥螺纹连接、滚压直螺纹连接、钢套筒连接、剥肋直螺纹连接、电渣压力焊、闪光对焊等),焊(连)接的具体规格尺寸、数量、接头位置应描述清楚,对不同连接形式分别填写隐检记录.7、预应力工程(1)检查内容:依据施工图纸、有关施工验收规范要求和预应力施工方案、技术交底,检查预应力筋的品种、规格、数量、位置,预留孔道的规格、数量、位置、形状及灌浆孔、排气兼泌水管的情况等,预应力筋的下料长度、切断方法、竖向位置偏差、固定、护套的完整性,锚具、夹具和连接器的组装等情况,锚固区中加强构造情况.(2)填写要点:预应力工程隐检记录中要注明施工图纸编号,预应力的种类(有粘结或无粘接),预应力的方法(先张法、后张法),锚具的规格型号,预应力筋的长度尺寸,预埋垫板的尺寸等,将检查内容描述清楚.8、钢结构(网架)工程(1)检查内容:依据施工图纸、有关施工验收规范要求和施工方案、技术交底,检查地脚螺栓规格、位置、埋设方法、紧固情况等;防火涂料涂装基层的涂料遍数及涂层厚度;网架焊接球节点的连接方式、质量情况;网架支座锚栓的位置、支撑垫块的种类及锚栓的紧固情况等;(2)填写要点:钢结构(网架)工程隐检记录中要注明施工图纸编号,主要材料的型号规格,主要原材料的复试报告编号,将检查内容描述清楚.9、外墙内(外)保温构造节点做法(1)检查内容:依据施工图纸、有关施工验收规范要求和施工方案、技术交底,检查构造节点的连接方法等情况;(2)填写要点:隐检记录中要注明施工图纸编号、保温材料的种类规格、厚度,可附与外墙板连接的节点简图等.将检查内容描述清楚.二、建筑装饰装修工程1、地面工程(1)检查内容:依据施工图纸、有关施工验收规范要求和施工方案、技术交底,检查各基层(垫层、找平层、隔离层、填充层)的材料品种、规格、铺设厚度、铺设方式、坡度、标高、表面情况、节点密封处理等情况;(2)填写要点:地面工程隐检记录中要注明施工图纸编号,地面铺设的类型(石材地面、木材地面、水泥地面、板材地面),材料的品种规格等,将检查内容描述清楚.2、厕浴防水(1)检查内容:依据施工图纸、有关施工验收规范要求和施工方案、技术交底,检查基层表面含水率、地漏、套管、卫生器具根部、阴阳角等部位的处理情况,防水层墙面的涂刷情况.(2)填写要点:厕浴防水隐检记录中要注明施工图纸编号,防水材料的复试报告编号,防水材料的品种、涂刷厚度,玻钎布的搭接宽度,地漏、套管、卫生器具根部附加层的情况,防水层从地面延伸到墙面的高度尺寸等,将检查内容描述清楚.3、抹灰工程(1)检查内容:依据施工图纸、有关施工验收规范要求和施工方案、技术交底,检查具有加强措施的材料规格、固定方法、搭接情况等;(2)填写要点:抹灰工程隐检记录中要注明施工图纸编号,水泥复试报告编号,应将不同材料交接处表面的抹灰采取防止开裂的加强措施描述清楚.4、门窗工程(1)检查内容:依据施工图纸、有关施工验收规范要求和施工方案、技术交底,检查预埋件和锚固件、螺栓等数量、位置、间距、埋设方式,与框的连接方式、防腐处理、缝隙的嵌填、密封材料的粘结等情况;(2)填写要点:门窗工程隐检记录中要注明施工图纸编号,门窗的类型(木门窗、铝合金门窗、塑料门窗、玻璃门、金属门、防火门),预埋件和锚固件的位置,木门窗预埋木砖的防腐处理、与墙体间缝隙的填嵌材料、保温材料等;金属门窗的预埋件位置、埋设方式、密封处理等情况;塑料门窗内衬型钢的壁厚尺寸,门窗框、副框和扇和安装固定片活膨胀螺栓的数量等情况要描述清楚;特种门窗的防火防腐处理,与框的连接方式等.5、吊顶工程(1)检查内容:依据二次设计施工图纸、有关施工验收规范要求和施工方案、技术交底,检查吊顶龙骨材质、规格、间距、连接固定方式、表面防火防腐处理、吊顶材料外观质量情况、接缝和角缝情况等;(2)填写要点:吊顶工程隐检记录中要注明施工图纸编号,洽商记录编号,吊顶类型(明龙骨吊顶、暗龙骨吊顶),采用骨架类型(轻钢龙骨、铝合金龙骨、木龙骨等),吊顶材料的种类(石膏板、金属板、矿棉板、塑料板、玻璃板),材料的规格,吊杆、龙骨的材质、规格、安装间距及连接方式,金属吊杆、龙骨表面的防腐处理,木龙骨的防腐、防火处理等情况描述清楚,吊顶内的各种管道设备的检查及水管试压等情况也应描述清楚.6、轻质隔墙工程(1)检查内容:依据施工图纸、有关施工验收规范要求和施工方案、技术交底,检查预埋件、连接件、拉结筋的位置、数量、连接方法、与周边墙体及顶棚的连接、龙骨连接、间距、防火防腐处理,填充材料设置等情况;(2)填写要点:轻质隔墙工程隐检记录中要注明施工图纸编号,轻质隔墙的类型(板材隔墙、骨架隔墙、活动隔墙、玻璃隔墙),板材种类(复合轻质隔墙板、石膏空心板、预制或现制钢丝网水泥板等),规格型号,预埋件、连接件的位置及连接方法应描述清楚.7、饰面板(砖)工程(1)检查内容:依据二次设计施工图纸、有关施工验收规范要求和施工方案、技术交底,检查预埋件(后置埋件)、连接件规格、数量、位置、连接方法、防腐处理、防火处理等情况,有防水构造要求的应检查防水层、找平层的构造做法;(2)填写要点:饰面板(砖)工程隐检记录中要注明施工图纸编号,饰面工程材料的种类(石材、木装饰墙、软包墙、金属板墙),板材的规格、龙骨间距等,将检查内容描述清楚.8、细部工程(1)检查内容:依据施工图纸、有关施工验收规范要求和施工方案、技术交底,检查预埋件或后置埋件的数量、规格、位置等情况;用方木制成的搁栅骨架和防腐处理,螺钉防锈处理等情况;(2)填写要点:细部工程隐检记录中要注明施工图纸编号,材料的种类,有无特殊要求;护栏扶手、橱柜、窗帘盒、窗台板等安装的预埋件的数量、规格、位置及连接方法,将检查内容描述清楚.9、幕墙工程(1)检查内容:依据二次设计施工图纸、有关施工验收规范要求和施工方案、技术交底,检查构件与主体结构的连接节点的安装;幕墙四周、幕墙表面与主体结构之间间隙节点的安装;幕墙伸缩缝、沉降缝、防震缝及墙面转角节点的安装;幕墙防雷接地节点的安装等情况;(2)填写要点:幕墙工程隐检记录中要注明施工图纸编号,幕墙类型(玻璃幕墙、金属幕墙、石材幕墙),主要材料的规格型号,预埋件具体位置,主体结构与立柱、立柱与横梁连接节点安装及防腐处理;防雷节点的位置,防火、防水、保温情况等,将检查内容描述清楚.三、建筑屋面工程1、屋面细部(1)检查内容:依据施工图纸、有关施工验收规范要求和施工方案、技术交底,检查屋面基层、找平层、保温层的情况,材料的品种、规格、厚度、铺贴方式、附加层、天沟、泛水和变形缝处细部做法、密封部位的处理等情况;(2)填写要点:屋面细部隐检记录中要注明施工图纸编号,屋面基层情况,找平层坡度,保温材料的厚度、规格尺寸,将检查内容描述清楚.2、屋面防水(1)检查内容:依据施工图纸、有关施工验收规范要求和施工方案、技术交底,检查基层含水率、防水层的材料品种、规格、厚度、铺贴方式等情况;(2)填写要点:屋面防水隐检记录中要注明施工图纸编号,防水材料复试编号,防水材料的品种、规格型号,防水卷材搭接长度、上下层错开搭接尺寸等,附加层、细部及密封部位处理等描述清楚.四、部分范例附件:工程施工现场应急预案及安全保证措施一、编制原则1、以人为本,安全第一原则。
6 吊顶工程6.1 一般规定6.1.1 本章适用于暗龙骨吊顶、明龙骨吊顶等分项工程的质量验收。
6。
1。
2 吊顶工程验收时应检查下列文件和记录:1 吊顶工程的施工图、设计说明及其他设计文件.2 材料的产品合格证书、性能检测报告、进场验收记录和复验报告。
3 隐蔽工程验收记录.4 施工记录。
6.1。
3 吊顶工程应对人造木板的甲醛含量进行复验。
6。
1。
4 吊顶工程应对下列隐蔽工程项目进行验收:1 吊顶内管道、设备的安装及水管试压2 木龙骨防火、防腐处理。
3 预埋件或拉结筋。
4 吊杆安装。
5 龙骨安装。
6 填充材料的设置6。
1.5 各分项工程的检验批应按下列规定划分:同一品种的吊顶工程每50间(大面积房间和走廊按吊顶面积30m2为一间)应划分为一个检验批,不足50间也应划分为一个检验批.6.1。
6 检查数量应符合下列规定:每个检验批应至少抽查 10%, 并不得少于3间;不足3间时应全数检查。
6.1。
7 安装龙骨前,应按设计要求对房间净高、洞口标高和吊顶内管道、设备及其支架的标高进行交接检验.6。
1。
8 吊顶工程的木吊杆、木龙骨和水饰面板必须进行防火处理,并应符合有关设计防火规范的规定.6。
1。
9 吊顶工程中的预埋件、钢筋吊杆和型钢吊杆应进行防锈处理.6.1。
10 安装饰面板前应完成吊顶内管道和设备的调试及验收.6。
1.11 吊杆距主龙骨端部距离不得大于300mm,当大于300mm时,应增加吊杆。
当吊杆长度大于1.5m时,应设置反支撑.当吊杆与设备相遇时,应调整并增设吊杆。
6。
1。
12 重型灯具、电扇及其他重型设备严禁安装在吊顶工程的龙骨上。
6.2 暗龙骨吊顶工程6.2。
1 本节适用于以轻钢龙骨、铝合金龙骨、水龙骨等为骨架,以石膏板、金属板、矿棉板、木板、塑料板或格栅等为饰面材料的暗龙骨吊顶工程的质量验收。
主控项目6.2.2 吊顶标高、尺寸、起拱和造型应符合设计要求。
检验方法:观察;尺量检查.6。
2.3 饰面材料的材质、品种、规格、图案和颜色应符合设计要求.检验方法:观察;检查产品合格证书、性能检测报告、进场验收记录和复验报告。
隐蔽工程验收记录表(全套范例)
编辑整理:
尊敬的读者朋友们:
这里是精品文档编辑中心,本文档内容是由我和我的同事精心编辑整理后发布的,发布之前我们对文中内容进行仔细校对,但是难免会有疏漏的地方,但是任然希望(隐蔽工程验收记录表(全套范例))的内容能够给您的工作和学习带来便利。
同时也真诚的希望收到您的建议和反馈,这将是我们进步的源泉,前进的动力。
本文可编辑可修改,如果觉得对您有帮助请收藏以便随时查阅,最后祝您生活愉快业绩进步,以下为隐蔽工程验收记录表(全套范例)的全部内容。
地面砖面层隐蔽工程验收记录
.
大理石面层隐蔽工程验收记录
窗帘盒制作与安装隐蔽工程验收记录
注:如需绘制图纸的附本记录后PVC墙面防潮防水隔离层隐蔽工程验收记录
护栏与预埋件的连接点,预埋件隐蔽工程验收记录
门窗预埋件和锚固件隐蔽工程验收记录
注:如需绘制图纸的附本记录后。
隐蔽工程验收记录表(全套范例)。
骨架隔墙隐蔽工程验收记录统表
第1 页共2 页
墙面造型木龙骨基层隐蔽工程验收记录统
表
第1 页共2 页
注:木龙骨结构详图附后。
饰面板安装骨架隐蔽工程验收记录统表
注:钢结构剖面图附后
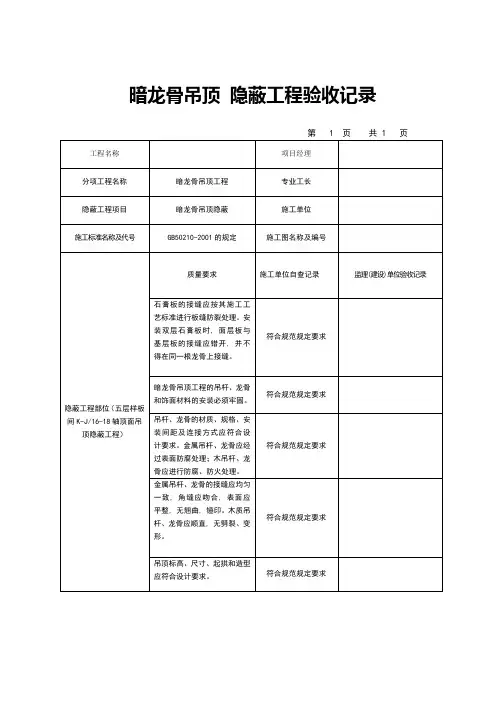
暗龙骨吊顶隐蔽工程验收记录统表
门套制作与安装隐蔽工程验收记录统表
注:门套剖面图附后。
一般抹灰隐蔽工程验收记录统表
第 1 页共 1 页
玻璃隔墙隐蔽工程验收记录统表
注:玻璃隔断上口钢梁剖面图附后
木饰面油漆隐蔽工程验收记录统表
水性涂料涂饰隐蔽工程验收记录统表
第 1 页共 1 页
清油封底隐蔽工程验收记录统表
第 1 页共1 页。
轻钢龙骨吊顶隐蔽工程验收记录哎呀,今天我们来说说轻钢龙骨吊顶隐蔽工程验收记录这个事儿。
咱们先来简单了解一下啥是轻钢龙骨吊顶吧。
轻钢龙骨吊顶就是用轻钢龙骨作为吊顶的主体材料,通过各种配件和装配工艺,将龙骨与面板、石膏板等装饰材料结合在一起,形成一个美观、实用、环保的吊顶。
而隐蔽工程验收呢,就是指在轻钢龙骨吊顶施工过程中,对一些关键部位和节点进行检查、测试和记录的过程,以确保整个吊顶的质量和安全。
咱们要说说轻钢龙骨的选择。
选择合适的轻钢龙骨对于吊顶的质量和安全至关重要。
咱们要选那种厚度适中、强度高、刚度好的轻钢龙骨,这样才能保证吊顶的整体稳定性和承载能力。
当然啦,选择轻钢龙骨的时候还要考虑到施工现场的实际情况,比如空间大小、墙体结构等等,以便选择合适的规格和型号。
接下来,咱们来说说轻钢龙骨的安装。
轻钢龙骨的安装可不是一件容易的事情,需要讲究技巧和方法。
首先要做好预处理工作,比如清理墙面、打孔、安装支撑件等等。
然后就是组装轻钢龙骨了,这可是需要严格按照设计图纸和施工规范来进行的。
组装好之后,还要进行调整和加固,确保整个吊顶的水平度和垂直度。
最后就是安装面板和石膏板了,这一步也是非常重要的,因为面板和石膏板的质量直接影响到吊顶的外观和使用寿命。
好了,轻钢龙骨安装完毕之后,咱们就要开始进行隐蔽工程验收了。
验收的目的就是要检查轻钢龙骨吊顶的关键部位和节点是否符合设计要求和施工规范,有没有存在质量问题或者安全隐患。
具体的验收项目包括:轻钢龙骨的规格、型号、数量是否符合设计要求;轻钢龙骨的连接方式是否正确;轻钢龙骨的安装位置是否准确;面板和石膏板的质量是否达标;隐蔽工程的防水、防腐、防震等措施是否到位等等。
验收的过程中,咱们要认真细致地检查每一个项目,不放过任何一个细节。
如果发现有问题,要及时提出整改意见,确保整个吊顶的质量和安全。
当然啦,验收的过程也要保持良好的沟通和协作,毕竟大家都是为了一个共同的目标而努力嘛。