轻钢龙骨隐蔽工程验收记录
- 格式:doc
- 大小:22.00 KB
- 文档页数:1
轻钢龙骨吊顶隐蔽工程验收记录哎呀,这可是个大活儿啊!今天我们要验收的可是轻钢龙骨吊顶隐蔽工程,可不是闹着玩儿的。
咱们得认真对待,一点儿也不能马虎。
好了,不多说了,让我们开始吧!我们来看看这个轻钢龙骨吊顶的材料。
哎呀,这可是关系到整个工程质量的问题啊!我们得看看这些龙骨是不是结实,有没有锈迹斑斑的地方。
嗯,看起来还不错,没有发现什么问题。
那接下来,我们就要检查一下这些龙骨的安装情况了。
1. 1.1 检查龙骨的安装位置哎呀,这个位置可是不能马虎的啊!要是安装不牢靠,到时候吊顶掉下来,那可就麻烦了。
所以,我们得仔细检查一下这些龙骨的安装位置是否正确。
嗯,看起来都安装得很牢固,没有什么问题。
1.2 检查龙骨的连接方式好的,接下来我们来看一看这些龙骨之间的连接方式。
哎呀,这个可是关系到整个吊顶的稳定性的问题啊!我们得看看这些连接件是不是牢固,有没有松动的地方。
嗯,看起来都连接得很紧密,没有发现什么问题。
2. 1.1 检查吊顶板的平整度哎呀,这个可是关系到美观度的问题啊!要是吊顶板不平整,那整个房间看起来就会很不舒服。
所以,我们得仔细检查一下这些吊顶板的平整度。
嗯,看起来都挺平整的,没有什么问题。
2.2 检查吊顶板的颜色和花纹好的,接下来我们来看一看这些吊顶板的颜色和花纹。
哎呀,这个可是关系到整个房间氛围的问题啊!我们得看看这些吊顶板的颜色和花纹是不是跟我们的装修风格相符。
嗯,看起来都挺搭配的,没有什么问题。
3. 1.1 检查风口的位置和数量哎呀,这个可是关系到通风效果的问题啊!要是风口的位置不对或者数量不够,那到时候房间里空气流通不好,那就糟糕了。
所以,我们得仔细检查一下这些风口的位置和数量。
嗯,看起来都安排得挺合理的,没有什么问题。
3.2 检查风口的大小和形状好的,接下来我们来看一看这些风口的大小和形状。
哎呀,这个可是关系到室内空气质量的问题啊!我们得看看这些风口的大小和形状是不是能保证空气流通畅通无阻。
轻钢龙骨吊顶隐蔽工程验收记录哎呀,今天我们来聊聊轻钢龙骨吊顶隐蔽工程验收记录这个话题。
说到这个,我就想起了一句话:“麻雀虽小,五脏俱全”。
虽然轻钢龙骨吊顶看起来不大,但是它的内部结构可是相当复杂呢!
我们来看看轻钢龙骨吊顶的材料。
它是由轻钢龙骨、龙骨连接件、龙骨吊杆、龙骨支撑板等组成的。
这些材料可不是随便找来的,它们都有着严格的质量要求。
比如说,轻钢龙骨要保证强度和刚度,龙骨连接件要保证连接牢固,龙骨吊杆要保证承载能力等等。
所以说,我们在验收轻钢龙骨吊顶的时候,一定要仔细检查这些材料的品质。
接下来,我们来看看轻钢龙骨吊顶的结构。
它是由龙骨连接件将各个部分连接在一起的。
这个结构看起来很简单,但是却需要非常精确的设计和制作。
因为如果设计不当或者制作不精良的话,就会导致整个吊顶的稳定性不够,甚至会出现安全隐患。
所以说,我们在验收轻钢龙骨吊顶的时候,一定要仔细检查它的结构是否合理、是否稳固。
我们来看看轻钢龙骨吊顶的安装。
这个环节可不能马虎哦!因为如果安装不好的话,就会影响到整个吊顶的使用效果。
所以说,我们在验收轻钢龙骨吊顶的时候,一定要仔细检查它的安装是否到位、是否符合规范。
轻钢龙骨吊顶隐蔽工程验收记录可是一项非常重要的工作哦!我们要认真对待每一个细节,确保整个吊顶的质量和安全。
就像我们平时生活中说的那样:“千里之堤毁于
蚁穴”,一个小小的疏忽可能会导致大问题的出现。
所以说,在验收轻钢龙骨吊顶的时候,我们一定要“严防死守”,确保万无一失!。
轻钢龙骨吊顶隐蔽工程验收记录1. 轻钢龙骨吊顶的初体验嘿,朋友们!今天咱们聊聊轻钢龙骨吊顶,尤其是那些看不见的隐蔽工程,听起来是不是很神秘?其实,这可真是个“隐形战斗机”,在我们头顶默默发挥着大作用。
想象一下,装修的时候大家都把注意力放在墙壁和地板上,却往往忽视了吊顶的细节。
可别小看这吊顶,它可关乎着房子的整体美观和实用性呢!首先,轻钢龙骨就是吊顶的“骨架”,可以说是支撑整个“屋顶”的大功臣。
要是没有了它,咱们的吊顶可就成了“无本之木”,随时都有崩塌的风险。
所以在验收的时候,我们得仔细查看这些龙骨的质量。
是不是直的?是不是稳的?你可不能让那龙骨像个吃了弹簧的疯子,动不动就晃一晃,那可不行!1.1 验收前的准备工作说到验收,首先得做好功课。
准备材料的时候,咱们得先把相关的标准和图纸拿出来,像武林高手比武前先要了解对手的招式一样。
然后,再找一个能干的师傅,最好是有经验的,这样咱们才能放心。
检查时,咱们得从顶部开始,看看龙骨的安装是否符合图纸要求。
别让它在这儿“失踪”了,龙骨没装好的话,吊顶就没戏。
验收的时候,还得摸摸它,稳不稳,别让它软绵绵的像个没精神的菜包,真让人心慌。
1.2 吊顶的隐藏问题接下来,咱们可得留意那些“隐形”的问题。
比如,龙骨的间距是否合理?太远了,吊顶就容易塌,太近了,又浪费材料,真是个“两难”啊!而且,咱们还得检查龙骨的连接部位,不能让它像个“拼图”一样,拼凑得稀里糊涂,稳固性可不能打折扣。
还有,别忘了电线、管道的走向。
这些“隐形战士”可是得好好安置,不然一旦拆了吊顶,哎呀,电线乱七八糟的,就像一盘被打翻的面条,真是让人头疼。
记得查看电线的保护措施,确保它们不会被尖锐的龙骨划伤,这可关系到未来的用电安全!2. 吊顶验收的关键环节到了验收的关键时刻,咱们可不能马虎。
首先,要用水平仪来测量龙骨的水平度,确保它们都是“平平无奇”的状态。
要是出现高低不平,那吊顶效果可就打了折扣,视觉上简直就是“心里有鬼”!还有一个小窍门,就是用手轻轻敲打一下龙骨,听听声音。
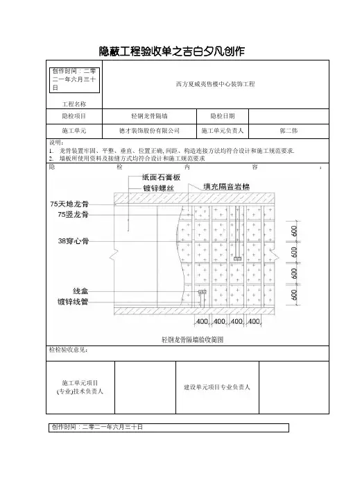
隐蔽工程验收单之吉白夕凡创作
创作时间:二零
二一年六月三十
西方夏威夷售楼中心装饰工程
日
工程名称
隐检项目轻钢龙骨隔墙隐检日期
施工单元德才装饰股份有限公司施工单元负责人郭二伟
说明:
1.龙骨装置牢固、平整、垂直、位置正确, 间距、构造连接方法均符合设计和施工规范要求.
2.墙板所使用资料及接缝方式均符合设计和施工规范要求
隐检内容:
检检验收意见:
施工单元项目
建设单元项目专业负责人
(专业)技术负责人
创作时间:二零二一年六月三十日。
轻钢龙骨吊顶工程隐蔽(通用)(总7
页)
-本页仅作为预览文档封面,使用时请删除本页-
隐蔽工程验收记录
0 0 1
工程名称微电影城西充售楼部
隐检项目
轻钢龙骨石膏板、木工板吊
顶
隐检日期
隐检部位17#楼1层吊顶层
隐检依据:施工图图号,设计变更/洽商(编号)及有关国家现行标准等。
主要材料名称及规格、型号:U型主龙骨、U型副龙骨、Φ8吊杆
隐检内容:U型主龙骨间距700,U型副龙骨间距400,不上人吊顶,吊杆采用Φ8吊杆与主龙骨相连,安装前刷防锈漆一道。
面板分为石膏板、木工板、两种。
检查验收意见:
施工单位项目
(专业)技术
负责人
施工单位现场
(现场指挥)
负责人
监理工程师
(建设单位项目
技术负责人)本表由施工单位填写。
施工图样:
2
材料规格及图片:
1.U型主龙骨型副龙骨
3.吊杆
4.石膏板
5.木工板
6.木方
现场施工照片:。
轻钢龙骨吊顶隐蔽工程验收记录
工程名称××××××项目经理×××
隐蔽工程项目
轻钢龙骨吊顶专业工长
验收部位施工单位南京国豪装饰安装工程有限公司
施工标准名称及代号装饰装修工程质量验收规
范GB50210-2001
施工图名称及编号
隐蔽工程部位:
质量要求施工单位自查记录监理(建设)单位验收记录
吊顶所用龙骨配件材料的
品种、规格、性能应符合
设计要求。
Q75系列热镀锌吊顶轻钢
龙骨,U50系列穿心龙骨,
符合设计要求
吊顶边框龙骨与基体结构
连接牢固,并应平整、垂
直、位置正确。
符合设计要求
吊顶中龙骨间距和构迁连
接方法应符合设计要求。
门窗洞口等部位加强龙骨
应安装牢固、位置正确。
竖龙骨@400,横龙骨
@2200间距,符合设计要
求
骨架内填充材料的设置应
符合设计要求。
填充材料为优质隔音棉,
符合设计要求
饰面材料材质、品种、规
格、等应符合设计要求。
饰面材料接缝应按其施工
工艺标准进行板缝防裂处
理。
以22mm厚纸面板覆面
(龙
牌),其材质等均符合设计
要
求。
纸面石膏板的接缝以
的确良白布粘贴密封处理
施工单位
自查结论
经检查,本分项工程符合设计及国家相关规定要求。
施工单位项目技术负责人:年月日
轻钢龙骨隔墙隐蔽工程验收记录
注:如需绘制图纸的附本记录后。
轻钢龙骨吊顶隐蔽工程验收记录一、前言话说前几天,我们小区的业主们迎来了一个令人兴奋的消息:家里的轻钢龙骨吊顶要开始安装了!这可是个大工程啊,关系到家里的美观和安全,所以我们可得好好验收一下。
今天,我就来给大家讲讲这次轻钢龙骨吊顶隐蔽工程的验收过程,让大家了解一下这个工程到底怎么样,好不好。
二、验收前的准备1.1 了解轻钢龙骨吊顶的相关知识在验收轻钢龙骨吊顶之前,我们首先要了解一下轻钢龙骨吊顶的基本知识。
轻钢龙骨吊顶是一种新型的吊顶材料,它具有重量轻、强度高、防火防潮、安装方便等优点。
而且,轻钢龙骨吊顶的造型多样,可以根据业主的需求进行定制,非常适合现代家庭装修。
1.2 与施工方沟通在验收轻钢龙骨吊顶之前,我们还要与施工方进行充分的沟通,了解他们的施工进度、使用的材料等情况。
这样,我们在验收的时候才能更加全面地了解轻钢龙骨吊顶的质量。
三、验收过程2.1 检查轻钢龙骨的质量我们要检查轻钢龙骨的质量。
好的轻钢龙骨应该是平整的,没有明显的凹凸不平;颜色均匀,没有色差;硬度适中,不易折断。
我们可以用手轻轻摸一下轻钢龙骨,感受一下它的硬度和弹性。
如果发现有问题,一定要及时提出来,让施工方进行整改。
2.2 检查吊顶的结构接下来,我们要检查吊顶的结构。
一个好的吊顶应该结构牢固,没有松动的地方。
我们可以用手敲一敲吊顶,听听有没有空鼓的声音。
如果有空鼓的声音,说明吊顶的结构存在问题,需要进行整改。
我们还要检查吊顶的水平度,确保整个吊顶的高度一致。
2.3 检查吊顶的防火性能由于轻钢龙骨吊顶具有防火性能,所以我们在验收的时候还要检查一下吊顶的防火性能。
我们可以点燃一根火柴,然后放在吊顶的一角,观察火柴是否能够顺利熄灭。
如果火柴燃烧得很旺,说明吊顶的防火性能不好,需要进行整改。
四、总结经过我们的一番验收,轻钢龙骨吊顶的质量总体上还是不错的。
任何工程都不可能完全没有问题,我们在验收的过程中也发现了一些小问题。
但是,我相信施工方会积极改进,把这些问题都解决好。