引水隧洞支洞封堵施工方案
- 格式:doc
- 大小:1.50 MB
- 文档页数:21
引水洞隧道施工方案一、工程概况二、施工准备1.完善施工计划,包括施工进度、资源投入和材料采购等。
2.招募合适的施工人员及技术团队,并进行相应的培训。
3.配置必要的施工设备和工具,如钻机、掘进机、排水泵等。
三、洞隧道开挖1.首先,根据工程要求进行洞隧道的勘测和标定,确定洞隧道的尺寸和形状。
2.使用掘进机逐步挖掘洞隧道,根据需要进行爆破作业。
3.施工过程中,要注意保持洞隧道的稳定性,采取支护措施,如喷射混凝土或安装钢支架等,以防止土体塌方。
4.挖掘后的材料要及时清理,保持洞隧道的通畅。
四、隧道衬砌1.完成洞隧道的开挖后,开始进行隧道衬砌工程。
2.首先,根据设计要求对洞隧道进行清理、清洗和除尘。
3.使用特制的模板进行隧道衬砌的施工,选择合适的材料进行喷射,如混凝土或预制块等。
4.施工过程中,要确保衬砌材料的良好质量,防止裂缝和渗水等问题。
五、排水处理1.隧道施工过程中,可能会遇到水源问题,影响施工的进行。
2.针对此种情况,要及时进行排水处理,采用水泵或螺旋输送机等工具将水源排除。
六、安全措施1.在施工期间,要严格遵守相关的安全操作规程,规范施工人员的行为。
2.配备专门的安全检测仪器,定期检查洞隧道的稳定性和安全性。
3.提供必要的个人防护装备,如安全帽、防护眼镜等,保证施工人员的人身安全。
七、质量控制1.施工过程中,要进行质量控制检查,确保施工质量符合设计要求。
2.定期组织施工人员进行技术交流和培训,提高施工水平和质量。
3.成立专门的质量监督小组,对施工过程进行监督和检查。
以上就是引水洞隧道施工方案的主要内容。
通过严格按照施工方案的要求进行施工,可以确保引水洞隧道的顺利开挖和衬砌,并在施工中注意安全和质量的控制,最终完成高质量的洞隧道工程。
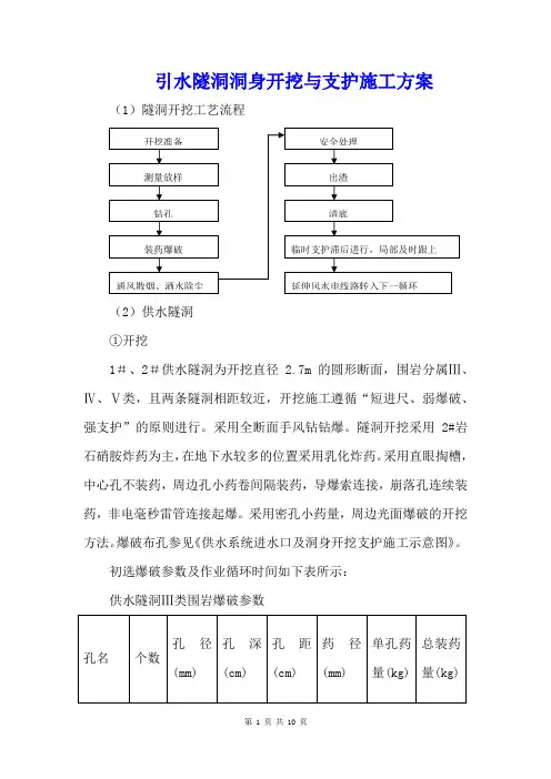
引水隧洞洞身开挖与支护施工方案(1)隧洞开挖工艺流程(2)供水隧洞①开挖1#、2#供水隧洞为开挖直径 2.7m 的圆形断面,围岩分属Ⅲ、Ⅳ、Ⅴ类,且两条隧洞相距较近,开挖施工遵循“短进尺、弱爆破、强支护”的原则进行。
采用全断面手风钻钻爆。
隧洞开挖采用2#岩石硝胺炸药为主,在地下水较多的位置采用乳化炸药。
采用直眼掏槽,中心孔不装药,周边孔小药卷间隔装药,导爆索连接,崩落孔连续装药,非电毫秒雷管连接起爆。
采用密孔小药量,周边光面爆破的开挖方法。
爆破布孔参见《供水系统进水口及洞身开挖支护施工示意图》。
初选爆破参数及作业循环时间如下表所示:供水隧洞Ⅲ类围岩爆破参数孔名个数孔径(mm) 孔深(cm)孔距(cm)药径(mm)单孔药量(kg)总装药量(kg)开挖准备测量放样钻孔装药爆破通风散烟、洒水除尘安全处理出渣清底临时支护滞后进行,局部及时跟上延伸风水电线路转入下一循环供水隧洞Ⅲ类围岩开挖作业循环时间表全断面开挖每循环孔深1.5m,预计进尺1.2m,开挖方量6.87,每日2 循环,日进尺2.4m。
供水隧洞Ⅳ~Ⅴ类围岩爆破参数钻孔总长:66.3m,Ⅳ~Ⅴ类围岩平均单耗:1.155kg/供水隧洞Ⅳ~Ⅴ类围岩开挖作业循环时间表开挖施工过程中可根据爆破效果作出相应调整。
主要施工工艺措施a、测量放线:控制测量采用激光经纬仪和红外测距仪作导线控制网。
断面放线布孔紧跟循环作业进行,洞轴线控制测点,每星期进行一次测量复查,控制开挖质量,确保隧洞贯通误差符合规范要求.b、钻孔作业:采用手风钻钻孔,由熟练的钻工严格按照设计钻爆图进行钻孔作业。
每排炮由值班工程师按“平、直、齐”的要求进行检查。
周边孔偏差不得大于5cm/m,爆破孔偏差不得大于10cm。
c、装药爆破作业:炮工按钻爆设计参数认真进行装药连线,特别是周边孔的装药要谨慎进行。
d、通风散烟:在供水隧洞进出口各布置1 台15kw 轴流式通风机,对隧洞工作面进行压入式通风。
e、安全处理:通风散烟后,采用人工对周围岩体进行安全处理。
某工程引水隧洞工程施工方案一、施工背景和目标工程引水隧洞工程是为了解决人们生活用水和农田灌溉需求而建设的,目标是完成引水隧洞的建设,并达到安全、高效、可持续的使用效果。
二、施工方案概述1.施工地点:根据工程要求和地质调查结果,选定最合适的地点进行施工。
2.施工方法:采用隧道掘进法进行施工,结合岩石特性和地质条件选择合适的钻机和爆破方案进行开挖。
3.施工步骤:分为前期准备、隧道开挖、支护、衬砌和施工监管等阶段,确保施工顺利进行。
三、施工流程1.前期准备:1.1完成工程设计和方案,制定详细的施工计划和工期安排。
1.2确定施工队伍和人员配置,配备必要的施工设备和工具。
1.3进行地质勘察和钻探,了解施工地点的地质条件,以便制定合适的施工方案。
2.隧道开挖:2.1根据设计要求和地质条件选择合适的开挖方法和设备。
2.2清理施工面,确保施工条件良好。
2.3进行隧道开挖,采用适当的爆破工艺和技术手段。
2.4随时监控施工过程,及时调整施工方案和方法。
3.支护:3.1根据岩层情况和隧道尺寸选择合适的支护方式和材料。
3.2安装钢筋网和喷锚杆,加固岩层,防止塌方和坍塌。
3.3进行喷射混凝土衬砌,保证隧道结构的牢固和稳定。
4.衬砌:4.1按照设计要求和施工标准进行隧道衬砌施工。
4.2选用耐蚀、耐高压水的材料进行衬砌。
4.3采用机械施工和人工加工相结合的方式,确保衬砌质量。
5.施工监管:5.1设立现场监控点,监测施工过程中的变形和沉降情况。
5.2定期进行会议和汇报,及时解决施工中的问题和困难。
5.3严格按照相关规范和标准进行验收和记录,确保施工质量和安全。
四、施工安全和环保措施1.施工安全:1.1设立安全防护标志和警示牌,确保施工现场安全。
1.2采用合理的爆破方案,控制振动和飞石对周边环境和设施的影响。
1.3配备专业的安全人员,进行施工现场安全培训和监管。
2.施工环保:2.1控制扬尘污染,采取湿喷、覆盖等措施进行控制。
2.2合理处理施工废弃物和矿石渣土,避免对环境造成污染。
引水隧洞洞身开挖与支护施工方案一、工程概况本工程是一座引水隧洞,总长约为1000米,隧洞地质条件为软岩,其中包括一段破碎带,并具有一定的坡度。
根据工程要求,隧洞视线要求平整,内径及洞身应满足设计要求。
二、洞身开挖方案1.施工准备在正式开挖之前,首先需要对现场进行详细的勘察与测量,了解洞身地质及水文条件,并制定相应的监测方案和施工预案。
2.开挖方法(1)机械挖掘:根据现场情况选择适当的掘进设备,如隧道掘进机或挖掘机,进行隧洞的机械挖掘。
(2)爆破挖掘:在软岩区域及破碎带采用爆破挖掘方法,预先确定爆破参数,进行合理的爆破施工。
3.开挖工序(1)预开挖:在隧洞端部和进洞口附近进行较大范围的预开挖,便于后期的施工和支护。
(2)正式开挖:从进洞口开始,按照设计要求进行隧洞的开挖,直至出洞口,同时注意洞内空气流通,开展瓦斯检测,保证施工安全。
(3)喷射混凝土衬砌:开挖到一定的进度后,进行喷射混凝土施工,形成初步的洞身衬砌。
三、洞身支护方案1.支护要求(1)支护稳定:确保施工期间洞身的稳定性,防止洞身塌方或坍塌。
(2)保证施工安全:利用支护结构和材料,降低洞身应力,防止意外伤害的发生。
(3)满足设计要求:支护结构应满足设计要求,保证洞身的平整和直径的精确控制。
2.支护措施(1)预留锚杆孔:在洞壁内侧进行预留锚杆孔,以便后期进行锚杆施工。
(2)锚杆支护:在开挖前,按照设计要求进行锚杆施工,增加洞身的稳定性。
(3)喷射混凝土衬砌:在开挖过程中,进行喷射混凝土衬砌,增加洞身的强度和稳定性。
(4)钢筋网片:在喷射混凝土表面铺设钢筋网片,增强洞身的承载能力。
(5)灌浆加固:在洞身开挖完成后,对洞壁进行灌浆加固,保证支护结构的稳定性。
四、安全措施1.施工现场要进行严格的封闭管理,设置防护设施,防止洞壁坍塌和松动石块的飞溅,保证施工人员的人身安全。
2.施工期间要设置通风设备,确保洞内空气流通,避免瓦斯积聚,防止煤尘爆炸等事故的发生。
引水隧洞某支洞封堵施工技术方案引水隧洞支洞封堵施工技术方案一、工程概况引水隧洞是一项重要的水利项目,是为了方便将水源从山区引入到城市或灌区的一种工程。
在引水隧洞工程中,支洞的封堵是关键性施工环节之一。
本文针对引水隧洞支洞封堵施工技术方案进行了系统的探讨。
二、施工方法支洞封堵施工是一项复杂的工程,需要综合考虑洞壁状况、施工环境等因素。
目前常用的支洞封堵施工方法主要有以下三种:1. 气压封堵法气压封堵法是一种常见的支洞封堵方法。
该方法的原理是通过充气将管道内部压力提高,从而达到封堵支洞的目的。
具体实施时,需要先在支洞洞口处设置一个充气口,并在内部安装充气管道、阀门等装置。
当需要封堵支洞时,先将充气阀门关闭,再通过充气口进行充气,使管道内部气压升高,达到封堵支洞的效果。
2. 手工封堵法手工封堵法是传统的支洞封堵方法。
该方法需要在支洞洞口处设置一个可拆卸盖板,并在里面安装水泥混凝土或浆砌墙等封堵材料。
具体实施时,需要将盖板取下,并将封堵材料逐层逐渐压实,直至对支洞进行完全封堵。
3. 膨胀封堵法膨胀封堵法是一种新型的支洞封堵方法。
该方法利用特殊的封堵材料,通过水或气体的注入,使材料膨胀,达到封堵支洞的目的。
具体实施时,需要在洞口处设置一个注水口,将封堵材料注入,逐渐膨胀即可。
该方法具有施工简单、效果好等优点。
三、施工要点在进行支洞封堵施工时,需要注意以下要点:1. 施工前必须进行详细的洞壁勘察,对支洞的大小、位置、形状、岩性等进行全面了解,并制定详细的施工计划。
2. 在选择封堵材料时,必须根据支洞的具体情况选择适合的材料。
对于洞壁比较坚硬的支洞,可采用气压封堵法或膨胀封堵法;对于洞壁比较脆弱的支洞,应采用手工封堵法。
3. 封堵材料的质量必须得到保证,不得使用劣质材料。
尤其是在使用新型封堵材料时,必须进行详细的试验,确保其能够达到预期的封堵效果。
4. 在施工过程中,必须注意安全,严格执行施工方案,避免发生事故。
目录一、工程概述............................................................................................................- 1 -二、施工布置..........................................................................................................- 1 -2.1施工辅助设施 (1)2.1.1 施工供风 ..................................................................................................- 1 -2.1.2 施工用水 ..................................................................................................- 1 -2.1.3 施工供电 ..................................................................................................- 1 -2.1.4混凝土拌合系统 .......................................................................................- 1 -2.1.5水泥制浆站及输浆管路 ...........................................................................- 2 -2.1.6施工排污及弃渣 .......................................................................................- 2 -2.2施工机械及人力资源 (2)三、施工方案............................................................................................................- 3 -3.1工艺流程 (3)3.2施工方法 (4)3.2.1 施工准备 ..................................................................................................- 4 -3.2.2 基础清理及垫层 ......................................................................................- 4 -3.2.3 锚杆施工 ..................................................................................................- 4 -3.2.4 预埋件施工 ..............................................................................................- 6 -3.2.5 金结构件 ..................................................................................................- 7 -3.2.6 封堵混凝土施工 ......................................................................................- 9 -3.2.7 灌浆工程 ............................................................................................... - 10 -四、质量保证措施............................................................................................... - 18 -五、安全保证措施............................................................................................... - 18 -一、工程概述***水电站位于***区,坝址位于***下游。
引水隧洞开挖支护施工方案引水隧洞开挖支护施工方案目录1、概述 (1)2、施工依据 (1)3、主要工程量 (1)4、施工布置 (2)5、施工程序、施工工艺及方法 (3)5.1、施工程序 (3)5.2、主要施工工艺及施工方法 (3)6、进度计划安排 (6)6.1、计划安排 (6)6.2、计划保证措施 (7)7、资源配置 (7)7.1、设备配置 (7)7.2、人员配置 (8)8、安全、质量、环境及文明施工保障措施 (8)8.1、质量保障措施 (8)8.2、安全保障措施 (9)8.3、环境及文明施工保障措施 (10)9、需协调解决相关问题及建议 (10)10、附图 (11)(1)引水洞施工平面布置图(GZ-MJ-RG-04-引水洞-01) (11) (2)引水隧洞平洞段典型钻爆设计图(GZ-MJ-RG-04-引水洞-02) (11)(3)引水隧洞上下弯段(竖井)典型钻爆设计图(GZ-MJ-RG-04-引水洞-03) (11)1、概述贵州XX水电站厂房引水隧洞共三条,自东向西依次为1#引水隧洞,2#引水隧洞,3#引水隧洞,隧洞进口段(8m)开挖断面为矩形断面,尺寸为5.9m×5.8m (L×W),其余开挖断面为圆形断面,直径为5.5m;隧洞衬砌后均为圆形断面,其中钢衬段直径为4m,其余段直径为4.5m(渐变段直径为4.5m~4m)。
具体情况如下:1#引水隧洞全长135.649m,上平段长75.143m,高程为EL.475.25;转弯及竖井段长38.387m,高程为EL.475.25~EL.442;下平及钢衬段长22.119m,高程为EL.442。
2#引水隧洞全长167.649m,上平段长91.143m,高程为EL.475.25;转弯及竖井段长38.387m,高程为EL.475.25~EL.442;下平及钢衬段长38.119m,高程为EL.442。
3#引水隧洞全长199.649m,上平段长107.143m,高程为EL.475.25;转弯及竖井段长38.387m,高程为EL.475.25~EL.442;下平及钢衬段长54.119m,高程为EL.442。
煤矿引水隧洞工程施工方案一、工程概况煤矿引水隧洞工程是为了解决煤矿开采过程中地下水涌入井下工作面的问题。
随着煤矿开采加速进行,地下水涌入将会对采煤作业及人员安全带来极大的影响,因此引水隧洞工程的施工具有十分重要的意义。
本工程位于XX省XX市XX煤矿,地处山区,地质条件复杂。
煤矿引水隧洞工程的总长度为2000米,采用TBM(隧道掘进机)作业方式进行施工。
本工程的难点主要在于地质情况复杂,水文地质条件变化大,对施工工艺和设备有较高要求。
二、施工方案1. 工程准备(1)设备准备:选用大型TBM设备,确保设备的稳定性和适应性。
(2)人员培训:对施工人员进行专业培训,掌握TBM作业技能和操作要领。
(3)材料准备:准备好所需的支护材料、电缆、管道等。
(4)原料准备:准备足够的水泥、沙子等原材料。
2. 隧道开挖(1)预先勘测:对隧道开挖的区域进行勘测,了解地质情况和水文地质条件。
(2)隧道定位:根据勘测结果确定隧道的开挖位置和施工方向。
(3)预处理工作:进行爆破或冲击工作,将隧道开挖区域的松散土石清除干净。
(4) TBM作业:使用大型TBM设备进行隧道开挖,根据地质情况及时调整作业参数。
3. 隧道支护(1)环片安装:TBM作业时,同时安装环片进行隧道的初步支护。
(2)注浆支护:在隧道开挖过程中,对地质条件较差的地段进行注浆支护,提高隧道的稳定性。
(3)钢架支护:在特殊地质条件下,对隧道进行钢架支护,确保隧道的安全。
4. 隧道排水(1)排水管道敷设:在隧道施工过程中,同时敷设排水管道,将地下水排出隧道外。
(2)排水井打通:开挖排水井,将地下水汇集到地面,并进行处理。
5. 竣工验收(1)根据设计要求进行隧道的竣工验收,检验隧道的开挖质量和支护效果。
(2)对施工过程中发现的问题进行整改,确保隧道安全运行。
三、安全保障1. 严格遵守施工安全规定,加强施工现场管理,保证施工人员的安全。
2. 强化设备检修与维护,确保设备的正常运行。
引水隧洞工程施工方案隧洞工程是一项重要的地下施工工程,常见于地铁、水利、交通等领域。
为了保证施工的安全和顺利进行,需要制定一个完善的施工方案。
下面是一个引水隧洞工程施工方案的示例:一、项目概况1.1项目名称:引水隧洞工程施工1.2工程位置:具体位置(例如城市、街道等)1.3工程规模:隧洞长度、截面尺寸等二、工程背景2.1工程目的:引水隧洞用途、工程建设目标等2.2工程条件:地质情况、地下水位等工程环境三、施工组织管理3.1施工组织结构和责任分工:明确各个部门的职责和任务3.2安全生产管理:制定安全生产制度和措施,确保施工过程中人员和设备的安全3.3环境保护管理:制定环境保护措施,减少对周边环境的影响3.4质量管理:建立质量控制体系,确保施工质量符合规定要求四、施工技术措施4.1地质勘察和地质监测:对工程区域进行详细勘察,了解地层情况,并进行工程监测,随时掌握施工安全情况4.2隧道施工方法:选用合适的隧道施工方法、掘进方式和工艺流程4.3隧道支护设计:根据地质情况和施工条件,选择合适的隧道支护结构设计和施工方案4.4掘进设备和工艺:选用适合的掘进设备,并制定施工工艺流程,确保施工的正常进行4.5排水系统设计:针对施工现场的地下水情况,设计合理的排水系统,保证施工现场的干燥4.6施工安全措施:规定施工现场的安全标准和操作规程,做好安全培训和防护工作五、进度计划5.1总体工期:确定工程的总体工期,按照阶段性目标进行分解,并编制详细的施工计划5.2施工序列:确定施工的不同阶段和次序,优化施工工序,提高施工效率和质量5.3配合工期:与其他相关工程协调施工,确保工期的顺利进行六、成本预算6.1工程投资估算:根据施工技术和工程条件,编制详细的成本预算6.2物资设备采购计划:根据工程进度计划和施工需要6.3资金预算和监督:建立资金监督机制,确保施工过程中资金的合理使用和管理七、质量验收和交接7.1施工质量管理:制定施工质量检查和验收标准,对施工过程中的质量进行监督和检查7.2隧道验收和交接:根据规定要求,进行隧道工程的验收和交接手续上述只是引水隧洞工程施工方案的一个示例,具体的施工方案需要根据实际情况来进行制定。
引水式水电站引水隧洞及压力管道工程施工方案第一节施工特性1.1.1工程项目内容1.引水隧洞段53.07m(隧洞桩号18+000∙000m~18+053∙07m)石方洞挖、混凝土浇筑、喷混凝土、锚杆制安、钢筋制安等项目的施工;2.压力管道石方洞挖、石方井挖、混凝土浇筑、喷混凝土、锚杆制安、钢筋制安、支洞封堵等项目的施工;3.引水隧洞及压力管道工程工程所规定的其它土建项目;1.1.2工程特性引水隧洞本标段长53.07m,主要围岩类别为11~11I类,采用喷混凝土和挂网喷混凝土支护,设计开挖洞径6.6m,底板混凝土衬砌厚20cm,喷碎厚度10cm。
压力管道为埋管,由上平段、斜井段、下平段组成,最长单根长度483.438m。
主管段直径4.20m,开挖直径5.40m,支管直径2.00m o全部采用钢管衬护,钢衬材质6MnR,厚度20~36mm,钢管外回填混凝土厚60cm。
其中,上平段长约40.29m,斜段长约314.7m(含上、下弯段),下平段长约81.54mo 压力管道约在管轴线HOOm高程以下位于侵入岩体中外,其余均位于白云岩中。
白云岩中围岩总体为HI类,局部为IV类。
白云岩与侵入岩接触带约在管轴线IllOm高程左右,接触带岩体较破碎,属W~V类围岩;侵入岩中围岩以11类为主,局部In类,断裂破碎带及其影响带为IV类。
1.1.3主要工程量第一节施工规划及程序压力管道开挖形成二个施工通道。
第一施工通道:从7#支洞至上平段;第二施工通道:从8#支洞至下平段。
在各施工通道贯通后,分上、下游同时进行开挖。
平段采用全断面开挖,斜井段采用LM-300反井钻机自上而下钻①216mm导井,在井底更换钻具,自下而上扩挖成直径1.4m导井,再自上而下扩挖。
在压力管道开挖完成后跟进钢管安装、碎衬砌施工等。
结合本标工程总体进度计划,施工程序见下图。
施工程序框图第一节洞内布置1.3.1施工供风、供水施工风、水管路由7#施工支洞引入上平段(斜井)供施工用风和用水,下平段采用8#施工支洞引入;风水管分别采用①3”供风管、①2”供水管引入,布置于隧洞左侧,随开挖延伸。
引水隧洞洞内支护施工方案1概述1.1.1工程概况 ................................................... 1. 1.2地质叙述 ................................................... 1.2总平面布置2.2.2施工供排水.................................................. 2..2.3施工用电 ................................................... 2. 2.4施工供风 ................................................... 2.3洞挖支护施工方案2.3.1钻孔 ........................................................4..3.2锚杆 ........................................................4..3.3钢筋网制安..................................................4..3.4钢拱架支撑及安全支护 .......................................4.3.5喷混凝土施工 ...............................................4.4资源配置6.4.1人力资源 ................................................... 6. 4.2机械配置 ................................................... 6.5质量控制7.6安全管理及文明施工7.6.1 安全管理 ..................................................7.6.2安全防范重点 ...............................................7.6.3安全管理措施 ............................................... 8.引水隧洞施工支洞洞内支护施工方案1 概述1.1 工程概况##隧洞工程全长7.9km,共设计有4个支洞;1#施工支洞与主洞相交于##, 2#施工支洞与主洞相交于丫##, 3#施工支洞与主洞相交于丫##1, 4#施工支洞与主洞相交于丫##;施工支洞的主要作用是作为引水隧洞主洞开挖运输弃渣的主要交通要道。
施工支洞封堵施工方案一、工程概况周公宅水库引水隧洞引1+124.243—引1+140.243进行钢筋混凝土全断面衬砌,支0+00.00—支0.12.00用C20混凝土封堵,其中支0+00.00—支0+06.00进行全断面封堵,在支0+00.50—支0+06.00加设Φ98.4厘米16MnR18㎜厚压力钢管,作为进人孔,支0+06.00—支0+12.00作为灌浆廊道。
压力钢管段,在支0+02.00和支0.03.00距压力钢管0.50米处埋设两支温度计,并在顶拱埋设4支Φ50㎜的灌浆管,施工工艺复杂。
二、工艺流程1、灌浆管的制作和安装:灌浆管用采购的标准钢管及弯接头制作而成。
止水环由压力钢管制作厂家制作好后运至现场,在施工现场进行灌浆管止水环的焊接。
同时在顶拱及距顶拱80㎝处的拱腰钻深20㎝,直径10㎝的灌浆孔,灌浆管制作完成后进行安装,顶拱两孔作为灌浆管兼排气管。
在安装前,根据设计要求,实心段安设Φ25长2.5米,入岩1.8米排距为1.0米至1.50米不等、每断面10根锚杆;空心段安设Φ25长2.5米,入岩1.9米排距为1.50米、每断面10根锚杆,同时安装村民饮用水管路。
然后利用顶部安设的锚杆固定灌浆管,其中顶拱的灌浆孔用水泥纸袋进行堵塞。
安装完毕后,核对各部件安装是否正确,检查管路是否畅通,一切满足设计要求后进行压力钢管的安装。
2、压力钢管的制作与安装:压力钢管的制作在具有资质的专业制造厂家制作,制作完毕经验收合格后运至施工现场进行安装。
压力钢管的安装如同引水隧洞的压力钢管的安装。
用小车把钢管运至安装位置,利用安设的锚杆作吊环,用两只3吨手拉葫芦吊空每节钢管,进行轴线放样,精确定位,然后用5根8号槽钢进行固定,具体安装及定位方法同引水隧洞钢管的安装与定位,这里不再重述。
压力钢管安装完毕,在支0+02.00、0+03.00、距压力管道0.50米处各安设一支温度计。
温度计的安装,在固定压力钢管的8号槽钢上焊接一钢筋支架,用以固定温度计,同时把电缆固定在8号槽钢上,引至灌浆廊道。
某水电站引水隧洞修补工程技术部分投标人:编制人:二0一二年九月十一日一、施工组织设计1、工程概况某水电站属某河干流水能梯级开发第三级电站,位于某镇境内。
工程设计水头44米,总装机容量2万千瓦,工程总投资1.52亿元,年发电量6300万千瓦时,于2008年12月开工建设。
2011年9月投产发电,于某年枯水季节放水检查,发现引水洞底拱砼面有不同程度的缺失、漏筋现象,严重影响到电站的安全运行,因此,急需进行处理,具体方案如下:2、施工范围引水洞的坑槽、狗洞、麻面、露筋、裂缝、涌水洞等处理。
3、施工总体部署3.1、部署的原则施工总体部署必须满足相关技术规范标准,充分考虑到本次修补工程施工部位多、技术难度高、工序复杂,文明、安全施工标准高的实际问题,着手安排组织施工。
3.2、施工部署1)、施工交通计划配置通勤车1辆,利用电站厂区公路进出,施工车辆遵守电站各项管理规定。
2)、施工区域的布设按照工程部位搭设安全通道、按部位分区域施工,作业区的规划必须经某电站相关部门的许可。
施工人员进入施工现场前先进行安全文明施工、专业技术教育。
人员活动、设备、材料堆放不得超出准许的工作区域。
(1)施工用电在监护人指定的接口部位搭接,配置一台专用的配电柜,施工各部位用电在该配电柜搭接。
用电设备满足相关技术要求。
如:电源不方便,计划自备2台3kW 发电机作为备用应急电源。
根据施工总进度安排设备配置,用电设备总容量5kw (但不同时使用),主要施工设备功率见下表。
表1 主要施工设备功率统计表设备名称型号规格数量功率(kw)总功率(kw)空压机 1 0.30 2.40冲击钻喜利得 3 0.8.00 2.40切割机BOSS 2 0.40 0.80照明项 1 2.00 2.00其它项 1 0.80 0.804、总体的施工方案搭设安全施工通道,做好安全防护。
清理溢流道施工区域的垃圾及淤泥、堵漏施工、采用环氧砂浆修补。
4.1、安全施工通道布设(1)、І标K0+000~Π标K1+520段从进水口出入。
一、工程概况本工程为某引水隧洞项目,隧洞全长X米,设计流量为Y立方米/秒,隧洞最大埋深为Z米。
隧洞地质条件复杂,主要岩性为花岗岩、片麻岩等,围岩类别以Ⅲ、Ⅳ类为主。
隧洞断面为圆形,直径为A米,采用全断面开挖、一次成洞的方式施工。
二、施工方案1. 施工顺序(1)施工准备:完成隧洞工程的相关设计、施工图纸的审查,组织施工队伍进场,完成材料、设备、施工工艺等准备工作。
(2)隧洞开挖:按照“分步开挖、分步支护、分步衬砌”的原则,采用全断面开挖、一次成洞的方式进行施工。
(3)支护:在隧洞开挖过程中,根据围岩级别和地质条件,采取锚杆、喷射混凝土、钢筋网等支护措施。
(4)衬砌:在支护完成后,进行隧洞衬砌施工,采用钢筋混凝土衬砌,分为二次衬砌和初期支护。
2. 施工工艺(1)开挖:采用钻爆法进行隧洞开挖,选用适合的钻头和爆破器材,确保开挖质量和进度。
(2)支护:根据围岩级别和地质条件,选用锚杆、喷射混凝土、钢筋网等支护措施。
锚杆长度为B米,锚杆间距为C米,锚杆直径为D毫米。
(3)衬砌:二次衬砌采用钢筋混凝土结构,混凝土强度等级为C25,厚度为E厘米。
初期支护采用喷射混凝土,强度等级为C20,厚度为F厘米。
3. 施工质量控制(1)开挖:严格控制爆破参数,确保开挖断面尺寸、边坡稳定。
(2)支护:对锚杆、喷射混凝土、钢筋网等支护措施进行质量检查,确保支护效果。
(3)衬砌:严格控制混凝土强度、厚度,确保衬砌质量。
4. 施工安全(1)加强施工人员的安全教育培训,提高安全意识。
(2)加强施工过程中的安全检查,确保施工安全。
(3)做好隧洞内的通风、排水、防尘、防毒等工作。
三、施工进度安排根据工程实际情况,制定详细的施工进度计划,确保工程按期完成。
四、施工管理1. 施工组织管理:建立健全施工组织机构,明确各级职责,确保施工顺利进行。
2. 施工技术管理:严格执行施工图纸和规范,加强施工技术指导和监督。
3. 施工质量管理:加强对施工过程的质量控制,确保工程质量。
引水隧洞工程施工方案一、项目背景引水隧洞工程是指利用隧洞进行水资源调配和引水的工程,是重要的基础设施工程之一。
本文档旨在阐述引水隧洞工程的施工方案,确保工程的顺利推进和顺利完成。
二、施工准备1. 地质勘察在进行工程施工前,需对隧洞工程区域进行地质勘察,了解地质情况,确定隧洞建设的可行性,并针对性地制定施工方案。
2. 设计方案确认确保设计方案符合实际施工条件,可行性高,符合相关规范标准,减少后期修改和调整带来的成本影响。
3. 采购材料设备根据设计需求和施工方案,采购合适的材料和设备,确保工程施工的正常推进。
三、施工流程1. 开挖隧洞根据设计要求和地质情况,选择合适的开挖方法,进行隧道的开挖工作。
2. 支护加固在隧道的开挖过程中,及时进行支护加固工作,确保隧道结构的稳定和安全。
3. 隧道衬砌完成隧道的支护加固后,进行隧道衬砌工作,保障隧道的使用寿命和稳定性。
4. 安装引水设备隧道工程完成后,安装引水设备,确保引水工程的顺利进行。
四、质量控制1. 施工监控设立专门的施工监控团队对工程施工过程进行监控,及时发现问题并采取措施解决。
2. 质量检测定期对施工质量进行检测,确保工程质量符合相关标准和要求。
五、安全管理1. 安全培训对施工人员进行安全培训,提高安全意识,减少安全事故的发生。
2. 安全检查定期进行安全检查,排查隐患并及时整改,确保施工安全。
六、工程竣工1. 竣工验收完成隧道工程后,进行竣工验收,确保工程符合设计要求和相关标准。
2. 报备相关手续完成竣工验收后,及时报备相关手续,办理竣工手续,工程正式完工。
七、总结引水隧洞工程施工是一项重要的基础设施工程,需要严格按照设计方案和施工流程进行施工,确保工程的质量和安全。
希望本文档能对引水隧洞工程的施工提供有效的指导和参考。
以上为引水隧洞工程施工方案的详细内容,希望对您有所帮助。
*******水电工程A支洞封堵(带闸门)施工技术方案方案编号:50***有限公司***项目部2017年3月22日编制人: * *博审核人:王* * 审批人: * *桥目录1 编制说明及依据 (1)1.1编制说明 (1)1.2编制依据 (1)2 工程概况 (1)2.1 工程简介 (1)2.2施工条件 (2)3 施工安排 (2)3.1施工重点难点 (2)3.2施工布置 (2)3.3施工顺序及分段分层 (3)3.4施工进度计划 (5)3.5资源配置计划 (5)3.6施工准备 (6)4 施工方法及工艺要求 (7)4.1喷射混凝土移除、超欠挖处理及锚杆施工 (7)4.2承重脚手架模板支撑体系施工 (7)4.3模板施工 (7)4.4钢筋施工 (8)4.5预埋件施工 (8)4.6混凝土施工 (8)5 安全保证措施 (10)6 质量保证措施 (10)7 文明施工 (11)8 附件 (11)1 编制说明及依据1.1编制说明由于带闸门的封堵段总体结构类似,施工方法相近。
为加快隧洞封堵段的施工进度,提高封堵段混凝土浇筑质量,保障施工安全,特编制了通用方案(隧洞封堵施工方案)。
此方案为针对某支洞施工条件的细化方案。
方案中未涉及钢衬和闸门的安装方法,此部分内容由金结进行编制。
1.2编制依据编制依据主要是工程师施工图及已批复的车间图,具体如表1-1:2 工程概况2.1 工程简介本工程中带闸门的封堵段总共四段,即A支洞封堵段,引水洞封堵段,B支洞至尾水调压洞封堵段,C支洞封堵段。
其中A支洞封堵长度**m,封堵断面为**m的城门洞型,需安装尺寸为*×3*×1.04m的闸门(重23t),中间设置尺寸为3.735×3.175×22m 的灌浆廊道和尺寸为2.235×2.235×5m的钢衬通道,两侧均有斜坡混凝土,作为通往封堵段廊道的道路。
靠近引水洞一侧由15m的支洞衬砌与引水隧洞T4岔口段相接。
煤矿引水隧洞工程施工方案一、工程概况煤矿引水隧洞工程是煤矿重要基础设施之一,主要用于矿井排水和防火灭火。
本工程位于XX煤矿矿区,隧洞总长度为XX米,进口位于矿区东南角,出口位于矿区西北角。
隧洞净宽为XX米,净高为XX米,采用无压引水方式。
二、施工准备1. 技术准备:根据隧洞设计图纸和相关规范,编制详细的施工方案和施工工艺流程,明确施工顺序、施工方法、质量标准和安全措施。
2. 施工现场准备:对施工场地进行平整,搭建临时设施,包括办公室、宿舍、仓库等;搭建施工临时道路,确保施工材料和设备顺利运输。
3. 施工设备准备:根据施工需求,配备足够的施工设备,包括挖掘机、装载机、混凝土泵车、混凝土搅拌站、钢筋加工设备等。
4. 施工人员准备:组织施工队伍,对施工人员进行技术培训和安全教育,确保施工人员熟悉施工工艺和质量标准,提高施工安全意识。
三、施工方法及工艺1. 隧洞开挖:采用挖掘机进行土方开挖,装载机进行土方运输,隧洞开挖过程中,严格按照设计要求进行,确保隧洞断面尺寸符合设计要求。
2. 初期支护:在隧洞开挖过程中,根据地质条件,及时进行初期支护,包括喷射混凝土、锚杆施工、钢拱架安装等,确保隧洞稳定。
3. 排水系统施工:在隧洞内设置排水沟,采用排水泵进行排水,确保隧洞内水位控制在规定范围内。
4. 混凝土衬砌:采用泵送混凝土施工,混凝土强度等级应符合设计要求。
衬砌过程中,严格控制混凝土浇筑速度和养护条件,确保衬砌质量。
5. 隧洞回填:隧洞衬砌完成后,进行隧洞回填,回填材料应符合设计要求,回填过程中,严格按照施工工艺进行,确保回填质量。
6. 质量检测:施工过程中,加强对施工质量的检测,包括隧洞断面尺寸、初期支护质量、混凝土衬砌质量等,确保工程质量符合设计要求。
四、施工组织与管理1. 施工进度计划:根据工程量和施工工艺,编制详细的施工进度计划,明确各施工阶段的时间节点,确保工程按时完成。
2. 施工安全管理:加强对施工现场的安全管理,严格执行安全规定和安全操作规程,定期进行安全检查,确保施工现场安全。
目录一、工程概述............................................................................................................- 1 -二、施工布置..........................................................................................................- 1 -2.1施工辅助设施 (1)2.1.1 施工供风 ..................................................................................................- 1 -2.1.2 施工用水 ..................................................................................................- 1 -2.1.3 施工供电 ..................................................................................................- 1 -2.1.4混凝土拌合系统 .......................................................................................- 2 -2.1.5水泥制浆站及输浆管路 ...........................................................................- 2 -2.1.6施工排污及弃渣 .......................................................................................- 2 -2.2施工机械及人力资源 (2)三、施工方案............................................................................................................- 3 -3.1工艺流程 (3)3.2施工方法 (4)3.2.1 施工准备 ..................................................................................................- 4 -3.2.2 基础清理及垫层 ......................................................................................- 4 -3.2.3 锚杆施工 ..................................................................................................- 4 -3.2.4 预埋件施工 ..............................................................................................- 6 -3.2.5 金结构件 ..................................................................................................- 7 -3.2.6 封堵混凝土施工 ......................................................................................- 9 -3.2.7 灌浆工程 ............................................................................................... - 10 -四、质量保证措施............................................................................................... - 19 -五、安全保证措施............................................................................................... - 19 - 五、附图................................................................................................................- 20 -一、工程概述南湃水电站位于老挝万象省北部Phoun区,坝址位于南俄河支流南湃河满铺恩村下游。
本工程为长引水式电站,引水隧洞总长6734.16m,由3段平洞和2段竖井组成,每段平段设置施工支洞1个,上、中、下平段分别对应1#、2#、3#支洞。
3个施工支洞与主洞依次分别交于桩号:T2+345.71m,T3+631.14m,T5+650.73m。
长度分别为347.3m、729m、811.77m,断面为城门洞型,洞径尺寸分别为4.64m×4.17m、4.60m×4.15m、4.60m×4.15m(宽×高,城门洞型)。
施工支洞封堵段长度分别为30m、40m、70m,封堵段内均留进人孔,进人孔断面均为圆形,断面直径150cm,各封堵体前部均设椭球形闸门,其中2#、3#支洞进人孔钢衬段分别为10m、20m。
支洞与主洞岔口段位高压固结灌浆段,灌浆压力5.5~6.0MPa,排距2m,入岩深度15m,两孔夹角18°(一环20孔),每个支洞共计3排,高压封堵段之后为常规固结灌浆段,灌浆压力5.5MPa,排距2m,入岩深度4.5m,两孔夹角40°(一环9孔)。
二、施工布置2.1 施工辅助设施2.1.1 施工供风洞内通风采用自然通风,凿毛、造孔灌浆等用风采用移动式空压机进行供风。
2.1.2 施工用水附近主洞边顶拱有排水孔出水的直接用铁皮桶收集,沉淀净化后使用,铺设Ф80mm钢管或橡胶管利用水泵抽水至工作面。
灌浆用水符合《水工混凝土施工规范》DL/T5l44-2001拌制水工混凝土用水要求的规定。
制浆用水温度不超过40℃。
2.1.3 施工供电本工程施工用电主要为泵机高压用电,以及焊接、木模板现场简易加工、照明、抽水,以及考虑钻孔、灌浆等低压用电。
施工用电继续采用各支洞洞内现有用电。
2.1.4 混凝土拌合系统1#、2#支洞混凝土浇筑以2#支洞HZS35拌合站拌制为主,3#支洞以隧洞营地HZS60拌合站为主。
2.1.5 水泥制浆站及输浆管路拟采取集中制浆方式制浆,洞外搭设一个集中制浆平台,浆液搅拌后分送至各个转浆站,再由转浆站分送至各个工作面。
输浆管路为直径Φ30mm钢编管,制浆站面积约为80㎡,可储存水泥100吨。
分别安设2台高速搅拌机制浆,2台低速搅拌机,2台灌浆泵,以及供水、输浆管路系统等。
2.1.6 施工排污及弃渣为保护环境,在制浆站以及各灌浆施工面沿线设置排污(水)沟,每天定时专人负责对排水沟进行清理。
2.2施工机械及人力资源本工程主要的施工机械见下表所列:序号设备名称型号单位数量备注1 混凝土罐车3m³/8m³台82 砼拖泵HBT80.13.110SU 台 33 吊车50T 台 14 钢管运输车 15 T 台 16 装载机台 47 高速搅拌机ZJ400 台 68 高压灌浆泵SGB6-18 台 29 高压灌浆泵SGB6-10 台 610 低速搅拌机JJS-2A 台811 1000L储浆筒1000L 3 台12 自动灌浆记录仪套 613 水泵50m扬程台814 电焊机台 615 空压机20m³台 316 螺杆式电动空压机4m3 台 217 套丝机TQ50-A 台 318 灌浆记录仪套 319 手风钻YT-28 台1220 圆盘钻机YG-80 台 421 地质钻机XY-2 台 222 手拉葫芦10t 个 223 卷扬机10t 台 124 千斤顶16 t/5t 个10表2.2-2 拟投入人员计划表序号类型数量序号类型数量1 技术管理人员10 8 机长 32 测量人员 1 9 钻孔人员153 钢筋工12 10 灌浆人员94 混凝土工9 11 电工机修工 35 模板工6 12 驾驶员126 木工 3 13 杂工127 焊工12 14 合计107三、施工方案3.1工艺流程岔口深孔固结灌浆→围岩固结灌浆施工准备→基岩面清理→垫层浇筑→预埋件施工→钢筋模板施工→仓位验收锚杆施工金结构件(闸室钢衬、闸门安装、进人孔钢衬安装)回填灌浆拆模、养护砼浇筑图3.1-1 支洞封堵施工工艺流程图封堵分段按照先闸室段再进人孔段由内向外,自下而上先底板再边顶拱进行施工,闸室段在闸室围岩灌浆、锚杆、闸室钢衬和闸门以及部分进人孔安装完成后进行,进人孔段分段原则上按照不大于20m进行,接缝作为施工缝进行凿毛处理,若采用大于20m分段需要保证混凝土浇筑连续性。
3.2 施工方法3.2.1 施工准备(1)上游主洞渗水通过在岔口上游位置设置挡水堰,采用水泵通过封堵段埋设钢管或预留排水沟将地下水进行导排,排水管后期进口进行钢板封堵,管内灌浆回填。
(2)支洞金结构件安装前将岔口段主洞剩余工作所用材料全部转入洞内,主要包括钢筋、模板、架管以及构件等。
3.2.2 基础清理及垫层先机械清理,采用装载机、小挖机铲除表层浮渣,然后人工用铁铲清理基础表面淤积的浮渣和淤泥,最后用高压水枪清洗干净,人工排除积水。
清理完成后先报现场监理和质检部门初验合格,然后由现场监理通知业主、地质设计、土建设计进行联合验收,验收通过后进行垫层混凝土浇筑。
混凝土运输采用8m³小罐车进洞至清理工作面,人工进行平仓,软轴振捣棒振捣后,采用5×10cm木枋和木抹刀进行收面,最后自然养护。
局部边顶拱出水位置进行收排或在垫层面上设置薄铁皮保护。
3.2.3 锚杆施工锚杆施工采用φ48钢管搭设脚手架施工平台,平台间距1.5m,排距1.5m,步距1.5m。