工程质量控制资料核查记录
- 格式:docx
- 大小:18.03 KB
- 文档页数:5
分部子分部工程质量控制核查记录一、项目概况项目名称:项目地点:建设单位:总承包单位:监理单位:施工单位:二、核查时间:核查人员:核查内容:核查结果:三、具体内容1.工程整体质量控制情况核查1.1施工方案是否符合设计要求?1.2施工人员是否符合相关要求?是否持有相关证书?1.3材料进场是否符合规范?是否有对应合格证明文件?1.4施工现场是否整洁有序?是否存在安全隐患?1.5施工过程中是否按照工程质量验收标准进行检查?1.6施工过程中是否及时整改质量隐患?1.7施工现场是否按照构件制作及安装要求进行操作?1.8施工质量是否达到规范要求?1.9进度安排是否合理?是否对工期进行严格控制?1.10施工方案、施工措施是否得到审批?2.施工质量在各个子分部工程的控制情况核查2.1地基工程质量控制情况核查2.1.1软土地基处理是否符合设计及规范要求?2.1.2填土工程是否按照要求进行抗渗防渗措施?2.1.3埋设管线、基坑工程是否按照质量验收标准进行检查?2.1.4沉降观测是否按照规范要求?2.1.5基坑支护措施是否符合设计要求?2.2结构工程质量控制情况核查2.2.1混凝土浇筑前检查是否符合规范?2.2.2混凝土拌合物是否符合设计要求?2.2.3混凝土浇筑过程是否符合规范要求?2.2.4钢筋安装是否符合设计及规范要求?2.3安装工程质量控制情况核查2.3.1安装是否符合设计及规范要求?2.3.2设备安装是否达到相关要求?2.3.3是否进行了设备预调试工作?2.4装修工程质量控制情况核查2.4.1装饰装修材料是否符合设计及规范要求?2.4.2施工是否符合设计及规范要求?2.4.3装饰装修施工工艺、工序是否符合规范要求?2.4.4管道、线路敷设是否符合规范要求?2.4.5室内环境是否符合相关要求?四、核查结果根据以上核查情况,将各个子分部工程的质量控制情况进行评价,并给出意见和建议。
五、结论根据以上核查结果,总结项目质量控制情况并给出结论。
单位(子单位)工程质量控制资料核查记录范例背景:
某建筑工程单位正在进行单位工程质量控制资料核查工作,以确保施工质量符合规范要求,并保证项目的顺利进行。
人物:
1. 项目工程师A:负责质量控制资料核查工作的主要负责人。
2. 施工方代表B:负责提供单位工程质量控制资料的施工方的代表。
3. 质量安全监督人员C:负责监督、检查和评价施工过程和质量的专业人员。
地点:
工程项目办公室。
核查记录:
时间:2022年6月15日
记录内容:
1. 项目工程师A向施工方代表B索取了单位工程质量控制资料,包括施工记录、检测报告、检验报告等相关文件。
2. 在核查过程中,项目工程师A仔细阅读了提供的资料,对施工过程及相关质量控制记录逐一核对,并记录在核查表格中。
3. 在核查过程中,项目工程师A发现施工方在操作程序和施工记录中存在少量不一致的情况,并立即与施工方代表B进行了沟通和反馈。
4. 施工方代表B对核查中存在的不一致问题表示了理解,并承诺将尽快进行整改和补充完善。
5. 根据质量安全监督人员C的建议,项目工程师A将核查结果整理成报告,并提交给施工方代表B以及上级领导进行审阅。
总结:
通过单位工程质量控制资料核查工作,发现了少量不一致的问题,及时进行了沟通和反馈。
施工方代表B对问题表示了理解,并承诺将尽快整改,以保证施工质量的一致性。
这次核查工作进一步加强了施工方与项目工程师之间的沟通与协作,并促使施工方对质量控制工作更加重视。
体会:
(以上内容为虚构,不可用于实际记录使用)。
单位工程质量控制资料核查记录范例项目名称:某某工程项目项目地点:某某地项目阶段:施工阶段日期:2022年1月1日核查人员:张三、李四一、前言为了确保工程施工质量,我们对单位工程质量控制资料进行了核查。
本次核查旨在确认施工单位是否按照规定的施工工艺和质量要求进行施工,并确保施工过程中的各项质量控制资料的真实性和有效性。
二、核查内容1.施工单位的工程质量控制手册及相关文件资料的完整性和及时性;2.施工过程中的施工记录、材料报审资料、进场检验报告等质量控制资料的真实性和合规性;3.施工现场的质量检测及验收记录;4.施工单位的监理单位对相关施工工程的监理报告;5.其他相关的质量控制资料。
三、核查结果我们经过仔细核查,发现如下问题:1.施工单位的工程质量控制手册及相关文件资料的完整性和及时性不够,存在漏洞和遗漏;2.施工过程中施工记录、材料报审资料、进场检验报告等质量控制资料的真实性和合规性有待提高,存在填写不规范、内容不完整的情况;3.施工现场质量检测及验收记录不够完善,有些检测数据不够准确;4.施工单位的监理单位对相关施工工程的监理报告有些信息不够完整,需要进一步完善。
四、整改措施1.施工单位需要及时完善工程质量控制手册及相关文件资料,确保其及时性和完整性;2.施工单位要求严格执行施工记录、材料报审资料、进场检验报告等质量控制资料的填写规范,并确保真实性和合规性;3.施工单位需加强施工现场质量检测及验收记录的管理,确保数据的准确性;4.施工单位需要与监理单位加强沟通,完善监理报告的相关信息。
五、结论通过本次核查,我们发现了施工单位在质量控制资料方面存在的一些问题,但我们相信在施工单位和监理单位的共同努力下,这些问题将很快得到解决和改进。
同时,我们也相信在后续的工程施工中,施工单位将能够更加严格地执行质量控制要求,确保工程施工的质量和安全。
以上就是本次单位工程质量控制资料核查记录的全部内容,感谢您的阅读。
子分部工程质量控制资料核查记录一、项目基本信息:项目名称:工程地点:施工单位:监理单位:核查日期:二、核查内容:1.施工图纸及相关设计文件2.施工计划和施工组织设计3.施工材料清单和供货合同4.施工技术规范和施工质量标准5.施工工艺和施工方法6.质量检测报告和试验数据7.施工过程控制记录和验收记录8.施工人员资质和工作记录9.施工设备和机械设备的有效性和合格证明10.施工现场安全管理和文明施工情况三、核查结果:1.施工图纸及相关设计文件(1)核查施工图纸与设计文件的一致性,确保施工过程中不会发生设计变更。
(2)确认施工图纸的签署和审批手续是否完备,核对图纸的版本和修订记录。
2.施工计划和施工组织设计(1)核查施工计划是否合理、可行,并与项目管理要求一致。
(2)核查施工组织设计是否细致、周密,涵盖施工期间的各项工作。
3.施工材料清单和供货合同(1)核查施工材料清单是否齐全、准确,并与设计文件一致。
(2)核查供货合同的合规性、有效性和签订手续是否完备。
4.施工技术规范和施工质量标准(1)核查施工技术规范是否符合相关标准和法规要求。
(2)核查施工质量标准是否清晰、具体,并能够被操作人员理解。
5.施工工艺和施工方法(1)核查施工工艺和施工方法是否科学、合理,并能够保证工程质量。
(2)核查施工工艺和施工方法是否与相关规范和标准一致。
6.质量检测报告和试验数据(1)核查质量检测报告和试验数据的真实性、准确性和完整性。
(2)核查检测机构的资质证书和检测仪器的校准证书是否合法有效。
7.施工过程控制记录和验收记录(1)核查施工过程控制记录和验收记录的完备性和规范性。
(2)核查施工过程控制记录和验收记录是否符合施工技术规范和质量标准要求。
8.施工人员资质和工作记录(1)核查施工人员的资质证明和培训记录是否合法有效。
(2)核查施工人员的技术水平和工作经验是否符合工程要求。
9.施工设备和机械设备的有效性和合格证明(2)核查施工设备和机械设备的合格证明是否合法有效。
单位工程质量控制资料核查记录填写范例在建筑工程的世界里,质量控制可真是个大事儿。
咱们常说“细节决定成败”,这话放在这里也绝对不为过。
想想,工地上那些堆积如山的材料,工人们忙得不可开交,安全隐患也随时可能冒头。
为了确保每一砖每一瓦都能经得起时间的考验,质量控制资料的核查可不能掉以轻心。
要是搞得不扎实,后果可想而知,真是“吃了秧苗,哭也没地方哭”。
很多人可能觉得“核查记录”就跟吃药似的,苦得不行。
不过,真要把这玩意儿搞明白了,就会发现它其实是一道风景线。
想象一下,工地上的一群小伙伴,兴高采烈地围着一张表格,认真记录着每一项检查结果。
那场景,简直比开派对还热闹,哄堂大笑中,活脱脱一幅“奋斗青春”的画面。
首先呢,得明确这记录的内容。
得写什么,怎么写,谁来写,这都是得有谱儿的。
一个好的核查记录,像一张详细的地图,把每一个步骤、每一个环节都标得明明白白。
说白了,就是要把质量控制当成一件乐事儿来做。
比如说,材料的验收,不仅要看数量,还得摸摸质量,看看它们是不是合格。
拿到样品就像盲盒,开了之后能不能心满意足,谁也说不准。
然后就是检查过程。
咱们可不能马虎,尤其是对那些关键点,比如基础工程,墙体的强度等等。
这些可都是关乎到整个工程质量的“命门”。
你想啊,要是这部分出问题,后面的施工再漂亮也得打折扣。
可千万别小看了这些检查,检查的时候要全神贯注,犹如狙击手盯着目标,生怕错过任何一个细节。
记录的方式也很重要。
笔记本、电子表格、甚至手机APP,只要能把信息记录下来的都行。
但有一点要注意,写的时候得字迹工整,别让人看得一头雾水。
写错了可是要吃大亏的,毕竟“错字如人,读错了可就闹笑话”。
写的时候也可以加点幽默的元素,让干巴巴的记录也能让人忍俊不禁。
然后呢,核查记录的归档也不能忽视。
大家都知道,纸质材料容易丢,但电子档案就得妥妥地备份。
那可真是“留得青山在,不怕没柴烧”,有备无患总是好的。
随时查找,随时对照,绝对不会让你“求助无门”。
某建筑公司单位工程质量控制资料核查记录**建筑公司单位工程质量控制资料核查记录**日期:__________单位工程名称:__________质量控制资料核查人员:__________一、核查目的本次核查旨在确保单位工程的质量控制资料的完整性、准确性和可靠性,以保证建设工程的质量符合相关标准和规范要求。
二、核查内容1.施工组织设计文件2.施工图纸和图纸变更记录3.计量与结算资料4.材料试验报告和工序检验报告5.质量验收记录6.施工质量安全记录三、核查步骤1.核查施工组织设计文件-核查施工组织设计文件是否齐全,并与招标文件一致;-核查施工组织设计文件的编制单位和审核单位是否符合要求;-核查施工组织设计文件的编制内容是否详细准确,包含必要的施工措施和安全防护措施。
2.核查施工图纸和图纸变更记录-核查施工图纸是否完整,包括结构、建筑、给排水、电气等;-核查施工图纸是否与设计文件一致;-核查图纸变更记录是否完整,变更是否经过合法程序。
3.核查计量与结算资料-核查计量书是否齐全,包括进场计量书、工程量计量书等;-核查计量书是否与实际施工一致;-核查结算资料是否完整,包括决算书、结算单等。
4.核查材料试验报告和工序检验报告-核查材料试验报告是否齐全、准确,并与施工需求相符;-核查工序检验报告是否按规定程序进行,并符合相关要求;-核查试验报告的签发单位和签发日期是否符合要求。
5.核查质量验收记录-核查质量验收记录是否覆盖所有施工工序;-核查质量验收记录是否齐全、准确;-核查验收记录中的质量问题是否得到及时整改。
6.核查施工质量安全记录-核查施工质量安全记录是否详细、完整;-核查施工质量安全记录是否符合施工规范和安全要求;-核查施工质量安全记录中的问题是否得到及时解决。
四、核查结果经核查,本次单位工程质量控制资料符合要求,不存在重大问题,并未发现违规操作或严重缺陷。
五、核查意见根据核查结果,我认为本单位工程的质量控制工作做得较好,建议继续保持,并在今后的工程质量控制过程中进一步加强对施工过程中的质量安全风险的管理和控制,以确保施工质量的稳定和可靠性。
工程质量控制资料核查记录一、引言工程质量控制是确保工程项目质量达到规定要求的重要环节。
在工程施工过程中,相关的质量控制资料的准确性、完整性和及时性对于保证工程质量至关重要。
本文旨在记录工程质量控制资料核查的过程和结果,以确保工程质量的可追溯性和合规性。
二、资料核查目的工程质量控制资料核查的目的是验证工程项目质量控制过程中的关键记录和文件的准确性、完整性和有效性。
通过核查工程质量控制资料,可以发现并纠正可能存在的问题,确保工程质量的可控性和稳定性。
本次资料核查主要包括施工图纸、设计文件、工程报告、检验报告、施工记录等。
三、资料核查过程1. 施工图纸的核查根据施工图纸审核要求,核实施工图纸的版本、图纸编号、设计单位、审查单位等信息是否准确完整。
同时,检查施工图纸中的关键参数和构造是否符合设计要求,如尺寸、材料规格、配筋等。
2. 设计文件的核查对工程项目的设计文件进行核查,包括设计说明、计算书、规范要求等。
核查设计文件的编制规范性、逻辑性、清晰度等方面,确保设计文件符合相关规定,并能实施施工工序。
3. 工程报告的核查核查工程施工过程中的各类报告的准确性和完整性。
包括施工总结报告、施工进度报告、质量控制报告等。
通过核查工程报告,可以了解工程项目的进展情况和质量控制情况,发现并解决潜在的问题。
4. 检验报告的核查核查工程质量检验报告的真实性和有效性。
检查检验报告中的实际检验数据是否真实、准确,并与相关标准进行比对。
同时,核查检验报告的签发单位和签发人员,确保检验报告的合法性和权威性。
5. 施工记录的核查核查施工现场的各类记录,包括施工日志、工程验收记录、质量事故记录等。
检查施工记录中的关键信息和操作过程,确保施工质量的真实性和过程的规范性。
四、资料核查结果根据实际核查情况,记录资料核查的结果,包括核查项目、核查标准、核查结果等。
对于存在的问题,要进行合理的分析和整改意见的提出。
对于符合要求的资料,要及时归档保存,以备后续查阅和核对。
分部工程质量控制资料核查记录模板一:一、项目概述项目名称:项目位置:项目负责人:项目起止日期:二、工程质量控制资料核查1. 设计文件核查1.1 施工图纸是否与设计需求一致;1.2 设计变更和批准手续是否齐全;1.3 是否按规定进行设计校审;1.4 设计计算书是否准确完整。
2. 材料质量文件核查2.1 材料验收报告是否符合规定标准;2.2 材料进场时是否有相应合格证书和检验报告;2.3 材料质量是否满足施工要求;2.4 材料存放和保护是否符合规定要求。
3. 施工质量控制文件核查3.1 施工方案是否具备可行性和合理性;3.2 施工组织方案是否能够保证工程质量;3.3 施工工序、施工工艺是否合理;3.4 施工检验和试验方案是否符合要求。
4. 进度控制文件核查4.1 施工进度计划是否合理且可行;4.2 施工工期是否按计划进行;4.3 施工进度是否与实际情况相符;4.4 工程施工进度是否存在滞后或加快。
5. 安全控制文件核查5.1 安全技术措施是否到位;5.2 安全操作规范是否得到执行;5.3 施工现场安全管理是否符合规定。
附件:(具体列出所需附件名称)法律名词及注释:1. 施工图纸:是建筑工程设计的具体表达形式,包括平面图、立面图、剖面图等。
2. 设计变更:根据实际情况对设计方案进行修改和调整。
3. 校审:对设计文件进行审核和审查,确保设计的准确性和合理性。
4. 材料验收报告:对进场材料进行检验并出具的质量验收报告。
5. 施工方案:施工过程中的具体操作方法和步骤的规定和计划。
6. 施工组织方案:对施工过程中的人员、设备、材料、工艺、工序等进行组织安排和管理的方案。
模板二:一、项目概述项目名称:项目位置:项目负责人:项目起止日期:二、工程质量控制资料核查1. 施工图纸核查1.1 施工图纸是否与设计图纸一致;1.2 是否存在未经批准或者未按规定程序修改的施工图纸;1.3 施工图纸是否符合国家有关工程建设标准和规范;1.4 施工图纸是否具备可施工性和可检查性。
分部工程质量控制资料核查记录施工单位检查意见模板
摘要:
一、分部工程质量控制资料核查记录概述
1.施工单位检查意见模板的作用
2.施工单位检查意见模板的内容
二、分部工程质量控制资料核查记录的具体内容
1.工程质量控制资料的核查
2.工程质量问题的处理
3.工程质量验收结果
三、施工单位检查意见模板的应用
1.施工单位检查意见的填写
2.施工单位检查意见的提交
3.施工单位检查意见的反馈
四、分部工程质量控制资料核查记录的意义
1.提高工程质量
2.保障工程安全
3.促进工程项目的顺利进行
正文:
分部工程质量控制资料核查记录是施工单位在进行工程质量控制过程中,对工程质量控制资料进行核查的记录。
它包括工程质量控制资料的核查、工程质量问题的处理、工程质量验收结果等内容。
施工单位检查意见模板是分部工程质量控制资料核查记录的重要组成部分,它对施工单位进行检查意见的填写提供了参考。
施工单位检查意见模板的内容主要包括工程质量控制资料的核查情况、工程质量问题的处理情况、工程质量验收结果等。
在实际应用中,施工单位应根据工程的具体情况,填写施工单位检查意见模板。
施工单位检查意见的填写应准确、详细,以便于其他相关单位对工程质量的控制。
施工单位检查意见模板的提交,是施工单位对工程质量控制的反馈,也是对其他相关单位的工作的监督。
通过施工单位检查意见模板的提交,可以及时发现工程质量问题,及时进行处理,保证工程质量。
分部工程质量控制资料核查记录一、背景本记录是为了保证项目分部工程的质量控制资料的准确性和完备性而制定的,旨在核查各分部工程的质量控制资料是否符合标准及是否已经按规定归档。
二、范围本记录适用于项目建设周期内,对分部工程质量控制资料的核查。
三、核查内容1. 分部工程质量控制计划核查分部工程质量控制计划是否符合项目标准及法律法规要求,是否包含工程项目安装配件的质量、验收标准、检查方法、试验方法等方面的内容,并且是否依照要求层层签字确认。
2. 质量资料清单核查分部工程的质量资料清单是否齐全,并且清单中的质量资料是否依照要求进行归档。
3. 质量记录核查各项分部工程的质量记录是否存在,包括检查记录、试验记录、验收记录、工程竣工验收书及完整的项目资料档案等,是否符合项目要求。
4. 相关文件核查所有与分部工程相关的文件、资料是否清晰、明确,是否包括分部工程施工方案、施工记录、设计文件、安装说明、加固图及防护维护图等。
5. 材料验收记录核查材料验收记录是否符合设计要求。
要求各项材料均需要经过验收,并记录验收结果。
四、核查方法1. 手动核查对各分部工程的质量控制计划、质量资料清单、质量记录、相关文件及材料验收记录等进行手动核查。
2. 系统查询通过建设单位提供的分部工程质量控制记录系统,查询分部工程质量控制计划、质量资料清单、质量记录、相关文件及材料验收记录等。
五、核查结果对各分部工程进行逐一核查,符合要求的资料进行确认,并记录核查结果及有关重要信息。
核查结果分为合格、不合格和待整改三种。
六、结论核查所有分部工程的质量控制资料,发现不合格或待整改的情况,需要责令建设单位及时整改,并开出整改意见清单,整改意见清单必须包含整改事项、整改要求及整改期限等相关信息。
对于核查结果为合格的分部工程,可根据要求进行归档保存。
七、附件核查结果清单:分部工程名称核查结果备注模块A 合格无模块B 待整改需要补充施工图模块C 不合格材料验收记录不清晰模块D 合格无………。
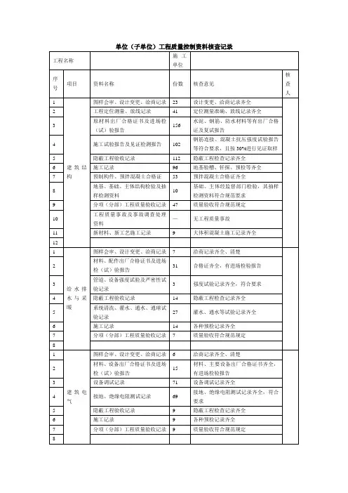
主体构造分部工程质量掌握资料核查记录三篇篇一:主体构造分部工程质量掌握资料核查记录编号:单位〔子施工单单位〕工位程名称监理〔建设〕单施工单位份位序号资料名称数检查意核查意检查人核查人见见图纸会检、设计变更、洽商记1 5录测量放线记录及沉降观测记2 /录施工方案、作业指导书、技术3 2交底记录原材料出厂合格证书及进场4 33检验报告5 构件、配件、高强度螺栓连接 /副制成品出厂合格证钢构造摩擦面的抗滑移系数6 及高强度螺栓连接副的试验/报告螺栓最小负载试验报告、高强7 大六角头螺栓连接副扭矩系/数复试报告8 预应力筋用锚具、连接器的合/ 格证和进场复验报告预应力钢筋的安装、张拉及灌9 /浆记录10 隐蔽工程验收记录 5主体构造检验及抽样检测资11 /料混凝土原材料及混凝土试件12 5的试验报告钢筋材质及焊接〔机械连接〕13 5接头试验的报告14 混凝土构造实体检验记录 415 混凝土工程施工记录 516 混凝土协作比试验报告 3预拌混凝土合格证〔出厂检验17 13报告〕及进场坍落度记录18 预埋螺栓、敷设架测量记录/19 网架节点承载力试验报告/20 砂浆协作比试验报告 1水平灰缝砂浆饱满度检测记21 4录☆22 砂浆使用记录☆/23 砌体垂直度检测记录 524 砌筑砂浆试件的试验报告 525 混凝土及砂浆协作比通知单1326 构造吊装记录、烟囱钢内筒顶/ 升〔安装〕记录27 钢构造预拼装记录/28 高强螺栓施工记录/29 焊缝外观及尺寸检查记录/30 钢构造焊缝质量检测报告/31 防火涂料涂层厚度检测报告/柱脚及网架支座检查记录〔锚32 栓紧固、垫板、垫块,检查记/录〕☆33施工试验报告及见证检测报告混凝土、砂浆强度统计、评定34 1记录工程的重大质量问题的处理35 /方案和验收记录防水工程施工及质量验收记36 /录☆37 防水材料协作比试验报告☆/地下室防水层渗漏水检查记38录☆/39 材料、工艺施工记录☆/40 分项工程质量验收记录 441 检验批工程质量验收记录10 核查意见核查结论建设单位:工程负责人:监理单位:总监理工程师:施工单位:工程经理:〔工程技术负责人〕:年月日〔工程技术负责人〕:年月日年月日篇二:主体构造分部工程质量掌握资料核查记录XX 服装厂房工工程名称程厂房、A 厂房 B、厂房工程地址XX 开发区C、厂房 D构造类型框架构造层数 4 栋/4 层建筑面积36120 ㎡合同工期/天开工日期完工日期施工证许可工程经理号验工程内容施工单位自检状况收完成工程设计和合同已完成。
3单位工程质量控制资料核查记录日期:xxxx年xx月xx日地点:xxxx项目工地xxx楼栋xxx单元一、核查内容及要求:我们对xxxx项目工地xxx楼栋xxx单元的单位工程质量控制资料进行了核查,目的是确保施工过程中的质量管理符合相关规定和要求。
核查的资料包括但不限于施工图纸、施工计划、检测报告、材料验收记录、施工记录等。
核查的要求如下:1.核查施工图纸是否与项目设计要求一致;2.核查施工计划是否合理,是否能够按时完成项目;3.核查检测报告的真实性和准确性;4.核查材料验收记录,确保材料质量符合规定标准;5.核查施工记录,检查施工质量情况。
二、核查结果:1.施工图纸核查结果:经核查,施工图纸与项目设计要求一致,未发现与设计不符或违反规定的情况。
2.施工计划核查结果:施工计划合理,能够按时完成项目。
计划中包括了施工工序、施工周期和所需材料等,能够确保施工过程的有效管理。
3.检测报告核查结果:对于已有的检测报告,我们核查了其中的部分样本和检测数据,发现检测结果与实际情况一致。
检测工作按照规定的程序和标准进行,报告真实可信。
4.材料验收记录核查结果:对于材料验收记录,我们核查了部分材料和检验报告,发现材料质量标准符合规定,并在验收过程中进行了适当的记录和归档。
5.施工记录核查结果:施工记录完整、规范,记录了施工过程中的关键环节和控制要点,包括材料使用情况、施工工序、质量检验等。
施工记录能够提供有效的施工质量控制信息。
三、存在的问题及整改措施:在核查中,我们发现了以下问题:1.部分材料验收记录缺少验收人签字或日期;2.有个别施工记录中,对一些质量控制环节的记录不够详细。
针对上述问题,我们向项目工地相关责任人提出了整改建议:1.要求负责验收的人员对材料验收记录进行补签,并将补签的记录及时归档;2.加强对施工记录的监督和检查,确保记录的完整性和准确性。
四、下一步工作安排:1.对整改措施的落实进行跟踪检查,确保问题得到解决;2.继续核查其它质量控制资料,确保施工质量控制工作的全面落实;3.完善核查记录,形成完整的单位工程质量控制资料核查报告。
分部工程质量控制资料核查验收记录日期:XXXX年XX月XX日项目名称:所属分部工程:验收人员:核查人员:一、项目概述本次验收旨在核查所属分部工程的质量控制资料,以确保工程质量符合相关标准和规范要求。
二、核查内容1.施工图纸:核查施工图纸的完整性和符合性,包括结构、设备、电气等专业图纸。
2.材料采购与验收记录:核查材料的采购合同、验收记录,确保采购的材料符合相关标准和质量要求。
3.施工工艺与资料:核查施工工艺与资料,包括施工方案、制度与方法,确保施工工艺符合设计要求,并有相应的实施资料。
4.质量检测与验收记录:核查质量检测与验收记录,包括试验报告、检测记录等,确认施工过程中的质量检测和验收符合要求。
5.工程变更及记录:核查工程变更及相关记录,包括设计变更和施工变更,确认变更过程合规、规范,并有相应的记录。
三、核查过程1.验收人员和核查人员一同进入施工现场,查看分部工程质量控制文件和资料。
2.验收人员提供资料清单,核查人员依据清单逐项核查。
3.核查人员对每项核查内容进行记录,包括核查结果、发现问题及对应建议。
4.核查人员与分包单位进行沟通,针对问题提出整改要求和具体措施。
5.核查人员总结核查结果,与验收人员进行交流和确认。
四、核查结果经核查,所属分部工程的质量控制资料符合相关标准和规范要求,未发现重大问题。
五、问题及建议1.对施工图纸进行进一步完善,确保图纸的完整性和准确性。
2.加强材料的采购与验收记录管理,保证材料质量可追溯。
3.完善施工工艺与资料,确保施工过程中的工艺可行性。
4.加强质量检测与验收记录的管理,完善相关的检测和验收流程。
5.加强工程变更的管理,确保变更过程规范、合规并有相应的记录。
六、后续措施1.验收人员将核查结果及问题建议反馈给项目负责人,并与工程质量部门进行沟通,制定相应的整改措施。
2.工程质量部门将根据核查结果和问题建议,对分部工程进行整改和改进,确保工程质量符合要求。
3.进行进一步的监督和检查,确保所属分部工程的持续质量管控。
单位工程质量控制资料核查记录项目名称:XXX工程工程位置:XXX地点施工单位:XXX公司工程质量控制资料核查记录编号:XXX-XXX-XXX核查日期:20XX年XX月XX日一、前期资料核查1.施工组织设计文件核查核查内容:(1)施工组织设计文件是否包含合理的施工工艺和施工方案;(2)施工组织设计文件是否满足相关法规和技术标准要求;(3)施工组织设计文件是否与勘察设计文件相符;(4)施工组织设计文件是否对可能出现的质量问题和风险进行了合理的分析和控制。
结果:√(通过)/×(不通过)2.技术文件核查核查内容:(1)工程技术交底会议记录是否完整,是否包含工程技术交底的内容、时间、地点、人员等信息;(2)技术交底会议的参会人员是否符合规定;(3)工程技术交底记录是否包含工程施工工艺、施工措施、施工要点、质量标准要求等内容;(4)确认各类技术文件的编写是否规范,包括质量方案、工序计划、工程施工方案等。
结果:√(通过)/×(不通过)二、施工过程资料核查1.工程变更管理资料核查核查内容:(1)核查工程变更单是否填写完整,是否经过各相关部门的批准;(2)核查工程变更卡片是否正确记录了变更前、变更后的内容,是否包含批准意见;(3)核查工程变更的执行情况,包括变更后的施工方案、材料替代等是否符合要求。
结果:√(通过)/×(不通过)2.施工记录核查核查内容:(1)核查施工日志是否按照工序、日期有序记录,是否包括施工内容、施工人员、使用工具和设备等信息;(2)核查检查记录,包括结构施工检查记录、质量事故处理记录、工序验收记录等;(3)核查质量检测报告,包括施工过程中的材料检测报告、焊接工艺评定报告等。
结果:√(通过)/×(不通过)三、竣工资料核查1.竣工验收资料核查核查内容:(1)核查报批资料,包括施工总结报告、竣工图纸、设备设施验收报告等;(2)核查竣工验收记录,包括竣工验收报告、互检报告、施工质量问题整改记录等;(3)核查验收记录与实际工程质量是否相符。
工程质量控制资料核查记录一、引言工程质量控制是确保工程质量达到预期目标的重要环节。
为了保证工程质量的可追溯性和合规性,需要进行工程质量控制资料的核查。
本文档记录了工程质量控制资料核查的过程、结果和结论,以便于在后续对工程质量进行评估和分析。
二、核查过程1.确定核查范围根据工程质量控制计划和相关法律法规,确定需要核查的工程质量控制资料范围,包括但不限于设计文件、施工方案、质量检测报告、验收记录等。
2.核查资料准备准备好需要核查的工程质量控制资料,包括纸质和电子版本,并进行密封和标识。
3.制定核查方案根据核查范围和要求,制定详细的核查方案,包括核查的方法、标准、依据等,确保核查的全面性和准确性。
4.资料核查按照核查方案进行资料核查,逐项对工程质量控制资料进行仔细检查,包括文件的齐全性、准确性、规范性等方面的核查。
5.记录核查结果对每项工程质量控制资料进行记录,准确记录核查的结果,包括符合要求和存在问题的具体情况。
6.分析和验证根据核查结果,对存在问题的资料进行分析和验证,确定问题的原因和解决方案,并及时跟进整改措施。
三、核查结果1.设计文件核查结果根据工程设计文件的核查,确认设计文件的齐全性、准确性和规范性。
核查是否有必要的设计说明和图纸,并与实际施工情况相符。
2.施工方案核查结果核查施工方案是否符合工程设计要求,包括工艺流程、材料选用、施工方法等方面的核查。
确保施工方案能够保证工程质量和进度的要求。
3.质量检测报告核查结果对质量检测报告进行核查,包括检测项目的准确性、检测设备的合格证明、检测方法的正确性等方面的核查。
确保质量检测结果具有可靠性和可信度。
4.验收记录核查结果核查验收记录的完整性和准确性,包括施工单位、监理单位和验收单位的签字、验收日期、验收结果等方面的核查。
确保工程质量符合验收标准和规范要求。
四、结论根据工程质量控制资料的核查结果,得出以下结论:1.工程设计文件完整、准确、规范;2.施工方案符合工程设计要求;3.质量检测报告具有可靠性和可信度;4.验收记录完整、准确。
1单位工程质量控制资料核查记录一、背景介绍本次单位工程质量控制资料核查记录是根据我公司承接的X项目的施工过程中进行的。
经过前期的施工准备工作,现在开始对单位工程施工过程中的质量控制资料进行核查,以保证项目的质量达到预期要求。
二、核查目的通过对单位工程施工过程中的质量控制资料的核查,了解项目的施工进度、质量执行计划、质量验收评定及改进措施等内容,以评估项目的质量控制水平,为进一步的施工提供参考。
三、核查内容1.质量执行计划的编制情况,包括计划的制定者、编制时间、计划的可行性以及是否得到施工方的认可等。
2.质量验收评定记录的完整性和准确性,包括施工单元工程的验收报告、质量问题整改报告等。
3.施工单位的质量保证措施和改进方案的执行情况,包括施工人员的素质培训记录、隐患排查检查表、施工工艺改进记录等。
4.环境保护和安全生产的控制措施,包括环境保护方案、人员防护措施、消防设施检查等。
5.施工进度计划的执行情况,包括施工过程中的进度控制记录、施工工序的验收记录等。
6.施工现场的质量检测记录,包括原材料检测报告、工序检测报告、成品检测报告等。
四、核查方法1.首先,对单位工程的质量控制资料进行整理,建立核查清单,并分配核查人员。
2.核查人员根据核查清单,对各项质量控制资料逐一进行审核,确保信息的完整性和准确性。
3.核查人员将问题归纳整理,并与施工单位沟通,及时提出改进建议。
4.对核查结果进行总结和分析,形成核查报告。
五、核查结果经过对单位工程质量控制资料的核查,发现以下问题:1.质量执行计划中存在时间节点安排不合理的情况,需要调整以确保项目能够按时完成。
2.部分施工单元工程的验收评定记录不完整,需要补充相关的验收报告和整改报告。
3.施工单位的质量保证措施和改进方案执行不到位,需要加强相关培训和检查。
4.安全生产和环境保护的控制措施存在疏漏,需要加强对施工现场的监督和检查。
5.施工进度计划执行不够紧密,需要加强对进度的控制和协调。