单位工程质量竣工验收主要资料核查记录
- 格式:xls
- 大小:40.50 KB
- 文档页数:18
温馨小提示:本文主要介绍的是关于《单位工程竣工验收质量记录报告》的文章,文章是由本店铺通过查阅资料,经过精心整理撰写而成。
文章的内容不一定符合大家的期望需求,还请各位根据自己的需求进行下载。
本文档下载后可以根据自己的实际情况进行任意改写,从而已达到各位的需求。
愿本篇《单位工程竣工验收质量记录报告》能真实确切的帮助各位。
本店铺将会继续努力、改进、创新,给大家提供更加优质符合大家需求的文档。
感谢支持!(Thank you for downloading and checking it out!)阅读本篇文章之前,本店铺提供大纲预览服务,我们可以先预览文章的大纲部分,快速了解本篇的主体内容,然后根据您的需求进行文档的查看与下载。
《单位工程竣工验收质量记录报告》(大纲)一、工程概况1.1工程名称1.2工程地点1.3工程类型1.4建设单位1.5设计单位1.6施工单位1.7监理单位二、竣工验收依据2.1国家及地方相关法律法规2.2工程建设标准及规范2.3施工图纸及设计变更2.4施工合同及施工组织设计三、工程竣工验收组织3.1竣工验收委员会组成3.2竣工验收工作程序3.3竣工验收时间安排四、工程质量评定4.1工程质量评定标准4.2单位工程评定结果4.3分部工程评定结果4.4分项工程评定结果五、工程质量问题及处理措施5.1存在的质量问题5.2产生原因分析5.3处理措施及结果六、工程验收结论6.1工程质量等级6.2竣工验收意见6.3竣工验收结论七、工程保修及售后服务7.1工程保修范围及期限7.2保修责任及服务承诺7.3保修联系方式及投诉渠道八、附件及附图8.1竣工验收相关文件8.2工程验收证书8.3竣工图纸及相关资料8.4竣工验收照片及视频资料一、工程概况1.1工程名称:本工程全称为“xxxxxx建设项目”。
1.2工程地点:位于我国xxxxxx省xxxxxx市xxxxxx区,具体地址为xxxxxx。
1.3工程类型:本工程属于xxxxxx类型的建筑项目。
工程质量核查记录一、工程质量核查的意义工程质量核查是对工程项目在施工过程中质量行为的监督和检查,旨在确保工程质量符合国家法律法规、规范标准和技术要求,预防质量事故的发生,提高工程的整体质量和使用寿命。
通过工程质量核查,可以及时发现和纠正施工过程中的质量问题,促进工程建设单位、设计单位、施工单位和监理单位加强质量管理,提高工程质量水平。
二、工程质量核查的内容与方法1.核查内容:工程质量核查主要包括工程项目的勘察设计、施工、监理、材料设备等方面的质量。
具体包括:(1)勘察设计质量:勘察设计文件是否符合国家法律法规、规范标准和技术要求;(2)施工质量:施工过程中的工艺、操作是否规范,工程实体质量是否符合设计要求;(3)监理质量:监理单位是否严格按照法律法规、规范标准和技术要求进行监理,是否存在违反规定的行为;(4)材料设备质量:使用的建筑材料、构配件、设备是否符合国家强制性标准,是否有合格证明。
2.核查方法:采用现场检查、查阅资料、随机抽样、实地测量等方式进行核查。
三、工程质量核查的流程1.前期准备:组建核查组,熟悉工程基本情况,制定核查方案;2.现场核查:核查组按照核查方案进行现场检查、查阅资料、随机抽样等;3.核查记录:填写工程质量核查记录表,记录核查过程中发现的问题、整改要求等;4.整改验收:对整改后的工程质量进行复查,确保整改到位;5.核查报告:编写核查报告,总结核查过程、发现问题及整改情况。
四、工程质量核查记录的填写与保管1.核查记录应详细、真实、准确地反映核查过程,包括核查时间、地点、人员、发现问题等内容;2.核查记录应由核查组成员签字确认,并报送相关部门备案;3.核查记录应妥善保管,作为工程质量竣工验收和工程档案的组成部分。
五、注意事项与建议1.核查过程中,核查组应严格执行法律法规、规范标准,客观公正地进行核查;2.建设单位、设计单位、施工单位和监理单位应积极配合核查工作,对核查中发现的问题及时整改;3.加强对核查记录的填写和保管培训,提高相关人员的工作素质;4.定期开展工程质量核查,确保工程质量始终处于可控状态。
单位工程质量竣工验收记录项目名称:XX单位工程项目地址:XX省XX市XX区验收单位:XX建设部门验收时间:XX年XX月XX日一、项目基本情况1.项目名称:XX单位工程2.项目地址:XX省XX市XX区4.施工单位:XX建筑公司5.监理单位:XX监理公司二、工程质量情况1.土建工程(1)基础工程:经验收单位检验,符合规范要求,无质量问题。
(2)主体结构:经验收单位检验,符合规范要求,无裂缝、渗漏等质量问题。
2.安装工程(1)电气安装:经验收单位检验,线路布置合理,设备运行正常,无安全隐患。
(2)给排水安装:经验收单位检验,管道设置合理,排水畅通,无渗漏现象。
3.装饰工程(1)室内装修:经验收单位检验,装饰面材料符合规范要求,无开裂、脱落等现象。
(2)室外装修:经验收单位检验,外墙装饰效果良好,无损坏、脱落等问题。
4.设备设施及配套工程(1)设备设施:经验收单位检验,设备正常运行,无故障。
(2)配套工程:经验收单位检验,配套设施完备,功能齐全。
5.环境卫生及安全情况(1)环境卫生:经验收单位检验,施工过程中保持环境整洁,无垃圾堆放现象。
(2)安全情况:经验收单位检验,工程施工过程中未发生安全事故,无安全隐患。
三、质量验收结论经验收单位检验,XX单位工程各项工程质量均符合规范要求,无明显质量问题,具备交付使用条件。
建设单位可以按照相关规定将该项目交付使用。
四、存在的问题及整改意见1.部分设备存在小故障,需要及时维修。
2.部分装修面材料有轻微开裂现象,需要重新整修。
3.部分配套设施功能不完善,需要调整或更换。
五、验收意见XX单位工程符合规范要求,可以交付使用,但建议针对存在的问题及时整改,确保工程质量达到最佳状态。
六、验收单位意见经验收单位检验,XX单位工程质量符合规范要求,建设单位可以按照相关规定将该项目交付使用。
建议建设单位按照整改意见及时处理存在问题,确保工程质量稳定可靠。
七、验收单位负责人签字:XX建设单位负责人签字:XX监理单位负责人签字:XX以上是XX单位工程质量竣工验收记录,经验收单位检验,项目质量符合规范要求,建设单位可以按照相关规定将该项目交付使用。
某建筑公司单位工程质量控制资料核查记录**建筑公司单位工程质量控制资料核查记录**日期:__________单位工程名称:__________质量控制资料核查人员:__________一、核查目的本次核查旨在确保单位工程的质量控制资料的完整性、准确性和可靠性,以保证建设工程的质量符合相关标准和规范要求。
二、核查内容1.施工组织设计文件2.施工图纸和图纸变更记录3.计量与结算资料4.材料试验报告和工序检验报告5.质量验收记录6.施工质量安全记录三、核查步骤1.核查施工组织设计文件-核查施工组织设计文件是否齐全,并与招标文件一致;-核查施工组织设计文件的编制单位和审核单位是否符合要求;-核查施工组织设计文件的编制内容是否详细准确,包含必要的施工措施和安全防护措施。
2.核查施工图纸和图纸变更记录-核查施工图纸是否完整,包括结构、建筑、给排水、电气等;-核查施工图纸是否与设计文件一致;-核查图纸变更记录是否完整,变更是否经过合法程序。
3.核查计量与结算资料-核查计量书是否齐全,包括进场计量书、工程量计量书等;-核查计量书是否与实际施工一致;-核查结算资料是否完整,包括决算书、结算单等。
4.核查材料试验报告和工序检验报告-核查材料试验报告是否齐全、准确,并与施工需求相符;-核查工序检验报告是否按规定程序进行,并符合相关要求;-核查试验报告的签发单位和签发日期是否符合要求。
5.核查质量验收记录-核查质量验收记录是否覆盖所有施工工序;-核查质量验收记录是否齐全、准确;-核查验收记录中的质量问题是否得到及时整改。
6.核查施工质量安全记录-核查施工质量安全记录是否详细、完整;-核查施工质量安全记录是否符合施工规范和安全要求;-核查施工质量安全记录中的问题是否得到及时解决。
四、核查结果经核查,本次单位工程质量控制资料符合要求,不存在重大问题,并未发现违规操作或严重缺陷。
五、核查意见根据核查结果,我认为本单位工程的质量控制工作做得较好,建议继续保持,并在今后的工程质量控制过程中进一步加强对施工过程中的质量安全风险的管理和控制,以确保施工质量的稳定和可靠性。
单位工程质量竣工验收记录单位工程质量竣工验收是工程项目建设的重要环节,它是对整个单位工程质量的全面检查和评估,以确定工程是否符合设计要求、施工规范和相关标准,是否具备交付使用的条件。
下面我们就来详细了解一下单位工程质量竣工验收记录的相关内容。
一、单位工程质量竣工验收的依据单位工程质量竣工验收的依据主要包括以下几个方面:1、工程设计文件:包括施工图纸、设计说明书、设计变更通知等,这是工程施工的基础和依据。
2、施工承包合同:合同中明确了工程的质量要求、工期、价款等重要条款,是验收的重要参考。
3、工程建设强制性标准:这是确保工程质量和安全的最低要求,必须严格遵守。
4、国家及地方有关工程建设的法律法规:如《建筑法》、《建设工程质量管理条例》等。
二、单位工程质量竣工验收的条件在进行单位工程质量竣工验收之前,需要满足以下条件:1、完成工程设计和合同约定的各项内容:这意味着工程的主体结构、装饰装修、设备安装等所有工作都已按照设计和合同要求完成。
2、施工单位在工程完工后对工程质量进行了检查,确认工程质量符合有关法律、法规和工程建设强制性标准,符合设计文件及合同要求,并提出工程竣工报告。
3、监理单位对工程进行了质量评估,具有完整的监理资料,并提出工程质量评估报告。
4、勘察、设计单位对勘察、设计文件及施工过程中由设计单位签署的设计变更通知书进行了检查,并提出质量检查报告。
5、有完整的技术档案和施工管理资料。
6、有工程使用的主要建筑材料、建筑构配件和设备的进场试验报告,以及工程质量检测和功能性试验资料。
7、建设单位已按合同约定支付工程款。
8、有施工单位签署的工程质量保修书。
9、城乡规划行政主管部门对工程是否符合规划设计要求进行了检查,并出具认可文件。
10、有公安消防、环保等部门出具的认可文件或者准许使用文件。
三、单位工程质量竣工验收的组织单位工程质量竣工验收应由建设单位组织,建设单位项目负责人主持。
验收组成员包括建设单位项目负责人、项目技术负责人、施工单位项目负责人、项目技术负责人、质量负责人、监理单位总监理工程师、勘察单位项目负责人、设计单位项目负责人等。
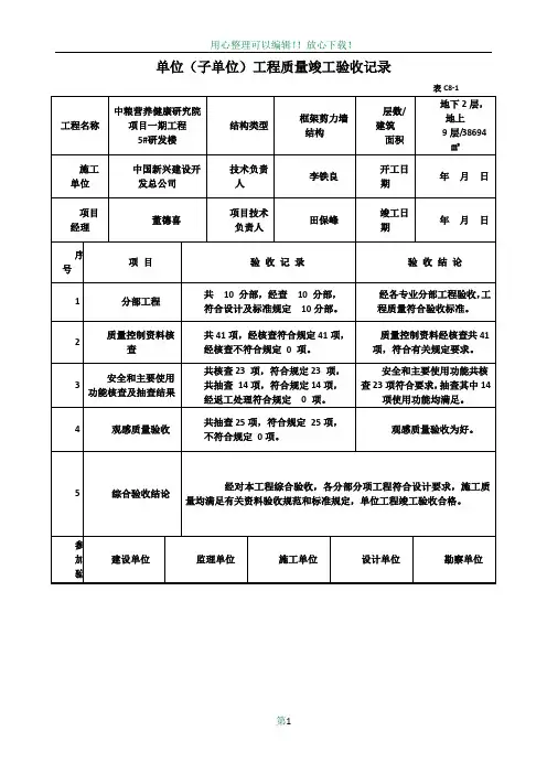
层数/建筑面积开工日期竣工日期
序号项,
项,项,项项,
同意验收。
综合验收结论同意验收。
观感质量验收
安全和主要使用功 能核查及抽查结果
质量控制资料核查
同意验收。
同意验收。
1
2
3
4
5参加验收单位
年 月 日 年 月 日 年 月 日 年 月 日 年 月 日
注:单位工程验收时,验收签字人员应由相应的法人代表书面授权。
单位(项目)负责人:总监理工程师:项目负责人:项目负责人:项目负责人:
建设单位监理单位施工单位设计单位勘察单位
(公章)(公章)(公章)(公章)(公章)
共抽查
10
项,符合要求
10 不符合要求
项共抽查
15
项,符合要求
15
经返工处理符合要求0 经核定符合规范要求40项
共核查
21项,符合要求21 符合标准及设计要求6
分部共
40
项,经审查符合要求
40
项 目
验 收 记 录验 收 结 论
共
6
分部,经查
6
分部工程
同意验收。
施工单位技术负责人2017年8月21日项目负责人项目技术负责人2018年4月19日
单位(子单位)工程质量竣工验收记录
GD-E1-913
工程名称结构类型钢结构
1层/240m2。
单位工程竣工质量验收记录日期:XXXX年XX月XX日单位工程名称:XXXXX建设单位:XXXXX施工单位:XXXXX监理单位:XXXXX根据《建设工程质量管理条例》的相关规定,我们对单位工程进行了竣工质量验收,并就以下内容进行了记录:1. 施工图设计符合国家规定,符合相关标准和规范要求。
2. 施工单位按照图纸要求进行施工,施工过程符合相关规范,并严格按照质量验收要求进行检查。
3. 工程材料符合国家标准,均为合格产品,符合相关要求。
4. 工程施工质量符合相关验收标准,各项指标均达到或超过了设计要求。
5. 工程施工过程中,未发现违反建筑工程质量管理的现象,未发生重大质量事故。
6. 竣工工程符合相关验收要求,达到了交付使用的标准,可以进行竣工验收。
经过以上内容的审核和检查,单位工程竣工质量验收合格。
验收人员:(签字)日期:XXXX年XX月XX日建设单位负责人:(签字)日期:XXXX年XX月XX日施工单位负责人:(签字)日期:XXXX年XX月XX日监理单位负责人:(签字)日期:XXXX年XX月XX日在单位工程竣工质量验收过程中,我们还对工程的施工现场、材料采购、施工工艺、工程质量标准等方面进行了全面检查和评估。
首先,我们对施工现场进行了检查,发现现场整洁、施工设备完好、操作规范,施工人员配备齐全,施工现场环境卫生和安全措施得到有效的保障。
同时,现场标志标牌完善,各项施工记录和档案齐全,可以清晰地了解施工过程和质量状况。
其次,我们对材料采购进行了检查,确认施工单位采购的材料符合国家标准,均为合格产品,具有相应的合格证明和购买发票。
采购程序合法,不违反相关法规,保证了材料质量符合标准。
再者,我们对施工工艺进行了详细的审查,发现施工单位严格按照施工图纸和相关规范要求进行施工,工序合理,操作规范,施工作业有序进行,各道工序之间的协调配合良好,确保了工程质量的稳定。
最后,我们对工程质量标准进行了全面的测评。
在工程验收过程中,通过实地检查、现场测试和相关记录的比对,确认工程质量符合相关验收标准,各项指标达到或超过了设计要求,结构安全、装饰美观、设备齐全,各项功能正常,符合交付使用的标准。
单位工程质量资料核查记录1. 项目背景为了保证单位工程建设的质量,按照相关法律法规的要求,进行单位工程质量资料核查是十分重要的。
本文档旨在记录单位工程质量资料核查的过程和结果。
2. 核查目的单位工程质量资料核查的目的主要包括:•确认资料的完整性和准确性,判断其是否符合相关法规和标准的要求。
•发现和纠正施工中可能出现的质量问题,确保工程的质量达到预期目标。
•为每个工程阶段提供正确和可靠的资料依据,便于后续的审计和验收工作。
3. 核查内容单位工程质量资料核查主要包括以下内容:•设计文件:包括工程设计说明书、施工图纸、技术标准、质量控制计划等。
•合同文件:包括承包合同、技术协议、变更函等。
•材料采购文件:包括材料采购合同、产品质量证明、原材料检验报告等。
•施工日志:包括施工过程中的质量记录、施工工艺、施工人员等。
•质量验收记录:包括工程各阶段的验收记录、质量问题整改记录等。
4. 核查流程单位工程质量资料核查可按照以下流程进行:1.准备工作:明确核查的范围和内容,准备相关的核查工具和文档,确保核查的顺利进行。
2.核查资料:按照核查的范围,逐一查阅相关的资料,核实其完整性和准确性。
3.核查结果记录:根据核查的情况,详细记录核查结果,包括发现的问题、需要整改的事项等。
4.整改措施:对于发现的问题和不符合要求的资料,提出具体的整改措施和要求,确保问题能够及时纠正。
5.审核确认:核查记录完成后,由相关质量管理人员进行审核确认,确保核查工作的可靠性和正确性。
6.归档保存:将核查记录和相关资料归档保存,以备后续的审计和验收工作使用。
5. 核查要点单位工程质量资料核查时,需要注意以下要点:•仔细核对设计文件和合同文件之间的一致性,确保设计要求和合同约定的一致性。
•对于施工日志,要关注其中的质量记录,包括工序的合理安排、施工质量的检查等。
•对于质量验收记录,要仔细核对各个阶段的验收要求和结果是否符合标准要求。
•对于材料采购文件,要注意材料的合格证明和检验报告,确保材料的质量符合要求。
单位工程质量控制资料核查记录项目名称:XXX工程工程位置:XXX地点施工单位:XXX公司工程质量控制资料核查记录编号:XXX-XXX-XXX核查日期:20XX年XX月XX日一、前期资料核查1.施工组织设计文件核查核查内容:(1)施工组织设计文件是否包含合理的施工工艺和施工方案;(2)施工组织设计文件是否满足相关法规和技术标准要求;(3)施工组织设计文件是否与勘察设计文件相符;(4)施工组织设计文件是否对可能出现的质量问题和风险进行了合理的分析和控制。
结果:√(通过)/×(不通过)2.技术文件核查核查内容:(1)工程技术交底会议记录是否完整,是否包含工程技术交底的内容、时间、地点、人员等信息;(2)技术交底会议的参会人员是否符合规定;(3)工程技术交底记录是否包含工程施工工艺、施工措施、施工要点、质量标准要求等内容;(4)确认各类技术文件的编写是否规范,包括质量方案、工序计划、工程施工方案等。
结果:√(通过)/×(不通过)二、施工过程资料核查1.工程变更管理资料核查核查内容:(1)核查工程变更单是否填写完整,是否经过各相关部门的批准;(2)核查工程变更卡片是否正确记录了变更前、变更后的内容,是否包含批准意见;(3)核查工程变更的执行情况,包括变更后的施工方案、材料替代等是否符合要求。
结果:√(通过)/×(不通过)2.施工记录核查核查内容:(1)核查施工日志是否按照工序、日期有序记录,是否包括施工内容、施工人员、使用工具和设备等信息;(2)核查检查记录,包括结构施工检查记录、质量事故处理记录、工序验收记录等;(3)核查质量检测报告,包括施工过程中的材料检测报告、焊接工艺评定报告等。
结果:√(通过)/×(不通过)三、竣工资料核查1.竣工验收资料核查核查内容:(1)核查报批资料,包括施工总结报告、竣工图纸、设备设施验收报告等;(2)核查竣工验收记录,包括竣工验收报告、互检报告、施工质量问题整改记录等;(3)核查验收记录与实际工程质量是否相符。
单位工程质量竣工验收记录1. 项目概况本文档记录了某单位工程质量竣工验收的过程和结果。
该单位工程位于某城市,总建筑面积约为xxxx平方米,主要用于xxxxxxx。
2. 竣工验收前的准备工作2.1 验收责任人的确定在竣工验收前,首先确定了负责验收工作的责任人。
该责任人具有xxxxxx相关经验,熟悉相关质量验收标准和流程。
2.2 验收人员的组成为了确保验收工作的客观、公正和全面,我们组成了由多部门、多专业的验收人员组成的验收小组。
该小组包括了xxxxx等多名专业人员。
2.3 验收标准的制定在竣工验收前,我们根据相关的工程建设标准和规范制定了验收标准。
这些标准包括xxxxx等方面的内容,用于评估工程质量的达标情况。
2.4 验收准备在竣工验收前,我们对单位工程进行了全面的检查和整改,确保各项工程质量符合验收标准。
同时,为了便于验收人员了解工程情况,我们准备了详尽的资料和图纸。
3. 竣工验收过程3.1 工程质量验收在验收过程中,我们对单位工程的各项质量进行了细致、全面的检查。
验收范围包括xxxxx等方面。
验收人员按照事先制定的验收标准进行评估,对工程质量进行了科学、客观的评定。
3.2 现场检查为了更好地了解工程质量情况,验收小组进行了现场检查。
他们检查了xxxxxx等方面,评估了工程质量的达标情况。
3.3 验收资料的核对在竣工验收过程中,我们对所有相关验收资料进行了核对。
这些资料包括xxxxxx等方面的文件和记录。
通过核对,我们确认了这些资料的准确性和完整性。
4. 竣工验收结论经过全面的检查和评估,我们对单位工程的质量情况做出如下结论:•xxxxx•xxxxx•xxxxx经过与业主充分沟通,他们对我们的验收结果表示满意,并签署了竣工验收报告。
5. 后续工作随着单位工程的竣工验收,我们将继续跟踪工程的使用情况,关注其运营和维护状况,并及时解决可能出现的工程质量问题。
同时,我们还将及时总结验收经验,不断完善和提升我们的工作。
单位工程竣工验收记录表单位(子单位)工程质量控制资料检查记录工程名称:施工单位:序号项目资料名称份数核查意见核查人1 图纸会审、设计变更、洽商记录齐全完整、符合要求2 工程定位测量放线记录 2 齐全完整、符合要求3 原材料出厂合格证及进场检(试)验报告17 齐全完整、符合要求4 建施工试验报告及见证检测报告 12 齐全完整、符合要求5 筑隐蔽工程验收表6 齐全完整、符合要求6 与施工记录结合的预制构件、预拌混凝土合格证7 齐全完整、符合要求7 构地基、基础、主体结构检验及抽样检测资料 8 齐全完整、符合要求8 分项、分部工程质量验收记录 22 齐全完整、符合要求9 工程质量事故及事故调查处理资料10 新材料、新工艺施工记录11 材料、配件出厂合格证书及进场检(试)验报告 2 齐全完整、符合要求12 管道、设备强度试验、严密性试验记录 2 齐全完整、符合要求13 隐蔽工程验收表齐全完整、符合要求14 系统清洗、灌水、通水、通球试验记录 2 齐全完整、符合要求工程质量控制资料是工程质量管理的重要组成部分,对于确保工程质量具有至关重要的作用。
本次检查共涉及14项资料,经过仔细核查,所有资料均齐全完整,符合要求。
其中,原材料出厂合格证及进场检(试)验报告、分项、分部工程质量验收记录、构地基、基础、主体结构检验及抽样检测资料等资料的核查尤为重要,这些资料的齐全性和准确性直接影响工程的质量。
经过本次检查,工程质量控制资料符合要求,为后续工程验收提供了有力的保障。
记录名称:压力试验及设备运行记录1.消防管道、燃气管道压力试验记录施工单位进行了消防管道和燃气管道的压力试验,试验记录齐全完整,符合要求。
2.排水干管通球试验记录施工单位进行了排水干管通球试验,试验记录齐全完整,符合要求。
3.锅炉试运行、安全阀及报警联动测试记录施工单位进行了锅炉试运行、安全阀及报警联动测试,试验记录齐全完整,符合要求。
4.通风、空调系统试运行记录施工单位进行了通风、空调系统试运行,试验记录齐全完整,符合要求。