【CN209725963U】一种快速定位的稳定型灯钩【专利】
- 格式:pdf
- 大小:1.32 MB
- 文档页数:15
(19)中华人民共和国国家知识产权局(12)实用新型专利(10)授权公告号 (45)授权公告日 (21)申请号 201920540341.6(22)申请日 2019.04.19(73)专利权人 青岛亿联客信息技术有限公司地址 266000 山东省青岛市崂山区科苑纬一路1号青岛国际创新园B座10层B4(72)发明人 魏巍 孙胜利 姜兆宁 刘达平 (74)专利代理机构 北京集佳知识产权代理有限公司 11227代理人 罗满(51)Int.Cl.F21S 8/00(2006.01)F21V 25/00(2006.01)F21V 33/00(2006.01)(54)实用新型名称一种防触电灯具(57)摘要本实用新型公开了一种防触电灯具,包括灯具底座,灯具壳体,可拆卸地连接灯具底座和灯具壳体的连接件,设置在灯具壳体和灯具底座相连接形成的空腔中的供电电路和发光体,还包括设置在灯具底座上的检测器和报警器;其中,供电电路用于为发光体、检测器以及报警器供电;当检测器检测到预期拆卸动作时,则触发报警器报警,其中,预期拆卸动作为预期要对灯具壳体和灯具底座之间的连接进行拆卸的动作。
本实用新型中能够在灯具出现故障需要进行人工维修时,及时提醒维修人员灯具带电,避免维修人员发生触电的危险,提高维修人员的安全保障。
权利要求书1页 说明书5页 附图1页CN 209540659 U 2019.10.25C N 209540659U权 利 要 求 书1/1页CN 209540659 U1.一种防触电灯具,其特征在于,包括灯具底座,灯具壳体,可拆卸地连接所述灯具底座和所述灯具壳体的连接件,设置在所述灯具壳体和所述灯具底座相连接形成的空腔中的供电电路和发光体,还包括设置在所述灯具底座上的检测器和报警器;其中,所述供电电路用于为所述发光体、所述检测器以及报警器供电;当所述检测器检测到预期拆卸动作时,则触发报警器报警,其中,所述预期拆卸动作为预期要对所述灯具壳体和所述灯具底座之间的连接进行拆卸的动作。
(19)中华人民共和国国家知识产权局(12)实用新型专利(10)授权公告号 (45)授权公告日 (21)申请号 201920478666.6(22)申请日 2019.04.10(73)专利权人 中山市宏跃照明电器有限公司地址 528478 广东省中山市横栏镇顺兴北路9号第4栋第1、2层(72)发明人 毛游琴 (74)专利代理机构 濮阳华凯知识产权代理事务所(普通合伙) 41136代理人 王传明(51)Int.Cl.F21S 8/00(2006.01)F21V 21/00(2006.01)F21V 15/02(2006.01)F21V 17/10(2006.01)F21V 7/10(2006.01)F21V 3/02(2006.01)F21V 29/83(2015.01)F21Y 115/10(2016.01)(54)实用新型名称一种具有稳定结构的LED灯(57)摘要本申请公开了一种具有稳定结构的LED灯,其包括:底盘,呈矩形结构,底盘向内凹陷形成具有一开口的容置腔,容置腔的中间位置对称设置有两固定块,两固定块的一侧分别与底盘的上顶壁连接;盖板,设置在容置腔中并位于容置腔的中间位置,盖板沿固定块的长度方向设置并且两侧分别与两固定块的另一侧连接;LED光源组件,设置在盖板远离底盘顶壁的一侧;灯罩,设置在容置腔中并位于盖板的正下方,灯罩的两端分别与底盘的侧壁连接;两反光板,每块反光板呈弧形结构并向容置腔开口的方向弯曲,两反光板对称设置在盖板的两侧,反光板的一边缘与固定块连接,其余边缘与底盘的侧壁抵接。
本申请通过改进了LED灯各部件进行了改进,从而提高了LED灯的整体结构强度。
权利要求书1页 说明书4页 附图2页CN 209431232 U 2019.09.24C N 209431232U权 利 要 求 书1/1页CN 209431232 U1.一种具有稳定结构的LED灯,其特征在于,包括:底盘,呈矩形结构,所述底盘向内凹陷形成具有一开口的容置腔,所述容置腔的中间位置沿所述容置腔的长度方向对称设置有两固定块,两所述固定块的一侧分别与所述底盘的上顶壁连接;盖板,设置在所述容置腔中并位于所述容置腔的中间位置,所述盖板沿所述固定块的长度方向设置并且两侧分别与两所述固定块的另一侧连接;LED光源组件,设置在所述盖板远离所述底盘顶壁的一侧;灯罩,大致呈弧形结构,设置在所述容置腔中并位于所述盖板的正下方,所述灯罩的两端分别与所述底盘的侧壁连接;两反光板,每块所述反光板呈弧形结构并向所述容置腔开口的方向弯曲,两反光板分别对称设置在所述盖板的两侧,所述反光板的一边缘与所述固定块连接,其余边缘与所述底盘的侧壁抵接,用于反射所述LED光源组件的光源并加强所述底盘的结构强度。
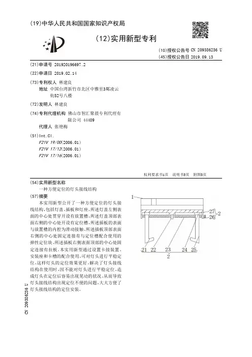
(19)中华人民共和国国家知识产权局(12)实用新型专利(10)授权公告号 (45)授权公告日 (21)申请号 201920196697.2(22)申请日 2019.02.14(73)专利权人 林建良地址 中国台湾新竹市北区中雅里3鄰凌云街52号八楼(72)发明人 林建良 (74)专利代理机构 佛山市智汇聚晨专利代理有限公司 44409代理人 张艳梅(51)Int.Cl.F21V 19/00(2006.01)F21V 17/12(2006.01)F21V 17/16(2006.01)(54)实用新型名称一种方便定位的灯头接线结构(57)摘要本实用新型公开了一种方便定位的灯头接线结构,包括灯盖、插板和灯座,所述灯盖左侧表面的中心处贯穿开设有放置槽,所述灯盖顶部表面右侧的中心处开设有定位槽,所述插板的表面与放置槽的内腔为滑动接触,所述插板顶部表面右侧的中心处固定连接有与定位槽配合使用的弹性定位块,所述插板右侧表面顶部的中心处固定连接有拉板。
本实用新型通过设置卡接装置、安装座和卡槽的配合使用,可对灯头进行平稳定位,这样灯头的定位效果更好,解决了灯头接线结构在使用时,因不能对灯头进行平稳定位,造成灯头在定位后容易出现晃动的状况,从而导致灯头接线结构出现定位不便的问题,大大方便了灯头接线结构的定位安装。
权利要求书1页 说明书3页 附图3页CN 209386236 U 2019.09.13C N 209386236U权 利 要 求 书1/1页CN 209386236 U1.一种方便定位的灯头接线结构,包括灯盖(1)、插板(5)和灯座(9),其特征在于:所述灯盖(1)左侧表面的中心处贯穿开设有放置槽(3),所述灯盖(1)顶部表面右侧的中心处开设有定位槽(4),所述插板(5)的表面与放置槽(3)的内腔为滑动接触,所述插板(5)顶部表面右侧的中心处固定连接有与定位槽(4)配合使用的弹性定位块(6),所述插板(5)右侧表面顶部的中心处固定连接有拉板(7),所述灯座(9)顶部表面的前侧和后侧均固定连接有弧形限位块(8),所述灯座(9)顶部表面的中心处且位于两个弧形限位块(8)之间固定连接有安装座(10),所述安装座(10)两侧表面的中心处均纵向开设有卡槽(11),所述灯盖(1)底部表面的两侧均固定连接有与卡槽(11)配合使用的卡接装置(2),所述灯盖(1)的正表面和背表面与两个弧形限位块(8)相对应一侧的表面均为滑动接触。
(19)中华人民共和国国家知识产权局(12)实用新型专利(10)授权公告号 (45)授权公告日 (21)申请号 201920401881.6(22)申请日 2019.03.27(73)专利权人 贵州民族大学地址 550025 贵州省贵阳市花溪区贵州民族大学(72)发明人 谢家胤 (74)专利代理机构 北京轻创知识产权代理有限公司 11212代理人 董德(51)Int.Cl.D04B 33/00(2006.01)(54)实用新型名称一种隐形安全钩针(57)摘要本实用新型涉及一种隐形安全钩针,包括第一外壳体、第二外壳体和钩针本体,所述第一外壳体的一端与所述第二外壳体的一端连接,所述第一外壳体内沿长度方向设有第一通道,所述第二外壳体内沿长度方向设有第二通道,所述第一通道与所述第二通道连通,所述第一外壳体的另一端设有与所述第一通道连通的第一伸出口,所述第二外壳体的另一端设有与所述第二通道连通的第二伸出口,所述钩针本体滑动设置在所述第一通道和所述第二通道内,所述钩针本体上设有用于控制所述钩针本体从所述第一伸出口或所述第二伸出口伸出的调节部件。
本实用新型的有益效果是能够将钩针在不使用时收入外壳内,避免钩针裸露在外钩住其他物品或划伤人手。
权利要求书1页 说明书4页 附图4页CN 209779153 U 2019.12.13C N 209779153U权 利 要 求 书1/1页CN 209779153 U1.一种隐形安全钩针,其特征在于,包括第一外壳体(1)、第二外壳体(2)和钩针本体(7),所述第一外壳体(1)的一端与所述第二外壳体(2)的一端连接,所述第一外壳体(1)内沿长度方向设有第一通道(17),所述第二外壳体(2)内沿长度方向设有第二通道(18),所述第一通道(17)与所述第二通道(18)连通,所述第一外壳体(1)的另一端设有与所述第一通道(17)连通的第一伸出口(22),所述第二外壳体(2)的另一端设有与所述第二通道(18)连通的第二伸出口(23),所述钩针本体(7)滑动设置在所述第一通道(17)和所述第二通道(18)内,所述钩针本体(7)上设有用于控制所述钩针本体(7)从所述第一伸出口(22)或所述第二伸出口(23)伸出的调节部件。
专利名称:一种吊钩加工用定位装置专利类型:实用新型专利
发明人:张传光
申请号:CN202020023281.3
申请日:20200107
公开号:CN211940561U
公开日:
20201117
专利内容由知识产权出版社提供
摘要:本实用新型公开了一种吊钩加工用定位装置,属于吊钩加工领域,包括装置支架,装置支架的左端固定连接有左定位块,装置支架的右端固定连接有电机,电机的左端固定连接有螺纹杆,螺纹杆的左右两端均与装置支架滑动连接,螺纹杆的外表面通过螺纹套接有螺纹块,它的左定位块固定,右定位块通过电机和螺纹杆带动进行左右移动来实现夹紧吊钩的操作,该种方式自动化程序较高,可以将吊钩夹紧,操作速度快,且降低了工作人员的工作强度,又该吊钩加工用定位装置在左右定位块内部设置有保护垫和第一二防滑条,两者相互配合作用,不仅具有保护吊钩不与左右定位块磨损的作用,还具有将左右定位块夹紧对吊钩进行稳固定位的作用。
申请人:章丘市明水三联锻造有限公司
地址:250200 山东省济南市章丘市明水办事处聂家村
国籍:CN
更多信息请下载全文后查看。
专利名称:一种鱼钩
专利类型:实用新型专利
发明人:占志波
申请号:CN201520362359.3申请日:20150529
公开号:CN204697768U
公开日:
20151014
专利内容由知识产权出版社提供
摘要:本实用新型提供一种鱼钩包括钩本体以及在钩本体上依次设置的钩柄、钩弯和钩尖,其特征在于,所述钩尖处具有至少一个切面。
本实用新型提供的鱼钩达到了如下效果:(1)本实用新型中所提供的鱼钩所述钩尖4切面设置在所述钩尖4的内侧,使用时所述钩尖4可以如同刀切肉般进入鱼体内,比钩尖4研磨面朝外的更加提升贯穿力;(2)本实用新型中所提供的鱼钩所述钩尖4更加容易刺进鱼的体内,使鱼上钩更加容易;(3)本实用新型提供的关于所述鱼钩的设置不仅适用于单钩形鱼钩,还可以适用于双钩形鱼钩或三叉钩形鱼钩,根据用户的不同需求来制造和使用,适用多样、简单实用。
申请人:鄱阳县黑金刚钓具有限责任公司
地址:333100 江西省上饶市鄱阳县鄱阳镇西径二路1号
国籍:CN
代理机构:北京爱普纳杰专利代理事务所(特殊普通合伙)
代理人:何自刚
更多信息请下载全文后查看。
专利名称:一种鱼钩
专利类型:实用新型专利
发明人:魏华远
申请号:CN201820977201.0申请日:20180622
公开号:CN208317995U
公开日:
20190104
专利内容由知识产权出版社提供
摘要:本申请涉及钓鱼工具技术领域,尤其涉及一种鱼钩,包括有柄部和两个钩部,两个钩部的第一端通过同一转轴可转动地连接在柄部的一端,钩部的第二端设置有钩尖、且钩尖位于柄部外,柄部与钩部之间设置有限位结构,所述限位结构用于限制钩部与柄部之间夹角的范围。
如此设置,两个钩部连接在柄部的同一位置,减少了连接处的占用空间,节省鱼钩主体的占用体积,有利于被鱼吞下、实现小钩钓大鱼,而且,钩部的张开角度可变,当角度小时易被鱼吞下,当角度大时易将鱼勾住,在限位结构的作用下,既避免了钩部的张开角度过大、造成鱼挣扎脱钩的问题,又有利于提升鱼钩结构的稳固性。
申请人:魏华远
地址:251400 山东省济南市济阳县济阳镇开元街180号西区1-1号楼3单元202号
国籍:CN
代理机构:北京细软智谷知识产权代理有限责任公司
代理人:付登云
更多信息请下载全文后查看。
专利名称:一种多功能稳定型索具组件专利类型:实用新型专利
发明人:何海亮
申请号:CN201922372139.X
申请日:20191225
公开号:CN211366700U
公开日:
20200828
专利内容由知识产权出版社提供
摘要:本实用新型涉及不锈钢索具配件技术领域,尤其涉及一种多功能稳定型索具组件。
本实用新型采用的技术方案是:包括由不锈钢材料制成的中心轴为左右方向的圆柱形主体装配稳定连接座,所述主体装配稳定连接座的正面设有三个左右方向均匀分布的长方形吊轮装配安全连接槽,所述主体装配稳定连接座的右侧端面中心位置设有一体成型的圆柱形加固装配稳定连接柱,所述加固装配稳定连接柱的右侧端面中心位置设有一个将所述主体装配稳定连接座的左侧端面完全贯穿的圆柱形中心装配锁紧固定连接孔。
本实用新型的优点是:在装配时可以同时配合三组吊轮结构进行配合在一起,通过将主体安装支撑连接座设置成可拆卸的结构,使整体在生产加工时的成本更低。
申请人:泰州兴义特不锈钢制品有限公司
地址:225700 江苏省泰州市兴化市沈伦镇工业园区沈北中路
国籍:CN
代理机构:泰州市鑫宏专利代理事务所(普通合伙)
代理人:孟强
更多信息请下载全文后查看。
(19)中华人民共和国国家知识产权局(12)实用新型专利(10)授权公告号 (45)授权公告日 (21)申请号 201920350982.5(22)申请日 2019.03.20(73)专利权人 泰州蒽威照明电器有限公司地址 225722 江苏省泰州市兴化市张郭镇工业集中区(72)发明人 于淮国 (51)Int.Cl.F21L 4/00(2006.01)F21V 21/40(2006.01)F21V 21/16(2006.01)F21Y 115/10(2016.01)(54)实用新型名称一种拿持稳固性较好的LED灯(57)摘要本实用新型公开了一种拿持稳固性较好的LED灯,包括手柄,所述手柄的外表面一端固定安装有灯罩,所述灯罩的外表面一侧卡合有透光板,所述手柄的外表面设置有开关按钮,所述手柄的外表面两侧贴合有防滑垫,所述手柄的上端外表面设置有手提绳,所述手柄的外表面另一端套接有转套,所述转套的外表面焊接有连接杆,所述连接杆的顶端固定安装有手环,所述手柄的外表面对应手提绳的位置处固定安装有支杆,所述手柄的外表面靠近转套的一端设置有螺杆。
本实用新型所述的一种拿持稳固性较好的LED灯,能够在使用的过程中方便使用人员将其进行拿取,以及增加拿取时的稳定性,继而便可有效的防止在拿取的过程中从手上掉落,带来更好的使用前景。
权利要求书1页 说明书3页 附图3页CN 209458696 U 2019.10.01C N 209458696U权 利 要 求 书1/1页CN 209458696 U1.一种拿持稳固性较好的LED灯,包括手柄(1),其特征在于:所述手柄(1)的外表面一端固定安装有灯罩(2),所述灯罩(2)的外表面一侧卡合有透光板(3),所述手柄(1)的外表面设置有开关按钮(4),所述手柄(1)的外表面两侧贴合有防滑垫(5),所述手柄(1)的上端外表面设置有手提绳(6),所述手柄(1)的外表面另一端套接有转套(7),所述转套(7)的外表面焊接有连接杆(8),所述连接杆(8)的顶端固定安装有手环(9),所述手柄(1)的外表面对应手提绳(6)的位置处固定安装有支杆(10),所述手柄(1)的外表面靠近转套(7)的一端设置有螺杆(11),所述手柄(1)外表面靠近螺杆(11)的一侧贴合有密封板(12),所述手提绳(6)的外表面两侧均开设有槽口(13),所述手环(9)的外表面一端固定安装有卡带(14),且卡带(14)的外表面开设有限位孔(15),所述手环(9)的外表面另一端固定安装有限位杆(16)。
(19)中华人民共和国国家知识产权局(12)实用新型专利(10)授权公告号 (45)授权公告日 (21)申请号 201920238248.X(22)申请日 2019.02.25(73)专利权人 常州尼尔森电子有限公司地址 213000 江苏省常州市新北区环保八路6号(72)发明人 张书杰 (51)Int.Cl.G03B 15/02(2006.01)(54)实用新型名称一种便于角度调节的环形灯(57)摘要本实用新型涉及一种便于角度调节的环形灯,其包括环形灯体以及固定在环形灯体底壁的脚架连接器,脚架连接器包括固定臂和转动臂,固定臂底端同轴开设有固定孔,固定臂外侧螺纹连接有与固定孔相贯通的第一夹紧旋钮,转动臂顶端与环形灯体固定连接,底端与固定臂顶端转动连接;转动臂底端设置有若干相互平行的转接板,固定臂顶端设置有若干与转接板插接配合的固定板,转接板与固定板相互重合的位置设置有过孔,过孔内穿设有同时贯穿转接板和固定板的调节螺钉,调节螺钉远离钉帽的一端螺纹连接有第二夹紧旋钮;转接板与固定板相向的侧壁设置有防滑件。
本实用新型具有提高环形灯角度调节状态稳定性的效果。
权利要求书1页 说明书4页 附图3页CN 209640659 U 2019.11.15C N 209640659U权 利 要 求 书1/1页CN 209640659 U1.一种便于角度调节的环形灯,包括环形灯体(1)以及固定在环形灯体(1)底壁的脚架连接器(2),其特征在于:所述脚架连接器(2)包括固定臂(21)和转动臂(22),所述固定臂(21)底端同轴开设有固定孔(23),所述固定臂(21)外侧螺纹连接有与固定孔(23)相贯通的第一夹紧旋钮(24),所述转动臂(22)顶端与环形灯体(1)固定连接,底端与固定臂(21)顶端转动连接;所述转动臂(22)底端设置有若干相互平行的转接板(3),所述固定臂(21)顶端设置有若干与转接板(3)插接配合的固定板(4),所述转接板(3)与固定板(4)相互重合的位置设置有过孔(5),所述过孔(5)内穿设有同时贯穿转接板(3)和固定板(4)的调节螺钉(25),所述调节螺钉(25)远离钉帽的一端螺纹连接有第二夹紧旋钮(26);所述转接板(3)与固定板(4)相向的侧壁设置有防滑件(8)。
(19)中华人民共和国国家知识产权局(12)实用新型专利(10)授权公告号 (45)授权公告日 (21)申请号 201920583513.8(22)申请日 2019.04.26(73)专利权人 厦门通士达照明有限公司地址 361100 福建省厦门市同安区美溪道676号(72)发明人 林明添 颜慧文 沈滨 (74)专利代理机构 厦门龙格专利事务所(普通合伙) 35207代理人 钟毅虹(51)Int.Cl.F21S 8/04(2006.01)F21V 15/01(2006.01)F21V 31/00(2006.01)F21V 23/00(2015.01)F21V 23/06(2006.01)F21V 21/03(2006.01)F21Y 115/10(2016.01)(54)实用新型名称一种便于安装的吸顶灯(57)摘要本实用新型公开一种便于安装的吸顶灯,其中,接线端子安装固定在安装支架上;光源及驱动部件预制固定灯结构主体内;灯结构主体为不可拆卸的全塑整体结构,两侧分别设有第一挂钩件和第一卡扣件,顶部设有一出线孔,对应该出线孔设有凹槽;连接光源及驱动部件的电源输入线穿过出线孔插接在接线端子上,且该接线端子对应容置在该凹槽中;安装支架,设有第二挂钩件和第二卡扣件,该第二挂钩件对应第一挂钩件设置,以实现灯结构主体与该安装支架的转动钩挂,该第二卡扣件挂钩件对应第一卡扣件设置,以现灯结构主体与该安装支架的卡接固定。
该吸顶灯安装更加容易轻便操作,可避免整灯受到外部或环境污染,进一步保证产品的质量,提升市场竞争力。
权利要求书1页 说明书3页 附图3页CN 209688663 U 2019.11.26C N 209688663U权 利 要 求 书1/1页CN 209688663 U1.一种便于安装的吸顶灯,其特征在于,包括安装支架、接线端子、灯结构主体和光源及驱动部件;其中,安装支架,固定在墙体上;接线端子,安装固定在安装支架上;光源及驱动部件,预制固定灯结构主体内;灯结构主体,为不可拆卸的整体结构,两侧分别设有第一挂钩件和第一卡扣件,顶部设有一出线孔,对应该出线孔设有凹槽;连接光源及驱动部件的电源输入线穿过该出线孔插接在所述接线端子上,且该接线端子对应容置在该凹槽中;安装支架,设有第二挂钩件和第二卡扣件,该第二挂钩件对应第一挂钩件设置,以实现灯结构主体与该安装支架的转动钩挂,该第二卡扣件挂钩件对应第一卡扣件设置,以现灯结构主体与该安装支架的卡接固定。
(19)中华人民共和国国家知识产权局
(12)实用新型专利
(10)授权公告号 (45)授权公告日 (21)申请号 201920640626.7
(22)申请日 2019.05.05
(73)专利权人 程训杰
地址 510080 广东省广州市白云区永兴村
瑚琏东街一巷26号
(72)发明人 程训杰
(74)专利代理机构 广东翰锐律师事务所 44442
代理人 陈业胜 苏少华
(51)Int.Cl.
F21S 8/00(2006.01)
F21V 21/00(2006.01)
(54)实用新型名称
一种快速定位的稳定型灯钩
(57)摘要
本实用新型公开了一种快速定位的稳定型
灯钩,包括钩体和连接件,所述钩体包括第一连
接段,所述连接件包括第二连接段,所述第一连
接段与第二连接段通过孔轴结构可旋转地连接;
还设有卡位结构,所述卡位结构包括分别设于第
一连接段和第二连接段相对位置上的定位珠和
定位凹口,所述定位珠可部分卡入所述定位凹口
内。
本实用新型中的稳定型灯钩可以快速方便地
完成灯钩位置的变化,
且定位稳定不易松脱。
权利要求书1页 说明书5页 附图8页CN 209725963 U 2019.12.03
C N 209725963
U
权 利 要 求 书1/1页CN 209725963 U
1.一种快速定位的稳定型灯钩,包括钩体和连接件,其特征在于,所述钩体包括第一连接段,所述连接件包括第二连接段,所述第一连接段与第二连接段通过孔轴结构可旋转地连接;还设有卡位结构,所述卡位结构包括分别设于第一连接段和第二连接段相对位置上的定位珠和定位凹口,所述定位珠可部分卡入所述定位凹口内。
2.根据权利要求1所述的稳定型灯钩,其特征在于,还设有与所述定位珠匹配的孔,所述定位珠安装于孔的孔口处,所述孔内设有弹性件,所述弹性件连接所述定位珠和孔的孔底,至少部分定位珠在所述弹性件的支撑下露出所述孔口。
3.根据权利要求1所述的稳定型灯钩,其特征在于,所述卡位结构设有至少两处,并沿所述第一连接段与第二连接段的旋转轴旋转对称。
4.根据权利要求1所述的稳定型灯钩,其特征在于,所述定位凹口设于所述第一连接段的下表面,所述定位珠设于所述第二连接段的上表面;或所述定位凹口设于所述第二连接段的上表面,所述定位珠设于所述第一连接段的下表面。
5.根据权利要求1所述的稳定型灯钩,其特征在于,还设有第一螺杆,所述第一螺杆上设有第一销钉孔,所述第一连接段上设有第一旋转孔,所述第二连接段上设有第二旋转孔和第二销钉孔;所述第一旋转孔与第二旋转孔匹配,所述第二销钉孔与第一螺杆下端的第一销钉孔匹配;所述第一螺杆穿过所述第一旋转孔和第二旋转孔伸出,采用销钉穿过第一销钉孔和所述第二销钉孔;所述第一连接段与第二连接段以所述第一螺杆的中轴为旋转轴旋转。
6.根据权利要求5所述的稳定型灯钩,其特征在于,还设有与所述连接件匹配的安装座,所述安装座上设有翻转座;所述连接件还包括翻转段,所述翻转段从所述第二连接段下表面伸出,并与第二连接段的下表面互相垂直;所述翻转段与所述翻转座通过轴孔结构可翻转地连接;所述翻转段与翻转座翻转运动的翻转面和所述第一连接段与第二连接段旋转运动的旋转面相互垂直。
7.根据权利要求6所述的稳定型灯钩,其特征在于,所述翻转座位于所述第二旋转孔下方,所述翻转座上还设有可调节高度的限位凸起,所述限位凸起位于所述连接件上第二旋转孔的翻转方向上,限位凸起限定所述连接件翻转的最大角度为90度。
8.根据权利要求7所述的稳定型灯钩,其特征在于,所述限位凸起位于所述翻转座上表面;所述限位凸起的上表面与所述第二连接段翻转至翻转座正上方时所述第二连接段的下表面相抵触。
9.根据权利要求6所述的稳定型灯钩,其特征在于,所述翻转段设有两处,分别位于所述第二旋转孔的两侧,每个翻转段上设有同轴的第一翻转孔;所述翻转座设有三处,每个所述翻转座上设有同轴的第二翻转孔;所述翻转座与所述翻转段交错插接安装,所述第一翻转孔与所述第二翻转孔同轴;设有第二螺杆穿插通过第一翻转孔和第二翻转孔,并通过螺母固定于所述第二螺杆的端部。
10.根据权利要求6所述的稳定型灯钩,其特征在于,每个翻转段和翻转座的接触面之间均设有弹簧垫片;所述翻转座侧面还设有固定耳,所述固定耳上设有通孔。
2。