粉尘防爆安全检查表
- 格式:doc
- 大小:183.00 KB
- 文档页数:17
粉尘防爆安全检查表检查人:检查时间:序号检查内容检查结果备注1公司法人是否清楚本单位有无粉尘爆炸危险场所并采取了有效防止爆炸控制的措施。
2爆炸危险场所有两个以上直通室外的安全出口,疏散门向外开启,作业场所通道畅通。
3 爆炸危险场所从业人员均经安全生产和粉尘防爆教育,清楚本单位粉尘爆炸危险场所部位,了解本单位粉尘爆炸危险场所的危险程度和防爆措施。
4 爆炸危险场所设置的防爆安全装置运行是否良好。
1)氮气保护。
2)出粉岗位防爆防烫伤。
3)筛分车间收尘装置。
4)除尘系统内的防爆安全。
5)收尘装置是否定期进行清理。
6)防止产品接触水的措施是否有遗漏。
5粉尘爆炸危险场所严禁烟火;严禁乱拉私接临时电线、电气。
6 防爆区内电器线路采用镀锌钢管套管保护,在车间外安装空气开关和漏电保护器,设备、电源开关满足防爆安全要求。
7 锌粉密封在防止粉尘泄漏的容器内,防止粉尘外逸的措施是否有效;所有产尘点是否装设吸尘罩;风管中是否有粉尘沉降聚积。
8 避风除尘系统:1)安装相对独立的避风除尘系统,并设置接地装置;2)收尘器离明火产生处不少于6米,并有防雨措施,回收的粉尘应当存储在干燥的堆放场所;3)除尘设施是否保持正常使用运行。
9生产、检修时应使用防爆工具,不应发火工具敲击各金属部件。
10 在粉尘爆炸危险场所进行明火作业时,是否满足下列规定:1)有安全负责人批准的作业证。
2)明火作业开始前,应彻底清除明火作业场所的可燃粉尘。
3)进行明火作业期间,严禁有粉尘进入明火作业场所。
11 每天对生产车间地面和设备进行清理,使作业场所积累的粉尘量降至最低,清扫方法符合安全要求,禁止使用压缩空气进行吹扫。
12 工作人员操作中是否认真贯彻减少粉尘的作业方法,检查人员对工作场所定置管理、生产秩序的评价。
整齐有序缺乏专门的措施脏乱差13 工作人员按照要求佩戴个人劳动防护用品,检查人员对员工工作状态的评价。
优良一般14粉尘爆炸危险场所尽可能减少同时作业的人数,避免粉尘产生量大的设备同时运行,生产安排是否遵守这一原则。
气设备粉尘涉爆企业安全生产专项检查表
检查人员: 检查日期:
第 1 页
32条;70号令GB 15577
、
生
产
第 2 页
检查意见:
检查负责人(签字):
说明:
1.粉尘是指粒径小于75μm的固体悬浮物。
粉尘类型:涉爆粉尘可以分为铝粉、镁粉、铁粉、锌粉、钛粉、锆粉
、炭黑粉等金属粉尘;煤粉、焦炭粉、木炭粉等燃料粉尘;玉米粉、黄豆粉、面粉、淀粉、糖粉、奶粉等农产品粉尘;血粉、鱼骨粉、烟草、棉花、茶叶粉、纤维粉、木粉、纸粉等纤维鱼粉类粉尘;聚苯乙烯粉、橡胶塑料粉等合成树脂类粉尘、染料粉等化学类粉尘以及其他类粉尘。
具体填写请填写具体粉尘名称,比如铝粉。
2. 所属行业:产生涉爆粉尘的行业可以分为冶金煤粉制备、金属制品加工、粮食加工、饲料加工、食品加工、
纺织品加工 、皮革羽毛制品加工、木材家具加工、纸制品加工、橡胶及塑料加工、烟草加工、其他。
第 3 页。
建筑工程施工现场粉尘防控专项检查表1. 项目信息- 项目名称:- 施工单位:- 工程地点:- 检查日期:2. 粉尘防控措施检查2.1 施工现场卫生管理- 施工现场是否有清洁卫生措施:- 工地是否定期进行卫生清理:- 施工过程中是否采取封闭保护措施,避免粉尘扩散:2.2 施工现场通风管理- 施工现场是否有通风设备:- 通风设备是否正常运行:- 施工现场是否存在通风死角:- 施工现场是否设置目测通风情况监测点:2.3 施工现场作业管理- 施工现场作业过程是否存在产生粉尘的环节:- 施工人员是否佩戴个人防护设备:- 施工人员是否按照要求正确佩戴防尘口罩:- 施工现场是否设置作业区域和非作业区域:- 非作业区域是否进行遮挡和隔离,避免粉尘扩散:2.4 施工机械设备管理- 施工机械设备是否配备粉尘防控设备:- 设备是否正常运行,减少粉尘产生:- 施工机械设备是否进行定期清洁:3. 粉尘防控效果检查- 是否对施工现场进行空气质量检测:- 空气质量是否符合规定标准:- 员工是否存在粉尘相关职业病情况:- 是否进行了相应的职业病防护措施:4. 问题整改和复检- 是否存在粉尘防控方面的问题:- 问题整改措施:- 整改完成日期:- 复检日期:- 复检结果:该文档由施工单位填写,并在每次检查后进行记录和保存。
请根据实际情况填写,并及时对问题进行整改。
检查表上的复检结果应符合粉尘防控的相关要求和标准。
>注意:以上内容仅供参考,请根据实际情况进行调整和完善。
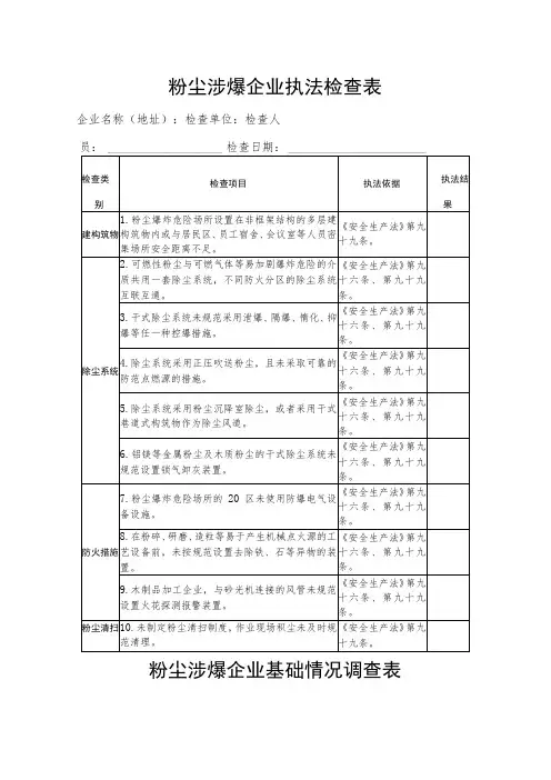
粉尘涉爆企业执法检查表企业名称(地址):检查单位:检查人粉尘涉爆企业基础情况调查表表人:联系电话:填表日期:年月日说明:1.所属行业”根据《工贸行业重点可燃性粉尘目录(2015版)》(安监总厅管四(2015)84号)按照金属制品加工、农副产品加工、木制品加工、纸制品加工、纺织品加工、橡胶制品加工、塑料制品加工、冶金行业煤粉制备、有色行业煤粉制备、建材行业煤粉制备、其他分类填写,并增加竹制品加工行业。
2.“粉尘种类”按照《工贸行业重点可燃性粉尘目录(2015版)》(安监总厅管四(2015)84号)填写;目录外的可燃性粉尘按其名称填写,如竹制品加工企业产生的粉尘填写“竹粉”,务必核实准确。
3.“企业规模”填写规模以上企业、规模以下企业。
4.“涉及粉尘作业人数”是指可能受到粉尘爆炸伤害的最多作业人数。
主要区域包括:存在粉尘爆炸危险的生产车间,除尘管道通过的建(构)筑物,与爆炸危险场所毗邻且未设置隔离设施的工作区域。
5.为便于推送有关安全信息,法人代表和安全负责人的手机号码务必填写。
粉尘作业场所10人及以上金属粉尘、木粉尘、粮食饲料等农副产品粉尘企业检查整改情况调度表表人:联系电话:填表日期:年月日说明:注:L检查发现的重大事故隐患:按“十项重大事故隐患”四个方面分类填写序号"1,2-10",没有填“无”。
如检查出隐患为“干式除尘系统未规范采用泄爆、隔爆、惰化、抑爆等任一种控爆措施”,则填写为“3”,有多项则填写多项,没有填“无”。
2.重点问题和隐患是否整改完成:按“十项重大事故隐患”四个方面分类填写,完成“是”,未完成“否”。
3.省级部门是否组织了核查:指省级部门是否在检查诊断、执法处罚或整改验收等环节,牵头组织对该企业的整治情况进行了核查。
粉尘防爆专项整治工作情况汇总表粉尘涉爆企业专项整治验收表验收单位:验收时间:2018月日。
广东金泰达安全科技有限公司粉尘涉爆企业
(家具厂)安全检查表
1. 粉尘涉爆企业(家具厂)建(构)筑物检查表
2. 粉尘涉爆企业(家具厂)通风除尘检查表
3. 粉尘涉爆企业(家具厂)粉尘运输、输送及贮存检查表4。
粉尘涉爆企业(家具厂)电气检查表
5. 粉尘涉爆企业(家具厂)现场作业检查表
6。
粉尘涉爆企业(家具厂)应急救援检查表
7。
粉尘涉爆企业(家具厂)安全管理检查表
粉尘涉爆企业(家具厂)建(构)筑物检查表
粉尘涉爆企业(家具厂)通风除尘检查表
粉尘涉爆企业(家具厂)现场作业检查表
粉尘涉爆企业(家具厂)应急救援检查表
粉尘涉爆企业(家具厂)安全管理检查表。