供配电系统培训
- 格式:ppt
- 大小:4.93 MB
- 文档页数:49
供配电安全培训材料基本安全知识●掌握及遵守电气《安全工作规程》、《运行管理规程》、《操作、安装规程》。
●建立电气安全档案并有专门部门保管。
完整的内容包括:负责领导人、电工成员名单、供用电系统准确的图纸和设备资料,电工分片专责区,电气隐患部位,电气要害部位,爆炸和火灾危险部位等。
对重要的电气设备,要分类编码登记。
●用电单位必须与供电部门签订《供用电协议》,明确产权分界、职责划分。
●高压多电源进线的用户应与供电部门签订《调度协议》,并按照协议执行电网调度管理制度。
●双电源用电单位如有自备发电机组,必须向供电部门登记备案,并必须有可靠的防止向电网返送电的闭锁措施。
●电气工作人员必须持证上岗。
北京地区电工资质证,分高低压运行、高低压维修、高低压安装六类。
在北京地区,对于高压变配电室人员,除具备《高低压电工执照》还必须具有北京地区《电工进网作业许可证》。
严禁非电工人员作业,徒工在作业时需有证电工监护。
●供电容量在630KV A以上变配电室,必须设双人值班,并确定其中一人为值班长(兼监护人),另一人为操作人。
供电容量在500KV A以下,且无一、二类负荷者,可以设一人值班。
设置高压变配电室单人值班必须经过管理部门批准。
单人值班时,且条件允许时只能进行简单操作,不得进行检修和临时性电气测量,以及装设、拆除接地线工作。
无人值班变配电室每周必须巡检一次。
●对电气设备的定期巡视、检查、保养,高空、高压作业要有2人以上进行,同时要有一定的安全保护措施。
●安全工作规程明确规定,发生供电事故后,未找出事故原因和未对现场进行妥善处理时,不允许恢复供电。
在发生人身触电事故或电气火灾时,可不经许可先行切断有关电源,再报告有关上级和供电部门。
●高压调度户应在调度允许及下令的情况下,根据系统具体情况,检查二次保护压板联片是否正确,确认无误后按操作步骤逐步填写操作票。
然后在高压操作模拟板上复核操作步骤是否正确,再进行操作。
操作票不得使用铅笔填写,必须至少保留3个月。
供配电的培训计划一、培训背景随着经济的快速发展,电力行业的供需关系愈发紧张。
为了满足社会对电力的需求,提高电力的供应能力,培训电力行业的从业人员至关重要。
本培训计划将着重对供配电系统进行培训,让从业人员了解供配电系统的原理、设备及操作流程,提高其专业技能和安全意识,从而提高供电系统的稳定性和可靠性。
二、培训目标1. 了解供配电系统的工作原理和设备组成;2. 掌握供配电系统的操作流程和安全操作规程;3. 提高对供配电系统的维护、检修和故障处理能力;4. 增强对供配电系统的安全意识和事故应急处置能力。
三、培训内容1. 供配电系统概述- 供配电系统的定义和作用;- 供配电系统的主要组成部分;- 供配电系统的工作原理和运行模式。
2. 供配电系统设备- 变压器、开关设备、配电盘等设备的功能和作用;- 不同类型供配电设备的特点和应用场景。
3. 供配电系统的安全操作- 供配电操作流程和规程;- 高压设备操作的安全注意事项;- 供配电设备的日常检查和维护。
4. 供配电系统故障处理- 供配电系统常见故障的诊断和处理方法;- 供配电系统故障的现场排除技巧;- 供配电系统的紧急处置流程。
5. 供配电系统的安全意识培养- 供配电系统工作中的安全隐患分析;- 事故应急预案及实际案例分析;- 提高对供配电安全工作的重视和紧急处置能力。
四、培训方式1. 理论授课通过讲解供配电系统的相关知识,让学员了解供配电系统的原理、设备和操作规程。
2. 实际操作在实验室或现场进行供配电设备的操作练习,让学员熟悉供配电设备的使用和维护。
3. 经验分享邀请电力行业的专家或资深从业人员分享自己在供配电系统工作中的经验和案例,让学员受益于实际工作经验。
五、培训计划本培训计划共分为两个阶段,分别是理论学习和实际操作。
第一阶段:理论学习(3天)- 第一天:供配电系统概述和设备介绍;- 第二天:供配电系统的安全操作和故障处理;- 第三天:供配电系统的安全意识培养和案例分析。
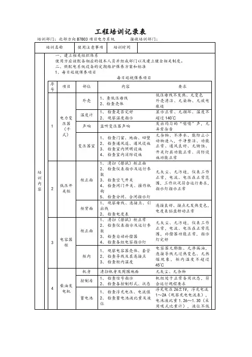
工程培训记录表培训部门:北部方向B7803项目电力系统接收培训部门:培训名称使用注意事项培训时间培训内容一、建立相关组织体系使用方应该配备相应的技术人员并组成部门以及建立健全相关制度。
二、供配电系统设备的定期维护保养方案和标准1、每日巡视保养项目每日巡视保养项目序号项目部位内容要求1电力变压器(干式)外壳1、查低压母线2、检查壳体低压母线不发热、无变色外壳清洁、无染物、无放电痕迹温度计1、检查是否完好2、观察温度指示显示正常、无损坏、温度不超过140℃声响监听变压器声响发出均匀的“嗡嗡”声,无异常杂音变压器室1、检查门窗、地面、四壁2、检查通风道、通风设施3、检查室内照明设施4、检查室内消防设施无杂物、不渗水、能防止小动物进入,干净整洁、功能正常、通风良好、无锈蚀、开关灯具功能正常、消防设施功能正常2低压开关柜柜正面1、清扫(擦拭)柜正面2、检查仪表指示及运行参数3、检查空气开关4、检查闸门开关、操作机构5、检查分闸、合闸指示灯无灰尘、无污迹,仪表工作正常,电流、电压在正常范围,工作状况符合运行要求,指示灯指示正常柜背面1、观察母线、连接点、引出线2、检查电度表连接良好、接点无发热变色,电度表铝盘转动正常3电容器柜柜正面1、清扫(擦拭)柜正常2、检查仪表指示及运行参数3、检查自动补偿器4、检查各组电容指示灯无灰尘、无污迹,仪表工作正常,电流、电压在正常范围,补偿器功能正常,指示灯完好柜内1、观察电容器壳体、套管2、检查导线及其连接点3、检查柜内温度电容器无膨胀、无渗漏油,连接导线无过热变色、无热熔现象,柜内温度不超过45℃4柴油发电机机身清扫机身及周围地面无灰尘、无杂物控制房1、检查信号指示2、检查各控制形式、状态机组处于正常备用状态,符合运行规程要求蓄电池1、检查浮充电压、电流值2、检查蓄电池液比重及液位浮充电压26±1V,浮充电流1~2A(观察充电电流表),电池液比重1.26~1.30(采用吸式比重计),液位不低于极板冷却水箱检查水位水位在正常刻度范围储油箱检查油位保证储油至少能供机组运行24小时润滑油检查润滑油位润滑油位高度应在油尺有效刻度范围内通风检查机房通风设施风机运行正常、室内通风良好5强电井强电井室1、检查房顶、四壁、地面、门2、检查室内照明设施3、检查电缆、母线槽无损坏、无杂物、无漏水,能防止小动物进入,干净整洁,开关、灯具功能正常,无损伤、无放电痕迹、无6注:照明系统应由各使用单位发现问题进行上报,由相关部门进行排查处理。
高压供配电是一个非常专业和重要的领域,涉及到电力系统的设计、运维、安全等多个方面。
对于从事或者需要了解高压供配电的人员,进行相关培训是非常必要的。
以下是一些可能包括在高压供配电培训中的内容:
1. 电力系统基础知识:包括电力系统的结构、工作原理、设备组成等基础知识,以及电力系统的分类和特点。
2. 设备操作与维护:包括变电站设备、高压开关设备、变压器、断路器等设备的操作方法、维护保养知识以及常见故障处理方法。
3. 安全意识与安全措施:高压供配电系统具有很高的危险性,因此培训中通常会包括相关安全意识的培养,例如防触电、防火灾、防爆炸等安全知识,以及相应的应急预案。
4. 高压电网规划与设计:对于电力系统工程师或相关技术人员,可能需要学习高压电网的规划、设计原则和方法,包括线路布置、设备选型等内容。
5. 监测与检修:学习电力设备的监测方法、故障诊断与排除、定期检修等内容。
6. 现场演练与实践:通过现场实地考察、操作练习、模拟故障排除等方式,加深学员对于高压供配电系统的理解和应用能力。
7. 相关法律法规:学习与高压供配电相关的法律法规、标准和政策,确保在实际操作中能够符合相关规定。
需要注意的是,针对不同岗位的人员,培训的内容和深度可能会有所不同。
对于电力系统从业人员,还需要进行相关的职业技能培训和资格认证。
最好选择正规的培训机构或者具有相关资质的单位进行培训,以确保培训内容的权威性和实用性。
配电室安全操作培训计划一、培训目的配电室是供电系统的核心部件,是整个电力系统的关键设备之一。
因此,为了保障供电系统的安全运行,特别是为了保障配电室操作人员的人身安全和设备的安全运行,有必要进行配电室安全操作培训。
本培训计划的目的是培养配电室操作人员的安全意识,提高其安全操作技能,降低事故发生的概率,确保供电系统的安全稳定运行。
二、培训对象本培训对象为配电室操作人员,包括配电室管理员、电力运维人员等。
三、培训内容(一)配电室基本知识1. 配电室的定义与作用2. 配电室的组成部分3. 配电室的工作原理4. 配电室的安全规范5. 配电室的日常维护(二)供配电系统运行原理1. 供配电系统的基本原理2. 供配电系统的分类与特点3. 供配电系统的运行模式4. 供配电系统的安全保护与控制(三)安全操作流程1. 配电室的开关操作流程2. 配电室设备的检修和维护流程3. 配电室事故应急处理流程4. 配电室设备退役处理流程(四)配电室设备操作技能1. 配电室设备的操作原理2. 配电室设备的开关操作技能3. 配电室设备的维护操作技能4. 配电室设备的故障排除技能(五)安全事故案例分析1. 配电室事故的危害性2. 配电室事故的常见类型3. 配电室事故的原因分析4. 配电室事故的预防措施与处理方法四、培训方法为了使培训内容更加具体形象,并且培训效果更好,本培训计划将采用如下培训方法:1. 理论培训:由电力系统专家进行配电室基本知识和供配电系统运行原理的讲解。
2. 实践操作:由经验丰富的配电室技术人员进行实践操作指导,让培训对象亲自操作配电室设备。
3. 现场观摩:参观其他电力公司的先进配电室设备,并学习其操作经验和安全管理措施。
4. 案例分析:通过分析历史配电室事故案例,了解事故的危害性和预防措施。
五、培训计划(一)培训时间本培训计划的培训时间为3天,每天8小时,共计24小时。
具体培训时间由公司安排。
(二)培训内容安排第一天:配电室基本知识和供配电系统运行原理第二天:安全操作流程和配电室设备操作技能第三天:安全事故案例分析和实践操作演练(三)培训地点培训地点为公司内部的配电室,以及外部电力公司的配电室(现场观摩)。
配电工程培训计划及目的一、培训目的配电工程是指电气系统中进行电能分配和控制的系统,是电能供应、分配和使用的重要环节。
配电工程的科学、规范与否,直接关系到电力系统设备的正常运行和安全可靠。
因此,对配电工程技术的培训和提高,是一项非常重要的工作,可以提高电气系统的安全性、可靠性和经济性。
针对这一需求,我们制定了以下配电工程培训计划,旨在为参与培训的工程师提供综合的电气知识和技能,使其能够熟练掌握配电系统的设计、建设和运行管理,提高其在工作中的综合素质,培养高素质的电气工程师。
二、培训内容1. 电气系统基础知识培训内容包括基本电气原理、电气测量与测试、电气安全防护等方面的知识。
主要针对参与培训的人员对电气系统的基本建设、运行原理和安全知识的了解与掌握。
2. 配电系统设计与规划培训内容包括电气负荷计算、变电站设计、配电线路布置、配电设备选型等方面的知识。
主要针对参与培训的人员对配电系统的设计与规划能力进行培训。
3. 配电设备选型与安装调试培训内容包括配电设备的选型原则、设备的安装及调试技术等方面的知识。
主要针对参与培训的人员对配电设备的选型、安装及调试技术进行培训。
4. 配电运行管理培训内容包括配电系统的运行管理、设备维护与检修、配电系统故障处理等方面的知识。
主要针对参与培训的人员对配电系统的运行管理能力进行培训。
5. 配电系统故障排除与应急处理培训内容包括配电系统常见故障排除方法、应急处理措施等方面的知识。
主要针对参与培训的人员对配电系统故障排除与应急处理能力进行培训。
三、培训方式1. 理论教学通过讲解、讨论和案例分析等方式,对培训内容进行全面系统的讲解。
2. 实践操作通过实际操作电气系统设备、配电线路等,培训参与者能够掌握实际操作技能。
3. 工程实例分析通过电气工程实例分析,使参与培训的人员能够理论联系实际,掌握配电工程的解决实际问题的能力。
四、培训时间安排本次培训计划的总培训时间为3个月。
具体安排如下:1. 理论课程安排每周安排2-3次理论课学习,每次2-3小时。
供电所配电班年度培训计划
1. 在每年的1月和7月安排两次供电所配电班的安全培训,包括电气安全知识和操作规程。
2. 由资深电气工程师进行技术培训,传授最新的配电设备和技术知识。
3. 定期组织实地演练,检验员工对紧急情况的处理能力。
4. 邀请相关领域的专家进行专题讲座,分享行业动向和最佳实践。
5. 定期举办组织员工参与的应急演练,提高员工在紧急情况下的应变能力。
6. 组织员工进行岗位轮岗培训,提高全员的综合技能和应急处理能力。
7. 制定年度考核计划,对员工的培训成果进行评估和激励。
8. 对新进员工进行初级培训,确保其对基本电气知识和操作流程的掌握。
9. 进行定期的安全生产知识培训,提升员工的安全意识和风险防范能力。
10. 注重员工个性化培训需求,根据不同员工的岗位和发展方向进行个性化培训计划制定。