(防治水规定节选)冒落带和导水裂隙带最大高度的计算方法
- 格式:doc
- 大小:30.00 KB
- 文档页数:1
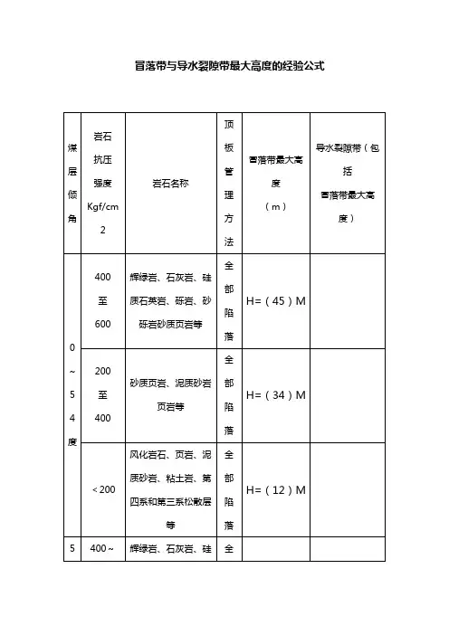
冒落带与导水裂隙带最大高度的经验公式煤层倾角岩石抗压强度Kgf/cm2岩石名称顶板管理方法冒落带最大高度(m)导水裂隙带(包括冒落带最大高度)0 ~5 4 度400至600辉绿岩、石灰岩、硅质石英岩、砾岩、砂砾岩砂质页岩等全部陷落H=(45)M200至400砂质页岩、泥质砂岩页岩等全部陷落H=(34)M <200风化岩石、页岩、泥质砂岩、粘土岩、第四系和第三系松散层等全部陷落H=(12)M5400~辉绿岩、石灰岩、硅全5 ~8 5 度600 质石英岩、砾岩、砂砾岩砂质页岩等部陷落<400砂质页岩、泥质砂岩页岩、粘土岩、风化岩石、第三系和第四系松散层等全部陷落H=0.5M注:1、表中:M—累计采厚(m);n---煤分层层数;m----煤层厚度(m);h---采煤工作面小阶段垂高(m)。
2、冒落带、导水裂隙带最大高度,对于缓倾斜和倾斜煤层,系指从煤层顶面算起的法向高度;对于急倾斜煤层系指从开采上限首起的垂向高度。
各类防隔水煤(岩)柱的留设一、煤层露头防隔水煤(岩)柱的留设,按以下公式计算:1、煤层露头无覆盖或被粘微透水松散层覆盖时:H防=H冒+ H保2、煤层露头被松散富含水层覆盖时(见附图8-1);H防=H裂+H保根据上两式计算的值,不得小于20米。
式中(H冒)、裂高(H裂)的计算参照附录七。
式中H防-----防水煤(岩)柱高度(m)H冒----- 采报冒落带高度(m);H裂-----垂直煤层的导水裂隙带最大高度(m);H保-----保护层厚度(m);a------煤层倾角(°)。
二、含水或导水断层防隔水煤柱的留设(附图8—2)可参照以下经验公式计算:≮20m式中:L----煤柱留设的宽度(m)K----安全系(一般取2—5);M-----煤层厚度或采高(m);P-----水头压力(kgf/cm2);KP----煤的抗张强度(kgf/cm2)。
三、煤层与强含水层或导水断层接触,并局部被覆盖时(附图8—3),防水煤柱的留设:(图)1、当含水层顶面高于最高导水裂隙带上限时,防水煤柱可按附图8—3a、b留设。
冒落带和导水裂隙带高度计算摘要:一、引言二、冒落带高度计算方法1.经验公式2.实测数据计算3.理论分析三、导水裂隙带高度计算方法1.地下水位下降法2.钻孔冲洗液法3.地球物理法四、计算实例与分析五、结论与建议正文:一、引言冒落带和导水裂隙带是岩溶发育过程中的两个重要概念,它们的计算对于工程建设和水资源开发具有重要意义。
本文将介绍冒落带和导水裂隙带的高度计算方法,并通过实例进行分析,以期为相关领域提供参考。
二、冒落带高度计算方法1.经验公式冒落带高度的经验公式主要有以下几种:(1)H1=0.1D(D为洞穴直径,H1为冒落带高度)(2)H1=3.5D(D≤10m,H1为冒落带高度)(3)H1=3D(D>10m,H1为冒落带高度)2.实测数据计算通过对现场实测数据的处理和分析,可以得出冒落带高度。
实测数据包括洞穴直径、地下水位、岩石物理力学性质等。
3.理论分析根据岩溶发育原理和力学分析,可以推导出冒落带高度的理论值。
主要包括以下方面:(1)地下水动力作用下的岩溶发育规律(2)岩溶洞顶部的应力分布特征(3)冒落带形成的力学机制三、导水裂隙带高度计算方法1.地下水位下降法通过观测地下水位的下降速度和范围,结合岩溶发育特征,可以估算导水裂隙带高度。
2.钻孔冲洗液法在钻孔过程中,观测冲洗液的流量和变化,可以判断导水裂隙带的位置和高度。
3.地球物理法利用地球物理方法(如电法、地震法等)探测地下结构,结合钻孔资料,可以确定导水裂隙带的位置和高度。
四、计算实例与分析以某岩溶地区为例,通过现场实测、经验公式计算和理论分析,得出冒落带和导水裂隙带的高度。
分析结果表明,实测数据与计算结果基本一致,验证了计算方法的准确性。
五、结论与建议本文总结了冒落带和导水裂隙带的高度计算方法,并对计算方法进行了分析和实例验证。
在实际应用中,应根据具体情况选择合适的计算方法,并结合现场实测数据和理论分析,以获得更为准确的计算结果。
综采一次采全高顶板导水裂缝带发育高度的计算公式及适用性分析白利民;尹尚先;李文【摘要】确定煤层顶板导水裂缝带高度可为顶板防治水、采掘工程布置、防水煤柱留设以及瓦斯抽采设计提供依据。
采用井下仰孔注水测渗漏法,实测山西西山煤田镇城底矿8煤导水裂缝带高度为57.98 m,其中冒落带高度16.72 m,裂隙带高度41.26 m。
依据实测结果并收集了8个矿综采一次采全高中硬覆岩下导水裂缝带高度数据,利用数理统计回归分析的方法,得出了适用于综采一次采全高中硬覆岩下导水裂缝带高度计算的经验公式,并与《煤矿安全规程》中相应经验公式进行对比分析,结果表明,该公式适用性好,而《煤矿安全规程》中有关公式应用于中厚煤层综采一次采全高开采条件预测,其误差较大。
%Setting the height of the water conducting zone in roof can provide the basis for prevention and control of roof water, mining and excavation layout, leaving the water prevention coal pillars, design of coal gas drainage. Taking No.8 seam in Zhenchengdi mine, Xishan as a study object, using water injection leakage measurenment method in overhead borehole, the height was 57.98 m, the falling zone height was 16.72 m and the fractured zone height was 41.26 m. Based on observation result from 8 mines in the similar conditions, empirical formulas of wa-ter conducting zone height for fully mechanized mining face were obtained by statistical regression analysis. The contrastive analysis of the corresponding formula in"coal mine safety regulations"was carried out. The result show that the empirical formula has good applicability, formula in"coal mine safety regulations"has relativelylarge er-ror when applied in prediction of the mining conditions for mining height of fully mechanized mining in median thick seam.【期刊名称】《煤田地质与勘探》【年(卷),期】2013(000)005【总页数】4页(P36-39)【关键词】导水裂缝带;井下仰孔注水测渗漏法;回归分析;经验公式【作者】白利民;尹尚先;李文【作者单位】山西焦煤集团西山煤电集团公司,山西太原030052;华北科技学院安全工程学院,北京 101601;山西省朔州市水工程移民办公室,山西朔州036002【正文语种】中文【中图分类】TD741;P641.4导水裂缝带发育高度是煤矿顶板防治水、采掘工程布置、防水煤(岩)柱留设以及瓦斯抽采等设计依据的主要技术参数之一,国内外众多学者对“两带”高度进行了深入研究[1-11],结果表明,工作面顶板导水裂缝带发育受多种因素的影响,如采厚、采空区的面积、顶板岩层的结构类型、顶板管理方式、煤层的赋存状态和开采条件等,这些因素具有复杂、难定量及非线性等特点。
导水裂隙带高度
煤层覆岩类为坚硬、中硬、软弱、极软弱岩层或其互层时及厚煤层分布开采时,导水裂隙带最大高度可选择下表中给出的两种经验公式计算.
缓倾斜(<25 )和倾斜煤层(25 ~45 )开采时导水裂隙带高度计算公式
开采急倾斜(>45 )煤层时冒落带高度和导水裂隙带高度计算
煤层顶板岩层内为坚硬、中硬、软弱岩层,用全陷法开采时的冒落带高度和导水裂隙带高度可用以下的经验公式计算.
依据矿区水文地质工程地质勘探标准〔GB12719-91〕中关于冒落带导水裂隙带最大高度的经验计算公式:
其中:
Hc——冒落带;
Hf——导水裂隙带;
M累计采厚,m;
h——采煤工作面小阶段垂高, m;
n——煤分层层数;
m 煤层厚度,m o。
露头防水煤柱及奥陶系灰岩含水层隔水煤柱计算书一、浅部煤层露头防水煤柱计算:根据《矿井水文地质规程》煤层露头防隔水煤(岩)柱的留设,应按以下公式计算:1、当煤层露头无覆盖或被粘微透水松散层覆盖时:H防=H冒+H保2、当煤层露头被松散富含水层覆盖时;H防=H裂+H保根据上两式计算的值,不得小于20米。
式中 H防-----防水煤(岩)柱高度(m)H冒-----采报冒落带高度(m);H裂-----垂直煤层的导水裂隙带最大高度(m);H保-----保护层厚度(m);a------煤层倾角(°)。
冒落带与导水裂隙带最大高度的经验公式表注:1、表中:M—累计采厚(m);n---煤分层层数;m----煤层厚度(m);h---采煤工作面小阶段垂高(m )。
2、冒落带、导水裂隙带最大高度,对于缓倾斜和倾斜煤层,系指从煤层顶面算起的法向高度;对于急倾斜煤层系指从开采上限首起的垂向高度。
3、岩石抗压强度为饱和单轴极限强度。
本矿井根据勘中间报告本矿井内各煤层均有隐伏露头存在,有风氧化带存在,推测风氧化带宽度为100m 。
本矿井浅部煤层风化带处于,该含水层主要由第三系和第四系孔隙含水层下部,由大气降水的垂直入渗补给。
因此煤层浅部风化带防水保护煤柱按式H 防=H 裂+H 保进行计算。
导水裂隙带(包括冒落带最大高度):1.52.5n 1.5100H ++=M裂其中:M —累计采厚(m ),4煤取1.19m ,6煤取0.95m ,8煤取2.37m ,13煤取12.21mn —煤分层层数,4、6、8煤取1,13煤取2经计算,4煤裂隙带H 裂=16.65m ;6煤裂隙带H 裂=14.32m ;8煤裂隙带H 裂=28.11m ;13煤裂隙带H 裂=84.39m 。
H 保—保护层厚度(m ),取20m ;则:露头防水煤柱4煤H 防=H 裂+H 保=16.65+20=36.65m6煤H 防=H 裂+H 保=14.32+20=34.32m 8煤H 防=H 裂+H 保=28.11+20=48.11m 13煤H 防=H 裂+H 保=84.39+20=104.39m注:以上计算煤柱厚度为垂高二、13煤层突水系数值及安全防水岩柱计算1、突水系数计算根据《矿井水文地质规程》,“突水系数”计算公式为:s P pT M C =-式中 Ts-----突水系数〔kgf/(cm 2.m)〕; P-------隔水层承受的水压(kgf/cm 2); M-------底板隔水厚度(m );C P ------采矿对底板隔水层扰动破坏厚度(m )。
矿井防治水文常用计算公式目录一、突水系数公式: (1)二、底板安全隔水层厚度(斯列沙辽夫公式): (2)三、防水煤柱经验公式: (2)四、老空积水量估算公式: (3)五、明渠稳定均匀流计算公式: (4)六、矿井排水能力计算公式: (4)㈠矿井正常排水能力计算: (4)㈡抢险排水能力计算: (5)㈢排水扬程的计算: (5)㈣排水管径计算: (5)㈤排水时间计算: (6)㈥水仓容量: (6)七、矿井涌水量计算: (6)八、矿井水文点流量测定计算方法: (7)㈠容积法: (7)㈡淹没法: (7)㈢浮标法: (7)㈣堰测法: (7)九、浆液注入量预算公式: (8)十、常用注浆材料计算公式及参数: (9)㈠普通水泥主要性质: (9)㈡水泥浆配制公式: (9)㈢水玻璃浓度 (10)㈣粘土浆主要参数: (10)十一、钻探常用计算公式: (10)十二、单孔出水量估算公式: (11)十三、注浆压力计算公式: (11)十三、冒落带导水裂隙带最大高度经验公式表 (12)十四、煤层底板破坏深度计算公式 (12)十五、巷道洞室围岩塑性破坏圈厚度计算 (14)一、突水系数公式:㈠定义:每米有效隔水层厚度所能承受的最大水压值。
㈡公式:Ts=P/(M-Cp-Dg)式中:Ts—突水系数(MPa/m);P—隔水层承受的水压(MPa);M—底板隔水层厚度(m);Cp—采矿对底板隔水层的扰动破坏深度(m);Dg—隔水层中危险导高(m)。
㈢公式主要用途:1.确定安全疏降水头;2.反映工作面受水威胁程度。
富水区或底板受构造破坏块段Ts大于0.06MPa/m;正常块段大于0.1MPa/m为受水威胁。
㈣参数取值依据:Ts—常用工作面最大突水系数。
一般按工作面最高水压,最薄有效隔水层厚度计算,或者对工作面分块段计算最大突水系数,取最大一个值作为工作面的最大突水系数。
P—最大水压的取值,一般根据工作面内或附近井下或地面钻孔观测水位与工作面最低标高计算而得,水压值计算至含水层顶面。
冒落带和导水裂隙带最大高度的计算方法冒落带是指工作面回采后引起的煤层上覆岩体完全垮落的那部分岩层.该层岩石具有的不规则性、碎胀性和密实度差的特征,是影响顶板再生和冒落岩块不能隔水的重要原因。
一、一般经验公式h2=(1-3)h1 (有的在这里还乘了个m矿层开采厚度) 式中m——矿层开采厚度,mk——岩石松散系数α——矿层倾角,度;h1——冒落带高度,m;h2——导水裂隙带高度。
二、我国煤炭部门总结的经验公式见表1。
表1 冒落带和导水裂隙带最大高度的经验公式煤层倾角(°) 岩石抗压强度(Pa)岩石名称顶板管理方法冒落带最大高度(m)导水裂隙带(包括冒落带最大高度)(m)0~54 400×105~600×105辉绿岩、石灰岩、硅质石英岩、砾岩、砂砾岩、砂质页岩等全部陷落h1=(4~5)M200×105~400×105砂质页岩,泥质砂岩,页岩等″h1=(3~4)M <200×105风化岩石,页岩、泥质砂岩、粘土岩、第四系和第三系松散层等″h1=(1~2)M55~85 400×105~600×105辉绿岩、石灰岩、硅质石英岩、砾岩、砂砾岩、砂质页岩等″<400×105砂质页岩、泥质砂岩、页岩、粘土岩、风化碉石、第三系和第四系松散层″h1=0.5M注:1、此表引自煤炭工业部制定的“矿井水文地质规程”(试行)。
2、M—累计采厚,m;n—煤分层层数;m—煤层厚度,m;h—工作面小阶段垂高,m。
3、冒落带、导水裂隙带最大高度,对缓倾斜和倾斜煤层,系指从煤层顶面算起的法向高度;对于急倾斜煤层,系指从开采上限算起的垂向高度。
4、岩石抗压强度为饱和单轴极限强度。
观察顶板是否会发生冒落的方法有:一是敲帮问顶。
即用钢钎或手镐敲击顶板,声音清脆响亮的,表明顶板完好;发出“空空”或“嗡嗡”声的,表明顶板岩石已离层,有冒落的危险,应采取措施把脱离的岩块挑下来。
大方县龙山煤矿采空区冒落带、裂隙带高度确定矿长:李发中工程师:赵凤龙二O一二年三月龙山煤矿采空区冒落带、裂隙带高度确定一、矿井概况龙山煤矿位于贵州省毕节市大方县县城北东,距大方县城直距34.5 km,公路距离约50 km。
地理坐标:东经105°51′44″~105°52′36″,北纬27°19′57″~27°20′45″。
行政区划属大方县星宿乡。
矿山向南3.0km与326国道相接,向北35 km经大山、长石与大纳公路(大方-四川纳溪)相接,属新场向斜西翼北端,区内总体地势为东南高北西低。
区内最高点位于矿区东南部一山头,海拔+2098.5m,最低点位于矿区西北部一洼地,海拔+1759.6m,最大相对高差338.9m。
其矿界范围由9个拐点构成,走向长约0.75km,倾斜宽约1.35km,面积0.8007km2。
开采标高+1850m至+1450m。
矿区含可采煤层3层(M18、M51、M73),煤层累计平均厚度3.3m。
保有煤炭资源储量总计425.2万吨,矿井设计利用工业储量213.7万吨,可采储量159.6万吨。
设计三层煤联合开采,斜井开拓,壁式采煤,全部垮落法管理顶板。
矿井设计生产能力为15万吨/年,服务年限为8.2年。
二、矿井水文地质1.地层矿区及其附近出露的地层有下三叠统夜郎组(T1y),上二叠统长兴组(P3c)和龙潭组(P3l),中统茅口组(P2m),第四系零星分布。
龙潭组是该区的含煤地层。
现由新到老简述如下:(1)、第四系(Q)主要为残积、坡积、冲积物等,零星分布于地势低洼处,不整合于矿区内各地层表面,主要覆盖含煤地层,厚0~10m。
(2)、下三叠统夜郎组(T1y):根据岩性变化情况由上至下分三段:九级滩段(T1y3)、玉龙山段(T1y2)、沙堡湾段(T1y1)1)九级滩段(T1y3)主要由灰紫色、紫色、暗紫色粉砂岩、泥质粉砂岩、粉砂质泥岩组成,局部夹薄层状泥质灰岩、灰岩,含瓣鳃类等动物化石(产王氏克氏蛤、格氏克氏蛤、弱海扇等动物化石)。
煤矿导水裂隙带高度计算方法研究曹丁涛;李文平【摘要】作者选择煤层近乎水平(倾角<15′)、采场达到充分开采的地质采矿条件,对影响综采(放)“两带”发育高度的煤厚、顶板岩性、岩层组合、采深、工作面斜长、推进速度等多种因素进行研究.基于40例实测数据,运用线性、非线性回归分析,首先研究上述各单因素对导水裂隙带高度的影响,得到各单因素与导水裂隙带高度的关系式,结果是:导水裂隙带高度与采厚、硬岩岩性比例系数呈较好的线性关系,与工作面斜长成自然对数函数关系,与采深成指数函数关系,与推进速度关系不大.在单因素相关分析基础上,采用多因素非线性回归,得到综采(放)导水裂隙带高度与主要指标之间的多元回归统计关系式.经与“三下”规程经验公式导水裂隙带高度预测值与实测值误差比较,本研究得出的拟合公式预测精度更高,效果更好.本文首次提出了一个新的评价指标即硬岩岩性比例系数,该指标可以较好地反映煤层顶板总体强度和岩层组合结构特征,既客观又便于应用.【期刊名称】《中国地质灾害与防治学报》【年(卷),期】2014(025)001【总页数】7页(P63-69)【关键词】综采放顶煤;“两带”高度;硬岩岩性比例系数;多因素影响;回归分析【作者】曹丁涛;李文平【作者单位】兖州煤业股份有限公司,山东邹城273500;中国矿业大学,江苏徐州221008【正文语种】中文【中图分类】TD823煤矿顶板导水裂隙带(含冒落带、裂隙带,或简称“两带”)高度的科学预计,是预测和防治顶板水害的重要依据[1-3]。
目前,我国对“两带”高度的预计,主要是依据“三下”规程[4],其给出的经验公式导水裂隙带高度Hf仅与煤层厚度M相关,而实际上煤层顶板“两带”发育高度受到多种因素的影响,如采煤方法、采场采动程度、煤层倾角、煤层采厚、顶板岩层强度、顶板岩层组合结构、采深、工作面斜长、工作面推进速度。
虽然“三下”规程按顶板岩石单轴抗压强度将顶板划分为坚硬、中硬、软弱、极软弱四个类型,但由于岩层的多层结构,具体应用时四种类型的划分不易规范。
郁家寨各煤层垮落带及导水裂隙带的估算对于多层煤及层群开采,大多数煤矿都是采取上行式开采顺序,即先采下部煤层再采上部煤层。
上部煤层开采时一般对下部煤层的影响不如先开采下部煤层对上部煤层的影响。
因为在采下部煤层时,受到矿压的影响,除了会对主采煤层的底板下一定范围内会产生破坏以外,煤层上部岩层由于受到重力、矿压等各方面因素影响,会形成“三带”,垮落带、裂隙带、弯曲带。
在所采煤层受到水害影响时,垮落带、裂隙带也被称为矿井导水裂隙带。
导水裂隙带的高度主要跟所采煤层的采高、构造、顶底板岩性、主采煤层的物理特性有关。
这里对郁家寨各煤层垮落带及导水裂隙带的估算仅供参考。
1、C9煤层煤层垮落带及导水裂隙带的估算由于郁家寨煤矿生产地质报告没有对C9顶底板进行岩性说明,在分析C9煤的自然抗张强度和饱和抗压强度时可以在参照C10、C11的数据的基础上通过分析C9、C10、C11煤之间的关系,由于C9、C10煤顶板岩性相近,可以得出C9煤和C10煤的物理特性是差不多的,由于C10煤的顶板为砂岩在自然状态下的σ压介于51.11~56.29mpa ,在饱和状态下的σ压等44.09mpa ,属坚硬类型。
而C9煤的顶板也是也应该属于坚硬类型。
①煤层垮落带的计算:(1)cos m Hm k a=- =1.98(1.151)cos25-⨯ =14.565m其中Hm 是垮落带高度。
m 是所采煤层的厚度。
k 是岩石的碎胀系数。
a 为所采每层的倾角。
②煤层导水裂隙带的计算:10018.91.2 2.0mH i m =±+∑∑100 1.9818.91.2 1.98 2.0H i ⨯=±⨯+ =54.147mH1i 为导水裂隙带高度。
m ∑为所采煤层的累积采高,当煤层可以一次采全高时,m ∑也就是所采煤层的厚度h 。
说明:按照公式计算的导水裂隙高度应该介于最大值与最小值之间,这里在计算只取其最大值。
2、C10煤的煤层煤层垮落带及导水裂隙带的估算C10煤顶板为砂岩,在自然状态下的抗压强度为51.1~56.29mpa ,平均为53.70mpa ,在饱和状态下抗压强度为44.09mpa ,而当岩层的的抗压强度介于40~80mpa 时就归化为坚硬岩层。
工作面上覆岩冒落导水裂隙两带高度的确定张发亮;何启林【摘要】In order to determine the heights of the caving zone and the permeable fracture zone of the overlying strata of working face, and to select mine waterproof coal pillar properly to ensure production safety, the three dimensional object is transformed into a two -dimensional plane model by using analog simulation theory at first, then according to the simulation of the actual mining process, the heights of the "two zones" are determined. The Mohr Coulomb plastic model is established with the numerical simulation software FLAC to simulate the variation in roof stress. Meanwhile, the heights of the "two zones" of strata are figured out by empirical formula. Finally, the comprehensive comparison shows that the maximum height of the caving zone is 18.5 m and the maximum height of the permeable fracture zone is 58.0 m of the overlying strata of 1206( 1 ) working face No. 14 coal seam in Zhenghang Mine.%为了确定工作面上覆岩层冒落带和导水裂隙带的高度,更好的指导矿井防水煤柱的留设,保证矿井安全生产,实验首先运用相似模拟理论将三维问题转化为二维平面模型,通过模拟实际开采过程,确定两带高度,并运用FLAC数值模拟软件建立莫尔库仑塑性模型,模拟顶板应力变化,同时结合经验公式对覆岩两带高度进行计算,最终综合比较得出:针对正行矿1206(1)工作面14煤上覆岩冒落带最大高度为18.5In,导水裂隙带最大高度为58.0m.【期刊名称】《矿业工程研究》【年(卷),期】2012(027)004【总页数】5页(P66-70)【关键词】冒落带;导水裂隙带;相似模拟;数值模拟;经验公式【作者】张发亮;何启林【作者单位】安徽理工大学能源与安全学院,安徽淮南232001;安徽理工大学能源与安全学院,安徽淮南232001【正文语种】中文【中图分类】TD824.6随着综合机械化采煤方法的广泛应用,在煤炭产量大幅度提高的同时,开采中的灾害也频频发生,工作面突水就是其中的一种,由于地质条件多变复杂,加上采动和矿压等诸多因素的影响,煤层覆岩的高度、破坏程度和发展状态都会发生一定的变化,若存在含水层,在深部煤层长壁工作面开采后,上覆岩层形成裂隙导水通道,对矿井的安全生产构成了极大的威胁[1,2].目前,运用单一的方法测定导、冒两带不能精确得出实验结果,鉴于此,此次实验综合了相似模拟、数值模拟和经验计算3种方式,从而可以更好的提高实验结果的准确性.文中以正行煤矿1206(1)工作面为工程背景,其走向长1 000 m,倾向长373 m,采高3.7 m,所采的14煤,最薄0.2 m,最厚达 3.7 m,采煤厚度平均倾角为3°,工作面主要充水水源为14煤顶板砂岩裂隙水,对开采影响较大.由于水体下安全煤岩柱的高度,是由导水裂隙带或冒落带高度加保护层厚度构成[3,4],因此,根据正行矿的地质开采条件,深入研究14煤层覆岩破坏状态、“两带”高度,对于正确选取安全煤岩柱高度、防治水患的技术措施以及回采上限,实现近水体下安全、合理的开采,具有非常重要的意义[5,6].1 相似模拟“两带”高度的确定1.1 模型的建立1)模型的简化:将空间三维模型转化成平面应变模型,采用二维(平面)相似材料模拟试验进行研究,从而获取“两带”的形成和变化规律.2)基本原理:相似三定律(相似定律、π定律、相似存在定律).根据相似原理,模型设计参数如下:约定模型的几何相似比Cl=1/100,容重相似比Cγ=1/1.6,应力相似比Cσ=Cγ×Cl=1/1.6×1/100=1/160,时间相似比Ct=(Cl)1/2=1/10,外力相似比Cf=CγCl3=1/1 600 000.3)相似材料的选取:此次实验选取河砂为骨料,石灰和石膏为胶结料,云母粉为分层材料.通过改变骨料与胶结材料的成分模拟出不同类型的岩层.1.2 测点布置在模型中,距煤层底板2 cm,煤层中,以及距煤层顶板5,15,25,35,45,55,65,75,85,100 cm 的水平方向分别布置1号~12号十二条监控线,在每条监控线上每隔40 cm布置1个检测点.模型开采长度为240 cm,即相当于沿工作面走向长度推进240 m.在模型的两侧边界各留设30 cm煤柱充当边界煤柱,用以消除边界影响.开采从模型的左侧开始,先在模型左侧开设切眼,切眼宽度为8 cm.工作面每次推进4 cm,每隔2 h回采一次.利用应变仪监控岩层变形特性,采掘过程中应变的变化是由电脑控制的YJD-27动静态电阻应变仪数控巡回监控系统自动采集应变信息,同时辅以拍摄和对顶板垮落过程进行描述.1.3 顶板垮落的模拟结果分析直接顶暴露面积由于工作面的推进而逐渐扩大,当推进至4 cm时,直接顶出现较微弱的裂隙现象,当推进至7 cm时,裂隙现象变的越发明显,并出现部分垮落现象,当推进至12 cm时,直接顶完全垮落,此后,随着工作面不断的推进,直接顶基本上也随着垮落.直接顶岩性为泥岩,冒落块度并不大,除局部冒落比较充分,充填采空区效果较好,利于顶板管理.随着工作面的继续推进,直接顶垮落面积增大,基本顶岩层呈现微弱弯曲下沉趋势,并且在岩层内产生微纵向裂隙;随着工作面的继续推进,暴露顶板的面积增大,当工作面推进34 cm时,基本顶岩层出现首次次垮落,其垮落步距为34 cm.基本顶岩层垮落后,由于工作面的继续推进,顶板则发生周期性垮落,每次垮落步距如表1所示.顶板周期垮落步距为7~14 cm.在开采时因为采空区空间变大,致使已垮落的下端岩层发生向工作面翻转的现象.试验同时发现顶板岩石垮落不是完全杂乱无章的,其主要特点是,由于垮落的岩层岩块会相互叠压,并且沿采空区推进方向岩石垮落形成脊峰,从而导致下端岩层的碎胀系数比上端岩层的碎胀系数大.实验共模拟了一次基本顶初次来压以及16次基本顶周期来压,基本顶平均周期来压的步距为10.6 m.表1 基本顶来压步距统计表Tab.1 Statistical table of old roof pressure step来压性质来压步距/m 周期来压步距均值/m初次来压周期来压1周期来压2周期来压3周期来压4周期来压5周期来压6周期来压7周期来压8周期来压9周期来压10周期来压11周期来压12周期来压13周期来压14周期来压15周期来压16 34.0 9.0 10.7 7.0 14.0 9.8 12.8 12.5 10.0 11.2 10.8 14.0 11.3 14.0 8.8 13.0 8.0 10.61.4 覆岩发展规律的模拟结果分析1.4.1 冒落带切眼附近:岩石垮落比较规则,最大冒落带高度16.4 cm,相当于实际采高的 4.4倍(实际采厚 3.7 m),经过测试,岩层断裂角为67°.沿切眼向上,末端顶板剪切断裂的方向是逐渐沿采空区方向内错的,图1为开切眼附近顶板垮落的实照图.终采线附近:经宏观测定整体冒落带状态,其发展高度约为13.4 cm,为采高的3.6倍左右.通过测量,岩层断裂角为52°,图2为终采线附近顶板垮落状态的实照图. 试验还发现,在厚度方向上,冒落带的岩层构造特点和其稳定性也是相异的,下位岩层是不规则的冒落带,其厚度是煤层采厚的1.7~2.1倍,上位岩层则是规则的且具有一定稳定性的冒落带,此部分岩层和后方已经冒落的矸石互相作用,逐渐形成了“半拱”式的构造形态,并且由于工作面的不断推进和直接顶的回转,其还将形成此类结构的岩石不断回转.同时,由于工作面的采动也将破坏拱脚,从而使这类“半拱”式构造形态失去原来的稳定性,逐层冒落,但最多冒落至其上方稳定的“砌体梁”形结构.1.4.2 导水裂隙带切眼附近:裂隙带位于冒落带上方,由于受采动影响在岩层中产生大量裂隙,并且这些裂隙随采动的变化也会发生张开与闭合的运动,裂隙带内部自下部向上部岩块排列整齐.待岩层移动稳定后,通过整个裂隙带的宏观测定,其发育高度达58 cm,为采高的15.7倍左右.裂隙带中裂隙主要有2类:垂直以及斜交于岩层层面的裂隙与平行岩层层面间的离层裂隙.因为裂隙带的高度比较大,所以在裂隙带的下部岩层内的横向裂隙和纵向裂隙是相互连通的.在裂隙带的上方尽管有横向细微裂隙和纵向细微裂隙存在,但相互并没有完全连通,因而不具备导水性.图3为开切眼处裂隙分布规律实照图.切眼附近覆岩裂隙分布特点:裂隙的发育高度为58 cm,其中,在距煤层顶板0~58 cm范围内裂隙相互连通,在距离煤层顶板58 cm以上虽然有裂隙发育,但相互不连通,在距煤层底板36 cm处,裂隙向切眼后段水平延伸的距离约为19 cm. 终采线附近:通过整个裂隙带的宏观测定,其发育高度为50 cm,为采高的13.5倍.其中,在距离煤层顶板0~50 cm范围内裂隙相互连通,在距煤层顶板50 cm以上虽有裂隙发育,但相互不连通.同样,裂隙带中的裂隙主要有垂直及斜交于岩层层面的裂隙和离层裂隙.在裂隙带的下部岩层内的纵向裂隙和横向裂隙也是相互连通的.在裂隙带的上部尽管有细微裂隙存在,但未完全连通,不具备导水性,终采线前方距离煤层顶板30 cm向煤体侧裂隙水平最大延伸长度为4 cm.图4为终采线处裂隙分布规律实照图.通过相似模拟试验分析,最终得出冒落带高度为13.4~16.4 m,导水裂隙带高度为50~58 m.图1 顶板冒落状态的实照(切眼附近)Fig.1 Authentic photograph for roof falls state near the cut eye图2 顶板垮落状态的实照(终采线附近)Fig.2 Authentic photograph for rooffalls state near the stop line图3 裂隙分布规律(开切眼处)Fig.3 Rule of fracture distribution near the cut eye图4 裂隙分布规律(终采线处)Fig.4 Rule of fracture distribution near the stop line2 数值模拟确定“两带”高度2.1 边界条件的选择走向模型Ⅰ与倾向模型Ⅱ采用相类似的边界约束条件,在模型的左、右边界与底界采用零位移边界条件,具体作如下处理:左右边界取u=0,v≠0(u为x方向位移,v为y方向位移),即单约束边界.底边界取u=v=0,为全约束边界.在计算模型中,坐标系可按如下规定:平行煤层方向为x轴,垂直煤层方向为y轴,铅直方向即重力方向为z轴,向上为正.莫尔库仑塑性模型所涉及的岩,土体物理力学参数包括:体积模量B,剪切模量S,粘聚力C,内摩擦角φ,质量密度ρ.其中,B和S是由岩、土体的变形模量和泊松比确定的.按照上述原理,确定最终有效的岩体物理力学参数,并以此作为本次数值模拟的输入参数.具体测试结果参数见表2.表2 煤层顶底板参数表Tab.2 Form of roof-floor of coal seam notices顶板名称岩石名称厚度/m 岩性特征基本顶细砂岩 11.80 浅灰-灰白色,分选一般,钙质胶结,夹条带状泥质薄层.直接顶泥岩 2.40 灰色,性松脆,具滑面,含少量植化碎片,上部含砂量增大,局部相变为砂质泥岩13-1煤 0.00~0.59 黑色,块状,染手,金属光泽,为亮煤泥岩 1.60~4.10 灰色,性松脆,具滑面,局部微含砂,含少量植化碎片伪顶/ / /直接底砂质泥岩 2.70 灰色,较致密,块状,砂泥质结构,夹有菱铁结核,植物化石碎片丰富,参差状断口.基本底中砂岩 2.10 浅灰色,以石英为主,钙质胶结,含有菱铁质,水平层理,分选差,垂直裂隙发育砂质泥岩9.30 灰色,富含植化碎片,局部夹菱铁结核,下部夹 0.1 m 浅灰色细砂岩2.2 结果分析运用FLAC模拟,以“莫尔库仑准则”[7]为基础,判别每个点具体所处在什么样的应力状态.FLAC模拟输出具体规定为:0是一直处在弹性状态的单元,1是屈从且逐步过渡到塑性状态的单元,2是一直处在塑性状态的单元,3是大于单轴抗张力的单元,4是大于且屈从于单轴抗张力的单元.这5种状态通过计算机模拟构造出等值线,从而清晰的表现出受采动影响的覆岩破坏状态.由于岩石本身就属于脆性材料,一旦进入塑性状态以后,其脆性也将被破坏.以岩层而言,岩层本身就具有裂隙,这些裂隙随着脆性的破坏会继续延伸,同时也将可能产生出新的裂隙,且在裂隙之间会产生通道,最终会破坏岩层完整性,因而,确定导水裂隙带高度以塑性破坏为标准是一种非常合理的方法.图5和图6表示工作面沿走向与倾向的塑性区范围等值线图.图5 工作面开采后覆岩塑性区分布走向模型Fig.5 Toward a model of strata plastic zone distribution after working face has been exploited图6 工作面开采后覆岩塑性区分布倾向模型Fig.6 Trend a model of strata plastic zone distribution after working face has been exploited由走向覆岩塑性区分布图可得出,受工作面采动影响后,有4个区域分布于覆岩塑性区内,除了边界条件制约的左右边界塑性区和上方塑性区,采空区顶端与煤壁顶端的塑性区对岩层裂隙带高度的影响起着重要作用,分析模拟结果,确定覆岩内塑性区分布最大高度为56.5 m.由倾向覆岩塑性区分布图可得,在工作面上方塑性区分布的最大高度是56.5 m,在工作面下方,塑性区分布的最大高度是49.5 m.工作面上端拉应力相对比较集中,造成塑性区域范围扩张,其塑性区域的分布与工作面下端基本保持一致.从模拟覆岩分布特点和破坏状态,很容易划分出两带高度.通过模拟出的平面图上两带高度的结果,得出两个点的冒高和导高,且在所搜索的数值里选取最大值,最终运用FLAC模拟,由塑性条件得出冒落带高度为16.4 m;导水裂隙带高度为49.5 ~56.5 m.3 煤层法向“两带”高度的综合判定根据经验公式[8]计算导、冒两带高度其中冒落带高度(HD).可按式(1)计算:式中,M:采煤厚度(m);W:顶板的下沉量,视具体情况,一般取0 m;K:垮落岩石的碎胀系数,一般1.2;α:煤层倾角(°).从而可以推出冒落带的高度为导水裂隙带高度(HD',HD″). 按覆岩性质分别计算:14煤的上覆岩层可作中硬岩层(20~40 MPa)处理,取中硬岩层经验公式为导水裂隙带经验公式,即:把14煤采厚M=3.7 m代入上式得导水裂隙带上、下限高度为根据公式计算可以得出冒落带高度为18.5 m,导水裂隙带高度为44.5~48.5 m,结合相似模拟结果与FLAC的数值模拟结果,可确定正行矿1206(1)工作面14煤上覆岩冒落带高度为13.4~18.5 m,导水裂隙带高度为44.5~58.0 m,58 m以上为弯曲下沉带.4 结论1)1262(1)综采面覆岩冒落带高度 13.4~18.5 m,导水裂隙带高度为44.5 ~58.0 m.2)采空区覆岩内的各点下沉数值自顶而下逐渐增大,展示了覆岩内自下而上垂直三带的发展过程;由近到远,两侧煤柱的上方覆岩的下沉数值逐渐变小且在基岩面处形成不对称的下沉盆地,盆地的中心点向倾斜方向偏移.3)对覆岩破坏程度产生的主要因素为工作面的推进速度、周期来压、覆岩岩性、采高等因素.4)覆岩破坏状态与发展高度一般与采厚成正比例关系;1262(1)综采面覆岩岩性主要是砂质泥岩类岩层,其强度比较高,覆岩破坏程度与高度也会显著增大;在其它条件相同时,保持工作面连续而快速的推进,对减少和抑制覆岩破坏程度,防止工作面大量涌水与突水起着至关重要的作用.参考文献:【相关文献】[1]国家安全生产监督管理总局,国家煤矿安全监察局.煤矿安全规程[M].北京:煤炭工业出版社,2006.Supervision and Management Bureau of National Safety Production,Safety Supervision Bureau of National Coal Mine.Coal mine safety regulations[M].Beijing:Coal Industry Press,2006.[2]张国枢.通风安全学[M].徐州:中国矿业大学出版社,1999(6):268-270.ZHANG Guoshu.Ventilation and safety technology[M].Xuzhou:China Mining University Press,1999(6):268-270.[3]马保明,张宏,钱自卫.分层开采覆岩导水断裂带高度的确定[J].煤炭技术,2011,40(6):60-62.MA Baoming,ZHANG Hong,QIAN Ziwei.Determination of heights of caving and permeable fracture zone with slicing method[J].Coal Technology,2011,40(6):60-62.[4]王连富,李卫东,刘道文,等.综放采场覆岩破坏高度的实测方法及应用[J].煤矿开采,2005,39(3):72-73.WANG Lianfu,LI Weidong,LIU Daowen,et al.Measurement method and application of strata damage height in fully-mechanized sublevel caving face [J].Coal Mining Technology,2005,39(3):72-73.[5]刘玉德,张东升,范钢伟.沙基型浅埋煤层保水开采工程实践研究[J].湖南科技大学学报(自然科学版),2011,26(1):15-20.LIU Yude,ZHANG Dongsheng,FAN Gangwei. Research on the engineering practice of aquifer-protective mining in the shallow sandbed-rock coal seam[J].Journal of Hunan University of Science and Technology(Natural Science Edition),2011,26(1):15-20.[6]刘秀英,张永波.采空区覆岩移动规律的相似模拟实验研究[J].太原理工大学学报,2004,35(1):30-33.LIU Xiuying,ZHANG Yongbo.Similarity simulation experiment study on regularity of strata movement in goaf[J].Journal of Taiyuan University of Science and Technology,2004,35(1):30-33.[7]戴华阳,刘继岩,廉旭刚,等.厚黄土层条件下综放开采覆岩破坏数值模拟研究[J].湖南科技大学学报(自然科学版),2010,25(3):1-4.DAI Huayang,LIU Jiyan,LIAN Xugang,etal.Numerical simulation study on overburden rock damage by fully mechanized caving under thick loess layer[J].Journal of Hunan University of Science andTechnology(Natural Science Edition),2010,25(3):1-4.[8]李锋,杨战旗.综放面覆岩破裂数值模拟及高位钻场参数优化[J].中国煤炭,2012,38(1):99-102.LI Feng,YANG Zhanqi. Numerical simulation of overlying strata fracture in fully-mechanized top-coal caving face and parameter optimization of high-level drilling site[J].China Coal,2012,38(1):99-102.。
浅谈采空区冒落带、裂隙带高度如何确定一、矿井概况***煤矿矿井设计利用工业储量213.7万吨,可采储量159.6万吨。
设计三层煤联合开采,斜井开拓,壁式采煤,全部垮落法管理顶板。
矿井设计生产能力为15万吨/年,服务年限为8.2年。
二、矿井水文地质1.地层矿区及其附近出露的地层有下三叠统夜郎组(T1y),上二叠统长兴组(P3c)和龙潭组(P3l),中统茅口组(P2m),第四系零星分布。
龙潭组是该区的含煤地层。
现由新到老简述如下:(1)、第四系(Q)主要为残积、坡积、冲积物等,零星分布于地势低洼处,不整合于矿区内各地层表面,主要覆盖含煤地层,厚0~10m。
(2)、下三叠统夜郎组(T1y):根据岩性变化情况由上至下分三段:九级滩段(T1y3)、玉龙山段(T1y2)、沙堡湾段(T1y1)1)九级滩段(T1y3)主要由灰紫色、紫色、暗紫色粉砂岩、泥质粉砂岩、粉砂质泥岩组成,局部夹薄层状泥质灰岩、灰岩,含瓣鳃类等动物化石(产王氏克氏蛤、格氏克氏蛤、弱海扇等动物化石)。
矿区内地层出露不全,出露厚度大于200m。
分布于矿区中、东部地区。
2)玉龙山段(T1y2)浅灰~灰色,中-厚层灰岩,晶粒或泥晶结构,顶部含鲕粒,向下泥质增加,下部常为泥质灰岩,全层夹泥岩,具锯齿状、箱状缝合线构造,产同心克氏蛤等化石,地层厚度180~250m左右。
分布于矿区中西部地区。
3)沙堡湾段(T1y1)深灰色,风化后多为黄灰、紫灰色,薄层状粉砂质泥岩、泥质粉砂岩,具水平纹理,夹薄层状泥质灰岩,近顶及近底常夹薄层黄绿色蒙脱石泥岩,产舌形贝、蚌形蛤、蛇菊石等化石。
地层厚10~23m。
分布于矿区西部。
(3)、上二叠统长兴组(P3c):浅灰-深灰色,中-厚层灰岩,晶粒结构,含黑色燧石团块,上部具鲕粒结构,中部含泥质,常为泥质灰岩夹钙质粉、细砂岩,中上部偶夹薄层炭质泥岩。
产蜓科、蕉叶贝及瓣鳃类等化石。
厚25~35m,平均厚30m。
分布于矿区西部。
(4)、上二叠统龙潭组(P31)为矿区内主要含煤地层,厚度112~151m,平均厚度118m。
采煤导水裂隙带发育高度计算公式概述作者:韩新哲来源:《价值工程》2018年第20期摘要:导水裂隙带发育高度是采煤安全的主要影响因素之一,对水体下采煤的矿井水害防治有重要影响,需要对导高进行预测。
通过查阅文献,对导高计算经验公式进行了总结,分析了常用的公式形式,为今后导高预测公式研究提供参考。
Abstract: The height of water-flowing fracture zone is one of the main factors that affect the safety of coal production, especially for the prevention and control of mine water hazards under water body. Therefore, engineering applications need to predict the height of water-flowing fracture zone. By literature, this paper summarizes the empirical formulas and analyzes the commonly used formula forms, which will provide reference for the future study of the height of water-flowing fracture zone prediction formula.关键词:导水裂隙带;高度预测;经验公式Key words: water-flowing fracture zone;height prediction;empirical formula中图分类号:TD823 文献标识码:A 文章编号:1006-4311(2018)20-0235-020 引言煤层开采会造成上覆岩层的破坏,形成冒落带、裂隙带和弯曲带,冒落带和裂隙带合称导水裂隙带。
冒落带和导水裂隙带最大高度的计算方法
一、一般经验公式
h2=(1-3)h1m
式中m——矿层开采厚度,m;
k——岩石松散系数(见表附1.4 1827)
α——矿层倾角,度;
h1——冒落带高度,m;
h2——导水裂隙带高度。
二、我国煤炭部门总结的经验公式
见表1。
注:1、此表引自煤炭工业部制定的“矿井水文地质规程”(试行)。
2、M—累计采厚,m;n—煤分层层数;m—煤层厚度,m;h—工作面小阶段垂高,m。
3、冒落带、导水裂隙带最大高度,对缓倾斜和倾斜煤层,系指从煤层顶面算起的法向高度;对于急倾斜煤层,系指从开采上限算起的垂向高度。
4、岩石抗压强度为饱和单轴极限强度。