药品工艺回顾性验证方案
- 格式:doc
- 大小:628.50 KB
- 文档页数:25
生产工艺回顾性验证方案1.适用范围本方案规定了公司所有药品生产工艺的回顾性验证的目的、步骤、标准及评价内容,为生产提供生产工艺符合生产要求的书面证据。
2.职责验证管理员:负责本项验证工作的起草、组织、协调及管理,总结验证记录,出具验证报告。
QA负责人:负责验证实施过程中的监督检查,确保结果的可靠性。
QC负责人:负责验证方案中方法的审核及按照方法准确执行。
生产技术部经理:负责验证方案的审核。
质量部经理:负责验证方案的审核及监督实施。
QC检验员:提供验证所需的全部检测数据。
质量总监:负责验证方案的批准。
3.目的经过此项验证可以证明现有的工艺、设备能保证产品能达到预期的质量要求。
4. 生产工艺:4.1. 见各品种生产工艺规程。
4.2. 重点工序:4.2.1. 片剂:制粒工序、压片工序、包衣工序、内分装工序。
4.2.2. 胶囊剂:制粒工序、充填工序、内分装工序。
4.2.3. 颗粒剂:制粒工序、内分装工序。
4.2.4. 糖浆剂、合剂(口服液)、酊剂、洗剂、溶液剂:配液工序、灌装工序。
5.需收集的数据及接受限度:鉴于各产品工艺稳定,无关键性参数改变,经调查分析批生产记录后决定收集本年度生产的前20批次,按照以下项目进行统计分析。
片剂:性状:应符合该品种规定。
鉴别:应符合该品种鉴别项下的要求。
检查:重量差异:应符合该品种的相关要求,RSD<5.0%。
崩解时间(溶出度):应符合该品种的相关要求,RSD<5.0%。
含量:应符合该品种规定,RSD<5.0%。
微生物限度:应符合该品种规定。
胶囊剂:性状:应符合该品种规定。
鉴别:应符合该品种鉴别项下的要求。
检查:水分:应符合该品种的相关要求,RSD<5.0%。
重量差异:应符合该品种的相关要求。
崩解时间(溶出度):应符合该品种的相关要求,RSD<5.0%。
含量:应符合该品种规定,RSD<5.0%。
微生物限度:应符合该品种规定。
颗粒剂:性状:应符合该品种规定。
鉴别:应符合该品种鉴别项下的要求。
经过此项验证可以有效证明现有的工艺、设备能保证产品达到预期的质量要求。
2.范围适用于本单位大容量注射剂的产品。
3.职责质保部负责起草本验证方案并统计数据,对验证结果进行分析与评价。
4.验证产品对葡萄糖注射液、氯化钠注射液、甘露醇注射液、复方氨基酸注射液、葡萄糖氯化钠注射液、苦参素氯化钠注射液、亚叶酸钙氯化钠注射液、甲硝唑葡萄糖注射液的以上不同品种、不同规格的灌装合格率、灯检合格率、成品合格率、PH、含量进行回顾性验证。
5.方案5.1采集数据本验证方案是建立在产品工艺验证,检验方法验证,车间处于受控状态,无关键性参数改变,经验证小组讨论后决定对本年度的产品随机抽取20批(备注:生产批次较少的产品全部数据进行统计),进行回顾性验证。
大容量注射剂回顾性验证数据采集表(1)回顾性验证数据分析表(2)回顾性验证数据分析表(3)计算参考公式:移动极差:Xi -Xi-1计算平均值:X=∈xi/n极差平均:MR=查计量控制图系数表n = 2时,E2 = 2.659(A3) D3= 0(n<7)D4= 3.267注: CLX :平均值 CLR:极差均值UCLx :上控制限 UCLR:上控制限LCLx :下控制限 LCLR:下控制限n-1移动极差之和mRmRmRmmxRDLCLRDUCLRCLREXLCLREXUCLXCL342X2X===-=+==移动极差图单值控制图5.2结果评价对验证项目列出统计结果得出统计学控制上限和控制下限,表中每一个原始检验结果均在控制限度范围之内,可以确定生产工艺具有可靠性、重现性。
继续执行能获得同样质量的产品。
如果表中极少数的原是检验结果超出了控制上限和控制下限,可以采取必要的改进措施,如调出超限值的批生产记录,查清超限的原因;对生产工艺参数作必要的变更;或者在保证产品质量的前提下,对过于严格的内控限度做适当变更修订,以符合实际生产情况。
回顾性验证结果报告表(4)报告人:批准人:冻干粉针剂回顾性验证报告(2009年)验证日期:验证人员:审核:批准:报告人:日期:目录(1)5%葡萄糖注射:100ml:5g(2)5%葡萄糖注射:250ml:12.5g(3)5%葡萄糖注射:500ml:25g(4)10%葡萄糖注射:100ml:10g(5)10%葡萄糖注射:250ml:25g(6)10%葡萄糖注射:500ml :50g(7)氯化钠注射液:100ml:0.9g(8)氯化钠注射液:250ml :2.25g(9)氯化钠注射液:500ml:4.5g(10)甘露醇注射液:250ml甘露醇50g(11)复方氨基酸注射液:250ml:氨基酸12.5g(12)复方氨基酸注射液:500ml:氨基酸25g(13)葡萄糖氯化钠注射液:250ml:葡萄糖12.5g与氯化钠2.25g (14)葡萄糖氯化钠注射液:500ml葡萄糖12.5g与氯化钠2.25g(15)苦参素氯化钠注射液:100ml:苦参素0.6g与氯化钠0.9g(16)亚叶酸钙氯化钠注射液:50ml:亚叶酸钙50mg与氯化钠0.45g(17)亚叶酸钙氯化钠注射液:100ml:亚叶酸钙100mg与氯化钠0.9g(18)甲硝唑葡萄糖注射液:250ml甲硝唑0.5g与葡萄糖12.5g目录(1)注射用三磷酸胞苷二钠:20mg(2)注射用腺苷钴胺:0.5mg(3)注射用穿琥宁:40mg(4)注射用胸腺肽:20mg。
药品工艺回顾性验证方案一、背景和目的药品工艺回顾性验证是根据《药品生产质量管理规范》的要求,对药品生产过程中的工艺参数,操作规程等进行回顾性评价,以验证药品生产过程的合规性和质量稳定性。
通过回顾性验证,可以评估所生产的药品是否符合药品注册申请中的规定,并且可以为今后的生产提供有关工艺优化和改进的依据。
本方案的目的是制定一套系统的方法,对药品的工艺进行回顾性验证,以确保药品质量的可靠性和持续稳定性。
二、回顾性验证的内容和范围1.工艺参数的回顾性评价:回顾并评估所采用工艺参数的合理性和有效性,包括但不限于原料的接受标准,生产设备的规范和操作规程等。
2.操作规程的回顾性评价:回顾并评估所制定的操作规程的科学性和可行性,包括但不限于原料接收,加工,清洁,灭菌等操作步骤。
3.过程控制点的回顾性评价:回顾并评估制定的过程控制点和监控参数的科学性和有效性,以确保产品符合规格。
4.产品质量的回顾性评价:回顾并评估所生产的产品的质量数据,包括但不限于理化指标,微生物指标等,并与注册申请中的规定进行对比。
三、回顾性验证的步骤和方法1.数据收集和整理:收集和整理与回顾性验证相关的数据,包括但不限于批记录,质量控制数据,工艺参数等。
2.数据分析和比较:对收集的数据进行分析和比较,与注册申请中的规定进行对比,找出与规定不符的地方。
3.缺陷的评估和改进措施的制定:对发现的缺陷进行评估,确定可能的原因,并制定相应的改进措施。
4.改进措施的执行和验证:根据制定的改进措施,逐一执行并进行验证,确保改进措施的有效性。
四、回顾性验证的时间和频率回顾性验证不是一次性的活动,应当根据药品生产的需要进行定期的验证。
一般情况下,可以按照以下频率进行回顾性验证:1.新产品投产前进行一次回顾性验证,以确保新产品的工艺参数和操作规程的合理性和有效性。
2.生产过程中定期进行回顾性验证,以确保工艺参数,操作规程和质量控制的稳定性和可靠性。
建议每年至少进行一次回顾性验证。
1 目的该品种为公司常年生产的产品,有充分的原始生产和检验数据。
因此,我们能够通过采用回顾性验证的方式,来分析和考察产品生产工艺的可靠性及工艺控制点的可行性。
并且通过本次回顾性验证,为今后的工艺优化、工艺规程的修改提供依据,同时对产品的质量做一个趋势分析。
2 范围公司常年生产的无菌制剂产品。
3 内容3.1 验证先决性条件的确定回顾性验证不是在任何条件下都能够使用的,特别是对于无菌制剂。
所以在使用回顾性验证的时候,一些先决性条件必须得到确认。
表-1 回顾性验证的先决条件3.2 工艺控制参数在生产过程中工艺参数的波动将导致成品质量指标的波动,所以工艺控制点参数的确定是验证的重要环节,也是对验证结果进行因果关系分析的前提条件。
表-2 工艺控制参数表注:由于是回顾性验证所以仅将能够数值来表示和并能够进行统计的工艺控制参数列入。
3.3 样本的选择3.3.1 制剂成品的最终质量与所用的内包材有关,所以在选择样本的时候要尽量涵盖所有合格供应商提供的内包材;3.3.2 制剂成品的质量也与原料的质量有关,所以在选择样本的时候也要考虑到生产工艺是否能够接纳所有合格供应商的原料;3.3.3 对于生产过程中偏差超过范围的批次,不能够列入样本以免给统计数据造成误差,影响回顾性验证的可靠性。
3.4 验证考察项目根据产品的质量标准及公司的内控指标来确定本次验证所考察的项目指标。
注:表质量标准(可接受标准)中,不能够进行统计分析的项目只用于验证的判定而不进行统计分析。
3.5 验证数据计算公式 3.5.1 子组平均值 x i = x i1+ x i223.5.2子组极差R i = x i max - x i min3.5.3 子组极差的平均值R =n3.5.4 子组平均值的平均值(中心线CL )CL= x =n3.5.5 控制上限UCLUCL = x +A 2×R3.5.6 控制下限LCLLCL = x - A 2×R∑=ni ix 1∑=ni iR 13.5.7 表-4 制控图计算控制线的系数表3.6验证数据分析方法对能够用数值来表示和统计的项目采用作图法,用移动极差的方法来确定控制上限和控制下限,验证各数据是否全部落在控制上限和控制下限之内。
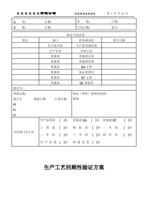
生产工艺回顾性验证方案1.适用范围本方案规定了公司所有药品生产工艺的回顾性验证的目的、步骤、标准及评价内容,为生产提供生产工艺符合生产要求的书面证据。
2.职责验证管理员:负责本项验证工作的起草、组织、协调及管理,总结验证记录,出具验证报告。
QA负责人:负责验证实施过程中的监督检查,确保结果的可靠性。
QC负责人:负责验证方案中方法的审核及按照方法准确执行。
生产技术部经理:负责验证方案的审核。
质量部经理:负责验证方案的审核及监督实施。
QC检验员:提供验证所需的全部检测数据。
质量总监:负责验证方案的批准。
3.目的经过此项验证可以证明现有的工艺、设备能保证产品能达到预期的质量要求。
4. 生产工艺:4.1. 见各品种生产工艺规程。
4.2. 重点工序:4.2.1. 片剂:制粒工序、压片工序、包衣工序、内分装工序。
4.2.2. 胶囊剂:制粒工序、充填工序、内分装工序。
4.2.3. 颗粒剂:制粒工序、内分装工序。
4.2.4. 糖浆剂、合剂(口服液)、酊剂、洗剂、溶液剂:配液工序、灌装工序。
5.需收集的数据及接受限度:鉴于各产品工艺稳定,无关键性参数改变,经调查分析批生产记录后决定收集本年度生产的前20批次,按照以下项目进行统计分析。
5.1.片剂:5.1.1.性状:应符合该品种规定。
5.1.2.鉴别:应符合该品种鉴别项下的要求。
5.1.3.检查:5.1.3.1. 重量差异:应符合该品种的相关要求,RSD<5.0%。
5.1.3.2. 崩解时间(溶出度):应符合该品种的相关要求,RSD<5.0%。
5.1.4.含量:应符合该品种规定,RSD<5.0%。
5.1.5.微生物限度:应符合该品种规定。
5.2.胶囊剂:5.2.1.性状:应符合该品种规定。
5.2.2.鉴别:应符合该品种鉴别项下的要求。
5.2.3.检查:5.2.3.1. 水分:应符合该品种的相关要求,RSD<5.0%。
5.2.3.2. 重量差异:应符合该品种的相关要求。
工艺回顾性验证方案和数理统计分析文件编码:××××××××起草人:日期:年月日验证小组会签:生产管理部经理:日期:年月日设备动力部经理:日期:年月日Q C室主任:日期:年月日质量管理部经理:日期:年月日方案批准:验证委员会主任:日期:年月日方案执行:执行日期:年月日验证小组组长:目录一、概述二、验证目的三、验证组织和职责四、数据选择和收集五、数据采用的统计分析方法六、*******药品回顾性验证和数理统计分析七、*******药品收率数理统计分析八、*******药品**有效成分含量数理统计分析九、*******药品成品水分数理统计分析十、偏差十一、结果评价与结论十三、验证小组领导意见一、概述为确保在提高*******药品质量标准后生产出合格的*******药品,经过半年生产后对*******药品生产工艺进行回顾性验证。
通过回顾性验证证明*******药品的生产工艺确实能够稳定地生产出符合预定规格及质量标准的产品,生产工艺具有可靠性和重现性。
二、验证目的在提高*******药品质量标准后生产的*******药品中按相关的要求选取30批*******药品,通过统计分析。
检验证实生产工艺和产品质量能够符合质量标准。
确认本生产工艺稳定、操作规范合理,工艺具有可靠性和重现性,确保能生产出合格的产品。
三、验证组织和职责1 、验证小组成员表验证小组成员表2、职责2.1验证委员会2.1.1 负责审阅并批准工艺回顾性验证方案。
2.1.2负责验证结论的判定批准。
2.2质量管理部2.2.1组织验证工作的实施及各部门的协调,保证验证工作有序的进行。
2.2.2负责验证方案的审核,及操作过程中对验证文件修订的审核工作。
2.2.3负责验证方案及实施计划的归档工作。
2.2.4负责审核相关数据的准确性、真实性。
2.3生产管理部2.3.1负责编写工艺回顾性验证方案。
XX有限公司乙酰螺旋霉素片工艺回顾性验证方案起草单位XX车间起草人:年月日质量保证部:年月日生产运行部:年月日审核人机动动力工程部:年月日1.主题内容与适用范围本方案描述了股份公司XX车间乙酰螺旋霉素片生产工艺的回顾性验证的目的、步骤、标准及评价内容,通过对生产工艺进行回顾性验证证明乙酰螺旋霉素片生产工艺及设备能稳定地生产出符合预定规格及质量标准的产品,生产工艺具有可靠性和重现性。
为生产提供生产工艺符合生产要求的书面证据过程。
本方案适用于乙酰螺旋霉素片生产工艺的回顾性验证管理。
2.验证目的通过对按照既定的工艺连续生产的产品进行分析和考察,分析生产控制的稳定性和重现性,确定是否存在偏差与漂移,确认本生产工艺稳定、操作规程合理、设备与生产能力相匹配、质量监控点合理,具有可靠性和重现性。
证实生产工艺和设备能保证产品质量达到预期的质量标准。
3.术语验证方案:阐述如何进行验证并确定验证合格标准的书面计划。
回顾性验证:以历史数据的统计分析为基础的旨在证实正式生产工艺的验证。
4.概述乙酰螺旋霉素片生产工艺及产品质量稳定,年生产批次多,生产量大,有充实的原始数据资料,该产品工艺的再验证采用回顾性验证的形式,来分析和考察产品生产控制的稳定性和重现性,是否存在偏差与漂移。
本验证方案是在厂房净化系统、空调系统、工艺用水系统、检验方法、关键生产设备及辅助设施验证合格的基础上进行的。
本方案主要涉及的工序为加工、配料、压片、包衣、包装,根据最终产品质量的关键因素和参数的要求,确定关键工序为配料、压片和包衣工序。
对生产过程中关键工艺参数及各工序产品的质量参数进行汇总和分析评价。
5.引用标准《中国药典》 2010年版《乙酰螺旋霉素片质量标准》 XX QB-CP010(4)《验证管理程序》 XXC-YZ-01(4)《工艺验证管理程序》 XXG-YZ-06(2)6.职责及分工验证小组成员职责备注组长负责验证方案的风险评价及验证方案的起草、培训,对验证结果进行汇总评价,分析是否存在偏差并根据评价做出本次验证报告和建议。
GMP验证文件生产工艺回顾性验证氨咖黄敏胶囊验证立项申请审批表氨咖黄敏胶囊工艺回顾性验证工作计划目录一、回顾性验证目的二、概述三、验证小组职责与回顾性验证依据3.1 验证小组职责3.2 生产制造部职责3.3 质量保证部职责3.4 设备工程部职责3.5人资部3.6回顾性验证依据四、文件检查五、生产操作人员情况5.1生产操作人员健康检查情况5.2生产操作人员培训情况5.3生产操作人员操作情况六、生产过程及关键点控制6.1生产制剂七、验证结果评定与结论八、再验证一、回顾性验证目的:回顾性验证是在已经验证的基础上,经过近几年的生产,验证生产工艺是否稳定,在现有的生产设施及设备条件下生产操作过程是否改变,产品工艺的可行性和重现性是否良好,在正常生产条件下能否生产出质量合格、均一、稳定的产品。
二、概述:本次验证是在本厂现有设施、设备和生产条件下进行氨咖黄敏胶囊的回顾性验证,本次验证收集最近___15_______批的生产产品。
验证批次如下:三、验证小组职责与回顾性验证依据验证组长:验证组成员:3.1 验证小组职责3.1.1 负责验证方案的批准。
3.1.2 负责验证的协调工作,以保证本验证方案规定项目的顺利实施。
3.1.3 负责验证数据和结果的审核。
3.1.4 负责验证报告的审批。
3.1.5 负责发放验证证书。
3.1.6 负责再验证周期的确认。
3.2 生产制造部职责3.2.1 负责制定验证方案。
3.2.2 负责组织人员按方案进行实施。
3.2.3 负责验证报告的总结。
3.3 质量保证部职责3.3.1 负责制(修)定工序、半成品、成品质量标准、供应商体系的审核。
3.3.2 负责制定取样计划并取样。
3.3.3 负责收集各项验证、试验记录,并对试验结果进行分析。
3.4 设备工程部职责3.4.1 负责组织工艺验证所需仪器、设备的验证。
3.4.2 负责仪器、仪表、量具等的校正。
3.4.3 负责设备的维护保养。
3.5人资部职责3.5.1生产操作人员健康检查情况(检查每年生产操作人员健康检查情况)3.5.2生产操作人员培训情况(检查培训档案)3.6回顾性验证依据四、文件检查在总结验证结果前,检查所需文件是否进行修改,修改之后的文件内容是否影响药品质量;检查人:检查时间:结论:五、生产操作人员情况5.1生产操作人员健康检查情况直接接触生产的操作人员每年健康检查是否符合生产要求;5.2生产操作人员培训情况是否按要求进行培训;5.3生产操作人员操作情况生产操作人员是否按相应岗位SOP进行生产,是否按相应清场SOP进行产后情场及产前检查;检查人:检查时间:结论:六、生产过程及关键点控制6.1生产制剂6.1.1制粒总混:统计人:结论:统计人:结论:统计人:结论:6.1.4生产过程中的各岗物料平衡情况统计人:结论:七、验证结果评定与结论生产部负责收集各项验证数据、检验结果等材料,根据验证方案、检验结果及其它数据起草验证报告,报验证小组。
回顾性验证如何操作
答:回顾性验证是对生产工艺相对稳定,正常上市的品种积累一定批次的数据进行分析,以证明该工艺达到预定接收指标的活动。
回顾性验证适用于原料药和非无菌工艺验证。
一、验证条件:
–使用的同一原辅料供应商
–相同的生产设备
–至少20批次的数据
–检验方法经过验证
–批记录符合GMP要求
–生产过程的工艺参数是标准化的,并一直处于受控状态
–有QA监控记录
–定期对环境、水系统等公用系统进行监控,并有记录
–有批成品检验记录和报告
–有原辅料、中间品检验记录和报告
–有偏差调查报告和记录
二、验证方法:
收集数据:
–批生产记录,包括QA监控记录
–原辅料检验记录和报告
–批成品检验记录和报告
–中间品检验记录和报告
–各偏差调查报告包括环境监测、水系统监测、产品或中间品等的不合格数据
–质量投诉记录
数据统计和趋势分析:
–分析生产工艺过程中主要操作步骤和工艺参数的差异性
–统计质量检验数据
–统计各批次的收率(或成品率)
–对统计的数据,制作控制图(一般采用X-MR控制图),计算控制限度
–绘制X图和MR图,进行趋势分析
三、验证方案内容应包含:
–目的:
–范围:
–职责:
–设备描述:
–产品处方:
–质量标准:
–工艺流程(包含工艺参数)–数据收集、统计和趋势分析–结论和评价。
GMP验证文件生产工艺回顾性验证氯芬黄敏片验证立项申请审批表氯芬黄敏片工艺回顾性验证工作计划目录一、回顾性验证目的二、概述三、验证小组职责与回顾性验证依据3.1 验证小组职责3.2 生产制造部职责3.3 质量保证部职责3.4 设备工程部职责3.5人资部3.6回顾性验证依据四、文件检查五、生产操作人员情况5.1生产操作人员健康检查情况5.2生产操作人员培训情况5.3生产操作人员操作情况六、生产过程及关键点控制6.1生产制剂七、验证结果评定与结论八、再验证一、回顾性验证目的:回顾性验证是在已经验证的基础上,经过近几年的生产,验证生产工艺是否稳定,在现有的生产设施及设备条件下生产操作过程是否改变,产品工艺的可行性和重现性是否良好,在正常生产条件下能否生产出质量合格、均一、稳定的产品。
二、概述:本次验证是在本厂现有设施、设备和生产条件下进行氯芬黄敏片的回顾性验证,本次验证收集最近_____6____批的生产产品。
验证批次如下:三、验证小组职责与回顾性验证依据验证组长:验证组成员:3.1 验证小组职责3.1.1 负责验证方案的批准。
3.1.2 负责验证的协调工作,以保证本验证方案规定项目的顺利实施。
3.1.3 负责验证数据和结果的审核。
3.1.4 负责验证报告的审批。
3.1.5 负责发放验证证书。
3.1.6 负责再验证周期的确认。
3.2 生产制造部职责3.2.1 负责制定验证方案。
3.2.2 负责组织人员按方案进行实施。
3.2.3 负责验证报告的总结。
3.3 质量保证部职责3.3.1 负责制(修)定工序、半成品、成品质量标准、供应商体系的审核。
3.3.2 负责制定取样计划并取样。
3.3.3 负责收集各项验证、试验记录,并对试验结果进行分析。
3.4 设备工程部职责3.4.1 负责组织工艺验证所需仪器、设备的验证。
3.4.2 负责仪器、仪表、量具等的校正。
3.4.3 负责设备的维护保养。
3.5人资部职责3.5.1生产操作人员健康检查情况(检查每年生产操作人员健康检查情况)3.5.2生产操作人员培训情况(检查培训档案)3.6回顾性验证依据四、文件检查在总结验证结果前,检查所需文件是否进行修改,修改之后的文件内容是否影响药品质量;检查人:检查时间:结论:五、生产操作人员情况5.1生产操作人员健康检查情况直接接触生产的操作人员每年健康检查是否符合生产要求;5.2生产操作人员培训情况是否按要求进行培训;5.3生产操作人员操作情况生产操作人员是否按相应岗位SOP进行生产,是否按相应清场SOP进行产后情场及产前检查;检查人:检查时间:结论:六、生产过程及关键点控制6.1生产制剂6.1.1制粒总混:统计人:结论:6.1.2压片:统计人:结论:统计人:结论:统计人:结论:6.1.5生产过程中的各岗物料平衡情况统计人:结论:七、验证结果评定与结论生产部负责收集各项验证数据、检验结果等材料,根据验证方案、检验结果及其它数据起草验证报告,报验证小组。
工艺回顾性验证方案与数理统计分析文件编码:XXXXXXXX起草人: 日期:验证小组会签:生产管理部经理: 年_ 月设备动力部经理: 日無 -------- 年_ 月BM:日翼笔孔日方案批准: 验证委员会主任匕方案执行: 执行日期: 验证小组组长:*** ****药品**有效成分含量数理统计分析偏差卜一.结果评价与结论 十三、验证小组领导意见为确保在提高水******药品质量标准后生产岀合格得*******药品,经过半年生产后对*******药品生产工艺进行回顾性验证。
通过回顾性 验证证明和**和*药品得生产工艺确实能够稳定地生产出符合预定规格 及质量标准得产品,生产工艺具有可靠性与重现性。
二. 验证目得在提高*******药品质量标准后生产得*******药品中按相关得要求选取30批*******药品,通过统计分析。
检验证实生产工艺与产品质 量能够符合质量标准。
确认木生产工艺稳定、操作规范合理,工艺具有可 靠性与重现性,确保能生产岀合格得产品。
三. 验证组织与职责四、 五. 六.七、 验证目得 验证组织与职责数据釆用得统计分析方法★和*★和药品回顾性验证与数理统计分析** * ****药品收率数理统计分析九.***** **药品成品水分数理统计分析、验证小组成员表验证小组成员表2、职责2、1验证委员会2、1. 1负责审阅并批准工艺回顾性验证方案。
2、1.2负责验证结论得判定批准。
2、2质量管理部2、2 J组织验证工作得实施及各部门得协调,保证验证工作有序得进行。
2、2. 2负责验证方案得审核,及操作过程中对验证文件修订得审核工作。
2、2、3负责验证方案及实施计划得归档工作。
2、2. 4负责审核相关数据得准确性、真实性。
2、3生产管理部2、3、1负责编写工艺回顾性验证方案。
2、3. 2负责完成工艺回顾性验证。
2、3、3审阅工艺回顾验证方案、数据与最后得报告。
2、3、3审核验证对所需得测试项目就是否全部完成可上报批准。
工艺回顾性验证方案与数理统计分析文件编码:××××××××起草人:日期: 年月日验证小组会签:生产管理部经理: 日期: 年月日设备动力部经理:日期: 年月日Q C室主任: 日期: 年月日质量管理部经理:日期: 年月日方案批准:验证委员会主任:月日方案执行:执行日期: 年月日验证小组组长:目录一、概述二、验证目得三、验证组织与职责四、数据选择与收集五、数据采用得统计分析方法六、*******药品回顾性验证与数理统计分析七、*******药品收率数理统计分析八、*******药品**有效成分含量数理统计分析九、*******药品成品水分数理统计分析十、偏差十一、结果评价与结论十三、验证小组领导意见一、概述为确保在提高*******药品质量标准后生产出合格得*******药品,经过半年生产后对*******药品生产工艺进行回顾性验证。
通过回顾性验证证明*******药品得生产工艺确实能够稳定地生产出符合预定规格及质量标准得产品,生产工艺具有可靠性与重现性。
二、验证目得在提高*******药品质量标准后生产得*******药品中按相关得要求选取30批*******药品,通过统计分析。
检验证实生产工艺与产品质量能够符合质量标准。
确认本生产工艺稳定、操作规范合理,工艺具有可靠性与重现性,确保能生产出合格得产品。
三、验证组织与职责1、验证小组成员表验证小组成员表2、职责2、1验证委员会2、1、1负责审阅并批准工艺回顾性验证方案。
2、1、2负责验证结论得判定批准。
2、2质量管理部2、2、1组织验证工作得实施及各部门得协调,保证验证工作有序得进行。
2、2、2负责验证方案得审核,及操作过程中对验证文件修订得审核工作。
2、2、3负责验证方案及实施计划得归档工作。
2、2、4负责审核相关数据得准确性、真实性。
2、3生产管理部2、3、1负责编写工艺回顾性验证方案。
工艺回顾性验证方案和数理统计分析文件编码:××××××××起草人:日期:年月日验证小组会签:生产管理部经理:日期:年月日设备动力部经理:日期:年月日Q C室主任:日期:年月日质量管理部经理:日期:年月日方案批准:验证委员会主任:日期:年月日方案执行:执行日年月日验证小组组长:目录一、概述二、验证目的三、验证组织和职责四、数据选择和收集五、数据采用的统计分析方法六、*******药品回顾性验证和数理统计分析七、*******药品收率数理统计分析八、*******药品**有效成分含量数理统计分析九、 *******药品成品水分数理统计分析十、偏差十一、结果评价与结论十三、验证小组领导意见一、概述为确保在提高*******药品质量标准后生产出合格的*******药品,经过半年生产后对*******药品生产工艺进行回顾性验证。
通过回顾性验证证明*******药品的生产工艺确实能够稳定地生产出符合预定规格及质量标准的产品,生产工艺具有可靠性和重现性。
二、验证目的在提高*******药品质量标准后生产的*******药品中按相关的要求选取30批*******药品,通过统计分析。
检验证实生产工艺和产品质量能够符合质量标准。
确认本生产工艺稳定、操作规合理,工艺具有可靠性和重现性,确保能生产出合格的产品。
三、验证组织和职责1 、验证小组成员表验证小组成员表2、职责2.1验证委员会2.1.1 负责审阅并批准工艺回顾性验证方案。
2.1.2负责验证结论的判定批准。
2.2质量管理部2.2.1组织验证工作的实施及各部门的协调,保证验证工作有序的进行。
2.2.2负责验证方案的审核,及操作过程中对验证文件修订的审核工作。
2.2.3负责验证方案及实施计划的归档工作。
2.2.4负责审核相关数据的准确性、真实性。
2.3生产管理部2.3.1负责编写工艺回顾性验证方案。
2.3.2负责完成工艺回顾性验证。
2.3.3审阅工艺回顾验证方案﹑数据和最后的报告。
2.3.3审核验证对所需的测试项目是否全部完成可上报批准。
四、数据的选择和收集1、数据的选择和收集依据1.1 生产记录是在同一生产工艺下完成。
1.2检验结果是在同一检验环境下完成。
1.3生产记录和检验结果必须真实可靠。
1.4选择和收集的数据不少于10批,最好在20批以上。
1.5选择和收集数据的批次是连续生产的。
1.6选择和收集的数据必须是量化的,是确切的数值。
五、数据采用的统计分析方法本验证是对*******药品生产工艺进行回顾性验证,用每批*******药品数量、质量标准中**有效成分含量、水分作为*******药品回顾性验证的依据。
*******药品的数量、**有效成分含量、水分是每批胶囊粉的特性,数据样本又都为1,所以采用“单值—移动极差”(X一Rs)控制图进行统计分析。
六、*******药品回顾性验证和数理统计分析1、选取30批*******药品的生产检验数据进行验证。
注:按照数据的选择和收集依据,通过审核*******药品:批号051020—051226共30批作为*******药品回顾性验证数据进行采集。
七、*******药品收率数理统计分析1、*******药品投料量都为30万粒/批,采集各批次最终*******药品瓶数,做控制图。
注: 051021、051022、051212三批为0.4g/粒×16粒/瓶包装,将其转化为0.4g/粒×30粒/瓶的包装。
(9632+9879 (9800)1.1计算参数平均值:X=∑xi/30=------------------------=9875302、计算移动差距,共29个值,如下表:2.1计算移动极差:(247+228+250 (23)R S =------------------------------=157293、计算控制限度:X=9875 R S =157 查控制图查控制图系数表:E2=2.660 X图的上控制界限计算公式:UCL=X+E2×R S=9875+2.660×157=10293X图的下控制界限计算公式:LCL=X-E2×R S=9875-2.660×157=9457R S图的上控制界限计算公式:UCL=3.267×R S=513R S图的下控制界限计算公式:LCL=实际值为负值,通常取0作为控制下控制界限4、作X一Rs控制图:X图瓶数UCL:10239CL:9875LCL:9457批号UCL:513CL:157LCL:05、控制图观察分析5.1工艺稳定状态的判断依据工艺是否处于稳定状态的判断条件有两点;1点子必须在控制的界限之(即处于上下控制界限之间)。
2在控制界限的点子,排列无缺陷或者说点子无异常排列。
5.2工艺不稳定状态的判断依据只要有下列条件之一时,均可判断为工艺不稳定。
1点子超出控制界限或恰在控制界限上。
2控制界限的点子排列不随机。
界点排列不随机的模式很多,常见的有:点子屡屡接近控制界限、链、间断链、点子集中在中心线附近、点子呈周期性变化等等,在控制图的判断中要注意对这些模式的识别。
5.3控制图观察分析根据控制图判断稳态的准则,观察X图:连续30个点子都在控制界限,可以观察到X图的状态是稳定的,点的排列无突发性排列倾向,说明生产工艺稳定。
物料平衡,收率符合规。
根据控制图判断稳态的准则,观察Rs图:连续29个点子都在控制界限,可以观察到Rs图的状态是稳定的,点的排列无突发性排列倾向,说明生产工艺稳定。
物料平衡,收率符合规。
八、*******药品**有效成分含量数理统计分析(0.121+0.139…..+0.140)1.1计算参数平均值:X=∑xi/30=------------------------=0.135 302、计算移动差距,共29个值,如下表:2.1计算移动极差:(0.018+0.007+0.019…..+0.011)R S =----------------------------------=0.022293、计算控制限度:X=0.135 R S =0.022 查控制图查控制图系数表:E2=2.66 X图的上控制界限计算公式:UCL=X+E2×R S=0.135+2.66×0.022=0.195X图的下控制界限计算公式:LCL=X-E2×R S=0.135-2.660×0.022=0.075R S图的上控制界限计算公式:UCL=3.267×R S=0.072R S图的下控制界限计算公式:LCL=实际值为负值,通常取0作为控制下控制界4、作X一控制图:X图UCL:CL:LCL:CL:0.022LCL:05、控制图观察分析5.1工艺稳定状态的判断依据工艺是否处于稳定状态的判断条件有两点;1点子必须在控制的界限之(即处于上下控制界限之间)。
2在控制界限的点子,排列无缺陷或者说点子无异常排列。
5.2工艺不稳定状态的判断依据只要有下列条件之一时,均可判断为工艺不稳定。
1点子超出控制界限或恰在控制界限上。
2控制界限的点子排列不随机。
界点排列不随机的模式很多,常见的有:点子屡屡接近控制界限、链、间断链、点子集中在中心线附近、点子呈周期性变化等等,在控制图的判断中要注意对这些模式的识别。
5.3控制图观察分析根据控制图判断稳态的准则,观察X图:连续30个点子都在控制界限,可以观察到X图的状态是稳定的,点的排列无突发性排列倾向,说明生产工艺稳定。
生产工艺能够保证*******药品中**有效成分含量符合企业质量标准,生产工艺能够保证生产出合格的*******药品。
根据控制图判断稳态的准则,观察Rs图:连续29个点子都在控制界限,可以观察到Rs图的状态是稳定的,点的排列无突发性排列倾向,说明生产工艺稳定。
生产工艺能够保证*******药品中**有效成分含量符合企业质量标准,生产工艺能够保证生产出合格的*******药品。
九、*******药品成品水分数理统计分析(4.3+4.4+3.9…..+3.3)1.1计算参数平均值:X=∑xi/30=------------------------=3.9 302、计算移动差距,共29个值,如下表2.1计算移动极差:(0.1+0.5+0.5…..+0.4)R S =----------------------------------=0.32293、计算控制限度:X=3.90 R S =0.32 查控制图查控制图系数表:E2=2.66 X图的上控制界限计算公式:UCL=X+E2×R S=3.90+2.66×0.32=4.75X图的下控制界限计算公式:LCL=X-E2×R S=3.90-2.66×0.32=3.05 R S图的上控制界限计算公式:UCL=3.267×R S=1.05R S图的下控制界限计算公式:LCL=实际值为负值,通常取0作为控制下控制界限4、作X一控制图:X图UCL:CL:3.90LCL:Rs图UCL:1.05CL:0.32 LCL:5、控制图观察分析5.1工艺稳定状态的判断依据工艺是否处于稳定状态的判断条件有两点;1点子必须在控制的界限之(即处于上下控制界限之间)。
2在控制界限的点子,排列无缺陷或者说点子无异常排列。
5.2工艺不稳定状态的判断依据只要有下列条件之一时,均可判断为工艺不稳定。
1点子超出控制界限或恰在控制界限上。
2控制界限的点子排列不随机。
界点排列不随机的模式很多,常见的有:点子屡屡接近控制界限、链、间断链、点子集中在中心线附近、点子呈周期性变化等等,在控制图的判断中要注意对这些模式的识别。
5.3控制图观察分析根据控制图判断稳态的准则,观察X图:连续30个点子都在控制界限,可以观察到X图的状态是稳定的,点9与点10的数据波动比较大,有突发性排列倾向,说明生产中可能有不稳定的因素存在。
进一步检查051102、051107的相关批生产记录,确认0511026批次*******药品在干燥工序中干燥时间超过工艺规定时间,导致 051102中水分偏低。
应在干燥工序加强控制,杜绝此类情况再次发生。
根据控制图判断稳态的准则,观察Rs图:连续29个点子都在控制界限,可以观察到Rs图的状态是稳定的,点8与点9 之间的数据波动比较大,有突发性排列倾向,说明生产中可能有不稳定的因素存在。
检查051102、051107的相关批生产记录,确认051102批次*******药品在干燥工序中干燥时间超过工艺规定时间,导致051102中水分偏低。
导致点8与点9排列出现异常波动。