安全工作联系单
- 格式:doc
- 大小:14.50 KB
- 文档页数:1
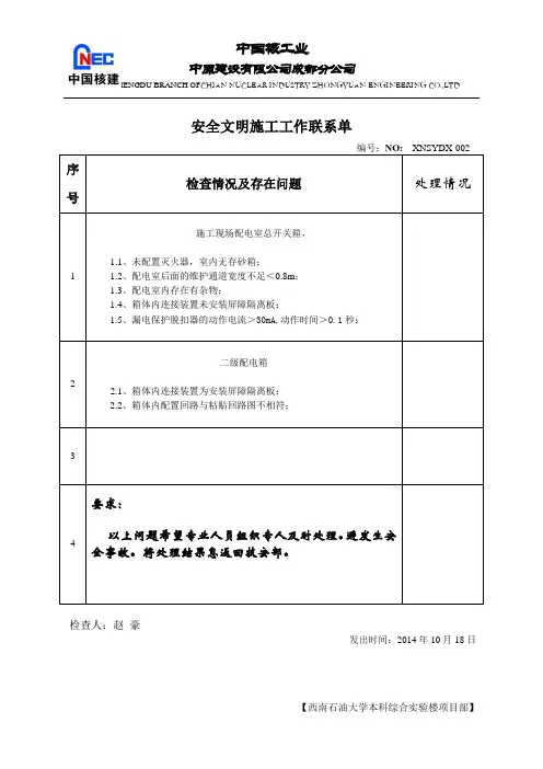
中国核工业
中原建设有限公司成都分公司
CHENGDU BRANCH OF CHIAN NUCLEAR INDUSTRY ZHONGYUAN ENGINEERING CO.,LTD
【西南石油大学本科综合实验楼项目部】
安全文明施工工作联系单 序
号
检查情况及存在问题
处理情况 1
施工现场配电室总开关箱,
1.1、未配置灭火器,室内无存砂箱;
1.2、配电室后面的维护通道宽度不足<0.8m ;
1.3、配电室内存在有杂物;
1.4、箱体内连接装置未安装屏障隔离板;
1.5、漏电保护脱扣器的动作电流>30mA,动作时间>0.1秒;
2
二级配电箱
2.1、箱体内连接装置为安装屏障隔离板;
2.2、箱体内配置回路与粘贴回路图不相符;
3
4 要求: 以上问题希望专业人员组织专人及时处理。
避发生安全事故。
将处理结果息返回技安部。
检查人:赵 豪
发出时间:2014年10月18日。
上海市机械施工有限公司(第五分公司)协和城二期北地块桩基工程安全工作联系单编号:LXD-01致:各分包单位:本工程即将正式开工,请各单位立即落实以下事宜:内容时效1.提报各单位资质、安全生产许可证、营业执照(须加盖公章)3天内2.办理“规范用工承诺书”(内容附后)3天内3.提报贵单位本次工程的“安全文明措施”1天内4.提报贵单位和我单位签订的“安全管理协议”(此项为合同附件)合同签订后2天内5.提报贵单位管理人员资格证书,如无则算作施工人员2天内6.各单位应在现场指派一位专职安全员,如无则有项目现场负责代管。
1天内7.请贵单位安排新工人本人到我项目部签署“三级安全教育卡”及“进场教育”,请同时携带个人身份证原件(正常施工时,请在施工人员上岗施工前办理,本次请按后栏规定的时效办理)1天内8.提报贵单位的人员花名册,花名册上人员必须包含贵单位所有施工人员。
为了便于管理请注明新进、原有、退场工人,同时附上身份证复印件,本项目部将以此为依据为工人办理“综合保险”,如不报、少报造成未能办理综合保险,一切后果由贵单位承担。
(正常施工时,每月20日报,本次请按后栏规定的时效提交)(表式附后)9.现场严禁使用童工,违者重罚(指18周岁以下人员)2天内10.对贵单位施工人员进行安全教育、岗位交底,将交底资料提交我项目部备案。
现场施工人员必须都进过安全教育交底,违者罚款。
(参考交底资料可向我项目部索取)11.认真传阅关于民工办理信息卡、工资卡的相关文件,准时为工人办理(文件附后)12.与贵单位旗下说有施工人员签订“用工协议”(参考文档附后)(正常施工3天内时,在新工人进场同时提交,本次请按后栏规定的时效提交)13.现场施工人员必须五证齐全、真实有效(身份证、操作证、安全教育培训证、健康证、居住证)1天内14.提报贵单位的所有特殊工种人员操作证(审核原件,留复印件),在今后正常施工过程中,特种作业人员必须持证上岗,违者罚款15.现场施工人员一律穿戴机施公司工作服、工作帽3天内16.为贵单位特种作业人员配备劳防用品,尤其是电焊工17.现场施工动火请提前向我单位申请开具动火证,动火过程中监护人到位,并配备灭火器。
安全工作联系单上海市机械施工有限公司(第五分公司)协和城二期北地块桩基工程安全工作联系单编号:LXD-01致:各分包单位:本工程即将正式开工,请各单位立即落实以下事宜:内容时效1.提报各单位资质、安全生产许可证、营业执照(须加盖公章)3天内2.办理“规范用工承诺书”(内容附后)3天内3.提报贵单位本次工程的“安全文明措施”1天内4.提报贵单位和我单位签订的“安全管理协议”(此项为合同附件)合同签订后2天内5.提报贵单位管理人员资格证书,如无则算作施工人员2天内6.各单位应在现场指派一位专职安全员,如无则有项目现场负责代管。
1天内7.请贵单位安排新工人本人到我项目部签署“三级安全教育卡”及“进场教育”,请同时携带个人身份证原件(正常施工时,请在施工人员上岗施工前办理,本次请按后栏规定的时效办理)8.提报贵单位的人员花名册,花名册上人员必须包含贵单位所有施工人员。
1天内为了便于管理请注明新进、原有、退场工人,同时附上身份证复印件,本项目部将以此为依据为工人办理“综合保险”,如不报、少报造成未能办理综合保险,一切后果由贵单位承担。
(正常施工时,每月20日报,本次请按后栏规定的时效提交)(表式附后)9.现场严禁使用童工,违者重罚(指18周岁以下人员)10.对贵单位施工人员进行安全教育、岗位交底,将交底资料提交我项目部备2天内案。
现场施工人员必须都进过安全教育交底,违者罚款。
(参考交底资料可向我项目部索取)11.认真传阅关于民工办理信息卡、工资卡的相关文件,准时为工人办理(文件附后)12.与贵单位旗下说有施工人员签订“用工协议”(参考文档附后)(正常施3天内工时,在新工人进场同时提交,本次请按后栏规定的时效提交)13.现场施工人员必须五证齐全、真实有效(身份证、操作证、安全教育培训证、健康证、居住证)1天内14.提报贵单位的所有特殊工种人员操作证(审核原件,留复印件),在今后正常施工过程中,特种作业人员必须持证上岗,违者罚款15.现场施工人员一律穿戴机施公司工作服、工作帽3天内16.为贵单位特种作业人员配备劳防用品,尤其是电焊工17.现场施工动火请提前向我单位申请开具动火证,动火过程中监护人到位,并配备灭火器。
国庆节安全工作联系单国庆节安全工作联系单一、指导思想国庆节是我国最重要的节日之一,也是人民群众放松娱乐、旅游出行的重要时期。
为确保国庆节期间社会治安稳定,保障人民群众生命财产安全,各级公安机关要坚决贯彻党中央和国务院关于国庆安全工作的决策部署,以人民群众安全为宗旨,以依法维护社会秩序为职责,全力以赴做好各项安全工作。
二、总体要求1. 坚决贯彻落实党和国家关于国庆安全工作的决策部署,认真组织、精心安排。
2. 提高政治站位,切实增强责任感和紧迫感,以人民群众安全为中心,牢固树立服务意识,全力确保国庆节期间公共安全。
3. 全面排查隐患,强化巡逻防控,提前做好预案,确保城市、交通等重点区域的安全稳定。
4. 注意加强信息发布和社会稳定工作,做好各种突发事件的应急处理,确保信息畅通、社会秩序和谐稳定。
三、具体要求1. 在全市范围内开展安全隐患排查行动。
各地公安机关要组织力量,落实责任,对各类涉及公共安全的场所和重点区域进行逐一排查。
发现隐患要及时整改,确保人民群众度过一个安全、祥和的国庆节。
2. 加强治安巡逻防控。
各地公安机关要加强治安巡逻力量,对重点区域、重要场所进行频繁巡逻,加大对涉黑涉恶、突发事件和安全隐患的监控力度。
保持高度的工作警惕,及时发现、制止和处理各类治安问题。
3. 提前做好突发事件处置预案。
各地公安机关要认真组织突发事件应急演练,提前做好应急处置预案,确保能快速、有效地处置各类突发事件。
同时,要做好信息通讯机制的衔接,加强与相关部门的联动协作,形成合力,共同应对突发事件。
4. 加强交通秩序维护。
交通安全是国庆期间的重点工作之一。
各地公安机关要增派警力,加强交通路口、公共交通站点等重点区域的管理和疏导工作。
同时,要加强对酒驾、超速、超载等交通违法行为的打击力度,确保道路交通安全畅通。
5.加强信息发布和社会稳定工作。
各地公安机关要加强信息发布渠道建设,及时发布公安工作信息和应急事件处理情况。
同时,要做好政治热点、舆情事件等信息的预警和研判工作,及时采取措施维护社会稳定和谐。
上海市机械施工有限公司(第五分公司)协和城二期北地块桩基工程安全工作联系单编号:LXD-01致:各分包单位:本工程即将正式开工,请各单位立即落实以下事宜:内容时效1.提报各单位资质、安全生产许可证、营业执照(须加盖公章)3天内2.办理“规范用工承诺书”(内容附后)3天内3.提报贵单位本次工程的“安全文明措施”1天内4.提报贵单位和我单位签订的“安全管理协议”(此项为合同附件)合同签订后2天内5.提报贵单位管理人员资格证书,如无则算作施工人员2天内6.各单位应在现场指派一位专职安全员,如无则有项目现场负责代管。
1天内7.请贵单位安排新工人本人到我项目部签署“三级安全教育卡”及“进场教育”,请同时携带个人身份证原件(正常施工时,请在施工人员上岗施工前办理,本次请按后栏规定的时效办理)1天内8.提报贵单位的人员花名册,花名册上人员必须包含贵单位所有施工人员。
为了便于管理请注明新进、原有、退场工人,同时附上身份证复印件,本项目部将以此为依据为工人办理“综合保险”,如不报、少报造成未能办理综合保险,一切后果由贵单位承担。
(正常施工时,每月20日报,本次请按后栏规定的时效提交)(表式附后)9.现场严禁使用童工,违者重罚(指18周岁以下人员)10.对贵单位施工人员进行安全教育、岗位交底,将交底资料提交我项目部备2天内案。
现场施工人员必须都进过安全教育交底,违者罚款。
(参考交底资料可向我项目部索取)11.认真传阅关于民工办理信息卡、工资卡的相关文件,准时为工人办理(文件附后)3天内12.与贵单位旗下说有施工人员签订“用工协议”(参考文档附后)(正常施工时,在新工人进场同时提交,本次请按后栏规定的时效提交)13.现场施工人员必须五证齐全、真实有效(身份证、操作证、安全教育培训证、健康证、居住证)1天内14.提报贵单位的所有特殊工种人员操作证(审核原件,留复印件),在今后正常施工过程中,特种作业人员必须持证上岗,违者罚款15.现场施工人员一律穿戴机施公司工作服、工作帽3天内16.为贵单位特种作业人员配备劳防用品,尤其是电焊工17.现场施工动火请提前向我单位申请开具动火证,动火过程中监护人到位,并配备灭火器。
028 注:本表一式三份,项目监理机构、建设单位、施工单位各一份。
致: (施工单位)
事由:正确佩戴安全帽事宜
内容:
现场检查发现,部分工人已天气炎热为由,未按要求正确佩戴安全帽,帽带未系(见附后照片)。
国家规范GB/T 30041-2013《头部防护 安全帽选用规范》第5.1.4条规定“安全帽在使用时应戴正、戴牢,锁紧帽箍,配有下颏带的安全帽应系紧下颏带,确保在使用中不发生意外脱落”。
现要求贵司加强安全教育,并应加大处罚力度,对拒不整改的顽固分子应清退,防止发生意外。
项目监理机构(盖章):
总监理工程师/总监代表(签名):
2022 年 7 月 22 日
安全监理工作联系单
GDAQ30307工程名称:。
安全工作联系单工程名称:如皋市公共卫生中心工程编号:001事由主楼外架施工签收人南通市恒盛幕墙装潢工程有限公司卫生局项目部:贵部所承建的主楼工程经我部检查,发现存在如下问题:1、部分工人施工时不戴安全帽2、在外架高空作业时不系安全带,直接用梯子支在外架上施工而不采取防护措施。
请贵部及时对上述问题进行整改,加强工人安全教育,杜绝安全事故的发生。
如皋市公共卫生中心项目部安全员:万建锋2014年3月18日抄送:监理部安全工作联系单工程名称:如皋市公共卫生中心工程编号:002事由春季复工检查签收人致各分包单位项目部:为迎接春季复工检查请各分包单位切实做好本单位的安全工作,加强工人安全教育,补齐安全资料(三级教育、安全技术交底)。
应该上交总包单位的资料,赶快上交,各分包单位检查出问题,后果谁负责。
如皋市公共卫生中心项目部安全员:万建锋2014年3月21日抄送:监理部工程名称:如皋市公共卫生中心工程编号:003事由主楼外架施工签收人南通市恒盛幕墙装潢工程有限公司卫生局项目部:贵部所承建的主楼工程经我部检查,发现存在如下问题:你部工人在屋面构架作业时不系安全带,存在极大安全隐患,如果下次检查再发现类似情况施工而不采取防护措施,项目部将采取经济处罚。
请贵部及时对上述问题进行整改,加强工人安全教育,杜绝安全事故的发生。
如皋市公共卫生中心项目部安全员:万建锋2014年3月24日抄送:监理部工程名称:如皋市公共卫生中心工程编号:004事由主楼外架施工签收人南通市恒盛幕墙装潢工程有限公司卫生局项目部:贵部所承建的主楼工程经我部检查,发现存在如下问题:1、上交总包单位的安全资料未交。
2、为工人购买人身意外伤害保险复印件。
3、加强新工人安全教育。
4、高空作业时要系安全带,做好自身防护措施,不能流于形式。
5、焊接作业时要落实三级动火政策。
如果下次检查再发现类似情况施工而不采取防护措施,项目部将采取经济处罚。
请贵部及时对上述问题进行整改,加强工人安全教育,杜绝安全事故的发生。