药品经营使用单位(连锁)落实主体责任情况自查表
- 格式:doc
- 大小:42.00 KB
- 文档页数:2
药品批发企业自查自纠表药品批发企业是药物的供应链中的关键环节,其负责将生产厂家生产出的药品销售给药店和医院等终端客户。
然而,由于药品本身的特殊性,药品批发企业面临着很多潜在的风险和挑战,如药品保管和储存问题、合规和法律风险等,因此,药品批发企业需要对自身的经营情况进行自查和自纠。
自查自纠表针对药品批发企业对自身的经营情况进行自查和自纠,可以采用自查自纠表的形式。
下面是一份简单的药品批发企业自查自纠表:第一部分:企业基本情况1.企业名称2.企业注册地址3.经营负责人姓名4.经营负责人联系方式(包括电话和电子邮件)5.药品经营许可证编号6.药品经营许可证有效期第二部分:药品储存和保管1.药品储存环境是否符合相关规定?2.药品储存是否分类保存,区分货品等级?3.药品储存区域是否整洁,有无异味、霉变等?第三部分:药品销售和配送1.收货、发货、销售单据是否合法、准确?2.药品是否按规定包装,加贴标识,如批号、有效期、储存条件等?3.配送车辆是否符合要求?车辆内是否装有温度记录器?4.药品配送是否按照规定的区域、时间、顺序、方法等进行?第四部分:药品采购和供应商管理1.药品采购是否遵循法律法规,有无购进假药或劣药的记录?2.药品采购前是否对供应商进行了充分调查和审核?3.是否与供应商签署了合同,合同中是否清晰表述了双方权利和义务?4.与供应商的质量管理是否有效,是否及时处理质量问题?第五部分:合规管理1.是否制定了公司规章制度?2.是否按照要求对员工进行了规定的培训?3.是否定期开展内部审计、评估和检查?4.是否按照相关规定备案进口或从境外进口的药品?药品批发企业经营涉及到药品的安全和质量,具有高度的社会关注度和责任性。
因此,药品批发企业需要时刻关注自身的经营情况,建立健全的自查自纠机制,保证药品的安全和质量。
上述的自查自纠表仅供参考,具体内容和形式还应根据具体情况进行适当的调整和完善。
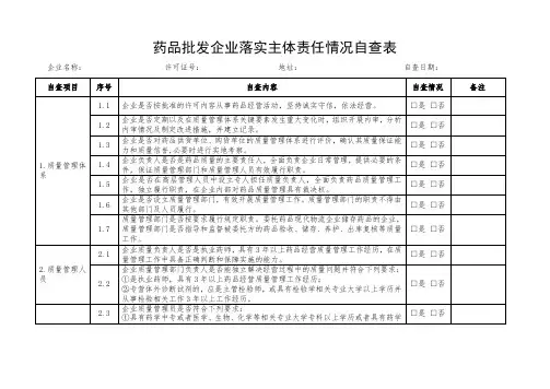
自查项目序号自查情况备注1.总体 1.1□是 □否要求 1.2□是 □否1.3□是 □否2.1□是 □否2.2□是 □否2.3□是 □否2.4□是 □否2.质量管理与职责企业负责人是否为药品质量的主要责任人,负责企业日常管理,负责提供必要的条件,保证质量管理部门和质量管理人员有效履行职责,确保企业按照GSP 要求经营药品。
企业是否设置质量管理部门或者配备质量管理人员。
自查内容企业是否在药品采购、储存、销售、运输等环节采取有效的质量控制措施,确保药品质量,并按照国家有关要求建立药品追溯系统,实现药品可追溯。
药品经营企业是否依法经营。
企业是否坚持诚实守信,未发现任何虚假、欺骗行为。
企业是否依据有关法律法规及《药品经营质量管理规范》(以下简称《规范》)的要求建立质量管理体系,开展质量管理活动,确保药品质量。
企业是否具有与其经营范围和规模相适应的经营条件,包括组织机构、人员、设施设备、质量管理文件,并按照规定设置计算机系统。
2.5□是 □否3.1□是 □否3.2□是 □否3.3□是 □否3.4□是 □否3.5□是 □否4.1□是 □否责3.人员管理患有传染病或者其他可能污染药品的疾病的,是否不从事直接接触药品的工作。
在药品储存、陈列等区域是否没有存放与经营活动无关的物品及私人用品。
企业是否按照有关法律法规及《规范》规定,制定符合企业实际的质量管理文件,包括质量管理制度、岗位职责、操作规程、档案、记录和凭证等。
质量管理部门或者质量管理人员是否负责以下工作:①对供货单位及其销售人员资格证明和所采购药品合法性审核;②负责药品的验收,指导并监督药品采购、储存、陈列、销售等环节的质量管理工作;③对不合格药品的确认及处理;④指导并监督药学服务工作企业法定代表人或者企业负责人是否具备执业药师资格。
企业是否按照国家有关规定配备执业药师,负责处方审核,指导合理用药。
企业各岗位人员是否接受相关法律法规及药品专业知识与技能的岗前培训和继续培训,以符合GSP 的要求。
附件1.1药品批发企业或零售连锁总部安全隐患自查自纠参照表企业名称(盖章):时间:年月日主要负责人签字:
附件1.2药品零售药店(含连锁门店)安全隐患自查自纠参照表企业名称(盖章):时间:年月日店长签字:
附件2
企业安全隐患自查自纠汇总表填报单位(盖章):企业主要负责人姓名(签字):填报时间:
说明:1.企业可根据自身实际,在全面自查的基础上,完善汇总填报此表,并在安全大排查大整治期间每旬上报所在地行业主管部门。
2.对一时不能整改的重大安全隐患,还应在“整改(防范)措施”栏中填报防范措施。