沟通管理程序样板
- 格式:doc
- 大小:26.54 KB
- 文档页数:3
沟通管理程序(ISO9001-2015/ISO14001-2015)1.目的为建立适当的沟通过程,确保质量/环境管理体系的有效性。
2.范围适用于全公司与质量/环境管理体系有效性有关的信息的沟通。
3.职责3.1管理者代表:负责内/外部、跨部门的沟通3.2各部门主要负责人负责本部门内部的沟通3.3全体员工积极参与公司内外部组织的各种形式的沟通4.程序4.1内部顾客4.1.1内部沟通:为确保质量管理体系的有效运作,公司建立以会议、通讯网络等多元化的内部沟通渠道,以实现信息和资源交流和共享:4.1.2沟通的内容:常规信息:如方针、目标、指标、职责与权限、管理制度、记录、计划、规划等。
异常信息:如不合格报告、纠正/预防措施、数据分析等。
紧急信息:各类质量事故、设备设施故障等。
4.1.3内部沟通的形式文件传阅与质量/环境管理体系相关的日常质量/环境信息传阅到各部门并签名确认。
●培训为使员工了解公司的质量/环境管理体系文件,传达满足顾客最大程度的要求,按《人力资源控制程序》执行。
●资源共享各部门在本部门的电脑设立共享目录,根据需要开放权限。
●行事预定对每月末以书面看板的形式发布次月的行事预定,促使上下级的工作沟通。
●周报、月结、季报、年度大会内审会议审核组长主持内部质量/环境审核会议,具体实施参照《内部审核控制程序》。
管理评审会议确保公司质量/环境体系的充分性、有效性、适宜性;具体实施参照《管理评审控制程序》。
●其它:针对公司质量/环境体系运行的现状所组织的机动会议、培训、报告等。
4.2外部顾客4.2.1与顾客沟通营业部通过保持并确保与顾客联系渠道的畅通,达到相互了解:即公司了解顾客的需求,顾客了解公司提供的产品和服务。
与顾客沟通交流的内容可包括:●产品信息;●听取顾客反馈意见,包括顾客投诉;●合同、订单的处理,包括对其的修改。
4.2.2外部沟通形式营业利用在网上宣传、参展及派发宣传资料等形式,向顾客介绍本公司产品的信息,为顾客了解产品提供机会;通过主动拜访、问询、调查等方式,了解顾客的需要及对产品质量的要求;按《合同评审程序》的要求做好合同/订单及其修订的处理工作。
沟通管理全套模板沟通管理是一个组织中重要的管理活动,它关注着有效的沟通和交流。
在项目管理中,沟通管理尤为关键,因为它对于项目的成功与否起着决定性的作用。
为了帮助您有效地管理沟通,以下是一个沟通管理的全套模板,供您参考使用:1. 沟通计划模板目标该模板旨在帮助项目团队制定沟通计划,明确沟通的目标和方向。
要素- 沟通目标:明确项目沟通的目标,例如信息传递、决策支持等。
- 沟通方式:确定适用的沟通方式,例如会议、邮件、报告等。
- 沟通频率:规定不同沟通活动的频率,确保信息有效传递。
- 目标受众:明确受众群体,以确定信息的针对性和传达方式。
- 沟通内容:确定需要传达的具体信息和内容。
- 沟通责任人:指定负责每种沟通方式的人员。
模板1. 沟通目标- 项目进展沟通- 决策支持沟通- 问题解决沟通- 信息传达沟通2. 沟通方式- 会议- 邮件- 报告- 网络平台3. 沟通频率- 每周一次- 按需要- 月度报告4. 目标受众- 项目团队- 高层管理人员- 利益相关者5. 沟通内容- 项目进展更新- 决策支持材料- 问题解决方案- 重要通知6. 沟通责任人- 会议:项目经理- 邮件:沟通专员- 报告:业务主管- 网络平台:IT部门2. 沟通记录模板目标该模板旨在帮助项目团队记录沟通的内容和结果,以备后续参考和追踪。
要素- 日期和时间:记录沟通发生的日期和时间。
- 沟通方式:标明使用的沟通方式。
- 发送人和接收人:记录沟通的发送人和接收人。
- 主题和内容:简要描述沟通的主题和内容。
- 结果和行动项:记录沟通的结果和需要采取的行动。
模板日期和时间 | 沟通方式 | 发送人 | 接收人 | 主题和内容 | 结果和行动项--- | --- | --- | --- | --- | ---2021-01-01 09:00 | 邮件 | 项目经理 | 项目团队 | 讨论下一阶段计划 | 确定下一阶段的工作重点,明确责任人和截止日期2021-01-02 14:00 | 会议 | 项目经理 | 高层管理人员 | 项目进展汇报 | 获得高层管理人员的支持和反馈总结通过以上沟通管理的全套模板,您可以更好地规划和记录项目沟通,以确保信息的准确传递和项目的顺利推进。
沟通管理工作控制程序
Communication management work control procedures
(ISO9001-2015/ISO14001/ISO45001)
1、目的
确保公司在不同层次和职能部门之间,公司与顾客及相关方之间,就质量、环境、职业健康安全管理体系的实施和有效性及目标完成情况和顾客及相关方的满意度进行沟通。
掌握有关信息,作为持续改进的输入。
2、职责
2.1管理部:负责工程承包、合作医疗单位、环卫合作单位等和公司内、外部信息的归口管理。
2.2环安部:负责与上级环保部门、安全生产监督部门、行业主管部门、消防大队等相关方信息的接受、传递和处理,并记录决定。
2.3销售部:负责与顾客沟通、信息反馈收集、满意度调查、测量和统计、工程变更和主要客户的信息交流以及服务工作。
3.5品质部:负责产品质量信息的沟通与反馈,收集相关的产品标准及法律法规等。
信息反馈单一、客户基本信息
二、产品及服务工作评定
环境污染投诉登记表
环境污染投诉处理结果回执书
:
你投诉的
已经处理,处理结果如下:
请你协助监督情况及时与我处联系。
年月日
运行过程异常报告单
编号:
备注:1、发文部门填写→经过初步分析→责任单位受理并跟进→验证部门跟进→结果改善→报相关部门会签→品质归档保存(环境、安全类由环安部门归档保存);
2、当出现环境、安全异常时“订单编号、订单数量和不良率”此栏不填写;
3、当出现产品质量异常时未涉及到环境因素时环安部门无需参与;。
沟通管理方案模板
1. 背景和目标
- 描述为什么需要沟通管理方案以及目标。
- 例如:在组织中实施有效的沟通管理方案,可以促进信息的传递和理解,增强团队合作能力,提高工作效率等。
2. 目标受众
- 确定沟通管理方案的受众群体。
- 例如:员工、管理层、业务合作伙伴等。
3. 沟通渠道
- 列出可用的沟通渠道以及其特点。
- 例如:会议、电子邮件、内部社交平台、项目管理工具等。
4. 沟通频率
- 确定沟通的频率和时间安排。
- 例如:每周团队会议、每月管理层会议、立即沟通的需要等。
5. 沟通内容
- 确定需要沟通的内容,包括但不限于以下几个方面:
- 目标和战略
- 项目进展和里程碑
- 重要决策和变更
- 团队成员角色与责任
- 奖励和认可
6. 沟通方式和工具
- 选择适当的沟通方式和工具来支持沟通管理方案。
- 例如:面对面会议、视频会议、即时通讯工具、在线协作平
台等。
7. 沟通评估和反馈
- 设立评估机制,以确保沟通管理方案的有效性并改进其不足。
- 例如:定期调查、反馈会议、个人面谈等。
8. 风险管理
- 预测和识别可能影响沟通的风险,并制定相应应对措施。
- 例如:技术故障、信息泄露、信息误解等。
9. 沟通管理团队
- 确定沟通管理的责任人和团队成员,并明确其角色和职责。
10. 时间表和执行计划
- 制定详细的时间表和执行计划,以确保沟通管理方案的顺利
实施。
以上是一个简单的沟通管理方案模板,您可以根据实际情况进
行修改和补充。
内部沟通管理程序(ISO9001/ISO14001-2015/QC080000-2017)1.0目的确保在公司内的各个层次和职能部门之间,建立适宜的沟通过程,并对质量/环境/HSF管理体系的有效性进行内部信息交流。
1.1适用范围有关产品、体系和法律法规信息的沟通2.0定义无特殊定义3.0职责3.1人力资源部负责对公司各项规章制度的宣导,并检查员工执行情况3.2业务部负责有关产品资讯内部宣导3.3管理代表、助理a负责各种通告及通知之发布b为改善品质而发出各种工作指引及守则c通过会议,沟通各部门之联系3.4各部门主管/经理负责就质量及环保体系的事务进行有效的内部沟通4.0培训无特殊培训要求5.0运作程序5.1内部沟通途径在公司内部,主张通过电话、《工作联系单》或电子文件的形式进行内部信息传递与交流,从而达到信息共享和有效沟通的目的。
5.1.1下行沟通:上级对下级沟通。
主要方式是以手册、工作指引、命令、通告、通知、公司管理制度等。
5.1.2平行沟通:同级之间的沟通。
主要方式是以工作流程、协商、工作联系单等。
5.1.3上行沟通:下级与上级沟通。
主要方式以请示、报告、建议、申请、意见等进行沟通。
5.1.4全面沟通:主要方式是每月例会。
由总经理以上主持,组织各部门主管/经理就目前存在的问题点进行沟通,会议达成事项须记录在《会议记录》上,以便追踪改善。
5.1.5部门会议:各部门就本部门存在的问题和困扰进行内部沟通,宣导有关每月例会之决定议案等。
各部门需将沟通内容记录在《会议记录》上,以便追踪改善。
5.2内部沟通的主要内容5.2.1质量/环境/HSF方针:方针发布后应自上而下组织培训,做到充分理解。
5.2.2职责和权限:在质量/环境手册中,明确规定公司各职能及相互关系,包括职责和权限,质量/环境手册发放到职能部门,并要求组织学习。
5.2.3体系运作的过程:在公司的日常运作中,按相关程序文件与工作指引的要求及本程序5.3款所描述的方法进行。
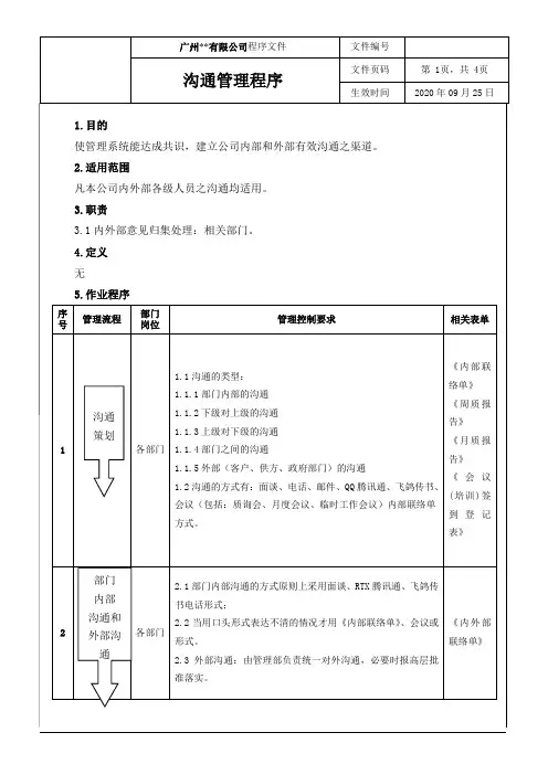
文件名称沟通管理程序页次1/3 生效日期文件变更修定履历序号日期修订记录页次版次修订人审核人12345678910分发部门□总经理□行政部□资材部□品管部□市场部□开发部□生产部□采购部受控印章批准审核编制编制单位市场部文件名称沟通管理程序页次2/3 生效日期1.目的:建立适当的内外部沟通过程, 增强内外部人员相互了解, 确保公司内部能及时、准确地收集、传递及反馈相关信息,达到相互信任的目的。
2.范围:包括公司与顾客之间的沟通、公司内部沟通、公司与供货商之间的沟通。
3.定义:无4.权责:4.1 市场部:同顾客之间的沟通;4.2 采购部:同外部供方之间的沟通;4.3 各部门:公司内部各层次、各职能间相互沟通;5.作业内容:5.1 采购员同外部供方沟通:5.1.1 外部供方物料之样品经工程部确认合格后,采购员及时同外部供方联系,要求报价,报价单经核准后及时以传真或E-mail方式传送供货商, 并以电话确认收到情况。
5.1.2 采购员将以传真或E-mail方式传送给合格外部供方, 外部供方收到【采购单】签名回传至公司采购或以电话方式告之采购人员。
5.1.3 若外部供方不能按【采购单】要求的交货日期交货, 采购人员以口头或文件方式跟催。
5.1.4 IQC检验来料连续三次不合格时(同一外部供方),填写【外部供方品质改善通知书】,由采购传送至外部供方, 并由采购联络外部供方进行处理。
5.1.5 采购品质问题,品质部以电话或【外部供方品质改善通知书】方式随时同外部供方沟通,解决双方理解不一致之处。
5.2 公司内部沟通:5.2.1 各部门之间就质量管理体系、产品、过程有关的各种信息或以张贴通告或内部联络单的方式横向联系,理解不一致、含糊不清或矛盾的问题。
5.2.2 总经理就质量管理体系的过程及其有效性,包括质量要求、质量目标和完成情况有关的信息、数据, 以电话、会议或【内部联络单】的方式传达相关部门和人员。
5.2.3 各部门负责人就体系、产品、过程有关的信息、数据以电话、会议或【内部联络单】的方式纵向传达给下属。
《建立有效的沟通流程》管理办法范本建立有效的沟通流程管理办法范本一、引言在企业的日常运营中,建立有效的沟通流程至关重要。
良好的沟通流程可以促进组织内部各部门和成员之间的信息传递和交流,提高工作效率,增强团队合作力,进而为企业的发展和成功打下坚实基础。
本文将提供一个建立有效沟通流程的管理办法范本,以供各类企事业单位参考和借鉴。
二、建立沟通目标和纲要1.明确沟通目标:在制定沟通流程之前,首先需要明确沟通的目标和主要内容。
例如,是为了促进跨部门合作、解决问题、传达重要信息等等。
明确目标有助于确定所需沟通的人员和渠道。
2.制定纲要:根据沟通目标,制定详细的沟通纲要。
纲要应包括谁负责启动和推进沟通流程、何时启动、如何传递信息、如何收集反馈等等。
纲要的制定应综合考虑各个环节的可行性和效率。
三、确定沟通渠道和工具1.内部沟通渠道:确定内部各部门之间的沟通渠道,例如定期会议、内部邮件、内部通知等。
不同的沟通目标和内容可以选择不同的渠道,既要保证信息的传达速度和准确性,又要充分利用各种资源,提高工作效率。
2.外部沟通渠道:如果企业需要与外部合作伙伴、客户进行沟通,也应确定相应的沟通渠道。
可以建立专门的外部沟通团队,负责与外部进行信息交流和沟通,并及时反馈给内部相关人员。
3.工具和技术支持:在确定沟通渠道的同时,应选择合适的工具和技术支持。
例如,在内部沟通中,可以使用办公软件、即时通讯工具等,提高信息传递的效率;在外部沟通中,可以利用社交媒体、电子邮件等方式进行信息传递。
四、明确沟通角色和职责1.沟通发起者:沟通发起者应当明确自己的目标和意图,清晰地表达出来,并选择合适的沟通渠道和工具。
同时,还需负责解释和回答相关问题,确保沟通的顺利进行。
2.信息接收者:作为信息接收者,应主动倾听和理解沟通内容,并及时提出问题和反馈。
对于重要信息,还需要妥善保管,并及时传达给相关人员。
3.沟通中介者:对于一些重要的、涉及多个部门的沟通,可以指定沟通中介者,他们负责协调各方的意见和利益,推动沟通的顺利进行。
程序的沟通管理制度一、沟通渠道1.1 团队内部沟通团队内部可以通过以下方式进行沟通:- 会议:定期召开团队会议,讨论项目进展、问题解决方案等。
会议的时间、地点和议程由团队负责人统一安排。
- 通讯工具:可以使用即时通讯工具(如Slack、微信等)或邮件进行信息的传递和讨论。
- 项目管理工具:使用项目管理工具(如JIRA、Trello等)记录和跟踪项目进展,可以在工具上留言交流。
1.2 团队外部沟通团队和外部各方(如客户、合作伙伴等)之间可以通过以下方式进行沟通:- 定期开展电话会议:与客户、合作伙伴进行电话会议,了解他们的需求和反馈。
- 邮件交流:通过邮件沟通项目需求、进展等信息。
- 面对面沟通:有需要时可以进行面对面会议,直接沟通,更好地理解对方的需求和想法。
二、沟通规范2.1 沟通方式团队成员在沟通时应当尊重对方,使用礼貌的言辞,提出自己的想法和建议,并尊重他人的意见。
2.2 沟通频率团队成员应当保持良好的沟通频率,及时更新项目进展,解决问题,确保团队协作顺畅。
2.3 沟通内容沟通内容应当明确、准确,避免模棱两可的说法,让对方清楚了解自己的意图。
2.4 沟通记录重要的沟通内容应当保留记录,以便日后查阅或追溯。
三、沟通技巧3.1 善于倾听在沟通中,团队成员应当善于倾听对方的意见和建议,理解对方的立场,避免一味地坚持己见。
3.2 积极反馈对团队成员提出的建议和意见,及时给予反馈,让对方知道自己是否被听取。
3.3 积极表达团队成员在有想法和建议时,应当积极表达,勇于发声,与团队分享自己的想法。
3.4 尊重他人在沟通中,应当尊重他人,避免使用侮辱性言辞,保持团队的和谐氛围。
四、沟通管理4.1 沟通管理责任团队负责人应当负责统筹团队内外的沟通,确保信息的传递畅通,问题得到及时解决。
4.2 沟通问题解决团队在发现沟通问题时,应当及时解决,及时向负责人反馈,协助解决问题。
4.3 沟通绩效评估定期评估团队的沟通绩效,汇总反馈意见,总结经验,优化沟通流程。
沟通与协调管理程序XX-XZ-009(第一版)修订履历1 目的为进一步在公司范围内营造积极进取、充满人文关怀的和谐企业氛围,增进沟通,提振士气,打造激情、阳光、积极进取的团队,推动公司战略目标的实现。
2范围适用于公司业务活动涉及的沟通及协调活动。
3 术语和定义无4 职责4.1各级管理人员:应切实承担管理沟通的职责,上级管理者应督促、了解下级管理者开展管理沟通的情况,并对能够坚持进行沟通、关心下属、促进团队建设的管理干部予以肯定和表扬4.2人力资源部:负责督促落实各部门负责人开展管理沟通的情况,定期进行检查,促进管理沟通工作的有效开展。
4.3总经理:确保公司沟通与协调机制的建立及沟通的有效性。
5 工作程序5.1 行政人事部建立协调与沟通的机制,鼓励所有职能和层次积极参与、反馈信息、并迅速响应员工及其他内外部相关方的建议和关注5.2 公司的沟通方式包含:对内信息交流方式:公司会议、电话通知、内部沟通联络单据、材料传递,电话会议、OA、宣传栏、E-mail等;对外信息交流:宣传、来访与反馈、电话与传真、媒体、信件、委托与协议、网上发布、报告、微信等。
5.3业务和工作沟通:明确员工的工作岗位责任、工作流程和权利,征求员工对工作的意见和合理化建议,促进员工顺利、积极地开展工作。
5.4员工绩效改进及职业发展沟通:明确工作任务和目标要求,了解工作进展,给予工作指导和支持,指出工作中的亮点、改进建议;沟通员工职业发展的设想、成长路径,明确行动方案和培训需求等。
5.5两化融合沟通:明确行动方案、策划实施过程的流程优化、职责权限优化、技术需求、信息资源、数据开发等方面。
5.6沟通原则积极主动、开放心态、坦率真诚、开诚布公;实事求是、客观公正、就事论事、简捷高效;双向互动、换位思考、相互尊重、协动共赢。
5.7沟通机制和要求5.7.1对各部门负责人的要求:每周要召开一次部门会议,布置工作,提振士气,每次会议均需要进行会议记录,做到会后完成情况落实跟踪;每半个月与直接领导的每个下属当面沟通一次,肯定其工作亮点,并给予改进建议和工作支持。
1.目的:为使公司内部达成对质量、环境管理系统相关承诺之共识、且使内部沟通流畅,并建立与
公司外部相关团体之沟通管道。
2.范围:凡本公司员工及公司外相关团体与供应商、客户等均适用之。
3.权责:
3.1内部意见搜集与处理:管理部
3.2外部意见搜集:品保部、开发部、业务部、厂务部、采购部
3.3外部意见处理:管理部或各相关单位
3.4外部意见回覆:品保部、开发部、业务部、厂务部、采购部
3.5环境政策宣达:总经理
4.定义:
4.1相关团体:泛指客户、环保主管机关、环保团体及一般社会大众等。
4.2沟通方式:各种形式沟通文件、内部公告、e-mail均属之。
5.作业内容:
5.1内部沟通:
5.1.1员工建议事项:
5.1.1.1 公司员工任何有关质量、环境议题之建议,应依循【P25持续不断改善程序】处理。
5.1.1.2 如此项建议事项有助于改善质量、环境管理系统之效益,应纳入管理审查会议中讨论
并决议。
5.1.2 质量、环境议题宣达:
5.1.2.1 总经理应择适当沟通方式及时间宣达公司质量、环境政策、目标与标的,管理方案及
相关法令规定予公司全员了解。
5.1.2.3 内部稽核、相关检讨会议及管理审查会议之结果,应适时传达予相关单位或个人。
5.1.3 内部连络单:
5.1.3.1 时机:部门之间举凡有关质量、环境议题、或重要讯息需传达时。
5.1.3.2 程序:各部门应填写『内部连络单』,递交各单位责任者阅览后签核,其后正本由文
管中心盖章归档,盖章后档案由文管中心拷贝给各签核者存查归档。
5.1.4 总务部公告:
5.1.4.1 时机:总务部、管理部针对全公司举凡有关质量、环境议题、或重要讯息需传达时。
5.1.4.2 一般公告:由总务部填写『公司公告』后,递交执行副总核准,其交后由各部门主管
会签,会签后文件由总务部归档并拷贝给各部门主管。
各部门主管需将之
张贴于布告栏以完成公告。
5.1.4.3 全员签阅:由总务部填写『公司公告』后,递交执行副总核准,其后交由各部门主管
会签,会签后档案由总务部归档并拷贝给各部门主管。
各部门主管负责该
部门人员会签,会签完成后正本需交回总务部归档。
各部门主管可视情况
拷贝一份张张贴于部门布告栏上。
5.2外部沟通:
5.2.1 管理部负责接收外界相关团体有关质量、环境管理之任何建议或关切事项。
5.2.2 接收方式可为电话、传真、信件、口述或其他可行方式,接收时应告知处理流程大约所需
时间。
5.2.3 接收的外部建议讯息应记录于『意见反应表』,并交由相关单位进行处理。
5.2.4 各项外部建议之处理始末,应交付管理部会议进行讨论,并适时将处理情形及结果告知相
关团体或个人。
5.2.5 各项意见之处理结果视为质量、环境管理系统之参考记录,应由管理代表确认后呈总经理
或副总核准,并按规定由文管中心予以保存。
5.2.6 本公司可藉由下列方式,达到外部沟通之效益:
(1)利用文宣、媒体广告。
(2)藉由公益活动、地方集会、说明会等。
(3)登门拜访,并配合文宣信息表达。
(4)发行定期刊物倡导。
5.2.7 沟通之主要内容包括:质量、环境政策、目标/标的、绩效、法规要求事项等。
5.2.8 外部相关团体索取本公司质量、环境政策时,统一由管理部发行。
5.2.9 发生外部抱怨,依本程序书 5.2相关内容执行及【P26矫正与预防措施程序】办理。
5.3供应商与承包商之沟通
5.3.1 厂务部、采购部、开发部须让承揽工程或供货之供应商/承包商,充份了解本公司质量、
环境管理物质规定、环境政策及重大环境考量面要求。
5.3.2 有关厂内之废弃物清理厂商,管理部应使其充份了解本公司质量、环境管系统及重大环境
考量面要求。
5.3.4 由管理部依【P12供应商管理程序】进行供应商及承包商质量、环境管理、环境管理物质管
理状况之了解与调查,借以宣达质量、环境管理之重要性。
5.3.5 供应商与承包商扣款通知:
5.3.5.1针对供应商与承包商质量不良导致公司损失而须对其扣款或要求赔偿时,应由品保部
整理损失数据,经总经理或副总同意后,开立『外部行文』通知公司内部各相关单位,
相关单位需留拷贝本以备存查。
5.3.5.2『外部行文』正本应交与供应商与承包商相关单位。
由品保部负责追踪,并将之交予
会计部作帐。
6.相关文件:
5.1供应商管理程序7.相关表单:
7.1意见反应表
7.2内部连络单
7.3外部行文。