危害显著性中风险评估等级划分对照表
- 格式:doc
- 大小:35.00 KB
- 文档页数:1
人员伤亡等级标准 表4-1-13注:人员伤亡是指在施工活动过程中人员所发生的伤亡,依据人员伤亡的类别和严重程度进 行分级。
直接经济损失等级标准 表4-1-14注:直接经济损失是指事故发生后造成工程项目发生的各种费用的总和,包括直接费用和事故处理所需(不含恢复重建)的各种费用。
根据评估指南的要求,结合风险矩阵法,建立如表4-1-15所示的风险接受准则。
专项风险等级分为四级:低度(Ⅰ级)、中度(Ⅱ级)、高度(Ⅲ级)、极高(Ⅳ级)。
低度(Ⅰ级)表示有一般危险,需要注意;中度(Ⅱ级)表示有显著风险,需加强管理不断改进;高度(Ⅲ级)表示高度风险,需制订风险消减措施;极高(Ⅳ级)表示极高风险,不可忍受风险,需纳入目标管理或制订管理方案。
专项风险等级标准 表4-1-15结合本项目实际,河道内施工易发生临时结构坍塌事故、起重事故;墩柱施工易发生高处坠落、支架坍塌、临时结构坍塌事故;支架浇筑施工易发生支架坍塌、高处坠落事故;钢箱梁悬拼施工易发生起重事故和坍塌事故。
河道内施工、墩柱施工、支架浇筑施工、钢箱梁悬拼施工列为重大风险源进行评估。
1.5.3 安全管理评估指标根据评估指南要求,按表4-1-16建立安全管理评估指标体系,计算指标分值M 。
碧沙北路道路施工总承包企业四川永志建设有限责任公司总承包壹级,总包企业资质,A 为1分。
劳务分包企业有资质,B 为0分。
历史发生过一般事故,C为1分。
作业人员经验较为丰富,D为0分。
安全管理人员配备符合规定,E为0分。
安全投入符合规定,F为0分。
机械设备配置及管理基本符合合同要求,G为1分。
专项施工方案可操作性强,H为0分。
安全管理评估指标体系表4-1-16经过计算:M=A+B+C+D+E+F+G+H=1。
根据表4-1-17中的安全管理评估指标分值与折减系数的对照,可得折减系数r=0.8。
安全管理评估指标分值与折减系数对照表表4-1-171.5.4水泥灌注桩施工风险评估(1)水泥灌注桩作业事故可能性评估根据项目实际情况,结合指南中关于施工事故可能性评估体系建立要求,建立表4-1-18的事故可能性评估指标。
附件8本项目主要毒物的危害程度分级表1盐酸的危害程度分级表2、氢氧化钠的危害程度分级表3、硫酸的危害程度分级表4、硝酸的危害程度分级表5、6、氧化硫的危害程度分级表7、DMF的危害程度分级表8、碳酸钠的危害程度分级表9、氯化铜的危害程度分级表10、氯的危害程度分级表11、氨的危害程度分级表12、甲苯的的危害程度分级表(mg/m3)急性经口LD 50 ( mg/kg) 5000mg/kg(大鼠经口)急性经皮LD 50 ( mg/kg) 14100mg/kg(兔经皮) 刺激与腐蚀性对皮肤、粘膜有刺激作用, 致敏性生殖毒性致癌性实际危害后果与预后扩散性(常温或工业使用时状态)蓄积性(或生物半减期)毒物危害指数二甲苯对眼及上呼吸道有刺激作用, 高浓度时对中枢神经系统有麻醉作用。
急性中毒:短期内吸入较高浓度本品可出现眼及上呼吸道明显的刺激症状、眼结膜及咽充血、头晕、头痛、恶心、呕吐、胸闷、四肢无力、意识模糊、步态蹒跚。
重者可有躁动、抽搐或昏迷。
有的有癔病样发作。
慢性影响:长期接触有神经衰弱综合征,女工有月经异常,工人常发生皮肤干燥、皲裂、皮炎。
液态,沸点:139 CnTHI =E(i F)=18i=1职业危害程度分级轻度危害(W级)14、乙酸乙酯的的危害程度分级表15、乙酸丁酯的的危害程度分级表16、乙酸乙烯酯的的危害程度分级表 有毒物质名称 乙酸乙烯酯积分指数 文献资料数据危险分 值 权重系数 (k )急性吸入 LC 50 气体(cm 3/m 3)- - 5 蒸汽(mg/m 3)14080mg/m3, 4小时(大鼠吸入) 1 粉尘和烟雾(mg/m 3) --急性经口 LD 50 ( mg/kg ) 2900 mg/kg (大鼠经口) 01急性经皮LD 50 ( mg/kg ) 2500mg/kg (兔经皮) 0刺激与腐蚀性 对眼睛和皮肤有刺激作用。
12 用,有麻醉作用。
吸入高浓度本品出现流泪、咽痛、咳嗽、胸闷、气短等,严重者出现心血管和神经系统的症状。
工程名称:北京市*************涉及电力工程工程(L1线、L3线)注:1、判别依据:Ⅰ、不符合法律、法规及其他要求;Ⅱ、曾发生事故,仍未采取有效措施;Ⅲ、相关方合理要求;Ⅳ、直接观察到的危险;Ⅴ、作业条件危险性评价法(LEC法)。
2、危险等级(D)划分:≧320为(5级危险),不能继续作业;160~320(4级危险),需立即整改;90~160(3级危险),需要整改;20~90(2级危险),需要注意;<20(1级危险),可以接受.3、控制措施包括:培训;施工组织设计、施工方案;安全、技术交底;监督、指挥、检查;规程、规范、标准、管理制度;管理方案等。
工程名称:北京市*************涉及电力工程工程(L1线、L3线)注:1、判别依据:Ⅰ、不符合法律、法规及其他要求;Ⅱ、曾发生事故,仍未采取有效措施;Ⅲ、相关方合理要求;Ⅳ、直接观察到的危险;Ⅴ、作业条件危险性评价法(LEC法).2、危险等级(D)划分:≧320为(5级危险),不能继续作业;160~320(4级危险),需立即整改;90~160(3级危险),需要整改;20~90(2级危险),需要注意;〈20(1级危险),可以接受。
3、控制措施包括:培训;施工组织设计、施工方案;安全、技术交底;监督、指挥、检查;规程、规范、标准、管理制度;管理方案等。
工程名称: 北京市*************涉及电力工程工程(L1线、L3线)注:1、判别依据:Ⅰ、不符合法律、法规及其他要求;Ⅱ、曾发生事故,仍未采取有效措施;Ⅲ、相关方合理要求;Ⅳ、直接观察到的危险;Ⅴ、作业条件危险性评价法(LEC法).2、危险等级(D)划分:≧320为(5级危险),不能继续作业;160~320(4级危险),需立即整改;90~160(3级危险),需要整改;20~90(2级危险),需要注意;<20(1级危险),可以接受。
3、控制措施包括:培训;施工组织设计、施工方案;安全、技术交底;监督、指挥、检查;规程、规范、标准、管理制度;管理方案等。
食品安全危害可能性与严重性等级评估风险水平矩阵图风险水平分类⏹风险水平1-3:风险等级L⏹风险水平4-6 :风险等级M⏹风险水平7-9 :风险等级H⏹显著危害为风险水平7-9,即风险等级H1.原辅材料进货查验记录 ................................................................................. - 4 -2.( )原料验收台账 .................................................................................... - 5 -3.1()原料货位卡 (4)3.2( )出入库台账 (5)3.3成品出入库记录 (6)4.投料记录 (7)5. ( )关键控制点记录 (8)6.1包材清洗消毒记录 (9)6.2设备及车间清洗记录 (10)6.3紫外线灯杀菌记录表 (11)7.1消毒液、洗涤剂采购管理记录 (12)7.2( )出入库台账 (13)7.3车间消毒液、洗涤剂配制使用记录 (14)8.过程检验记录 (15)9.产品包装记录 (16)10.1产品检验报告 (17)10.2检验原始记录 (18)11.产品留样记录 (19)12.产品销售台帐 (20)13.运输交付记录 (21)14.防鼠防虫害检查表 (22)15. ( )温、湿度监控记录 (23)16.生产设备设施维护保养记录 (24)17.厂区卫生检查记录 (25)18.生产过程微生物监测记录 (26)19.废弃物管理记录 (27)20.不安全食品召回记录表 (28)21.1不合格原辅料处理记录 (29)21.2不合格半成品处理记录 (30)21.3不合格产品记录 (31)22.( )年度职工培训计划 (32)23.培训考核记录 (33)24.职工培训记录 (34)25.工作人员健康记录 (35)26.1食品安全自查记录 (36)26.2自查问题改进表 (40)27.食品安全隐患记录表 (41)29.投诉受理记录 (42)30.食品安全应急演练记录 (43)1.原辅材料进货查验记录2.( )原料验收台账企业制定的验收标准进行验收。
lec法风险评估等级表LEC法是一种常用的风险评估方法,可以帮助企业或组织确定项目或活动的风险等级。
对于每个风险事件,LEC法将其分为低、中、高三个等级,以帮助决策者更好地理解和处理风险。
LEC法主要基于以下三个要素进行评估:Loss(损失),Exposure(曝光)和Consequence(后果)。
下面是LEC法的风险评估等级表及其对应的描述:1. 低风险(Low Risk):- 损失(Loss):小规模的经济损失;- 曝光(Exposure):风险事件的可能性较低;- 后果(Consequence):对企业或组织的经营和声誉影响较小。
2. 中风险(Medium Risk):- 损失(Loss):中等规模的经济损失;- 曝光(Exposure):风险事件的可能性适中;- 后果(Consequence):对企业或组织的经营和声誉有一定影响,但可以通过适当的应对措施进行控制。
3. 高风险(High Risk):- 损失(Loss):大规模的经济损失;- 曝光(Exposure):风险事件的可能性较高;- 后果(Consequence):对企业或组织的经营和声誉产生严重影响,可能需要采取紧急措施来应对。
通过使用LEC法的风险评估等级表,企业或组织可以更准确地了解各种风险事件的风险程度,并据此制定相应的风险管理策略。
对于低风险事件,可以选择不采取额外的措施,而对于中风险和高风险事件,则需要采取相应的控制和应对措施来降低风险。
需要注意的是,LEC法仅提供了一种评估风险等级的方法,决策者还应考虑其他因素,如预算限制、资源可用性和组织的风险承受能力等。
最终的决策应基于综合考虑,以确保风险管理措施的有效性和可行性。
危害识别和风险评价一览表单位:中海工程建设总局福州港江阴港区12#泊位工程项目经理部
危害识别和风险评价一览表单位:中海工程建设总局福州港江阴港区12#泊位工程项目经理部
危害识别和风险评价一览表单位:中海工程建设总局福州港江阴港区12#泊位工程项目经理部
危害识别和风险评价一览表单位:中海工程建设总局福州港江阴港区12#泊位工程项目经理部
危害识别和风险评价一览表单位:中海工程建设总局福州港江阴港区12#泊位工程项目经理部
危害识别和风险评价一览表单位:中海工程建设总局福州港江阴港区12#泊位工程项目经理部
危害识别和风险评价一览表单位:中海工程建设总局福州港江阴港区12#泊位工程项目经理部
危害识别和风险评价一览表单位:中海工程建设总局福州港江阴港区12#泊位工程项目经理部
危害识别和风险评价一览表单位:中海工程建设总局福州港江阴港区12#泊位工程项目经理部
危害识别和风险评价一览表单位:中海工程建设总局福州港江阴港区12#泊位工程项目经理部
危害识别和风险评价一览表
单位:中海工程建设总局福州港江阴港区12#泊位工程项目经理部部门:安全环保部。
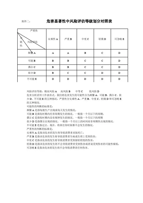
附件二:危害显著性中风险评估等级划分对照表
风险评估等级:极高风险A 高风险B 中等C 低风险D
危害分析采用工作表形式。
我们将危害发生的可能性分为频繁A、可能B、偶尔C、很少D、不可能E的五种情况;严重性分灾难性A、严重B、中度C、轻微D和可忽略E 的五种情况。
可能性的判断的标准是:
频繁A是指每批生产出现或每天发生的情况;
可能B是指短时期内经常周期发生的情况,一般指一个月以下的周期;
偶尔C是指短时期内没有规律发生的情况,一般指一个月以下的周期
很少D是指偶尔出现的情况,一般指一个月以上的时间而非周期性出现的情况。
不可能E是指过去、现在、将来任何时候都不会发生的情况。
严重性的判断的标准是:
灾难性A是指该危害的发生将导致消费者直接死亡;
严重B是指该危害的发生将导致消费者生病或生理上受到伤害;
中度C是指该危害的发生将导致消费者受到很轻程度的伤害;
轻微D是指该危害的发生将不会导致消费者受到伤害或者说受到伤害的可能性极低;
可忽略E是指该危害的发生将不会导致消费者任何伤害。
风险评估等级 Prepared on 22 November 2020风险等级确定标准表备注:风险指数的确定:对风险出现的可能性、严重性和可检测性根据上表分别进行打分,确定风险指数RPN=出现的可能性×结果严重性×风险的可识别性,风险级别:得分小于20分为低风险,20-30分为中等风险,大于30分为高风险。
RPN为20分以下为合理可接受风险。
备注:风险指数的确定:对风险出现的可能性、严重性和可检测性根据上表分别进行打分,确定风险指数RPN=出现的可能性×结果严重性×风险的可识别性,风险级别:得分小于20分为低风险,20-30分为中等风险,大于30分为高风险。
RPN为20分以下为合理可接受风险。
控制效果等级评定使用如下控制效果等级确定标准:控制效果等级确定标准表备注:控制效果指数的确定:对受控制的可能性、残余风险的严重性和控制的彻底性根据上表分别进行打分,确定控制效果指数RPN=受控制的可能性×残余风险的严重性×控制的彻底性,控制效果级别:得分≤25分为低风险,得到较好控制,26-59分为中等风险,得到一般控制,大于60分为高风险,得到较差控制。
RPN为25分以下为的可接受风险,部分待内审检查确认风险等级的,应依据内审结果判定可接受性。
控制效果等级确定标准表备注:控制效果指数的确定:对受控制的可能性、残余风险的严重性和控制的彻底性根据上表分别进行打分,确定控制效果指数RPN=受控制的可能性×残余风险的严重性×控制的彻底性,控制效果级别:得分≤25分为低风险,得到较好控制,26-59分为中等风险,得到一般控制,大于60分为高风险,得到较差控制。
RPN为25分以下为的可接受风险,部分待内审检查确认风险等级的,应依据内审结果判定可接受性。
风险评价准则工作危害分析法(JHA)风险(RR)=可能性(L)×后果严重性(S)1)危害发生的可能性L判定准则:表1:危害发生可能性L判定等级标准5在现场没有采取防范、监测、保护、控制措施,或危害的发生不能被发现(没有监测系统),或在正常情况下经常发生此类事故或事件。
4危害的发生不容易被发现,现场没有检测系统,也未发生过任何监测,或在现场有控制措施,但未有效执行或控制措施不当,或危害常发生或在预期情况下发生。
3没有保护措施(如没有保护装置、没有个人防护用品等),或未严格按操作程序执行,或危害的发生容易被发现(现场有监测系统),或曾经作过监测,或过去曾经发生类似事故或事件,或在异常情况下类似事故或事件。
2危害一旦发生能及时发现,并定期进行监测,或现场有防范控制措施,并能有效执行,或过去偶尔发生事故或事件。
1有充分、有效的防范、控制、监测、保护措施,或员工安全卫生意识相当高,严格执行操作规程。
极不可能发生事故或事件。
2)危害后果严重性S判定准则:表2:危害后果严重性S判定等级法律、法规及其他要求人员财产损失/万元停工公司形象5 违反法律、法规和标准死亡>50 部分装置(>2套)或设备停工重大国际国内影响4 潜在违反法规和标准丧失劳动能力>25 2套装置停工、或设备停工行业内、省内影响3 不符合上级公司或行业的安全方针、制度、规定等截肢、骨折、听力丧失、慢性病>101套装置停工或设备地区影响2不符合公司的安全操作程序、规定轻微受伤、间歇不舒服<10受影响不大,几乎不停工公司及周边范围1 完全符合无伤亡无损失没有停工形象没有受损3)风险等级R判定准则及控制措施:表3:风险等级判定准则及控制措施R风险度等级应采取的行动/控制措施实施期限21~25 巨大风险在采取措施降低危害前,不能继续作业,对改进措施进行评估立刻15~16 重大风险采取紧急措施降低风险,建立运行控制程序,定期检查、测量及评估立即或近期整改6~12 中等可考虑建立目标、建立操作规程,加强培训及沟通2年内治理1~5 可接受可考虑建立操作规程、作业指导书但需定期检查或无需采用控制措施,但需保存记录有条件、有经费时治理注:R=L×S—危险性或风险度(危险性分值)L——发生事故的可能性大小(发生事故的频率)S——一旦发生事故会造成的损失后果。
危害程度分级评价使用的几种主要分析方法为:三、有毒作业分级1、高毒物品卫生部2003年颁布了《高毒物品目录》(卫法监发[2003]142号),列入《高毒物品目录》的依据是:MAC或PC-TWA<1mg/m3的有毒物质及被IARC认定的人类致癌物,近十年列在职业中毒发病前十名的有毒物质。
《高毒物品目录》规定,高毒物品共有54种:N-甲基苯胺、N-异丙基苯胺、氨、苯、苯胺、丙烯酰胺、丙烯腈、对硝基苯胺、对硝基氯苯/二硝基氯苯、二苯胺、二甲基苯胺、二硫化碳、二氯代乙炔、二硝基苯(全部异构体)、二硝基(甲)苯、二氧化(一)氮、甲苯-2,4-二异氰酸酯(TDI) 、氟化氢、氟及其化合物(不含氟化氢)、镉及其化合物、铬及其化合物、汞、碳酰氯、黄磷、甲(基)肼、甲醛、焦炉逸散物、肼(联氨)、可溶性镍化物、磷化氢(膦)、硫化氢、硫酸二甲酯、氯化汞、氯化萘、氯甲基醚、氯(氯气)、氯乙烯(乙烯基氯)、锰化合物(锰尘、锰烟)、镍与难溶性镍化物、铍及其化合物、偏二甲基肼、铅(尘、烟)、氰化氢、氰化物、三硝基甲苯、砷化(三)氢(胂)、砷及其无机化合物、石棉(总尘、纤维)、铊及其可溶化合物、(四)羰基镍、锑及其化合物、五氧化二钒烟尘、硝基苯、一氧化碳(非高原)。
高毒物质的特点:①毒性大;②危害大;③易发生急慢性中毒及急性中毒或亚急性中毒;④易发生癌变;⑤易被利用于恐怖事件或战争。
2、有毒作业分级有毒作业分级的依据包括化学物的危害程度、化学物的职业接触比值和劳动者的体力劳动强度三个要素的权数。
1)化学物的危害程度级别的权重数(W) 取值列于下表。
D化学物的危害程度级别的权重数(W)的取值)取值列于下表。
2)化学物的职业接触比值(B) 的权重数(WB3)工作场所空气中化学物职业接触比值(B)的计算化学物职业接触比值(B)可按式(1)-(3)计算:(1)职业接触限值以PC-TWA 表示的:/(PC-TWA). . . . . . . . . . . . . (1)B =CTWA式中:B----化学物职业接触比值----现场测量的工作场所空气中化学物时间加权平均浓度CTWAPC-TWA----时间加权平均容许浓度,其取值按GBZ2.1 执行。
微生物危害程度分级
微生物危害程度分级
1、危害等级1 (低个体危害,低群体危害):不会导致健康工作者和动物致病的细菌、真菌、病毒和寄生虫等生物因子。
2、危害等级2 (中等个体危害,有限群体危害):能引起人或动物发病,但一般情况下对健康工作者,群体,家畜或环境不会引起严重危害的病原体.实验室感染不导致严重致病,具备有效治疗和预防措施,并且传播奉贤有限。
3 危害等级3 (高个体危害,低群体危害):能引起人类或动物严重疾病,或造成严重经济损失,但通常不能因偶然接触而在个体间传播,或能使用抗生素、抗寄生虫药治疗的病原体。
4 危害等级4 (高个体危害、高群体危害):能引起人类或动物非常严重的疾病,一般不能治愈,容易直接或间接或因偶然接触在人与人,或动物与人,或人与动物,或动物与动物之间传播的病原体。
安全风险评价分类分值
表1 发生事故的可能性大小(L)
分数值事故发生的可能性(L)
10 完全可以预料
6 相当可能
3 可能但不经常
1 可能性小,完全意外
0.5 很不可能、可以设想
0.2 极不可能
0.1 实际不可能
表2 人体暴露在危险环境中的频繁程度(E)分数值暴露在危险环境中的频繁程度(E)10 连续暴露
6 每天工作时间暴露
3 每周一次
2 每月一次
1 每年一次或几次
0.5 非常罕见的
表3 一旦发生事故会造成的损失后果(C)分数值发生事故会造成的损失后果(C)100 大灾难,许多人死亡
40 灾难,数人死亡
15 非常严重,一人死亡
7 严重,重伤
3 重大、致残
1 引人注目,需要救护
表4 风险评价的最终危害性分值(D)
分数值危险程度(D)
D≧320 极其危险,不能继续作业(特大)160≦D<320 高度危险,要立即整改(重大)70≦D<160 显著危险,需要整改(较大)20≦D<70 一般危险,需要注意(一般)
D<20 稍有危险,可以接受(可接受)D——评价危险性大小:D=L*E*C。
附件二:危害显著性中风险评估等级划分对照表
风险评估等级:极高风险A 高风险B 中等C 低风险D
危害分析采用工作表形式。
我们将危害发生的可能性分为频繁A、可能B、偶尔C、很少D、不可能E的五种情况;严重性分灾难性A、严重B、中度C、轻微D和可忽略E 的五种情况。
可能性的判断的标准是:
频繁A是指每批生产出现或每天发生的情况;
可能B是指短时期内经常周期发生的情况,一般指一个月以下的周期;
偶尔C是指短时期内没有规律发生的情况,一般指一个月以下的周期
很少D是指偶尔出现的情况,一般指一个月以上的时间而非周期性出现的情况。
不可能E是指过去、现在、将来任何时候都不会发生的情况。
严重性的判断的标准是:
灾难性A是指该危害的发生将导致消费者直接死亡;
严重B是指该危害的发生将导致消费者生病或生理上受到伤害;
中度C是指该危害的发生将导致消费者受到很轻程度的伤害;
轻微D是指该危害的发生将不会导致消费者受到伤害或者说受到伤害的可能性极低;
可忽略E是指该危害的发生将不会导致消费者任何伤害。