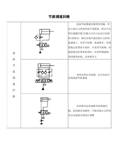
进油路节流调速回路
- 格式:docx
- 大小:30.58 KB
- 文档页数:1
第八章液压基本回路(二)§4 速度控制回路在很多液压装置中,要求能够调节液动机的运动速度,这就需要控制液压系统的流量,或改变液动机的有效作用面积来实现调速。
一、节流调速回路在采用定量泵的液压系统中,利用节流阀或调速阀改变进入或流出液动机的流量来实现速度调节的方法称为节流调速。
采用节流调速,方法简单,工作可靠,成本低,但它的效率不高,容易产生温升。
1.进口节流调速回路(如下图)节流阀设置在液压泵和换向阀之间的压力管路上,无论换向阀如何换向,压力油总是通过节流之后才进入液压缸的。
它通过调整节流口的大小,控制压力油进入液压缸的流量,从而改变它的运动速度。
2.出口节流调速回路(如下图)节流阀设置在换向阀与油箱之间,无论怎样换向,回油总是经过节流阀流回油箱。
通过调整节流口的大小,控制液压缸回油的流量,从而改变它的运动速度。
3.傍路节流调速回路(如下图)节流阀设置在液压泵和油箱之间,液压泵输出的压力油的一部分经换向阀进入液压缸,另一部分经节流阀流回油箱,通过调整傍路节流阀开口的大小来控制进入液压缸压力油的流量,从而改变它的运动速度。
4.进出口同时节流调速回路(如下图)在换向阀前的压力管路和换向阀后的回油管路各设置一个节流阀同时进行节流调速。
5.双向节流调速回路(如下图)在单活塞杆液压缸的液压系统中,有时要求往复运动的速度都能独立调节,以满足工作的需要,此时可采用两个单向节流阀,分别设在液压缸的进出油管路上。
图(a)为双向进口节流调速回路。
当换向阀1处于图示位置时,压力油经换向阀1、节流阀2进入液压缸左腔,液压缸向右运动,右腔油液经单向阀5、换向阀1流回油箱。
换向阀切换到右端位置时,压力油经换向阀1、节流阀4进入液压缸右腔液压缸向左运动,左腔油液经单向阀3、换向阀1流回油箱。
图(b)为双向出口节流调速回路。
它的原理与双向进口节流调速回路基本相同,只是两个单向阀的方向恰好相反。
6.调速阀的桥式回路(如下图)调速阀的进出油口不能颠倒使用,当回路中必须往复流经调速阀时,可采用如图所示的桥式联接回路。
第八章液压基本回路(二)§4 速度控制回路在很多液压装置中,要求能够调节液动机的运动速度,这就需要控制液压系统的流量,或改变液动机的有效作用面积来实现调速。
一、节流调速回路在采用定量泵的液压系统中,利用节流阀或调速阀改变进入或流出液动机的流量来实现速度调节的方法称为节流调速。
采用节流调速,方法简单,工作可靠,成本低,但它的效率不高,容易产生温升。
1.进口节流调速回路(如下图)节流阀设置在液压泵和换向阀之间的压力管路上,无论换向阀如何换向,压力油总是通过节流之后才进入液压缸的。
它通过调整节流口的大小,控制压力油进入液压缸的流量,从而改变它的运动速度。
2.出口节流调速回路(如下图)节流阀设置在换向阀与油箱之间,无论怎样换向,回油总是经过节流阀流回油箱。
通过调整节流口的大小,控制液压缸回油的流量,从而改变它的运动速度。
3.傍路节流调速回路(如下图)节流阀设置在液压泵和油箱之间,液压泵输出的压力油的一部分经换向阀进入液压缸,另一部分经节流阀流回油箱,通过调整傍路节流阀开口的大小来控制进入液压缸压力油的流量,从而改变它的运动速度。
4.进出口同时节流调速回路(如下图)在换向阀前的压力管路和换向阀后的回油管路各设置一个节流阀同时进行节流调速。
5.双向节流调速回路(如下图)在单活塞杆液压缸的液压系统中,有时要求往复运动的速度都能独立调节,以满足工作的需要,此时可采用两个单向节流阀,分别设在液压缸的进出油管路上。
图(a)为双向进口节流调速回路。
当换向阀1处于图示位置时,压力油经换向阀1、节流阀2进入液压缸左腔,液压缸向右运动,右腔油液经单向阀5、换向阀1流回油箱。
换向阀切换到右端位置时,压力油经换向阀1、节流阀4进入液压缸右腔液压缸向左运动,左腔油液经单向阀3、换向阀1流回油箱。
图(b)为双向出口节流调速回路。
它的原理与双向进口节流调速回路基本相同,只是两个单向阀的方向恰好相反。
6.调速阀的桥式回路(如下图)调速阀的进出油口不能颠倒使用,当回路中必须往复流经调速阀时,可采用如图所示的桥式联接回路。
进油回油节油调速回路原理
进油节流调速回路和回油节流调速回路是液压与气压传动中的两种节流调速回路。
进油节流调速回路的工作原理是:节流阀串联安装在定量液压泵出口和液压缸入口之间,定量液压泵输出的油液一部分经过节流阀流入液压缸的无杆腔,推动活塞运动,另一部分油液通过与定量液压泵并联的溢流阀流回液压油箱。
调节节流阀的开口面积,即可改变通过节流阀的流量,从而调节了液压缸活塞的运动速度。
而回油节流调速回路的工作原理是:将节流阀安装在液压缸的回油路上,与进油路并联一个溢流支路,通过调节液压缸回油量来调节液压缸的进油量,这种调速回路称为回油节流调速回路。
这两种调速回路虽然不同,但它们都是通过改变流量控制元件通流截面积的大小来控制流入或流出液压执行元件的流量,以调节其运动速度。
以上信息仅供参考,如需了解更多信息,建议查阅相关书籍或咨询专业人士。
实验报告5:节流调速回路的装调
一、实验描述
通过对三种节流调速回路的组装和观察,加深对节流调速回路工作原理的理解,能对三种不同节流调速回路——进油路节流调速回路、回油路节流调速回路、旁油路节流调速回路进行性能比较与分析。
二、实验目标
(1)正确选取液压元件;
(2)准确进行元件的连接、回路的组建;
(3)掌握节流调速回路的工作原理;
(4)能够对三种节流调速回路的性能进行比较和分析。
三、实验分析
(1)进口节流调速回路中,经节流阀发热的油液进入液压缸,增大液压缸泄漏。
图1 进口节流调速回路
(2)回油节流调速回路中,回油路有背压力,活塞运动速度平稳。
经节流阀发热的油液排回油箱,对液压缸的泄漏、效率无影响。
图2 回油节流调速回路
(3)旁路节流调速回路中,承载能力随节流口通流面积的增大而减小,低速时承载能力差,调速范围小,速度稳定性受液压泵泄漏的影响,故速度稳定性不如前两种,回路只有节流功率损失,无溢流功率损失,回路效率高于前两种。
图3旁路节流调速回路
四、实验实施
(1)组装节流调速回路;
(2)全部打开溢流阀;
(3)旋紧节流阀;
(4)启动液压泵,调节溢流阀的手柄到一定位置,两个电磁换向阀交替通断电,观察液压缸的往返运动速度;
(4)节流阀调到一定位置(大、中、小),两个电磁换向阀交替通电,观察液压缸的往返速度的变化。
五、实验总结
液压基本回路是为了实现特定的功能而把某些液压元件和管道按一定的方式组合起来的油路结构。
在实验报告中简述液压基本回路——节流调速回路安装调试的步骤及注意事项。
液压传动系统中速度控制回路包括调节液压执行元件的速度的调速回路、使之获得快速运动的快速回路、快速运动和工作进给速度以及工作进给速度之间的速度换接回路。
一、调速回路调速是为了满足液压执行元件对工作速度的要求,在不考虑液压油的压缩性和泄漏的情况下,液压缸的运动速度为液压马达的转速:由以上两式可知,改变输入液压执行元件的流量q或改变液压缸的有效面积A<或液压马达的排量VM)均可以达到改变速度的目的。
但改变液压缸工作面积的方法在实际中是不现实的,因此,只能用改变进入液压执行元件的流量或用改变变量液压马达排量的方法来调速。
为了改变进入液压执行元件的流量,可采用变量液压泵来供油,也可采用定量泵和流量控制阀,以改变通过流量阀流量的方法。
用定量泵和流量问阀来调速时,称为节流拥速;用改变变量泵或变量液压马达的排量调速时,称为容积调速;用变量泵和流量阀来达到调速目的时,则称为容积节流调速。
<-)节流调速回路节流调速回路的工作原理是通过改变回路中流量控制元件<节流阀和调速阀)通流截面积的大小来控制流入执行元件或自执行元件流出的流量,以调节其运动速度。
根根流量阀在回路中的位置不同,分为进油节流调速、回油节流调速和旁路节流调速三种回路。
前两种回路称为定压式节流调速回路,后一种因为回路的供油压力随负载的变化而变化又称为变压式节流调速回路。
1、进油节流调速回路<1)速度负载特性缸稳定工作时有式中,P1为进油腔压力;P2为出油腔压力,P2=0;F为液压缸的负载;A1为液压缸无杆腔面积;A2为液压缸有杆腔面积,AT为节流阀通流面积。
故节流阀两端的压差为节流阀进入液压缸的流量为液压缸的运动速度为这种回路的调速范围较大,当AT调定后,速度随负载的增大而减小,故负载特性软。
适用于低速轻载场合。
<2)最大承载能力<3)功率和效率在节流阀进油节流调速回路中,液压泵的输出功率为=常量,而液压缸的输出功率为,所以该回路的功率损失为式中,qy为通过溢流阀的溢流量,qy=qp-q1由上式可以看出,功率损失由两部分组成,即溢流损失功率和节流损失功率。
几种节流调速回路的应用区别1.进油节流调速回路:液压缸动作后,活塞杆缓慢动作,逐渐调大通流面积可以观察到活塞杆运动速度增大;在运行过程中,可以看到活塞杆动作时快时慢,这个是由于进油口有节流阀限制流量,而在回油口又没有背压阀的原因,所以运动平稳性差;通常在刚启动时由于有节流阀串联在进油口,所以启动冲击小;另外多余的油液被溢出,所以工作效率低。
在本回路中,工作部件的运动速度随外负载的增减而忽快忽慢,难以得到准确的速度,故适用于轻负载或负载变化不大,以及速度不高的场合。
2.回油节流调速回路:节流阀在回油路中,所以这种回路多用在功率不大,但载荷变化较大,运动平稳性要求较高的液压系统中,如磨削和精镗的组合机床等。
3.旁路节流调速回路:与前两种回路的调速方法不同,它的节流阀和执行元件是并联关系,节流阀开的越大,活塞杆运行越慢。
这种回路适用于负载变化小,对运动平稳性要求不高的高速大功率的场合,例如牛头刨床的主传动系统,有时候也可用在随着负载增大,要求进给速度自动减小的场合。
二、进油及回油调速回路的差别(红色为压力上的区别)进油节流一般直接调整P腔系统过来的流量,起到减小流量从而减慢速度的作用;回油节流主要控制T腔液压油回油箱的流量,起到背压和平稳的作用;(2)进油路节流调速回路的流量阀前后有一定的压力差,当运动部件行至终点停止时,液压缸进油腔压力会升高,使流量阀前后压差减少。
这样即可在流量阀和液压缸之间设置压力继电器,利用该压力变化发出电信号,对系统下一步动作实现控制。
而在回油路节流调速回路中,液压缸进油腔的压力等于溢流阀的调定压力,没有上述压差及压力变化,不易实现压力控制,如果用在回油路上控制时,压力低,可靠性差。
1)承受负值负载的能力回油路节流调速回路的节流阀使液压缸回油腔形成一定的背压,在负值负载时,背压能阻止工作部件的前冲,即能在负值负载下工作;而进油路节流调速由于回油腔没有背压力,因而不能在负值负载下工作。
《液压气动技术》试卷(Ⅰ)单位:姓名:学号:一、判断题(20分)1.液压缸活塞运动速度只取决于输入流量的大小,与压力无关。
()2.液体流动时,其流量连续性方程是能量守恒定律在流体力学中的一种表达形式。
()3.理想流体伯努力方程的物理意义是:在管内作稳定流动的理想流体,在任一截面上的压力能、势能和动能可以互相转换,但其总和不变。
()4.雷诺数是判断层流和紊流的判据。
()5.薄壁小孔因其通流量与油液的粘度无关,即对油温的变化不敏感,因此,常用作调节流量的节流器。
()6.流经缝隙的流量随缝隙值的增加而成倍增加。
()7.流量可改变的液压泵称为变量泵。
()8.定量泵是指输出流量不随泵的输出压力改变的泵。
()9.当液压泵的进、出口压力差为零时,泵输出的流量即为理论流量。
()10.配流轴式径向柱塞泵的排量q与定子相对转子的偏心成正比,改变偏心即可改变排量。
()二、选择题(10分)1.运动速度()时宜采用粘度较低的液压油减少摩擦损失:工作压力()时宜采用粘度较高的液压油以减少泄漏。
A. 高低B. 高高C. 低高D. 低低2. 在用一个泵驱动一个执行元件的液压系统中,采用三位四通换向阀使泵卸荷,应选用()型中位机能A. “P”型B. “O”型C. “Y”型D. “H”型3. 调速阀是用()而成的A. 节流阀和顺序阀串联B. 节流阀和定差减压阀串联C. 节流阀和顺序阀并联D. 节流阀和定差减压阀并联4.如图,已知单杆活塞缸两腔有效面积A1,A2,泵供油量q,活塞左右运动速度分别为v1,v2。
若A1=2 A2,则大腔的流量为( );A. qB. 1.5 qC. 1.75 qD. 2 q5.当负载变化时泵的下列指标中哪些变化( )。
A. 额定压力B. 工作压力C. 最大压力D. 吸入压力三、简答题(15分)1、液体静压力具有两个基本特性是什么?2.说明下图所示双泵双速回路的工作原理,如何正确确定阀3、4的调定压力?3.何谓气穴现象?它有哪些危害?通常采取哪些措施防止气穴及气蚀?四、分析题(25分)1.分析图中所示液压系统,说明下列问题:(1)阀1、阀2、阀3组成什么回路?(2)本系统中阀1、阀2可用液压元件中哪一种阀来代替?(3)系统工作正常时,为使柱塞能够平稳右移,在系统工作压力p1、阀2的调整压力p2和阀3的调整压力p3这三种中,哪个压力值最大.,哪个最小或者相等,请予以说明。