空冷器型号说明
- 格式:docx
- 大小:247.04 KB
- 文档页数:3
空冷式换热器1.空冷器型号的说明为方便用户,我公司空冷器型号均参照GB/T15386-97《空冷式换热器》编制。
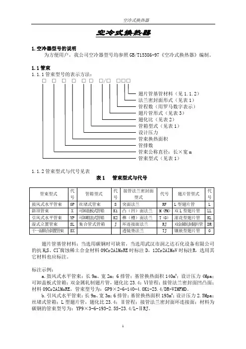
1.1管束1.1.1管束型号的表示方法:□□□□□□□/□□□□翅片管基管材料(见1.1.2)法兰密封面形式(见表1)管程数(用罗马数字表示)翅片管形式(见表3)翅化比(见表2)管箱型式(见表1)设计压力管束换热面积管排数管束公称直径:长×宽m管束型式(见表1)1.1.2管束型式与代号见表表1 管束型式与代号翅片管基管材料:当选用碳钢时可缺省,当选用武汉市润之达石化设备有限公司S、Cl-腐蚀稀土合金材料09Cr2AlMoRE时标注D,12Cr2AlMoV时标注R,选用其的抗H2它材料也应标注。
标注示例:a.鼓风式水平管束:长9m、宽2m;6排管;基管换热面积140m2;设计压力4Mpa;可卸盖板式管箱;双金属轧制翅片管,翅化比23.4;Ⅵ管程;接管法兰密封面凹凸面;材料09Cr2AlMoRE,管束型号为:GP9×2-6-140-4.0K1-23.4/DR-VIMFMD。
b.引风式水平管束:长9m、宽3m;6排管;基管换热面积193m2;设计压力2.5Mpa;丝堵式管箱;L型翅片管,翅化比23.4;Ⅱ管程;接管法兰密封面环连接面;材料为碳钢的管束型号为:YP9×3-6-193-2.5S-23.4/L-ⅡRJ。
表2 翅化比及迎风面积比(参照JB/T4740-1997)1.2构架1.2.1构架型号表示方法:□□□□风箱型式(见表3)风机直径×102mm/台数构架公称尺寸长×宽m(对斜顶式构架为长×宽×斜边长)开(闭)型构架型式(见表3)标注示例:a.鼓风式空冷器水平构架长9m、宽4m;风机直径3000mm,2台,方箱型风箱;闭式构架型号为:GJP9×4B-30/2F。
1.2.2型式与代号表31.3风机1.3.1风机型号表示方法:□□□□□□□电动机功率KW风机传动方式(见表4)叶片数(见表4)叶片型式(见表4)叶轮直径×102mm风量调节方式(见表4)通风方式(见表4)标注示例:a.鼓风式,停机手动调角风机;直径2400mm、B型玻璃钢叶片;叶片数4个;悬挂式电动机轴朝上V带传动、电动机功率18.5KW的风机型号:G-TF24B4-Vs18.5b.引风式,自动调角风机;直径3000mm、R型玻璃钢叶片;叶片数6个;悬挂式电动机轴朝上V带传动、电动机功率15KW的风机型号:Y-2FJ30R6-Vs151.3.2型式与代号表41.4百叶窗1.4.1百叶窗型号表示方法:□□公称尺寸,长×宽m调节方式标注示例:a.手动调节百叶窗,长9m,宽3m,其型号SC9×3b.自动调节百叶窗,长6m,宽2m,其型号ZC6×21.5喷淋装置□□喷淋装置的公称尺寸长×宽(m)喷淋装置代号标注示例:喷淋装置长9m、宽3m,其型号为P9×31.6空冷器型号的表示方法:□□□□百叶窗型式,公称尺寸/台数构架型式,公称尺寸开(闭)型式/跨数风机型式,叶轮直径×102,mm/台数管束型式,管束材质、公称尺寸/片数标注示例:鼓风式空冷器,水平式管束,材质09Cr2AlMoRE,长×宽为9m×3m,4片,停机手动调角风机,直径3600mm,4台,水平构架,长×宽为9m×6m,1跨闭式构架,1跨开式构架,手动调节百叶窗,4台,长×宽为9m×6m的空冷器型号为:GPD9×3/4-TF36/4- GJP9×6B/1GJP9×6K/1-SC9×3/42.水平式空冷器2.1水平式空冷器管束2.1.1丝堵式水平空冷器管束2.1.1.1丝堵式水平空冷器管束安装尺寸(图1)。
空气冷却器技术及设备空气冷却器是以环境空气作为冷却介质,对管内高温流体进行冷却或冷凝的设备,它具有不需要水源,适用于高温、高压的工艺条件,使用寿命长,运转费用低等优点。
随着水资源和能源的匮乏以及环保意识的增强,节水、节能、无污染的空气冷却器将会得到更广泛的应用。
一、空冷器的应用与水作为冷却介质的传统工业冷却系统相比,空冷的优缺点如表1和表2所示。
由表可见,在缺水地区(如沙漠地带)或水冷结垢和腐蚀严重的地区,适合采用空冷器。
一般在下述条件下采用空冷比较有利。
(1) 热流体出口温度与空气进口温度之差>15℃。
(2) 热流体出口温度>60℃,其允许波动范围>5℃。
(3) 空气的设计气温<38℃。
(4) 有效对数平均温度差≥40℃。
(5) 管内热流体的给热系数<2300 W/(m2 *℃)。
(6) 热流体的凝固点<0℃。
(7) 管侧热流体的允许压降>10kPa,设计压力>100kPa。
二、空冷器的型式空冷器由管束、风机、构架三个基本部分和百叶窗、风筒、喷淋装置、梯子、平台等辅助部分组成,每个管束有若干排三角形排列的管子,该管子一般是翅片管,也可以是光管。
介质的流向通常是逆流,热流体从管束顶端流入,底部流出,空气由下向上流动,冷却热的工艺介质。
另外还有风机、百叶窗、构架和风箱等部件,风机驱动空气流过管束,百叶窗通过调节进入空冷器的空气量来改善空冷器的调节和适应性能,构架是支撑管束、风机,百叶窗以及其它附属件的钢结构,风箱用于导流空气。
空冷器按管束布置方式可分为水平式和斜顶式;按通风方式可分为鼓风式和引风式;按冷却方式可分为干式、湿式和干湿联合式。
2.1 管束表3管束的型式与代号a 鼓风式水平管束(GP)b 引风式水平管束(YP)c 斜顶管束(X)d 湿式立置管束(SL)e 干湿联合斜置(SX)f 减压塔顶空冷器(YSX)图1 管束型式a:L型翅片管(L)b:LL型翅片管(LL)c:滚花型翅片管(KL)d:双金属轧制翅片管(DR)e:镶嵌型翅片管(G)f椭圆管套矩形片翅片管(TC)g:板翅片翅片管(T60)图2 翅片管型式a 光滑平面法兰b 凹凸面法兰c 榫槽式法兰d 透镜垫式法兰e 梯型槽面法兰图3 法兰密封面型式丝堵式管箱(C)可卸盖板式管箱(K)可卸帽盖式管箱(K2)全焊接圆帽管箱(Q)集合管式管箱(J)图4 管箱型式1.1.2 常用换热元件规格及特性常用换热元件(翅片管)规格(见表2),翅片管翅化比表(见表3),特性比较表(见表4)表2 常用换热元件规格表。
家用空调型号分类代号解释最近是购买空调的高峰期,很多消费者都去家电卖场准备也选购一台在夏天能够带来凉爽感受的空调产品。
可是有的朋友超市到卖场上发现,空调产品的一堆字符,数字,什么KFR的看着自问就不明白是什么意思,并且外资品牌的空调产品也和国产的空调在标识上为上能也不一样。
今天编辑就给大家带来了,冷气机卖场上常见空调型号的详解。
关注的朋友不妨一起来了解一下。
结构进行分类代号整体式:窗机--C落地式--L分体式--F分体式的室内机组:吊顶式--D壁挂式--G嵌入式--Q台式--T分体式的场地机组:W2、功能分类代号热泵式--R电热式--D热泵电热混合式--Rd变频技术--BP3、型号命名的表示方法:(K)(×)(×)-(×)(×)(×)(房间空调器专门代号)(结构代号)(功能代号)-(制冷量:用两位阿拉伯数字坦言)(分体式室内机组代号)(分体式室外机组代号)制冷量的分档系列:1250,1400,1600,1800,2000,2250,2500,2800,3150,3500,4000,4500,5000,5600,6300,7100,8000,90004、为人所知标识基本组合:KF:分体壁挂单冷式空调KFR:夫龙县壁挂冷暖式空调KFRD:分体壁挂电辅助加热冷暖式空调KC:窗式空调LW:落地式空调(柜机)举例:KFR-25GW表示该款空调为分体壁挂冷暖式空调,它的额定制冷制热量为2500W。
(注:国产品牌型号大致相同标识基本一致,型号中其它标识为各企业舒适性对自身技术性能、特点的标志,为非正规标识。
进口品牌标识各有不同,具体含义请参阅具体品牌。
)5、部分日本空调器的型号命名的表示方法:(M)(S)-(0)(9)(B)(V)(MITSIBISH:三菱电机株式会社)(结构代号:S-分体W-窗式)-(功能代号:空-制冷H-供暖X-一拖二)(制冷量)(序号)(电源电压:V:198-242S:180-220C:180-242)。
空冷器基本知识在石油化工生产中,工艺介质的冷却通常用水冷器,用得最多的冷却器是空冷器。
现将空冷器的基本知识简介如下:一、空冷器型号的意义1.管束型号的解释管程数及法兰密封面型式:S光洁面;b凹凸面;c榫槽面;d梯形槽翅化比/翅片管型式设计压力(MPa)及管箱型式S丝堵型;L法兰型;Q全焊型;J集合管型光管换热面积(㎡)翅片管排数管束公称尺寸:长×宽(m)管束放置方式:P水平式;X斜式;SL湿立失;SLX湿立斜式;XT斜顶式例:P9*3-4-13-1.575-23。
4/GJ-Ⅱa表示:水平式管束长9m,宽3m,4排翅片管,光管面积为130m2,设计压力为1.57 Mpa,丝堵型管箱,翅化比23.4GJ型翅片管,二管程,光滑面密封。
2.构架型号的解释风机直径×102mm/数量A :构架开式;B:闭式构架公称尺寸:长×宽(m)构架型式:JP水平式;JXT斜顶式;JS湿立式;JSL干、湿联合式;JSLX湿立斜失例:JP9*6B-36/2表示:水平式构架,公称尺寸为9m,宽6m,闭式,风机直径3600mm,风机2台。
3.风机型号的解释电机功率(kw)风机转动方式:a~k风机叶片数叶片型式:B标准型;C加宽型;W宽型叶片直径:×102mm风量调节方式:SF停机手调式;BF半自调式;ZF自动调节式通风方式G鼓风式;Y引风式例:G-SF36B4-K22鼓风式,停机手调式风机,叶轮直径3600mm,B型时片,4叶,K式行动,电机功率22KW。
4.百叶窗型号的解释公称尺寸(长×宽)(m)百叶窗C调节型式:S手调;Z自调例:SC6*3手动调节百叶窗,公称尺寸长6m,宽3m。
5.喷水装置型号的解释喷水装置代号及公称尺寸(m )例:PS6*3表示:喷水装置公称尺寸:长6m,宽3m. 6. 全套“空气冷却器”型号喷水装置型号/台数(干空冷无此单元)百叶窗型号/台数 构架型号/台数 风机型号/台数 管束型号/台数通风方式:引风Y ;鼓风G例:2939592/4362939⨯⨯-⨯--⨯⨯-SC SC JP B SF P P G表示:a . 鼓风式。
蒸发式空冷器操作使用说明蒸发式空冷器操作使用说明安装、使用和维护本设备前,应仔细阅读本使用说明书!一、作用与用途蒸发式空冷器是甲醇(合成氨)生产系统装置中冷却换热设备的最新换代节能产品,它是甲醇(合成氨)生产系统装置中的主要换热设备之一。
又称甲醇(合成氨)冷却器。
蒸发式空冷器的作用是通过冷却盘管的蒸发换热和冷却翅片的空气换热,将生产系统装置中的高温高压气体进行冷却或冷凝成液体、或对较高温度的液体进行冷却。
从而达到生产工艺的要求。
蒸发式冷却器主要应用于甲醇、合成氨等生产系统的合成工序、精馏工序、压缩及变换工序、冰机系统、蒸汽冷凝等关键工艺过程。
分为压缩机级间冷却、甲醇(合成氨)合成气冷却冷凝、甲醇精馏工序冷却(冷凝)、天然气或焦炉煤气转化工序气体冷却、净化工序冷却(冷凝)等。
为年产10万吨及以下、18万吨及以下、30万吨及以下成套设备。
蒸发式空冷器系列产品还适用于炼油、化工、冶金、制冷、轻工、电力、食品、饮料等行业。
二、产品结构与工作原理蒸发式空冷器由空冷式冷却翅片部件、蒸发式冷却盘管部件、水箱及自动补水喷水和水处理装置(包括水泵、自动补水浮球阀、专用喷嘴等)、进风百页窗及轴流风机和自动变频控制器装置(包括进口变频控制器、大口径轴流风机)、热浸锌底座及框架、静电喷塑外壳、工艺管口等组成(见图一)。
采用不锈铝或热浸锌翅片、304不锈钢无缝钢管或10#碳钢无缝钢管热浸锌、钢板为热镀锌板或冷轧钢板静电喷塑,水泵、风机配套电机采用防爆户外型,所有螺栓及固定件均进行防腐防锈处理。
蒸发式空冷器是以水和空气为冷却介质,利用循环冷却水的蒸发潜热和含水蒸气的空气带走被冷却(冷凝)气体中或被冷却液体中的热量。
工作时循环冷却水由水泵送至冷却盘管部件上部的喷淋水管中,经喷嘴均匀地喷淋在冷却盘管的外表面,形成一层很薄的水膜。
高温高压气体或高温液体从盘管部件和翅片部件上部集管进入,分配给每一根冷却管,冷却管内的热量通过管壁传给管外表面的水膜,使水膜蒸发,从而实现热量的交换。
P 型系列空气冷却器使用说明书泰州市裕华制冷设备制造有限公司空气冷却器一、概况P型系列空气冷却器(又称冷风机)是一种使用于各种冷库的冷却降温设备,P型系列空气冷却器有PC、PCE和PE型三种型式分别使用于不同库温的冷库。
它具有结构紧凑、重量轻、不占有冷库实用面积等优点,与自然对流排管相比,它能使冷库内贮藏的食品迅速降温,大大提高了贮藏食品的保鲜度。
二、产品用途P型系列空气冷却器可与不同制冷量的压缩冷凝机组配套,用于不同库温的冷库中作为制冷设备。
其中PC型适用于库温为0℃左右的冷库,如保存鲜蛋或蔬菜的库。
PCE型适用于库温为-18℃左右的冷库,作为肉类、鱼类等冷冻食品的冷藏用。
PE型适用于库温为-25℃或低于-25℃的冷库作为鲜肉或鲜鱼制品及调理食品等冻结用。
三、产品特点1、壳体采用喷塑钢板、轧花铝板或不锈钢板,耐腐蚀,外形美观,可满足不同可户的需求。
2、盘管以错排方式布置,传热效率高,通过机械胀管将铝翅片套在铜管上连接牢靠。
3、该产品为厂内配线,所有接线均置于一个接线盒内,安装维修方便。
4、选用的电机和风叶,噪声低,运转平稳并可根据用户需要选用防爆型电机。
5、排水管中央最低处设有排水接口,排水可靠。
6、槽型吊架,安装方便。
7、U型管状不锈钢管及氧化镁填料的电加热管,置于盘管中,融霜效果良好,几种可选的融霜方式(电加热管、水、热气)。
8、出厂前全部经过保压充氮处理。
四、型号说明空气冷却器的传热面积(m2)空气冷却器的名义制冷量KW(kcal/h)融霜方式:对电融霜省略此相,W表示水冲霜适用制冷剂(对R22省略此项)冷却物冷藏库用C表示冻结物冷藏库用CE表示速冻库用E表示吊顶式用P表示五、冷风机安装前的检查1、在拆开外包装后应检查各连接部件有无松动,如有松动应重新紧固。
2、检查轴流风机的风叶安装在电机轴上是否牢固,风叶与防护罩是否碰伤。
3、如因运输而造成冷风机有损坏或变形时,应修复后才能吊装。
1大卡/小时=1.163W适用于库温:-2 ~ +5℃的冷库备注:根据用户需要可进行特殊加工1大卡/小时=1.163W适用于库温:+2 ~ -20℃的冷库备注:1、可根据用户要求加工成水冲霜; 2、根据用户需要可特殊加工。
1设计压力MPa 基本风压 Pa 2试验方法及压力MPa 抗震设防烈度 度3管程侧设计温度℃场地土类别 类4空气侧设计温度℃焊接接头系数 mm
5最低空气温度℃管子连接型式
6管箱腐蚀裕量mm 7换热管腐蚀裕量mm 8
结构材料
9部件名称材料规格备注
风机叶片轮材料 备注
10管箱材料百叶窗材料11管子材料管箱接管材料12翅片材料接管法兰材料13管箱垫片材料螺栓材料(外)14丝堵材料螺母材料(外)
15丝堵垫片材料161718制造及检验要求
19
20检测规范油漆 包装 运输21焊后热处理铭牌
22射线/超声检测地脚螺栓材料23磁粉/渗透检测%
级别
接地支耳
24其它无损检测档案号空气冷却器数据表
II
6007铝合金Q245R -3030
10#级别
减压塔顶空冷器(A-101A/B )
设计阶段日 期
252627其它数据
28总质量Kg 百叶窗质量Kg 29充水质量Kg 电机质量Kg 30构架质量Kg 风机质量
Kg
3132附加要求33343536373839404142434445464748495051附注:
本文件未经宁波化工院许可不得向第三方扩散。
空冷技术介绍煤化工闭式循环水空冷技术介绍空冷式换热器,简称空冷器,作为一种冷凝冷却设备,广泛地应用于炼油、化工、电力及冶金行业,它是工业装置的主要工艺设备之一。
按冷却方式可分为:干空冷、增湿空冷、表面蒸发空冷、联合空冷,考虑技术经济性,干空冷适用于传热温差较大的场合,增湿空冷、表面蒸发空冷适用于传热温差较小的场合。
1 、干式空冷器干式空冷是以环境空气作为冷却介质,依靠翅片管扩展传热面积来强化管外传热,靠空气横掠翅片管后的空气温升带走热量,达到冷却、冷凝管内工艺流体的目的。
它可使管内工艺流体出口温度冷到比环境干球温度高15~20℃。
2 、湿空冷器湿空冷器又分为增湿型湿空冷器和喷淋型湿空冷器。
a. 增湿型湿空冷器增湿型湿空冷的典型结构如图1 所示。
其工作特点是在空气入口处喷水雾,利用雾状水的蒸发使空气入口处的干燥空气增湿,以此降低空气入口温度,使空冷器入口风温由干球温度降低到湿球温度,增大空气入口温度与管内工艺流体出口温度之间的温差来强化传热。
增湿降温的空气经过挡水板除去夹带的水滴后横掠翅片管束,它仍完全依靠空气温升来冷却或冷凝管内工艺流体。
入口处空气相对湿度愈小,空气增湿后降温愈多,其冷却效果也愈显著。
b. 喷淋蒸发型空冷器喷淋蒸发型空冷器的典型结构如图2 所示。
喷淋蒸发型空冷器的作用原理是依靠喷淋在管束翅片管表面形成的水膜,空气以一定的速度掠过管束,翅片表面的水膜在气流和管内热介质的双重作用下强制蒸发,取热能力很大。
管外膜传热系数要比普通的干式空冷器大3-5倍。
此外,水的喷淋蒸发,不仅使空冷器入口风温由干球温度降低到湿球温度,而且因水的汽化潜热很大,导致空冷器出口风温温升很少,传热温差要比普通的增湿空冷器大。
增湿型湿空冷器和喷淋蒸发型空冷器对于一些管内热流介质终冷温度要求较低的空冷工艺是十分有利的,喷淋蒸发型空冷器由于翅片表面的水膜在气流和管内热介质的双重作用下强制蒸发使其效率明显高于增湿型湿空冷器。
发电机组降温冷却专家KCWQ系列空冷器KCW系列空气冷却器1.应用范围:用于火电机组、水轮发电机组运行环境的空气降温、火电氢冷机组的氢气降温;2.设备结构及技术规格选型:2.1设备结构经我公司多年来对电站使用的各种空冷器过程中,进行使用情况综合分析,对空冷器的设计、制造工艺实施了一系列的改进完善,形成我公司KCW系列空冷器,经改进完善后的空冷器,其结构及各项指标更加满足用户的使用要求;(空冷器设计压力:0.6〜I.OMpa;工作压力:0.2〜0.5Mpa)KCW系列空冷器,结构以“可卸盖板式”为主,因两侧水室便于拆装,在使用维护过程中便于对水室内部和散热管基管内部进行清洗维护;KCW(系列空冷器主要由左右水室、左右管板、复合式翅片管、上下侧板等主要部件构成,空冷器的水室与管板用螺栓连接(中间使用专用胶垫密封)见下图:1 2 3 4 5 6 7 8 9 101左水室2冷却水进水法兰3冷却水出水法兰4左管板5换热管6下侧板7上侧板8右管板9右水室10 螺栓图2-1 KCWQ “可卸盖板式”空冷器结构2.2技术规格选型KCWQ空气冷却器规格尺寸3.设备特点:3.1 “可卸盖板式”空冷器的左右水室内表面,采用国内先进的“汽车底盘装甲”工艺,进行特殊防腐处理,防止其生锈影响冷却水质,经此工艺加工后的水室内表面,能长期缓解水气腐蚀、冷却水体流动及水体内所含杂质对水室内表面的冲刷撞击,彻底解决了因水室内表面涂漆层脱落、水室内表面生锈等不利因素影响冷却水质的问题;图3-1经“汽车底盘装甲”工艺处理后的水室内表面图3-2基管与管板胀接后照片3.2左右管板采用优质钢板加工,部件外表面采用先进镀锌工艺进行镀锌处理,避免其腐蚀生锈影响冷却水质,并在一定程度上延长了设备使用寿命;翅片管基管与左右管板基管孔处,采用国内最先进的胀接工艺进行胀接密封,确保冷却水在翅片管基管内部正常循环流动,冷却水不会因渗漏随被降温的热空气进入到机组内部,确保机组安全运行(见图3-2);3.3两块侧板与左右管板连接形成空冷器主体,侧板主梁采用国标等边角钢设计制造,(可根据电站实际安装需要,在侧板主梁上钻出一定数量的把合孔,便于空冷器主体与定子及相关设备部件连接并密圭寸);3.4 KCW(系列空冷器使用的核心换热元件是复合式翅片管,复合式翅片管的基管与铝翅片的接触热阻低,在较大温度变化范围内能保持稳定的低值,传热系数高,基管由外层铝管壁保护不受腐蚀,对温度突变及振动有良好抗力;单位长度换热面积大,传热量高,结构可靠,寿命长;翅片表面光滑无毛刺无皱折、不易结垢不易变形、易于清洗(可用高压水冲洗),易于排除表面积水、流动阻力低,能长期保持良好的传热性能。
一、项目:40KW两台、60KW三台固态高频电源及淬火液配套空气冷却器。
技术参数二、供应范围及主要部件:空冷式换热器主体一台电源水泵一台淬火液水泵一台软化水箱一只淬火液水箱一只电控系统一套喷淋系统一套不锈钢喷淋水泵一台T35-11轴流风机三台三、空冷式换热器组成部件:传热管:根据换热量以及其他参数,确定换热面积,传热管数量、品种和规格来布置传热管。
其传热管束采用紫铜管,外部铝翅片扩展面积是原来的20倍(形成铜铝复合管)作为传热管。
风机:选用T35-11轴流风机,功率小、风量大。
根据换热能力选择适宜的风机。
空冷式换热器本体:换热排管为错排,几个流程均匀布置,风量、风速达到平衡,大大提高换热能力,充分合理地利用传热原理,获得最佳的传热效果。
辅助部件:在环境温度较高和要求热流体温度较低时,在风机和传热管之间增设喷淋装置,可使传热管表面温度降至湿球温度,增大传热温差。
主要部件要求如下表:四、价格:1、GKL-(TS)3.00型空冷器价格:88000元/台2、运费4000元/台3、以上价格为含税价格五、适用的标准和规范:设备设计、制造、检查和试验应遵循如下最新版标准规范:☐GB/T 15386-94 《空冷式换热器》☐JB/T4709-2000 《钢制压力容器焊接规程》☐GB 150-1998 《水压试验标准》六、售后服务及质保措施:1.严格按照国家空冷器的相关标准设计制造。
2.完善的售后服务,追求零抱怨。
3.质保期为一年,由于供方原因出现的质量问题,可免费更换另部件。
4.对于出现的问题,供方接到通知后4小时内做出答复,需来人处理的在48小时内到达现场。
5.淬火介质空冷器实用新型专利,专利号:ZL03 249016.X6.空冷器的设计,生产和服务,按照和符合ISO9001:2000。
七、空冷器外形图附后。
Gearboxes IndustrialPowerGenerationPulp & Paper Railways ShipbuildingSteel / Heavy IndustryAir Cooled Oil CoolersDescriptionThe OK-LN series is the latest development in the HYDAC Air Cooler family. It is the optimized, low-noise version of the OK Series coolers. Sizes OK-LN 8-14 have a wide range of accessories and allow for flexible adaptation to various applications to cool industrial hydraulic systems.Features• Highly efficient aluminum bar and plate style heat exchangers• E xternally mounted heat exchangers for easy maintenance and cleaning • M odular pump and filter options for a plug and play fluid conditioning system• Available with HYDAC MF and LPF series filters and FLND series filters • A ccessories Include: thermostats (adjustable and fixed), integrated thermostatic bypass valves, and pressure bypass valves • Up to 200 HP cooling capacity• Packaged systems with pump flows up to 62 gpm • M aximum flows (w/o pump) up to 220 gpmApplicationsHydraulic SymbolOK-LN 8 -11OK-LN 12 -14OKF-LN 8-11OKA-LN 8-11OKAF 8 - 11t e s y o f C M A /F l o d y n e /H y d r a d y n e ▪ M o t i o n C o n t r o l ▪ H y d r a u l i c ▪ P n e u m a t i c ▪ E l e c t r i c a l ▪ M e c h a n i c a l ▪ (800) 426-5480 ▪ w w w .c m a f h .Low Noise SolutionsProduct DevelopmentHYDAC Cooling Systems engineers have utilized modern CFD technologies to carefully study the impact of shroud design, fan type, finger guard design, etc. on the cooling airflow, noise level, cooler performance and overall design efficiency. The goal was to achieve a significant decibel decrease with the cooler design while improving overall cooler efficiency. The result is the new OK-LN (Low Noise) product series.The new OK-LN cooler product line can be used in most industrial applications, where oil or a water-glycol mixture must be cooled using forced air. Typical applications include hydraulic circuits of industrial power units, gearboxes, tool-machines, transformers and others.100Sound Pressure Level @ 1m [dB(9)A]9080706050403020100OK-LN 8LOK-LN 9LOK-LN 10LOK-LN 11LProduct Series Characteristics• Low noise• High heat dissipation• Low electric current consumptionNoise Reduction• Optimized air stream• Application of a high efficiency fan with special characteristic curve • Housing design optimization, i.e. less vibration conduction• Decibel levels reduced without compromise of fan speed or performanceStructure-borne noise reduced(5) Robust aluminum bar and plate heat exchanger(4) Sickle fan blade Efficient fan(2) New motorsupport for improved air flow.(1) Nema motor(3) Inlet cone with diffusor.t e s y o f C M A /F l o d y n e /H y d r a d y n e ▪ M o t i o n C o n t r o l ▪ H y d r a u l i c ▪ P n e u m a t i c ▪ E l e c t r i c a l ▪ M e c h a n i c a l ▪ (800) 426-5480 ▪ w w w .c m a f h .c o mModel CodeOKAF-LN 8 L 3.6 B 70 MF195 3 B AITR IBT45-2 ModelOK- LN = Basic CoolerOKF- LN = Cooler with filter (sizes 8-11 only)OKA- LN = Cooler with circulator pump (sizes 8-11 only)OKAF- LN = Cooler with circulator pump and filter (sizes 8-11 only)Cooler Size8L, 8S, 9L, 10L, 11L, 12L, 14L, 14SMotor / Fan Speed DesignationsL = 1200 RPM S = 1800 RPMModification Number (latest version always supplied)MotorB = 208-230/460 volt- 3PHC = 575 volt-3 PH(other voltages available upon request)Pump(omit) = No Pump for OK/OKF models70 = 70 ccm/rev, L/S = 34.3 gpm100 = 100 ccm/rev, L/S = 47.5 gpm130 = 130 ccm/rev, L/S = 61.8 gpmFilter Type(omit) = No filterMF195 = Spin-on 60 rated gpmLPF240 = Cartridge filter 63 rated gpmLPF280 = Cartridge filter 73 rated gpmFLND 250 = Duplex filter 66 rated gpmFLND 400 = Duplex filter 105 rated gpmNote: Other return line filters are available upon request. Consult the HYDAC Hydraulic & Lube Oil Filters catalog for special fluids.Micron Rating(omit) = No filter / OK and OKA models3 = 3 micron, Absolute5 = 5 micron, Absolute (MF + LPF only)6 = 6 micron, Absolute (FLND Only)10 = 10 micron, Absolute20 = 20 micron, Absolute (MF + LPF only)25 = 25 micron, Absolute (FLND Only)Filter Indicator(omit) = No filterB = VisualC= Electrical (AC/DC) (LPF + FLND filters only)D24 = Visual(lamp) and Electrical (switch) Numbers indicate supply voltage for lightD115 = Visual (lamp) and Electrical (switch)(LPF + FLND filters only)D230 = Visual (lamp) and Electrical (switch)Accessories(omit) = NoneTR1 = Reservoir Thermostat, adjustable 32˚ to 200˚F* (*Must be ordered separately)AITR = Inline Thermostat, adjustable 32˚ to 200˚FTS-120 = Inline Thermostat, fixed 120˚F Only available with OK & OKF UnitsTS-140 = Inline Thermostat, fixed 140˚F (additional set points available - consult factory)TS-160 = Inline Thermostat, fixed 160˚FIBT = Thermostatic bypass valveIBP = Integrated pressure bypass valveOpening Temperature (IBT only)Opening Temp. Closing Temp45 = 113°F (45°C) 131°F (55°C)50 = 130°F (55°C) 150°F (65°C)60 = 140°F (60°C) 158°F (70°C)Opening Pressure Drop (IBT & IBP only)2 = 2 bar (29 psi)3 = 3 bar (45 psi)4 = 4 bar (58 psi) (IBP only)tesyofCMA/Flodyne/Hydradyne▪MotionControl▪Hydraulic▪Pneumatic▪Electrical▪Mechanical▪(8)426-548▪www.cmafh.co mPressure Drops: Sizes 8 - 12, 14 @ 30cSt(tolerance ± 5%)OK-LN SeriesHeat Dissipation @ ∆T = 40ºF(tolerance ± 5%)Cooling capacity depending on oil flow and the temperature differential ∆T between the oil inlet and air temperature.Sizes 8 - 11051015202530354045050100150200250P r e s s u r e D r o p (P S I )Oil Flow [GPM]OK-LN 11OK-LN 10OK-LN 8OK-LN 12OK-LN 14OK-LN 9020406080100120140160180200050100150200250H e a t D i s s i p a Ɵo n (H P )Oil Flow [GPM]OK-LN 14LOK-LN 12L20406080100020406080100120140160H e a t D i s s i p a Ɵo n (H P )Oil Flow [GPM]Sizes 12, 14For other viscosities, the result must be multiplied by the K factors on the following page.t e s y o f C M A /F l o d y n e /H y d r a d y n e ▪ M o t i o n C o n t r o l ▪ H y d r a u l i c ▪ P n e u m a t i c ▪ E l e c t r i c a l ▪ M e c h a n i c a l ▪ (800) 426-5480 ▪ w w w .c m a f h .c o m1) 3 Phase MotorK Factor ChartGeneralConstructionHousingWelded steel housingHeat Exchanger Aluminum Heavy duty bar and plate Motors NEMA frame style TEFC FanPlastic Mounting foot and motor stand SteelMounting Orientation Horizontal, motor shaftMaximum Pressure w/o pump 230 psi (16 bar) Dynamic 290 psi (20 bar) Static with pump145 psi (10 bar)FluidsMineral oil to DIN 51524 Part 1 and 2Permissable contamination < NAS 12Maximum Oil Viscosity w/o pump 2000 cst w/ pump 180cstMaximum Oil Temperature w/o pump 266° F (130°C)with pump176° F (80°C)Air Flow DirectionPulled across heat exchangert e s y o f C M A /F l o d y n e /H y d r a d y n e ▪ M o t i o n C o n t r o l ▪ H y d r a u l i c ▪ P n e u m a t i c ▪ E l e c t r i c a l ▪ M e c h a n i c a l ▪ (800) 426-5480 ▪ w w w .c m a f h .c o mOK-LN SeriesDimensionsDimensions are for general information only, all critical dimensions should be verified by requesting a certified print. Dimensions are in inches.t e s y o f C M A /F l o d y n e /H y d r a d y n e ▪ M o t i o n C o n t r o l ▪ H y d r a u l i c ▪ P n e u m a t i c ▪ E l e c t r i c a l ▪ M e c h a n i c a l ▪ (800) 426-5480 ▪ w w w .c m a f h .c o mOK-LN SeriesDimensions Sizes 12 - 14OKA-LN Seriest e s y o f C M A /F l o d y n e /H y d r a d y n e ▪ M o t i o n C o n t r o l ▪ H y d r a u l i c ▪ P n e u m a t i c ▪ E l e c t r i c a l ▪ M e c h a n i c a l ▪ (800) 426-5480 ▪ w w w .c m a f h .c o m。
空冷式换热器1.空冷器型号的说明为方便用户,我公司空冷器型号均参照GB/T15386-97《空冷式换热器》编制。
1.1管束1.1.1管束型号的表示方法:□□□□□□□/□□□□翅片管基管材料(见1.1.2)法兰密封面形式(见表1)管程数(用罗马数字表示)翅片管形式(见表3)翅化比(见表2)管箱型式(见表1)设计压力管束换热面积管排数管束公称直径:长×宽m管束型式(见表1)1.1.2管束型式与代号见表表1 管束型式与代号翅片管基管材料:当选用碳钢时可缺省,当选用武汉市润之达石化设备有限公司S、Cl-腐蚀稀土合金材料09Cr2AlMoRE时标注D,12Cr2AlMoV时标注R,选用其的抗H2它材料也应标注。
标注示例:a.鼓风式水平管束:长9m、宽2m;6排管;基管换热面积140m2;设计压力4Mpa;可卸盖板式管箱;双金属轧制翅片管,翅化比23.4;Ⅵ管程;接管法兰密封面凹凸面;材料09Cr2AlMoRE,管束型号为:GP9×2-6-140-4.0K1-23.4/DR-VIMFMD。
b.引风式水平管束:长9m、宽3m;6排管;基管换热面积193m2;设计压力2.5Mpa;丝堵式管箱;L型翅片管,翅化比23.4;Ⅱ管程;接管法兰密封面环连接面;材料为碳钢的管束型号为:YP9×3-6-193-2.5S-23.4/L-ⅡRJ。
表2 翅化比及迎风面积比(参照JB/T4740-1997)1.2构架1.2.1构架型号表示方法:□□□□风箱型式(见表3)风机直径×102mm/台数构架公称尺寸长×宽m(对斜顶式构架为长×宽×斜边长)开(闭)型构架型式(见表3)标注示例:a.鼓风式空冷器水平构架长9m、宽4m;风机直径3000mm,2台,方箱型风箱;闭式构架型号为:GJP9×4B-30/2F。
1.2.2型式与代号表31.3风机1.3.1风机型号表示方法:□□□□□□□电动机功率KW风机传动方式(见表4)叶片数(见表4)叶片型式(见表4)叶轮直径×102mm风量调节方式(见表4)通风方式(见表4)标注示例:a.鼓风式,停机手动调角风机;直径2400mm、B型玻璃钢叶片;叶片数4个;悬挂式电动机轴朝上V带传动、电动机功率18.5KW的风机型号:G-TF24B4-Vs18.5b.引风式,自动调角风机;直径3000mm、R型玻璃钢叶片;叶片数6个;悬挂式电动机轴朝上V带传动、电动机功率15KW的风机型号:Y-2FJ30R6-Vs151.3.2型式与代号表41.4百叶窗1.4.1百叶窗型号表示方法:□□公称尺寸,长×宽m调节方式标注示例:a.手动调节百叶窗,长9m,宽3m,其型号SC9×3b.自动调节百叶窗,长6m,宽2m,其型号ZC6×21.5喷淋装置□□喷淋装置的公称尺寸长×宽(m)喷淋装置代号标注示例:喷淋装置长9m、宽3m,其型号为P9×31.6空冷器型号的表示方法:□□□□百叶窗型式,公称尺寸/台数构架型式,公称尺寸开(闭)型式/跨数风机型式,叶轮直径×102,mm/台数管束型式,管束材质、公称尺寸/片数标注示例:鼓风式空冷器,水平式管束,材质09Cr2AlMoRE,长×宽为9m×3m,4片,停机手动调角风机,直径3600mm,4台,水平构架,长×宽为9m×6m,1跨闭式构架,1跨开式构架,手动调节百叶窗,4台,长×宽为9m×6m的空冷器型号为:GPD9×3/4-TF36/4- GJP9×6B/1GJP9×6K/1-SC9×3/42.水平式空冷器2.1水平式空冷器管束2.1.1丝堵式水平空冷器管束2.1.1.1丝堵式水平空冷器管束安装尺寸(图1)。
发电机组降温冷却专家KCWQ系列空冷器KCWQ系列空气冷却器1.应用范围:用于火电机组、水轮发电机组运行环境的空气降温、火电氢冷机组的氢气降温;2.设备结构及技术规格选型:2.1设备结构经我公司多年来对电站使用的各种空冷器过程中,进行使用情况综合分析,对空冷器的设计、制造工艺实施了一系列的改进完善,形成我公司KCWQ系列空冷器,经改进完善后的空冷器,其结构及各项指标更加满足用户的使用要求;(空冷器设计压力:0.6~1.0Mpa;工作压力:0.2~0.5Mpa)KCWQ系列空冷器,结构以“可卸盖板式”为主,因两侧水室便于拆装,在使用维护过程中便于对水室内部和散热管基管内部进行清洗维护;KCWQ系列空冷器主要由左右水室、左右管板、复合式翅片管、上下侧板等主要部件构成,空冷器的水室与管板用螺栓连接(中间使用专用胶垫密封)见下图:1 2 3 4 5 6 7 8 9 101左水室 2冷却水进水法兰 3冷却水出水法兰 4左管板 5换热管 6下侧板7上侧板 8右管板 9右水室 10 螺栓图2-1 KCWQ “可卸盖板式”空冷器结构2.2技术规格选型KCWQ空气冷却器规格尺寸3.设备特点:3.1“可卸盖板式”空冷器的左右水室内表面,采用国内先进的“汽车底盘装甲”工艺,进行特殊防腐处理,防止其生锈影响冷却水质,经此工艺加工后的水室内表面,能长期缓解水气腐蚀、冷却水体流动及水体内所含杂质对水室内表面的冲刷撞击,彻底解决了因水室内表面涂漆层脱落、水室内表面生锈等不利因素影响冷却水质的问题;图3-1经“汽车底盘装甲”工艺处理后的水室内表面图3-2基管与管板胀接后照片3.2左右管板采用优质钢板加工,部件外表面采用先进镀锌工艺进行镀锌处理,避免其腐蚀生锈影响冷却水质,并在一定程度上延长了设备使用寿命;翅片管基管与左右管板基管孔处,采用国内最先进的胀接工艺进行胀接密封,确保冷却水在翅片管基管内部正常循环流动,冷却水不会因渗漏随被降温的热空气进入到机组内部,确保机组安全运行(见图3-2);3.3 两块侧板与左右管板连接形成空冷器主体,侧板主梁采用国标等边角钢设计制造,(可根据电站实际安装需要,在侧板主梁上钻出一定数量的把合孔,便于空冷器主体与定子及相关设备部件连接并密封);3.4 KCWQ系列空冷器使用的核心换热元件是复合式翅片管,复合式翅片管的基管与铝翅片的接触热阻低,在较大温度变化范围内能保持稳定的低值,传热系数高,基管由外层铝管壁保护不受腐蚀,对温度突变及振动有良好抗力;单位长度换热面积大,传热量高,结构可靠,寿命长;翅片表面光滑无毛刺无皱折、不易结垢不易变形、易于清洗(可用高压水冲洗),易于排除表面积水、流动阻力低,能长期保持良好的传热性能。
控制箱温度调节机系列宝鸡雷博精密工业有限责任公司目 录一、适用范围本机组主要用于对各种电气柜内的空气进行冷却、加热、除湿和净化处理,以保证电气元件在安全温度和湿度条件下可靠工作,延长其使用寿命。
适用于机械、电力、轻工、仪器仪表、纺织等行业对温湿度有较高要求的各类控制箱、配电柜及其它电气装置,也可用于小空间的温度、湿度调节。
二、安装(一) 安装要求1、机组应垂直安装在通风良好且远离灰尘处,另外应保证其外侧进出风口与墙壁或其它物体间距离在1m 以上。
2、机组周围不应存在腐蚀性气体和易燃易爆等危险气体,安装位置附近也不应有高温热源和其它发热物体,并避免阳光直接照射到机组上。
3、机组可安装在控制箱正面、侧面(LA-□□B/Q 型)或顶部(LA-□□C 型),加热器组件应安装在控制箱内,具体位置由用户自行确定。
安装部位结构件应能充分承受机组重量。
4、用户应按照产品样本规定,预先在控制箱上加工好机组的送回风口和安装孔。
送回风口的位置应确保箱内空气流向合理,循环畅通,温度均匀性好。
5、机组应使用专用电路供电,电源线截面积应符合相关规定,并在电路上安装规定容量的空气开关或保险装置及漏电断路器。
6、机组和控制箱应按有关电气安全标准要求,可靠接地。
7、机组在搬运或安装中,应避免受到撞击而损坏,同时不允许机组倒置或倾斜角度大于40°。
为此在运输和安装前,应尽量保持原包装,吊装时掌握好重心。
(二) 安装方法机组的安装参见图1、图2、图3所示,具体步骤如下:1.在机组安装面及内侧送回风口周围 粘贴泡沫塑料保温层;2.用M8×16螺栓+弹垫/平垫将机组固定在控制箱箱体上,注意安装方向要正确; 图1 天井式安装3.固定加热器组件,按电路图规定在XT1、XT2端子上接线;4.将排水软管固定在排水管口处(仅限于不带接水盒的机型,并避免其弯曲、上翘)。
弹平垫控制箱温度调节机控制箱×16螺栓后具有掉电保护功能。
家用空调器的型号和专业术语解释家用空调器的型号和专业术语解释型号标记(1)K-房间空调器(2)结构形式:F-分体式房间空调器;C-窗式房间空调器(3)功能代号(单冷型无此代号):R-热泵型;D-电热型;BD-热泵辅助电热型(4)名义制冷量:用阿拉伯数字表示,其值取制冷量的前两位数。
(5)分体式室内机组结构代号:W-室外机(6)改进型代号:分为A、B、C、D、E等(7)特殊功能:BP-变频;Y--遥控(仅限窗机)如:KC-32/Y代表窗机,单冷,制冷量为3200W,为遥控型;KFR-28GW/BP表示壁挂分体式变频空调器,冷暖,制冷量为2800W。
常用专业术语(1) 匹(P)的含义:"P"是功率的简称,国际用"瓦"是指制冷量1P约为2500W。
如:1.5P是指制冷量为1.5*2500W=3500W;2P是指制冷量为2*2500W=5000W(2)能效比:(EER)在额定工况和条件下,空调器进行制冷运行时,制冷量与有效输入功率之比。
EER=制冷量/输入功率,此值能检验空调的性能,值越大,系统匹配越好,空调性能优越,制冷、制热效果越好,耗电量越小。
(3) 除湿量:指单位时间内从密闭空间、房间或区域的空气中除去的水分,叫除湿量。
单位:升/小时(L/H)(4) 额定电压:指空调器制造厂在空调器产品出厂时,对该产品允许的电源电压值,或电源电压允许变动范围所作出规定。
(5) 嗓声类型:空气动力噪声,机械振动噪声,电磁性噪声来源:风机和压缩机,噪声范围:室内在50分贝左右,室外在60分贝左右。
(6) 额定功率:正常工作状况工作时,所消耗的电功率是空调器的允许总功率。